试验设计与数据分析试题(A)
- 格式:doc
- 大小:183.50 KB
- 文档页数:6
《实验设计与数据处理》大作业班级:姓名:学号:1、用Excel(或Origin)做出下表数据带数据点的折线散点图(1)分别做出加药量和剩余浊度、总氮TN、总磷TP、COD Cr的变化关系图(共四张图,要求它们的格式大小一致,并以两张图并列的形式排版到Word 中,注意调整图形的大小);(2)在一张图中做出加药量和浊度去除率、总氮TN去除率、总磷TP去除率、COD Cr去除率的变化关系折线散点图。
2、对离心泵性能进行测试的实验中,得到流量Q v、压头H和效率η的数据如表所示,绘制离心泵特性曲线。
将扬程曲线和效率曲线均拟合成多项式(要求作双Y轴图)。
流量Qv、压头H和效率η的关系数据序号123456Q v(m3/h) H/m0.015.000.414.840.814.561.214.331.613.962.013.65η0.00.0850.1560.2240.2770.333序号789101112Q v(m3/h) H/mη2.413.280.3852.812.810.4163.212.450.4463.611.980.4684.011.300.4694.410.530.4313、用分光光度法测定水中染料活性艳红(X-3B)浓度,测得的工作曲线和样品溶液的数据如下表:(1)列出一元线性回归方程,求出相关系数,并绘制出工作曲线图。
(2)求出未知液(样品)的活性艳红(X-3B)浓度。
4、对某矿中的13个相邻矿点的某种伴生金属含量进行测定,得到如下一组数据:试找出某伴生金属c与含量距离x之间的关系(要求有分析过程、计算表格以及回归图形)。
提示:⑴作实验点的散点图,分析c~x之间可能的函数关系,如对数函数y=a+blgx、双曲函数(1/y)=a+(b/x)或幂函数y=dx b等;⑵对各函数关系分别建立数学模型逐步讨论,即分别将非线性关系转化成线性模型进行回归分析,分析相关系数:如果R≦0.553,则建立的回归方程无意义,否则选取标准差SD最小(或R最大)的一种模型作为某伴生金属c与含量距离x之间经验公式。
复习题1、对一批新水泥试样进行抗压强度试验,抽取其中5个样品,数据分别为:54.5,54.0,53.5,55.0,54.5(单位MPa)。
而过去测得同样的水泥试样的数据分别为:59.1,51.0,57.3,59.1,60.06,问这批水泥试样与过去的有无显著性的差异。
(α=0.05)2、对平炉炼钢试验进行工艺改革,先用原方法炼一炉,然后用改革工艺后的方法炼一炉,以后这样交替进行,各炼10炉,考察指标如下表:假设这两个样本互相独立,分别用t检验和F检验判定原方法和工艺改进后的方法有无显著性的差异(α=0.01)。
3、某化学反应在催化剂作用下产物转化率影响的试验数据如下表所示。
催化剂为四水平,每一水平下重复试验三次,共计3×4=12次试验,试用方差分析法分析催化剂对此化学反应4、某炼铁厂为了提高铁水温度,需要通过试验选择最好的生产方案,经初步分析,主要有3个因素影响铁水温度,它们是焦比、风压和底焦高度,每个因素都考虑3个水平,具体情况如下表所示。
问对这3个因素3个水平如何安排试验设计,才能获得最高的铁水温度(试验指标分别为1365℃,1395℃,1385℃,1390℃,1395℃,1380℃,1390℃,1390℃,1410℃)。
质量好坏的试验指标为:含铁量,越高越好。
选择L8(2)的正交表安排试验。
各因素依次放在正交表的1~6列上,8次试验所得含铁量(%)依次为:50.9,47.1,51.4,51.8,54.3,49.8,51.5,51.3。
试对试验结果进行分析,找出最好的试验方案。
试验指标有两个:(1)产量,越高越好;(2)总还原糖,在32~40%之间。
用正交表L9(34)安排试验,9次试验所得结果如下:产量(kg):498,568,568,577,512,540,501,550,510;还原糖(%):41.6,39.4,31.0,42.4,37.2,30.2,42.2,40.4,30.0。
临床科研设计与分析试卷(带答案) 适用范围:__________ 出题教师:____________ 题型得分单选题名词解释简答题论述题总分1.资料整理的基础工作和资料分析的首要工作是对资料进行:( ) A. 审核B. 演绎分析C. 归纳分析D. 分类2. 查得资料比较杂乱,没有时代特点,属于哪种文献检索的特点:( ) A. 引文查找法B. 顺差法C. 综合查找法D. 逆差法3. 某医生用针刺疗法治疗三种不同的疾病,目的在于弄清:针刺治疗对哪种病疗效最好,三种病人分别在甲、乙、丙三组接受相同的辅助治疗。
该医生每天依次给甲、乙、丙三组病人(每组30 人) 一一扎针,这样做人为产生了:( ) A. 重复误差B. 随机误差C. 条件误差D. 抽样误差4. 实验研究变量的三个组成部分是:( ) A. 实验变量、过程变量和无关变量B. 实验变量、效果变量和无关变量C. 效果变量、过程变量和无关变量D. 效果变量、目标变量和有关变量5. 为了避免重复劳动,提高科学研究的效益,必要的工作是:( ) A. 文献检索B. 选定课题C. 课题论证D. 历史分析6. 根据访谈过程是否有严格设计的访谈提纲,可以把访谈调查分为:( ) A. 结构性访谈调查和非结构性访谈调查B. 个别访谈调查和集体访谈调查C. 电话访谈调查和网络访谈调查D. 一次性访谈调查和重复性访谈调查7. 研究生没有公开发表的学位论文属于类文献:( ) A. 教育档案B. 书籍C. 其他D. 报刊8. 书目属于文献等级中的:( ) A. 一次文献B. 四次文献C. 二次文献D. 三次文献9. 反映实验自变量与因变量的因果关系的真实性,决定实验结果解释的是:( ) A. 内在效度B. 生态效度C. 外在效度D. 总体效度10. 许多人习惯用单因素设计取代多因素设计,这样做在什么情况下易得出错误的结论:( ) A. 因素之间独立时B. 样本含量较小时C. 因素之间有交互作用时D. 实验者操作不太熟练时11. 开展一项科学研究,何时开始运用统计学知识:( ) A. 从最初的试验设计开始B. 有了试验数据之后C. 从计算机算出结果开始D. 有了试验设计之后12. 以下属于三次文献的是:( ) A. 索引B. 手册C. 论文D. 文摘13. 为了研究一组因素X1,X2,,Xg 对一组肺癌患者生存时间长短的影响,对病人进行追踪随访观察,观察结果分为两档,,即病人生存时间?2年和?2年,考察的危险因素有治疗方法( 4 种) 、治疗前病人的状态( 6种) 、病人的年龄、癌细胞的类型( 3 种)等。
食品试验设计与统计分析课程考试卷A适用专业: 考试日期:试卷所需时间:120分钟 试卷总分: 100分注意:请将答案全部写在答题纸上...............,试卷同答题纸一起上交........... 一、填空题:(共4小题,每空1分,共10分)1. 已知2~(,)Y N ,则Y 在区间[ 2.58, 2.58m s m s -+]的概率为 。
2. 当秩次距K= ,方差分析进行多重比较时,q 检验法=SSR 法=LSD 法。
3. 方差分析中常用的变量转换方法有 、 、 和 。
4. 异常数据的剔除方法有 、 、 和 等。
二、是非题(共10题,每题1分,共10分)1.描述总体的特征数叫统计量。
( )2.几何平均数是变量倒数的算术平均数的反倒数。
( )3.两个方差的假设检验可以采用F 检验。
( )4.对于同一组资料,99%的置信区间一定比95%的置信区间大。
( )5.假设检验结果或犯α错误或犯β错误。
( )6.一个显著的相关或回归不一定说明X 和Y 的关系必为线性。
( )7.试验因素的任一水平就是一个处理。
( )8.对多个样本平均数仍可采用t 测验进行两两独立比较。
( ) 9.正交设计各个因素的水平可以不同。
( )10.只要认真做好试验设计,控制好试验条件,试验误差是完全可以避免的。
( )三、单项选择题:(共10小题,每题2分,共20分 )1.下列不属于描述统计问题的是 。
A.根据样本信息对总体进行推断B.了解数据分布的特征C.分析感兴趣的总体特征D.利用图表或其他数据汇总工具分析数据2. 落在某一特定类别或组中的数据个数称为 。
A. 频数 B. 频率 C .频数分布表 D. 累积频数3. n 个变量值乘积的n 次方根为 。
A. 众数B. 中位数C. 四分位数D. 几何平均数 4. 比较两组数据的离散程度最适合的统计量是 。
A.极差 B.平均数 C.标准差 D. 离散系数 5. 假定总体服从正态分布,下列哪种场合适合t 检验统计量 。
《中山大学研究生学业考核管理规定》第十二条:“考试作弊,课程成绩以零分登记,不许正常补考,补考成绩最高60分。
”2015级科研型硕士生《实用医学科研设计与统计分析》试题 (A )考试时间:2016.01.06 19:00-20:30姓名:学号:成绩:评分表(由阅卷老师填写)请考生将所选答案用2B 铅笔在答题卡上涂黑,答案仅写在试题页面上无效。
考试结束时,试题与答题卡一并上交。
一、单选题(请选择一个最佳答案。
1~20题,每题2分,21~25题,每题4分,共60分)1. 某保健品公司的营销部门通过网络问卷收集数据,分析民众的保健意识和购买意向。
从统计学的角度看,此种信息收集方式最主要的问题是存在( )。
A. 回忆偏倚B. 测量偏倚C. 混杂偏倚D. 选择偏倚E. 随机偏倚2. 实验研究与调查研究的根本区别是( )。
A. 是否设有对照B. 研究对象是否为自然人群C. 是否遵循重复原则D. 是否遵循随机化原则 E .是否人为施加干预3. 下面关于析因设计的说法,不正确的是( )。
A. 处理因素有两个或以上 B. 处理因素的水平数有两个或以上 C. 处理因素及其水平数越多越好 D. 处理因素需同时施加,无先后顺序之分 E. 对所有处理因素的各水平的所有可能组合都进行试验4. 以下哪一项不属于随机区组设计资料的方差分析要求的前提条件( )。
A .满足正态分布 B .数据间独立C .数据须为等级资料D .残差分析提示各组方差齐E .随机样本5. 关于交叉设计,以下说法错误的是()。
A.交叉设计每个个体接受两种处理,节约样本量B.交叉设计是特殊的自身对照设计,同时平衡实验顺序对结果的影响C.洗脱期的作用是为了消除剩余效应的影响D.交叉设计非常有效率,可以广泛地适用于不同病程时间的研究E.交叉设计可以分析处理效应、阶段效应和顺序效应6. 以两组比较的重复测量设计为例,以下说法错误的是()。
A.重复测量资料的方差分析要满足球形对称性的前提条件B.重复测量资料可以分析处理主效应、时间主效应,以及处理和时间的交互效应C.时间主效应是指k个不同时间点上,两个处理组的k对总体均数间的对比关系D.处理主效应是指两个处理组的总体均数不同E.如果处理与时间的交互作用无统计学意义,可以在方差分析中只引入主效应项7. 以下哪个不是队列研究的优点()。
试验设计与建模-课后答案1、我们研究过硅酸盐水泥砂浆的抗折强度,用四种不同的配方收集了下述数据:(a )、检验配方法影响泥沙浆强度的假设。
(05.0=α) (b )、用Duncan 多重极差检验法比较均值对。
解、(a )经计算,得出如下方差分析表:①原假设:H0:配方法不影响水泥砂浆强度;H1:配方法影响水泥砂浆强度; ②构造统计量:728.12==EMS MS F 处理;③选定显著性水平:05.0=α;④决策:对于05.0=α,P-值为0<05.0=α,故因拒绝原假设H0,接受备择假设H1,有95%的把握认为配方法影响水泥砂浆强度。
(b )已知E MS =12825.688,N=16,n=4,误差自由度为12,将处理均值按递减顺序排列:25.3156.2=-y ,2971.1=-y ,75.2933.3=-y ,25.2666.4=-y ,各个均值的标准误差是625.564688.12825.==-i y S ,当自由度为12和05.0=α时,查得33.3)12,4(,23.3)12,3(,08.3)12,2(05.005.005.0===γγγ最小显著性极差405.174625.5608.3)12,2(.05.02=⨯==-i y S R γ,3R =182.899,4R =188.561,进行比较得 2对4:3156.25-2666.25=499>188.561(4R ) 2对3:3156.25-2933.75=222.5>182.899(3R ) 2对1:3156.25-2971=185.25<174.405(2R ) 1对4:2971-2666.25=304.75>182.899(3R ) 1对3:2971-2933.75=37.25<174.405(2R ) 3对4:2933.75-2666.25=267.5>174.405(2R )由这一分析知,除了2与1及1与3之外,所有均值对之间均存在显著性差异。
习题答案1.设用三种方法测定某溶液时,得到三组数据,其平均值如下:x1̅=(1.54±0.01)mol/Lx2̅=(1.7±0.2)mol/Lx3̅=(1.537±0.005)mol/L试求它们的加权平均值。
解:根据数据的绝对误差计算权重:w1=10.012,w2=10.22,w3=10.0052因为w1:w2:w3=400:1:1600所以w̅̅̅=1.54×400+1.7×1+1.537×1600400+1+1600=1.5376812.试解释为什么不宜用量程较大的仪表来测量数值较小的物理量。
答:因为用量程较大的仪表来测量数值较小的物理量时,所产生的相对误差较大。
如3.测得某种奶制品中蛋白质的含量为(25.3±0.2)g/L,试求其相对误差。
解:E w=∆ww =0.225.3=0.79%4.在测定菠萝中维生素C含量的测试中,测得每100g菠萝中含有18.2mg维生素C,已知测量的相对误差为0.1%,试求每100g菠萝中含有维生素C的质量范围。
解:E w=∆ww=0.1%,所以∆m=m×E w=18.2×0.1%=0.0182ww所以m的范围为18.1818mg<m<18.2182ww或依据公式w w=w×(1±|w w|)=18.2×(1±0.1%)mg5.今欲测量大约8kPa(表压)的空气压力,试验仪表用1)1.5级,量程0.2MPa 的弹簧管式压力表;2)标尺分度为1mm的U型管水银柱压差计;3)标尺分度为1mm的U形管水柱压差计。
求最大绝对误差和相对误差。
解:1)压力表的精度为1.5级,量程为0.2MPa,则|∆w|www=0.2×1.5%=0.003www=3wwww w=∆ww×100%=38×100%=3.75×10−1=37.5%2)1mm汞柱代表的大气压为0.133KPa,所以|∆w|www=0.133wwww w=∆ww×100%=0.1338×100%=1.6625×10−2=1.6625%3)1mm水柱代表的大气压:ρgh,其中g=9.80665m/s2,通常取g=9.8m/s2则|∆w|www=9.8×10−3wwww w=∆ww×100%=9.8×10−38×100%=1.225×10−36.在用发酵法生产赖氨酸的过程中,对产酸率(%)作6次评定。
2006-2007第1学期生物统计考试试卷(B卷)答案一、名词解释(10X2)1、参数:描述总体的特征数。
2、连续性变数:指在任意两个变量之间都有可能存在只有微量差异的第三个变量存在,这样一类变数称为连续性变数3、唯一差异原则:除了被研究的因素具有的不同水平外,其余各种环境因素均应保持在某一特定的水平上。
4、两尾测验:有两个否定区,分别位于分布的两尾。
5、显著水平:否定无效假设的概率标准。
6、互斥事件:如果事件內和&不能同时发生,即44为不可能事件,则称事件&和爲互斥。
7、无偏估计:在统计上,如果所有可能样本的某一统计数的平均数等于总体的相应参数,则称该统计数为总体相应参数的无偏估值。
SP8、相关系数:表示两组变数相关密切程度及性质的变数,r=.yfSS^SS;*9、否定区:否定无效假设H。
的区间。
*10、偏回归系数:任一自变数(在其他自变数皆保持一定数量水平时)对依变数的效应。
二、是非题(5X1)1、二项分布的平均数为标准差为J前。
(V )2、在二因素完全随机化设计试验结果的方差分析中,误差项自由度为(〃一1)(。
力一1)。
3、分布是随自由度变化的一簇间断性曲线,可用于次数资料的假设测验。
(x )4、 一个显著的相关系数或回归系数说明X 和丫变数的关系必为线性关系°( X )5、 在一组变量中,出现频率最多的观察值,称为中位数。
(X )三、选择题(10X2)1、 算术平均数的重要特征之一是离均差的总和(C ) A 、最小 B 、最大 C 、等于零 D 、接近零2、 J 批种子的发芽率为p = 0.75,每穴播5粒,出苗数为4时的概率(A ) A 、0.3955 B 、0.0146 C 、0.3087 D 、0.16813、回归截距。
的标准误等于(D )4、Y~N (10, 80),当以叫=%=10进行抽样时,国一力|>8的概率约为[B ]。
5、成对比较的特点不包括(D A 、加强了试验控制C 、不必考虑总体方差是否相等 6、方差分析基本假定中除可加性、正态性外,尚有[C ]假定。
【西北农林科技大学试验设计与分析复习题】员海燕版一、名词解释(15分)1.重复:一个条件值的每一个实现。
或因素某水平值的多次实现。
2.因素:试验中要考虑的可能会对试验结果产生影响的条件。
常用大写字母表示。
3.水平:因素所处的不同状态或数值。
4.处理:试验中各个因素的每一水平所形成的组合 5.响应:试验的结果称为响应;响应函数:试验指标与因素之间的定量关系用模型ε+=),,(1n x x f y 表示,其中),,(1n x x f y =是因素的值n x x ,,1 的函数,称为响应函数。
678912.试验设计的基本流程是什么? 1明确试验目的2选择试验的指标,因素,水平 3设计试验方案 4实施试验5对获得的数据进行分析和推断。
3.试验设计的相关分析有哪几种?一是相关系数,即用数理统计中的两个量之间的相关程度来分析的一种方法。
二是等级相关,是把数量标志和品质标志的具体体现用等级次序排序,再测定标志等级和标志等级相关程度的一种方法。
有斯皮尔曼等级差相关系数和肯德尔一致相关系数) 4.为什么要进行方差分析?方差分析可检验有关因素对指标的影响是否显著,从而可确定要进行试验的因素;另外,方差分析的观点认为,只需对显著因素选水平就行了,不显著的因素原则上可在试验范围内取任一水平,或由其它指标确定。
5.均匀设计表与正交表,拉丁方设计的关系6.产品的三次设计是什么?产品的三次设计是系统设计,参数设计,容差设计。
三、(15分)1.写出所有3阶拉丁方格,并指出其中的标准拉丁方格和正交拉丁方格123再将这六个的第一行不动,分别交换第二,三行又得到六个,共12个。
用的试验3.说明均匀设计表)6(6*6U是如何构造的?略五、分析题(30分)1由张护士和实习生刘某记录的七个病人的收缩压数据如下:病人:1234567张护士:105,149,133,160,141,120,152 刘某:110,140,138,150,130,147,158 计算斯皮尔曼等级差相关系数。
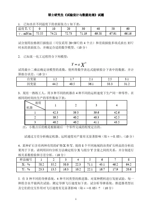
硕士研究生《试验设计与数据处理》试题试分别用拉格朗日插值法(可仅采用20~50℃的4个点)和差商插值多项式求出35℃时水的表面张力,并确定合适的数学模型。
(10分)2. 已知某一化工过程符合下列模型:试用最小二乘法确定该模型的系数,使所得数学表达式能够拟合下表中的数据,并计3.现有一熟练工人,用3种不同的机器在4种不同的运转速度下生产同一种零件。
在相同的时间内生产的零件数如下表:试通过方差分析确定机器、运转速度对产量有无显著影响(取α=0.05)。
(10分)4.某种矿石含有两种有用的矿物X 和Y ,现将8个不同地域的该类矿石样品的分析结果列于下表。
请利用回归分析方法确定组分X 与组分Y 含量之间的关系,并分别进行5. 有3种不同的导弹系统、4种不同类型的推进器,对某种燃料进行发射试验,每一种组合水平做两次试验,测定导弹飞行速度如下表。
试分析导弹系统、推进器类型以及它们的交互作用对飞行速度有无显著影响(取α=0.05)? (10分)Xba Y6. 病毒学家在研究一种特殊病毒时发现:不同培养媒质、不同培养时间对病毒生长情况有影响。
现取两种媒质、两个培养时间,每一种组合下重复观察6次,病毒生长情况列在下表。
试用22设计分析法分析这些数据,考察媒质、时间对病毒生长的影响(取α=0.05、0.01)。
(10分)7.在研究显影剂浓度(A )和显影时间(B )对胶卷不透明度的影响时,采用3种浓度和3个时间,每一种组合下做4次重复试验。
得出不透明度的数据如下表。
试用32设计分析法分析这些数据,并得出结论(取α=0.05、0.01)。
(10分)8.为提高某种药品的合成率,对生产工艺进行了试验。
各因素及其水平如下表。
根据经验,采用液态醛有助于提高药品的合成率,用拟水平法、选L 9(34)正交表安排试验,将各因素放在正交表的1-4列上,9次试验所得合成率(%)依次为69.2、71.8、78.0、74.1、77.6、66.5、69.2、69.7、78.8。
广东海洋大学2009——2010 学年第二学期2009级硕士研究生《试验设计与数据处理》课程试题姓名:学号:专业:注意:请用A4纸答题,计算题将软件处理结果按要求写出来,并进行分析。
一、简答题(每题5分,20分)1、什么是标准误和标准差?它们有什么区别和联系?在论文中的正确的表示方法有哪些?2、什么是变异系数?它有什么意义?3、什么是单尾检验和双尾检验,并举例说明?4、多个平均数相互比较时,可以采用什么方法?这些方法之间有何联系?二、试验设计与数据处理题(共80分)1、随机抽测了某一班次10袋小包装奶粉的重量,其数据为:18.7、19.0、18.9、19.6、19.1、19.8、18.5、19.7、19.2、18.4(g),已知该品牌奶粉小包装重量总体平均数=19.5g,试进行统计分析确定生产中包装机是否工作正常?(5分)2、海关抽检出口罐头质量,发现有胀听现象,随机抽取了6个样品,同时随机抽取6个正常罐头样品测定其SO2含量,测定结果见表。
分析两种罐头的SO2含量有无差异。
(5分)3、现某食品公司研制出减肥食品,用11只雄鼠进行一个月实验,试验结果见下表(单位:g),请进行统计分析说明该食品是否具有减肥效果?(5分)4、对某地区4类海产食品中无机砷含量进行检测,以鲜重计测定结果见表。
分析不同类型海产品的砷含量差异是否显著。
(5分)5、在食品质量检查中,对4种不同品牌腊肉的酸价进行了随机抽样检测,结果见表,试分析4种不同品牌腊肉的酸价有无差异。
(5分)6、某厂现有化验员3人,担任该厂牛奶酸度(°T)的检验。
每天从牛奶中抽样一次进行检验,连续10天的检验分析结果见表。
试分析3名化验员的化验技术有无差异,以及每天的原料牛奶酸度有无差异。
(5分)7、试对下列资料进行直线回归分析,求出回归方程,并列出方差分析表。
(5分)8、有一组数据如下,已知y与x1,x2,x3之间存在着线形关系,求出回归方程,并列出方差分析表。
试验设计与数据分析试题AIMB standardization office【IMB 5AB- IMBK 08- IMB 2C】试验设计与数据分析试题(A)一、选择题:1、已知某样品质量的称量结果为:2.010±g,则其相对误差,为:A、2.0,B、2.0±, C、%2 D、%2.02、用法寻找某实验的最优加入量时,若当前存优范围是[628,774],好点是718,则此时要做试验的加入点值是 ()A、.628+7742 B、628+×(774-628)C、628+774-718D、2×718-7743、经过平面上的6个点,一定可以找到一个次数不高于()的多项式。
A、4B、5C、6D、74.有一条1 000 m长的输电线路出现了故障,在线路的开始端A处有电,在末端B 处没有电,现在用对分法检查故障所在位置,则第二次检查点在 () A.500 m处 B.250 m处C.750 m处 D.250 m或750 m处5、 L8(27)中的7代表()A. 最多允许安排因素的个数B. 因素水平数C. 正交表的横行数D. 总的实验次数6、. 在L9(34)表中,有A,B,C三个因素需要安排。
则它们应该安排在()列A. 1,2,3B. 2,3,4C. 3,4,5D. 任意3列★7、某实验因素对应的目标函数是单峰函数,若用分数法需要从[0,21]个试验点中找最佳点,则需要做试验的次数是 ()A.6次 B.7次 C.10次 D.20次★8、. 用L 8(27)进行正交实验设计,若因素A 和B 安排在第1、2列,则A×B ,应排在第( )列。
A. 3B. 4C. 5D. 6★9、正方体的边长为2.010±,则体积的绝对误差限为: A 、32.0 B 、32.0⨯ C 、2.0 D 、60★10、有一双因素优选试验,20≤x ≤40,10≤y ≤20.使用纵横对折法进行优选.分别对因素x 和y 进行了一次优选后其新的存优范围的面积为( )A 、200B 、100C 、150D 、50二、填空题1.已知某样品质量的称量结果为:2.07.58±g ,则其绝对误差限为 ;相对误差为 。
一、单选题(题数:50,共 50.0 分)1在正交实验设计中,定量因素各水平的间距是( )(1.0分)1.0分正确答案:C 我的答案:C答案解析:2*随机单位设计要求( )。
(1.0分)0.0分单位组内没有个体差异,单位组间差异大正确答案:A 我的答案:3当组数等于2时,对于同一资料,方差分析结果与t检验结果( ) 。
(1.0分)0.0分t检验结果更准确完全等价且正确答案:D 我的答案:B答案解析:方差分析与t检验的区别与联系。
对于同一资料,当处理组数为2时,t检验和方差分析的结果一致且,因此,正确答案为D。
4下列结论正确的是( )①函数关系是一种确定性关系;②相关关系是一种非确定性关系;③回归分析是对具有函数关系的两个变量进行统计分析的一种方法;④回归分析是对具有相关关系的两个变量进行统计分析的一种常用方法.(1.0分)0.0分正确答案:C 我的答案:5在对两个变量,进行线性回归分析时,有下列步骤:①对所求出的回归直线方程作出解释;②收集数据、),,…,;③求线性回归方程;④求未知参数; ⑤根据所搜集的数据绘制散点图。
如果根据可行性要求能够作出变量具有线性相关结论,则在下列操作中正确的是( ) (1.0分)0.0分正确答案:D 我的答案:6*方差分析中变量变换的目的是( )。
(1.0分)0.0分正确答案:D 我的答案:7两个变量与的回归模型中,通常用来刻画回归的效果,则正确的叙述是( ) (1.0分)0.0分越小,残差平方和越小越大,残差平方和越大与残差平方和无关越小,残差平方和越大正确答案:D 我的答案:答案解析:8在一个正交实验中,因素A和B的水平数都为3,那么A和B的交互作用的自由度为( )(1.0分)0.0分正确答案:C 我的答案:答案解析:9单因素方差分析中,当P<0.05时,可认为( )。
(1.0分)0.0分正确答案:B 我的答案:答案解析:方差分析的检验假设及统计推断。
方差分析用于多个样本均数的比较,它的备择假设(H1)是各总体均数不等或不全相等,当P<0.05时,接受h1,即认为总体均数不等或不全相等。
一、填空题(共25分)1.根据误差产生的原因,误差可分为 随机 误差、 系统 误差和 过失 误差三大类。
其中 过失 误差是一种显然与事实不符的误差2.秩和检验法是用来检验A 、B 两组数据是否存在显著性差异的一种方法。
假设A 组数据无系统误差,如果A 与B 有显著性差异,则认为B 有 系统误差;如果A 与B 无显著性差异,则认为B 无 系统误差。
3.列出三种常用的数据图: 线图 、 条形图 、 圆形图 。
4.在回归分析中,设i y 、y 、i y 分别为试验值、算术平均值和回归值,则21()ni i i y y =-∑称为 残差 平方和,21()ni i y y =-∑称为 回归 平方和。
5.在试验设计中,黄金分割法是在试验区间内取两个试验点,这两个试验点分别是该试验区间的 0.618 倍和 0.382 倍。
6.L 8(41×24)是一个 正交设计(或混合水平正交设计) 试验表,其中8是 试验次数 (或横行数) ,它可以安排4水平的因素 1 个, 2 水平的因素 4 个,共 5 个因素的试验。
二、简答题(共20分)1.回归分析的用途是什么?写出用Excel 软件进行回归分析时的操作步骤。
(10分) 答:(1)回归分析是一种变量之间相关关系最常用的统计方法,用它可以寻找隐藏在随机性后面的统计规律。
通过回归分析可以确定回归方程,检验回归方程的可靠性等。
(2)用Excel 软件进行回归分析时的操作步骤是:① 从工具菜单中选择数据分析,则会弹出数据分析对话框,然后在分析工具库中选择回归选项,单击确定之后,弹出回归对话框。
② 填写回归对话框。
③ 填好回归对话框后,点击确定,即可得到回归分析的结果。
2.正交试验设计的基本步骤有哪些? (10分)答:(1)明确试验目的,确定评价指标; (2)挑选因素,确定水平(3)选正交表,进行表头设计; (4)明确试验方案,进行试验,得到结果; (5)对试验结果进行统计分析; (6)进行验证试验,作进一步分析。
试验设计与数据处理课后习题机械工程6120805019 李东辉第三章3-7分别使用金球和铂球测定引力常数(单位:)1. 用金球测定观察值为 6.683,6.681, 6.676, 6.678, 6.679, 6.6722. 用铂球测定观察值为 6.661, 6.661,6.667, 6.667, 6.664设测定值总体为N(u,)试就1,2两种情况求u的置信度为0.9的置信区间,并求的置信度为0.9的置信区间。
用sas分析结果如下:第一组:第二组:3-13下表分别给出两个文学家马克吐温的8篇小品文以及斯诺特格拉斯的10篇小品文中由3个字母组成的词的比例:马克吐温:0.225 0.262 0.217 0.240 0.230 0.229 0.235 0.217斯诺特格拉斯:0.209 0.205 0.196 0.210 0.202 0.207 0.224 0.223 0.220 0.201设两组数据分别来自正态总体,且两个总体方差相等,两个样本相互独立,问两个作家所写的小品文中包含由3个字母组成的词的比例是否有显著差异(a=0.05)取假设H0:u1-u2≤0和假设H1:u1-u2>0用sas分析结果如下:Sample StatisticsGroup N Mean Std. Dev. Std. Error----------------------------------------------------x 8 0.231875 0.0146 0.0051y 10 0.2097 0.0097 0.0031Hypothesis TestNull hypothesis: Mean 1 - Mean 2 = 0Alternative: Mean 1 - Mean 2 ^= 0If Variances Are t statistic Df Pr > t----------------------------------------------------Equal 3.878 16 0.0013Not Equal 3.704 11.67 0.0032由此可见p值远小于0.05,可认为拒绝原假设,即认为2个作家所写的小品文中由3个字母组成的词的比例均值差异显著。
试验设计与分析 第二章 习题1 在金属加工车间中有几种炉用来加热金属样品。
假设所有的炉都在同一温度上运行,尽管推测这一假设不一定为真。
随机选取三只炉并测量其加热温度,收集到的数据如下: 炉 温度1 491.50 498.30 498.10 493.50 493.602 488.50 484.65 479.90 477.353490.10 484.80 488.25 463.00 471.85 478.65(a )、炉间的温度有显著性差异吗? (b )、估计这一模型的方差分量。
解、经计算,得到如下方差分析表:(a )、由表知,炉间的温度有显著性差异。
若取05.0=α,检验P-值=0.005<05.0=α,故因拒绝原假设,有95%的把握认为炉间的温度有显著性差异。
(b )方差分量的估计结果已经展示在表中:SS A =594.530,SS E =413.812,SS T =1008.342;2 纺织厂有很多织布机,设每台织布机每分钟织出同样多的布,为了研究这一假设,随机选取5台织布机并测定它们在不同时间的产量,得出下述数据: 织布机 产量(lb/min) 1 14 14.1 14.2 14 14.1 2 13.9 13.8 13.9 14 143 14.1 14.2 14.1 14 13.9 4 13.6 13.8 14 13.9 13.75 13.813.613.913.814(a )说明为什么这是一种随机效应实验。
这些织布机的产量相等吗?(b )估计织布机间的变异性。
(c )估计实验的误差方差。
(d )给)222σσσττ+(找一个95%的置信区间。
解、(a )因为5台织布机是随机选取的,所以是一种随机效应实验; 经计算,得如下方差分析表:①原假设:H0:织布机不影响产量;H1:织布机影响产量; ②构造统计量:77.5==EMS MS F 处理; ③选定显著性水平:05.0=α;④决策:对于05.0=α,P-值为0.003<05.0=α,故拒绝原假设H0,接受备择假设H1,有95%的把握认为织布机影响产量。
试验设计与数据分析试题(A)
一、选择题:
1、已知某样品质量的称量结果为:2.0
10±g,则其相对误差,为:
A、2.0,
B、2.0
±, C、%
2 D、%
2.0
2、用法寻找某实验的最优加入量时,若当前存优范围是[628,774],好点是718,
则此时要做试验的加入点值是 ( )
A、.628+774
2
B、628+×(774-628)
C、628+774-718
D、2×718-774
3、经过平面上的6个点,一定可以找到一个次数不高于()的多项式。
A、4
B、5
C、6
D、7
4.有一条1 000 m长的输电线路出现了故障,在线路的开始端A处有电,在末端B处没有电,现在用对分法检查故障所在位置,则第二次检查点在 ( ) A.500 m处 B.250 m处
C.750 m处 D.250 m或750 m处
5、 L
8
(27)中的7代表()
A. 最多允许安排因素的个数
B. 因素水平数
C. 正交表的横行数
D. 总的实验次数
6、. 在L
9
(34)表中,有A,B,C三个因素需要安排。
则它们应该安排在()列
A. 1,2,3
B. 2,3,4
C. 3,4,5
D. 任意3列
★7、某实验因素对应的目标函数是单峰函数,若用分数法需要从[0,21]个试验点中找最佳点,则需要做试验的次数是 ( ) A.6次 B.7次 C.10次 D.20次
★8、. 用L
8
(27)进行正交实验设计,若因素A和B安排在第1、2列,则A×B,应排在第()列。
A. 3
B. 4
C. 5
D. 6
★9、正方体的边长为2.0
10±,则体积的绝对误差限为:
A、32.0
B、3
2.0⨯ C、2.0 D、60
★10、有一双因素优选试验,20≤x≤40,10≤y≤20.使用纵横对折法进行优选.分别对因素x和y进行了一次优选后其新的存优范围的面积为()
A、200
B、100
C、150
D、50
二、填空题
1.已知某样品质量的称量结果为:2.07.58±g ,则其绝对误差限为 ;相对误差为 。
2、一个正方形的边长为2.010±,则其面积的绝对误差为 。
相对误差为 。
3、用牛顿法求方程0)(=x f 的根,则迭代公式:=+1n x 。
4、用牛顿法求方程x e x -=2的根,现取10=x ,1x = 。
5、给定1+n 个点,一定可以找到一个次数不高于n 的 过这1+n 个点。
6、经过(1,2),(3,5)两点的一次多项式为: 。
7、经过),(00y x ,),(11y x 两点的插值多项式为: 。
8、经过),(00y x ,),(11y x ,),(22y x ,三点的插值多项式为: 。
9、将拟合方程
x
b
a y +=1进行线性化处理,则令=Y ,=X ,线性方程为: 。
10、将拟合方程x
b
ae y =进行线性化处理,则令=Y ,=X ,线性方程为: 。
11.已知一种材料的最佳加入量在110 g 到210 g 之间,若用法安排实验,则第一次试点的加入量可以是________g.
12.有一优选试验,试验的因素范围是[10,60],在试验中第一个试点为40,则第二个试点最好为________.
13.一个试验要求的温度在69~90℃,用分数法安排试验进行优选,则第一个试点安排在________.
14、用法确定最佳点时,试验区间为]4,2[,若第一个试点1x 处的结果比第二个试点2x 处的结果好,且21x x >,则存优区间是 。
15、.多指标正交实验的分析方法有两种: 和 。
16、正交表)3(49L 适用于 水平试验,最多可以安排 个因素。
★17、有一双因素优选试验,2≤x≤4,10≤y≤20.使用纵横对折法进行优选.分别对因素x和y进行了一次优选后其新的存优范围的面积为________.
★18、如图,用平行线法处理双因素问题时,首先将难以调整的因
素Ⅱ固定在处,得到最佳点在A1处,然后再把因素Ⅱ固定
在处,得到最佳点A2,若A2处的试验结果比A1处的好,则第三次试验时,将因素Ⅱ固定在________处.★19. 用正交表对某化学反应中对反应结果进行分析,所得部分的数据已填写在下表:
因素水平号
A
催化剂
(g)
B
溶剂(mL)
C
时间(min)
产率(%)
1A1B1C1a 2A1B2C2b 3A2B1C2c 4A2B2C1d
k 1q =
1
2
K
1q
616058
k 2q =
1
2
K
2q
626365
则表中a+b=________,b+d=________.
二、计算题
1、设x的相对误差为%
2,求n x的相对误差。
2、用二分法方求程0123=--x x 在[1,2]之间的实根,写出前3个有根区间。
3、用牛顿法求方程0123=--x x 在10=x 附近的根, (1)写出迭代公式。
(2)计算1x 及2x
4、已知数据表
求数据表的二次插值多项式。
5、求一个二次多项式,使其通过3个点(-1,-1),(0,1),(1,2)
6、 一种物质吸附另一种物质的能力与温度有关,在不同温度下测得吸附的重量及相关计算值如表所示。
试求:吸附量y 关于温度x 的一元线性回归方程。
7.下表提供了某厂节能降耗技术改造后,生产甲产品过程中记录的产量x (吨)与相应
的生产能耗y (吨标准煤)的几组对照数据
(1)(2)请根据上表提供的数据,求出y 关于x 的回归直线方程;
(3)已知该厂技改前100吨甲产品的生产能耗为90吨标准煤.试根据(2)求出的回归直线方程,预测生产100吨甲产品的生产能耗比技改前降低多少吨标准煤
8. 已知某合成试验的反应温度范围为340~420℃,通过单因素优选法得到:温度为400℃时,产品的合成率高,如果使用分数法,试写出4个试验点的位置。
假设在试验范围内合成率是温度的单峰函数。
9. 某工厂为了提高某产品的收率,根据经验和分析,选取反应温度(A)、碱用量(B)和催化剂种类(C)3个因素的3个水平进行正交试验,不考虑交互作用,试验方案及结果(收率/%)如表所示。
试用直观分析法确定因素主次和优方案,并画出趋势图。
试验号 A B C 空列收率/% 11(80℃)1(80kg)1(甲)151
212(48kg)2(乙)271
313(55kg)3(丙)358
42(85℃)12382
5223169
6231259
73(90℃)13277
8321385
9332184
10、用乙醇水溶液分离废弃农作物中的木质素,考察了三个因素(溶剂浓度、温度和时间)对木质素的影响,试验结果y(得率/%)如下表:试用直观分析法确定因素主次和优方案,并画出趋势图。
试验号A(溶剂浓度) B(温度) C (时间)空列得率/% 11(60%)1(140℃)1(3)1
212(160℃)2(2)2
313(180℃)3(1)3
42(80%)123
52231
62312。