工程系统调试验收记录表-精选
- 格式:doc
- 大小:40.00 KB
- 文档页数:1
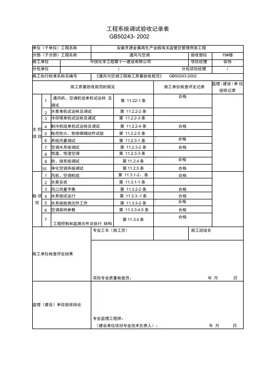
工程系统调试验收记录表
GB50243-2002
工程系统调试验收记录表
填表说明:
一、该表由施工单位专业技术员填写,自检合格后报监理机构验收,合格签字盖
章。
二、规范要点:
11.2.1 条:通风与空调工程安装完毕后,必须进行系统的测定和调试。
包括设备单机运转及调试;系统无生产负荷下的联合运转及调试。
11.2.2 条:通风机、空调机组中的风机叶轮旋转方向正确,运转平稳,无异常振动与响声,其电机运行功率应符合设备技术文件的规定,在额定转速下连续运转 2 小时后,滑动轴承外壳最高温度不超过70度,滚动轴承不超过80 度。
11.3.1 条:风机、空调机组、风冷热泵等设备运行时,产生的噪声不宜超过产品性能说明书的规定值。
11.3.1 条:风机盘管机组的三速、温控开关的动作应正确,并与机组运行状态一一对应。
(抽检10%且不少于 5 台)
11.2.3 条:系统总风量调试结果与设计风量的偏差不应大于10%
(抽检10%不少于 1 个系统)
三、监督检查:
要点:
1、系统联动试运转中,设备及主要部件的联动必须符合设计要求,动作协调、正常,无异常现象。
系统经过平衡调整,各风口或风罩的风量与设计风量的允许偏差不应大于15%
2、空调室内噪声应符合设计规定要求。
3、制冷机组、单元式空调机组的试运转,正常运转不应少于8 小时。
4、通风与空调的控制和监测设备,应能与系统的检测元件和执行机构正常沟通,系统的状态参数应能正确显示,设备连锁、自动调节、自动保护应能正确动作。
(抽检30%不少于 1 个系统)。