建筑施工安全检查评分汇总表(最新版)
- 格式:doc
- 大小:133.50 KB
- 文档页数:15
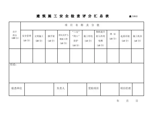
建筑施工安全检查评分汇总表表3.0.1年月日安全管理检查评分表表注:1.每项最多扣减分数不大于该项应得分数。
2.保证项目有一项不得分或保证项目小计得分不足40分,检查评分表计零分。
3.该表换算到《施工安全检查评分汇总表》(表3.0.1)后得分=10×该表检查项目实得分数合计÷100。
文明施工检查评分表表注:1.每项最多扣减分数不大于该项应得分数。
2.保证项目有一项不得分或保证项目小计得分不足40分,检查评分表计零分。
3.该表换算到《施工安全检查评分汇总表》(表3.0.1)后得分=20×该表检查项目实得分数合计÷100。
落地式外脚手架查评分表表注:1.每项最多扣减分数不大于该项应得分数。
2.保证项目有一项不得分或保证项目小计得分不足40分,检查评分表计零分。
3.该表换算到《施工安全检查评分汇总表》(表3.0.1)后得分=10×该表检查项目实得分数合计÷100。
悬挑式脚手架检查评分表表3.0.4-2注:1.发现脚手架钢木、钢竹混合搭设,检查评分表计零分。
2.每项最多扣减分数不大于该项应得分数。
3.保证项目有一项不得分或保证项目小计得分不足40分,检查评分表计零分。
4.该表换算到《施工安全检查评分汇总表》(表3.0.1)后得分=10×该表检查项目实得分数合计÷100。
门型脚手架检查评分表表3.0.4-3注:1.每项最多扣减分数不大于该项应得分数。
2.保证项目有一项不得分或保证项目小计得分不足40分,检查评分表计零分。
3.该表换算到《施工安全检查评分汇总表》(表3.0.1)后得分=10×该表检查项目实得分数合计÷100。
挂脚手架检查评分表表3.0.4-4注:1.发现脚手架钢木、钢竹混合搭设,检查评分表计零分。
2.每项最多扣减分数不大于该项应得分数。
3.保证项目有一项不得分或保证项目小计得分不足40分,检查评分表计零分。
建筑施工安全检查评分汇总表
施工企业单独组织的日常检查也可用此表。
安全管理检查评分表
文明施工检查评分表
门型脚手架检查评分表
挂脚手架检查评分表
吊篮外脚手架检查评分表
附着式升降脚手架(整体提升架或爬架)检查评分表
附着式升降脚手架(整体提升架或爬架)检查评分表(续表)
施工用电检查评分表
物料提升机(龙门架、井字架)检查评分表
物料提升机(龙门架、井字架)检查评分表(续表)
外用电梯(人货两用电梯)检查评分表
塔吊检查评分表
起重吊装安全检查评分表
西咸新区能源金贸区
YBZJ-04-02施工机具检查评分表。
建筑施工安全检查评分汇总表(JGJ 59-2011)
表A 建筑施工安全检查评分汇总表
企业名称:资质等级:年月日
建筑施工安全分项检查评分表表B.1 安全管理检查评分表
表B.2 文明施工检查评分表
表B.3 扣件式钢管脚手架检查评分表
表B.4 门式钢管脚手架检查评分表
表B. 6 承插型盘扣式钢管脚手架检查评分表
表B.9附着式升降脚手架检查评分表
表B.11 基坑工程检查评分表
表B.12 模板支架检查评分表
表B. 14 施工用电检查评分表
表B.16 施工升降机检查评分表
表B. 17 塔式起重机检查评分表
表B. 18 起重吊装检查评分表。
建筑施工安全检查评分汇总表项目部:表1安全管理检查评分表2、保证项目有一项不得分或保证项目小计得分不足40分的,检查评分表计零分;3、该表换算到表3。
0。
1后得分=2、保证项目有一项分或保证项目小计得分不足40分的,检查评分表计零分;3、该表换算到表3。
0。
1后得分=注:1、每项最多扣减分数不大于该项应得分数;2、保证项目有一项不得分或保证项目小计得分不足40分的,检查评分表计零分;3、该表换算到表1后得分=注:1、每项最多扣减分数不大于该项应得分数;2、保证项目有一项不得分或保证项目小计得分不足40分的,检查评分表计零分;3、该表换算到表1后得分=基坑支护安全检查评分表 表5注:1、每项最多扣减分数不大于该项应得分数;2、保证项目有一项不得分或保证项目小计得分不足40分的,检查评分表计零分;3、该表换算到表1后得分=注:1、每项最多扣减分数不大于该项应得分数;2、保证项目有一项不得分或保证项目小计得分不足40分的,检查评分表计零分;3、该表换算到表1后得分=注:1、每项最多扣减分数不大于该项应得分数;2、该表换算到表1后得分=施工用电检查评分表 表82、保证项目有一项不得分或保证项目小计得分不足40分的,检查评分表计零分;3、该表换算到表1后得分=2、保证项目有一项不得分或保证项目小计得分不足40分的,检查评分表计零分;3、该表换算到表1后得分=2、保证项目有一项不得分或保证项目小计得分不足40分的,检查评分表计零分;3、该表换算到表1后得分=2、保证项目有一项不得分或保证项目小计得分不足40分的,检查评分表计零分;3、该表换算到表1后得分=2、该表换算到表1后得分=挂脚手架检查评分表注:1、每项最多扣减分数不大于该项应得分数;2、保证项目有一项不得分或保证项目小计得分不足40分的,检查评分表计零分;3、表换算到表3。
0。
1后得分=10×该表检查项目实得分数合计÷100吊篮脚手架检查评分表2、保证项目有一项不得分或保证项目小计得分不足40分的,检查评分表计零分;3、表换算到表3。
建筑施工安全检查评分汇总表表3.0.1 企生名称:厦门市杏林建筑安装公司经济类型:资质等级:三级年月日此表号为(建筑施工安全检查标准)中“3检查评分表的表序,下同。
安全管理检查评分表表3.0.2 施工单位:厦门市杏林建筑安装公司工程名称:智芯(厦门)微电子有限公司—厂房二续表注:1.每项最多扣减分数不大于该项应得分数。
2.保证项目有一项不得分或保证项目小计得分不足40分,检查评分表计零分。
3.该表换算到表3.0.1后得分=10×该表检查项目实得分数合计100检查人签名:受检人员签名:年月日文明施工检查评分表表3.0.3 施工单位:厦门市杏林建筑安装公司工程名称:智芯(厦门)微电子有限公司—厂房二续表注:1.每项最多扣减分数不大于该项应得分数。
2.保证项目有一项不得分或保证项目小计得分不足40分,检查评分表计零分。
3.该表换算到表3.0.1后得分=20×该表检查项目实得分数合计。
100检查人签名:受检人员签名:年月日落地式外脚手架检查评分表表3.0.4-1 施工单位:厦门市杏林建筑安装公司工程名称:智芯(厦门)微电子有限公司—厂房二续表注:1.发现脚手架钢本、钢竹混合搭设或竹脚手架搭设单排架,检查评分表计零分。
2.每项最多扣减分数不大于该项应得分数。
3.保证项目有一项不得分或保证项目小计得分不足40分,检查评分表计零分。
4.该表换算到表3.0.1后得分=10×该表检查项目实得分数合计。
100检查人签名:受检人员签名:年月日悬挑式脚手架检查评分表表3.0.4-2施工单位:厦门市杏林建筑安装公司工程名称:智芯(厦门)微电子有限公司—厂房二注:1.发现脚手架钢木、钢竹混合搭设,检查评分表计零分。
2.每项最多扣减分数不大于该项应得分数。
3.保证项目有一项不得分或保证项目小计得分不足40分,检查评分表计零分。
4.该表换算到表3.0.1后得分=10×该表检查项目实得分数合计。
表建筑施工安全检查评分汇总表自治区建筑业协会书店发行(乌市和平北路6号电话:)(每本定价:3.50元)表安全管理检查评分表100自治区建筑业协会书店发行(乌市和平北路6号电话:)(每本定价:3.50元)表3.0.3 模板工程安全检查评分表3.该表换算到表后得分= 10×该表检查项目实得分数合计100自治区建筑业协会书店发行(乌市和平北路6号电话:)(每本定价:3.50元)表3.0.4 “三宝”“四口”防护检查评分表注:1.每项最多扣减分数不大于该项应得分数。
2.该表换算到表后得分= 10×该表检查项目实得分数合计100自治区建筑业协会书店发行(乌市和平北路6号电话:)(每本定价:3.50元)表3.0.5 施工用电检查评分表自治区建筑业协会书店发行(乌市和平北路6号电话:)(每本定价:3.50元)表3.0.6 塔吊检查评分表自治区建筑业协会书店发行(乌市和平北路6号电话:)(每本定价:3.50元)表3.0.7 基坑支护安全检查评分表自治区建筑业协会书店发行(乌市和平北路6号电话:)(每本定价:3.50元)表3.0.8-1 落地式外脚手架检查评分表自治区建筑业协会书店发行(乌市和平北路6号电话:)(每本定价:3.50元)表3.0.8-2 悬挑式外脚手架检查评分表自治区建筑业协会书店发行(乌市和平北路6号电话:)(每本定价:3.50元)表3.0.8-3 挂脚手架检查评分表自治区建筑业协会书店发行(乌市和平北路6号电话:)(每本定价:3.50元)表3.0.8-4 门型脚手架检查评分表自治区建筑业协会书店发行(乌市和平北路6号电话:)(每本定价:3.50元)表3.0.8-5 吊篮脚手架安全检查评分表自治区建筑业协会书店发行(乌市和平北路6号电话:)(每本定价:3.50元)表3.0.8-6 附着式升降脚手架(整体提升架或爬架)安全检查评分表自治区建筑业协会书店发行(乌市和平北路6号电话:)(每本定价:3.50元)表3.0.9 施工机具检查评分表表3.0.10 文明施工检查评分表表3.0.11 起重吊装安全检查评分表100自治区建筑业协会书店发行(乌市和平北路6号电话:)(每本定价:3.50元)表3.0.12 外用电梯(人货两用电梯)安全检查评分表自治区建筑业协会书店发行(乌市和平北路6号电话:)(每本定价:3.50元)表3.0.13 物料提升机(龙门架、井字架)检查评分表自治区建筑业协会书店发行(乌市和平北路6号电话:)(每本定价:3.50元)。
建筑施工安全检查评分汇总表表3.0.1年月日安全管理检查评分表表3.0.2注:1.每项最多扣减分数不大于该项应得分数。
2.保证项目有一项不得分或保证项目小计得分不足40分,检查评分表计零分。
文明施工检查评分表表3.0.3脚手架检查评分表表3.0.4-1悬挑式脚手架检查评分表表3.0.4-2注:1.发现脚手架钢木、钢竹混合搭设,检查评分表计零分。
2.每项最多扣减分数不大于该项应得分数。
3.保证项目有一项不得分或保证项目小计得分不足40分,检查评分表计零分。
4.该表换算到《施工安全检查评分汇总表》(表 3.0.1)后得分=10×该表检查项目实得分数合计÷100。
注:1.每项最多扣减分数不大于该项应得分数。
2.保证项目有一项不得分或保证项目小计得分不足40分,检查评分表计零分。
注:1.发现脚手架钢木、钢竹混合搭设,检查评分表计零分。
2.每项最多扣减分数不大于该项应得分数。
3.保证项目有一项不得分或保证项目小计得分不足40分,检查评分表计零分。
附着式升降脚手架(整体提升架或爬架)检查评分表表3.0.4-6基坑支护安全检查评分表表3.0.5模板工程安全检查评分表表3.0.6注:1.每项最多扣减分数不大于该项应得分数。
2.保证项目有一项不得分或保证项目小计得分不足40分,检查评分表计零分。
“三宝”、“四口”防护检查评分表表3.0.7注:1.每项最多扣减分数不大于该项应得分数。
2.该表换算到《施工安全检查评分汇总表》(表3.0.1)后得分=10×该表检查项目实得分数合计÷100。
施工用电检查评分表表3.0.8注:1.每项最多扣减分数不大于该项应得分数。
2.保证项目有一项不得分或保证项目小计得分不足40分,检查评分表计零分。
3.该表换算到《施工安全检查评分汇总表》(表3.0.1)后得分=10×该表检查项目实得分数合计÷100。
物料提升机(龙门架、井字架)检查评分表表3.0.9外用电梯(人货两用电梯)检查评分表表3.0.10塔吊检查评分表表3.0.11注:1.每项最多扣减分数不大于该项应得分数。
建筑施工安全检查评分汇总表
企业名称:安徽华力建设集团有限公司资质等级:年月日
表B.1 安全管理检查评分表
续表B.1 安全管理检查评分表
表B.2 文明施工检查评分表
续表B.2 文明施工检查评分表
表B.3 扣件式钢管脚手架检查评分表
续表B.3 扣件式钢管脚手架检查评分表
表B.8 悬挑式脚手架检查评分表
续表B.8 悬挑式脚手架检查评分表
表B.12 模板支架检查评分表
续表B.12 模板支架检查评分表
表B.13 高处作业检查评分表
续表B.13 高处作业检查评分表
表B.14 施工用电检查评分表
续表B.14 施工用电检查评分表
表B.15物料提升机检查评分表
续表B.15物料提升机检查评分表
表B.16 施工升降机检查评分表
续表B.16 施工升降机检查评分表
表B.17 塔式起重机检查评分表
续表B.17 塔式起重机检查评分表
表B.19 施工机具检查评分表
续表B.19 施工机具检查评分表。