爬架安装技术交底
- 格式:doc
- 大小:43.50 KB
- 文档页数:5
2.2.3架体升降流程1.准备工作①升降前应做好必须的准备工作,检查架体节点附着情况,吊钩、吊环、吊索及构件焊缝情况,防坠装置的工作情况,弹簧是否失效等,并对使用工具,架子配件进行自检,发现问题及时整改,整改合格后使用。
②上层需附着固定附着支座的墙体结构的混凝土强度必须达到或超过C15方可进行升降,吊点混凝土强度达到C20③按《附着式升降脚手架每次升(降)作业申请及检查表》内容认真检查,合格后上报项目部验收,批准后方可提升。
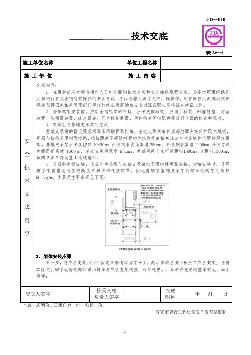
2.固定吊挂件①吊挂件采用一根M30螺栓固定在结构混凝土上,吊挂件所在楼层混凝土强度需不低于C20,螺栓从墙外侧穿入,内侧加一个垫片两个螺母固定,螺母拧紧后保证螺栓伸出螺母端面至少3个丝扣。
剪力墙固定方法如下图:吊挂件剪力墙固定方法示意图附墙吊挂件②将吊挂件固定好后,电动葫芦固定于吊挂件上,通过吊索或吊环将架体勾挂住,并张紧链条,使每个葫芦的受力情况基本一致。
3.附着支座倒运4.架体的升降①架体在提升阶段提升时,应在每榀导轨主框架最上一个附着支座旁固定好吊挂件、挂好葫芦、链条的另一端应挂住架体的吊点位置,全部工作完成后,一组内所有葫芦同步提升,提升约500mm高度后翻转支座顶撑,继续提升到一定高度后,拆下最下面的附着支座,并装在最上面。
继续提升,当达到要求高度后,进行调平,两榀导轨承力架高差应控制在10mm内,每组架中最大高差应控制在30mm内,满足上述要求后,应立即盖好翻板,复位顶撑,使用中所有顶撑必须全数上齐。
②架体在下降阶段下降前,首先应挂好葫芦,然后将链条张紧,其后方可松掉所有附墙支座顶撑,慢速下降架子,当导轨脱出上部的固定附着支座后,应立即拆除该固定附着支座,将其安装于导轨下面附着支座对应位置的建筑结构上。
当下降一层楼高度后,立即复位顶撑。
③架子升降时,必须卸除架体上的荷载,人员必须撤离,且得到工长的正式通知后方可进行升降。
④同时升降的附着式升降脚手架必须做到同步升降,当不同步时应对不同步的附着式升降脚手架进行单独升或降来予以调整。
一、交底目的为确保爬架安装拆除过程中的安全,预防事故发生,特制定本安全技术交底。
二、交底对象所有参与爬架安装拆除作业的人员。
三、交底内容1. 爬架安装前的安全检查(1)检查爬架的完整性,确保无损坏、变形等情况。
(2)检查爬架的连接件、紧固件等,确保其牢固可靠。
(3)检查爬架的支撑结构,确保其稳定、安全。
(4)检查施工现场环境,确保无障碍物、安全隐患。
2. 爬架安装过程中的安全要求(1)安装人员必须佩戴安全帽、安全带等防护用品。
(2)安装过程中,严禁攀爬爬架,应使用专用脚手架或安全梯。
(3)爬架安装应遵循自下而上的原则,确保每一步安装都牢固可靠。
(4)爬架安装过程中,应定期检查爬架的连接件、紧固件等,发现问题及时处理。
(5)爬架安装完成后,应对其进行整体检查,确保其稳定、安全。
3. 爬架拆除过程中的安全要求(1)拆除前,应对爬架进行全面检查,确保无损坏、变形等情况。
(2)拆除过程中,严禁攀爬爬架,应使用专用脚手架或安全梯。
(3)拆除应遵循自上而下的原则,确保每一步拆除都安全可靠。
(4)拆除过程中,应定期检查爬架的连接件、紧固件等,发现问题及时处理。
(5)拆除完成后,应对施工现场进行清理,确保无安全隐患。
4. 其他安全要求(1)施工现场应设置明显的警示标志,提醒人员注意安全。
(2)高空作业人员必须佩戴安全带,并做到高挂低用。
(3)非作业人员不得进入施工现场,确保施工安全。
(4)施工现场应配备必要的安全防护设施,如防护栏杆、安全网等。
四、交底责任1. 施工单位负责对本单位人员进行安全技术交底,确保人员掌握安全操作规程。
2. 施工人员应严格遵守安全技术交底内容,确保自身安全。
3. 监理单位负责对施工现场进行监督检查,确保安全措施落实到位。
五、交底时间本次安全技术交底自发布之日起生效,直至爬架安装拆除作业完成。
六、附则本安全技术交底由施工单位负责解释,如有未尽事宜,可另行补充。
一、交底目的为确保爬架安装与拆卸过程中的安全,提高施工人员的安全意识,降低安全事故发生的风险,特制定本安全技术交底。
二、交底内容1. 爬架安装前的安全检查(1)检查爬架基础是否牢固,是否符合设计要求。
(2)检查爬架立杆、横杆、斜杆等杆件是否完好,无变形、锈蚀等情况。
(3)检查爬架连接件是否齐全、完好,无松动、损坏等情况。
(4)检查爬架防护栏杆、踢脚板等安全防护设施是否齐全、牢固。
2. 爬架安装过程安全注意事项(1)安装过程中,施工人员必须佩戴安全帽、安全带等个人防护用品。
(2)高空作业人员必须使用安全绳,并确保安全绳系在可靠的位置。
(3)安装爬架时,禁止同时进行多部位作业,防止发生坠落事故。
(4)安装爬架时,应按照先底后上、先左后右的顺序进行,确保安装平稳。
(5)安装过程中,严禁酒后作业、疲劳作业。
3. 爬架拆卸过程安全注意事项(1)拆卸前,应检查爬架连接件是否完好,无松动、损坏等情况。
(2)拆卸过程中,施工人员必须佩戴安全帽、安全带等个人防护用品。
(3)拆卸时,应从上往下进行,禁止从下往上进行。
(4)拆卸过程中,严禁同时进行多部位作业,防止发生坠落事故。
(5)拆卸过程中,应确保爬架底部支撑牢固,防止发生倾倒事故。
4. 爬架安装与拆卸后的安全检查(1)检查爬架连接件是否完好,无松动、损坏等情况。
(2)检查爬架基础是否牢固,是否符合设计要求。
(3)检查爬架防护栏杆、踢脚板等安全防护设施是否齐全、牢固。
三、应急处理措施1. 发生坠落事故时,立即停止作业,组织救援。
2. 发生物体打击事故时,立即采取措施,防止事故扩大。
3. 发生火灾事故时,立即报警,并组织人员进行疏散。
四、交底要求1. 施工单位应将本安全技术交底内容告知所有施工人员。
2. 施工人员应认真学习并掌握本安全技术交底内容,确保在爬架安装与拆卸过程中遵守安全操作规程。
3. 施工单位应定期对施工人员进行安全技术培训,提高施工人员的安全意识。
4. 施工单位应加强对爬架安装与拆卸过程的监督检查,确保安全措施落实到位。
一、交底目的为确保爬架施工过程中的安全,提高施工人员的安全意识,防止事故发生,特制定本安全技术交底。
二、交底对象全体参与爬架施工的施工人员、管理人员及监理人员。
三、交底内容1. 爬架的基本构造及安全要求(1)爬架主要由主框架、横梁、斜撑、导轨、附着装置、安全防护设施等组成。
(2)爬架施工过程中,必须确保以下安全要求:①爬架结构应牢固可靠,符合设计规范要求。
②爬架安装、拆卸、升降过程中,必须严格遵守操作规程。
③施工人员必须佩戴安全帽、安全带等个人防护用品。
2. 爬架施工前的准备工作(1)施工前,应组织施工人员进行安全技术交底,确保施工人员掌握爬架施工安全知识。
(2)检查爬架设备是否完好,确保各项功能正常。
(3)对施工人员进行安全教育培训,提高安全意识。
3. 爬架施工过程中的安全注意事项(1)施工人员必须按照操作规程进行作业,不得擅自改变施工方法。
(2)爬架安装、拆卸、升降过程中,必须确保施工现场安全,防止人员坠落、物体打击等事故发生。
(3)施工过程中,应加强安全巡查,发现问题及时处理。
(4)施工人员必须服从现场指挥,严禁违章作业。
4. 爬架施工后的检查与验收(1)施工完成后,应对爬架进行检查,确保其符合设计规范要求。
(2)验收合格后,方可投入使用。
四、安全责任1. 施工单位应建立健全爬架施工安全管理制度,明确各级人员的安全责任。
2. 施工人员必须遵守操作规程,严格执行安全措施。
3. 监理单位应加强对爬架施工的监督检查,确保施工安全。
五、附则1. 本安全技术交底适用于爬架施工全过程。
2. 本安全技术交底自发布之日起实施。
3. 本安全技术交底由施工单位负责解释。
【注意】:以上模板仅供参考,具体内容应根据实际工程情况进行调整。
JD —010技术交底施工单位名称 单位工程名称 施 工 部 位施 工 内 容安 全 技术 交 底 内 容交底内容:1 在组装前应对所有操作人员作全面的技术交底和安全操作规程交底,必要时可组织操作人员进行有关全钢爬架操作的书面考试,考试合格人员才允许上岗操作。
所有操作人员都必须按规定取得国家相关管理部门规定的执业所需的相应上岗证或职业资格证并持证上岗。
2 全钢爬架安装前,应对全钢爬架的导轨、水平支撑框架、竖向主框架、附墙导座、防坠装置、防倾覆装置、提升设备、同步控制装置、架体构架等构配件等进行全面的检查和验收。
3 架体组装基础支承架的搭设基础支承架的搭设要求项目采用钢管双排架,基础支承架架体底部地面夯实并加设木跳板,每层与结构采用钢管拉结,拉结距离不超过钢管扣件式脚手架相关规范中对连墙件设置的规定距离。
基础支承架水平度控制10-30mm,内侧钢管内缘离墙250mm ,外侧钢管离墙1200mm,外侧搭设单排防护高度1500mm ,基础支承架宽度950mm 。
基础架纵向立杆间距≤1500mm,步距≤1500mm,每隔2步2跨设置1处连墙件。
4 首层脚手板安装,底层支架必须与基础支承架水平用扣件可靠连接。
初始安装时,升降脚手架需搭设两层楼高度再与结构连接卸荷,因此需钢管基础支承架能够承受爬架的荷载500kg/m 。
主要尺寸要求详见下图:2、架体安装步骤第一步,将底层支架用扣件固定在普通双排架子上,然后将底层脚手板放在底层支架上并将其固定。
脚手板端侧部位采用螺栓与底层支架连接,逐榀连接后,即形成底层的整体架板,如图所示:交底人签字接受交底 负责人签字交底 时间年 月 日本表一式两份,班组自存一份,归档一份。
宜宾市建设工程质量安全监督站监制附页:第二步,先将内立杆(或导轨立杆)、外立杆安装在底层支架上,再将三角支架固定在内立杆(或导轨立杆)和外立杆上,然后将防护网安装在外立杆上,最后将脚手板放在三角支架上固定,如图所示:第三步,将水平桁架斜撑杆与内立杆(或导轨立杆)和脚手板固定,再将水平桁架立杆与上下脚手板固定(吊点区位设定处的水平桁架斜撑杆先不安装),如图所示:第四步,将防护网固定在外立杆上,然后将防护网与下层防护网连接,再将三角支架固定在内立杆(或导轨立杆)和外立杆上,最后将脚手板放在三角支架上固定,如图所示:第五步,将水平桁架与内立杆(或导轨立杆)固定,如图所示:第六步,将吊点桁架与导轨立杆连接固定;第七步,将架体用附墙导座固定在主体结构上,防护网固定在外立杆上,然后将防护网与下层防护网连接,再将三角支架固定在内立杆(或导轨立杆)和外立杆上,最后将脚手板放在三角支架上固定。
一、工程名称:___________二、施工单位:___________三、交底部位:___________四、工种:爬架安装工五、交底内容:一、导轨式爬架安全使用要求1. 安装人员必须按照《XHR-01型导轨式爬架施工方案》要求进行爬架安装。
2. 安装过程中,应确保爬架结构完整,无损坏,各连接部位牢固可靠。
3. 爬架安装时,应确保导轨水平,垂直度偏差不超过1/1000。
4. 爬架安装完成后,应进行试运行,检查爬架升降是否平稳,有无异常响声。
5. 严禁在架体上进行以下操作:集中堆放重物;利用架体吊运重物;在架体上推车;在架体上拉接吊装缆绳。
6. 严禁任意拆除爬架上所有零部件和杆件,特别要求不能拆除穿墙螺栓。
二、爬架安装对其他工种的技术要求1. 木工在支模时,要求在爬架提升机位预埋孔位置,用一块300mm宽的模板独立支模,提高爬架的附着装置安装速度。
2. 木工支模时,特别结构外沿梁底处的外挑钢管及木方不得凸出结构外沿300mm。
3. 木工支模时不得与爬架做任何的拉接。
4. 爬架架体在升降时,严禁其他工种作业人员在架体上及架体边沿作业。
三、安全技术措施1. 安装人员必须佩戴安全帽、安全带等个人防护用品。
2. 高处作业时,应使用安全绳,确保作业人员安全。
3. 作业现场应设置警示标志,提醒他人注意安全。
4. 作业过程中,应密切关注爬架升降情况,确保安全。
5. 作业完成后,应对爬架进行检查,确保其安全可靠。
四、注意事项1. 安装人员应具备一定的专业技能和实际操作经验。
2. 安装过程中,如发现异常情况,应立即停止作业,报告相关负责人。
3. 安装人员应遵守施工现场的各项规章制度,确保自身和他人的安全。
4. 安装完成后,应进行验收,确保爬架符合安全要求。
五、交底人:___________六、接受交底人员签名:___________七、交底时间:___________八、备注:___________本模板仅供参考,具体交底内容应根据实际工程情况调整。
一、交底对象1. 施工单位全体管理人员及施工人员。
2. 甲方代表及监理单位相关人员。
二、交底目的为确保爬架组装过程中的安全,预防安全事故的发生,特进行本次安全技术交底。
三、交底内容1. 爬架概况爬架(附着式升降脚手架)是一种用于高层建筑施工的临时设施,主要由立杆、横杆、斜撑、连接件、防护栏杆、爬升机构等组成。
2. 安全注意事项(1)施工前,应对爬架进行全面检查,确保其结构完整、牢固、无变形、锈蚀等缺陷。
(2)组装爬架前,应熟悉爬架的组装图纸、技术参数和安全操作规程。
(3)组装爬架时,必须佩戴安全帽、安全带等个人防护用品。
(4)施工现场应设置安全警示标志,并配备专职安全员进行现场监督。
3. 组装流程及要求(1)基础施工:确保爬架基础坚实、平整,满足设计要求。
(2)立杆组装:按照组装图纸,将立杆、横杆、斜撑等部件连接牢固。
(3)连接件安装:将连接件与立杆、横杆、斜撑等部件连接,确保连接可靠。
(4)防护栏杆安装:将防护栏杆与立杆、横杆等部件连接,确保防护栏杆高度符合要求。
(5)爬升机构安装:按照组装图纸,将爬升机构与立杆、横杆等部件连接,确保爬升机构运行顺畅。
4. 安全操作规程(1)组装过程中,严禁攀爬、跳跃等危险动作。
(2)严禁在爬架上进行超载作业。
(3)严禁在爬架上进行焊接、切割等高温作业。
(4)严禁在爬架上进行电焊作业。
(5)严禁在爬架上进行吊装作业。
5. 应急处理(1)发生人员坠落事故时,立即停止组装作业,迅速展开救援。
(2)发生设备故障时,立即切断电源,隔离故障设备,防止事故扩大。
(3)发生火灾时,立即启动应急预案,组织人员疏散,并报告消防部门。
四、交底时间(1)本次交底时间为:____年____月____日。
(2)施工单位应在施工前组织全体管理人员及施工人员进行安全技术交底。
五、交底责任1. 施工单位负责组织安全技术交底,并确保交底内容得到有效执行。
2. 甲方代表及监理单位应监督施工单位安全技术交底的实施情况。
一、交底目的为确保爬架安装过程中的安全,预防安全事故的发生,特制定本安全技术交底。
二、交底内容1. 人员要求- 参与爬架安装的人员必须经过专业培训,持有相关操作资格证书。
- 人员需熟悉爬架的安装、操作和维护知识,了解相关安全规定。
2. 作业前的准备工作- 确认安装现场环境安全,无障碍物,地面平整。
- 检查爬架及配件是否完好,如有损坏,及时更换。
- 确认所有工具、设备齐全且处于良好状态。
3. 安装步骤及注意事项- 基础施工1. 根据设计图纸,确定爬架基础位置,做好标记。
2. 基础施工应确保牢固,防止爬架倾覆。
3. 基础施工完成后,进行水平度、垂直度检测,合格后方可进行下一步工作。
- 爬架安装1. 按照顺序安装爬架的各个部件,包括立柱、横梁、斜撑等。
2. 确保所有连接螺栓紧固,连接部位无松动。
3. 安装过程中,注意保持爬架整体平衡,防止倾斜。
- 安全防护1. 爬架安装过程中,必须佩戴安全帽、安全带等防护用品。
2. 高空作业人员应系好安全带,并做好安全防护措施。
3. 避免在高空作业时进行焊接、切割等作业,以防火花飞溅。
- 验收1. 安装完成后,对爬架进行全面检查,确保安装质量符合要求。
2. 验收合格后,方可投入使用。
4. 注意事项- 爬架安装过程中,严禁酒后作业。
- 严禁未经培训人员操作爬架。
- 严禁在爬架上超载作业。
- 爬架在使用过程中,应定期进行检查和维护,发现问题及时处理。
三、应急措施1. 发生安全事故时,立即停止作业,并启动应急预案。
2. 对受伤人员进行紧急救治,并拨打急救电话。
3. 保护现场,等待相关部门处理。
四、交底时间本安全技术交底自签字之日起生效,有效期至爬架安装完成并验收合格为止。
五、签字确认(以下为相关人员签字确认)施工单位:(盖章)项目经理:(签字)技术负责人:(签字)安全员:(签字)注:本模板仅供参考,具体内容可根据实际情况进行调整。
一、基本信息1. 工程名称:2. 施工单位:3. 交底部位:4. 工种:5. 交底时间:6. 交底人:7. 记录人:二、安全交底内容1. 安全注意事项- 甲方管理人员及施工人员必须严格按照《XHR-01型导轨式爬架施工方案》要求使用爬架。
- 确保所有参与安装和使用的施工人员均经过专业培训,熟悉爬架的操作规程和安全知识。
- 安装过程中,必须佩戴好安全帽、安全带等个人防护用品。
- 施工现场必须设置明显的警示标志,确保作业区域安全。
2. 安装前的准备工作- 检查爬架及配件是否齐全、完好,如有损坏或不符合要求,应及时更换或报修。
- 确认安装地点的土质条件,必要时进行加固处理。
- 检查基础施工,确保基础牢固可靠,满足爬架安装要求。
3. 安装步骤及要求- 安装前,先对爬架进行整体检查,确认无误后,按照施工方案进行安装。
- 安装爬架立柱时,必须确保立柱垂直,相邻立柱之间高差不得大于20mm。
- 拆除原有脚手架,按顺序将爬架立柱插入预留孔洞,并进行初步固定。
- 按照设计要求,安装横杆、斜撑、剪刀撑等构件,确保整体结构稳定。
- 安装完毕后,对爬架进行整体检查,确认无误后,方可投入使用。
4. 安全防护措施- 在安装过程中,严禁施工人员在爬架上行走或站立。
- 安装人员必须站在安全位置,确保自身安全。
- 确保爬架底部有足够的支撑,防止发生倾斜或倒塌。
- 在爬架附近作业时,必须设置安全防护设施,防止坠落或物体打击。
5. 应急处理- 发生紧急情况时,立即停止作业,迅速撤离现场。
- 如遇爬架倾斜或倒塌,立即启动应急预案,采取有效措施进行抢救。
- 如有人员受伤,立即进行现场急救,并拨打急救电话。
三、交底人签字(此处由交底人签字确认)四、记录人签字(此处由记录人签字确认)五、备注(如有其他事项,在此处注明)---本模板仅供参考,具体交底内容应根据实际工程情况和施工方案进行调整。
在安装和使用爬架过程中,务必严格遵守安全规定,确保施工安全。
一、工程概况1. 工程名称:____________________2. 工程地点:____________________3. 施工单位:____________________4. 施工负责人:____________________5. 交底时间:____________________6. 交底人员:____________________二、安全技术措施1. 人员配备与培训- 施工人员必须经过专业培训,持有相关操作证书。
- 定期对施工人员进行安全教育和技能培训。
2. 材料与设备- 所有材料和设备必须符合国家标准,并进行严格检查。
- 确保所有爬架设备安装牢固,无损坏。
3. 现场安全防护- 设置明显的安全警示标志。
- 施工区域设置围挡,禁止无关人员进入。
- 爬架下方设置安全网,防止坠落。
4. 操作规范- 操作人员必须穿戴安全帽、安全带等防护用品。
- 禁止在爬架上站立、跳跃或攀爬。
- 操作前必须检查爬架的固定和支撑情况。
5. 高空作业- 高空作业人员必须佩戴安全带,安全带应连接到可靠的固定点。
- 严禁在同一垂直面进行上下操作。
- 高空作业时应使用梯子或升降机,并确保梯子或升降机稳固。
6. 紧急情况处理- 制定应急预案,明确紧急情况下的处理流程。
- 定期进行应急演练,提高应对突发事件的能力。
三、具体操作要求1. 爬架安装- 按照设计图纸和技术规范进行安装。
- 确保爬架的支撑和固定牢固可靠。
- 安装过程中,确保操作人员安全。
2. 爬架使用- 操作人员必须熟悉爬架的操作规程。
- 严禁超载使用爬架。
- 定期检查爬架的运行状态,发现问题及时处理。
3. 爬架拆除- 拆除前必须进行安全检查,确认无安全隐患。
- 拆除过程中,确保操作人员安全。
- 拆除后的材料应妥善堆放,防止发生意外。
四、安全责任1. 施工单位负责提供安全的工作环境和必要的防护设施。
2. 施工人员必须遵守安全操作规程,确保自身和他人的安全。
爬架施工技术交底一、工程概况本工程为XX建设项目,位于XX市区,主要包括XX栋建筑物,建筑物高度XX米,建筑面积约为XX平方米。
工程性质为住宅楼,结构类型为钢筋混凝土框架结构。
本次施工的重点为落地式双排钢管外脚手架的搭设,为确保施工安全、提高施工效率,特制定本施工方案。
二、施工准备工作及主要材料需用量计划(一)、技术准备工作1. 组织施工人员学习本施工方案,了解落地式双排钢管外脚手架的搭设要求及施工工艺。
2. 编制施工图纸,明确脚手架的搭设位置、尺寸、结构形式等。
3. 根据工程特点,制定脚手架搭设、拆除的施工方案及安全技术措施。
4. 组织技术交底,确保施工人员掌握施工要点及安全要求。
(二)、物资准备工作1. 根据施工图纸及工程量,计算主要材料需用量,如下:钢管:XX吨扣件:XX万个脚手板:XX平方米安全网:XX平方米其他辅助材料:XX吨2. 提前与供应商联系,确保材料供应及时、质量合格。
3. 对进场的材料进行验收,确保材料符合国家标准及设计要求。
4. 储备足够的施工工具及设备,如扳手、榔头、电焊机等。
5. 配备相应的安全防护用品,如安全帽、安全带、防滑鞋等。
6. 搭设临时仓库,对材料进行妥善保管,防止材料受潮、变形、损坏等。
三、一般规定1. 本工程脚手架搭设施工应严格遵守国家和地方的相关法律法规,以及行业标准《建筑施工扣件式钢管脚手架安全技术规范》等。
2. 脚手架搭设前,必须对施工人员进行安全技术交底,确保施工人员熟悉施工方案及安全操作规程。
3. 脚手架施工前,应编制详细的施工组织设计,明确施工流程、施工方法、施工顺序及安全技术措施。
4. 脚手架搭设应按照设计图纸进行,不得随意更改结构形式和尺寸,如需变更,应重新办理审批手续。
5. 脚手架搭设过程中,应定期进行质量检查,发现问题及时整改,确保施工安全。
6. 脚手架使用期间,应定期进行检查与维护,确保脚手架结构稳定、安全可靠。
7. 脚手架搭设材料应符合国家现行标准,禁止使用不合格的材料。
一、前言为确保爬架安装过程中的安全,防止事故发生,现将爬架安装安全技术交底如下:二、适用范围本交底适用于所有爬架的安装、拆除及使用过程。
三、安全注意事项1. 人员要求(1)安装、拆除爬架的人员必须经过专业培训,持有相关资格证书。
(2)施工人员必须穿戴好个人防护用品,如安全帽、安全带、防滑鞋等。
2. 现场准备(1)施工现场应设置明显的安全警示标志,确保施工区域安全。
(2)现场应配备足够的消防器材,如灭火器、消防栓等。
(3)施工现场应设置临时围挡,防止非施工人员进入。
3. 爬架安装(1)安装前,应对爬架进行检查,确保其完好无损。
(2)安装爬架时,应按照设计要求进行,不得随意更改。
(3)爬架的支撑杆、横杆、立杆等部件应连接牢固,不得出现松动现象。
(4)爬架的安装高度不得超过规定范围,确保安全。
(5)安装过程中,应确保爬架与建筑物之间的距离符合要求。
4. 爬架拆除(1)拆除爬架前,应检查爬架是否连接牢固,确保安全。
(2)拆除爬架时,应按照设计要求进行,不得随意更改。
(3)拆除爬架过程中,应确保爬架部件不发生碰撞,避免损坏。
(4)拆除爬架时,应先拆除上部部件,再拆除下部部件。
(5)拆除爬架过程中,应确保施工现场人员的安全。
四、应急处理1. 如发生人员受伤事故,应立即组织人员进行救治,并及时报告相关部门。
2. 如发生设备损坏事故,应立即停止施工,查找原因,并进行修复。
五、总结本交底旨在提高爬架安装过程中的安全意识,确保施工人员的人身安全和设备安全。
请各施工人员严格遵守本交底要求,确保施工顺利进行。
附着式升降脚手架(爬架)安全技术交底第一部分:附着式升降脚手架(爬架)安全技术交底一、概述附着式升降脚手架(以下简称“爬架”)作为一种新型施工安全防护设施,广泛应用于高层建筑施工中。
为确保施工安全,提高施工效率,特制定本安全技术交底,对爬架的安装、使用、拆除及维护等方面进行详细说明。
二、爬架系统组成及功能1. 爬架系统主要由以下部分组成:(1)架体:由立杆、横杆、斜撑等构成,用于支撑施工荷载;(2)提升机构:包括提升架、提升机、导轨等,用于实现架体的升降;(3)安全防护系统:包括防护网、踢脚板、扶手等,用于防止人员和物料坠落;(4)附着装置:包括附着框、附着板、螺栓等,用于将架体固定在建筑物上。
2. 爬架的主要功能:(1)为施工人员提供安全、便捷的作业平台;(2)随着施工进度,实现架体与建筑物的同步上升或下降;(3)降低施工过程中的安全风险,提高施工效率。
三、爬架安装及使用要求1. 爬架安装前,应对施工人员进行安全技术培训,确保施工人员熟悉爬架的安装、使用、拆除及维护方法。
2. 爬架安装应按照以下步骤进行:(1)根据建筑物的结构特点,合理设计爬架的布局;(2)按照设计图纸,进行架体、提升机构、安全防护系统等部件的安装;(3)安装附着装置,确保架体与建筑物连接牢固;(4)进行爬架的调试,确保各部件正常运行。
3. 爬架使用要求:(1)施工人员进入爬架作业时,应佩戴安全帽、安全带等防护用品;(2)严禁超载使用,架体上的荷载不得超过设计荷载;(3)升降过程中,应确保架体平稳,严禁人员在架体上走动;(4)遇有六级以上大风、雷雨、大雾等恶劣天气,应停止爬架作业。
四、爬架拆除及维护1. 爬架拆除前,应对施工人员进行安全技术交底,明确拆除顺序、方法及注意事项。
2. 爬架拆除应按照以下步骤进行:(1)将架体降至地面;(2)拆除附着装置,确保架体与建筑物分离;(3)按照拆除顺序,依次拆除架体、提升机构、安全防护系统等部件;(4)对拆除的部件进行清点、分类、整理,做好回收利用。
一、交底目的为确保爬架安装过程中人员的安全,预防安全事故的发生,特制定本安全技术交底。
二、交底对象所有参与爬架安装的施工人员。
三、交底内容1. 安全意识教育- 所有施工人员必须树立安全第一的思想,严格遵守国家有关安全生产的法律法规和施工操作规程。
- 熟悉本工程的安全管理制度,了解施工现场的安全风险。
2. 爬架安装前的准备工作- 确认爬架安装区域无障碍物,确保安装空间充足。
- 检查爬架及配件是否完好,如有损坏或不符合要求,应及时更换或修复。
- 安装前应进行安全交底,明确各工种的操作规程和安全注意事项。
3. 爬架安装过程中的安全要求- 施工人员必须佩戴安全帽、安全带等个人防护用品。
- 禁止酒后作业,禁止疲劳作业。
- 高处作业时,必须设置安全防护栏杆,铺设安全网。
- 上下传递工具、材料时,应使用工具袋或绳索,严禁抛掷。
- 禁止在爬架上行走或站立,避免发生坠落事故。
- 严禁私自拆卸爬架上的任何部件。
4. 爬架安装后的安全检查- 安装完成后,应进行全面的检查,确保爬架结构牢固,连接可靠。
- 检查爬架的升降机构、防坠装置等是否正常工作。
- 检查爬架上的安全防护设施是否齐全有效。
5. 应急处理- 如遇突发情况,应立即停止作业,采取紧急措施。
- 确保被困人员的安全,及时拨打救援电话。
- 按照应急预案进行救援,确保事故损失降到最低。
四、注意事项1. 爬架安装过程中,施工人员应密切配合,听从指挥。
2. 严格遵守操作规程,不得擅自更改施工方案。
3. 加强现场安全管理,及时发现并消除安全隐患。
4. 定期对施工人员进行安全培训,提高安全意识和操作技能。
五、交底人及时间交底人:[姓名]交底时间:[日期]六、接受交底人员[姓名][姓名][姓名][签名]七、备注本安全技术交底为模板,具体内容应根据实际工程情况进行调整。
施工过程中,如遇特殊情况,应及时调整安全措施,确保施工安全。
附着式升降脚手架(爬架)安全技术交底附着式升降脚手架(爬架)安全技术交底一、升降脚手架(爬架)概述附着式升降脚手架又称爬架、垂直升降脚手架,是一种立式升降脚手架,具有强大的附着力和装配方便的优点,可广泛应用于建筑、修建、装修和维修等工程中,提高施工效率,使施工安全可控。
二、升降脚手架(爬架)的安装1.选择合适的爬架在安装附着式升降脚手架前,必须先确认所选择的爬架是否合适,检查其外观是否完好,内部是否有损坏。
2.勘察工作环境在安装作业前,需要认真勘察工作环境,确认所安装的地方是否水平,固定面积是否足够,并确认爬架所受的荷载是否符合安全要求。
3.安放基座板在安装爬架前,应先安放好基座板,然后放置立杆,然后安装横杆和纵向杆。
4.正确安装龙门架、升降机架龙门架主要用于搬运施工材料,升降机架则用于人员进出和搬运。
在安装这两个构件时,应根据设计要求正确安装,钢管要特别牢固。
三、爬架使用安全保障1.正确安装升降脚手架(爬架)安装时应按照相关规定进行,力求安全,避免低质量付作业成本。
2.保持安全间距保持爬架部件之间的安全间距,规范货物堆放位置,确保人员安全。
3.正确使用升降制动器在使用升降脚手架时,必须保持升降制动器的稳定,避免由于升降制动器的损坏导致爬架后退。
如果发现升降制动器失效,应及时停止使用,并进行维修和检测。
4.检查升降电气和机械部件在使用升降脚手架时,必须检查升降电气和机械部件的使用状况,确认无故障问题后才能使用。
5.规定人员上下爬架措施在使用爬架时,要制定合适的上下爬架措施,以确保人员安全。
爬架高度大于1.5 m时,必须设置安全带。
同时,下降时不得随意手推,必须按照规定的操作方法进行。
6.爬架工作时限爬架工作时间的持续时间应在10小时以内,并按照相关规定进行安全操作。
7.风力大或下雨天处理风力大或下雨时,必须停止工作,及时撤下升降梯。
四、安全检查1.定期检查升降脚手架在使用升降脚手架前,需要定期检查其各个部分的使用情况,确认其完好。
一、交底时间:____年____月____日二、交底地点:____工程名称____施工部位三、参与人员:1. 施工单位项目经理:____2. 施工单位安全员:____3. 施工单位技术负责人:____4. 施工单位操作人员:____5. 监理单位代表:____四、交底内容:1. 爬架安装前的准备工作- 施工单位应确保爬架安装前已完成相关施工图纸的审查,并已编制详细的爬架安装施工方案。
- 施工现场应具备必要的施工条件,如场地平整、施工通道畅通等。
- 确保施工人员已接受爬架安装安全技术培训,并具备相应的操作技能。
2. 爬架安装安全要求- 爬架安装前,应检查所有零部件是否齐全、完好,不得使用损坏或变形的部件。
- 安装过程中,应严格遵守施工方案中的各项安全操作规程。
- 施工人员必须佩戴安全帽、安全带等个人防护用品。
- 爬架安装现场应设置明显的安全警示标志,并确保施工区域安全。
3. 爬架安装操作要点- 爬架安装顺序:先安装基础,再安装立杆、横杆、斜撑等。
- 确保各部件连接牢固,螺栓拧紧力矩符合要求。
- 安装过程中,应注意检查爬架的垂直度和水平度,确保其稳定性。
- 爬架安装完成后,应进行全面的检查和试验,确保其安全可靠。
4. 爬架安装过程中可能存在的风险及预防措施- 风险:高空坠落、物体打击、触电等。
- 预防措施:- 高空作业人员必须系好安全带,并使用安全绳。
- 严格限制非作业人员在施工区域活动。
- 安装现场应配备足够的消防器材,并定期检查其有效性。
- 定期对施工人员进行安全教育和培训。
5. 爬架安装后的注意事项- 定期检查爬架的稳定性,发现问题及时处理。
- 禁止在爬架上堆放超负荷物品。
- 严禁未经授权的人员操作爬架。
- 确保爬架的使用符合相关安全规范和标准。
五、交底总结:本次爬架安装安全技术交底,对爬架安装过程中的安全要求、操作要点及风险预防措施进行了详细讲解。
请所有参与人员认真学习和执行,确保爬架安装施工安全、顺利进行。
中国建筑项目管理表格
分项工程技术交底卡
表格编号CSCEC-PM-0803
项目名称及
编码于家堡还迁房二期主体工程(一标段)
第1页
共3页
楼栋号Z-4A#楼分项工程名
称
爬架安装工程量
分包公司天津晟宏建筑劳务负责人林立匡
交底内容
一、作业时间安排
爬架安装的时间为四层主体结构的施工时间,之后每一层一提升.
二、材料及施工机械准备
电动葫芦(7.5t)、Ф48*3.5钢管、十字扣件、旋转扣件、直接扣件、力矩扳
手等
三、操作工艺
一)、安装前的准备工作
1、所有使用的钢管脚手架必须进行刷黄漆处理。
2、爬架构件进场后先依照设计图纸及进场的材料清单进行验收检查,不
合格的材料将不予以验收,并进行退场处理。
3、爬架上所使用的各种扣件必须经过安检站备案、并经质检站检验的合
格产品。
4、由于现在主体结构已经施工至:35#楼施工4层,34#楼施工至3层。
所以在主体现施工层数的上一层搭设爬架安装平台。
二)、安装要求
1.2立柱的接头方式及位置
(1)本工程采用单管立柱的接头
立柱的接头必须采用对接扣件进行连接,接头应交错布置,同层同跨不得设置两个立柱接头,各接头距大横杆的距离应小于步距的1/3,立柱的接头在架体的最。