材料成型技术基础试题
- 格式:doc
- 大小:845.12 KB
- 文档页数:9
材料成型基础复习试题(含答案)试卷1⼀、思考题1.什么是机械性能?(材料受⼒作⽤时反映出来的性能)它包含哪些指标?(弹性、强度、塑性、韧性、硬度等)各指标的含意是什么?如何测得?2.硬度和强度有没有⼀定的关系?为什么? (有,强度越⾼,硬度越⾼)为什么?(都反映材料抵抗变形及断裂的能⼒)3.名词解释:过冷度,晶格,晶胞,晶粒与晶界,同素异晶转变,固溶体,⾦属化合物,机械混合物。
4.过冷度与冷却速度有什么关系?对晶粒⼤⼩有什么影响? (冷却速度越⼤过冷度越⼤,晶粒越细。
)5.晶粒⼤⼩对⾦属机械性能有何影响?常见的细化晶粒的⽅法有哪些? (晶粒越细,⾦属的强度硬度越⾼,塑韧性越好。
孕育处理、提⾼液体⾦属结晶时的冷却速度、压⼒加⼯、热处理等)6.说明铁素体、奥⽒体、渗碳体和珠光体的合⾦结构和机械性能。
7.默绘出简化的铁碳合⾦状态图,并填⼈各区域内的结晶组织。
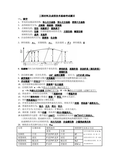
8.含碳量对钢的机械性能有何影响?⼆、填表说明下列符号所代表的机械性能指标三、填空1. 碳溶解在体⼼⽴⽅的α-Fe中形成的固溶体称铁素体,其符号为F ,晶格类型是体⼼⽴⽅,性能特点是强度低,塑性好。
2. 碳溶解在⾯⼼⽴⽅的γ-Fe中形成的固溶体称奥⽒体,其符号为 A ,晶格类型是⾯⼼⽴⽅,性能特点是强度低,塑性⾼。
3. 渗碳体是铁与碳的⾦属化合物,含碳量为6.69%,性能特点是硬度⾼,脆性⼤。
4. ECF称共晶线线,所发⽣的反应称共晶反应,其反应式是得到的组织为 L(4.3%1148℃)=A(2.11%)+Fe3C 。
5. PSK称共析线线,所发⽣的反应称共析反应,其反应式是A(0.77%727 ℃)=F(0.0218%)+ Fe3C 得到的组织为珠光体。
6. E是碳在γ-Fe中的最⼤溶解度点,P是碳在α-Fe中的最⼤溶解度点, A l线即 PSK ,A3线即 GS , A cm线即 ES 。
7. 45钢在退⽕状态下,其组织中珠光体的含碳量是 0.77% 。
一、填空题1.材料力学性能的主要指标有强度、硬度、韧性、塑性、疲劳强度等2.在静载荷作用下,设计在工作中不允许产生明显塑性变形的零件时,应使其承受的最大应力小于屈服强度,若使零件在工作中不产生断裂,应使其承受的最大应力小于抗拉强度。
3.ReL(σs)表示下屈服强度,Rr0.2(σr0.2)表示规定残余伸长强度,其数值越大,材料抵抗塑性变形能力越强。
4.材料常用的塑性指标有断后伸长率和断面收缩率两种。
其中用断后伸长率表示塑性更接近材料的真实变形。
5.当材料中存在裂纹时,在外力的作用下,裂纹尖端附近会形成一个应力场,用应力强度因子KI 来表述该应力场的强度。
构件脆断时所对应的应力强度因子称为断裂韧性,当K I >K I c时,材料发生低应力脆断。
6.金属晶格的基本类型有体心立方晶格、面心立方晶格、密排六方晶格三种。
7.亚共析钢的室温组织是铁素体+珠光体(F+P),随着碳的质量分数的增加,珠光体的比例越来越大,强度和硬度越来越高,塑性和韧性越来越差。
8.金属要完成自发结晶的必要条件是过冷,冷却速度越大,过冷度越大,晶粒越细,综合力学性能越好。
9.合金相图表示的是合金的__成分__ 、组织、温度和性能之间的关系。
10. 根据铁碳合金状态图,填写下表。
成分(Wc/%)温度/C°组织状态温度/C°组织状态0.77 700 p 固态900 a 固态1460 a 固液1538 l 液态0.45 700 F+p 固态1200 a 固态730 F+a 固态1500 l 液态1.2 720P+二次渗碳体固态1250 a 固1100 a 固态1500 l 液态11.影响再结晶后晶粒大小的因素有加热温度和保温时间、杂质和合金元素、第二项点、变形程度。
12.热加工的特点是无加工硬化现象;冷加工的特点是有加工硬化现象。
13马氏体是碳全部被迫固溶于奥氏体的饱和的固溶体,其转变温度范围(共析刚)为+230~-50 。
《材料成形技术基础》考试样题答题页(本卷共10页)四、综合题(20分)1、绘制图5的铸造工艺图(6分)修2、绘制图6的自由锻件图,并按顺序选择自由锻基本工序。
(6分)自由锻基本工序:3、请修改图7--图10的焊接结构,并写出修改原因。
图7手弧焊钢板焊接结构(2分)图8手弧焊不同厚度钢板结构(2分)修改原因:修改原因:图9钢管与圆钢的电阻对焊(2分)图10管子的钎焊(2分)修改原因:修改原因:《材料成形技术基础》考试样题(本卷共10页)注:答案一律写在答题页中规定位置上,写在其它处无效。
一、判断题(16分,每空0.5分。
正确的画“O”,错误的画“×”)1.过热度相同时,结晶温度范围大的合金比结晶温度范围小的合金流动性好。
这是因为在结晶时,结晶温度范围大的合金中,尚未结晶的液态合金还有一定的流动能力。
2.采用顺序凝固原则,可以防止铸件产生缩孔缺陷,但它也增加了造型的复杂程度,并耗费许多合金液体,同时增大了铸件产生变形、裂纹的倾向。
3.HT100、HT150、HT200均为普通灰口铸铁,随着牌号的提高,C、Si含量增多,以减少片状石墨的数量,增加珠光体的数量。
4.缩孔和缩松都是铸件的缺陷,在生产中消除缩孔要比消除缩松容易。
5.铸件铸造后产生弯曲变形,其原因是铸件的壁厚不均匀,铸件在整个收缩过程中,铸件各部分冷却速度不一致,收缩不一致,形成较大的热应力所至。
6.影响铸件凝固方式的主要因素是合金的化学成分和铸件的冷却速度。
7.制定铸造工艺图时,铸件的重要表面应朝下或侧立,同时加工余量应大于其它表面。
8.铸造应力包括热应力和机械应力,铸造应力使铸件厚壁或心部受拉应力,薄壁或表层受压应力。
铸件壁厚差越大,铸造应力也越大。
9.型芯头是型芯的一个组成部分。
它不仅能使型芯定位,排气,同时还能形成铸件的内腔。
10.为了防止铸钢件产生裂纹,设计零件的结构时,尽量使壁厚均匀;在合金的化学成分上要严格限制硫和磷的含量。
《材料成形技术基础》考试样题(本卷共10页)注:答案一律写在答题页中规定位置上,写在其它处无效。
一、判断题(16分,每空0.5分。
正确的画“O”,错误的画“×”)1.过热度相同时,结晶温度范围大的合金比结晶温度范围小的合金流动性好。
这是因为在结晶时,结晶温度范围大的合金中,尚未结晶的液态合金还有一定的流动能力。
F2.采用顺序凝固原则,可以防止铸件产生缩孔缺陷,但它也增加了造型的复杂程度,并耗费许多合金液体,同时增大了铸件产生变形、裂纹的倾向。
T3.缩孔和缩松都是铸件的缺陷,在生产中消除缩孔要比消除缩松容易。
T4.铸件铸造后产生弯曲变形,其原因是铸件的壁厚不均匀,铸件在整个收缩过程中,铸件各部分冷却速度不一致,收缩不一致,形成较大的热应力所至。
T5.影响铸件凝固方式的主要因素是合金的化学成分和铸件的冷却速度。
F6.制定铸造工艺图时,铸件的重要表面应朝下或侧立,同时加工余量应大于其它表面。
T7.铸造应力包括热应力和机械应力,铸造应力使铸件厚壁或心部受拉应力,薄壁或表层受压应力。
铸件壁厚差越大,铸造应力也越大。
F8.为了防止铸钢件产生裂纹,设计零件的结构时,尽量使壁厚均匀;在合金的化学成分上要严格限制硫和磷的含量。
T9.用压力铸造方法可以生产复杂的薄壁铸件,同时铸件质量也很好。
要进一步提高铸件的机械性能,可以通过热处理的方法解决。
F10.铸件大平面在浇注时应朝下放置,这样可以保证大平面的质量,防止夹砂等缺陷。
T11.自由锻的工序分为辅助工序、基本工序和修整工序,实际生产中,最常用的自由锻基本工序是镦粗、拔长、冲孔和轧制等。
T12.制定铸造工艺图时,选择浇注位置的主要目的是保证铸件的质量,而选择分型面的主要目的是简化造型工艺。
T13.把低碳钢加热到1200℃时进行锻造,冷却后锻件内部晶粒将沿变形最大的方向被拉长并产生碎晶。
如将该锻件进行再结晶退火,便可获得细晶组织。
T14.纤维组织使金属的机械性能具有方向性。
材料成型技术题库含答案一、单选题(共37题,每题1分,共37分)1.模锻件上必须有模锻斜度,这是为了A、便于取出锻件B、减少工序C、便于充填模膛D、节约能量正确答案:A2.锻造前坯样加热的目的是A、提高塑性,降低韧性B、提高强度,降低韧性C、提高塑性,增加韧性D、提高塑性,提高变形抗力正确答案:C3.可锻铸铁的制取方法是,先浇注成A、灰口组织B、麻口组织C、球墨组织D、白口组织正确答案:D4.电弧焊没有做好隔离装置后极易发生A、氧化反应B、氢化反应C、氯化反应D、还原反应正确答案:A5.焊接热影响区中,对焊接接头性能不利的区域是A、部分相变区B、正火区C、焊缝金属D、熔合区正确答案:D6.焊接热影响区中,晶粒得到细化、机械性能也得到改善的区域是A、熔合区B、正火区C、部分相变区D、过热区正确答案:B7.生产较大的套筒、管类铸件,常用的铸造方法是A、熔模铸造B、挤压铸造C、压力铸造D、离心铸造正确答案:D8.铸件的缩孔常出现在铸件的A、芯部B、底部C、厚部D、最后凝固部位正确答案:D9.焊接热影响区中,对焊接接接性能有利的区域是A、焊缝金属B、正火区C、熔合区D、过热区正确答案:B10.具有较好的脱氧、除硫、去氢和去磷作用以及机械性能较高的焊条是A、不锈钢焊条B、结构钢焊条C、碱性焊条D、酸性焊条正确答案:C11.既可减少焊接应力又可减少焊接变形的工艺措施之一是A、焊后消除应力退火B、刚性夹持法C、焊前预热D、反变形法正确答案:C12.下列属于变形工序的是A、拉深B、落料C、冲裁D、修整正确答案:A13.合金化学成份对流动性的影响主要取决于A、结晶温度区间B、凝固点C、熔点D、过热温度正确答案:A14.手弧焊时,操作最方便,焊缝质量最易保证,生产率又高的焊缝空间位置是A、立焊B、平焊C、仰焊D、横焊正确答案:B15.使坯料的一部分相对于另一部分错开,但两部分的轴线仍然保持平行的工序是A、扭转B、弯曲C、拔长D、错移正确答案:D16.灰口铸铁适合制造床身,机架,底座,导轨等结构,除了铸造性和切削性优良外,还因为A、耐压消震B、抗拉强度好C、冲击韧性高D、抗弯强度好正确答案:A17.由于母材硫、磷含量高,会使焊缝产生A、裂纹B、气孔C、夹杂D、变形正确答案:A18.常用机械零件的毛坯成型方法不包括___A、拉拔B、锻造C、铸造D、冲压正确答案:A19.铸件最小壁厚要受到限制,主要是由于薄壁件中金属流动性低,容易产生A、应力和变形B、开裂C、缩孔和缩松D、冷隔和浇不足正确答案:D20.浇注条件不包括A、铸型温度B、充型压力C、浇注速度D、浇注温度正确答案:A21.齿轮工作时承受的力中不包括___A、拉应力B、冲击力C、弯曲应力D、摩擦力正确答案:A22.下列零件不属于轴类零件的是___A、垫圈B、丝杠C、拔叉D、螺栓正确答案:A23.预锻模膛与终锻模膛相比,它的A、圆角应大些,斜度应小些B、应有冲孔连皮C、带有飞边槽D、圆角和斜度应大些正确答案:D24.铸件壁越厚,其强度越低,主要是由于A、冷隔严重B、碳含量态低C、易浇不足D、晶粒粗大正确答案:D25.为简化锻件形状而增加的那部分金属称为A、余量B、坯料C、敷料D、余块正确答案:C26.铸件定向凝固的主要目的是A、消除缩孔B、减少应力C、防止夹砂D、消除缩松正确答案:A27.零件工作时的切应力方向与纤维方向应该A、无关B、平行C、相交D、垂直正确答案:D28.下列焊接方法中,只适于立焊的是A、手弧焊B、埋弧自动焊C、电渣焊D、CO2保护焊正确答案:D29.各种铸造方法中,最基本的方法是A、金属型铸造B、压力铸造C、熔模铸造D、砂型铸造正确答案:D30.炒菜用的铸铁锅适合用下列哪种成形方法___A、锻造B、冲压C、砂型铸造D、挤压铸造正确答案:D31.冲孔连皮应A、薄些好B、按锻件最大厚度决定C、按孔径决定D、厚些好正确答案:C32.锻造时当金属的加热温度过高,内部晶粒急剧长大,使塑性降低的现象称为A、硬化B、过烧C、熔化D、过热正确答案:D33.不属于埋弧自动焊的特点是A、适应性广B、焊接质量好C、节省材料D、生产率高正确答案:A34.锻造前加热时应避免金属过热和过烧,但一旦出现,A、过热可采取热处理消除,过烧则报废。
材料成型技术考试题+答案一、单选题(共37题,每题1分,共37分)1.木制模样的尺寸应比零件大一个A、机械加工余量B、铸件材料的收缩量C、铸件材料的收缩量加机械加工余量D、模样材料的收缩量加铸件材料的收缩量正确答案:C2.由于母材淬硬倾向大,会使焊缝产生A、气孔B、未焊透C、冷裂纹D、夹杂正确答案:C3.可锻铸铁的制取方法是,先浇注成A、麻口组织B、白口组织C、灰口组织D、球墨组织正确答案:B4.常用机械零件的毛坯成型方法不包括___A、拉拔B、冲压C、铸造D、锻造正确答案:A5.铸件定向凝固的主要目的是A、减少应力B、防止夹砂C、消除缩松D、消除缩孔正确答案:D6.锤上模锻时,决定锻件最后形状的是A、终锻模膛B、预锻模膛C、切边模膛D、制坯模膛正确答案:A7.铸件最小壁厚要受到限制,主要是由于薄壁件中金属流动性低,容易产生A、缩孔和缩松B、冷隔和浇不足C、开裂D、应力和变形正确答案:B8.生产中为提高合金的流动性,常采用的方法是A、提高浇注温度B、延长浇注时间C、降低出铁温度D、加大出气口正确答案:A9.氩弧焊特别适于焊接容易氧化的金属和合金,是因为A、氩弧温度高B、氩气容易取得C、氩气是惰性气体D、氩弧热量集中正确答案:C10.手工电弧焊焊接薄板时,为防止烧穿常采用的工艺措施之一是A、氩气保护B、CO2保护C、直流正接D、直流反接正确答案:D11.焊接热影响区中,对焊接接接性能有利的区域是A、熔合区B、正火区C、过热区D、焊缝金属正确答案:B12.锻造时当金属的加热温度过高,内部晶粒急剧长大,使塑性降低的现象称为A、熔化B、过烧C、过热D、硬化正确答案:C13.零件工作时的正应力方向与纤维方向应该A、垂直B、无关C、相交D、平行正确答案:D14.合金化学成份对流动性的影响主要取决于A、熔点B、过热温度C、凝固点D、结晶温度区间正确答案:D15.冲孔模设计时的凹模尺寸应等于A、凸模尺寸加间隙B、等于设计孔的尺寸C、设计孔的尺寸加间隙D、凸模尺寸减间隙正确答案:A16.零件工作时的切应力方向与纤维方向应该A、垂直B、平行C、无关D、相交正确答案:A17.影响焊接热影响区大小的主要因素是A、接头形式B、焊接方法C、焊缝尺寸D、焊接规范正确答案:D18.手弧焊时,操作最方便,焊缝质量最易保证,生产率又高的焊缝空间位置是A、仰焊B、立焊C、横焊D、平焊正确答案:D19.下列合金线收缩率最大的A、铸钢B、铸铝C、铸造黄铜D、铸铁正确答案:C20.预锻模膛与终锻模膛相比,它的A、圆角和斜度应大些B、圆角应大些,斜度应小些C、带有飞边槽D、应有冲孔连皮正确答案:A21.下列制品中最适宜于铸造的是A、哑铃B、铁锅C、子弹壳D、钢精锅正确答案:A22.闪光对焊属于哪种焊接类别A、压焊B、熔焊C、激光焊D、钎焊正确答案:A23.普通车床床身浇注时,导轨面应该A、朝左侧B、朝右侧C、朝下D、朝上正确答案:C24.焊缝内部质量的检验方法是A、放大镜观察B、密封性检验C、耐压检验D、超声波检验正确答案:D25.表现为铸件的外形尺寸减小的是A、凝固收缩B、合并收缩C、固态收缩D、液态收缩正确答案:C26.由于母材硫、磷含量高,会使焊缝产生A、裂纹B、变形C、夹杂D、气孔正确答案:A27.灰口铸铁体积收缩率小的最主要原因是由于A、析出石墨弥补体收缩B、其凝固温度低C、砂型阻碍铸件收缩D、凝固温度区间小正确答案:A28.铸件的缩孔常出现在铸件的A、最后凝固部位B、底部C、厚部D、芯部正确答案:A29.自由锻件控制其高径比(H/D)为1.5-2.5的工序是A、拨长B、冲孔C、镦粗D、弯曲正确答案:A30.航空发动机机箱的成形方法可以是___A、圆钢锻造B、铝合金铸造C、球墨铸铁铸造D、板料冲压正确答案:B31.以下冲压工序中,属于冲裁工序的是A、冲挤B、拉深C、落料D、弯曲正确答案:C32.电渣焊主要用于A、平焊位置B、中,薄板焊件C、立焊位置D、铝及其合金焊件正确答案:C33.为简化锻件形状而增加的那部分金属称为A、余量B、余块C、敷料D、坯料正确答案:C34.大批量生产汽车油箱的焊接方法是A、缝焊B、手工电弧焊C、气焊D、点焊正确答案:A35.钢的杂质元素中哪一种会增加其热脆性____A、TiB、PC、NiD、S正确答案:D36.下列哪一项不是热裂纹的特征A、金属光泽B、尺寸较短C、形状曲折D、缝隙较宽正确答案:A37.各种铸造方法中,最基本的方法是A、砂型铸造B、压力铸造C、金属型铸造D、熔模铸造正确答案:A二、判断题(共63题,每题1分,共63分)1.壁厚1mm,材料为20钢的容器可用埋弧自动焊。
华侨大学材料成型技术基础考试试题及答案1、高温的γ-Fe是面心立方晶格。
其溶碳能力比α-Fe大,在1148℃时溶解度最大达到2.11%。
2、铸件上的重要工作面和重要加工面浇注时应朝下。
3、球墨铸铁结晶时,决定其基体组织是共析石墨化过程;为使铸铁中的石墨呈球状析出,需加入稀土镁合金(材料),这一过程称为球化处理。
4、单晶体塑性变形的主要形式是滑移变形,其实质是位错运动。
5、如果拉深系数过小,不能一次拉深成形时,应采取多次拉深工艺,并应进行再结晶退火。
5、镶嵌件一般用压力铸造方法制造,而离心铸造方法便于浇注双金属铸件。
6模膛两大类。
78910A11A12AC13AC141516、铸件的壁或肋的连接应采用 C 。
A、锐角连接B、直角连接C、圆角连接D、交叉连接17、下列焊接方法中,B可不需另加焊接材料便可实现焊接;C成本最低。
A、埋弧自动焊B、电阻焊C、CO2气体保护焊D、氩弧焊1、细化晶粒可提高金属的强度和硬度,同时可提高其塑性和韧性。
(√)2、由于T13钢中的含碳量比T8钢高,故前者的强度硬度比后者高。
(×)3、当过热度相同时,亚共晶铸铁的流动性随着含碳量的增多而提高。
(√)4、共晶成分合金是在恒温下凝固的,结晶温度范围为零。
所以,共晶成分合金只产生液态收缩和固态收缩,而不产生凝固收缩。
(×)5、铸件结构斜度不同于拔模斜度,表现为斜度值大,且需在零件图上示出。
(√)6、在板料拉深时,凸模和凹模之间的间隙Z应该略大于板料厚度。
(√)7、金属经压力加工产生的纤维组织,使金属在性能上具有方向性,沿着纤维方向性能较差,垂直纤维方向性能较好。
(×)8、二氧化碳保护焊由于有CO2的作用,故适合焊有色金属和高合金钢。
(×)9、锅炉、压力容器等重要结构件焊接应采用搭接接头型式,并使用碱性焊条。
(×)10、“同时凝固”这种工艺措施可以有效的防止应力、变形和缩孔缺陷。
工程材料及成型技术基础模考试题(含答案)一、单选题(共90题,每题1分,共90分)1、模锻件上平行于锤击方向(垂直于分模面)的表面必须有斜度,其原因是( )。
A、增加可锻性B、防止产生裂纹C、便于从模膛取出锻件D、飞边易清除正确答案:C2、为了改善高速钢铸态组织中的碳化物不均匀性,应进行( )。
A、正火B、锻造加工C、完全退火D、球化退火正确答案:B3、可锻铸铁适宜制造薄壁小件,这是由于浇注时其( )A、易得到白口组织B、石墨化完全C、收缩较小D、流动性较好正确答案:A4、T10钢锻坯切削加工前,应进行的预备热处理是( )。
A、完全退火B、去应力退火C、球化退火D、再结晶退火正确答案:C5、铸件的壁厚越厚,铸件强度越低,这是因为壁厚越厚( )A、易产生气孔B、易产生浇不足、冷隔C、易产生缩孔、晶粒粗大D、易产生白口组织正确答案:C6、过共析钢正常的淬火加热温度是( )。
A、Ac1+30~70℃B、Accm+30~70℃C、Ac3+30~70℃D、Ac1-30~70℃正确答案:A7、平衡状态下抗拉强度最高的材料是()A、20B、45C、65D、T9正确答案:D8、铸件同时凝固主要适用于( )。
A、铸铝件B、铸钢件C、灰口铸铁件D、球墨铸铁件正确答案:C9、选择金属材料生产锻件毛坯时,首先应满足( )。
A、硬度高B、塑性好C、无特别要求D、强度高正确答案:B10、亚共析钢常用的退火方法是( )。
A、完全退火B、球化退火C、等温退火D、均匀化退火正确答案:A11、锻造加热温度过高会产生过热、过烧。
过热指的是( )。
A、晶界物质氧化B、含碳量下降C、晶粒急剧长大D、表层氧化正确答案:C12、间隙相与间隙化合物的( )A、结构和性能都相同B、结构不同,性能相同C、结构相同,性能不同D、结构和性能都不相同正确答案:B13、共析成分的合金在共析反应γ→(α+β)刚结束时,其相组分为( )A、γ+(α+β)B、(α+β)C、α+βD、γ+α+β正确答案:C14、板料冲压工序中,属于变形工序的是()P119A、冲孔B、翻边C、落料D、剪切正确答案:B15、现有一碳钢支架刚性不足,可有效解决此问题的方法是( )A、改用另一种碳钢B、进行热处理改性C、改变该支架的截面与结构形状尺寸。
材料成型考试题及答案一、单项选择题(每题2分,共20分)1. 材料成型中,下列哪项不是常见的成型方法?A. 铸造B. 锻造C. 焊接D. 热处理答案:D2. 在金属成型过程中,金属的塑性变形主要发生在哪个区域?A. 弹性变形区B. 塑性变形区C. 断裂区D. 硬化区答案:B3. 材料成型中,冷加工和热加工的主要区别在于加工时的温度是否超过材料的哪个温度?A. 再结晶温度B. 熔点C. 玻璃化转变温度D. 相变温度答案:A4. 以下哪种材料成型方法不适用于塑料材料?A. 注塑成型B. 吹塑成型C. 冲压成型D. 热轧成型答案:D5. 材料成型过程中,提高材料的成型性能可以通过哪种方式实现?A. 提高材料的屈服强度B. 降低材料的硬度C. 提高材料的塑性D. 增加材料的脆性答案:C6. 在材料成型中,哪种因素会影响材料的成型极限?A. 材料的厚度B. 材料的表面粗糙度C. 材料的化学成分D. 所有以上因素答案:D7. 材料成型中,哪种焊接方法适用于薄板材料?A. 电弧焊B. 激光焊C. 电子束焊D. 氧乙炔焊答案:B8. 材料成型中,哪种成型方法可以改善材料的内部组织结构?A. 冷挤压B. 热挤压C. 热处理D. 机械加工答案:C9. 在材料成型中,哪种因素会影响材料的成型精度?A. 模具的精度B. 材料的硬度C. 成型速度D. 所有以上因素答案:D10. 材料成型中,哪种成型方法适用于生产大型复杂形状的零件?A. 铸造B. 锻造C. 焊接D. 机械加工答案:A二、多项选择题(每题3分,共15分)1. 材料成型中,以下哪些因素会影响材料的成型性能?A. 材料的化学成分B. 材料的微观结构C. 材料的表面处理D. 材料的热处理状态答案:ABCD2. 在材料成型过程中,以下哪些是常见的成型缺陷?A. 裂纹B. 气泡C. 变形D. 氧化皮答案:ABCD3. 材料成型中,以下哪些是提高材料成型质量的措施?A. 优化模具设计B. 控制成型温度C. 增加材料的塑性D. 改善材料的表面处理答案:ABCD4. 材料成型中,以下哪些焊接方法适用于不锈钢材料?A. 电弧焊B. 激光焊C. 电子束焊D. 摩擦焊答案:ABCD5. 在材料成型中,以下哪些是影响材料成型成本的因素?A. 材料成本B. 能源消耗C. 模具成本D. 人工成本答案:ABCD三、判断题(每题1分,共10分)1. 材料成型过程中,材料的塑性变形是不可逆的。
《材料成形技术基础》复习题一、填空题1、凝固成形的方法包括砂型铸造、金属型铸造、压力铸造、熔模铸造等。
2、宏观偏析可分为正常偏析,逆偏析和密度偏析等。
3、进行铸件设计时,不仅要保证其工作性能和力学性能要求,还必须认真考虑铸造工艺和合金铸造性能对铸件结构的要求。
4、铸件的缺陷类型包括缩孔、缩松、裂纹、变形等。
5、冲压模具工作零件是指对坯料直接进行加工的零件;定位零件是指用来确定加工中坯料正确位置的零件。
6、挤压按金属的流动方向和凸模的运动方向可分为正挤压、反挤压、复合挤压、径向挤压。
7、手工电弧焊焊条药皮的主要作用有保护作用、冶金作用、提高焊接工艺性能。
8、焊接残余变形总体变形分纵向收缩变形、横向收缩变形、弯曲变形和扭曲变形。
9、写出5种常用热塑性塑料的英文代号ABS、PC、PVC、PP、PE、POM等。
10、形核时,仅依靠液相内部自发形核的过程,一般需要较大的过冷度才能得以完成;而实际凝固过程中,往往依靠外来质点或容器壁面形核,这就是所谓的非自发形核过程。
11、一般凝固温度间隔大的合金,其铸件往往倾向于糊状凝固,否则倾向于逐层凝固。
12、塑料按成形性能分为热塑性塑料和热固性塑料。
13、挤压成形按成形温度可分为热挤压、温挤压、冷挤压。
14、材料的体积变化是由应力球张量引起的,材料的塑性变形是由应力偏张量引起的。
15、焊接内应力按其产生的原因可分为:热应力、相变应力和机械阻碍应力。
16液态金属凝固方式一般由合金固液相线温度间隔和凝固件断面温度梯度两个因素决定。
16、晶体生长方式决定于固一液界面结构。
一般粗糙界面对应于连续长大;光滑界面对应于侧面长大。
18.设计铸造模样时,要考虑加工余量,收缩余量,起模斜度和铸造圆角等四个方面.19.焊条的选用原则是,结构钢按等强度原则选择,不锈钢和耐热钢按同成分原则选择.20.合金的凝固温度范围越宽的合金,其铸造性能越差 ,越容易形成缩松缺陷.21.合金在凝固过程中的收缩可分为三个阶段,依次为液态收缩,凝固收缩,固态收缩 .22.冲压的基本工序有冲裁,弯曲,拉深,成形等.23.常见焊接缺陷主要有焊接裂纹,未焊透,气孔,夹渣,咬边等.24.焊缝的主要接头形式有对接接头,角接接头, T形接头,搭接接头等四种.25.锻造加热时的常见缺陷有过热,过烧,脱碳,氧化开裂等.26.铸造时设置冒口的作用是补缩、排气、集渣 ,设置冷铁的作用是加大铸件某一部分的冷却速度,调节铸件的凝固顺序 .27.金属坯料经热变形后会形成再结晶组织,且变形程度愈大,这种组织愈粗大 ,它使金属的机械性能能带来力学性能下降.28.按焊条药皮的类型,电焊条可分为酸性焊条和碱性焊条两大类.29.焊接接头由焊缝和热影响区两部分组成.30.氩弧焊按电极可分为钨极氩弧焊和熔化极氩弧焊两种.二、选择题(给你资料内的)三、判断题(给你资料内的)四、简答题(资料内的)1、为什么说非自发形核比自发形核容易?2、逐层凝固与糊状凝固之间有何区别?3、焊接热过程的特点是什么?4、多道焊为什么可以提高焊缝金属的塑性?5、米泽斯屈服准则与屈雷斯加屈服准则有何差别?在什么状态下两个屈服准则相同?什么状态下差别最大?6、铸铁合金中石墨形态共有几种?一般可通过什么方法改变石墨形态?7、板料成型模具一般有哪几部分组成?每部分各起到什么作用?8、锤上模锻与压力机模锻变形特点有何不同?9、手工电弧焊的原理、特点是什么?10、成分过冷与热过冷有什么区别?11、热塑形变形对金属组织有何影响?δ,12、已知材料的真实应力一应变曲线方程为,若试样已有伸长率25.0=试问试样还要再增加多少δ才会发生缩颈?13、何谓热过冷和成分过冷?成分过冷的本质是什么?14、焊接熔池有何特征?15、等效应力有何特点?写出其数学表达式。
《材料成形技术基础》考试样题(本卷共10页)注:答案一律写在答题页中规定位置上,写在其它处无效。
一、判断题(16分,每空0.5分。
正确的画“O”,错误的画“×”)1.过热度相同时,结晶温度范围大的合金比结晶温度范围小的合金流动性好。
这是因为在结晶时,结晶温度范围大的合金中,尚未结晶的液态合金还有一定的流动能力。
F2.采用顺序凝固原则,可以防止铸件产生缩孔缺陷,但它也增加了造型的复杂程度,并耗费许多合金液体,同时增大了铸件产生变形、裂纹的倾向。
T3.缩孔和缩松都是铸件的缺陷,在生产中消除缩孔要比消除缩松容易。
T4.铸件铸造后产生弯曲变形,其原因是铸件的壁厚不均匀,铸件在整个收缩过程中,铸件各部分冷却速度不一致,收缩不一致,形成较大的热应力所至。
T5.影响铸件凝固方式的主要因素是合金的化学成分和铸件的冷却速度。
F6.制定铸造工艺图时,铸件的重要表面应朝下或侧立,同时加工余量应大于其它表面。
T7.铸造应力包括热应力和机械应力,铸造应力使铸件厚壁或心部受拉应力,薄壁或表层受压应力。
铸件壁厚差越大,铸造应力也越大。
F8.为了防止铸钢件产生裂纹,设计零件的结构时,尽量使壁厚均匀;在合金的化学成分上要严格限制硫和磷的含量。
T9.用压力铸造方法可以生产复杂的薄壁铸件,同时铸件质量也很好。
要进一步提高铸件的机械性能,可以通过热处理的方法解决。
F10.铸件大平面在浇注时应朝下放置,这样可以保证大平面的质量,防止夹砂等缺陷。
T11.自由锻的工序分为辅助工序、基本工序和修整工序,实际生产中,最常用的自由锻基本工序是镦粗、拔长、冲孔和轧制等。
T12.制定铸造工艺图时,选择浇注位置的主要目的是保证铸件的质量,而选择分型面的主要目的是简化造型工艺。
T13.把低碳钢加热到1200℃时进行锻造,冷却后锻件内部晶粒将沿变形最大的方向被拉长并产生碎晶。
如将该锻件进行再结晶退火,便可获得细晶组织。
T14.纤维组织使金属的机械性能具有方向性。
材料成型基础试题及答案一、单项选择题(每题2分,共20分)1. 材料成型过程中,下列哪项不是影响材料成型质量的因素?A. 材料性质B. 成型温度C. 成型速度D. 材料颜色答案:D2. 金属材料在成型过程中,下列哪项不是其主要的成型方法?A. 铸造B. 锻造C. 挤压D. 焊接答案:D3. 在塑料成型中,注射成型的主要优点是什么?A. 适合小批量生产B. 生产效率高C. 材料浪费少D. 成型精度低答案:B4. 玻璃成型中,吹制法主要用于成型哪种类型的玻璃制品?A. 平板玻璃B. 瓶罐类C. 光学玻璃D. 纤维玻璃5. 陶瓷材料成型时,下列哪项不是常用的成型方法?A. 干压成型B. 注浆成型C. 挤出成型D. 热压成型答案:D6. 金属材料的锻造成型中,下列哪项不是锻造的基本工序?A. 切割B. 热处理C. 锻造D. 冷却答案:A7. 在材料成型中,下列哪项不是影响成型件尺寸精度的因素?A. 模具设计B. 材料性质C. 成型温度D. 成型后的装饰答案:D8. 塑料注射成型中,下列哪项不是注射机的主要组成部分?A. 注射系统B. 合模系统C. 冷却系统D. 切割系统答案:D9. 金属材料的热处理过程中,下列哪项不是常见的热处理方法?B. 正火C. 淬火D. 冷拔答案:D10. 在材料成型中,下列哪项不是影响成型件表面质量的因素?A. 模具表面粗糙度B. 成型温度C. 材料流动性D. 成型后的抛光答案:D二、多项选择题(每题3分,共15分)1. 材料成型中,影响成型件尺寸精度的因素包括哪些?A. 模具设计B. 成型温度C. 材料性质D. 成型压力答案:A, B, C, D2. 塑料成型中,下列哪些是常见的成型方法?A. 注射成型B. 吹塑成型C. 热压成型D. 挤出成型答案:A, B, D3. 金属材料的锻造成型中,常用的锻造方法包括哪些?A. 热锻B. 冷锻D. 锻造答案:A, B, C4. 玻璃成型中,下列哪些是常见的成型方法?A. 吹制法B. 压制法C. 拉丝法D. 浇铸法答案:A, B, D5. 陶瓷材料成型中,下列哪些是常用的成型方法?A. 干压成型B. 注浆成型C. 挤出成型D. 热压成型答案:A, B, C三、判断题(每题2分,共10分)1. 材料成型过程中,成型温度对成型质量没有影响。
材料成形技术基础一、判断题(本大题共100分,共 40 小题,每小题 2.5 分)1. 铸造的实质使液态金属在铸型中凝固成形。
( )。
2. 铸钢可以用来进行锻压加工。
( )3. 凝固温度范围大的合金,铸造时铸件中易产生缩松。
( )4. 随钢中含碳量增加,其可焊性变差。
( )5. 冲床的一次冲程中,在模具同一部位上同时完成数道冲压工序的模具,是连续模。
( )6. 特种铸造主要用于生产大型铸件。
( )7. 根据钎料熔点的不同,钎焊可分为硬钎焊、软钎焊两类。
( )8. 电阻焊分为点焊、缝焊、对焊三种型式。
( )9. 用离心铸造法生产空心旋转体铸件时,不需用型芯。
( )10. 提高浇注温度有利于获得形状完整、轮廓清晰的铸件,因此浇注温度越高越好。
( )11. 铸铁的焊补方法分为热焊法和冷焊法二种。
( )12. 液态金属在金属铸型中的流动性比在砂铸型中好。
( )13. 冲床的一次行程中,在模具不同部位上同时完成数道冲压工序的模具,是复合模( )14. 合理选择焊接顺序,可减少焊接应力的产生。
选择的主要原则是应尽量使焊缝自由收缩而不受较大的拘束。
( )15. 焊接构件中,用得最多的接头型式是对接。
( )16. 手工锻造适应于单件小批和大型锻件的生产。
( )17. 铸件的形状与结构应与零件相同。
( )18. 拉深系数越小,表明拉深件直径越小,变形程度越小。
( )19. 自由锻是巨型锻件成形的唯一方法。
( )20. 圆角是铸件结构的基本特征。
( )21. 用冲模沿封闭轮廓线冲切板料,冲下来的部分为成品,这种冲模是落料模。
( )22. 锻造加热时,时间越长越好。
( )23. 冲压零件在弯曲时,变形主要集中在圆角部分。
( )24. 金属型铸造适合于大批大量生产形状复杂的黑色金属铸件。
( )25. 某厂需生产8000件外径12mm、内径6.5mm的垫圈,采用连续冲模比简单冲模好。
( )26. 残余应力,可采用人工时效、自然时效或振动时效等方法消除。
材料成形技术基础复习题一、选择题1.铸造中,设置冒口的目的是()。
a. 改善冷却条件b. 排出型腔中的空气c. 减少砂型用量d. 有效地补充收缩2.铸造时不需要使用型芯而能获得圆筒形铸件的铸造方法是( )。
a. 砂型铸造b. 离心铸造c. 熔模铸造d. 压力铸造3.车间使用的划线平板,工作表面要求组织致密均匀,不允许有铸造缺陷。
其铸件的浇注位置应使工作面()。
a. 朝上b. 朝下c. 位于侧面d. 倾斜4.铸件产生缩松、缩孔的根本原因()。
a. 固态收缩b. 液体收缩c. 凝固收缩d. 液体收缩和凝固收缩5.为提高铸件的流动性,在下列铁碳合金中应选用()。
a. C=3.5%b. C=3.8%c. C=4.0%d. C=4.7%6.下列合金中,锻造性能最好的是(),最差的是()。
a.高合金钢b.铝合金c.中碳钢d.低碳钢7.大型锻件的锻造方法应该选用()。
a.自由锻b.锤上模锻c.胎膜锻8.锻造时,坯料的始锻温度以不出现()为上限;终锻温度也不宜过低,否则会出现()。
a.晶粒长大b.过热c.过烧d.加工硬化9.材料经过锻压后,能提高力学性能是因为()。
a.金属中杂质减少b.出现加工硬化c.晶粒细小,组织致密10.某厂铸钢车间15吨吊车的吊30钢铸造成型钩被损坏,需重新加工一个,其毛坯材料和制造方法应选()。
a.30钢铸造成形b.30钢锻造成形c.30钢板气割除d.QT60-2铸造成形11.设计板料弯曲模时,模具的角度等于成品角()回弹角。
a.加上b.减少c.乘以d.除以12.酸性焊条用得比较广泛的原因之一()。
a. 焊缝美观b. 焊缝抗裂性好c. 焊接工艺性好13.低碳钢焊接接头中性能最差区域()。
a. 焊缝区b. 正火区c. 部分相变区d. 过热区14.焊接应力与变形的产生,主要是因为()。
a. 材料导热性差b. 焊接时组织变化c.局部不均匀加热与冷却15.焊接热影响区,在焊接过程中是()。
a. 不可避免b. 可以避免c. 不会形成的16.灰口铁的壁越厚,其强度越低,这主要是由于()。
材料成形部分复习题一、液态成形部分(二)选择1、形状复杂,尤其是内腔特别复杂的毛坯最适合的生产方式是( B )。
A. 锻造B.铸造C. 冲压D.型材2.合金的化学成份对流动性的影响主要取决于合金的( B )A. 凝固点B.凝固温度区间C. 熔点D.过热温度3.下列因素中,能提高液态合金充型能力的是( C )。
A.采用金属型B.采用凝固温度范围宽的合金C.增加充型压力D.降低浇注温度4.下列因素中不影响合金的充型能力的因素是( A )A. 造型方法B.浇注温度C. 合金的化学成分D.铸件结构5.液态金属浇注温度过高,容易使铸件产生的缺陷是( A )A. 缩孔B. 冷隔C.浇不足D.砂眼6.铸件形成缩孔、缩孔的基本原因是由于合金的( D )A.液态收缩B.固态收缩C.凝固收缩D.液态收缩和凝固收缩7.铸造合金的液态收缩,凝固收缩大,则铸件易产生( B )A. 冷隔B.缩孔、缩松C. 浇不足D.内应力8.铸造合金的固态收缩大,则铸件易产生( B )A. 冷隔B.缩孔、缩松C. 浇不足D.应力、变形9.倾向于缩松的合金成分为( B )。
A.纯金属B.结晶温度范围宽的合金C.共晶成分D.逐层凝固的合金10.糊状凝固的铸造合金缩孔倾向虽小,但极易产生( A )。
A.缩松B. 裂纹C.粘砂D. 夹渣11.铸件如有什么样的缺陷,承受气压和液压时将会渗漏( B )A. 浇不足B.缩松C. 偏析D.粘砂12.防止铸件产生缩孔的有效措施是( A )A.设置冒口B. 采用保温铸型C. 提高浇注温度D.快速浇注13.冷铁配合冒口形成顺序凝固,能防止铸件( A )A.缩孔、缩松B. 裂纹C.变形D. 应力14.防止铸件产生缩松的有效措施是( D )A. 采用保温铸型B.提高浇注温度C. 设置冒口D.选择结晶温度范围较窄的合金15.铸件既要组织致密,又要热应力小,下列铸造合金可采用同时凝固原则来满足上述要求的是( C )。
A. 球墨铸铁B. 铸钢C.普通灰铸铁D.铝合金16.普通灰铸铁件生产时,工艺上一般采取的凝固原则是( D )。
《材料成形技术基础》考试样题答题页(本卷共10页)四、综合题(20分)1、绘制图5的铸造工艺图(6分)修2、绘制图6的自由锻件图,并按顺序选择自由锻基本工序。
(6分)自由锻基本工序:3、请修改图7--图10的焊接结构,并写出修改原因。
图7手弧焊钢板焊接结构(2分)图8手弧焊不同厚度钢板结构(2分)修改原因:修改原因:图9钢管与圆钢的电阻对焊(2分)图10管子的钎焊(2分)修改原因:修改原因:《材料成形技术基础》考试样题(本卷共10页)注:答案一律写在答题页中规定位置上,写在其它处无效。
一、判断题(16分,每空0.5分。
正确的画“O”,错误的画“×”)1.过热度相同时,结晶温度范围大的合金比结晶温度范围小的合金流动性好。
这是因为在结晶时,结晶温度范围大的合金中,尚未结晶的液态合金还有一定的流动能力。
2.采用顺序凝固原则,可以防止铸件产生缩孔缺陷,但它也增加了造型的复杂程度,并耗费许多合金液体,同时增大了铸件产生变形、裂纹的倾向。
3.HT100、HT150、HT200均为普通灰口铸铁,随着牌号的提高,C、Si含量增多,以减少片状石墨的数量,增加珠光体的数量。
4.缩孔和缩松都是铸件的缺陷,在生产中消除缩孔要比消除缩松容易。
5.铸件铸造后产生弯曲变形,其原因是铸件的壁厚不均匀,铸件在整个收缩过程中,铸件各部分冷却速度不一致,收缩不一致,形成较大的热应力所至。
6.影响铸件凝固方式的主要因素是合金的化学成分和铸件的冷却速度。
7.制定铸造工艺图时,铸件的重要表面应朝下或侧立,同时加工余量应大于其它表面。
8.铸造应力包括热应力和机械应力,铸造应力使铸件厚壁或心部受拉应力,薄壁或表层受压应力。
铸件壁厚差越大,铸造应力也越大。
9.型芯头是型芯的一个组成部分。
它不仅能使型芯定位,排气,同时还能形成铸件的内腔。
10.为了防止铸钢件产生裂纹,设计零件的结构时,尽量使壁厚均匀;在合金的化学成分上要严格限制硫和磷的含量。
11.用压力铸造方法可以生产复杂的薄壁铸件,同时铸件质量也很好。
要进一步提高铸件的机械性能,可以通过热处理的方法解决。
12.铸件大平面在浇注时应朝下放置,这样可以保证大平面的质量,防止夹砂等缺陷。
13.自由锻的工序分为辅助工序、基本工序和修整工序,实际生产中,最常用的自由锻基本工序是镦粗、拔长、冲孔和轧制等。
14.制定铸造工艺图时,选择浇注位置的主要目的是保证铸件的质量,而选择分型面的主要目的是简化造型工艺。
15.把低碳钢加热到1200℃时进行锻造,冷却后锻件内部晶粒将沿变形最大的方向被拉长并产生碎晶。
如将该锻件进行再结晶退火,便可获得细晶组织。
16.纤维组织使金属的机械性能具有方向性。
纤维组织不能用热处理方法来消除,可以用锻造的方法来改变纤维方向。
17.自由锻件的结构应尽量避免加强筋和局部凸台,原因是这种结构降低了金属的可锻性,不利于进行锻造。
18.胎模锻是在自由锻设备上使用胎模生产模锻件的压力加工方法。
主要适用于小型锻件的中、小批生产,其锻件精度和生产率高于自由锻,但低于锤上模锻。
19.板料冲压落料工序中的凸、凹模的间隙是影响冲压件剪断面质量的关键。
凸、凹模间隙越小,则冲压件毛刺越小,精度越高。
20.拉深是板料冲压的基本变形工序,拉深系数大小和材料的塑性有关,塑性越好,拉深系数可以越小;塑性不好,则只能选取较大的拉深系数。
21.板料弯曲时,变形程度的大小取决于两边夹角。
夹角越小,变形越大,变形带应力也越大。
22.冲床的一次冲程中,在模具的同一部位上同时完成数道冲压工序的模具,称为复合模。
23.焊接电弧是熔化焊最常用的一种热源。
它与气焊的氧乙炔火焰一样,都是气体燃烧现象,只是焊接电弧的温度更高,热量更加集中。
24.埋弧自动焊具有生产率高,焊接质量好,劳动条件好等优点。
因此,广范用于生产批量较大,水平位置的长、直焊缝的焊接,但它不适于薄板和短的不规则焊缝的焊接。
25.减少焊接应力的工艺措施都可以减少焊接变形。
因此,在焊接过程中可以通过减少焊接变形的工艺措施来减少焊接应力。
26.焊接重要的低合金钢结构件一般要用碱性焊条和直流焊机。
在焊接时,焊条要接焊机的正极,这种接法叫作反接法。
27.点焊和缝焊用于薄板的焊接,也可用于圆钢的对接。
但焊接过程中易产生分流现象,为了减少分流,点焊和缝焊接头型式需采用搭接。
28.“结422”是酸性焊条,“结507”是碱性焊条。
焊条牌号中的尾数表示焊条药皮的类型和焊条允许使用的电源。
29.熔化焊、压力焊、钎焊过程中,一般均需对接头进行加热,并且均需对被焊接头提供有效地保护,以防空气的有害作用。
30.摩擦焊是利用摩擦热将工件的接触处加热到塑性状态时,施加更大的顶锻压力,使两工件接合处产生塑性变形而焊在一起。
因此摩擦焊不仅可以焊接同种金属,也可以焊接异种金属,如铝-铜、铝-钢等的接头。
31.形状复杂的大型铸铁件,整体铸造有困难时,可采用铸-焊工艺,以简化制造工艺,降低工件成本。
32.焊接中碳钢时,常采用预热工艺。
预热对减小焊接应力十分有效。
同时,预热也可防止在接头上产生淬硬组织。
二、选择题(38分,每空1 分。
单向选择。
将正确答案的序号写在相应空格内)1.压力加工的操作工序中,工序名称比较多,属于自由锻工序的是(),属于板料冲压工序的是()。
A.镦粗、拔长、冲孔、弯曲; B. 拉深、弯曲、冲孔、翻边;C.镦粗、拔长、冲孔、轧制;D.拔长、镦粗、挤压、翻边。
2.加工硬化是由塑性变形时金属内部组织变化引起的,加工硬化后金属组织的变化有()。
A.晶粒沿变形方向伸长;B.滑移面和晶粒间产生碎晶;C.A和B和D;D.晶格扭曲,位错密度增加;D.A和B。
3.焊接工字梁结构,截面如图1所示。
四条长焊缝的正确焊接顺序是()。
A.a-b-c-d;B.a-c-b-d;C.a-d-b-c;D.a-d-c-b。
图1工字梁截面图4.用CO2气体保护焊的方法焊接低碳钢时,应采用()焊丝。
A.H08MnSiA;B.H08MnA;C.H08MnSi;D.H08Mn2Si。
5.某铸件在成形过程中,内部产生了气孔。
气孔的特征多为分散小圆孔,表面光亮,直径为0.5~2.0mm,或者直径更大,分布较广,有时遍及整个铸件截面,均匀分布,此种气孔是()。
A.侵入气孔;B.析出气孔;C.反应气孔;D.A和B。
6.某成分铁水浇注的铸件其牌号为HT100,若仍用该铁水浇注出牌号为HT200的铸件,应采用的措施是()。
A.孕育处理;B.降低铸件冷却速度;C.提高铸件的冷却速度;D.增加C、Si含量。
7.HTl00、KTH300-06、QT400-18的力学性能各不相同,主要原因是它们的()不同。
A.基体组织;B.碳的存在形式;C.铸造性能;D.石墨形态。
8.灰口铸铁(HT)、球墨铸铁(QT)、铸钢(ZG)三者铸造性能的优劣顺序()。
A.HT>QT>ZG;B.ZG>QT>HT;C.HT>ZG>QT;D.QT>ZG>HT。
9.砂型铸造可以生产各种合金铸件,熔模铸造适于生产(),压力铸造适于生产()。
A.可锻铸铁件;B.灰口铸铁件;C.铸钢件;D.低熔点的非铁合金铸件;E.球墨铸铁件。
10.一高度500mm,直径100mm圆柱铸件,铸造后,在其中心钻Φ30的孔,其高度方向将()。
A.伸长;B.缩短;C.不变;D.受压;E.受拉。
11.有一阶梯形铸件,用某成分铁水浇注后发现薄壁处为P+Fe3C+G组织,而厚壁处为P+G 组织。
为使铸件全部组织都为P+G组织的孕育铸铁,应()。
A.进行孕育处理;B.降低铁水C、Si含量、孕育处理;C.在厚壁处加冷铁;D.增加铁水C、Si含量、在薄壁处加冷铁。
12.结422焊条是生产中最常用的一种焊条,原因是()。
A.焊接接头质量好;B.焊缝金属含氢量少;C.焊接工艺性能好;D.焊接接头抗裂性好。
13.如图2所示A、B、C、D四种成分的铁碳合金中,铸造性能最好的合金是();锻造性能最好的合金是()。
图2简化的铁-碳相图14.平锻机上模锻所使用的锻模由三部分组成,具有两个相互垂直的分模面,因此平锻机最适于锻造()。
A.无孔盘类锻件;B.带头部杆类锻件;C.连杆类锻件;D.A和C。
15.有一批经过热模锻变形的中碳钢锻件,锻造后发现有裂纹,主要原因是()。
A.始锻温度过低;B.终锻温度过高;C.终锻温度过低;D.锻造后冷却速度过慢。
16.冲压模具结构由复杂到简单的排列顺序为()。
A、复合模-连续模-简单模;B、简单模-复合模-连续模;C、连续模-复合模-简单模;D、简单模-连续模-复合模。
17.倒车齿轮是汽车上一个重要零件,其外形如图3。
大量生产时毛坯是经锻造方法生产的,这种锻件适于在()上锻造。
A.平锻机;B.热模锻曲柄压力机;C.利用胎模在自由锻锤;D.蒸气-空气模锻锤。
图3 倒车齿轮18.曲柄压力机上模锻适合锻造()变形的锻件。
A.拔长、弯曲;B.镦粗、弯曲;C.镦粗、拔长;D.镦粗、滚压。
19.设计冲孔模具时,凹模尺寸应等于()。
A.工件孔的尺寸;B.工件外形的尺寸+2倍间隙尺寸;C.工件孔的尺寸+2倍间隙尺寸;D.工件孔的尺寸-2倍间隙尺寸。
20.厚1mm直径Φ300mm的钢板,经拉深制成外径为Φ110mm的杯形零件,由手册中查得材料的拉深系数m1=0.60,m2=0.80,m3=0.82,m4=0.85。
该零件要经过()拉深才能制成。
A.1次;B.2次;C.3次;D.4次。
21.低碳钢的焊接热影响区中,对接头性能影响最不利的是()。
A.熔合区、过热区;B.熔合区、部分相变区;C.过热区、部分相变区;D.熔合区、过热区、部分相变区。
22.对中碳钢在退火状态下进行焊接,其热影响区的组织由焊缝起应是()。
A.熔合区-过热区-正火区-部分相变区;B.熔合区-淬火区-部分淬火区-未受影响区;C.熔合区-淬火区-部分淬火区-回火区-未受影响区;D.熔合区-淬火区-部分相变区-未受影响区。
23.焊接电弧分三个区,其中温度最高的是()。
A.阳极区;B.阴极区;C.弧柱区。
24.熔化焊一般需对焊接区进行保护,点焊和缝焊时是()。
A.熔渣保护;B.气体保护;C.真空保护;D.无保护。
25.焊条牌号“结422”中,“结”表示结构钢焊条,前两位数字“42”表示()。
A.焊缝金属的σb≥420MPa;B.被焊结构钢的σb≥420MPa;C.焊缝金属的σs≥420MPa;D.焊条芯金属的σb≥420MPa。
26.埋弧自动焊比手工电弧焊的生产率高,主要原因是()。
A.焊接过程实现了自动化;B.可以采用大电流密度焊接;C.节省了更换焊条的时间;D.工人的生产劳动条件得到改善。
27.气体保护焊的焊接热影响区一般都比手工电弧焊的小,原因是()。
A.保护气体保护严密;B.焊接电流小;C.保护气体对电弧有压缩作用;D.焊接电弧热量小。