灭火器的型号及规格参考文本
- 格式:docx
- 大小:79.39 KB
- 文档页数:4
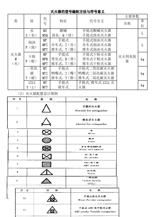
类
组
代
号
特征代号含义
主要参数
名称
单
位
灭火器
M (灭)
水
S(水)
MS
MSQ
酸碱
清水,Q(清)
手提式酸碱灭火器
手提式清水灭火器
灭火剂充装
量
L
泡沫
P(泡)
MP
MPZ
MPT
手提式
舟车式,Z(舟)
推车式,T(推)
手提式泡沫灭火器
舟车式泡沫灭火器
推车式泡沫灭火器
L
干粉
F(粉)
MF
MFB
MFT
手提式
背负式,B(背)
推车式,T(推)
手提式干粉灭火器
背负式干粉灭火器
推车式干粉灭火器
kg
二氧化
碳
T(碳)
MT
MTZ
MTT
手提式
鸭嘴式,Z(嘴)
推车式,T(推)
手提式二氧化碳灭火器
鸭嘴式二氧化碳灭火器
推车式二氧化碳灭火器
kg
1211
Y(1)
MY
MYT
手提式
推车式
手提式/推车式1211灭
火器
kg
(2)灭火器配置设计图例
灭火器适用灭火对象、规格与灭火级别
注:①O表示“适用对象”;▲表示“精密仪器设备不宜选用”;×表示“不用”。
灭火器类型适用性
②化学泡沫灭火器已淘汰;目前抗溶泡沫灭火器常用机械泡沫类型灭火器。
③D类火灾在我国目前还没有定型的灭火器产品,可采用干砂或铸铁屑末来替代。
灭火器检查内容
灭火器的维修与报废期限。
灭火器责任卡片
灭火器责任卡片是一种用于记录和管理灭火器的工具,旨在确保灭火器的正常运行和及时维护。
下面是灭火器责任卡片的标准格式文本:
1. 责任卡片编号:[编号]
2. 灭火器基本信息:
- 灭火器类型:[类型]
- 灭火器型号:[型号]
- 灭火器容量:[容量]
- 灭火器创造商:[创造商]
- 灭火器生产日期:[生产日期]
- 灭火器有效期:[有效期]
3. 灭火器所在位置:
- 地点:[地点描述]
- 房间号:[房间号]
- 安装位置:[具体位置描述]
4. 灭火器责任人信息:
- 责任人姓名:[姓名]
- 联系方式:[联系方式]
- 责任人岗位:[岗位]
5. 灭火器维护记录:
- 维护日期:[日期]
- 维护内容:[维护内容描述] - 维护人员:[维护人员姓名] - 维护结果:[维护结果描述] 6. 灭火器检查记录:
- 检查日期:[日期]
- 检查内容:[检查内容描述] - 检查人员:[检查人员姓名] - 检查结果:[检查结果描述] 7. 灭火器使用记录:
- 使用日期:[日期]
- 使用人员:[使用人员姓名] - 使用原因:[使用原因描述] - 使用结果:[使用结果描述] 8. 灭火器报废记录:
- 报废日期:[日期]
- 报废原因:[报废原因描述] - 报废人员:[报废人员姓名]
- 报废结果:[报废结果描述]
9. 其他备注:
- [备注内容]
以上是灭火器责任卡片的标准格式文本,通过填写和记录上述信息,可以实现对灭火器的全面管理和监控,确保灭火器的正常运行和安全使用。
灭火器责任卡片的使用有助于提高灭火器的维护和管理效率,保障人员和财产的安全。
原创灭火器的型号及规格引言灭火器作为一种常见的消防设备,广泛应用于家庭、办公场所、工业区等各种环境中。
不同场所对灭火器的要求各不相同,因此在市场上有很多不同型号和规格的灭火器可供选择。
本文将介绍一些原创的灭火器型号和规格,以帮助读者选择适合自己需要的灭火器。
型号一:A型灭火器A型灭火器主要用于灭除可燃物质如木材、纸张、布料等引起的火灾。
其规格如下: - 灭火剂:干粉 - 灭火器容量:2千克 - 投射距离:5米 - 使用压力:1.2MPa - 使用温度范围:-20°C ~ +55°C - 使用寿命:10年型号二:B型灭火器B型灭火器主要用于灭除可燃液体和可燃气体引起的火灾,如汽油、润滑油、天然气等。
其规格如下: - 灭火剂:干粉 - 灭火器容量:5千克 - 投射距离:6米 - 使用压力:1.5MPa - 使用温度范围:-30°C ~ +60°C - 使用寿命:12年型号三:C型灭火器C型灭火器主要用于灭除电气设备引起的火灾。
其规格如下: - 灭火剂:二氧化碳 - 灭火器容量:5千克 - 投射距离:4米 - 使用压力:1.7MPa - 使用温度范围:-20°C ~ +50°C - 使用寿命:8年型号四:D型灭火器D型灭火器主要用于灭除金属火灾,如锂、镁、钠等金属引起的火灾。
其规格如下: - 灭火剂:干粉 - 灭火器容量:2千克 - 投射距离:4米 - 使用压力:1.5MPa - 使用温度范围:-10°C ~ +60°C - 使用寿命:10年型号五:ABC型多用途灭火器ABC型多用途灭火器适用于灭除多种类型的火灾,包括可燃物质、液体、气体和电器火灾。
其规格如下: - 灭火剂:干粉 - 灭火器容量:4千克 - 投射距离:6米 - 使用压力:1.4MPa - 使用温度范围:-30°C ~ +55°C - 使用寿命:15年结论根据不同物质引起的火灾类型,我们可以选择适合的灭火器。
灭火器灭火器是由简体、器头、喷嘴等部件组成,借助驱动压力可将所充装的灭火剂喷出,达到灭火的目的。
灭火器由于结构简单、操作方便、轻便灵活、使用广泛,是扑救各类初期火灾的重要消防器材。
灭火器的种类很多,按其移动方式可分为:手提式和推车式;按驱动灭火剂的动力来源可分为:储气瓶式、储压式、化学反应式;按所充装的灭火剂划分有:泡沫灭火器、干粉灭火器、卤代烷灭火器、二氧化碳灭火器、酸碱灭火器、清水灭火器等。
我国灭火器的型号编制是由类、组、特征代号和主参数四个部分组成。
类、组、特征代号用汉语拼音字母表示具有代表性的字头。
主参数是灭火剂的充装量。
其型号编制方法见表6—2。
表6—2 各种灭火器的型号编制方法三、干粉灭火器干粉灭火器以液态二氧化碳或氮气作为动力,将灭火器内干粉灭火药剂喷出而进行灭火。
干粉灭火器适用扑救石油、可燃液体、可燃气体、可燃固体物质的初期火灾。
这种灭火器由于灭火速度快、灭火效力高,广泛应用于石油化工企业。
干粉灭火器按充入的干粉药剂分类,有碳酸氢钠干粉灭火器,也称BC干粉灭火器;磷酸铵盐干粉灭火器,也称ABC干粉灭火器;按加压方式分类有储气瓶式和储压式;按移动方式分类有手提式和推车式。
(一)手提式干粉灭火器手提式干粉灭火器按充装的干粉药剂量,有1、2、3、4、5、6、8、10kg等8种。
其型号有MF1、MF2、MF3、MF4、MF5、MF6、MFS、MFl0。
其技术性能参数如表6—6。
表6—6 手提式干粉灭火器的技术性能1.构造(1)储气瓶式干粉灭火器。
主要有简体、器盖、储气瓶、喷射装置组成。
筒体的充装干粉药剂的容器,其水压试验压力为2.4~3.0MPa,由1.2~2.0mm厚的钢板焊接制成;器盖是密封筒体的盖子,在其上部装有开启机构和喷嘴或喷射软管,下部有出粉管,出气管;储气瓶是充装二氧化碳驱动气体的容器,其设计压力为14.7~17.0MPa,水压试验压力为22.5~25.0MPa。
喷射装置由出粉管、喷射软管和喷嘴组成。
灭火器的型号编制方法与符号意义
灭火器(2)灭火器配置设计图例
灭火器适用灭火对象、规格与灭火级别
注:①O表示“适用对象”;▲表示“精密仪器设备不宜选用”;×表示“不用”。
灭火器类型适用性
注:①新型的添加了能灭B类火灾的添加剂的水型灭火器具有B 类灭火级别,可灭B类火灾。
②化学泡沫灭火器已淘汰;目前抗溶泡沫灭火器常用机械泡沫类型灭火器。
③D类火灾在我国目前还没有定型的灭火器产品,可采用干砂或铸铁屑末来替代。
灭火器检查内容
灭火器的维修与报废期限
精品
感谢下载!
欢迎您的下载,资料仅供参考
感谢下载载。
灭火器种类及分类1、二氧化碳灭火器①手提式二氧化碳灭火器详解灭火器规格型号灭火器的几大种类标记示例:规格:分为2公斤、3公斤、5公斤、7公斤4种②推车式二氧化碳灭火器灭火器的几大种类标记示例:规格:分为12(20)24kg三种。
2、干粉灭火器①手提贮压式干粉灭火器详解灭火器规格型号灭火器的几大种类标记示例:规格:分为1、2、(3)、4、5、(6)、8和10kg八种。
②推车式干粉灭火器(贮压式,充装ABC干粉灭火剂)详解灭火器规格型号灭火器的几大种类标记示例:注:充装BC干粉时省略L符号规格:分为(20)、25、35、50、70种100Kg六种。
干粉灭火剂:50%的磷酸二氢胺、25%的硫酸铵(氮气充压)3、泡沫灭火器手提式机械泡沫灭火器详解灭火器规格型号灭火器的几大种类标记示例:规格分为3L、(4L)、6L、9L四种注:1、预混型,机械泡沫灭火剂原液与清水,预先按比例混合后,一起装入灭火器内;2、分装型:机械泡沫灭火剂原液与清水,在灭火器内分别封装,在使用时两种液体才按比例混合;3、贮压式灭火器装有显示内部压力的装置(压力表)。
4、灭火剂:AFFF,是水成膜泡沫灭火剂(又叫泡沫灭火剂)的英文缩写,它的组成是碳氢表面活性剂、氟碳表面活性剂、阻燃剂和助剂(氮气充压)水基型灭火器又分为:水基型泡沫灭火器(适用于AB类火灾)、水基型喷雾灭火器(适用于ABCEF类火灾)。
(厂区不使用的灭火器):洁净气体灭火器一种是七氟丙烷灭火剂:它的灭火机理是在高温下通过灭火剂的热分解产生含氟的自由基,与燃烧反应过程中产生支链反应的氢离子、氢氧根离子、氧离子活性自由基发生气相作用,从而抑制燃烧过程中化学反应来实施灭火,灭火速度极快。
另一种是IG541,是氮气、氩气和二氧化碳以52:40:8的体积比例混合而成的一种灭火剂,它的三个组成成分均为大气基本成分。
无色无味、不导电、无腐蚀、无环保限制,在灭火过程中无任何分解物。
IG541的无毒性反应(N0AEL)浓度为52%,IG541的设计浓度一般小于40%,对人体安全。
灭火器的型号集团标准化工作小组 #Q8QGGQT-GX8G08Q8-GNQGJ8-MHHGN#类组代号特征代号含义主要参数名称单位灭火器M (灭)水S(水)MSMSQ酸碱清水,Q(清)手提式酸碱灭火器手提式清水灭火器灭火剂充装量L泡沫P(泡)MPMPZMPT手提式舟车式,Z(舟)推车式,T(推)手提式泡沫灭火器舟车式泡沫灭火器推车式泡沫灭火器L干粉F(粉)MFMFBMFT手提式背负式,B(背)推车式,T(推)手提式干粉灭火器背负式干粉灭火器推车式干粉灭火器kg二氧化碳T(碳)MTMTZMTT手提式鸭嘴式,Z(嘴)推车式,T(推)手提式二氧化碳灭火器鸭嘴式二氧化碳灭火器推车式二氧化碳灭火器kg1211Y(1)MYMYT手提式推车式手提式/推车式1211灭火器kg(2)灭火器配置设计图例灭火器适用灭火对象、规格与灭火级别灭火器类型灭火剂充装量灭火器类型规格代码(型号)灭火级别及使用对象容量/L质量/kgA类B类C类D类E类ABCE水型手提式3MS/Q31A ×××××MS/T3 55B6MS/Q61A ×MS/T6 55B9MS/Q92A ×MS/T9 89B推车式20 MST20 4A ×××××45 MST40 4A ×60 MST60 4A ×125 MST125 6A ×泡沫型(化学泡沫) 手提式3 MP3、MP/AR3 1A 55B××××4 MP4、MP/AR4 1A 55B6 MP6、MP/AR6 1A 55B9 MP9、MP/AR9 2A 89B推车式20 MPT20、MPT/AR20 4A 113B××××45 MPT40、MPT/AR40 4A 144B60 MPT60、MPT/AR60 4A 233B注:①O表示“适用对象”;▲表示“精密仪器设备不宜选用”;×表示“不用”。
干粉灭火器型号规格干粉灭火器型号规格1、手提贮压式干粉灭火器规格:分为1、2、3、4、5、6、8和10kg八种。
2、推车式干粉灭火器(贮压式,充装ABC式)规格:分为20、25、35、50、70、100kg六种。
干粉灭火器型号规格怎么看根据国家标准,灭火器型号应以汉语拼音大写字母和阿拉伯数字标于筒体。
例如,“mfl2”指的是2kg ABC干粉灭火器。
第一个字代表便携式灭火器。
第二个字母代表灭火剂的种类(F为干粉灭火剂,即BC干粉,T为二氧化碳灭火剂,Y 为卤代烷烃灭火剂,P为泡沫灭火剂,SQ为水灭火剂),后面的阿拉伯数字代表灭火剂的重量或体积,一般单位为每千万元或升。
在我国,通常根据灭火剂的种类、灭火器的重量、加压方式三种分类方法进行分类。
干粉灭火器如何使用1、使用前,检查灭火器的压力是否在正常工作压力范围内。
2、将灭火器的指针置于绿色区域。
灭火器的压力表分为三个颜色区域。
黄色表示压力充足,绿色表示压力正常,红色表示压力有压力。
3、将灭火器抬到远离火源的适当位置,倒置数次,使筒内的干粉松散。
4、然后将喷嘴对准燃烧最剧烈的地方,拉出安全销并按下手柄。
5、打开灭火器时,左手握住灭火器中部,将喷嘴对准火焰根部,右手拔掉保险卡,旋转开启旋钮,打开气瓶,1-4秒干粉就会喷出。
使用干粉灭火器有哪些注意事项1、首先使用干粉灭火器时,要定期检查它的压力,正常情况下,压力位于绿色区域是正常的,反之如果压力在黄色或红色区域都属于不正常,说明压力过大或过小,都会影响灭火器的正常使用,要及时维修的。
此外灭火器的有效期为1至2年,过期就需要更换。
2、其次干粉灭火器要放在干燥的地方,不能离火源或热源很近,否则易产生爆炸危险。
而且灭火器每次使用后,需要送到维修单位检查,进行充装或维修。
3、接着灭火器不管是使用过还是未开封的,只要超过有效期,就需要送到相关单位进行检测压力。
其中手提式和推车式干粉灭火器只要满了一年就要重新做试压检测了。
灭火器规格型号一、引言灭火器作为火灾应急处理的重要设备之一,具有防止火灾蔓延和减轻火灾损失的重要作用。
根据不同的灭火对象和使用环境,灭火器的规格型号也存在多样性。
本文将介绍一些常见的灭火器规格型号,以帮助读者更好地理解和选择合适的灭火器。
二、常见灭火器规格型号1. 干粉灭火器干粉灭火器是一种广泛应用的灭火器类型,其规格型号主要根据装置内干粉的质量来区分。
常见的干粉灭火器规格型号有1kg、2kg、4kg、6kg和9kg等。
根据实际需要,用户可以选择合适的规格型号来进行灭火工作。
2. CO2灭火器CO2灭火器是一种适用于电器设备和液体火灾的灭火器类型,其规格型号主要根据装置内CO2的质量来区分。
常见的CO2灭火器规格型号有2kg、3kg、5kg和7kg等。
CO2灭火器具有不导电、不留残留物等特点,适用于电气设备和精密仪器等场所。
3. 泡沫灭火器泡沫灭火器是一种适用于可燃液体火灾的灭火器类型,其规格型号主要根据装置内灭火泡沫可形成的时长来区分。
常见的泡沫灭火器规格型号有6L、9L、12L和18L等。
泡沫灭火器具有灭火速度快、将液体隔离并抑制蒸气等优点,适用于油库、加油站等场所。
4. 柴油灭火器柴油灭火器是一种适用于汽车、发电机等柴油设备火灾的灭火器类型,其规格型号主要根据装置内灭火剂的质量来区分。
常见的柴油灭火器规格型号有2kg、4kg、6kg和9kg等。
柴油灭火器具有灭火速度快、使用方便的特点,适用于柴油设备所涉及的各种场所。
5. 水喷雾灭火器水喷雾灭火器是一种适用于多种类型火灾的灭火器类型,其规格型号主要根据装置内水喷雾形成的喷射时间来区分。
常见的水喷雾灭火器规格型号有2L、5L、10L和20L等。
水喷雾灭火器具有灭火效果好、使用安全的特点,适用于各种场所和物品的火灾。
三、选择合适的灭火器规格型号选择合适的灭火器规格型号需要综合考虑以下几个因素:1. 灭火对象:首先要明确灭火对象是什么,是固体物质、液体物质还是气体物质。
建筑灭火器配置类型、规格和灭级别对照表考友们需要牢记下表有关ABC手提灭火器充装量与灭火级别对照表:某综合商场地上3层,每层的平面尺寸为45m×20m,耐火等级为一级,建筑内设有室内消火栓和自动喷水灭火系统,该商场每层作为一个计算单元,请给出该建筑的每层设置磷酸铵盐手提式灭火器的合理配置方案。
分析提示:灭火器配置计算可按下述程序进行:1.确定各灭火器配置场所的火灾种类和危险等级。
2.划分计算单元,计算各计算单元的保护面积。
3.计算各计算单元的最小需配灭火级别。
4.确定各计算单元中的灭火器设置点的位置和数量。
5.计算每个灭火器设置点的最小需配灭火级别。
6.确定每个设置点灭火器的类型、规格与数量。
1、确定各灭火器配置场所的火灾种类和危险等级根据《建筑灭火器配置设计规范》(GB50140-2005)3.1.2,商场主要的火灾种类为A类火灾;根据附录D,该综合商场建筑灭火器配置的危险等级为中危险级。
2、划分计算单元,计算各计算单元的保护面积根据《建筑灭火器配置设计规范》(GB50140-2005)7.2.1,灭火器配置设计的计算单元应按下列规定划分:1)当一个楼层或一个水平防火分区内各场所的危险等级和火灾种类相同时,可将其作为一个计算单元。
2)当一个楼层或一个水平防火分区内各场所的危险等级和火灾种类不相同时,应将其分别作为不同的计算单元。
3)同一计算单元不得跨越防火分区和楼层。
根据《建筑灭火器配置设计规范》(GB50140-2005)7.2.2,计算单元保护面积的确定应符合下列规定:1)建筑物应按其建筑面积确定。
2)可燃物露天堆场,甲、乙、丙类液体储罐区,可燃气体储罐区应按堆垛、储罐的占地面积确定。
该综合商场的面积为45×20=900㎡,即计算单元的保护面积S=900m²。
3、计算各计算单元的最小需配灭火级别根据《建筑灭火器配置设计规范》(GB50140-2005)表6.2.1和6.2.4,危险等级为中危险级的场所,单具灭火器最小配置灭火级别为2A,单位灭火级别最大保护面积为75m²/A,即U=75m²/A。
辽宁灭火器规格一、产品概述灭火器是一种用于灭火的装置,它主要由压力容器、气嘴、喷嘴、喷嘴保险、灭火剂等组成。
灭火器广泛应用于各种场合,如家庭、学校、医院、商场、工厂等,是一种重要的灭火设备。
本规格书主要介绍辽宁灭火器的规格,包括灭火器的种类、型号、规格参数、技术指标、使用说明、注意事项等内容,旨在为用户提供详尽、全面、准确的信息。
二、种类和型号1. 种类辽宁灭火器主要分为以下几种:(1)干粉灭火器(2)二氧化碳灭火器(3)泡沫灭火器(4)水基灭火器(5)液化气灭火器2. 型号辽宁灭火器的型号如下:(1)干粉灭火器:ABC-1KG、ABC-2KG、ABC-4KG、ABC-6KG、ABC-9KG(2)二氧化碳灭火器:CO2-2KG、CO2-3KG、CO2-5KG、CO2-7KG、CO2-9KG(3)泡沫灭火器:AFF-3L、AFF-6L、AFF-9L、AFF-12L(4)水基灭火器:WATER-6L、WATER-9L、WATER-12L(5)液化气灭火器:LPG-2KG、LPG-3KG、LPG-5KG、LPG-7KG、LPG-9KG三、规格参数1. 干粉灭火器(1)容量:1KG、2KG、4KG、6KG、9KG(2)灭火剂:ABC干粉(3)作用距离:1-3米(4)工作压力:14bar(5)喷射时间:≥8s(1KG)、≥10s(2KG)、≥12s(4KG)、≥14s(6KG)、≥16s(9KG)(6)外观尺寸:φ90*285mm(1KG)、φ110*350mm(2KG)、φ130*420mm(4KG)、φ160*470mm(6KG)、φ180*565mm (9KG)(7)重量:1.4kg(1KG)、2.6kg(2KG)、4.8kg(4KG)、7.0kg(6KG)、10.5kg(9KG)2. 二氧化碳灭火器(1)容量:2KG、3KG、5KG、7KG、9KG(2)灭火剂:CO2(3)作用距离:2-4米(4)工作压力:17bar(5)喷射时间:≥10s(2KG)、≥12s(3KG)、≥15s(5KG)、≥20s(7KG)、≥25s(9KG)(6)外观尺寸:φ117*450mm(2KG)、φ130*590mm(3KG)、φ152*685mm(5KG)、φ152*935mm(7KG)、φ152*1145mm (9KG)(7)重量:5.0kg(2KG)、7.5kg(3KG)、13.0kg(5KG)、18.0kg(7KG)、22.0kg(9KG)3. 泡沫灭火器(1)容量:3L、6L、9L、12L(2)灭火剂:AFF泡沫(3)作用距离:2-4米(4)工作压力:14bar(5)喷射时间:≥15s(3L)、≥20s(6L)、≥25s(9L)、≥30s (12L)(6)外观尺寸:φ130*390mm(3L)、φ160*470mm(6L)、φ180*525mm(9L)、φ180*680mm(12L)(7)重量:4.5kg(3L)、8.5kg(6L)、12.5kg(9L)、16.5kg(12L)4. 水基灭火器(1)容量:6L、9L、12L(2)灭火剂:水(3)作用距离:2-4米(4)工作压力:14bar(5)喷射时间:≥25s(6L)、≥30s(9L)、≥35s(12L)(6)外观尺寸:φ160*510mm(6L)、φ180*590mm(9L)、φ180*750mm(12L)(7)重量:5.8kg(6L)、8.8kg(9L)、11.8kg(12L)5. 液化气灭火器(1)容量:2KG、3KG、5KG、7KG、9KG(2)灭火剂:液化气(3)作用距离:2-4米(4)工作压力:14bar(5)喷射时间:≥10s(2KG)、≥12s(3KG)、≥15s(5KG)、≥20s(7KG)、≥25s(9KG)(6)外观尺寸:φ117*410mm(2KG)、φ130*530mm(3KG)、φ152*620mm(5KG)、φ152*865mm(7KG)、φ152*1070mm (9KG)(7)重量:5.5kg(2KG)、8.5kg(3KG)、14.0kg(5KG)、20.0kg(7KG)、24.0kg(9KG)四、技术指标1. 灭火剂成分:灭火剂应符合国家标准。
MT/3型手提式二氧化碳灭火器一、型式认可型号:0731********ROM 执行标准:GB4351.1-2005二、适用范围A.普通固体材料火B.可燃液体火C.气体和蒸气火D.带电物质火三、使用方法1、拔出保险销2、按下手把,对准火源进行覆盖灭火。
四、主要性能1、灭火级别:21B2、灭火剂:CO23、充装量(Kg):3±0.154、使用温度:-10℃~+55℃5、灭火剂水含量:≤0.015%(w/w)6、水压试验压力:25.5MPa五、注要事项1、灭火器应放置在干噪、无腐蚀性场所,且不得火烤曝晒和碰撞。
2、灭火器贮存温度:-10℃~+45℃3、每半年定期检查灭火器重量,灭火剂减少额定充装量的5%后,应重新充装。
4、期满五年后,每隔两年及每次再充装前应对受压部件进行水压试验,同时测定残余变率,其值不小于6%,并在筒体局部用钢印打上试验年、月和试验单位代号。
警告:一经开启,即使喷出不多,也必须重新充装。
推车式干粉灭火器一、认可型号:0731********ROM 执行标准:GB8109-2005二、灭火种类A.普通固体材料火B.可燃液体火C.气体和蒸气火D.带电物质火三、使用方法1、拔出保险销,舒展胶管,握紧喷射枪。
2、打开喷射枪,提起开关,对准火焰根部,由远及近灭火。
四、主要性能1、灭火级别:6A 233B2、主要成份:50%磷酸二氢铵、25%硫酸钡3、灭火剂充装量:35±0.7Kg4、灭火剂种类:ABC干粉灭火剂5、使用温度:-20℃~+55℃6、灭火剂绝缘特性:≤5.00kv。
7、驱动气体名称及充装压力:N2 1.2MPa(20℃)五、注要事项随时检查压力表指针,若低于绿区,必须检修;一经使用,应立即再充装,每次再充装应重新进行水压试验。
灭火器维修必须到专业维修单位进行。
贮存时,避免日光曝晒和强辐射热。
警告:一经开启,即使喷出不多,也必须重新充装。
灭火器种类及型号
灭火器种类及分类
二氧化碳灭火器
手提式二氧化碳灭火器规格分为2公斤、3公斤、5公斤和7公斤四种。
推车式二氧化碳灭火器规格分为12(20)kg 和24kg两种。
干粉灭火器
手提贮压式干粉灭火器规格分为1、2、(3)、4、5、(6)、8和10kg八种。
推车式干粉灭火器(贮压式,充装ABC干粉灭火剂)规格分为(20)、25、35、50、70和100Kg六种。
干粉灭火剂的组成为50%的磷酸二氢胺和25%的硫酸铵(氮气充压)。
泡沫灭火器
手提式机械泡沫灭火器规格分为3L、(4L)、6L和9L
四种。
机械泡沫灭火器分为预混型和分装型,贮压式灭火器装有显示内部压力的装置(压力表)。
灭火剂为AFFF,适用于AB类火灾。
水基型灭火器分为水基型泡沫灭火器(适用于
AB类火灾)和水基型喷雾灭火器(适用于ABCEF类火灾)。
洁净气体灭火器
洁净气体灭火器分为两种。
一种是七氟丙烷灭火剂,其灭火机理是在高温下通过灭火剂的热分解产生含氟的自由基,与燃烧反应过程中产生支链反应的氢离子、氢氧根离子、氧离子活性自由基发生气相作用,从而抑制燃烧过程中化学反应来实施灭火,灭火速度极快。
另一种是IG541,是氮气、氩气和二
氧化碳以52:40:8的体积比例混合而成的一种灭火剂,无毒性反应浓度为52%,设计浓度一般小于40%,对人体安全。
灭火器的型号及规格参考
文本
In The Actual Work Production Management, In Order To Ensure The Smooth Progress Of The Process, And Consider The Relationship Between Each Link, The Specific Requirements Of Each
Link To Achieve Risk Control And Planning
某某管理中心
XX年XX月
灭火器的型号及规格参考文本
使用指引:此安全管理资料应用在实际工作生产管理中为了保障过程顺利推进,同时考虑各个环节之间的关系,每个环节实现的具体要求而进行的风险控制与规划,并将危害降低到最小,文档经过下载可进行自定义修改,请根据实际需求进行调整与使用。
1、二氧化碳灭火器
①手提式二氧化碳灭火器
标记示例:
规格:分为2公斤、3公斤、5公斤、7公斤4种
②推车式二氧化碳灭火器
标记示例:
规格:分为12(20)24kg三种。
2、干粉灭火器
①手提贮压式干粉灭火器
标记示例:
规格:分为1、2、(3)、4、5、(6)、8和10kg 八种。
②推车式干粉灭火器(贮压式,充装ABC干粉灭火剂)
标记示例:
注:充装BC干粉时省略L符号
规格:分为(20)、25、35、50、70种100Kg六种。
3、泡沫灭火器
①手提式机械泡沫灭火器
标记示例:
规格分为3L、(4L)、6L、9L四种
注:㈠预混型,机械泡沫灭火剂原液与清水,预先按比例混合后,一起装入灭火器内。
㈡分装型:机械泡沫灭火剂原液与清水,在灭火器内分别封装,在使用时两种液体才按比例混合
㈢贮压式灭火器装有显示内部压力的装置(压力表)
②推车式化学泡沫灭火器(略)
请在此位置输入品牌名/标语/slogan
Please Enter The Brand Name / Slogan / Slogan In This Position, Such As Foonsion。