ERP物料编码规则(自行编写)
- 格式:doc
- 大小:150.00 KB
- 文档页数:8
ERP物料分类及编码规则文件一、物料分类规则物料分类是对企业所有物料进行区分、归类、编码的过程,其目的是为了方便物料管理、库存管理和采购管理。
下面是一个常见的物料分类规则:1.材料类型根据物料的原材料种类进行分类,例如:-五金类:如螺丝、螺帽、螺钉等;-塑料类:如塑料板、塑料管等;-电子元器件类:如电阻、电容、二极管等。
2.功能类型根据物料的使用功能进行分类,例如:-原材料:未经加工或半成品的物料;-零配件:用于组装成最终产品的物料;-附件:用于辅助产品或设备工作的物料。
3.应用范围根据物料的应用范围进行分类,例如:-机械类:如发动机、减速器等;-电子类:如手机、电视等;-化工类:如染料、涂料等。
二、物料编码规则物料编码是为了方便对物料进行唯一标识和管理而设立的编码系统,下面是一个常见的物料编码规则:1.编码长度物料编码长度根据企业的实际需求而定,通常为8位、10位或12位。
2.分类编码将物料分类进行编码,以便更好地对物料进行管理和查询。
分类编码可以采用层级结构,例如采用树形结构进行编码。
3.属性编码根据物料的特性进行编码,例如:-物料材质:0代表金属,1代表塑料,2代表陶瓷等;-物料尺寸:根据不同物料的尺寸特点进行编码,如长度、宽度、高度等;-物料颜色:根据不同物料的颜色特点进行编码,如红色、蓝色、黑色等。
4.流水号编码为了确保物料编码的唯一性,可以在编码中加入流水号,以表示同一分类下的不同物料。
5.附加编码为了更好地对物料进行管理和查询,可以根据实际需要添加一些附加编码,例如生产日期、供应商代码等。
三、物料编码示例根据上述规则,以下是一个示例物料编码:分类编码:1001(表示五金类)属性编码:-材质:0(金属)- 尺寸:0805(长度为8cm,宽度为5cm)-颜色:01(红色)流水号编码:001(不同物料的唯一标识)附加编码:-供应商代码:10(代表供应商A)综上所述,ERP物料分类及编码规则文件对于企业的物料管理、库存管理和采购管理非常重要。
确保各类原材料、半成品、成品能被迅速、正确的识别,防止误用、错用,同时留下记录以便品质事件发生的追溯。
2.范围适用于本公司各种原材料、半成品、成品有效的标识和有效的管理,并适应文件档案以利品质文件处理时能彻底追溯鉴别产品。
定义成品:可以直接发市场销售(直接销售给乐彩客户)。
组件:需要进行重新组装或加工的料件。
.资历及培训要求简单、实用;唯一性;统一性;内容料件编码表示法用数字1-9表示;用“0-999”表示中类;用捌位(8位)数字表示X XXX XXXX第阶分类用3个字段,表示、部件的流水号。
第一阶分类用2个字段,表示物料的中类别。
第一阶分类用1个字段,表示物料的大类别。
物料的大的编码分类说明:物料的大类别定义为:成品、半成品、原材料、辅料、包装材料、工装/夹具、客供件、设备,共计8大类。
成品第一阶类别表示法: 1 * ** ****成品第二阶大类的划分成品成品4位流水号成品(产品行业类)成品(行业)成品(大类别)成品的第二阶类别划分如下: 成品编码成品(行业类)成品(大行业类别)成品(大类别)成品的行业类划分如下(家电):成品的行业类划分如下(汽车配件行业):半成品第一阶类别表示法: 2 *** **** 半成品半成品编码 2 *** ****四位流水号***(工艺)中类别半成品(大类别).半成品的中类按“工艺”划分如下: 原材料第一阶类别表示法: 3 *** **** 原材料原材料编码 3 *** **** 四位流水号 成品(中类别)成品(大类别).原材的中类按“料型”划分如下:辅料 4 *** **** 辅料消耗性物料编码 4 *** ******** (4位流水号)辅料(中类) 辅料(大类别)辅料中类划分如下:包装材料第一阶类别表示法: 5 *** ****包装材料编码 5 *** ******** (4位流水号)包装材料(中类)包装材料(大类别)包装材料中类划分如下: 模具、工装第一阶类别表示法:6 *** **** 模具、工装模具、工装编码 6 *** ******** (4位流水号)模具、工装(中类)模具、工装(大类别)包装材料中类划分如下:客供件第一阶类别表示法: 7 *** ****客供件客供件 7 *** ******** (4位流水号)客供件(中类) 客供件(大类别)客供件中类划分如下:设备类8 *** ****设备类设备类 8 *** ******** (4位流水号)设备类(中类) 设备类(大类别)设备类中类划分如下: 5.11 ERP 物料编码的清理与过期编码的再使用规定:每年12月份由PMC 集中对ERP 系统原物料、成品、半成品的编码进行整理,对不使用的编码申请停用,由系统管理员在年底系统结转集中处理;(每年一次).2过期编码的再使用:当有新物料增加编码时由工程文员根据停用清单选择编码,并留下历史记录。
1.目的确保各类原材料、半成品、成品能被迅速、正确的识别,防止误用、错用,同时留下记录以便品质事件发生的追溯。
2.范围适用于本公司各种原材料、半成品、成品有效的标识和有效的管理,并适应文件档案以利品质文件处理时能彻底追溯鉴别产品。
3.0 定义3.1成品:可以直接发市场销售(直接销售给乐彩客户)。
3.2组件:需要进行重新组装或加工的料件。
4.0.资历及培训要求4.1 简单、实用;4.2 唯一性;4.3 统一性;5.0 内容5.1 料件编码表示法5.1.1 用数字1-9表示;5.1.2 用“0-999”表示中类;5.1.3 用捌位(8位)数字表示X XXX XXXX第阶分类用3个字段,表示、部件的流水号。
第一阶分类用2个字段,表示物料的中类别。
第一阶分类用1个字段,表示物料的大类别。
5.2物料的大的编码分类说明:5.2.1物料的大类别定义为:成品、半成品、原材料、辅料、包装材料、工装/夹具、客供件、设备,共计8大类。
代码中文描述代码中文描述1 成品 6 工装/夹具2 半成品7 客供件3 原材料8 设备4 辅料9 未定义5 包装材料0 未定义5.3 成品第一阶类别表示法: 1 * ** ****5.3.1 成品第二阶大类的划分成品编码 1 * ** ****成品4位流水号成品(产品行业类)成品(行业)成品(大类别)5.3.1.1 成品的第二阶类别划分如下:代码中文描述代码中文描述代码中文描述1 家电行业 6 身体护理类2 汽车配件行业7 未定义3 化妆品行业8 未定义4 灯具类9 未定义5 电子电器类0 未定义5.3.2 成品第三阶小类的划分成品编码 1 1 01 ****四位流水号成品(行业类)成品(大行业类别)成品(大类别)5.3.2.1成品的行业类划分如下(家电):代码中文描述代码中文描述代码中文描述01 电水壶07 咖啡机13 未定义02 电饭煲08 环电厨柜14 未定义03 电压力锅09 水处理15 未定义04 料理机10 16 未定义05 豆浆机11 9906 多士炉125.3.2.2成品的行业类划分如下(汽车配件行业):代码中文描述代码中文描述代码中文描述01 汽车内饰件07 13 未定义02 汽车外饰件08 14 未定义03 09 15 未定义04 10 16 未定义05 11 9906 125.4 半成品第一阶类别表示法: 2 *** ****5.4.1 半成品第二阶按工艺分类:半成品编码 2 *** ****四位流水号***(工艺)中类别半成品(大类别)5.4.1.1半成品的中类按“工艺”划分如下:代码中文描述代码中文描述代码中文描述001 注塑004 印刷007 组装002 真空电镀005 烫金………003 喷涂006 镭雕9995.5 原材料第一阶类别表示法: 3 *** ****5.5.1 原材料第二阶大类的划分:原材料编码 3 *** ****四位流水号成品(中类别)成品(大类别)5.5.1.1原材的中类按“料型”划分如下:代码中文描述代码中文描述代码中文描述001 ABS 006 色粉011 五金类002 ABS+PC 007 色母012003 PC 008 热固化013004 PP 009 光固化*** ……005 PA6(尼龙)010 溶剂类9995.6 辅料第一阶类别表示法: 4 *** ****5.6.1辅料第二阶中类的划分:消耗性物料编码 4 *** ******** (4位流水号)辅料(中类)辅料(大类别)5.6.1.1辅料中类划分如下:代码中文描述代码中文描述代码中文描述001 劳保用品类005 胶带类009002 化学品类(清洗)006 维修配件类010003 丝印油墨007 未定义***004 能源类008 未定义9995.7 包装材料第一阶类别表示法: 5 *** ****5.7.1包装材料第二阶中类的划分:包装材料编码 5 *** ******** (4位流水号)包装材料(中类)包装材料(大类别)5.7.1.1包装材料中类划分如下:代码中文描述代码中文描述代码中文描述001 气泡袋005 隔板类009002 纸箱006 印刷品类010003 PE袋007 库存性办公品***004 胶框008 9995.8 模具、工装第一阶类别表示法: 6 *** ****5.8.1模具、工装第二阶中类的划分:模具、工装编码 6 *** ******** (4位流水号)模具、工装(中类)模具、工装(大类别)5.8.1.1包装材料中类划分如下:代码中文描述代码中文描述代码中文描述001 塑料模具005 检具009002 五金模具006 夹具010003 压铸模具007 ***004 工装008 9995.9 客供件第一阶类别表示法: 7 *** ****5.9.1客供件第二阶中类的划分:客供件 7 *** ******** (4位流水号)客供件(中类)客供件(大类别)5.9.1.1客供件中类划分如下:代码中文描述代码中文描述代码中文描述001 005 009002 006 010003 007 ***004 008 9995.10 设备类一阶类别表示法: 8 *** ****5.10.1设备类第二阶中类的划分:设备类 8 *** ******** (4位流水号)设备类(中类)设备类(大类别)5.10.1.1设备类中类划分如下:代码中文描述代码中文描述代码中文描述001 生产设备005 009002 实验设备006 010003 007 ***004 008 9995.11 ERP物料编码的清理与过期编码的再使用规定:5.11.1 每年12月份由PMC集中对ERP系统原物料、成品、半成品的编码进行整理,对不使用的编码申请停用,由系统管理员在年底系统结转集中处理;(每年一次)5.11.2过期编码的再使用:当有新物料增加编码时由工程文员根据停用清单选择编码,并留下历史记录。
ERP系统物料编码原则1. 概述ERP系统是企业资源计划(Enterprise Resource Planning)的缩写,是一种综合管理企业各个方面的信息系统。
在ERP系统中,物料编码是对企业物料进行识别和分类的重要手段之一。
物料编码的设计原则直接影响到企业物料管理的准确性和高效性。
本文将介绍ERP系统物料编码的原则和建议。
2. 唯一性原则物料编码必须具有唯一性,即每个物料都应该有一个独一无二的编码。
唯一性原则可以避免物料信息混淆,方便系统进行准确的数据处理和查询。
物料编码的唯一性可以通过以下几种方式实现:•序列号:使用逐次递增的编号作为物料编码,例如M0001、M0002等。
这种方法简单直观,但在物料数量庞大时可能会导致编码长度过长。
•层次结构:根据物料的分类和层次关系对物料进行编码,例如使用商品分类码、产品线码和子类编码的组合。
这种方法有助于快速定位和识别物料,但需要对物料的分类结构进行合理设计。
•符号组合:使用字母、数字和符号的组合作为物料编码,通过不同符号的组合可以表达不同的物料属性或特征。
这种方法可以提供更丰富的信息,但编码复杂度较高。
3. 可读性原则物料编码应具有良好的可读性,方便用户快速理解和识别。
可读性原则可以通过以下几种方式实现:•语义化编码:将物料编码中的数字、字母和符号组合成有意义的词语或短语,例如使用MKT表示市场、SALES表示销售等。
这种方法可以提高用户对物料编码的理解和记忆。
•一致性编码:物料编码的格式和规范应保持一致,避免出现混乱的编码规则。
例如,可以规定使用大写字母表示一级分类,数字表示二级分类,小写字母表示三级分类等等。
这种方法有助于用户快速识别物料编码的层次和属性。
•长度控制:物料编码的长度不宜过长,一般应控制在一定范围内,方便用户输入和使用。
过长的编码容易误输入或导致编码冗余。
4. 可扩展性原则ERP系统的物料编码应具有一定的可扩展性,方便企业根据业务变化和需求变化进行物料编码的调整和扩展。
1.目的确保各类原材料、半成品、成品能被迅速、正确的识别,防止误用、错用,同时留下记录以便品质事件发生的追溯。
2.范围适用于本公司各种原材料、半成品、成品有效的标识和有效的管理,并适应文件档案以利品质文件处理时能彻底追溯鉴别产品。
3.0 定义3.1成品:可以直接发市场销售(直接销售给乐彩客户)。
3.2组件:需要进行重新组装或加工的料件。
4.0.资历及培训要求4.1 简单、实用;4.2 唯一性;4.3 统一性;5.0 内容5.1 料件编码表示法5.1.1 用数字1-9表示;5.1.2 用“0-999”表示中类;5.1.3 用捌位(8位)数字表示第阶分类用3个字段,表示、部件的流水号。
2个字段,表示物料的中类别。
第一阶分类用1个字段,表示物料的大类别。
5.2物料的大的编码分类说明:5.2.1物料的大类别定义为:成品、半成品、原材料、辅料、包装材料、工装/夹具、客供件、设备,共计8大类。
5.3 成品第一阶类别表示法: 1 * ** ****5.3.1 成品第二阶大类的划分成品编码 1 * ** ****成品4位流水号成品(产品行业类)成品(行业)成品(大类别)5.3.1.1 成品的第二阶类别划分如下:成品编码四位流水号成品(行业类)成品(大行业类别)成品(大类别)5.3.2.1成品的行业类划分如下(家电):5.3.2.2成品的行业类划分如下(汽车配件行业):5.4 第一阶类别表示法: 2 *** ****5.4.1 第二阶按工艺分类:半成品编码 2 *** ****四位流水号(工艺)中类别成品(大类别)5.4.1.1半成品的中类按“工艺”划分如下:5.5 第一阶类别表示法: 3 *** ****5.5.1 原材料原材料编码四位流水号成品(中类别)成品(大类别)5.5.1.1原材的中类按“料型”划分如下:5.6 第一阶类别表示法: 4 *** ****5.6.1辅料消耗性物料编码(4位流水号)辅料(中类)辅料(大类别)5.6.1.1辅料中类划分如下:5.7 第一阶类别表示法: 5 *** ****5.7.1包装材料包装材料编码(4位流水号)包装材料(中类)包装材料(大类别)5.7.1.1包装材料中类划分如下:5.8 第一阶类别表示法:6 *** ****5.8.1模具、工装第二阶中类的划分:模具、工装编码(4位流水号)模具、工装(中类)模具、工装(大类别)5.8.1.1包装材料中类划分如下:5.9 第一阶类别表示法: 7 *** ****5.9.1客供件客供件(4位流水号)客供件(中类)客供件(大类别)5.9.1.1客供件中类划分如下:5.10 一阶类别表示法: 8 *** ****5.10.1设备类第二阶中类的划分:设备类**** (4位流水号)设备类(中类)设备类(大类别)5.10.1.1设备类中类划分如下:5.11 ERP物料编码的清理与过期编码的再使用规定:5.11.1 每年12月份由PMC集中对ERP系统原物料、成品、半成品的编码进行整理,对不使用的编码申请停用,由系统管理员在年底系统结转集中处理;(每年一次)5.11.2过期编码的再使用:当有新物料增加编码时由工程文员根据停用清单选择编码,并留下历史记录。
ERP(成品)编码修订方案一目的:为了适应公司网络化的发展,使物料分类、编码标准统一,使ERP管理软件的实施运用有一个必备的基础,特制定此物料编码规则。
二适用范围及定义:适用于公司所有产品, 所包含如下的内容:成品、半成品、原材料、客供料、外协料、辅料、其它定义:成品:在生产车间已包装的产品;半成品:在公司生产车间或外协工厂至少经过一道加工工序后,需要入库登记帐的零件总称;原材料:直接从外供应商购买且用于加工生产成品的主要生产材料;外协件:1.在本公司没有加工工艺而需外协厂商配合第二次以上加工;2.当外协件与原材料冲突时, 以外协件编码方式编码;3.当原材料和外协料有冲突时,依原材料为准。
客供料:1)在满足客户订单产品的生产过程中,需用到客户提供的原材料;2)为满足客户的供货运输需要,需要将客户所订其它公司的货品暂存公司仓库的成品或物料;辅料:直接或间接用于产品的生产实施过程上,包括包装贮运过程,但用量不可定量的物料;其它:在无法定义所属类别属性时的一个范围。
三权责:3.1 推行小组:负责物料编码规则的制定、解释以及增补修订;3.2 开发中心:a. 负责按编码规则对新物料编号并建立BOM及资料文档;b. 对编码有统一的行使操作权;3.3 其它部门:严格按技术部的物料编码管理、使用物料,给出建议性意见;四编码总则:4.1 坚持一种物料对应一个编码;4.2 编码有章可循,不会重复,便于实施;4.3 编码应留有足够的可扩充空间,且有必要加以增加新规定时,被规定种类的物料已由原规则给定编码的,仍然给用,新规定只适用于该种类新物料的编码;4.4 编码应具有最大程度的直观性,便于查找、识别;4.5 编码规则作修改时,应不影响以往的编码体系,避免同一物料重复编码;4.6 编码由开发中心专人统一编码,同一物料只能有唯一的编码;4.7五成品编码说明:(A:表示字母;N:表示数字)5.1针对电子类:防盗(1)编码第一位为产品大类码,对照表如下:2004/8/152004/8/15(2(3)编码第三位为类别码,分别示例为:(电子前位码)(4)编码第12位为设计变更码,规则对照下表:12 设计变更 A 9-11 流水号 N 8 配置 A 5-7 遥控器 N 4 主板 A 3 防盗 N2 电子 N1 成品 N5.1.1 编码第4位主板分解,详见(成品)附录一;5.1.2 编码第5-7位遥控器分解,详见(成品)附录二;5.1.3 编码第8位配置码分解,详见(成品)附录三;5.2针对电子类:倒车雷达(1)编码第一位为产品大类码,对照表如下: (3)编码第三位为类别码,分别示例为: (电子前位码)(4)编码第12位为设计变更码,规则对照下表:2004/8/1512 设计变更 A 9-11 流水号 N 7-8 显示器型号 A 6 探头型号 N 5 主板 N/A 4 探头数量 N/A3 倒车 N2 电子 N 1 成品 N 5.2.1 编码第4位“探头数量”码分解: 按实数量的数字序号填写。
ERP系统物料编码规则
一,系统设置规定
物料编码原则:
1、物料编码是对物品的唯一标识,一颗物料有且只有一个料号,一个料号也对应唯一一个物品。
2、物料编码长度:
物料代码只使用“字母”和“阿拉伯数字”表示,物料代码结构如下:
一级代码+二级代码+产品型号规格+流水号,编码长度按产品类别制定(无码数长度要求),编码形式必须为X.XX.XXXXX格式,为使区分方便,特规定产品识别码,成品类固定长度为1码(必须用字母表示),成品用P,半成品用S。
电子料、包材、辅料、结构、配件及PCBA板等识别码固定长度为2码(必须用数字表示)
3、物料编码内不准含有{~@#¥$%……&*()/-+}等特殊字符
4、物料编码必须由字母和数字组成,字母统一用大写
5、物料分类原则:
按照物料族分类,物料分类只代表物料族,反应物料本身的物理属性和功能属性
所有物料分类符合业界惯例,不语海关物料分类标准抵触
物料分类不受物料来源影响,即不受自制,采购或客户提供的因素影响
物料分类每层结构内的顺序基本上没有含义,与产品和服务类别名称的语序也无关二,单据使用规定及约束
各部门所使用单据及表格,经各部门主管确认后,交予文控,统一编码、发放,由总经理室确认是否生效
三,系统操作规范要求:
1.1.1.1.1 电子器件--五级物料
①电阻类
⑧保护器件类
⑨显示类
1.1.2 结构类--三级物料
1.2 软件--二级物料。
密级:★高★版本:1.02022-04-25也就是设计环节与生产、采购环节的准确对接。
目前生产编码只是根据设计图号直接转换,但由于设计编码中时常有汉字、特殊符号,导致生产编码录入效率很低,而外购物料与设计编码是两套编码,同时缺乏对应关系,使得采购每次都需要手工统计设计中的外购零件,再分别对应到采购的物料编码。
因此设计与生产、采购之间无法有效的沟通。
公司设计标准化有一套较为完整的设计编码体系,通过实施 ERP 编码的规范与制定,来进一步推进设计编码标准化工作,使设计数据编码标准执行到每一个设计人员。
ERP 系统中目前有 16 万多条物料编码,存在着大量的无用编码、作废的编码,过期的编码,通过这次新系统切换的时机,将全部物料归类整理,消除ERP 系统中的可以取销的物料编码,同时进一步使整理设计数据,消除设计中再也不使用的零件图号。
并且整理模块化产品与之前相关的旧的代码,使其彻底切换到模块化系列。
再将采购外购件的规格型号与设计的规则型号统一,消除多余的外购代码,并将现行的规格型号传递到设计部门,消除设计与采购的规格型号不统一的现象。
静态数据包括:物料、客户、供应商、部门、职员、计量单位、科目等相对静止的东西。
信息系统的分类编码是信息标准化工作的一项重要内容,规范的信息系统的分类编码是实现 ERP 信息化管理的关键,编码原则在整理时应尽量考虑以下原则:通常情况下,只要物料的物理或者化学性质有变化,只要物料必须要在仓库中存储,就必须为其指定一个编码,即通常所说的一物一码。
比如某零件要经过冲压成型、钻孔、喷漆三道工序才干完成。
如果该物料的三道工序都在同一车间完成,不更换加工单位,即冲压成型后即将进行钻孔,紧接着进行喷漆,中间没有入库、出库处理,则该物料可取一个代码。
如果该物料的三道工序不在同一个车间完成,其顺序是冲压、入库、领料、钻孔、入库、领料、喷漆、入库,则在库存管理中为了区分该物料的三种状态,必须编制不同的物料编码。
ERP系统编码规则文件编码 F200011ERP 系统编码规则一、成品编码 E :例:E00000 产品IRCUT--滤光片厚0.21mm-小镜头型3V二、物料编码1)电阻 R:表-3 二级至四级编码对照表表-4 五级编码-电阻标称值例:MR221100 物料电阻-封装0603-1/10W-精度±5%-阻值10R 2)电容 C:表-5 二级至五级编码对照表例:MC900476 物料电容-钽1206-耐压6.3V-精度±5%-容量47μF3)电感 L:例:ML411470 物料电感-封装1608-额定电流150mA-精度±20%-电感量47μH4)二极管 D:表-9 二级至三级编码对照表例:MD54028 物料二极管-类型防雷管-封装SMB-型号P0080SC 5)三极管 Q表-11 二级至三级编码对照表6)集成IC U:表-13 二级至三级编码对照表例:MU45078 物料IC-类型DSP-封装BGA-型号Hi3518E 7)传感器 M:表-16 四级编码-传感器型号表8) 晶振 Y :表-17 二级至三级编码对照表MY32022 物料晶振-类型SMD(贴片形)-封装3225-型号74.25MHz 9)耦合器 T:表-20 四级编码-耦合器型号对照表10) PCB P:表-21 二级至三级编码对照表表-22 四级编码-PCB型号表例: MP11014 物料PCB-抗氧化工艺-规格38*38-型号S013 11)排插 J12)其它 E:表-26 四级编码-其它物料对照表三、出厂编码1)二级:流水号表-27 流水号对照表2) 一级:客户代码表-28 客户代码对照表【合作2年内=新客户 合作2年或以上=老客户】例:C1008ET99E00000 国内本地老客户【 sdd 】在15年10月份订货9月份的流水号为99的产品是【IRCUT-滤光片厚0.21mm-小镜头型3V 】四、采购编码1)一级:采购日期表-29 采购日期对照表 2)二级:供应商代码例:PE807MU45078 15年8月份07号供应商供应物料为【IC-类型DSP-封装BGA-型Hi3518E 】五、耗材编码表-33 生产耗材六、设备编码 A :表-33 一至二级编码对照表表-34 小型设备七、文件编码表-35 文件类别表-36 文件序号八、合同编码 T :表-37 合同类别九、职员编码表-38 职位类别2015.11.16 初稿。
E R P系统物料编码规则集团企业公司编码:(LL3698-KKI1269-TM2483-LUI12689-ITT289-ERP系统物料编码规则一、物料编码的原则编码的目的在于将物料化繁为简,便于物料的管理和识别,节省阅读、填写、抄录的时间与手续,减少错误机会的,因此,物料编码在应用文字、符号或数字上要力求简单、明了,并遵循简单性、完整性、单一性、分类展开性、一贯性、可伸缩性、组织性、适应计算机管理、充足性和易记性等原则。
二、物料编码的意义(一)物料编码的定义:物料编码是以简短的文字、符号或数字、号码来代表物料、品名、规格或类别及其他有关事项的一种管理工具。
(二)物料编码的意义:1、增强所用物料资料的正确性。
物料的领发、验收、请购、跟催、盘点、储存、记录等一切活动均以物料编码为依据进行查核,因此物料数据更加正确。
杜绝了一物多名,一名多物或物名错乱等现象的发生。
2、提高物料管理的工作效率。
以编码代替文字的记述,使物料更加简便省事,从而提高物料管理工作的效率。
3、利于计算机的管理。
物料管理在彻底推行物料编码之后,才能进一步利用计算机作更有效的处理, 以达到计算机系统管理的效果。
4、降低物料库存和成本。
物料编码既有利于库存量的控制,又利于防止呆料的发生,提高管理工作的效率,从而减少资金的积压,降低管理的成本。
5、防止物料舞弊事件的发生。
物料一经编码后,其记录正确而迅速,储存井然有序,可以减少物料舞弊事件的发生。
6、便于物料的领用。
每一种物料均有正确的统一的编码,对用料部门的物料领用和仓库发料都十分方便。
三、物料编码的规则(一)物料大类分类及编码规则根据财务核算和物流管理的需要,结合工作的实际情况,将现公司的所有物料分为九个大类, 每一大类又分为几个小类,小类之后又根据物料的属性、特征和使用状况进行分类。
每一物料总的编码为12位,共分三层。
第一层为第一大类占第1位,用物料名称第一个汉字的汉语拼音的第一个大写字母代替;第二层为第二类占第2、3位, 用两位数字01,02,03……99代替。
目录第一部分产品编码原则建议 (1)第二部分产品数据整理格式 (11)第三部分厂商代号编码原则建议及数据整理格式 (12)第四部分客户代号编码原则建议及数据整理格式 (14)第五部分其它数据整理格式 (16)第六部分 ERP系统编码原则参考范例 (17)第七部分部份行业物料编码参考范例 (22)第一部分物料编码原则建议说明:以物料的编码为主线讲解编码的原则,但所讲编码原则同样适用于系统的客户编码、供货商编码、职员编码、部门编码、单位编码、仓库编码、各种类别编码和其它需要编码的任何项目等.一、物料编码的意义物料编码是以简短的文字、符号或数字、号码来代表物料、品名、规格或类别及其它有关事项的一种管理工具。
二、物料编码的原则1、简单性编码的目的在于将物料化繁为简,便于物料的管理,如果编码过于繁杂,则违反了编码之目的。
因切此物料编码在应用文字元号或数字上应力求简单明了,这样可节省阅读、填写、抄录的时间与手续,并可减少其中的错误机会。
物料相当单纯时,只要将物料简单分类为几项即可,物料分类项目多了,就显得很不方便。
若物料相当复杂时,就要将大分类再加以细分 ,这种分类展开也称为多级分类。
2、分类展开性物料复杂,物料编码大分类后还要加以细分,如果采用阿拉伯数字十进制,则每段最多只能由十个细分的项目,如果采用英文字母,则每段有26个细分专案,然而细分专案太多,就难于查找,而细分项目太少,则分类展开太慢,分类细分项目通常以五至九个较佳。
例如采用阿拉伯数字十进制,有十八个项目时,其分类展开可以利用下列方法。
3、完整性在物料编码时,所有的物料都应有物料编码可归,这样物料编码才能完整.若有些物料找不到赋予之物料编码,则很显然物料编码缺乏完整性。
新产品新物料的产生容易破坏物料编码的完整性。
因此每当有新物料产生,即应赋予新的物料编码,并规定新的物料没有编码,采购部门不得从事采购,即使没物料编码的新物料采购进来了,仓库部门或会计部门发现物料订购单缺少物料编码,即应请采购部门补填物料编码,否则不予入库、不予付款。
盛年不重来,一日难再晨。
及时宜自勉,岁月不待人。
ERP系统编码规则文件编码F200011ERP 系统编码规则一、成品编码 E :例:E00000 产品IRCUT--滤光片厚0.21mm-小镜头型3V二、物料编码 M:1)电阻R:表-3 二级至四级编码对照表表-4 五级编码-电阻标称值例:MR221100 物料电阻-封装0603-1/10W-精度±5%-阻值10R 2)电容C:表-5 二级至五级编码对照表例:MC900476 物料电容-钽1206-耐压6.3V-精度±5%-容量47μF3) 电感 L:例:ML411470 物料电感-封装1608-额定电流150mA-精度±20%-电感量47μH4)二极管D:表-10 四级编码-二极管型号表例:MD54028 物料二极管-类型防雷管-封装SMB-型号P0080SC 5)三极管Q表-11 二级至三级编码对照表6)集成IC U:表-13 二级至三级编码对照表表-14 四级编码-IC型号表例:MU45078 物料IC-类型DSP-封装BGA-型号Hi3518E 7)传感器M:8) 晶振Y :表-17 二级至三级编码对照表MY32022 物料晶振-类型SMD(贴片形)-封装3225-型号74.25MHz 9)耦合器T:表-20 四级编码-耦合器型号对照表10)PCB P:表-21 二级至三级编码对照表表-22 四级编码-PCB型号表例:MP11014 物料PCB-抗氧化工艺-规格38*38-型号S013 11)排插J12)其它E:表-26 四级编码-其它物料对照表三、出厂编码 C :1)二级:流水号表-27 流水号对照表2) 一级:客户代码表-28 客户代码对照表【合作2年内=新客户 合作2年或以上=老客户】例:C1008ET99E00000 国内本地老客户【 sdd 】在15年10月份订货9月份的流水号为99的产品是【IRCUT-滤光片厚0.21mm-小镜头型3V 】四、采购编码 P:1)一级:采购日期表-29采购日期对照表 2)二级:供应商代码例:PE807MU45078 15年8月份07号供应商供应物料为【IC-类型DSP-封装BGA-型Hi3518E 】五、耗材编码 H: X表-33 生产耗材六、设备编码 A :表-33一至二级编码对照表表-34 小型设备七、文件编码 F:表-35 文件类别表-36 文件序号八、合同编码 T :表-37 合同类别九、职员编码 Y:表-38 职位类别2015.11.16 初稿。
ERP系统物料编码规则一、物料编码的原则编码的目的在于将物料化繁为简,便于物料的管理和识别,节省阅读、填写、抄录的时间与手续,减少错误机会的,因此,物料编码在应用文字、符号或数字上要力求简单、明了,并遵循简单性、完整性、单一性、分类展开性、一贯性、可伸缩性、组织性、适应计算机管理、充足性和易记性等原则。
二、物料编码的意义(一)物料编码的定义:物料编码是以简短的文字、符号或数字、号码来代表物料、品名、规格或类别及其他有关事项的一种管理工具。
(二)物料编码的意义:1、增强所用物料资料的正确性。
物料的领发、验收、请购、跟催、盘点、储存、记录等一切活动均以物料编码为依据进行查核,因此物料数据更加正确。
杜绝了一物多名,一名多物或物名错乱等现象的发生。
2、提高物料管理的工作效率。
以编码代替文字的记述,使物料更加简便省事,从而提高物料管理工作的效率。
3、利于计算机的管理。
物料管理在彻底推行物料编码之后,才能进一步利用计算机作更有效的处理, 以达到计算机系统管理的效果。
4、降低物料库存和成本。
物料编码既有利于库存量的控制,又利于防止呆料的发生,提高管理工作的效率,从而减少资金的积压,降低管理的成本。
5、防止物料舞弊事件的发生。
物料一经编码后,其记录正确而迅速,储存井然有序,可以减少物料舞弊事件的发生。
6、便于物料的领用。
每一种物料均有正确的统一的编码,对用料部门的物料领用和仓库发料都十分方便。
三、物料编码的规则(一)物料大类分类及编码规则根据财务核算和物流管理的需要,结合工作的实际情况,将现公司的所有物料分为九个大类, 每一大类又分为几个小类,小类之后又根据物料的属性、特征和使用状况进行分类。
每一物料总的编码为12位,共分三层。
第一层为第一大类占第1位,用物料名称第一个汉字的汉语拼音的第一个大写字母代替;第二层为第二类占第2、3位, 用两位数字01,02,03……99代替。
第三层为细分类,占第4至12位,每一位可根据各种物料赋与不同的含义。
ERP系统物料编码规则之迟辟智美创作一、物料编码的原则编码的目的在于将物料化繁为简,便于物料的管理和识别,节省阅读、填写、缮写的时间与手续,减少毛病机会的,因此,物料编码在应用文字、符号或数字上要力求简单、明了,并遵循简单性、完整性、单一性、分类展开性、一贯性、可伸缩性、组织性、适应计算机管理、充分性和易记性等原则.二、物料编码的意义(一)物料编码的界说:物料编码是以简短的文字、符号或数字、号码来代表物料、品名、规格或类别及其他有关事项的一种管理工具.(二)物料编码的意义:1、增强所用物料资料的正确性.物料的领发、验收、请购、跟催、盘点、贮存、记录等一切活动均以物料编码为依据进行查核,因此物料数据更加正确.根绝了一物多名,一名多物或物名紊乱等现象的发生.2、提高物料管理的工作效率.以编码取代文字的记述,使物料更加简便省事,从而提高物料管理工作的效率.3、利于计算机的管理.物料管理在完全推行物料编码之后,才华进一步利用计算机作更有效的处置, 以到达计算机系统管理的效果.4、降低物料库存和本钱. 物料编码既有利于库存量的控制,又利于防止呆料的发生,提高管理工作的效率,从而减少资金的积压,降低管理的本钱.5、防止物料舞弊事件的发生.物料一经编码后,其记录正确而迅速,贮存井然有序,可以减少物料舞弊事件的发生.6、便于物料的领用.每一种物料均有正确的统一的编码,对用料部份的物料领用和仓库发料都十分方便.三、物料编码的规则(一)物料年夜类分类及编码规则根据财政核算和物流管理的需要,结合工作的实际情况,将现公司的所有物料分为九个年夜类, 每一年夜类又分为几个小类,小类之后又根据物料的属性、特征和使用状况进行分类.每一物料总的编码为12位,共分三层.第一层为第一年夜类占第1位,用物料名称第一个汉字的汉语拼音的第一个年夜写字母取代;第二层为第二类占第2、3位, 用两位数字01,02,03……99取代.第三层为细分类,占第4至12位,每一位可根据各种物料赋与分歧的含义.(二)第一层和第二层的分类和编码1、产制品(C)——摩前减(01) 摩后减(02) 轻型车前(03) 轻型车后(04) 微轿前减(05) 微轿后减(06) 其他车型(07) 其他(08)2、自制半制品(Z)——摩前减(01) 摩后减(02) 轻型车前(03) 轻型车后(04) 微轿前减(05) 微轿后减(06) 其他车型(07) 其他(08)3、外购件(W)——摩前减(01) 摩后减(02) 轻型车前(03) 轻型车后(04) 微轿前减(05) 微轿后减(06) 其他车型(07) 其他(08)4、包装物(B)——包装箱(01) 塑料袋(02) 打包带(03) 打包扣(04) 泡沫垫(05) 其他(06)5、原资料(Y)——金属(01) 非金属(02)6、低值易耗品(D)——工具(01) 刀具(02) 量具(03) 办公用品(04) 其他消耗用品(05)7、工装、模具、夹具(G)——工装(01) 模具(02) 夹具(03)8、设备备件(S)——电器元件(01) 标准件(02) 其他(03)9、劳保用品(L)——工作服(01) 工作帽(02) 手套(03) 肥皂(04) 其他(05)(三)第三层的分类和编码规则1、产制品(C)——摩前减(01) 摩后减(02) 轻型车前(03) 轻型车后(04) 微轿前减(05) 微轿后减(06) 其他车型(07) 其他(08)⑴第1至第三位已确定,而且分类也已明确.⑵第4至第8位为产物图号编码,它是取现有产物图号的第一位字母(J,M,S)和产物数字序号加上改进标识表记标帜(A,B)组合而成,缺乏位数的在中间加0;如:HJ110前减的图号为SA-26Mq,其编码为S0026;HJ125-2前减改进型产物的图号为MY-313A,其编码为M313A;(3)第9位为减振器属性代码,按客户的分歧需求进行分段编码,用于区分外购件的价值和状态.具体编码在原有图号后面加1位区别码,用J暗示进口油封,G暗示国产油封.例如,MY-80的油封有进口和国产的区分,在编码时,使用国产油封供主机厂的用C04M0080G000暗示;使用进口油封供主机厂的用C04M0080J000暗示.(4)第10位为减振器左右码,其中“0”为不分左右,“1”代表左减振器,“2”代表右减振器;(5)第11位为空,用0暗示.(6)第12位为区分主机厂和零售的编码,用0暗示供应主机厂的,用1暗示供应零售商的.产制品编码举例:供主机厂的GN125前减的编码为: C01M0287G000;2、自制半制品(Z)——摩前减(01) 摩后减(02) 轻型车前(03) 轻型车后(04) 微轿前减(05) 微轿后减(06) 其他车型(07) 其他(08)⑴第1至第3位已确定,而且分类也已明确.⑵第4至第8位与产制品的编码相同.⑶第9、10位为零件分类号,其中: 摩前减分前叉管类(01)、左底筒(02)、右底筒(03)、冲压件(04)、其他(05). 摩后减分为拉杆类(01)、内管液压筒类(02)、外筒类(03)、冲压件类(04)、其他类(05). 汽减分为:缸筒类(01)、油筒类(02)、防尘罩类(03)、连杆类(04)、导向器类(05)、冲压件类(06)、吊环类(07)、其他类(08).⑷第11、12位为零件流水号,按该产物的零(组)件顺序进行编码.3、外购件(W)——摩前减(01) 摩后减(02) 轻型车前(03) 轻型车后(04) 微轿前减(05) 微轿后减(06) 其他车型(07) 其他(08)⑴第1至第3位已确定,而且分类也已明确.⑵第4至第8位与产制品的编码相同.⑶第9、10位为零件分类号,共分为: 压铸件(01),粉末冶金件(02),冲压件(03),机加件(04)(含非标件),橡塑件(05),弹簧(06),油封类(07),其它(08).⑷第11、12位为零件流水号,按该产物的零(组)件顺序进行编码.(注意:相同图号,分歧供应商的外购件如果价值分歧,编码时只区分国产和进口;对状态分歧的,必需明确区分出来.)4、包装物(B)——包装箱(01) 塑料袋(02) 打包带(03) 打包扣(04) 泡沫(05) 标签(06) 其他(07)第1至第3位B01~B07;第4、5位为产物类别,分为汽减类(01)、摩减类(02)、共用(03);第6、7位为调节码,用“0”取代,第8至第12位为流水序号.5、原资料(Y)——金属(01) 非金属(02)⑴金属类: 第1至第3位为Y01;第4位为金属资料的年夜类别:分为黑色金属资料(1)、有色金属资料(2)、其它(3);第5位暗示金属资料的小类别:板材类(1)、管材类(2)、棒材类(3)、带材(4)、其它(5). 第6、7位暗示金属资料的牌号:Q195(01)、ST12(02)、ST13(03)、ST14(04)、ST37(05)、ST44(06)、10#(07)、20#(08)、35#(09)、45#(10)、65Mn(11)、08AL(12)、A3(13)、其它(14).第8、9位为调节码,用“0”取代,第10至第12位暗示金属资料的规格(流水号).⑵非金属类:第1至第3位为Y02;第4、5位为非金属资料的年夜类别:板类(01)、管类(02)、棒类(03)、其它(04).第6、7位为非金属资料的小类别:橡胶类(01)、塑料类(02)、胶木类(03)、尼龙类(04)、油料类(05)、润滑脂类(06)、化工类(07)、粘胶类(08)、油漆类(09)、稀释剂类(10)、其它(11).第8、9位为调节码,用“0”取代;第10至第12位为非金属资料的规格顺序流水号.6、低值易耗品(D)——工具(01) 刀具(02) 量具(03) 办公用品(04) 其他消耗用品(05)⑴工具(01)、刀具(02)、量具(03):第1至第3位为D01、D02、D03;第4、5位为调节码,第6至12位暗示其顺序号(流水号).⑵办公用品:第1至第3位为D04;第4、5位为办公用品的类别: 经常使用办公用品(01)、各种计算机用品(02)、料布(03)、办公用各类表格(04)、其它(05);第6、7位为调节码,第8至12位暗示各类办公用品序号(流水号).⑶其它消耗品:第1至第3位为D05;第4、5位为调节码;第6至12位暗示其他消耗用品的顺序流水号.7、工装、模具、夹具(G)——工装(01) 模具(02) 夹具(03)⑴第1至第3位已明确为G01、G02和G03;⑵第4、5位为调节码;⑶第6至12位为顺序流水号.8、设备备件(S)——电器元件(01) 标准件(02) 其他(03)⑴电器元件:第1至第3位为S01;第4、5位为电器元件类别:交电类(01)、机床电器元件(02);第6、7位为调节码;第8至12位暗示电器元件的顺序号(流水号).⑵标准件:第1至第3位为S02;;第4、5位为标准件类别:五金类(01)、模架类(02)、(03)、轴销类(04)、其它(05);第6、7位为调节码;第8至12位暗示各种标准件的规格顺序号(流水号).⑶其它:第1至第3位为S03;;第4、5位为其他备件的类别:螺钉类(01)、螺母类(02)、焊条类(03)、其它(04);第6、7位为调节码;第8至12位暗示各种其他备件的顺序号(流水号).9、劳保用品(L)——工作服(01) 工作帽(02) 手套(03) 肥皂(04) 其他(05)⑴工作服:第1至第3位为L01;第4、5位为工作服季节的类别:夏季类(01)、夏季类(02)、春季类(03)、秋季类(04)、其它(05);第6、7类暗示各类员工的类别:把持类(01)、辅助类(02)、管理类(03);第8、9位为调节码;第10至12位暗示各类工作服规格的顺序流水号.⑵工作帽:第1至第3位为L02;第4、5位为工作帽的类别:布类帽(01)、网类帽(02)、其它(03);第6、7位为调节码;第8至12位暗示各类工作帽的顺序流水号.⑶手套:第1至第3位为L03;第4、5位为手套的类别:布手套类(01)、线手套类(02)、细纱手套类(03)、家用胶手套(04)、电焊工用手套(05)、电工绝缘手套(06)、其它(07);第6、7位为调节码;第8至12位暗示各类手套的顺序号(流水号).⑷肥皂:第1至第3位为L04;第4、5位为调节码;第6至12位暗示肥皂的牌号和类别,用顺序流水号暗示.⑸毛巾:第1至第3位为L05;第4、5位为调节码;第6至12位毛巾的牌号和类别,用顺序流水号暗示.⑹其它:第1至第3位为L06;第4、5位为调节码;第6至12位暗示其他的牌号和类别,用顺序流水号暗示.四、物料编码的有关规定(一)为保证产物编码的简单性和唯一性,研究所在今后产物图号的编制中,一个图号的产物只允许有一种状态;对供主机厂的部份零件有指定供应单元的,今后必需用分歧的图号上进行区别,如GN125前减(MY-287)供年夜长江的NOK油封可不变,但NTK油封须另行出通知单, 用另一个图号暗示.(二)新产物的所有编码一律由研究所负责,与产图图纸同步进行,由技术处进行录入.(三)新的工装、模具、夹具的编码则由技术处负责编制录入,与图纸同步进行.(四)所有调节码全部用“0”取代.(五)物资推销部在编制外购件时,对主机厂有指定供应厂商的同一图号的零件,须用分歧的编码加以区分.如油封要区别国产和进口,要求其编码不相同.(六)由于编码规则下得比编码计划晚,所以原定计划往后推1-2天.。
XXXERP物料编码规则XXXXXX.Material Code Rulesn A。
Page 1 of 22Table of ContentsI。
Raw Materials:。
41.Plastic Raw Materials。
42.Pigments。
43.Paints。
4I。
Raw Materials:1.Plastic Raw Materials:XXX used in our n process。
The code for plastic raw materials is composed of the n of the material type。
the n of the manufacturer。
and the color code。
For example。
the code for black ABS plastic from company ABC is ABS-ABC-BK.2.Pigments:Pigments are used to add color to the plastic raw materials。
The code for pigments is composed of the n of the pigment type。
the n of the manufacturer。
and the color code。
For example。
the code for red pigment from company XYZ is PIG-XYZ-RD.3.Paints:XXX layer to the finished product。
The code for paints is composed of the n of the paint type。
the n of the manufacturer。
and the color code。
For example。
the code for black paint from company DEF is PT-DEF-BK.These material code rules are XXX to this document for any XXX.电子元器件是电子技术中不可或缺的一部分。
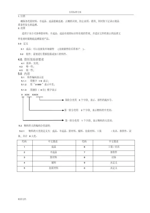
1.目的
确保各类原材料、半成品、成品能被迅速、正确的识别,防止误用、错用,同时留下记录以便品质事件发生的追溯。
2.范围
适用于本公司各种原材料、半成品、成品有效的标识和有效的管理,并适应文件档案以利品质文件处理时能彻底追溯鉴别产品。
3.0 定义
3.1成品:可以直接发市场销售(直接销售给乐彩客户)。
3.2组件:需要进行重新组装或加工的料件。
4.0.资历及培训要求
4.1 简单、实用;
4.2 唯一性;
4.3 统一性;
5.0 内容
5.1 料件编码表示法
5.1.1 用数字1-9表示;
5.1.2 用“0-999”表示中类;
5.1.3 用捌位(8位)数字表示
2个字段,表示物料的中类别。
1个字段,表示物料的大类别。
5.2物料的大的编码分类说明:
5.2.1物料的大类别定义为:成品、半成品、原材料、辅料、包装材料、工装/夹具、客供件、设备,共计8大类。
5.3 成品第一阶类别表示法: 1 * ** ****
5.3.1成品
成品编码 1 * ** ****
成品4位流水号
成品(产品行业类)
成品(行业)
5.3.1.1 成品的第二阶类别划分如下:
成品编码
四位流水号
成品(行业类)
成品(大行业类别)5.3.2.1成品的行业类划分如下(家电):
5.3.2.2成品的行业类划分如下(汽车配件行业):
5.4 第一阶类别表示法: 2 *** ****
5.4.1 第二阶按工艺分类:
半成品编码
四位流水号
(工艺)中类别
成品(大类别)5.4.1.1半成品的中类按“工艺”划分如下:
5.5 第一阶类别表示法: 3 *** ****
5.5.1 原材料
原材料编码
四位流水号
成品(中类别)
5.5.1.1原材的中类按“料型”划分如下:
5.6 第一阶类别表示法: 4 *** ****
5.6.1辅料
消耗性物料编码
(4位流水号)
辅料(中类)
辅料(大类别)
5.6.1.1辅料中类划分如下:
5.7 第一阶类别表示法: 5 *** ****
5.7.1包装材料
包装材料编码
(4位流水号)
包装材料(中类)
包装材料(大类别)5.7.1.1包装材料中类划分如下:
5.8 第一阶类别表示法:6 *** ****
5.8.1模具、工装第二阶中类的划分:
模具、工装编码
(4位流水号)
模具、工装(中类)
模具、工装(大类别)5.8.1.1包装材料中类划分如下:
5.9 第一阶类别表示法: 7 *** ****
5.9.1客供件
客供件
(4位流水号)
客供件(中类)
客供件(大类别)
5.9.1.1客供件中类划分如下:
5.10 一阶类别表示法: 8 *** ****
5.10.1第二阶中类的划分:
设备类
(4位流水号)
设备类(中类)
设备类(大类别)
5.10.1.1设备类中类划分如下:
5.11 ERP物料编码的清理与过期编码的再使用规定:
5.11.1 每年12月份由PMC集中对ERP系统原物料、成品、半成品的编码进行整理,对不使用的编码申请停用,由系统管理员在年底系统结转集中处理;(每年一次)
5.11.2过期编码的再使用:当有新物料增加编码时由工程文员根据停用清单选择编码,并留下历史记录。