山东省危废处理名录
- 格式:doc
- 大小:147.00 KB
- 文档页数:19
危废名录正版 The latest revision on November 22, 2020国家危废名录第一条根据《中华人民共和国固体废物污染环境防治法》的有关规定,制定本名录。
第二条具有下列情形之一的固体废物(包括液态废物),列入本名录:(一)具有腐蚀性、毒性、易燃性、反应性或者感染性等一种或者几种危险特性的;(二)不排除具有危险特性,可能对环境或者人体健康造成有害影响,需要按照危险废物进行管理的。
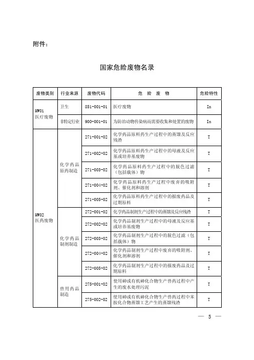
第三条医疗废物属于危险废物。
医疗废物分类按照《医疗废物分类目录》执行。
第四条列入《危险化学品目录》的化学品废弃后属于危险废物。
第五条列入本名录附录《危险废物豁免管理清单》中的危险废物,在所列的豁免环节,且满足相应的豁免条件时,可以按照豁免内容的规定实行豁免管理。
第六条危险废物与其他固体废物的混合物,以及危险废物处理后的废物的属性判定,按照国家规定的危险废物鉴别标准执行。
第七条本名录中有关术语的含义如下:(一)废物类别,是在《控制危险废物越境转移及其处置巴塞尔公约》划定的类别基础上,结合我国实际情况对危险废物进行的分类。
(二)行业来源,是指危险废物的产生行业。
(三)废物代码,是指危险废物的唯一代码,为8位数字。
其中,第1-3位为危险废物产生行业代码(依据《国民经济行业分类(GB/T 4754-2011)》确定),第4-6位为危险废物顺序代码,第7-8位为危险废物类别代码。
(四)危险特性,包括腐蚀性(Corrosivity,C)、毒性(Toxicity,T)、易燃性(Ignitability,I)、反应性(Reactivity,R)和感染性(Infectivity,In)。
第八条对不明确是否具有危险特性的固体废物,应当按照国家规定的危险废物鉴别标准和鉴别方法予以认定。
经鉴别具有危险特性的,属于危险废物,应当根据其主要有害成分和危险特性确定所属废物类别,并按代码“900-000-××”(××为危险废物类别代码)进行归类管理。
天马大厦A座5层13、HW17(焚烧) 鲁危废临39号山东省环保厅五莲县光大废品处理有限公司五莲县洪凝镇洪凝村日照市五莲县城西环路中段西收集、贮存、利用HW 12100100 鲁危废临42号山东省环保厅青岛亿安化工有限公司胶州市香港西路南胶州市香港西路南收集、贮存、利用HW06、HW11、HW42(含苯、甲苯、乙苯、苯乙烯废物)收集、贮存和利用400400 鲁危废临52号山东省环保厅淄博市临淄慧丰石油化工厂朱台镇宋桥村临淄区朱台镇宋桥村收集、贮存、利用HW11苯乙烯焦油80008000 鲁危废临55号山东省环保厅烟台山水水泥有限公司山东烟台栖霞市中桥镇山东烟台栖霞市中桥镇 收集、贮存、利用HW33(黄金冶炼过程产生的含氰冶炼废渣)200000200000 鲁危废临56号山东省环保厅滨州市北辰环保科技有限公司滨州市惠民县魏集镇驻地滨州市惠民县收集、储存、利用HW085000050000 鲁危废临58号山东省环保厅高密市长丰化工有限公司潍坊高密高密市夏庄镇工业园区纱布厂院内收集贮存利用HW42废有机溶剂30003000 鲁危废临60号山东省环保厅五莲县云龙化工有限公司五莲县洪凝镇同俗村五莲县洪凝镇同俗村贮存、收集、利用HW2312001200 鲁危废临62号山东省环保厅淄博建刚工贸有限公司淄博市张店区湖田镇官庄村张店区湖田镇官庄村收集、贮存、利用HW4220002000鲁危废临63号山东省环保厅青州市至诚化工有限公司青州市邵庄镇东台头村青州市邵庄镇东台头村2HW45900900 鲁危废临65号山东省环保厅山东恒邦冶炼股份有限公司山东烟台牟平区水道镇金政街11号烟台牟平区水道镇收集、贮存、利用HW3320000020000 鲁危废临山东省环胜利油田金岛实业东营市河口区东营市河口区孤岛真孤收集HW08(采油厂集输站生产过程中产生的350003500066号保厅有限责任公司孤岛真永乐路27号四联合站北贮存利用油泥砂 鲁危废临67号山东省环保厅利津县瑞海石油科技有限责任公司利津县津苑小区利津县陈庄工业园收集、储存、利用、含油泥砂50000500045000 鲁危废临68号山东省环保厅招远市天健化工有限公司路家村北招远市北路家村北收集、贮存、利用HW33120000120000 鲁危废临69号山东省环保厅淄博通乾化工有限公司淄博市张店区湖田镇柳杭村张店区湖田镇柳杭村收集、贮存、利用HW421500015000 鲁危废临70号山东省环保厅文登市大方水泥厂文登市小观镇吴家庄609号文登市小观镇吴家庄609号利用HW21HW332300023000 鲁危废临71号山东省环保厅山东滨州双信化工有限公司滨州市滨城区滨北办事处滨州市滨城区收集、储存、利用Hw0830003000 鲁危废临72号山东省环保厅淄博市周村华益溶剂化工厂山东省淄博市周村区北郊镇淄博市周村区梅河工业园路南周村区收集、贮存、利用HW02、HW06HW4220002000 鲁危废临73号山东省环保厅莱州方泰金业化工有限公司莱州市土山镇银海工业园区莱州市土山镇银海工业园区收集、贮存、利用HW33含氰化物尾矿渣130000130000鲁危废临75号山东省环保厅东营华新环保技术有限公司东营市东营区南二路1502号东营市东营区南二路1502号收集、贮存、处置HW0899009900鲁危废临80号山东省环保厅桓台县鑫荣化工有限公司桓台县唐山镇西马村桓台县唐山镇西马村收集、贮存、利用HW41废卤化有机溶剂96009600鲁危废临82号山东省环保厅泰安乐邦漆业有限公司新泰市羊流镇三洼村新泰市羊流镇三洼村2HWI2废漆渣200200鲁危废临84山东省环保厅垦利县东垦更新化工厂垦利县垦利镇德州路西段东营市垦利县垦利镇德州路西段收集;储存;利用废有机溶剂1200(硝基苯焦油800吨,1200苯胺焦油400吨)鲁危废临85山东省环保厅山东腾跃化学危险废物研究处理有限公司济南市历城区花园路45号历城区机场路中段收集、贮存、利用HW217000070000鲁危废临86山东省环保厅淄博市临淄永泰实业有限公司淄博市临淄区乙烯南路淄博市临淄区乙烯南路收集、贮存、利用HW35废碱水1400014000鲁危废临87号山东省环保厅青岛新世纪环保有限公司青岛市经济技术开发区海尔大道中段青岛市经济技术开发区海尔大道中段收集、贮存、利用HW17(废盐酸)1000010000鲁危废临88号山东省环保厅临邑瑞博催化剂有限公司临邑县临邑县经济开发区、收集、储存、利用HW46750750鲁危废临89号山东省环保厅蓬莱荣洋钻采环保服务有限公司蓬莱刘沟山东蓬莱收集、贮存、利用HW0810********鲁危废临90山东省环保厅山东锐博化工有限公司淄博市临淄胜炼大庆路3号临淄区辛化路17号收集、贮存、利用HW0860006000鲁危废临0091号山东省环保厅山东中绿资源再生有限公司临沂市河东区临沂市河东区工业园收集、贮存、利用HW49(废旧电视机)40万台40万台0鲁危废临0092号山东省环保厅临沂市利升铅业有限公司临沂市兰山区临沂市兰山区白沙埠镇小安子村收集、贮存、利用HW31(废铅酸蓄电池)32000320000鲁危废临0093号山东省环保厅山东新宇环保技术工程有限公司龙口开发区海岱管理区上孟村山东省龙口经济开发区海岱管理区上孟村收集、贮存、利用***HW08、HW09、HW49500003000020000 鲁危证山东省环济宁华强科技有限山东济宁市任任城区接庄镇收集、贮存、利用头孢废液300300 鲁危证0012号山东省环保厅青州市胜利化工有限公司青州市邵庄工业园青州市邵庄镇工业园2HW1150005000 鲁危证0013号山东省环保厅临朐县金大化工助剂有限公司临朐大关潍坊市临朐县大关镇工业街12号2HW421507080 鲁危证0014号山东省环保厅淄博市临淄津庆化工厂梧台政府西1.5公里临淄区梧台镇政府西1.5公里处收集、贮存、利用HW13 (环氧氯丙烷废液)125125 鲁危证0015号山东省环保厅济南天章润滑油脂厂济炼宿舍历城区董家镇机场路中段收集贮存利用HW0830003000鲁危证00 16号山东省环保厅青岛黄金铅锌开发有限公司平度市灰埠镇大庄子村522号平度市灰埠镇大庄子村522号收集、贮存、利用HW33(金矿开采与筛选过程中产生的氰化尾渣)2400024000 鲁危证0017号山东省环保厅烟台环球环保设备有限公司烟台市莱山区两甲埠村烟台市莱山区两甲埠村收集、贮存、利用HW03、06、08、09、11、12、13、16、41、42250010001500鲁危证0018号山东省环保厅莱阳市春帆漆业有限责任公司莱阳市玉岱路151号18号楼102室莱阳市山前店镇南张夼村收集贮存利用汽车喷涂过程中产生的废有机溶剂1000010000 鲁危证0019号山东省环保厅青州市宝昌化工厂青州市昭德工业园丰收一路东段青州市昭德工业园丰收一路东段2HW1150005000鲁危证0020号山东省环保厅山东国大黄金股份有限公司招远市国大路668号山东国大黄金股份有限公司招远市国大路668号收集、贮存、利用HW24HW337000060000070000600000 鲁危证0021号山东省环保厅胶州市富田化工有限公司胶州市南关镇海尔大道中部胶州市南关镇海尔大道中部收集、贮存、利用HW13、HW4250005000 鲁危证山东省环淄博齐翔惠达化工淄博市临淄区临淄区公泉路南首收集、贮存、利用HW13污泥、HW11焦油4404400022号保厅有限公司南王镇新化路38号 鲁危证0023号山东省环保厅青岛胶洋化工有限公司胶州市洋河镇冷家村胶州市洋河镇冷家村收集、贮存、利用HW08废矿物油40004000 鲁危证0024号山东省环保厅东营市寰海环保工程有限公司东营市东营港经济开发区东营港经济开发区收集、贮存、利用、处置、焚烧HW0830003000鲁危证00 25号山东省环保厅山东青龙山有色金属有限公司滨州市邹平县青阳镇滨州市邹平县收集、储存、利用HW17、HW22、HW46、HW4843408403500 鲁危证0026号山东省环保厅青岛立新环保有限公司青岛市瑞昌路98号胶州市204国道大西庄收集、贮存、利用HW17钢材表面除锈废液1000010000 鲁危证0031号山东省环保厅淄博市裕赢化工有限公司临淄梧台镇工业区辛兴村南临淄区梧台镇工业区辛兴村南收集、贮存、利用HW41生产氯乙烯产生的粗二氯乙烷废液80008000鲁危证0034号山东省环保厅烟台开发区三贡化工有限公司山东省烟台市福山区北四路蒲湾街山东省烟台市福山区北四路蒲湾 收集、贮存、利用HW13、HW4215001500 鲁危证0035号山东省环保厅威海市环保科技服务公司环翠区光明路92号环翠区张村镇收集\转运\贮存HW04-09 、HW11-14、HW16 -18、HW21 -23、HW29HW31、HW33-36、HW39HW41-42、HW46、HW49 鲁危证0036号山东省环保厅淄博市光华医疗废物处置中心张店区柳泉路222号淄博市临淄区南王镇南沣路中段收集、贮存、利用HW04、HW05、HW12、HW13、HW41、HW4515001500 鲁危证0037号山东省环保厅淄博琮源工贸有限公司齐鲁公司氯碱厂临淄区氯碱厂内临淄区收集、贮存、利用HW34、HW35废酸、废碱2820028200。
最新危废名录废物类别行业来源废物代码危险废物危险特性 HW01 卫生 851-001-01 医疗废物 In 医疗废物非特定行业 900-001-01 为防治动物传染病而需要收集和处置的废物 In 271-001-02 化学药品原料药生产过程中的蒸馏及反应残渣 T 271-002-02 化学药品原料药生产过程中的母液及反应基或培养基废物 T 化学药品271-003-02 化学药品原料药生产过程中的脱色过滤(包括载体)物 T 原药制造271-004-02 化学药品原料药生产过程中废弃的吸附剂、催化剂和溶剂 T 271-005-02 化学药品原料药生产过程中的报废药品及过期原料 T 272-001-02 化学药品制剂生产过程中的蒸馏及反应残渣 T 272-002-02 化学药品制剂生产过程中的母液及反应基或培养基废物 T 化学药品 272-003-02 化学药品制剂生产过程中的脱色过滤(包括载体)物 T 制剂制造 272-004-02 化学药品制剂生产过程中废弃的吸附剂、催化剂和溶剂 T 272-005-02 化学药品制剂生产过程中的报废药品及过期原料T 275-001-02 使用砷或有机砷化合物生产兽药过程中产生的废水处理污泥 T HW02 275-002-02 使用砷或有机砷化合物生产兽药过程中苯胺化合物蒸馏工艺产生的蒸馏残渣 T 医药废物 275-003-02 使用砷或有机砷化合物生产兽药过程中使用活性炭脱色产生的残渣 T 兽用药品制造 275-004-02 其他兽药生产过程中的蒸馏及反应残渣 T 275-005-02 其他兽药生产过程中的脱色过滤(包括载体)物 T 275-006-02 兽药生产过程中的母液、反应基和培养基废物 T 275-007-02 兽药生产过程中废弃的吸附剂、催化剂和溶剂 T 275-008-02 兽药生产过程中的报废药品及过期原料 T 276-001-02 利用生物技术生产生物化学药品、基因工程药物过程中的蒸馏及反应残渣 T 276-002-02 利用生物技术生产生物化学药品、基因工程药物过程中的母液、反应基和培养基废物 T 生物、生化制 276-003-02 利用生物技术生产生物化学药品、基因工程药物过程中的脱色过滤(包括载体)物与滤饼 T 品的制造 276-004-02 利用生物技术生产生物化学药品、基因工程药物过程中废弃的吸附剂、催化剂和溶剂 T 276-005-02 利用生物技术生产生物化学药品、基因工程药物过程中的报废药品及过期原料 T HW03 生产、销售及使用过程中产生的失效、变质、不合格、淘汰、伪劣的药物和药品(不包括 HW01、HW02、非特定行业 900-002-03 T废药物、药品 900-999-49 类) HW04 农药制造 263-001-04 氯丹生产过程中六氯环戊二烯过滤产生的残渣;氯丹氯化反应器的真空汽提器排放的废物 T 农药废物263-002-04 乙拌磷生产过程中甲苯回收工艺产生的蒸馏残渣 T 263-003-04 甲拌磷生产过程中二乙基二硫代磷酸过滤产生的滤饼 T 263-004-04 245-三氯苯氧乙酸(245-T)生产过程中四氯苯蒸馏产生的重馏分及蒸馏残渣 T 263-005-04 24-二氯苯氧乙酸(24-D)生产过程中产生的含 26-二氯苯酚残渣 T 乙烯基双二硫代氨基甲酸及其盐类生产过程中产生的过滤、蒸发和离心分离残渣及废水处理污泥;产品研263-006-04 T 磨和包装工序产生的布袋除尘器粉尘和地面清扫废渣溴甲烷生产过程中反应器产生的废水和酸干燥器产生的废硫酸;生产过程中产生的废吸附剂和废水分离器 263-007-04 T 产生的固体废物 263-008-04 其他农药生产过程中产生的蒸馏及反应残渣 T 263-009-04 农药生产过程中产生的母液及(反应罐及容器)清洗液 T 263-010-04 农药生产过程中产生的吸附过滤物(包括载体、吸附剂、催化剂) T 263-011-04 农药生产过程中的废水处理污泥 T 263-012-04 农药生产、配制过程中产生的过期原料及报废药品 T 非特定行业 900-003-04 销售及使用过程中产生的失效、变质、不合格、淘汰、伪劣的农药产品 T 使用五氯酚进行木材防腐过程中产生的废水处理污泥,以及木材保存过程中产生的沾染防腐剂的废弃木材 201-001-05 T 残片锯材、木片加使用杂芬油进行木材防腐过程中产生的废水处理污泥,以及木材保存过程中产生的沾染防腐剂的废弃木材 201-002-05 T 工残片 HW05 使用含砷、铬等无机防腐剂进行木材防腐过程中产生的废水处理污泥,以及木材保存过程中产生的沾染防 201-003-05 T木材防腐剂废物腐剂的废弃木材残片 266-001-05 木材防腐化学品生产过程中产生的反应残余物、吸附过滤物及载体 T 专用化学产品266-002-05 木材防腐化学品生产过程中产生的废水处理污泥 T 制造 266-003-05 木材防腐化学品生产、配制过程中产生的报废产品及过期原料 T 非特定行业 900-004-05 销售及使用过程中产生的失效、变质、不合格、淘汰、伪劣的木材防腐剂产品 T 261-001-06 硝基苯-苯胺生产过程中产生的废液 T HW06 261-002-06 羧酸肼法生产 11-二甲基肼过程中产品分离和冷凝反应器排气产生的塔顶流出物 T 基础化学有机溶剂废 261-003-06 羧酸肼法生产 11-二甲基肼过程中产品精制产生的废过滤器滤芯 T 原料制造物 261-004-06 甲苯硝化法生产二硝基甲苯过程中产生的洗涤废液 T 261-005-06 有机溶剂的合成、裂解、分离、脱色、催化、沉淀、精馏等过程中产生的反应残余物、废催化剂、吸附过 I,T 滤物及载体 261-006-06 有机溶剂的生产、配制、使用过程中产生的含有有机溶剂的清洗杂物 I,T 346-001-07 使用氰化物进行金属热处理产生的淬火池残渣 T 346-002-07 使用氰化物进行金属热处理产生的淬火废水处理污泥 T 金属表面 HW07 346-003-07 含氰热处理炉维修过程中产生的废内衬 T 处理及热热处理含氰废物 346-004-07 热处理渗碳炉产生的热处理渗碳氰渣 T 处理加工 346-005-07 金属热处理过程中的盐浴槽釜清洗工艺产生的废氰化物残渣 R,T 346-049-07 其他热处理和退火作业中产生的含氰废物 T 天然原油和天 071-001-08 石油开采和炼制产生的油泥和油脚T,I 然气开采 071-002-08 废弃钻井液处理产生的污泥 T 251-001-08 清洗油罐(池)或油件过程中产生的油/水和烃/水混合物 T 石油初炼过程中产生的废水处理污泥,以及储存设施、油-水-固态物质分离器、积水槽、沟渠及其他输送 251-002-08 T 管道、污水池、雨水收集管道产生的污泥 251-003-08 石油炼制过程中API 分离器产生的污泥,以及汽油提炼工艺废水和冷却废水处理污泥 T 251-004-08 石油炼制过程中溶气浮选法产生的浮渣 T,I HW08 251-005-08 石油炼制过程中的溢出废油或乳剂 T,I 废矿物油精炼石油 251-006-08 石油炼制过程中的换热器管束清洗污泥 T 产品制造 251-007-08 石油炼制过程中隔油设施的污泥 T 251-008-08 石油炼制过程中储存设施底部的沉渣 T,I 251-009-08 石油炼制过程中原油储存设施的沉积物 T,I 251-010-08 石油炼制过程中澄清油浆槽底的沉积物 T,I 251-011-08 石油炼制过程中进油管路过滤或分离装置产生的残渣 T,I 251-012-08 石油炼制过程中产生的废弃过滤粘土 T 涂料、油墨、颜料及相关产264-001-08 油墨的生产、配制产生的废分散油 T 品制造专用化学 266-004-08 粘合剂和密封剂生产、配置过程产生的废弃松香油 T 产品制造船舶及浮动装375-001-08 拆船过程中产生的废油和油泥 T,I 置制造 900-200-08 珩磨、研磨、打磨过程产生的废矿物油及其含油污泥 T 900-201-08 使用煤油、柴油清洗金属零件或引擎产生的废矿物油 T,I 900-202-08 使用切削油和切削液进行机械加工过程中产生的废矿物油 T 900-203-08 使用淬火油进行表面硬化产生的废矿物油T 900-204-08 使用轧制油、冷却剂及酸进行金属轧制产生的废矿物油 T 900-205-08 使用镀锡油进行焊锡产生的废矿物油 T 非特定行业 900-206-08 锡及焊锡回收过程中产生的废矿物油 T 900-207-08 使用镀锡油进行蒸汽除油产生的废矿物油 T 900-208-08 使用镀锡油(防氧化)进行热风整平(喷锡)产生的废矿物油 T 900-209-08 废弃的石蜡和油脂 T,I 900-210-08 油/水分离设施产生的废油、污泥 T,I 900-249-08 其他生产、销售、使用过程中产生的废矿物油 T,I HW09 900-005-09 来自于水压机定期更换的油/水、烃/水混合物或乳化液 T油/水、烃/水混非特定行业 900-006-09 使用切削油和切削液进行机械加工过程中产生的油/水、烃/水混合物或乳化液 T 合物或乳化液 900-007-09 其他工艺过程中产生的废弃的油/水、烃/水混合物或乳化液 T 900-008-10 含多氯联苯(PCBs)、多氯三联苯(PCTs)、多溴联苯(PBBs)的废线路板、电容、变压器T HW10 900-009-10 含有 PCBs、PCTs 和 PBBs 的电力设备的清洗液 T 多氯(溴)非特定行业 900-010-10 含有 PCBs、PCTs 和 PBBs 的电力设备中倾倒出的介质油、绝缘油、冷却油及传热油 T 联苯类废物 900-011-10 含有或直接沾染 PCBs、PCTs 和 PBBs 的废弃包装物及容器 T 900-012-10 含有或沾染 PCBs、PCTs、PBBs 和多氯(溴)萘,且含量?50mg/kg 的废物、物质和物品 T 精炼石油产品 251-013-11 石油精炼过程中产生的峤褂秃推渌褂?T 的制造 252-001-11 炼焦过程中蒸氨塔产生的压滤污泥 T HW11 252-002-11 炼焦过程中澄清设施底部的焦油状污泥 T精(蒸)馏残渣 252-003-11 炼焦副产品回收过程中萘回收及再生产生的残渣 T 炼焦制造 252-004-11 炼焦和炼焦副产品回收过程中焦油储存设施中的残渣 T 252-005-11 煤焦油精炼过程中焦油储存设施中的残渣 T 252-006-11 煤焦油蒸馏残渣,包括蒸馏釜底物 T252-007-11 煤焦油回收过程中产生的残渣,包括炼焦副产品回收过程中的污水池残渣 T 轻油回收过程中产生的残渣,包括炼焦副产品回收过程中的蒸馏器、澄清设施、洗涤油回收单元产生的残252-00.。
山东省内危废处置企业资质名录随着山东省经济的发展和工业结构的调整,对危险废物的处理和处置越来越重视。
危险废物处理和处置是人类保护环境、维护健康的重要举措。
因此,山东省纷纷出台了危险废物的相关政策和措施,对危险废物的处置企业也提出了更高的要求。
本文将针对山东省内的危废处置企业资质名录进行介绍。
一、危废处置企业资质类别1.环境影响评价:环保部门针对危险废物处置企业进行的审批资质。
2.企业资质:国家环保局下发的危险废物处置企业的资质认证,包括生产环境、管理体系等方面。
3.以上两种资质均需申报,并经相关部门审核才能获得。
二、山东省危废处置企业资质认证管理山东省环境保护厅负责危废处置企业的资质认证管理工作。
该厅设有危险废物处置企业资质认证领导小组,负责制定、组织实施危险废物处置企业资质认证工作。
山东省环境保护厅通过对危废处置企业的审核,按照相关政策和标准,对企业的生产条件、设备设施、技术力量、安全环保管理等方面进行评估,确保企业达到国家和省危废处理要求和标准。
同时,该厅还定期开展验收和监督检查,对于发现的企业达不到标准的应及时处理。
三、山东省危废处置企业资质名录山东省环境保护厅在其官网上公布了危废处置企业资质名录,该名录包含了山东省所有经过环境保护部门资质认证的危废处置企业。
名录中还包含了企业的所属地、企业名称、企业类型和企业资质等详细信息。
目前,山东省内的危废处置企业资质名录共计74家,详情如下:说明:Table1为山东省危废处置企业资质名录四、结语危险废物在处置和处理上是一项高风险和高技术含量的工作,因此对危废处置企业的资质要求也更高。
山东省环境保护厅对危险废物处置企业的认证管理工作,是为了保障环境和人民健康的举措。
企业在获得资质认证后,也应该认真执行相关管理制度和操作规程,保障危废处置的安全和效率。
山东省工业危险废物管理台帐单位名称:______________(公章)山东省环境保护厅制注:1、本表每年填写一张,不同工序产生相同类别的废物,需分别编号以示区别,废物编号由企业自行编号。
2、废物类别:按《国家危险废物名录》填写。
3、如不委托外单位处置利用,则在“委托处置利用企业名称”和“许可证号/合同号”栏填写“无注:1、表头横线处填写企业名称。
2、本表每年填写一张,原则上每个编号的废物填写一张,废物编号与上表一致,特性及贮存/利用/处置情况完全一致的同类废物可仅填一张,同时在废物编号栏注明相应的多个编号。
3、废物类别:按《国家危险废物名录》填写。
4、利用处置方式及代码。
如利用方式包括:R1作为燃料(直接燃烧除外)或以其他方式产生能量,R2溶剂回收/再生(如蒸健、萃取等),R3再循环/再利用不是用作溶剂的有机物,R4再循环/再利用金属和金属化合物,R5再循环/再利用其他无机物,R6再生酸或碱,R7回收污染减除剂的组分,R8回收催化剂组分,R9废油再提炼或其他废油的再利用,R15其他;等。
处置方式包括:D1填埋,D9物理化学处理(如蒸发、干燥、中和、沉淀等),不包括填埋或焚烧前的预处理,DIO焚烧,D16其他;等。
其他方式,C1水泥窑共处置,C2生产建筑材料,C3清洗(包装容器1、废物产生位置:此危险废物实际产生的位置或部门。
2、本表一式二联,第1联为产生位置存档,第2联为贮存部门或处置部门存档。
3、废物编号要与“危险废物产生情况一览表”中的危险废物相对应。
4、如果是本单位自行处置/利用的,在“废物转移联单号“一列可不填。
注:1、本表一式二联,第1联为产生或贮存部门存档,第2联为利用处置部门存档。
2、废物利用处置方式。
如利用方式包括:R1作为燃料(直接燃烧除外)或以其他方式产生能量,R2溶剂回收/再生(如蒸储、萃取等),R3再循环/再利用不是用作溶剂的有机物,R4再循环/再利用金属和金属化合物,R5再循环/再利用其他无机物,R6再生酸或碱,R7回收污染减除剂的组分,R8回收催化剂组分,R9废油再提炼或其他废油的再利用,R15其他;等。
山东省危废处理名录————————————————————————————————作者:————————————————————————————————日期:许可证编号发证机关法人名称住所经营设施地址核准经营方式核准经营危险废物类别核准经营规模:吨/年总规模利用处置鲁危废临1号山东省环保厅济南瀚洋固废处置有限公司华龙路1825号嘉恒大厦B座1404荷花路一号历城区收集贮存处置HW02、HW04、HW06、HW08、HW09、HW11-13、HW16、HW17、HW38-42、HW458760 8760鲁危废临3号山东省环保厅淄博齐力有色金属有限公司淄博市辛化路1号淄博市临淄区辛店镇辛化路1号收集、贮存、利用HW46废催化剂3000 3000鲁危废临6号山东省环保厅济南市鑫源物资开发利用有限公司济南市荷花路1号济南市历城区荷花路1号收集、贮存、利用HW08废矿物油4000 4000鲁危废临8号山东省环保厅山东奥友环保工程有限责任公司东营市河口区孤岛镇西一路66号东营市河口区孤岛镇西一路66号收集、贮存、利用HW08(浅海油田废钻井液、钻井废泥浆及含油污泥)100000 40000 60000鲁危废临11号山东省环保厅淄博亿豪工贸有限公司淄博市临淄区朱台镇宋桥村东临淄区朱台镇宋桥村东,辛博路西邻收集、贮存、利用HW11蒸馏残余物苯焦油2400 2400鲁危废临13号山东省环保厅淄博市临淄昊虹有限公司淄博市临淄区乙烯南路淄博市临淄区乙烯南路收集、贮存、利用HW41含二氯乙烷的低沸物废液8000 8000鲁危废临19号山东省环保厅青岛新天地固体废物综合处置有限公司莱西市姜山镇宋家泽口村青岛莱西市姜山镇宋家泽口村焚烧、拆解HW01--09、HW11-14、HW16-HW42、HW41-49焚烧8760吨/年,废旧电子产品拆解20万台/年8760鲁危废临21号山东省环保厅淄博诚信环保化工有限公司淄博市张店区(沣水镇)东四路南首张店区沣水镇昌城村收集、贮存、利用Hw21.Hw22 1000 1000鲁危废临22号山东省环保厅淄博市临淄恒兴化工厂有限公司淄博市临淄区朱台镇朱西村临淄区朱台镇朱西村收集、贮存、利用HW08(废润滑油、炼油浮渣)、HW23、HW41(废溶剂油)HW34(废酸)、HW42(废异戊烷)HW46(含锌镍废催化剂)9076 9076鲁危废临24号山东省环保厅山东铝业公司淄博市张店区南定镇张店区沣水镇收集、贮存、利用HW46 100000 100000鲁危废临25号山东省环保厅淄博富海助剂有限公司山东省淄博市临淄区稷下高娄店18号临淄区稷下高店村收集、贮存、利用HW13 150 150鲁危废临26号山东省环保厅淄博鲁达化工有限公司临淄区梧台镇彩家桥村北临淄区梧台镇彩家桥村北收集、贮存、利用HW41 D-D混剂8000 8000鲁危废临28号山东省环保厅青岛废油加工有限公司青岛市城阳区丹山岭青岛市城阳区棘洪滩街道收集、贮存、利用HW08废矿物油200000 200000鲁危废临29号山东省环保厅济南英泰石油化学有限公司济南市槐荫区济齐路307号济南市槐荫区济齐路307号收集、贮存、利用HW08 5000 5000鲁危废临31号山东省环保厅胶州市鑫星烯烃厂胶州市云溪街道大西庄村北胶州市云溪街道大西庄村北收集、贮存、利用HW08中废机油800 800鲁危废临32号山东省环保厅山东鲁岳化工有限公司肥城市安站镇肥城市安站镇2HW41氯乙烯精馏残液10000 10000鲁危废临36号山东省环保厅烟台绿环再生资源有限公司烟台资源再生加工示范区烟台市开发区开封路烟台资源再生加工示范区烟台开发区大季家镇开封路8号焚烧、中和、破碎、分选、精馏HW04-HW09/HW11-HW14/HW16-HW17/HW21-HW24/HW26/HW31-HW39/HW41/HW42/HW4614691 5702 8989鲁危废临38号山东省环保厅烟台永旭环境保护有限公司发区长江路161号天马大厦A座5层山东省龙口经济开发区圆壁张家村收集、贮存、利用HW06、HW08、HW09、HW42(综合利用)、HW11、HW12、HW13、HW17(焚烧)5000 2000 3000鲁危废临39号山东省环保厅五莲县光大废品处理有限公司五莲县洪凝镇洪凝村日照市五莲县城西环路中段西收集、贮存、利用HW 12 100 100鲁危废临42号山东省环保厅青岛亿安化工有限公司胶州市香港西路南胶州市香港西路南收集、贮存、利用HW06、HW11、HW42(含苯、甲苯、乙苯、苯乙烯废物)收集、贮存和利用400 400鲁危废临52号山东省环保厅淄博市临淄慧丰石油化工厂朱台镇宋桥村临淄区朱台镇宋桥村收集、贮存、利用HW11苯乙烯焦油8000 8000鲁危废临55号山东省环保厅烟台山水水泥有限公司山东烟台栖霞市中桥镇山东烟台栖霞市中桥镇收集、贮存、利用HW33(黄金冶炼过程产生的含氰冶炼废渣)200000200000鲁危废临56号山东省环保厅滨州市北辰环保科技有限公司滨州市惠民县魏集镇驻地滨州市惠民县收集、储存、利用HW08 50000 50000鲁危废临58号山东省环保厅高密市长丰化工有限公司潍坊高密高密市夏庄镇工业园区纱布厂院内收集贮存利用HW42废有机溶剂3000 3000鲁危废临60号山东省环保厅五莲县云龙化工有限公司五莲县洪凝镇同俗村五莲县洪凝镇同俗村贮存、收集、利用HW23 1200 1200鲁危废临62号山东省环保厅淄博建刚工贸有限公司淄博市张店区湖田镇官庄村张店区湖田镇官庄村收集、贮存、利用HW42 2000 2000鲁危废临63号山东省环保厅青州市至诚化工有限公司青州市邵庄镇东台头村青州市邵庄镇东台头村2 HW45 900 900鲁危废临65号山东省环保厅山东恒邦冶炼股份有限公司台牟平区水道镇金政街11号烟台牟平区水道镇收集、贮存、利用HW33 20000020000鲁危废临66号山东省环保厅胜利油田金岛实业有限责任公司东营市河口区孤岛真永乐路27号东营市河口区孤岛真孤四联合站北收集贮存利用HW08(采油厂集输站生产过程中产生的油泥砂35000 35000鲁危废临67号山东省环保厅利津县瑞海石油科技有限责任公司利津县津苑小区利津县陈庄工业园收集、储存、利用、含油泥砂50000 5000 45000鲁危废临68号山东省环保厅招远市天健化工有限公司路家村北招远市北路家村北收集、贮存、利用HW33 120000 120000鲁危废临69号山东省环保厅淄博通乾化工有限公司淄博市张店区湖田镇柳杭村张店区湖田镇柳杭村收集、贮存、利用HW42 15000 15000鲁危废临70号山东省环保厅文登市大方水泥厂文登市小观镇吴家庄609号文登市小观镇吴家庄609号利用HW21HW3323000 23000鲁危废临71号山东省环保厅山东滨州双信化工有限公司滨州市滨城区滨北办事处滨州市滨城区收集、储存、利用Hw08 3000 3000鲁危废临72号山东省环保厅淄博市周村华益溶剂化工厂山东省淄博市周村区北郊镇淄博市周村区梅河工业园路南周村区收集、贮存、利用HW02、HW06HW422000 2000鲁危废临73号山东省环保厅莱州方泰金业化工有限公司莱州市土山镇银海工业园区莱州市土山镇银海工业园区收集、贮存、利用HW33含氰化物尾矿渣130000 130000鲁危废临75号山东省环保厅东营华新环保技术有限公司东营市东营区南二路1502号东营市东营区南二路1502号收集、贮存、处置HW08 9900 9900鲁危废临80号山东省环保厅桓台县鑫荣化工有限公司桓台县唐山镇西马村桓台县唐山镇西马村收集、贮存、利用HW41废卤化有机溶剂9600 9600鲁危废临82号山东省环保厅泰安乐邦漆业有限公司新泰市羊流镇三洼村新泰市羊流镇三洼村2HWI2废漆渣200 200鲁危废临84 山东省环保厅垦利县东垦更新化工厂垦利县垦利镇德州路西段东营市垦利县垦利镇德州路西段收集;储存;利用废有机溶剂1200(硝基苯焦油800吨,苯胺焦油400吨)1200鲁危废临85 山东省环保厅山东腾跃化学危险废物研究处理有限公司济南市历城区花园路45号历城区机场路中段收集、贮存、利用HW21 70000 70000鲁危废临86 山东省环保厅淄博市临淄永泰实业有限公司淄博市临淄区乙烯南路淄博市临淄区乙烯南路收集、贮存、利用HW35废碱水14000 14000鲁危废临87号山东省环保厅青岛新世纪环保有限公司青岛市经济技术开发区海尔大道中段青岛市经济技术开发区海尔大道中段收集、贮存、利用HW17(废盐酸)10000 10000鲁危废临88号山东省环保厅临邑瑞博催化剂有限公司临邑县临邑县经济开发区、收集、储存、利用HW46 750 750鲁危废临89号山东省环保厅蓬莱荣洋钻采环保服务有限公司蓬莱刘沟山东蓬莱收集、贮存、利用HW08 10000 10000鲁危废临90 山东省环保厅山东锐博化工有限公司淄博市临淄胜炼大庆路3号临淄区辛化路17号收集、贮存、利用HW08 6000 6000鲁危废临0091号山东省环保厅山东中绿资源再生有限公司临沂市河东区临沂市河东区工业园收集、贮存、利用HW49(废旧电视机) 40万台40万台0废临0092号山东省环保厅临沂市利升铅业有限公司临沂市兰山区临沂市兰山区白沙埠镇小安子村收集、贮存、利用HW31(废铅酸蓄电池)32000 32000 0鲁危废临0093号山东省环保厅山东新宇环保技术工程有限公司龙口开发区海岱管理区上孟村山东省龙口经济开发区海岱管理区上孟村收集、贮存、利用***HW08、HW09、HW4950000 30000 20000鲁危证0001号山东省环保厅济宁华强科技有限公司山东济宁市任城区接庄镇任城区接庄镇收集、贮存、利用头孢废液300 300鲁危证0002号山东省环保厅青岛高晶化学有限公司城阳区流亭空港工业园城阳区流亭空港工业园收集、贮存、利用甲苯、二甲苯、异丙醇、丁醇、乙二醇、丙酮、丁酮、环乙酮、乙酸乙酯、醋酸丁酯、二氯甲烷、三氯甲烷、三氯乙烷、三氯乙烯450 450鲁危证0003号山东省环保厅淄博市临淄冰清精细化工厂临淄区皇城镇大蓬村临淄区皇城镇大蓬村收集、贮存、利用1.4-丁二醇废液/HW42(四氢呋喃废液1000 1000鲁危证0004号山东省环保厅东营市瑞兴环保技术有限公司东营市垦利县垦东办事处东营市垦利县垦东办事处回收处理利用Hw08 80000 80000鲁危证0005号山东省环保厅烟台市牟平区留德润滑油销售有限公司牟平区武宁镇常留庄村牟平区武宁镇常留庄村收集储存利用HW08 20000 20000鲁危证0006号山东省环保厅莱州金兴化工莱州市海庙后工业区185号收集、贮存、利用HW33 300000 300000鲁危证0007 山东省环保厅淄博临淄盛平化工厂临淄区皇城镇于家村临淄区皇城镇于家村东收集、贮存、利用HW41 1000 1000鲁危证0008号山东省环保厅临沂新洁环保有限公司临沂市兰山区临沂市高新技术开发区双月湖路南段收集、贮存、利用HW08废矿物油1800 1800鲁危证0009号山东省环保厅临邑县兴达化工有限公司临邑县经济开发区临邑县经济开发区收集、储存、利用HW08 3000 3000鲁危证0010号山东省环保厅莱州市汇川溶剂厂莱州市程郭镇高郭村莱州市程郭镇高郭村收集贮存利用HW08、HW40、HW41、HW422000 2000鲁危证0011号山东省环保厅胶州市金川化工公司胶州市南关办事处庄里头村胶州市南关办事处庄里头村收集、贮存、利用HW41废卤化有机溶剂;HW42废有机溶剂2000 2000鲁危证0012号山东省环保厅青州市胜利化工有限公司青州市邵庄工业园青州市邵庄镇工业园2 HW11 5000 5000鲁危证0013号山东省环保厅临朐县金大化工助剂有限公司临朐大关潍坊市临朐县大关镇工业街12号2 HW42 150 70 80鲁危证0014号山东省环保厅淄博市临淄津庆化工厂梧台政府西1.5公里临淄区梧台镇政府西1.5公里处收集、贮存、利用HW13 (环氧氯丙烷废液)125 125鲁危证0015号山东省环保厅济南天章润滑油脂厂济炼宿舍历城区董家镇机场路中段收集贮存利用HW08 3000 3000鲁危证00 16号山东省环保厅青岛黄金铅锌开发有限公司平度市灰埠镇大庄子村522号平度市灰埠镇大庄子村522号收集、贮存、利用HW33(金矿开采与筛选过程中产生的氰化尾渣)24000 24000鲁危证0017号山东省环保厅烟台环球环保设备有限公司烟台市莱山区两甲埠村烟台市莱山区两甲埠村收集、贮存、利用HW03、06、08、09、11、12、13、16、41、422500 1000 1500鲁危证0018号山东省环保厅莱阳市春帆漆业有限责任公司莱阳市玉岱路151号18号楼102室莱阳市山前店镇南张夼村收集贮存利用汽车喷涂过程中产生的废有机溶剂10000 10000鲁危证0019号山东省环保厅青州市宝昌化工厂青州市昭德工业园丰收一路东段青州市昭德工业园丰收一路东段2 HW11 5000 5000鲁危证0020号山东省环保厅山东国大黄金股份有限公司招远市国大路668号山东国大黄金股份有限公司招远市国大路668号收集、贮存、利用HW24HW337000060000070000600000鲁危证0021号山东省环保厅胶州市富田化工有限公司胶州市南关镇海尔大道中部胶州市南关镇海尔大道中部收集、贮存、利用HW13、HW42 5000 5000鲁危证0022号山东省环保厅淄博齐翔惠达化工有限公司淄博市临淄区南王镇新化路38号临淄区公泉路南首收集、贮存、利用HW13污泥、HW11焦油440 440鲁危证0023号山东省环保厅青岛胶洋化工有限公司胶州市洋河镇冷家村胶州市洋河镇冷家村收集、贮存、利用HW08废矿物油4000 4000鲁危证0024号山东省环保厅东营市寰海环保工程有限公司东营市东营港经济开发区东营港经济开发区收集、贮存、利用、处置、焚烧HW08 3000 3000鲁危证00 25号山东省环保厅山东青龙山有色金属有限公司滨州市邹平县青阳镇滨州市邹平县收集、储存、利用HW17、HW22、HW46、HW484340 840 3500鲁危证0026号山东省环保厅青岛立新环保有限公司青岛市瑞昌路98号胶州市204国道大西庄收集、贮存、利用HW17钢材表面除锈废液10000 10000鲁危证0031号山东省环保厅淄博市裕赢化工有限公司临淄梧台镇工业区辛兴村南临淄区梧台镇工业区辛兴村南收集、贮存、利用HW41生产氯乙烯产生的粗二氯乙烷废液8000 8000鲁危证0034号山东省环保厅烟台开发区三贡化工有限公司山东省烟台市福山区北四路蒲湾街山东省烟台市福山区北四路蒲湾收集、贮存、利用HW13、HW42 1500 1500鲁危证0035号山东省环保厅威海市环保科技服务公司环翠区光明路92号环翠区张村镇收集\转运\贮存HW04-09 、HW11-14、HW16 -18、HW21 -23、HW29HW31、HW33-36、HW39HW41-42、HW46、HW49鲁危证0036号山东省环保厅淄博市光华医疗废物处置中心张店区柳泉路222号淄博市临淄区南王镇南沣路中段收集、贮存、利用HW04、HW05、HW12、HW13、HW41、HW451500 1500鲁危证0037号山东省环保厅淄博琮源工贸有限公司齐鲁公司氯碱厂临淄区氯碱厂内临淄区收集、贮存、利用HW34、HW35废酸、废碱28200 2820011。