特种设备度检查表
- 格式:docx
- 大小:7.11 KB
- 文档页数:3
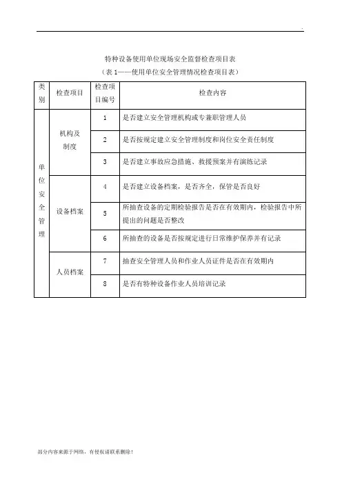
特种设备使用单位现场安全监督检查项目表(表1——使用单位安全管理情况检查项目表)特种设备使用单位现场安全监督检查项目表(表2——锅炉使用情况检查项目表)(表3——压力容器使用情况检查项目表)(表4——电梯使用情况检查项目表)(表5——起重机械使用情况检查项目表)(表6——场(厂)内机动车辆使用情况检查项目表)1附件3特种设备检验检测机构发现重大问题告知(报告)表检验员签名及日期:检验员联系电话:市级安全监察机构接收传真电话、人员姓名:接收时间:年月日时分县级安全监察机构接收传真电话、人员姓名:接收时间:年月日时分(注:本表一式四份,市、县级安全监察机构、检验检测机构、受检单位各一份)特种设备现场安全监督检查原始记录表特种设备现场安全监督检查记录附件6:特种设备安全监察指令书()质监特令[ ]第号:经检查,你单位(人)在特种设备安全方面存在下列问题:上述问题违反了《特种设备安全监察条例》第条的规定,根据《特种设备安全监察条例》第五十九条、的规定,责令你单位(个人)于年月日前采取以下措施予以改正或者消除事故隐患:如对本指令书不服,可在接到指令书之日起60日之内向申请行政复议,或者于3个月内向人民法院提起行政诉讼。
复议和起诉期间,不得停止改正或者停止消除事故隐患。
特种设备安全监察员签名:被检查单位(负责人)签名:(质量技术监督部门公章或者安全监察专用章)年月日备注:本指令书一式两份,发出部门、被检查单位各一份。
特种设备重点监控工作要求为加强对重点特种设备的安全监察,推进分级分类监管,切实防止和减少特种设备重特大事故的发生,根据安全生产法、《特种设备安全监察条例》、《国务院关于进一步加强安全生产工作的决定》等规定,现就开展特种设备重点监控工作提出如下要求:一、重点监控设备范围各省级质量技术监督局参照以下因素确定本省(区、市)的重点监控设备目录:(一)发生事故后可能造成10人以上死亡后果的特种设备;(二)重要场所使用的特种设备;(三)经检验判为限定条件使用的特种设备;(四)关系国家重大经济安全的特种设备。
续页:锅炉使用情况(—月)检查记录
填表: 审核:
填表: 审核:
填表: 审核:
起重机械使用情况(—月)检查记录
对生产过程中锅炉可能存在的隐患、有害危险因素、缺陷等进行查证,查找不安全因素和不安全行为,以确定隐患或有害、目的危险因素或缺陷存在状态,以及他们转化为事故的条件,以制定整改措施,消除或控制隐患和有害与危险因素,确保生产安全,使企业符合《特种设备安全技术规范的要求》
按照《特种设备安全技术规范的要求》的要求认真检查,不放过任何可疑点,检查出问题及时通知有关单位处理,暂时无法处理的应督促有关单位采取有效的预防措施,并立即向生产运行部或公司领导报告
检查人员
审核:
填表: 审核:。
起重机械安全检查表检查人签字:检查时间:年月日序号检查项目检查标准检查方法检查评价符合不符合及主要问题1技术文件和外观检查1)是否有额定起重量标志和有效的检验合格标志,并固定在醒目位置。
2)是否有特种设备岗位操作、防护措施和管理制度,并固定在醒目位置。
3)消防设施是否有效、可靠。
4)是否有自查和运行、维护保养记录。
5)特种作业人员的资格和数量。
6)安全距离和警示标志。
7)起重机械现场不得有任何杂物8)起重机械现场应定期清扫,保持整洁。
9)停止作业时是否按规定停放10)各设备是否按照规定进行润滑检查档案、记录及现场现场直观检查2钢丝绳1)钢丝绳每月必须进行二次及以上的润滑。
2)钢丝绳在一个捻距内钢丝断丝10%必须报废或更换。
3)吊运熔化或灼热的钢丝绳应采用石棉芯等耐高温的钢丝绳及其生产许可证。
4)钢丝绳应相匹配、楔快、绳卡固定应正确可靠。
5)钢丝绳磨损使其直径相对于公称直径减少7%及以上时,即使未断丝也必须报废或更换。
现场检查及档案检查3卷筒1)卷筒上钢丝绳的尾端的固定装置压板数和应有放松或自紧的性能,且每月至少检查一次。
2)卷筒出现裂纹或筒壁磨损达原壁厚的20%时应报废。
3)吊钩处于最低点时卷筒上至少留有三圈钢丝绳。
现场检查检查记录4滑轮1)无裂纹缺损,且转动灵活。
2)滑轮槽应光洁平滑,不得有损伤钢丝绳的缺陷。
3)滑轮应有防止钢丝绳跳出轮槽的装置。
用10倍放大镜检查现场检查5吊钩1)检查吊钩危险断面磨损和变形、防脱钩装置。
2)吊钩不许有裂纹,不许补焊。
用10倍放大镜检查6制动器1)制动器必须灵敏可靠。
2)控制制动器的操纵部位,应有防滑性能。
3)制动器对摩擦垫片应有补偿能力。
现场检查现场测试4)摩擦片磨损超过原厚度的50%,弹簧出现塑性变形,有裂纹等情况时必须报废。
5)通道口联锁保护装置是否可靠有效。
6)制动器制动轮摩擦面应接触均匀,不得有影响制动性能的缺陷或油污7安全防护系统1)上升限位器应完好可靠。
特种设备定期检查表
1. 概述
特种设备定期检查表旨在记录特种设备的定期检查情况,确保特种设备的正常运行和安全性。
此检查表适用于所有特种设备,如压力、锅炉、起重机械等。
2. 检查内容
特种设备定期检查应包括以下内容:
- 检查特种设备是否存在明显的磨损、腐蚀或其他损坏情况;
- 检查特种设备的传动部件是否运转灵活、无异常声音;
- 检查特种设备的电器设备是否正常工作;
- 检查特种设备的安全装置是否齐全、可靠。
3. 检查周期
特种设备的检查周期应根据实际情况进行确定,一般建议按照以下周期进行定期检查:
- 压力:每年检查一次;
- 锅炉:每半年检查一次;
- 起重机械:每季度检查一次。
4. 检查记录
特种设备的定期检查记录应包括以下内容:
- 检查日期;
- 检查人员姓名;
- 检查内容和结果;
- 需要修复或更换的部件;
- 下次检查日期。
5. 检查结果处理
根据特种设备定期检查的结果,应及时处理发现的问题。
若发现存在严重安全隐患的情况,应立即停止使用特种设备,并采取相应的维修或更换措施。
对于一般性问题,应及时进行修复或更换,确保特种设备的正常运行。
6. 结论
特种设备定期检查表是确保特种设备安全运行的重要工具。
通过按照检查内容和周期进行定期检查,并及时处理问题,可以有效预防特种设备事故的发生,保障人员和财产的安全。
特种设备安全检查
表汇编
目录
1.起重机械安全检查表 (1)
2.锅炉安全检查表 (5)
3.压力容器安全检查表 (9)
4.压力管道安全检查表 (11)
5.电梯安全检查表 (13)
6.客运索道安全检查表 (17)
7.大型游乐设施安全检查表 (19)
8.高压气瓶安全检查表 (21)
9.溶解乙炔气瓶安全检查表23
1. 起重机械安全检查表
2. 锅炉安全检查表
3. 压力容器安全检查表
4. 压力管道安全检查表
5. 电梯安全检查表
零线与接地线分开
导线与导线、导线对地间的绝缘电阻应大于1000/V 动力电路与安全装置电路的绝缘电阻不得小于0.5M
其他(控制、照明、信号等)电路的绝缘电阻应不小于0.25M
6. 客运索道安全检查表
7. 大型游乐设施安全检查表
8. 高压气瓶安全检查表
9. 溶解乙炔气瓶安全检查表。
特种设备专项操作安全检查表一、检查对象:特种设备操作人员二、检查内容:1. 工作岗位是否配备合适的特种设备操作人员;2. 操作人员是否具备相关岗位资质和培训证书;3. 操作人员是否熟悉特种设备的操作规程和安全操作流程;4. 操作人员是否了解特种设备的性能、结构和使用方法;5. 操作人员是否熟悉特种设备的故障排除和日常维护;6. 操作人员是否了解特种设备的安全警示标志和安全操作标准;7. 操作人员是否遵守特种设备的安全操作规定;8. 操作人员是否经常参加特种设备安全教育和培训。
三、检查要点:1. 验证操作人员是否持有相关特种设备操作资格证书;2. 查看操作人员的培训记录和证书;3. 考察操作人员对特种设备的操作规程和安全操作流程的熟悉程度;4. 考察操作人员对特种设备的性能、结构和使用方法的了解程度;5. 考察操作人员对特种设备的故障排除和日常维护的掌握程度;6. 验证操作人员对特种设备的安全警示标志和安全操作标准的了解程度;7. 观察操作人员在实际操作中是否遵循特种设备的安全操作规定;8. 考察操作人员是否经常参加特种设备安全教育和培训的情况。
四、检查方法:1. 面谈:与操作人员进行面对面的谈话,了解其对特种设备操作安全的认识和掌握程度;2. 观察:观察操作人员在实际操作中是否严格按照操作规程进行操作,是否注意特种设备的安全警示标志;3. 质询:向操作人员提问,考察其对特种设备的性能、结构和使用方法的了解程度;4. 考察:查阅操作人员的培训记录和证书,验证其相关资质;5. 检查:对特种设备操作场地进行巡查,确认是否符合安全要求。
五、检查结论:根据对特种设备操作人员的检查结果,给出检查结论,包括是否合格、需要进行进一步培训或整改等。
六、附录:特种设备操作人员的资质和培训要求参照相关法律法规和标准规范进行制定。
特种设备年度检查表
一、表格编号:SE-2021-001
二、检查项目
三、检查结果
经过年度检查,特种设备的各项检查项目均符合要求,设备运
行正常、安全可靠。
特种设备维护保养记录和重大事故记录完备,
相关证件有效。
设备的安全防护设施和消防设施均得到有效维护。
同时,特种设备没有违法违规记录。
四、存在问题
经过检查,未发现任何存在问题的情况。
五、下一步处理措施
根据特种设备年度检查结果,我们将继续保持设备的正常运行,并定期进行维护保养工作。
同时,将加强对设备的监管和记录,确
保设备的安全运行。
六、检查人员
七、备注
无
以上为特种设备年度检查表,请妥善保管和归档。
如有疑问,请及时联系相关部门。
特种设备季度检查表
1. 设备基本信息
设备名称:
设备型号:
设备编号:
2. 季度检查内容
2.1 外观检查
- 检查设备外观是否完好无损,无明显变形、裂纹等情况。
- 检查设备外部是否有杂物积聚,需要清理。
2.2 电气系统检查
- 检查设备电气系统的接地是否良好。
- 检查设备电源线是否损坏,需要更换。
- 检查设备电源开关是否正常、可靠。
2.3 冷却系统检查
- 检查设备冷却系统的冷却水循环是否正常。
- 检查设备冷却系统的冷却水泵是否运转正常。
2.4 安全防护装置检查
- 检查设备是否安装有必要的安全防护装置。
- 检查设备的安全防护装置是否正常工作。
3. 季度检查结果
3.1 检查人员
检查人员:
检查日期:
3.2 检查结论
根据季度检查内容,确认设备的运行状况,评估设备是否存在安全隐患,结论如下:
- 设备运行良好,无安全隐患。
- 设备存在部分问题,需要修复或更换相关部件。
- 设备存在严重问题,需要立即停用并进行维修。
4. 维护记录
4.1 维护人员
维护人员:
维护日期:
4.2 维护内容
记录设备维护过程中进行的维修、更换等操作。
5. 备注
在此处记录设备的特殊情况、其他需要说明的事项。
以上为特种设备季度检查表,用以对特种设备进行定期检查和维护。
在执行检查时,请严格按照检查内容进行,确保设备的正常运行和安全性。
特种设备安全检查表
2. 检查表
特种设备安全检查表如下:
项目检查内容是否合格
1 设备名称
2 设备型号
3 设备编号
4 安全阀压力
5 压力表指针是否正常
6 水位是否正常
7 温度是否正常
8 设备是否清洁
9 设备是否有异常声音
10 设备周围是否有杂物堆积
11 设备是否有漏水现象
12 设备是否有明显损坏
13 设备是否有异味
14 设备接地是否良好
15 设备使用人员是否熟悉操作规程
16 设备是否存在紧急切断装置
17 设备是否有警示标识
18 设备电源是否正常
19 设备接线是否规范
20 设备运行是否稳定
4. 总结
特种设备的安全检查是确保设备安全运行的重要环节,在生产过程中需要高度重视。
通过合理的安全检查措施,可以及时发现并解决潜在的设备问题,减少事故的发生。
本文档提供了一份简单明了的特种设备安全检查表,希望能够为特种设备安全管理工作提供一些参考。
注:本文档仅为示例,实际的特种设备安全检查表应根据具体设备的特点和要求进行适当修改和完善。