应用于高压输电线路微机保护新型数据采集系统设计
- 格式:doc
- 大小:17.50 KB
- 文档页数:6
摘要在电力系统中,输电线路是最重要的部分,因此,输电线路的保护对于整个电力系统的稳定运行有非常重要的意义。
电力系统继电保护装置是反映电力系统故障和不正常运行状态、并且作用于断路器跳闸和发出告警信号的设备。
随着电力工业的发展和电压等级的不断升高,对微机保护装置的要求也越来越高,因此,研制出一种高性能的继电保护装置对于电力系统有重要的理论和现实意义。
论文论述了微机保护装置在国内外的发展历史和研究现状,详细的分析了短路故障的形成,原理及产生的危害,对线路设备造成的影响,以及三段式保护的相关设计原理和整定方法。
并为此设计了一套由电压、电流采集电路;A/DMAX197转换电路;数据采集电路和发光二极管显示电路组成的微机保护装置。
关键词:微机保护;三段式保护;短路故障;A/D转换;ABSTRACTIn the power system, the transmission lines is the most important part, therefore, the transmission line protection for the whole of the stable operation of the power system has a very important significance. And the safe and stable operation of the power system to the national economy and people's life and social stability has a very significant influence. Power system protection device is a reflection of the electric power system fault and not normal working conditions, and has an effect on circuit breaker tripped and issued a warning signal equipment. Along with the development of the electric power industry and the voltage level upwards, to the requirements of the microcomputer protection device more and more is also high, therefore, to develop a kind of high performance relay protection device for electric power system is of great theoretical and practical significance.This paper discusses the microcomputer protection device in the domestic and foreign development history and status, and detailed analysis of the formation of the short circuit faults, principle and dangers, the impact of the line equipment, and the protection of three design principle and relevant setting method. And for this design by a set of voltage, current acquisition circuit; A/DMAX197 transform circuit; Data acquisition circuit and leds display circuit composed of microcomputer protection device.Keywords:Microcomputer protection; Tasting protection; Short circuit fault; A/D conversion目录1 绪论 (1)1.1 微机保护的意义 (1)1.2 微机继电保护系统的发展历史及国内外研究现状 (1)1.3 微机保护装置的特点 (2)2 故障分析与保护 (4)2.1 电力系统故障分析的目的与内容 (4)2.2 短路的种类 (5)2.3 短路的危害 (6)2.4 谐波概述 (6)2.5 继电保护的分类 (7)2.5.1 线路保护 (7)2.5.2 变压器保护 (7)2.5.3 发电机保护 (8)2.5.4 母线保护 (8)3 保护原理及整定方法 (8)3.1 电流速断保护 (8)3.2 瞬时电流速断保护 ( I 段) (9)3.3 限时电流速断保护(II 段) (12)3.4 定时限过电流保护(III 段) (15)3.5 三段式电流保护的特点 (18)3.6 零序电流保护 (18)4 微机式保护设计 (19)4.1 保护装置实现的功能 (19)4.2 结构框图 (19)4.3 数据采集电路硬件设计 (20)4.3.1电压、电流采集电路 (20)4.3.2数据采集电路 (21)4.3.3硬件电路器件的介绍 (22)4.3.4 数据采集系统完成的功能 (27)4.4 按键和显示电路设计 (27)4.5 装置实现的功能 (29)4.6 装置的硬件抗干扰措施 (30)4.7 本章总结 (31)结论 (32)参考文献 (33)附录一 (35)附录二 (36)附录三 (37)附录四 (38)翻译部分英文原文 (39)中文译文 (50)致谢 (58)1 绪论1.1 微机保护的意义电力在国民经济和人民生活中处于非常重要的位置。
继电保护工专业知识考试题库含答案一、单选题1、省电网220千伏及以上线路、母线、发电机、变压器、电抗器等电气元件正常运行均应有(C)若快速保护退出,必须采取临时措施,否则一次设备必须停役。
(A)高频保护(B)后备保护(C)快速保护(D)过流保护2、距离保护Ⅱ段的保护范围一般为(C)。
(A)线路全长85%(B)线路全长(C)线路全长及下一线路的30%~40%(D)线路全长及下一线路全长3、110kV线路TV二次电压回路断线时对重合闸同期的影响是(B)。
(A)可实现同期合闸(B)不能实现同期合闸(C)可能能实现同期合闸(D)也有可能不能实现同期合闸、可实现检无压合闸4、当变压器外部故障时,有较大的穿越性短路电流流过变压器,这时变压器的差动保护(C)。
(A)立即动作(B)延时动作(C)不应动作(D)视短路时间长短而定5、PT失压时,线路微机保护应将(C)自动闭锁。
(A)电流差动保护(B)电流速断保护(C)距离保护(D)零序电流保护6、继电保护室(含高压室)空调设备应随时处于完好状态,温度设为(C)℃,应控制继保室内(含高压室)环境温度在5~30℃范围内,应防止不良气体和灰尘侵入。
(A)15(B)20(C)25(D)307、零序电流的大小,主要取决于(B)。
(A)发电机是否接地(B)变压器中性点接地的数目(C)用电设备的外壳是否接地(D)故障电流。
8、只有发生(C),零序电流才会出现。
(A)相间故障(B)振荡时(C)接地故障或非全相运行时(D)短路。
9、过流保护加装复合电压闭锁可以(C)。
(A)加快保护动作时间(B)增加保护可靠性(C)提高保护的灵敏度(D)延长保护范围。
10、零序保护能反应下列哪种故障类型(A)。
(A)只反映接地故障(B)反映相间故障(C)反映变压器故障(D)反映线路故障。
11、在大接地电流系统中,线路发生接地故障时,保护安装处的零序电压(B)。
(A)距故障点越远就越高(B)距故障点越近就越高(C)与故障点距离无关(D)距离故障点越近就越低。
高压微机线路保护员工培训讲义目录1. 继电保护基本概念 (1)1.1继电保护在电力系统中的作用 (1)1.2对电力系统继电保护的基本要求 (2)1.3输电线路继电保护 (3)2. 微机保护的硬件和软件系统 (5)2.1微机保护的硬件系统 (5)2.1.1 模拟量数据采集系统 (6)2.1.2 开关量的输入输出系统 (8)2.2微机保护的软件系统 (10)2.2.1 软件主程序结构 (10)2.2.2 保护继电器算法 (11)2.2.3 对称分量法简介 (16)2.3RCS-900线路保护装置的硬件说明 (17)2.3.1 电源插件(DC) (17)2.3.2 交流输入插件(AC) (19)2.3.3 操作回路插件SWI(以RCS-941为例) (20)2.3.4 显示面板(LCD) (21)2.3.5 其它插件 (21)3.RCS-900系列线路保护装置继电器的工作原理 (22)3.1动作继电器 (22)3.1.1 阻抗继电器 (22)3.1.2 工频变化量距离继电器 (31)3.1.3 工频变化量方向继电器(ΔF+,ΔF-) (37)3.1.4 零序方向继电器 (40)3.1.5 电流差动继电器 (42)3.2协同动作继电器工作的辅助继电器 (47)3.2.1 装置总起动元件 (47)3.2.2 电压断线闭锁元件 (49)3.2.3 交流电流断线判断元件 (50)3.3线路自动重合闸 (50)3.3.1 自动重合闸的作用及应用 (50)3.3.2 自动重合闸的工作方式及动作过程 (51)3.3.3 自动重合闸的起动方式 (52)3.3.4 重合闸的前加速和后加速 (53)3.3.5 重合闸的充电与闭锁 (54)4. RCS-900纵联保护 (58)4.1绪论 (58)4.1.1 通道类型 (58)4.1.2 信号的种类 (60)4.2闭锁式纵联保护 (61)4.2.1 闭锁式纵联保护基本原理 (61)4.2.2 闭锁式纵联保护的逻辑关系 (62)4.2.3 闭锁式纵联保护的重点问题 (62)4.3允许式纵联保护 (67)4.3.1 允许式纵联方向、距离保护 (67)4.3.2 允许式纵联保护的重点问题 (69)4.4纵联保护通道 (72)4.4.1 高频通道 (72)4.4.2 专用收发讯机 (73)4.4.3 光纤通信接口装置 (76)4.4.4 光电转换接口装置 (76)4.4.5 MUX-31通道切换装置 (77)4.4.6 光纤通信接口装置的使用连接图 (77)1. 继电保护基本概念1.1 继电保护在电力系统中的作用图1-1电力系统单线接线图电厂变电所地理分散的发电厂通过输电线路、变压器和变电所等相互连接形成电力系统,它包括发电、输电、配电、用电等4个环节。
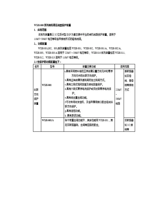
WXH-800系列微机高压线路保护装置1.应用范围该系列装置是以32位浮点型DSP为基本硬件平台的微机线路保护装置。
适用于110kV~500kV电压等级各种接线形式的输电线路。
2.、功能配置WXH-801(802、803)系列装置包括WXH-801、WXH-802、WXH-801/A、WXH-802/A、WXH-803、WXH-803/A适用于220kV~500kV电压等级; WXH-810系列装置包括WXH-811、WXH-812、WXH-813适用于110kV电压等级。
2.2 软硬件主要特点如下:●采用32位DSP作为保护CPU,具有强大的浮点数据处理能力,极大的提高了保护的计算精度和运算速度。
●数据采集采用16位A/D,保护测量精度高。
主后备保护有独立的A/D,A/D自动校准,不需要零漂及刻度调整。
●保护中保护中采用自适应振荡判别判据及自适应数据滤波器,增设了适用于弱电源侧的保护逻辑。
●硬件存储容量大,可存储多达100次保护事件报告记录。
装置任何操作,如装置上电、修改定值等均有记录。
●具有完善、灵活的后台分析调试软件。
●保护通道接口灵活,可以与载波通道(专用或复用)、光纤通道、微波通道等各种通道设备连接;构成允许式或闭锁式保护。
●故障总报告可连续记录16次,每次可记录故障前2周、故障后6周采样数据,报告全汉化输出,可采样值输出也可波形输出。
●采用80186芯片作为人机对话(MMI),LCD采用全汉化显示。
电流差动保护还有如下特点:●电流差动保护采用每周波96点高速采样以及专门模拟和数字滤波器,使得保护具有极强的数据抗干扰和谐波抑制能力,有效的提高保护的测量精度。
●采用自主开发的快速变数据窗相量算法,将计算的最小数据窗缩短到1/4工频周期,使得保护具有天然的抗TA饱和能力,动作速度有了明显的提高。
●保护中采用长、短线路及双、单电源系统以及振荡的自适应对策。
●具有TA断线检测和TA饱和判别及自适应功能。
电力采集系统的架构设计随着电力工业的飞速发展,电力采集系统的应用越来越广泛。
电力采集系统是电力工业中不可或缺的组成部分。
在电力数据的采集、存储、处理以及传输中,电力采集系统发挥着重要的作用。
为了保障电力系统的稳定运行,提高电网运行效率和安全性,电力采集系统必须得到优化和改进。
一、概述电力采集系统是指用于电网数据采集的硬件和软件系统。
它可以采集电力系统中的各项运行指标,如电压、电流、功率等,以便及时掌握电网运行情况,实时监控电力设备的运行状态并进行故障诊断和预警,确保电力系统的稳定运行。
电力采集系统主要分为硬件系统和软件系统两个部分。
二、硬件系统电力采集系统的硬件系统主要由采集终端、传感器、通信设备、开关柜等组成。
其中,采集终端是整个系统的核心,它能够将传感器监测到的电力信号转化为数字信号,并通过通信设备传输到上位机。
传感器根据不同的要求采集电力系统中各种参数,如电压、电流、功率因数等等。
通信设备主要是负责将采集终端采集到的数据传输到上位机,并接受上位机下发的指令。
开关柜则用于电力系统的控制和管理,如开关控制、电流互感器、电压互感器安装等等。
三、软件系统电力采集系统的软件系统主要由上位机软件、数据处理软件和数据库三个部分组成。
上位机软件是系统最直接的人机交互界面,主要负责监控、控制和指令下发等功能。
数据处理软件则主要负责对采集的电力信号进行处理和分析,以便长期监测、调试和维护电力设备。
数据库是整个系统的数据存储中心,它保存了所有的历史数据和实时数据,并提供了数据查询和分析的功能。
四、架构设计电力采集系统的架构设计是整个系统的核心。
它决定了整个系统的功能和性能。
在进行架构设计时,应该根据实际需求考虑系统的可扩展性、可靠性和可维护性等方面的问题,以确保系统的稳定运行和长期发展。
采用分层架构设计在电力采集系统的架构设计中,采用分层架构设计是比较常见的设计方法。
分层架构设计可以将硬件系统和软件系统分离,使整个系统更具灵活性和可扩展性。
继电保护1、【判断题】当采用控制开关或通过遥控装置将断路器操作跳闸时,自动重合闸将自动合闸。
(×)2、【判断题】微机型变压器差动保护其幅值调整与相位补偿一般通过改变电流互感器接线实现。
(×)3、【判断题】限时电流速断保护灵敏度校验条件为以本线路末端两相短路时,流过保护的最小短路电流进行校验。
(√)4、【判断题】电动机在起动过程中或运行中发生堵转,转差率为0.5。
(×)5、【判断题】本线路的限时电流速断保护与下级线路瞬时电流速断保护范围有重叠区,当在重叠区发生故障时将由前者动作跳闸。
(×)6、【判断题】后备保护一般比主保护动作延时要短。
(×)7、【判断题】备用电源自动投入装置工作时,备用电源投入到故障时,继电保护应不动作。
(×)8、【判断题】中性点不接地系统是指电力系统中性点不接地。
(√)9、【判断题】断路器控制回路应具有防止断路器多次分、合动作的“防跳回路”。
(√)10、【判断题】微机保护采样频率越低,越能真实反应被采样信号。
(×)11、【判断题】限时电流速断保护的要求是,保护范围在任何情况下必须包括本线路及下级线路全长,并具有规定的灵敏度。
(×)12、【判断题】电力系统短路中单相短路、两相短路为不对称短路。
(√)13、【判断题】从屏正面看,将各安装设备的实际安装位置按比例画出的正视图为屏背面接线图。
(×)14、【判断题】运行统计资料表明,线路重合闸成功率很高,约为90~99%。
(×)15、【判断题】电动机的过负荷保护的动作对象可以根据对象设置动作于跳闸或动作于信号。
(√)16、【判断题】备用电源自动投入装置应保证备用变压器断开后,备用电源才能投入。
(×)17、【判断题】从屏背面看,表明屏内安装设备背面引出端子之间的连接关系,以及端子排之间的连接关系的图纸为端子排图。
(×)18、【判断题】在使用跌落式熔断器时,应按照额定电压、额定电流和额定开断电流选择。
浅谈变电站综合自动化系统针对变电站综合自动化系统在实际工作中应用的开展情况,从变电站综合自动化系统的设计指导思想、系统功能概述以综合自动化的优点等方面来说明综合自动化的重要性及前景标签:变电站综合自动化;设计指导思想;功能一、变电站综合自动化变电站综合自动化系统是利用先进的计算机技术、现代电子技术、通信技术和信息处理技术等实现对变电站二次设备(包括继电保护、控制、测量、信号、故障录波、自动装置及远动装置等)的功能进行重新组合、优化设计,对变电站全部设备的运行情况执行监视、测量、控制和协调的一种综合性的自动化系统。
通过变电站综合自动化系统内各设备间相互交换信息,数据共享,完成变电站运行监视和控制任务。
变电站综合自动化替代了变电站常规二次设备,简化了变电站二次接线。
变电站综合自动化是提高变电站安全稳定运行水平、降低运行维护成本、提高经济效益、向用户提供高质量电能的一项重要技术措施。
二、设计指导思想传统的变电站是面向功能的设计,将变电站分为继电保护、监控、故障录波、电能计费、通信、远动等不同种类的功能,分别设计自己的系统。
在微机化以前,这几部分不仅功能不同,实现原理和技术也各不相同,因而长期以来形成了不同的专业和管理部门。
随着集成电路和微机技术的发展,上述各部分二次设备开始采用微机化。
这些微机型装置尽管功能不同,但其硬件结构大同小异,除微机系统自身外,一般都是由对各种模拟量的数据采集回路和I/O回路组成,而且所采集的量和所控制的对象还有很多是共同的,因而显得设备重复、互联复杂。
为了从全局出发来考虑全微机化的变电站二次部分的优化设计,尽量使各二次回路部分硬件资源共享、信息共享,从而产生了变电站综合自动化。
三、变电站综合自动化所体现的功能:变电站综合自动化功能的综合是其区别于常规变电站的最大特点,它以计算机技术为基础, 以数据通讯为手段,以信息共享为目标。
变电站综合自动化功能由电网安全稳定运行和变电站建设、运行维护的综合经济效益要求所决定。
110kV输电线路微机保护的初步设计本文利用STC12C5A60S2单片机为主机,初步设计出了一套微机继电保护系统。
依据模块化的设计思路,将硬件区分成各个功能模块,包括数据采集模块、开关量输入输出模块、人机接口模块、电源模块和CPU主系统模块,各模块分别实现不同功能并互相配合。
同时,选取适当的算法,对输入电气量的采样数据进行分析、运算和处理,从而实现了对于110kV输电线路的微机距离保护。
标签:输电线路;微机保护;STC12C5A60S2;设计0 引言在当今世界,电能已发展为最主要的能源之一,几乎融入到人类一切的日常活动中。
等级逐渐提高的电网电压,以及日益增加的负荷,都使得输电安全成为了一项重要的研究课题。
继电保护作为电力系统重要的一部分,担负着整个电网安全、平稳和可靠运行的责任。
伴随着电力系统的高速发展和人们对电能质量的严格要求,为了实现输电线路的安全可靠运行,必须对其实施性能较高的微机保护[1]。
因此,本文对于输电线路微机保护的设计和研究,具有十分重要的理论意义和现实意义。
1 系统总体概况硬件电路作为整个微机保护系统的基础,其设计的好坏,直接影响到微机保护装置功能的实现与否,软件的设计同样起着决定性的作用。
微机保护系统具体可分为数据采集模块、开关量输入输出模块、人机接口模块、电源模块以及CPU 主系统模块等基本部分[2],其结构框图如图1所示。
(1)数据采集模块:该模块输入端为各模拟电量,可利用该模块将其转化为待处理的数字量。
(2)开关量输入输出模块:主要进行系统外开关量输入和人机交互、闸间保护、显示信息及告警功能等。
(3)人机接口模块:微机继电保护的人机接口主要是键盘输入、显示模块与CPU接口电路。
(4)电源模块:微机保护系统的电源负责逆变功能,对交流电量进行整流,获得CPU系统要求输入的直流电压。
(5)CPU主系统:该系统对数据采集模块输出的电量进行判断和分析,从而实现继电保护功能和协调功能。
第一章1-1、电网监控与调度自动化系统结构与功能?答:以计算机为核心的电网监控与调度自动化系统的基本结构按其功能可分为四个子系统。
(1)信息采集和命令执行子系统。
与主站配合可以实现四遥(遥测、遥信、遥控、遥调)功能。
(2)信息传输子系统。
有模拟传输系统和数字传输系统,负责信息的传输。
(3)信息的收集、处理和控制子系统。
将收集分散的实时信息,并进行分析和处理,并将结果显示给调度员或产生输出命令对系统进行控制。
对其信息作出决策,再通过硬件操作控制电力系统。
1-2、电网监控与调度自动化系统的管理原则和主要技术手段?答:电力系统调度的目标是实现对变电站运行的综合控制,完成遥测和遥信数据的远传,与控制中心的变电站电气设备的遥控与遥调,实现电力调度系统的自动化。
应用主要技术手段:配电管理系统和能量管理系统。
配电管理系统包括配电自动化(DA),地理信息系统(GIS)配电网络重构,配电信息管理系统(MIS)需方管理(DSM)等部分。
能量管理系统主要包括数据采集与监控(SCADA)、自动发电控制与经济调度控制(AGC/EDC)、电力系统状态估计与安全分析(SE/SA)、调度员模拟培训(DTS)。
第二章2-1、简述交流数据采集技术方案的基本原理。
答:交流数据采集技术方案的基本原理选择交流信号的某一点为采样起始点,在交流一个周期T内均匀分布采集N个点,电压信号经A/D变换后得到N个二进制数,通过计算机的处理,可以采集得到所需对象的有效值,初相位等参数。
2-2、简述微机变送器的组成与工作过程。
答:微机变送器由交流信号输入回路,采集保持器,A/D转换器、CPU和存储器以及工频跟踪和采样时序电路等组成。
输入信号经相应的TA或TV变换成0-5V交流电压信号。
输入到多路模拟电子开关,CPU将当前需采集的路号地址送到MPX,MPX立即将选定的模拟电压输出刀采样保持器。
采样保持器按确定的采样时序信号采集该交流信号,当保持脉冲到达后,其输出信号保持不变。
35 kV 输电线路继电保护系统设计摘要:在现在的电网中,输电线路显得尤其重要,输电线路和电网系统的安全有着紧密的联系,一个出问题,另一个也就会出故障。
所以,如何快速而有准确的去解决问题,这便给输电线路的保护提了很高的一个要求。
本文35kV输电线路继电保护系统的设计主要是利用距离保护原理,还得加上微机保护装置,在许多的高压电网中设计的一套保护系统。
距离保护可以很好的对所设计的输电线路进行保护,它可以看出来线路中是不是有故障,或者说是可以鉴定它有没有在保护区之内,然后来观察动作的大小,距离保护克服了很大的影响,因为电流和电压保护的缺点由系统运行模式去决定,还有很好的保护性能。
关键词:继电保护;继电保护;距离一、绪论由于在露天环境下,分布着许许多多的架空线路,而且长时间处于运行状态中,又因为平时可能会受到火灾,或者周围的一些自然环境发生改变等等诸多影响,可能会导致输电线路在运行的时候会发生一些故障。
在过去的很多时间里,因为要杜绝这类不安全事故(短路故障)的发生,但同时还得保证输电线路得保持运行状态,那么就有必要对线路进行检测,保护和修缮。
在高压输电线路保护的现实运用中,常常会发生故障,这就影响了继电保护装置的积极功能,在工作过程中,可能运行的设备就会特别多,保障电气设备的安全运行才可以提高输配电的服务质量水平。
对于35kV输电线路的运行而言,加强继电保护的应用是重中之重,而当高电压电力系统出现故障时,如果有继电保护的话,就会对它发出报警信号,从这一点就看出来了电气系统继电保护的必要性[1]。
二、输电线路故障分析与保护配置在外边的环境里,分布着许许多多的架空线路,而且长时间处于运行状态中,又因为平时可能会受到火灾,或者周围的一些自然环境发生改变等等诸多影响,可能会导致输电线路在运行的时候会发生一些突发性的意外。
(一)、引起故障的原因1. 雷击故障当输电线路正常工作的时候,突然来一声爆雷,很有可能会发生故障,而它可以分为好几种类型,导线和金属可能会对横担构件放电,而且第一片绝缘子也可能会对导线放电,复合绝缘子之间会相互放电等等很多类型,而且雷击状况的出现会让低零值绝缘子钢帽发生爆裂,可能会导致发生断电[2]。
39.对于〔〕,当保护范围内部故障时,不会增大电流互感器的负担而使电流互感器饱和产生很大误差。
但是,当外部故障时,全部故障电流将流过故障支路,使其电流互感器出现饱和时,母线差流回路中由于阻抗很小会通过很大的不平衡电流。
〔A〕低阻抗型母线差动保护;〔B〕中阻抗型母线差动保护;〔C〕高阻抗型母线差动保护;〔D〕中、高阻抗型母线差动保护;参考答案:A40.采用接线方式的功率方向继电器,,( )。
(A) (B) (C) (D)参考答案:D41.按900接线的功率方向继电器,假设线路短路阻抗角为那么线路上发生三相短路时电压超前电流的角度为〔〕。
(A) (B) (C) (D)-参考答案:C42.在发生短路时,通过故障点很大的短路电流和所燃起的电弧,可能使非故障元件损坏;〔〕参考答案:错43.继电保护装置是电力系统中重要的一次设备。
〔〕参考答案:错44.电力系统故障时,保护装置的动作策略都是通过断路器切除故障〔〕。
参考答案:错45.一个满量程电压为10V的12位转换器,能够分辨模拟输入电压变化的最小值为2.44。
〔〕参考答案:对46.直接式转换速度快,式转换速度较慢。
〔〕参考答案:对47.直接式数据采集系统中需由定时器按规定的采样问隔给采样保持芯片发出采样脉冲;而式数据采集系统的工作根本不需控制,只需按采样间隔读计数器的值即可。
〔〕参考答案:对48.电流保护定值计算受系统运行方式变化影响大,而距离保护定值计算受系统运行方式变化影响相对较小。
〔〕参考答案:对49.电磁继电器组成的瞬时电流速断保护中,可以不包含中间继电器。
〔〕参考答案:错50.电磁继电器组成的限时电流速断保护中,可以不包含时间继电器。
〔〕参考答案:错51.电流互感器〔〕的二次侧必须接地。
〔〕。
应用于高压输电线路微机保护新型数据采
集系统设计
摘要:随着微机保护的发展,一些新的保护原理和方案的出现对构成微机保护装置的硬件平台提出了更高的要求,尤其是对采样速率提出了更高要求。
本文介绍的新型高速数据采集系统采用了数字信号处理器(DSP)和模数(A/D)转换芯片AD7656,逻辑控制电路使用复杂可编程控制器件(CPLD)作为整个系统的逻辑控制芯片。
该系统具有采样速率高、精度高及高可靠性等优点。
关键词:微机保护数据采集数字信号处理器复杂可编程控制器件
中图分类号:TN710 文献标识码:A 文章编号:1007-9416(2012)07-0144-03
随着微机保护的发展一些新的保护原理和方案特别是基于故障波形特征(暂态分量)或高频分量的保护原理以及基于人工神经网络(ANN)和模糊集理论的智能保护方案受到了越来越多的关注并逐步实用化。
这些新方法在改善保护性能的同时也对保护装置的计算精度和速度提出了更高的要求。
另外,变电站综合自动化和数字化变电站的发展,也要求微机保护硬件具有高度集成化、标准化和开放性。
基于上述要求,本文提出一种可应用于高压输电线路微机
保护的新型数据采集系统。
该数据采集系统采用ANALOG公司的16位数据采集芯片AD7656,该芯片内部带有独立的高速6通道同步采样保持器和模数转换器,简化了外围电路设计,可以自动完成多路输入通道的数据采集工作而无需处理器的干预。
1、数据采集系统的硬件结构
数据采集系统包括模拟量预处理(电压、电流变换和低通滤波)、采样保持及模数转换等功能模块,完成将模拟输入量准确地转换成所需的数字量,传给处理器(DSP)进行相关处理、计算。
其中AD7656芯片完成了采样保持和模数转换功能,处理器采用DSP芯片TMS320VC33,二者之间逻辑使用CPLD芯片XC95144,如图1所示。
2、系统各部分原理图及主要芯片
2.1 模拟量预处理
输入模拟信号是由电压、电流互感器二次侧输出的9路工频电压、电流信号。
在进行A/D转换之前,每路输入的模拟信号须经过信号变换以满足A/D转换器件量程,并滤除高频成分以满足采样定理要求。
如图2所示为信号变换和RC低通滤波电路[8]。
交流模拟量变换回路的基本设计原则是:要保证各电压/电流互感器的一次、二次侧之间相位位移保持一致;互感器要在整个工作范围内保持线性传输,输入小信号不失真,输
入大信号不饱和。
AD7656芯片输入电压范围设为±5V(±5V、±10V可选),为了使电压/电流变换器二次侧信号与A/D量程匹配,电压变换器应选用变比为(100/)/(5/)=100/3.53。
若高压电流互感器二次额定电流为(一般为5A或1A),为了保证其线性范围,电流变换器变比为20/3.53。
由于无源滤波器具有结构简单、能经受较大的浪涌冲击、可靠性高的特点,而高阶的模拟滤波器将带来长的过渡过程,有可能影响保护的速度,所以一般选择采用一阶RC无源低通滤波器。
本系统采样频率设为 1.6kHz,即每周波采32点,若按2.5倍频滤波应滤除0.64kHz以上高频信号分量,则电阻R参数选为2.5kΩ,电容C参数选为0.1μF。
低通滤波的幅频/相频响应如图3所示。
可见,在截止频率ω=2πf=4019.2rad/s处,信号幅度低于0.707。
稳压管组成双向限幅,使A/D变换芯片的输入电压限制在峰-峰值±5V以内。
2.2 模数转换与DSP芯片及原理电路
模数转换采用的AD7656是Analog公司生产的一款16位高速6通道同步采样芯片,功能框图如图4所示。
它内部带有6个高速同步采样/保持电路通道和16为逐次逼近型模数转换器(ADC),采样速率250kSPS,满足实时性要求。
AD7656的6路模拟输入分为三组,分别由CONVSTA、CONVSTB、CONVSTC 来控制启动,可通过引脚或软件方式设定输入电压范围
(±10V或±5V,为±4×VREF或±2×VREF),它提供了可选的高速并行或串行接口,从而允许该器件与微处理器(MCU)或数字信号处理器(DSP)连接,每个通道的输出都可为一个16位字,可见它非常适合于多路采集系统需要。
处理器所采用的TMS320VC33是TI公司的一种DSP芯片,除具有一般浮点DSP的优点之外,还具有众多的内部资源:34K×32位双存取的SRAM,4K×32位的片内屏蔽式的ROM,还包括一个串口、两个定时器及DMA控制器等,为设计提供了很大的便利。
由于它采用了内部1.8V、外部3.3V供电,因而功耗比原有型号降低了大约一个数量级。
处理器与模数转换间的逻辑控制用CPLD完成。
本装置使用Xilinx公司的CPLD器件——XC95144。
XC9500系列器件的最快达3.5ns,宏单元数达288个,可用门数达6400个,系统时钟可达到200MHZ。
XC9500系列器件采用快闪存储技术(Fast FLASH),功耗低。
XC9500系列产品符合PCI总线规范;含JTAG测试接口电路,具有可测试性;具有在系统可编程(ISP:In System Programmable)能力;具有5v和3.3v工作电压混合模式;有很好的保密和抗干扰能力等等。
XC9500系列可提供从最简单的PAL综合设计到最先进的实时硬件现场升级的全套解决方案。
由于TMS320VC33的I/O口电压为3.3V,为了与其匹配, AD7656数据逻辑输出电压也应为3.3V,即将TMS320VC33的DVDD与AD7656的VDRIVE同
接到+3.3V电源。
下面考虑AD7656与TMS320VC33接口电路的设计。
如图5,是AD7656与TMS320VC33接口电路原理图,为了简化两片AD7656只画出一片。
高压输电线路微机保护输入的9路模拟信号需要两片AD7656芯片来完成。
两个芯片的6个采样使能端CONVSTA/B/C连在一起,这样可以进行9路模拟信号同步采样。
模数转换完成后,数据存储在输出数据寄存器中,BUSY 电平降低,两个芯片BUSY信号在CPLD中进行或逻辑,则两个芯片的模数转换全部完成再通过CPLD触发DSP中断,DSP 在中断处理程序中读数据。
、、接地则输出为并行模式,可一次读出16位数据。
通过片选和可以连续读出一个芯片6个通道的数据,然后通过CPLD的地址译码选择另一片AD,再读出3路数据,则可读出全部9路数据。
3、数据采集系统软件设计
数据采集系统软件设计的主要功能是完成数据采集,把数据读取到数据存储器,由DSP处理器进行数据分析与处理。
数据采集的流程为:DSP完成初始化自检后,首先设定定时器时间间隔,开放DSP的外部中断,启动定时器。
当定时采样周期到,定时器输出通过CPLD向A/D发采样命令,启动A/D转换。
数据采集工作主要在A/D中断服务子程序中进行。
当A/D转换完成后向DSP发出中断请求信号,DSP程序转入
外部A/D中断服务子程序,连续6次读取6路数据,然后通过片选选取另一个芯片,再次读取3个通道的转换结果,两次完成全部数据采样。
数据采集系统A/D中断服务子程序流程如图6所示。
4、结语
以上较完整的论述了应用于高压输电线路微机保护的新型数据采集系统设计的各个部分:模拟量处理、模数转换及其与DSP处理器的接口、软件流程等。
该系统具有采样速率高、精度高及高可靠性、高度集成化和开放性等特点。
参考文献
[1]杨奇逊.微型机继电保护基础.水利电力出版杜,1987.
[2]兀鹏越,俞霄靓.基于DSP的分布式微机保护测控装置的硬件设计.现代电子技术,2007,(21),109~111,114.
[3]TMS320VC33 Data Sheet[M].Dallas: Texas Instruments Incorporated,2004.
[4]AD7656 Data Sheet[M].Sunnyvale: Analog Devices,2004.。