洞口作业安全技术交底
- 格式:docx
- 大小:15.11 KB
- 文档页数:4
隧道洞口施工安全技术交底1. 引言本文档旨在交底隧道洞口施工的安全技术要求和注意事项。
隧道洞口施工是隧道工程的重要环节,涉及到施工人员的安全以及隧道的稳定性和工程质量。
因此,在施工过程中,必须严格遵守相关安全技术标准和规范,确保施工过程的安全和顺利进行。
2. 施工前的准备工作2.1 仔细阅读施工图纸和设计文件在进行隧道洞口施工前,施工人员必须仔细阅读施工图纸和设计文件,了解施工的要求和技术标准。
其中包括洞口开挖的尺寸、施工方法和顺序等内容。
2.2 安全防护措施的设置与检查在施工现场必须设置合理的安全防护措施,包括施工区域的围护设施、防护栏杆、安全标志等。
同时,要定期检查这些安全防护措施的完好性和有效性,确保施工人员的安全。
2.3 人员培训和技术交底所有参与隧道洞口施工的人员必须接受相应的培训,并在施工前进行技术交底。
技术交底内容包括洞口施工的方法、安全注意事项、应急处理措施等。
3. 隧道洞口开挖3.1 地质勘察与分析在进行隧道洞口开挖前,必须进行地质勘察与分析。
根据地质勘察结果,确定洞口开挖的方法、顺序和支护方式,以确保施工的安全性。
3.2 施工机械与设备选择合适的施工机械和设备进行洞口开挖作业。
这些机械和设备必须符合相关安全标准,并经过检修和保养,以确保其正常运行和安全性能。
3.3 施工过程中的监测与控制在洞口开挖过程中,必须进行实时的监测与控制。
监测内容包括地表变形、地下水位、岩层位移等。
一旦发现异常情况,必须立即采取相应的措施,以防止事故的发生。
4. 洞口支护与安全管理4.1 支护方式的选择根据洞口开挖的地质条件和设计要求,选择合适的支护方式。
常见的支护方式包括钢支撑、混凝土喷射、锚杆支护等。
支护工作必须符合相关技术标准和规范。
4.2 安全管理措施在施工过程中,必须严格执行安全管理措施。
这包括定期进行安全检查和巡视、加强现场安全教育和培训、加强对施工人员的安全监督等。
同时,要建立健全的事故应急预案,以应对突发情况。
明洞施工作业安全技术交底一、适用范围适用于隧道工程明洞施工。
二、作业准备1.内业技术准备作业指导书编制后,在开工前组织技术人员认真学习实施性施工组织设计,阅读、审核施工图纸,澄清有关技术问题,熟悉规范和技术标准。
制定施工安全保证措施,提出应急预案。
对施工人员进行技术交底,对参加施工人员进行上岗前技术培训,考核合格后持证上岗。
2.外业技术准备施工前安排测量技术人员对明洞边仰坡开挖面进行测量,将明挖部分按照设计坡度进行开挖,并及时进行坡面防护加固,确保在明洞衬砌施工过程中有足够的空间和安全要求;配备混凝土模板、插入式振捣器、振捣梁、输送泵、水泵等施工机具,以满足施工需要。
三、技术要求1.明洞及洞门混凝土在仰拱衬砌施工完成后一次连续浇筑。
2.为了确保暗洞洞口安全,在洞内衬砌两环之后再施工明洞及洞门砼。
3.明洞混凝土强度达到设计强度的100%后允许回填,明洞拱背回填土石应分层填筑和夯实,每层厚度不大于0.3m其两侧回填土高差不宜大于0.5m,回填至洞顶后即应满铺,严禁任意抛填。
4.临时边坡应开挖台阶并回填碎石。
四、施工程序与工艺流程1.施工程序明洞及洞门基坑开挖→施作垫层→仰拱及边墙脚钢筋砼施工→仰拱回填→台车定位→钢筋放样、绑扎→端模放样→止水带安装、沥青木丝板、泡沫板预埋→混凝土浇筑→脱模养护→涂抹TS-EVA多功能防水乳胶→3cm水泥砂浆抹面→防水卷材→盲管→5cm水泥砂浆抹面→回填→复耕绿化。
2.工艺流程见下图。
五、施工要求1.止水带安装(变形缝的处理)变形缝(沉降缝)的处理:隧道明暗洞交接点处需设置中埋式橡胶止水带,止水带采用φ10钢筋固定于堵头板上,施工方法如下:沿衬砌设计轴线间隔0.5m在挡头板上钻一φ12钢筋孔,将加工成型的φ10钢筋卡由先浇注混凝土一侧向另一侧穿入,内侧钢筋卡卡紧止水带一半,另一半止水带紧贴在挡头板上,止水带必须与挡头板正交。
待混凝土凝固后拆除挡头板,将原贴在挡头板上的止水带拉直后,弯曲钢筋卡套紧另一半止水带即可。
一、编制依据1. 《建筑施工安全规范》GB50345-20102. 《建筑施工高处作业安全技术规范》JGJ80-20163. 相关行业安全操作规程二、交底目的为确保预留洞口施工安全,提高施工人员安全意识,预防安全事故发生,特制定本安全技术交底。
三、交底内容1. 预留洞口施工前的准备工作(1)对预留洞口的位置、尺寸、深度等进行详细测量,确保准确无误。
(2)对预留洞口周边进行清理,确保无障碍物。
(3)对预留洞口周边的施工区域进行围蔽,设置警示标志,提醒施工人员注意安全。
2. 预留洞口施工过程中的安全措施(1)施工人员必须佩戴安全帽、安全带等个人防护用品。
(2)施工人员上下预留洞口时,必须使用安全梯或安全绳,不得随意攀爬。
(3)施工过程中,严禁在预留洞口周边进行焊接、切割等明火作业,如需进行,必须采取有效措施防止火花溅落。
(4)预留洞口周边的施工区域应设置安全防护设施,如防护栏、安全网等,确保施工人员安全。
(5)施工过程中,应随时检查预留洞口周边的防护设施,发现问题及时整改。
3. 预留洞口施工结束后的安全措施(1)施工结束后,应及时清理现场,恢复原状。
(2)对预留洞口进行封闭,防止人员、物体坠落。
(3)在预留洞口附近设置警示标志,提醒过往人员注意安全。
四、注意事项1. 施工人员必须熟悉本交底内容,严格遵守各项安全操作规程。
2. 施工过程中,如遇特殊情况,应及时上报,由现场负责人制定解决方案。
3. 施工单位应定期对施工人员进行安全教育培训,提高施工人员的安全意识。
4. 施工单位应加强对施工现场的安全管理,确保施工安全。
五、责任落实1. 施工单位负责组织施工,确保预留洞口施工安全。
2. 施工现场负责人负责现场安全管理,监督施工人员遵守安全操作规程。
3. 施工人员应自觉遵守安全操作规程,确保自身和他人的安全。
4. 监理单位负责对施工现场进行监督检查,确保施工安全。
本安全技术交底自发布之日起实施,如遇特殊情况,可根据实际情况进行调整。
一、交底目的为确保施工现场洞口临边作业的安全,防止坠落事故的发生,提高施工人员的安全意识和自我保护能力,特制定本安全技术交底。
二、交底对象所有参与洞口临边作业的施工人员、管理人员及现场监督人员。
三、交底内容1. 洞口临边作业定义洞口临边作业是指在施工现场,因工程和工序需要而产生的,使人与物有坠落危险或危及人身安全的场所进行作业。
2. 洞口临边作业危险源分析(1)坠落:施工人员在高处作业时,因洞口临边防护措施不到位,容易发生坠落事故。
(2)物体打击:施工人员在高处作业时,下方人员或物体掉落,可能造成人员伤害。
(3)触电:洞口临边附近可能存在电线、电缆等电气设备,施工人员操作不当可能发生触电事故。
3. 洞口临边作业安全防护措施(1)设置防护栏杆:在洞口临边处设置符合规定的防护栏杆,栏杆高度不低于1.2米,间距不大于2米。
(2)设置安全网:在洞口临边上方设置安全网,安全网应满足规定的抗拉强度和抗冲击性能。
(3)加盖件:对洞口临边处的孔洞,应设置符合规定的盖板,盖板应能防止挪动移位。
(4)设置警示标志:在洞口临边附近设置明显的警示标志,提醒施工人员注意安全。
(5)安全用电:洞口临边附近存在电气设备时,应采取相应的安全措施,如绝缘、接地等。
4. 洞口临边作业操作规程(1)施工人员进入洞口临边作业区域前,必须佩戴安全帽、安全带等个人防护用品。
(2)施工人员应熟悉洞口临边作业的安全防护措施,并严格按照规定操作。
(3)施工人员不得在洞口临边附近随意行走、站立,应始终保持安全距离。
(4)施工人员作业过程中,应密切注意下方情况,防止物体打击事故的发生。
(5)施工人员发现洞口临边防护设施损坏时,应及时报告并采取相应措施。
5. 事故处理及应急预案(1)发生坠落事故时,立即停止作业,立即上报事故情况,并按照应急预案进行处理。
(2)发生物体打击事故时,立即停止作业,立即上报事故情况,并按照应急预案进行处理。
(3)发生触电事故时,立即切断电源,立即上报事故情况,并按照应急预案进行处理。
一、交底目的为确保施工现场洞口作业的安全,预防高处坠落事故的发生,特进行本次洞口防护安全技术交底。
二、交底内容1. 洞口防护基本要求(1)洞口防护应遵循“先防护、后作业”的原则,确保施工人员的人身安全。
(2)洞口防护设施应满足《建筑施工高处作业安全技术规范》(JGJ80-91)等相关要求。
2. 洞口防护设施设置(1)板与墙的洞口:必须设置牢固的盖板、防护栏杆、安全网或其他防坠落的防护设施。
(2)电梯井口:必须设置防栏杆或固定栅门;电梯井内应每隔两层并最多隔10m 设一道安全网。
(3)桩孔上口、杯形、条形基础上口、未填土的坑槽、人孔、天窗、地板等处:均应按洞口防护设置稳固的盖件。
(4)施工现场通道附近的各类洞口与坑槽等处:除设置防护设施与安全标志外,夜间还应设置红灯示警。
3. 洞口防护设施材料要求(1)盖板:应选用厚度不小于10mm的钢板或木材,表面平整,无裂纹、变形等缺陷。
(2)防护栏杆:应选用直径不小于48mm的钢管,间距不大于1m,高度不小于1.2m。
(3)安全网:应选用符合国家标准的安全网,网眼尺寸不大于10cm。
(4)盖件:应选用厚度不小于5mm的钢板或木材,表面平整,无裂纹、变形等缺陷。
4. 洞口防护设施施工要求(1)洞口防护设施施工前,应进行安全技术交底,明确施工要求和安全注意事项。
(2)施工过程中,应严格按照设计图纸和施工方案进行操作,确保防护设施的质量和稳定性。
(3)施工过程中,应加强对防护设施的检查和维护,发现问题及时整改。
(4)施工完成后,应进行验收,确保防护设施符合要求。
三、安全注意事项1. 施工人员必须佩戴安全帽、安全带等个人防护用品。
2. 施工过程中,严禁在洞口附近进行无关活动,如吸烟、嬉戏等。
3. 施工过程中,严禁擅自拆除、移动或损坏防护设施。
4. 施工完成后,应及时清理现场,确保施工安全。
四、责任分工1. 项目经理负责洞口防护工作的组织、协调和监督。
2. 安全管理人员负责洞口防护工作的具体实施和监督。
一、交底目的为确保施工过程中楼层洞口作业的安全,防止高处坠落事故的发生,特进行本次楼层洞口安全技术交底。
二、交底内容1. 洞口作业安全注意事项(1)在进行楼层洞口作业前,必须对洞口进行安全检查,确保洞口周边无安全隐患。
(2)洞口作业时,必须佩戴安全帽、安全带等个人防护用品。
(3)洞口作业人员应了解并掌握洞口作业的安全操作规程,遵守施工现场的安全规章制度。
2. 洞口防护设施设置要求(1)板与墙的洞口,必须设置牢固的盖板、防护栏杆、安全网或其他防坠落的防护设施。
(2)电梯井口必须设置防栏杆或固定栅门;电梯井内应每隔两层并最多隔10米设一道安全网。
(3)钢管桩、钻孔桩等桩孔上口,杯形、条形基础上口,未填土的坑槽,以及人孔、天窗、地板等处,均应按洞口防护设置稳固的盖件。
(4)施工现场通道附近的各类洞口与坑槽等处,除设置防护设施与安全标志外,夜间还应设置红灯示警。
3. 洞口作业人员操作规范(1)楼板、屋面和平台等面上短边尺寸大于25cm的孔口,必须用坚实的盖板盖没。
盖板应能防止挪动移位。
(2)楼板面等处边长为25~50cm的洞口、安装预制构件时的洞口以及缺件临时形成的洞口。
可用竹、木等作盖板,盖住洞口。
盖板须能保持四周搁置均衡,并有固定其位置的措施。
(3)边长为50~150cm的洞口,应设置防护栏杆,并确保栏杆牢固可靠。
4. 事故应急处理(1)发现洞口作业存在安全隐患时,应立即停止作业,并及时上报相关部门。
(2)发生高处坠落事故时,应立即启动应急预案,及时进行救援。
三、交底对象1. 洞口作业人员2. 施工现场管理人员3. 安全监督人员四、交底时间(根据实际情况填写)五、交底人(填写交底人姓名及职务)六、备注1. 本交底内容适用于施工现场所有楼层洞口作业。
2. 施工现场管理人员应定期对洞口作业进行检查,确保安全措施落实到位。
3. 洞口作业人员应严格遵守本交底内容,确保自身和他人的安全。
4. 如有疑问,请及时向交底人咨询。
隧道洞口施工安全技术交底
前言
隧道洞口施工是地下工程建设中的重要环节,安全技术交底是确保
该施工过程中安全生产的重要手段之一。
本文就隧道洞口施工安全技
术交底进行详细介绍。
重要性
隧道洞口施工与周围环境的关系密切,如果安全技术交底不到位,
很容易引发事故。
合理的安全技术交底能够减少事故发生的概率,保
障工人的生命安全,同时也能够保证工程的顺利进行。
技术交底主要内容
安全措施
隧道洞口施工过程中,为了确保安全,需要采取一系列措施。
包括
但不限于:1)建立科学化、规范化、全面化的安全生产管理体系;2)配备专业化的安全监管团队;3)严格执行施工安全操作规程;4)组
织安全投入,购置安全设备;5)开展安全教育培训等。
以上措施可以
有效控制施工安全风险,确保隧道洞口施工工作的安全进行。
施工流程
隧道洞口施工过程可以概括为开挖、支护、清理等多个步骤组成。
开挖工序包括:洞口段的预支作业、洞口段+半壁分步开挖、洞口段+
半壁岩石支护、洞口段撤除辅助系统、洞口段措施与整改。
支护工序。
一、工程概况1. 工程名称:[项目名称]2. 施工单位:[施工单位名称]3. 施工地点:[具体施工地址]4. 施工内容:洞口挡墙施工,包括基础开挖、钢筋绑扎、模板安装、混凝土浇筑等。
二、施工前准备工作1. 施工人员必须经过专业培训,掌握洞口挡墙施工的相关技术知识和安全操作规程。
2. 作业前应对施工场地进行清理,确保无障碍物,确保施工环境安全。
3. 施工所需材料、设备、工具必须符合国家相关标准和规范,并经过检验合格。
三、安全技术措施1. 临边防护- 洞口边缘设置高1.5米的防护栏杆,栏杆应固定牢固,不得随意拆卸。
- 洞口边缘应挂设安全网,安全网应严密,防止人员坠落。
- 作业人员必须佩戴安全帽、安全带等个人防护用品。
2. 洞口作业安全防护- 25cm×25cm至50cm×50cm的洞口,必须设置固定盖板,保持四周搁置均衡。
- 50cm×50cm至150cm×150cm的洞口,必须满铺脚手架,脚手架应绑扎固定,任何人未经许可不得随意移动。
- 150cm×150cm以上的洞口,四周必须搭设围护架,并设双道防护栏杆,洞口中间支挂水平网,网的四周要栓挂牢固、严密。
- 墙面等处的竖向洞口,凡落地的洞口应绑防护栏杆,下设挡脚板。
3. 施工机械与设备安全- 机械设备必须经过定期检查和维护,确保其安全可靠。
- 机械设备操作人员必须经过专业培训,并取得操作资格证书。
- 机械设备作业时,必须设置明显的警示标志,防止误操作。
4. 施工用电安全- 施工用电线路必须符合国家相关标准和规范,严禁私拉乱接。
- 施工现场应设置专门的配电箱,配电箱应安装漏电保护器。
- 作业人员必须佩戴绝缘手套、绝缘鞋等防护用品。
四、施工人员要求1. 施工人员必须服从指挥,遵守操作规程,不得擅自离岗。
2. 作业人员应保持工作区域的整洁,不得随意堆放杂物。
3. 施工人员应加强安全意识,发现安全隐患及时报告。
洞口施工技术交底6篇(经典版)编制人:__________________审核人:__________________审批人:__________________编制单位:__________________编制时间:____年____月____日序言下载提示:该文档是本店铺精心编制而成的,希望大家下载后,能够帮助大家解决实际问题。
文档下载后可定制修改,请根据实际需要进行调整和使用,谢谢!并且,本店铺为大家提供各种类型的经典范文,如工作报告、合同协议、心得体会、演讲致辞、规章制度、岗位职责、操作规程、计划书、祝福语、其他范文等等,想了解不同范文格式和写法,敬请关注!Download tips: This document is carefully compiled by this editor. I hope that after you download it, it can help you solve practical problems. The document can be customized and modified after downloading, please adjust and use it according to actual needs, thank you!Moreover, our store provides various types of classic sample texts, such as work reports, contract agreements, insights, speeches, rules and regulations, job responsibilities, operating procedures, plans, blessings, and other sample texts. If you want to learn about different sample formats and writing methods, please pay attention!洞口施工技术交底6篇【第1篇】洞口施工-安全技术交底交底内容:一、洞口的路基、边、天沟、仰坡面应自上而下开挖,一次将土石方工程做完,开挖人员不得上下重叠作业。
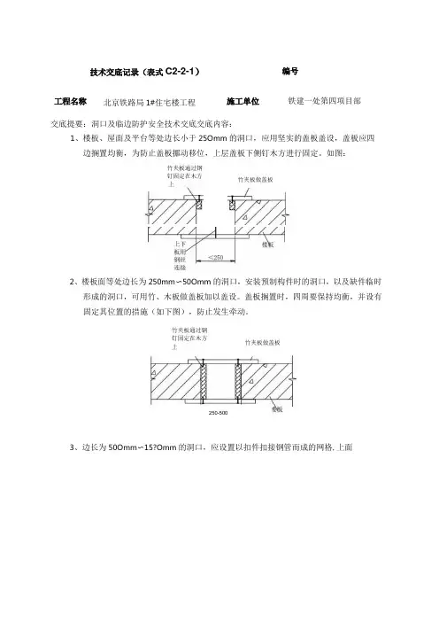
交底提要:洞口及临边防护安全技术交底交底内容:1、楼板、屋面及平台等处边长小于25Omm 的洞口,应用坚实的盖板盖设,盖板应四边搁置均衡,为防止盖板挪动移位,上层盖板下侧钉木方进行固定。
如图:2、楼板面等处边长为250mm 〜50Omm 的洞口,安装预制构件时的洞口,以及缺件临时形成的洞口,可用竹、木板做盖板加以盖设。
盖板搁置时,四周要保持均衡,并设有固定其位置的措施(如下图),防止发生牵动。
3、边长为50Omm 〜15?Omm 的洞口,应设置以扣件扣接钢管而成的网格,上面技术交底记录(表式C2-2-1) 编号 工程名称 北京铁路局1#住宅楼工程 施工单位 铁建一处第四项目部竹夹板通过钢钉固定在木方 竹夹板做盖板竹夹板通过钢钉固定在木方上 竹夹板做盖板250-500工程名称北京铁路局1#住宅楼工程施工单位铁建一处第四项目部交底提要:洞口及临边防护安全技术交底交底内容:满铺脚手板,并绑牢固。
另外也可用混凝土板内的钢筋构成防护网,上设遮盖物。
钢筋网格的间距不能大于200mm。
4、边长在150Omm以上的洞口,四周应设防护栏杆,洞口下应张设安全网。
5、电梯井等人员经常进出的墙面上的竖向洞口,应加装开关式的防护门,门栅网格的间距不应大于150mm。
其它一般墙面上的竖向洞口处应加装防护栏杆进行洞口防护,如下图:洞口防护栏杆6、在临边及洞口处必须设置警示牌,牢固的栏杆和安全网封堵,并设人随时进行检查和看守。
7、施工人员进出入口应搭设防护棚,所有防护设施不得随意拆除。
8、高处作业中所用的物件应堆放平稳,不可放置在临边及洞口附近。
9、模板上有预留洞者应在安装后将洞口留好,碎板上的预留洞应在模板拆除后即进行防护。
浇水养护时应注意楼面上的孔洞,拉移胶皮管线时不得倒退行走。
一、前言为确保洞口修补施工过程中的安全,防止安全事故的发生,特制定本安全技术交底。
所有参与洞口修补作业的人员必须严格遵守以下安全规定。
二、适用范围本交底适用于所有洞口修补施工,包括但不限于混凝土结构、砖混结构、钢结构等。
三、安全注意事项1. 人员培训与资质要求- 所有参与洞口修补作业的人员必须经过专业培训,并取得相关资质。
- 作业人员应熟悉洞口修补工艺和安全操作规程。
2. 现场安全检查- 施工前,对施工现场进行安全检查,确保洞口周边环境安全,无障碍物。
- 检查施工设备和工具,确保其完好无损。
3. 个人防护- 作业人员必须佩戴安全帽、防护眼镜、防尘口罩、手套等个人防护用品。
- 高处作业时,必须系好安全带,并配备安全绳。
4. 洞口防护- 施工前,对洞口进行临时封闭,设置警示标志。
- 洞口修补过程中,必须设置防护栏杆、安全网等防护设施,防止坠落。
5. 施工操作规范- 洞口修补前,清理洞口内的杂物,确保洞口干燥、平整。
- 修补材料应选用合格产品,并按比例配比。
- 修补过程中,不得随意移动洞口周边的支撑结构。
6. 高空作业- 高处作业时,必须搭设脚手架,并设防护栏杆。
- 严禁在同一垂直面上下操作,防止物体坠落。
- 高处作业人员必须系好安全带,并配备安全绳。
7. 交叉作业- 施工现场交叉作业时,必须采取隔离措施,防止碰撞和坠落。
- 作业人员应遵守现场交通规则,确保行车安全。
四、应急措施1. 事故报告- 发生安全事故时,立即停止作业,并向上级报告。
- 保护现场,协助调查,配合事故调查处理。
2. 紧急救援- 确保救援人员配备齐全,熟悉救援流程。
- 高处作业人员发生坠落时,立即启动紧急救援程序。
五、总结洞口修补施工是一项高风险作业,为确保施工安全,所有参与人员必须严格遵守本安全技术交底。
施工单位应加强安全教育培训,提高作业人员的安全意识,确保洞口修补施工顺利进行。
六、附件1. 洞口修补施工安全操作规程2. 个人防护用品清单3. 应急救援流程图请注意:以上模板仅供参考,具体施工安全措施应根据实际工程情况和现场环境进行调整。
隧道洞口工程施工安全技术交底单位:中铁十七局集团新建大理至瑞丽线保山至瑞丽段DRBRTJ-6标工程名称畹町隧道施工单位隧道五队安全负责人佘海强编制单位安质部交底人王鑫职称工程师安全交底书内容隧道洞口工程施工安全技术交底交底内容:一、主要危险源与危害因素1.清理洞口时随处防火2.未及时清理洞口上方及侧面危石3.爆破时人员未远离现场4.掏洞开挖或上下重叠开挖5.无证使用各种机械6.注浆作业时作业人员未佩戴防护措施7.施工脚手架和作业平台搭设不牢靠。
8.雨天施工9.临时用电不符合要求,作业面光照不足。
二、安全注意事项1、洞口工程(1)洞口工程应与洞口相邻工程统筹安排、及早完成,施工宜避开雨季及严寒季节。
(2)洞口施工前,应先检查边、仰坡以上的山坡稳定情况,清除悬石、处理危石。
施工期间实施不间断监测和防护。
(3)洞顶地表水的处理应满足以下要求:(3.1)结合现场地形,洞口边、仰坡应及早做好坡面防护,确保洞口稳定。
若采用喷锚或砌石护面,坡顶、坡脚宜绿化处理,以防止仰坡范围内地表水下渗和减少对坡面的冲刷。
(3.2)洞顶如有溪沟或排水沟槽应加强养护、整治,确保水流畅通,若岩层裂隙多,地表水有可能渗漏到隧道内时,应用浆砌片石或混凝土铺砌沟底,浆砌片石应单位:中铁十七局集团新建大理至瑞丽线保山至瑞丽段DRBRTJ-6标工程名称畹町隧道施工单位隧道五队安全负责人佘海强编制单位安质部交底人王鑫职称工程师安全交底书内容用砂浆抹面。
(3.3)洞顶边、仰坡周围的排水系统宜在雨季前及边、仰坡开挖前完成。
(4)隧道开挖应力求早进洞,避免出现深路堑或高边坡,尽量减少对山体的破坏,防止水土流失。
(5)洞口土石方工程施工应自上而下分层开挖、分层防护,当地质条件不良时,应采取稳定边坡和仰坡的措施。
(6)洞口石方严禁采用洞室爆破开挖,宜采用浅孔小台阶爆破,边、仰坡开挖应采用预留光爆层法或预裂爆破法。
(7)当洞口位于软弱、松散地层或堆积层时,根据地质条件和地下水情况,可采用下列施工措施加固、稳定地层:(7.1)洞口段位于软弱土层地带,如第四纪的冲(洪)积层、残积层及人工填土等时,可采用高压旋喷法(垂直喷射或水平喷射)、深层搅拌法、抗滑桩、钢管桩等对开挖的边、仰坡进行加固、稳定。
一、交底目的为确保施工现场布料机洞口作业安全,防止人员坠落和物体打击事故的发生,特进行本次安全技术交底。
二、交底对象所有参与布料机洞口作业的施工人员、管理人员及监督人员。
三、交底内容1. 洞口作业定义及范围- 布料机洞口作业指在布料机操作过程中,施工人员进入或靠近布料机开口处进行操作或维护的作业。
- 作业范围包括布料机进出口、料斗开口及任何可能造成人员坠落或物体打击的洞口。
2. 安全防护措施- 防护栏杆设置:在布料机洞口周围必须设置符合国家标准的防护栏杆,栏杆高度不得低于1.2米,并确保其稳固可靠。
- 安全网设置:在防护栏杆上方,应设置安全网,以防止坠落事故的发生。
- 警示标志:在洞口周围设置明显的警示标志,夜间作业时,应增设红灯警示。
- 盖板或栅栏:在布料机停用或非作业时间,洞口应设置盖板或栅栏,防止人员误入。
3. 作业人员安全要求- 作业人员必须经过专业培训,掌握布料机洞口作业的安全操作规程。
- 作业前应检查防护设施是否完好,如有损坏,应及时报告并修复。
- 作业过程中,必须佩戴安全帽、安全带等个人防护用品。
- 严禁在洞口周围嬉戏打闹,不得擅自拆除或移动防护设施。
4. 作业程序- 作业前,应制定详细的作业方案,明确作业人员、作业步骤、安全措施等。
- 作业过程中,应严格遵守作业方案,不得擅自改变作业程序。
- 作业完成后,应立即检查防护设施是否完好,并清理现场。
5. 应急处理- 如发生人员坠落或物体打击事故,应立即停止作业,启动应急预案。
- 立即对受伤人员进行救治,并报告相关部门。
四、交底要求1. 施工单位应将本次安全技术交底内容纳入施工培训计划,确保所有作业人员熟悉并掌握。
2. 作业人员应严格遵守安全操作规程,不得违反安全规定。
3. 施工单位应定期对布料机洞口作业进行安全检查,确保防护设施完好。
4. 作业过程中,如发现安全隐患,应立即停止作业,并采取相应措施予以消除。
五、结语安全无小事,责任重于泰山。
临边、洞口防护安全技术交底在各类建筑、设施、工程中,临边和洞口的防护是十分重要的问题。
不恰当的防护措施会导致严重的安全事故,影响项目的进度和质量。
因此,做好临边和洞口的防护工作,是工程项目中的重点任务。
本文将介绍几种临边、洞口防护技术,以确保项目的安全、高效完成。
一、临边、洞口防护的重要性1.1 安全意义在建筑工地、桥梁工程、立交桥、维护绿化等诸多工程施工、维护过程中,临边和洞口都是安全隐患点。
如不采取恰当的安全防护措施,很容易导致工人坠落和其他意外事故。
因此,必须采取科学、合理、有力的措施来确保现场安全。
1.2 质量意义临边、洞口的不合理防护措施不仅安全隐患大,而且会严重影响工程质量,导致工程进度拖延。
如果发生严重意外事故,不仅会导致人员伤亡,而且还会造成对工程质量的影响,导致项目的成本超预算,这是无论如何都不能承受的损失。
二、常见的临边、洞口防护技术2.1 屏障防护技术屏障防护技术是比较常见的一种技术。
它的特点是结构简单、使用方便、安装方便等。
屏障防护技术不仅适用于高空作业、山体滑坡、临时布置、拆除、拆除房屋、建筑施工、轨道交通、化工等高风险作业。
每种用途不一,具体要根据实际需求进行区分。
比如,对于高空作业来说,可以采用钢管、网格、鸟嘴等固定在临河栏杆上的屏障。
钢管是经过特殊处理的,具有很强的耐腐蚀性,又防止了隐患点被钻压。
对于人员需要通过的地方,还要设置临河栏杆的个人防护设施。
2.2 钢管隔离护栏技术钢管隔离护栏技术是较为常见和广泛使用的一种技术。
它的特点是信息量大、结构牢固、使用方便、安装快捷等。
常用于隧道、山体路、高速公路、拆迁、立交桥、桥体维护等场所,可以起到隔离、限制行动范围、提示危险等作用。
2.3 安全带和安全网技术安全带和安全网技术是常用于高空作业的技术。
这种技术的优点是灵活性高、方便性好、使用方便等。
常见的一些高空工程如高空打孔、大型空调安装、高空巡逻等,都需要使用安全带和安全网来保证工人的安全。
隧洞洞口施工安全技术交底隧洞洞口施工是隧道工程建设的重要环节之一,也是工程进展的关键节点。
在隧洞洞口施工中,安全问题是最为重要的考虑因素之一。
本文将重点介绍隧洞洞口施工的安全技术交底,旨在提高工作人员对隧洞洞口施工安全的认识和意识,确保施工过程中的人身安全和工程质量。
一、施工前的准备工作在隧洞洞口施工前,必须对施工现场进行全面的准备工作,包括但不限于以下几个方面:1. 安全区域划定:应根据施工工艺和安全要求,在洞口周围设立合理的安全区域,确保工作人员的安全。
2. 通风系统建设:应建立健全的通风系统,保证施工现场空气畅通,防止有害气体积聚。
3. 照明设施设置:应确保施工现场有足够的照明设施,以确保工作人员在光线不足的情况下能够正常进行施工。
4. 搭建临时设施:根据施工需要,设置临时办公室、休息室等设施,为工作人员提供良好的工作和生活条件。
5. 安全教育培训:在施工前,必须对工作人员进行全面的安全教育培训,确保工作人员熟悉施工规程和安全操作要求。
二、洞口施工的安全措施隧洞洞口施工是隧道工程建设中最危险的环节之一,所以必须采取一系列的安全措施,以确保工作人员的安全。
以下是一些常用的洞口施工安全措施:1. 防护栏设置:在洞口周围设置防护栏,避免工作人员误入危险区域或坠落。
2. 安全带使用:所有工作人员必须系好安全带,防止在高处坠落。
3. 安全施工标识:在施工现场设置安全标识,明确标示各类危险物品和危险区域,提醒工作人员注意安全。
4. 临时支撑结构:在洞口设置临时支撑结构,确保地下水的渗出不会导致洞口崩塌。
5. 通风装置使用:使用通风装置保证施工现场的空气流通,防止有害气体积聚。
6. 系统安全监测:利用现代技术对洞口进行系统安全监测,及时发现并处理施工中的安全隐患。
三、洞口施工的交底内容洞口施工的安全技术交底是保证整个施工过程安全的重要环节。
下面是一些常见的洞口施工的交底内容:1. 洞口安全措施:详细介绍洞口施工中所采取的各项安全措施,包括安全带使用、防护栏设置、通风装置使用等。
洞口临边防护安全技术交底一、引言洞口临边作为工地施工中的重要部位,安全防护措施的落实对于保障工人的生命安全和提高工作效率具有重要意义。
本文旨在就洞口临边防护安全技术进行详细交底,确保施工人员能够正确理解并有效实施相关安全技术措施。
二、洞口临边的危险性分析1.高度风险:洞口临边作业涉及到工人的高处作业,如不熟悉相关安全技术可能导致人员从高处坠落,严重危及生命安全。
2.坍塌风险:由于洞口开挖导致的地质因素,如不合理的支护措施可能导致洞口的坍塌,危及施工人员的安全。
3.材料滑落风险:在洞口临边进行作业时,若不注意妥善安置材料,可能导致材料滑落伤及下方工人。
三、洞口临边防护安全技术交底1.安全防护责任所有参与洞口临边作业的人员,包括项目负责人、施工人员等,都有义务保障工地的安全。
项目负责人应指派专人负责洞口临边作业的安全管理,并确保施工人员严格按照安全规范进行作业。
2.洞口支护在洞口开挖前,应先进行地质勘探,了解地质情况,并根据勘探结果合理选择支护措施。
常见的支护措施包括隔离网、支架支撑等,施工人员需要掌握支护的正确安装方法,确保支护的牢固和稳定。
3.高处作业安全防护对于进行高处作业的施工人员,必须佩戴安全帽、安全带等个人防护装备,并接受专业培训。
在高处施工时,应与洞口的安全网、安全钢管等设置联动,形成全方位的安全保护措施,有效防止高处坠落事故的发生。
4.材料存放洞口临边作业过程中,施工人员需特别注意材料的合理存放。
材料应放置在平稳且坚固的地方,禁止堆放过高以避免滑落。
存放区域需要明确划定,并进行标识,以确保其他工人不会误入危险区域。
5.施工人员交底培训在进行洞口临边作业之前,项目负责人应组织相应的交底培训。
培训内容主要包括洞口临边危险性分析、安全防护措施的正确使用和实施等方面的知识。
培训结束后,施工人员需要签署安全责任书,以明确各自的责任和义务。
四、应急预案无论在多么严格的安全措施下,事故可能仍然发生。
一、交底目的为确保施工现场楼层洞口作业安全,防止高处坠落事故的发生,特进行楼层洞口防护安全技术交底。
二、交底对象所有参与楼层洞口作业的施工人员、安全员、现场管理人员。
三、交底内容1. 洞口分类及防护要求- 洞口分类:根据洞口大小和形状,分为小洞口(边长≤50cm)、中洞口(50cm<边长≤150cm)和大洞口(边长>150cm)。
- 防护要求:- 小洞口:使用坚固的盖板覆盖,盖板应固定牢靠,防止移动。
- 中洞口:采用竹、木等材料制作盖板,盖板四周搁置均衡,并采取措施固定位置。
- 大洞口:根据具体情况,采取设防护栏杆、加盖件、张挂安全网与装栅门等措施。
2. 防护设施设置- 洞口防护设施应满足以下要求:- 防护设施应牢固可靠,能够承受一定重量和冲击力。
- 防护设施应设置明显安全标志,夜间应设置红灯示警。
- 钢筋网片设置:所有宽度20厘米以上洞口必须设置钢筋网片,钢筋间距不大于20厘米,钢筋直径不宜小于10mm。
3. 施工流程及注意事项- 施工流程:1. 评估洞口风险,确定防护措施。
2. 安装防护设施,确保其牢固可靠。
3. 定期检查防护设施,发现问题及时整改。
4. 施工完毕后,拆除防护设施,清理现场。
- 注意事项:1. 施工人员应佩戴安全帽、安全带等防护用品。
2. 作业过程中,严禁随意拆除或移动防护设施。
3. 严禁在防护设施下方进行作业。
4. 施工人员应熟悉防护设施的使用方法,确保其安全有效。
4. 应急处理- 发生高处坠落事故时,立即停止作业,启动应急预案。
- 立即组织救援,并拨打急救电话。
- 保护现场,等待相关部门进行调查处理。
四、交底要求1. 施工人员应认真听取交底内容,确保理解并掌握。
2. 施工过程中,严格遵守各项安全规定,确保作业安全。
3. 定期对施工人员进行安全教育培训,提高安全意识。
五、交底时间[填写交底时间]六、交底人[填写交底人姓名及职务]七、记录人[填写记录人姓名及职务]八、备注本交底内容仅供参考,具体施工过程中,应根据实际情况进行调整。
安全技术交底
(3)边长为50~150cm的洞口,必须设置以扣件扣接钢管而成的网格,并在其上满铺竹笆或脚手板。
也可采用贯穿于混凝土板内的钢筋构成防护网,钢筋网格间距不得大于20cm。
(4)边长在150cm以上的洞口,四周设防护栏杆,洞口下张设安全平网。
(5)垃圾井道和烟道,应随楼层的砌筑或安装而消除洞口,或参照预留洞口作防护。
管道井施工时,除按上款办理外,还应加设明显的标志。
如有临时性拆移,须经施工负责人核准,工作完毕后必须恢复防护设施。
(6)位于车辆行驶道旁的洞口、深沟与管道坑、槽,所加盖板应能承受不小于当地额定卡车后轮有效承载力2倍的荷载。
(7)墙面等处的竖向洞口,凡落地的洞口应加装开关式、工具式或固定式的防护门,门栅网格的间距不应大于15cm,也可采用防护栏杆,下设挡脚板(笆)。
(8)下边沿至楼板或底面低于80cm的窗台等竖向洞口,如侧边落差大于2m时,应加设1.2m的临时护栏。
(9)对邻近的人与物有坠落危险性的其他竖向的孔、洞口,均应予以盖没或加以防护,并有固定其位置的措施。
3.洞口防护栏杆的杆件及其搭设应符合下列要求:
(1)毛竹横杆小头不应小于70mm,栏杆柱小头直径不应小于80mm,用不小于
16号的镀锌钢丝、竹蔑或塑料蔑绑扎,不应小于3圈,并无泻滑。
(2)原木横杆上杆梢径不应小于70mm,下杆梢径不应小于60mm,用不小于12号的镀锌钢丝、竹蔑或塑料蔑绑扎,不应少于三圈,要求表面平顺和稳固无动摇。
(3)钢筋横杆上杆直径不应小于16mm,下杆直径不应小于14mm,栏杆柱直径应小于18mm,采用电焊或镀锌钢丝绑扎固定。
(4)钢管横杆及栏杆柱均应采用48mm×(2.75~3.5)mm的管材,以扣件或电焊固定。
(5)以其他钢材如角钢等作防护栏杆时,应选用强度相当的规格,以电焊固定。
4.搭设洞口防护栏时,必须符合下列要求:
(1)防护栏杆应由上、下两道横杆及栏杆柱组成,上杆离地面高度为1.0~1.2m,下杆离地面高度为0.5~0.6m。
坡度大于1:2.2的屋面,防护栏杆应高1.5m,并加挂安全网。
除经设计计算外,横杆长度大于2m时,必须加设栏杆柱。
(2)栏杆柱的固定应符合下列要求:
1)当在基坑四周固定时,可采用钢管并打入地面50~70cm深。
钢管离边口的距离,不应小于50cm。
当基坑周边采用板桩时,钢管可打在板桩外侧。
2)当在混凝土楼面、屋面和墙面固定时,可用预埋件与钢管或钢筋焊牢。
采用竹、木栏杆时,可在预埋件上焊接30cm长的L50×5角钢,其上下各钻一孔,然后用10mm螺栓与竹、木杆件拴牢。
3)当在砖或砌块等砌体上固定时,可预先砌入规格相适应的80
×6弯转扁钢作预埋铁的混凝土块,然后用上述方法固定。
被交底人:
年月日交底人:
年月日
安全员:
年月日。