质量通病防治措施记录表
- 格式:doc
- 大小:118.50 KB
- 文档页数:9
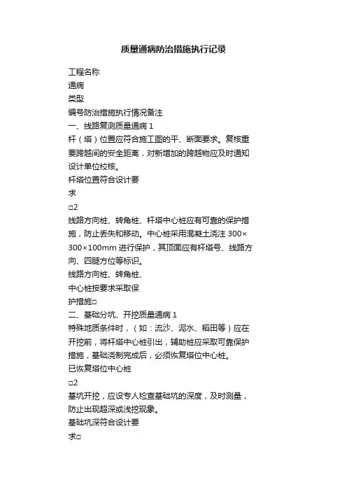
质量通病防治措施执行记录工程名称通病类型编号防治措施执行情况备注一、线路复测质量通病1杆(塔)位置应符合施工图的平、断面要求。
复核重要跨越间的安全距离,对新增加的跨越物应及时通知设计单位校核。
杆塔位置符合设计要求□2线路方向桩、转角桩、杆塔中心桩应有可靠的保护措施,防止丢失和移动。
中心桩采用混凝土浇注300×300×100mm 进行保护,其顶面应有杆塔号、线路方向、四腿方位等标识。
线路方向桩、转角桩、中心桩按要求采取保护措施□二、基础分坑、开挖质量通病1特殊地质条件时,(如:流沙、泥水、稻田等)应在开挖前,将杆塔中心桩引出,辅助桩应采取可靠保护措施,基础浇制完成后,必须恢复塔位中心桩。
已恢复塔位中心桩□2基坑开挖,应设专人检查基础坑的深度,及时测量,防止出现超深或浅挖现象。
基础坑深符合设计要求□三、基础位移、扭转质量通病1基础坑开挖前要对基础中心桩进行二次复核,并设置稳固的辅助桩位,确认桩位及各个基础腿的方位正确。
按要求二次复核中心桩及各个基础腿的方位□施工负责人:检查人:监理:工程名称杆塔号通病类型编号防治措施执行情况备注一、基础分坑、开挖质量通病1特殊地质条件时,(如:流沙、泥水、稻田等)应在开挖前,将杆塔中心桩引出,辅助桩应采取可靠保护措施,基础浇制完成后,必须恢复塔位中心桩。
已恢复塔位中心桩□2基坑开挖,应设专人检查基础坑的深度,及时测量,防止出现超深或浅挖现象。
基础坑深符合设计要求□二、基础位移、扭转质量通病1基础坑开挖前要对基础中心桩进行二次复核,并设置稳固的辅助桩位,确认桩位及各个基础腿的方位正确。
按要求二次复核中心桩及各个基础腿的方位□三、混凝土质量通病1混凝土施工前应取得有资质的试验室出具的设计配合比(附有试配强度报告)。
严格按照配合比。
□2基础模板应有足够的强度、刚度、平整度,应对其支撑强度和稳定性进行计算。
基础模板应能可靠地承受浇筑混凝土的重量和侧压力,防止出现基础立柱几何变形;模板接缝处采取粘贴胶带等措施,防止出现跑浆、漏浆现象。
工程名称:攀枝花杨路坪至福田35kV 线路工程编号: SZLX1-SG-001 致,请予以审查。
附:质量通病防治措施施工项目部(章):项目经理:日期:监理项目部审查意见:监理项目部(章):总监理工程师:专业监理工程师:日期:业主项目部审批意见:业主项目部(章):项目经理:日期:注:本表一式份,由承包单位填报,建设管理单位、项目监理部各一份,承包单位存份批准: 年月日审核:年月日年月日年月日编制:年月日攀枝花网源电力建设工程公司2010 年 8 月质量通病治理实施方案 (5)治理目标 (5)主要内容 (5)有关要求及主要措施 (5)(一)加强领导,明确职责 (5)(二)强化体系,执行到位 (6)(三)精细管理,保证效果 (6)(四)样板开路,示范先行 (6)四、输电线路工程部分 (7)(一) 定位、复测质量通病防治的技术措施 (7)(二) 路径复测质量通病防治的技术措施 (7)(三) 基础施工质量通病防治的技术措施 (7)(四) 杆塔施工质量通病防治的技术措施 (9)(五) 架线施工质量通病防治的技术措施 (10)(六) 附件安装通病防治的技术措施 (11)附件:质量通病防治措施 (13)为强化公司基建质量管理,全面提高工程整体质量,提高公司工程达标投产水平,不断提升公司工程优质工程率,根据当前公司电网建设形势、质量状况和国家电网公司质量通病治理的有关要求,决定在 2010 年 1 月起开展质量通病治理工作。
现将有关事项通知如下:一、治理目标开展质量通病治理,全面提高工程本体质量,规范工艺标准,建设精品工程,提升公司整体质量水平.总结公司输变电工程质量典型通病治理成果,用于指导公司输变电工程基建质量管理。
二、主要内容质量通病产生的主要原因有制度不健全、体系运转不正常、责任心不到位、材料不符合要求、技术手段不高、措施无可操作性、交底培训不到位和分包管理薄弱等多种因素。
各单位应紧密围绕产生的原因开展治理工作。
质量通病防治措施记录表
施工负责人: 专职质检员: 监理:
质量通病防治措施记录表
施工负责人: 专职质检员: 监理:
质量通病防治措施记录表
施工负责人: 专职质检员: 监理:
质量通病防治措施记录表
施工负责人: 专职质检员: 监理: 质量通病防治措施记录表
施工负责人: 专职质检员: 监理:
质量通病防治措施记录表
施工负责人: 专职质检员: 监理: 质量通病防治措施记录表
施工负责人: 专职质检员: 监理: 质量通病防治措施记录表
施工负责人: 专职质检员: 监理:。
质量通病及预防措施一、吊顶工程的通病防治措施通病l:主龙骨、次龙骨纵横方向线条不直。
防治措施:凡受拉折的龙骨一律不用。
一定要拉通线,逐条调整龙骨的高低位于置和线条平直。
龙骨校正完成后将所有吊挂件、连接件拧夹紧。
四周墙面的水平线测量正确,中间按平线起拱度1/200—1/300。
通病2:吊顶造型不对称、罩面板布局不合理。
防治措施:按吊顶设计标高,在房间四周的水平线位于置拉十字中心线。
严格按设计要求布置主龙骨和次龙骨。
中间部分先铺整块罩面板,余量应平均分配在四周最外边一块,便于调整。
通病3:罩面板大面积不平整,挠度明显。
防治措施:按规定在楼板底面弹吊杆的位置线,按罩面板规格尺寸确定吊杆间距。
根据施工经验,龙骨与墙面之间的距离应小于I00MM。
自攻螺钉与板边或板端的距离不得小于10MM,也不宜大于16MM;板中间螺钉的间距不得大于200MM。
铺设大块板材时,应使板的边垂直于次龙骨方向,以利于螺钉排列。
二、铝板天花质量通病的防治措施铝板在安装过程中万一局部有碰花、划伤的:防治措施:可用原配油漆现场补漆,但油漆必须与原配油漆颜色相同(电脑调色),油漆由铝板厂家配送。
铝板缝不直、大块板面中间出现下沉:防治措施:一定要拉十字通长线,使每块拼装的铝板都形成直角;大块铝板在四周已有龙骨固定,但中间必须用加强龙骨与四周龙骨相连接,保证整体每块板面在同一平面上。
铝板四个角不平整:防治措施:用吊杆调节螺丝调平铝板大面积不平整,挠度明显:防治措施:按规定在楼板底面弹吊杆的位置线,按罩面板的规格尺寸确定吊筋间距,吊筋间距不宜超过1000m,吊筋宜用角钢,在楼板下口用钢骨形成网格,吊筋和钢结构安装要牢固,焊接时,不能有点焊,漏焊等现象,钢结构合格后,再进行除锈和防锈处理,然后用Φ8全牙吊筋和角码和螺丝来调节每块铝板四周的方管,使铝板平整。
在房间四周墙面上的水平线(必须在同一水平线上)位置拉通长十字中心线,确定中心任务点,以房间短边拱高1/200确定拱高高度的尺寸,再以拱高点向墙面四周拉若干条,同铝板相同宽度或长度的线,用Φ8全牙吊筋和角码来调节整个铝板顶的平整度。
质量通病防治检查记录工程名称开封CBD总商会大厦检查时间14.7.6建设单位开封联谊置业有限公司施工单位河南中城建设集团股份有限公司监理单位河南省天隆管理咨询有限公司设计单位林产工业规划设计院检查部位质量通病防治检查记录:1、基础垫层混凝土面层局部浇筑不平整。
施工单位:项目技术负责人:年月日监理单位:专业监理工程师:年月日建设单位;建设单位代表:年月日质量通病防治检查记录工程名称开封CBD总商会大厦检查时间14.7.13建设单位开封联谊置业有限公司施工单位河南中城建设集团股份有限公司监理单位河南省天隆管理咨询有限公司设计单位林产工业规划设计院检查部位质量通病防治检查记录:1、SBS防水卷材搭接处不符合要求。
2、SBS防水卷材层有污染破坏现象。
施工单位:项目技术负责人:年月日监理单位:专业监理工程师:年月日建设单位;建设单位代表:年月日质量通病防治检查记录工程名称开封CBD总商会大厦检查时间14.7.20建设单位开封联谊置业有限公司施工单位河南中城建设集团股份有限公司监理单位河南省天隆管理咨询有限公司设计单位林产工业规划设计院检查部位质量通病防治检查记录:1、基础筏板个别部位钢筋箍筋间距过大。
2、基础筏板钢筋局部有跳扎、漏扎现象。
施工单位:项目技术负责人:年月日监理单位:专业监理工程师:年月日建设单位;建设单位代表:年月日质量通病防治检查记录工程名称开封CBD总商会大厦检查时间14.7.27建设单位开封联谊置业有限公司施工单位河南中城建设集团股份有限公司监理单位河南省天隆管理咨询有限公司设计单位林产工业规划设计院检查部位质量通病防治检查记录:1、基础承台模板安装高低不统一。
2、基础钢筋筏板局部保护层厚度不够施工单位:项目技术负责人:年月日监理单位:专业监理工程师:年月日建设单位;建设单位代表:年月日质量通病防治检查记录工程名称开封CBD总商会大厦检查时间14.8.3建设单位开封联谊置业有限公司施工单位河南中城建设集团股份有限公司监理单位河南省天隆管理咨询有限公司设计单位林产工业规划设计院检查部位质量通病防治检查记录:1、基础筏板混凝土浇筑面层局部有空鼓不平整现象。
批准年月日审核年月日编制年月日淄博泉舜工程设计监理有限公司塔谈110kV变电站新建工程监理项目部2022年 11 月................................................................................................................................................................................................................................................3.1 质量通病防治监理控制主要监督措施: (1)3.2 质量通便防治监理控制主要工作内容 (2)1、钢筋混凝土现浇楼板质量通病的控制 (3)2、墙体质量通病的控制 (5)3、楼地面质量通病的控制 (6)4、外墙质量通病的控制 (7)5、门窗安装质量通病的控制 (8)6、屋面质量通病的控制 (8)7、楼梯、栏杆、台阶质量通病的控制 (10)8、构支架质量通病的控制 (10)9、主变、高抗、电容器、断路器等主设备基础、保护帽质量通病的控制1110、主变、高抗防火墙质量通病的控制 (12)11、电缆沟及盖板质量通病的控制 (12)12、道路及散水质量通病的控制 (12)13、站区围墙质量通病的控制 (13)14、电气一次设备安装质量通病的控制 (14)15、母线施工质量通病的控制 (15)16、屏、柜安装质量通病的控制 (16)17、电缆敷设、接线与防火封堵质量通病的控制 (16)18、接地装置安装质量通病的控制 (17)3.3 监理人员在控制质量通病防治中的责任 (17)...........................................................................................................为规范开展质量通病防治工作,落实质量通病防治技术措施,提高质量通病防治工作效果,进一步提高国家电网公司系统输变电工程质量,制定了《国家电网公司输变电工程质量通病防治工作要求及技术措施》,监理部根据本措施加强塔谈 110kV 变电站新建工程质量通病的防治工作,按照国网公司要求,确保工程达到一次性达标投产,监理部对工程质量通病的防治控制措施严格按照规范要求进行实施。
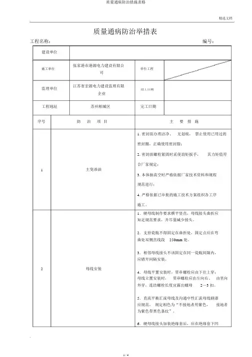
精选文档质量通病防治举措表工程名称:编号:建设单位张家港市港源电力建设有限公施工单位单位工程司监理单位江苏省宏源电力建设监理有限动工日期企业工程地址苏州相城区完工日期序号防治项目主要措施1. 密封面办理洁净、无划痕,禁止使用已用过的密封圈,正确使用密封脂;2. 密封面螺栓紧固时采使劲矩扳手,其力矩值符1合厂家规定;主变渗油3. 本体抽真空时严格依据厂家技术资料和规程规范进行;4. 严格依据已审批的施工技术方案组织各工序施工。
1.硬母线制作要求横平竖直,母线接头曲折应知足规范要求,并尽量减少接头。
2.支持瓷瓶不得固定在曲折处,固定点应在弯曲处双侧直线段250mm处。
3.相邻母线接头不该固定在同一瓷瓶间隔内,应错开间隔安装。
2母线安装4.母线平置安装时,贯串螺栓应由下往上穿;母线立置安装时,贯串螺栓应由左向右、由里向外穿,连结螺栓长度宜露出螺母2—3 扣。
5.直流平衡汇流母线及沟通中性汇流母线刷漆应规范,规定相色为“不接地者用紫色,接地者为紫色带黑色条纹”。
6.硬母线接头加装绝缘套后,应在绝缘套下凹处打排水孔,防备绝缘套下凹处积水、冬天结冰冻裂。
7.户外软导线压接线夹口向上安装时,应在线夹底部打直径不超出φ8mm的泄水孔,以防冬天严寒地域积水结冰冻裂线夹。
1.屏、柜安装要坚固靠谱,主控制屏、继电保护屏和自动装置屏等应采纳螺栓固定,不得与基础型钢焊死。
安装后端子箱立面应保持在一条直线上。
32.电缆许多的屏柜接地母线的长度及其接地螺屏柜安装孔宜适合增添 , 以保证一个接地螺栓上安装不超过 2 个接地线鼻的要求。
3.配电、控制、保护用的屏(柜、箱)及操作台等的金属框架和底座应接地或接零。
1.电缆管切割后,管口一定进行钝化办理,以防损害电缆,也可在管口上加装软塑料套。
电缆管的焊接要保证焊缝观感工艺。
二次电缆穿管敷设时电缆不该外露。
2.敷设进入端子箱、汇控柜及机构箱电缆管时,应依据保护管实质尺寸进行开孔,不该开孔过大或拆掉箱底板。
质量通病防治措施记录表工程项目名称:大西铁路客运专线临汾洪洞西220kV线路工程
施工负责人:专职质检员:监理:
质量通病防治措施记录表
工程项目名称:右玉~翠微双回220kV线路工程
施工负责人:专职质检员:监理:
质量通病防治措施记录表
工程项目名称:右玉~翠微双回220kV线路工程
施工负责人:专职质检员:监理:
质量通病防治措施记录表
工程项目名称:右玉~翠微双回220kV线路工程
施工负责人:专职质检员:监理:
质量通病防治措施记录表
工程项目名称:山阴电厂送出工程220kV线路工程项目部
施工负责人:专职质检员:监理:
质量通病防治措施记录表
工程项目名称:山阴电厂送出工程220kV线路工程项目部
施工负责人:专职质检员:监理:
质量通病防治措施记录表
工程项目名称:山阴电厂送出工程220kV线路工程项目部
施工负责人:专职质检员:监理:
质量通病防治措施记录表
工程项目名称:山阴电厂送出工程220kV线路工程项目部
施工负责人:专职质检员:监理:。