5610_塔吊基础图
- 格式:pdf
- 大小:307.07 KB
- 文档页数:1
目录第一章工程概况 (3)1.1、工程简介 (3)1.2、塔吊平面布置 (3)1.3、施工要求 (3)1.4、工程地质概况 (3)第二章编制依据 (5)第三章施工计划及技术参数 (6)3.1、各塔吊基础施工计划 (6)3.2、材料与设备计划 (6)3.3、塔机参数 (6)3.4、基础技术参数 (7)第四章基础施工方法 (8)4.1、工艺流程 (8)4.2、施工方法 (8)4.3、检查验收 (8)4.4、高差处理措施 (10)5.1、组织保障 (12)5.2、技术措施 (13)5.3、监测监控 (16)5.4、塔吊防碰撞措施 (16)5.5、应急预案 (17)第六章计算书及相关图纸 (20)6.1、计算依据 (20)6.2、塔机属性 (20)6.3、塔机荷载 (20)6.4、塔吊抗倾覆稳定验算 (21)6.5、地基承载力验算 (22)6.6、基础受冲切承载力验算 (24)6.7、承台配筋计算 (26)第一章工程概况1.1、工程简介工程名称:XXXXXX建设地点:XXX建设单位:XXX设计单位:XXX勘察单位:XXX监理单位:XXX施工单位:XXXXXX总建筑面积约7万平方米。
本工程共计16栋单体建筑,建筑层数为6层。
本工程共计配备4台TC5610、1台QTZ63塔吊,均采用独立式整体塔吊基础。
1号塔吊为QTZ63塔吊,2至5号为TC5610塔吊。
1.2、塔吊平面布置1.3、施工要求1.3.1、确保塔吊在使用周期安全、稳定、牢靠。
1.3.2、塔吊在搭设及拆除过程中要符合工程施工进度要求。
1.3.3、塔吊施工前对施工人员进行技术交底。
严禁盲目施工。
1.4、工程地质概况拟建工程所在场地为沟谷地带,前期场平采用爆破石渣进行场平,回填料主要以白云岩块石及碎石为主。
分层回填碾压并采用强夯方法对地基进行处理。
根据地基承载力检测报告,处理后地基承载力特征值取值为341kPa,计算时按最不利取值260kPa。
第二章编制依据《建筑施工塔式起重机安装、使用、拆卸安全技术规程》JGJ196-2010《塔式起重机设计规》GB/T13752-1992《建筑地基基础设计规》GB50007-2011《建筑结构荷载规》GB50009-2012《混凝土结构设计规》GB50010-2010《《施工组织设计》及其建筑、结构施工图纸》《塔式起重机说明书》《本工程地质勘察报告》第三章施工计划及技术参数3.1、各塔吊基础施工计划根据施工进度总体要求,2号塔吊在11月15日前完成安装,1号和5号塔吊在12月10日前完成安装。
方案报审表审批意见1、方案第4页,按第7页桩基设计图第四条保留卵石层承载力特征值问360KPA,其余两条删除。
2、方案第12页第二行,承台设计截面处的计算高度应为设计值1.3mm。
3、方案第10页中请算出最大抗拔力N’。
4、方案第20页,请确认跗着杆的加长方式,常规的用螺栓加长。
5、方案平面布置图应表达详细,并要求有承台定位图详图。
6、应为塔身较高,建议按JGJ/T187-2009(6.4.4、6.4.5)设计暗梁与基础厚度相同。
7、方案可行,完善后送审。
ZT5610型塔吊基础施工方案一、工程概况1、工程名称: 九江日报社报业中心2、工程地点:江西省九江市八里湖新区八里湖东路东侧3、建设单位:九江日报社4、设计单位:中南建筑设计院5、施工单位:湖南省第六工程有限公司6、建筑概况:九江日报社报业中心位于九江市八里湖新区,西邻八里湖东路,拟建筑面积约4.3万m2;主楼层高二十四层,地下一层(建筑高度96.9m,深度4.5m),裙楼四层,地下一层(建筑高度17.1m,深度4.5m);本工程主楼和裙楼均拟采用框架-剪力墙结构体系,纯地下室部分结构类型则拟采用框架结构体系;基础拟采用钻孔灌注桩,柱地下独立承台加筏板;建筑结构的安全等级为二级,建筑地基基础设计等级为乙级;主楼中柱最大荷载处荷重(标准值)35000KN,边柱最大荷载处荷重(标准值)22000KN;裙楼中柱最大荷载处荷重(标准值)7500KN,边柱最大荷载处荷重(标准值)5000KN;纯地下室部分中柱最大荷载处荷重(标准值)4000KN,边柱最大荷载处荷重(标准值)3000KN;采用变形设计(沉降),建筑地基基础设计等级为乙级;整平标高为21.0m。
二、编制依据1、(ZT5610型塔式起重机使用说明书);2、由九江地质工程勘察院编制(九江日报社报业中心)岩土工程勘察报告;3、塔式起重机安全规程(GB5144-2006);4、(塔式起重机)GB/T5031-2008;5、(建筑桩基技术规范)(JGJ94-2008);6、(建筑地基基础工程施工质量验收规范)(GB50202-2002);7、混凝土结构设计规范(GB50010-2010);8、建筑地基基础设计规范(GB50007-2002);9、(建筑安全检查标准)(JGJ59-2011);10、(塔式起重机混凝土基础工程技术规范)JGJ T187-2009;11、(建筑施工塔式起重机安装、使用、拆卸安全技术规程)JGJ196-2010;12、(建筑工程起重吊装工程安全技术规范)JGJ 276-2012;13、(建筑起重机械安全监督管理规定)建设部令第166号,其他相关规范、规定;14、九江日报社报业中心工程结构图、建施图;15、安必行计算软件。
Xxx扩建工程x标段主体工程TC5610A-6塔式起重机安装批准:审核:编写:会签:持有部门:持有人:修订状态:第0次修改,实施日期:年月日Xxx工程项目部2011年08月10日目录1.概况 (1)1.1工程及设备概况 (1)1.1.1 起重性能表 (1)1.1.2主要部件参数 (2)1.2 施工工期 (2)2.编制依据 (2)3.人员组织及职责 (3)3.1人员组织 (3)3.2参加作业人员要求 (3)3.3职责 (3)4.施工准备 (5)4.1.施工工机具 (5)4.1.1仪器 (5)4.1.2施工作业工机具 (6)4.1.3材料 (6)4.1.4安全器具 (6)4.2 基础验收交接 (6)4.3其他要求 (6)5.作业程序、方法及危险因素辨识 (7)5.1作业程序 (7)5.1.1施工关键工序流程图 (7)5.2作业方法 (8)5.2.1安装前准备工作 (8)5.2.2安装基础节及下塔身 (9)5.2.3安装爬升架组件 (10)5.2.4安装回转总成 (10)5.2.5安装塔顶 (11)5.2.5安装平衡臂总成及一块配重块于前端 (11)5.2.6安装起重臂总成及余下配重块 (12)5.2.7钢丝绳验算 (14)5.2.8电气系统安装、穿绕钢丝绳及安全装臵调试 (14)5.2.9顶升加节 (17)5.2.10自检后试验及检测 (18)6.施工安全质量保证措施 (20)6.1组织保证措施 (20)6.2技术保证措施 (21)6.3安全监督保证措施 (21)6.4质量控制保证措施 (21)6.4.1 质量目标 (21)6.4.2质量通病及预防措施 (22)6.4.3质量控制点的设臵 (22)6.4.4质量验收级别的设臵 (22)6.4.5质量验收过程的设臵 (22)6.5安全管理规定 (23)6.5.1 高处作业安全管理规定 (23)6.5.2 立体交叉作业安全管理规定 (23)6.5.3 安全用电消防管理 (24)6.5.4安全文明施工注意事项 (24)6.6作业的安全危害因素辨识和控制 (25)7.应急预案 (27)7.1成立应急小组 (27)7.2应急小组职责 (27)7.3应急事故处理流程 (27)8.强制性条文 (28)9.附图(表) (29)9.1汽车吊性能表(参考) (29)1.概况1.1工程及设备概况根据现场施工需要,主厂房A排1、2轴间布臵一台TC5610A-6塔式起重机(简称1#塔机),详见下布臵图。
塔吊附着计算塔机安装位置至建筑物距离超过使用说明规定,需要增长附着杆或附着杆与建筑物连接的两支座间距改变时,需要进行附着的计算。
主要包括附着杆计算、附着支座计算和锚固环计算。
一. 参数信息塔吊型号:QTZ50 塔吊最大起重力矩:M=800.0kN.m非工作状态下塔身弯矩:M=-1022.0kN.m 塔吊计算高度:H=114m塔身宽度:B=1.6m 附着框宽度:1.8m最大扭矩:269kN.m 风荷载设计值:1.61kN/m2附着节点数:4 各层附着高度分别(m):31,57,83,109附着杆选用:[16b槽钢附着点1到塔吊的竖向距离:b1=6.26m附着点1到塔吊的横向距离:a1=4.02m 附着点1到中轴线的距离:a2=4.87m二. 支座力计算塔机按照说明书与建筑物附着时,最上面一道附着装置的负荷最大,因此以此道附着杆的负荷作为设计或校核附着杆截面的依据。
附着式塔机的塔身可以视为一个带悬臂的刚性支撑连续梁,其内力及支座反力计算如下:qM31.0m26.0m26.0m26.0m 5.0m1. 风荷载计算1) 工作状态下塔机塔身截面对角线方向所受风荷载标准值塔机所受风均布线荷载标准值 (Wo=0.2kN/m2)=0.8×1.59×1.95×1.39×0.2=0.69kN/m2=1.2×0.69×0.35×1.6=0.46kN/m2) 非工作状态下塔机塔身截面对角线方向所受风荷载标准值塔机所受风均布线荷载标准值 (本地区 Wo=0.45kN/m2)=0.8×1.65×1.95×1.39×0.45=1.61kN/m2=1.2×1.61×0.35×1.60=1.08kN/m2. 塔机的倾覆力矩工作状态下,标准组合的倾覆力矩标准值M k=-1022+800=-222.00kN.m非工作状态下,标准组合的倾覆力矩标准值M k=-1022.00kN.m3. 力 Nw 计算工作状态下: N w=27.116kN非工作状态下: N w=94.454kN三. 附着杆内力计算塔吊四附着杆件的计算属于一次超静定问题,采用结构力学计算个杆件内力: 计算简图:方法的基本方程:计算过程如下:其中:∑1p为静定结构的位移;T i0为F=1时各杆件的轴向力;T i为在外力M和P作用下时各杆件的轴向力;l i为各杆件的长度。
T5610塔式起重机T5610塔式起重机是我公司开发的新型产品,属于上回转水平臂小车变幅自升式固定塔机,具有造型新颖,外形美观,结构紧凑,性能先进适用,运行安全可靠,特别是保持了安装拆卸方便和质优价廉的特点,较适合建筑施工企业的需要。
T5610型塔机的独立式起升高度为40米,工作幅度56米,可以在112米直径范围内进行垂直起吊和水平运输作业,附着式起升高度可达140米,能够满足建设中高层建筑施工的需要。
本机的基本供货高度为40米。
起重特征56mT6013塔式起重机T6013塔式起重机T6013塔机为多工作幅度组合塔式起重机,是我公司开发的新型产品,属于上回转水平臂小车变幅自升式固定塔机,具有造型新颖,外形美观,结构紧凑,性能先进适用,运行安全可靠,特别是保持了安装拆卸方便和质优价廉的特点,较适合建筑施工企业的需要。
T6013型塔机的独立式起升高度为45米,起重臂有三种组合:工作幅度60、55、和50米,最大可以在120米直径范围内进行垂直起吊和水平运输作业,附着式起升高度可达160米,能够满足建设中高T5615塔式起重机T5615塔式起重机T5013塔式起重机T5013塔式起重机T5013塔式起重机是我公司开发的新型产品,属于上回转水平臂小车变幅自升式固定塔机,具有造型新颖,外形美观,结构紧凑,性能先进适用,运行安全可靠,特别是保持了安装拆卸方便和质优价廉的特点,较适合建筑施工企业的需要。
T5013型塔机的独立式起升高度为40米,工作幅度50米,可以在100米直径范围内进行垂直起吊和水平运输作业,附着式起升高度可达140米,能够满足建设中高层建筑施工的需要。
本机的基本供货高度为40米。
起重特征50mT5010塔式起重机T5010塔式起重机欢迎您使用本塔式起重机。
为了帮助您了解塔机的性能,安全快速地安装和正确使用,以保证工程顺利的完成,请您仔细地阅读本说明书并按规定的方法去操作。
该塔机属于上回转自升式固定塔机,具有造型新颖,外观美观,结构紧凑,组装高度低,安装拆卸方便迅速,升降平稳(液压升降),回转平稳,起升三速,工作覆盖面大,塔机高度可根据用户需要增减等特点,适用于120m以下高层民用建筑和工业建筑的施工。
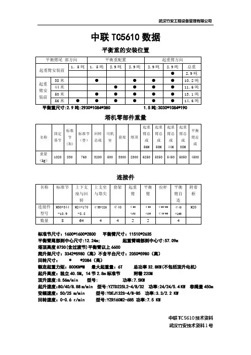
中联TC5610数据平衡重的安装位置平衡重尺寸:2.9吨:2930*1084*380 1.5吨:3030*1084*190塔机零部件重量连接件标准节尺寸:1600*1600*2800 平衡臂尺寸:11510*2635平衡臂尾部到中心尺寸:12.24m; 起重臂端部到中心寸:57.09m塔顶高度8730(含过渡节)平衡臂以上6600爬升架尺寸:3342*5980(高)不含平台尺寸:2050*5980(高)回转尺寸: * *2084(高)额定起重力矩:800KN*M 最大起重量:6T 总功率32.8KW(不包括顶升电机)起升高度:独立40.5M,14节2.8m标准节附着220M顶升速度:0.56m/min 型号: 功率:7.5KW起升速度:80/40/8.88 m/min 型号:YZTD225L2-4/8/32 功率:24/24/5.4 KW 容绳量450m 变幅速度:50/25 m/min 型号:YDEJ132S-4/8-B5 功率:3.3/2.2 KW回转速度:0-0.6 r/min 型号:YZR160M2-6B5 功率:7.5 KW中联TC5610技术资料附着第一道附着距地面31m,悬高小于或等于36.55M,塔机最大工作高度小于或等于68.5M;第二道悬高小于或等于35.75 M,塔机最大工作高度小于或等于97.3M; 第三道悬高小于或等于34.95 M,塔机最大工作高度小于或等于118.9M; 第四道悬高小于或等于31.35 M,塔机最大工作高度小于或等于141.3M;第五道悬高小于或等于28.55 M,塔机最大工作高度小于或等于160.9M; 第六道悬高小于或等于28.55 M塔机最大工作高度小于或等于180.5M,; 第七道悬高小于或等于28.55 M,塔机最大工作高度小于或等于200.1M; 第八道悬高小于或等于28.55 M,塔机最大工作高度小于或等于220M。
变臂变臂拉杆长拉:拉板1530*拉条1280*拉条5930*拉条4145*拉条8150×3*接滑轮组550*滑轮组拉板365*接塔顶内侧拉板500短拉:拉板1530*拉条1280*拉条8150*接滑轮组550*滑轮组拉板335*接塔顶外侧拉板7001、滑轮组长度:550;以上为56米和50米拉杆配置。
TC5610塔吊基础方案第一节塔吊选型及布置一、编制依据:1、工地概况:金湖美景二期工程工地,该工程为框剪结构,地下一层,地上30层总高近100 米,该工程决定安装一台“江汉”TC5610塔机,有效解决工地施工的垂直运输。
塔机臂长56米,最大起重量6吨,最小起重量为1.0吨。
2、、TC5610型塔机说明书。
3、根据勘察研究院《岩土工程勘察报告》的建设场地层划分。
4、设计图纸及施工组织设计中的总平面布置图。
二、塔吊性能:TC5610塔式起重机起吊性能:①最大起重量:6吨②最大臂长:56米③独立高度:40米④工作幅度:2.5-56米⑤起升速度:80/40/20m/min ⑥回转速度:0~0.60r/min ⑦变幅速度:44/22m/min ⑧顶升速度:0.40~0.70 m/min第二节塔吊基础验算根据现场实际需要及塔吊工作特性,考虑TC5610塔吊的性能参数,按塔吊技术性能查资料可知:塔吊自重为36.2t=362KN基础自重为5.5×5.5×1.35×24=980.1KN活荷载为最大起吊重量6t=630KN基础倾覆力矩为:①工作状态:M1=1699KN•M②非工作状态:M2=2289KN•M基础稳定性验算:本基础所受荷载主要为竖向力和力矩,因此,应按承受偏心荷载作用计算。
计算模型简图如下图所示:根据《建筑地基基础设计规范》(GB50007-2002)的规定:偏心荷载作用时,基础底面压力应符合下列要求:P max≤1.2f (1)当e≤b/6时,P max=(F+G)/A+M/W (2)P min=(F+G)/A-M/W (3) 当e≤b/6时, P max=2(F+G)/3B c a (4)f为地基承载力设计值;P max为基础底面边缘的最大压力设计值;P min为基础底面边缘的最小压力设计值;e为偏心距,e=M/(F+G);F为上部结构传至基础顶面的竖向力设计值;G为基础自重设计值;A为基础底面面积;M为倾覆力矩,包括风荷载产生的力矩和最大起重力矩;W为基础底面的抵抗矩;B C为垂直于力矩作用方向的基础底面边长;a为合力作用点至基础底面最大压力边缘的距离。