磷酸铁锂电池保护芯片S-8209A系列的应用示例
- 格式:pdf
- 大小:260.40 KB
- 文档页数:14
Rev. 1.4012021-11-23HT7Q15203~8节电池模拟前端用于锂电池保护特性•V IN 输入电压范围:7.5V~36V•累加的电池电压监测器:8-1模拟多路复用器具有分压比精准度为1/n ± 0.5% •反向电流保护开关的扫描频率为100Hz •需要较少的单片机A/D 转换器通道•5V/30mA 内部电压调整器具有±1%精准度•工作温度范围:-40o C~+85o C •封装类型:16-pin NSOP应用领域•电动工具•手持式真空吸尘器概述HT7Q1520是一款高压模拟前端IC ,其适用于3~8节可充电锂电池保护。
该芯片由一个累加的电池电压监测器和一个高精准度电压调整器组成。
该芯片设计可监测1~N 个电池累加的电压并输出N 分压后的电压给模拟多路复用器,分压比精准度为±0.5%。
使用反向电流保护开关可以防止回流,即使V OUT 高于V BATn 。
能够循序观察VBATn 引脚上累加的电池电压分压后的值,这有利于具有较少A/D 转换器通道的单片机。
B2~B0控制位用于选择终端输出电压,在C OUT =2.2nF 下,扫描频率最大为100Hz 。
使能引脚EN_S 用于关闭所有开关,输出电压通过内部1M Ω的下拉电阻拉低。
集成的电压调整器精准度为±1%,其为单片机提供了5V 电源和30mA 驱动电流。
电压调整器始终处于激活状态,即使EN_S 引脚被清除为逻辑低电平。
典型应用电路注:1. 如果使用的串行电池节数少于8,需将未使用的VBATn 引脚连接到最高电压准位。
不能将VBATn引脚浮空以免对芯片造成损害。
2. 上图中粗线处的连接应越短越好。
3. VIN 引脚不可浮空以免发生无法预期的误动作。
Rev. 1.4022021-11-23功能方框图VOUTVREG引脚图VBAT8VBAT7VBAT6VOUT B2B1B0EN_S VBAT1VBAT5VBAT4VBAT3VBAT2VIN VREGGNDHT7Q152016 NSOP-A16151413121110912345678极限参数建议工作范围注:极限参数表示超过所规定范围将可能对芯片造成损害。
BI YE SHE JI(20 届)纯电动汽车充电器设计所在学院专业班级自动化学生姓名学号指导教师职称完成日期年月III摘要随着世界上能源问题与环境问题越来越突出,电动汽车有着零排放和高效的特点,因此受到越来越高的重视,但是纯电动汽车的充电问题依然是制约电动汽车快速发展的瓶颈。
本文是在对大量的资料分析,电池特性及其发展现状的研究基础上,设计了可供纯电动汽车锂电池组充电使用的快速智能充电器。
文中对锂电池的充电是采用先横流后恒压最后再浮充的三段式的充电方法。
本文首先介绍了课题的背影及意义和电池的充电方法。
之后设计了主电路的拓扑,主电路部分主要包括功率因数校正电路及DC-DC变换电路,并对主电路的参数与器件进行了选择与设计。
而后对控制电路进行了设计,控制电路主要是基于DSP来实现对充电器的控制,DSP依据估算的电池SOC值划分三阶段充电,而恒流恒压主要通过PID调节实现。
同时本文还设计了电压,电流,温度等的检测电路,为防止过流过压及温度过高还设计了保护电路。
最后设计了充电器的软件部分,着重介绍了SOC算法及基于SOC的三阶段充电控制流程。
关键字:纯电动汽车,DSP,PFC,充电器IIIAbstractWith the world's energy problems and environmental issues become more and more prominent, electric vehicles have zero emissions and efficient features and therefore subject to more and more attention, but the pure electric vehicle charging problem still is the bottleneck in the fast development of electric vehicles. This paper designs available pure electric vehicle lithium batteries used in the rapid smart charger on the basis of a lot of data analysis, present situation and characteristics of the battery. In the paper, charging of lithium battery is using the first cross-flow, constant pressure last float three-stage charging method.This paper first Introduction back and significance of the subject and battery charging methods, After design the topological of the main circuity, the main part of the main circuit, including power factor correction circuit and DC-DC converter circuit, and the selection and design for the parameters and devices of the main circuits. Then the paper design the control circuit, the control circuit to implement the feedback control of the charger is based on DSP, the DSP based on the estimated SOC of battery is divided into three stages charging, and the realization of constant current constant voltage base on PID regulator. The article also designed the detection circuit of the voltage, current, temperature, etc., in order to prevent overcurrent, overvoltage and temperature the paper has also designed a protection circuit. Last design the software portion of the charger, highlighting the SOC algorithm and the SOC-based three-stage charge control process。
XB8089单节大电流锂电保护芯片,移动电源5V3A,放电电
流6A
一般说明
XB8089系列产品是高度集成的锂离子/聚合物电池保护解决方案。
XB8089A内置MOSFET,高精度电压检测电路和延迟电路。
XB8089A ESOP-8封装,外围仅一颗电阻和电容。
XB8089A具有所有保护功能。
在电池应用中需要,包括过充电、过放电、过电流以及负载短路保护等。
准确的过充电检测电压,确保安全和充分利用充电。
超低待机功耗
该设备不仅针对数字移动电话,但也适用于任何其他手机,锂离子和锂聚合物电池供电,需要长期电池寿命的信息设备。
特征
·充电器反向保护
连接
·电池反向保护
连接
·集成先进的功率场效应晶体管
相当于20MΩRSS(开)
·ESOP8封装
·仅限外部电容器
要求的
·过温保护
·过充电电流保护
·两级过电流检测:
-过放电电流
-负载短路
·充电器检测功能
·0V电池充电功能
-内部产生延迟时间
·高精度电压检测
·低电流消耗
-操作模式:6μA典型。
-断电模式:3μA典型。
·符合RoHS标准,不含铅应用
单芯锂离子电池组
锂聚合物电池组。
复位IC,电源管理IC系列,替代型号及参数复位ICPJ809 series(2.63/2.93/3.08/4.0/4.38/4.63V)PJ810 series(2.63/2.93/3.08/4.0/4.38/4.63V)PJ705/706/707/708/813EL Driver ICPJ6540C(驱动面积20-40 CM2)PJ6540S(驱动面积20-40 CM2)PJ6540TS(驱动面积20-40 CM2)PJ6543S/TS(驱动面积50-100 CM2)高电压检测ICPJ6101C/NXXXMR series(1.1-6.0V,每隔0.1有型号)LCD Driver ICSC1904(驱动点数19X4)SC1621(驱动点数32X4)SC1621(驱动点数32X4)SC1622(驱动点数32X8)SC1622(驱动点数32X8)SL4808(驱动点数48X8)SC1626(驱动点数48X16)SC1626(驱动点数48X16)SC6523(驱动点数52X3)PJ8566S(驱动点数32X4)小功率AB类音频放大ICPJ4890(1W)PJ4990(1.25W)PJ4871(1.5W)PJ4871(PP)(底部带散热片,1.5W)TDA2822(12V,2X1W)PJ2822(12V,2X1W)TDA2822(9V,2X1W)PJ2822(9V,2X1W)TDA2822(6V,2X1W)LM386中功率AB类音频放大ICPJ4888(2X2.1W,带3D混响功能和立体声耳机功能)PJ4818(2X2.2W,带立体声耳机功能)PJ4088(2X2.2W,带立体声耳机功能)PJ4863MTE(2X2.2W)PJ4863S/P(2X2.2W)CSC4863S(2X2.2W)TEA2025(12V,2X2.5W)TEA2025(9V,2X2.5W)PJ4836(2X2W,带重低音)PJ4836(2X2W,带重低音)TDA7496(2X2W)D1517P(2X4W)TA8227(2X3W)KA2206(2X2.3W)APA2068((2X2.6W,带音量控制,底部带散热片)大功率AB类音频放大ICTDA2030A(18W)LM1875T/L(20W)TDA7265(2X25W)YD7377(2X30W或4X6W)D类音频放大ICPJ2005(1.4W,单声道,D类音频放大)PJ2010(1.3W,单声道,D类音频放大)TPA2012D2(2X1.4W,立体声,D类音频放大)PJ2012(2X1.5W,立体声,D类音频放大)AX2012(2X1.4W,立体声,D类音频放大)PJ8008(2X1.5W,立体声,D类音频放大)耳机音频放大ICPJ4800(2X290mW,立体声耳机放大IC)PJ4808(2X105mW,立体声耳机放大IC)PJ4809(2X105mW,高电平关断,立体声耳机放大IC)PJ8608(2X105mW,立体声耳机放大IC)PJ4880(2X250mW,立体声耳机放大IC)PJ7000(2X40mW,立体声耳机放大IC)LM4853M(2X300mW立体声耳机放大或1.5W单声道耳机放大 IC)全差分AB类音频放大ICPJ4898(全差分,1W)PJA6211(全差分,1.25W)PJA6203(全差分,1.25W)音量音质处理ICCSC2313(三组立体声输入音质处理IC,6V-10V.)CSC2314(四组立体声输入音质处理IC,6V-10V.)D2322(6通道AV前置控制IC,5-12V.)D2323(6通道音响输入选择IC,4.5-12V.)CSC2256(双声道音量控制IC,2.5V-12V.)PT2258(六声道音量控制IC,5V-10V.)M62429(双声道音量控制IC,5V.)TC9153(音量控制IC,4.5-12V.)混响处理ICCD2399单片调频调幅收音ICCD9088(单片电调谐调频收音IC)CD1191(单片调频调幅收音IC)TA2003(单片调频调幅收音IC)YT2111(单片调频调幅立体声收音IC)YD2149(单片调频调幅收音IC/3V工作)并联白灯背光ICPJ7110(并3路白灯,每路20mA)PJ7111(并4路白灯,每路20mA)PJ5920(并3路白灯,每路20mA)PJ5921(并4路白灯,每路20mA)PJ9300(并4路白灯,每路20mA)PJ3200(并5路白灯,每路20mA)PJ2133(并4路白灯,每路可达30mA)PJ60230(并5路白灯,每路可达30mA)PJ9364(并4路白灯,每路可达20mA)PJ9362(并4路白灯,每路可达30mA)PJ9360(并4路白灯,每路可达30mA)PJ3114(并6路白灯,每路20mA)霍尔ICPJ90248S/TPJ177A/B/CPJ1881S/TPJ732S/TPJ211A/B/CTPJ41S/TPJ49ETPJ40APJ5881PJ3144RS232接口ICMAX232锂电保护ICPJ5426AB(4.3V过充保护电压)PJ5426BB(4.28V过充保护电压)PJ2188(4.3V过充保护电压,内置MOS的2合1锂电保护IC)锂电保护板所用MOS管PJ9926SPJ9926TPJ8205T(新版样品)PJ8205MR(新版样品)PJ5N20VPJ8810TPJ8810MRPJ8822TPJ8822MRPJ8818TPJ8818MRPJ8820MRPJ8208PJ6968PJ8209MR单节锂电充电ICPJ4054MR(800mA)PJ4054DR(800mA)PJ4054PR(1A)PJ4056MR(800mA,带双灯指示功能)PJ4060C(250mA,双灯指示功能,其中一个灯为七彩灯指示) PJ4060D(250mA,双灯指示功能)PJ4050S(500mA)PJ2051S(1A)PJ4100(1A)VM7205M/S(1A,须外接场效应管)PJ9501A/B(1A,须外接场效应管,B:4.2V,A:4.1V,一般推B版的)单节锂电/镍氢电池/铅酸电池线性充电ICPJ4062S(500mA,4.2V充满,充电电压可调,也可充镍氢/铅酸电池) PJ4066(1A,4.2V充满,充电电压可调,也可充镍氢/铅酸电池)单节磷酸铁锂电/镍氢电池/铅酸电池线性充电ICPJ4058S(500mA,3.6V充满,充电电压可调,也可充镍氢/铅酸电池) PJ4059(1A,3.6V充满,充电电压可调,也可充镍氢/铅酸电池)开关电源绿色模式PWM控制ICPJ6848M/PPJ6850M/P/SPJ6853M/PPJ6842M/P/SPJ6860(15W)PJ2530A(5W)PJ2603P(6W,内置700V三极管)PJ2604P(6W-8W,内置700V三极管)PJ2605S(3.8W-4.5W,内置700V三极管)PJ2607P(18W,须外加高压功率三极管)PJ8022P(20W以下,内置700VMOS管,输入电压9-38V,耐压50V) PJ8012P(13W以下,内置730VMOS管,输入电压10-39V,耐压50V) PJ1203(5-120W,输入电压耐压16V)I2C实时时钟/日历ICPJ8563S/P/T/MPJ1302S/PAM/FM 频率显示驱动ICSC3610SC3610D马达驱动ICD5898(PDVD 含双路DC-DC 4通道马达驱动IC)D5668(DVD 5通道马达驱动IC)D5868(DVD 5通道马达驱动IC)D5888(DVD 5通道马达驱动IC)D5954(DVD/PDVD/Car DVD/CD机 4通道马达驱动IC)D9258(DVD/PDVD/Car DVD/CD机 4通道马达驱动IC)D9259(DVD/PDVD/Car DVD/CD机 5通道马达驱动IC)YT5901(CD机4通道马达驱动IC)PJ6651AN6650(马达稳速IC)PJ7010R(马达正反转控制驱动IC,1-2A驱动电流)PJ9110(马达正反转控制驱动IC,0.8A驱动电流)PJ9120(马达正反转控制驱动IC,3A驱动电流,须加三级管扩流) PJ9130(直流马达正反转及加速驱动IC,3A驱动电流,须加三级管扩流)锁相环ICAT9256AT9257LC72131电阻式触摸屏控制ICPJ2046PJ2003电容式触摸按键ICTF601(6键输入,工作电压2.5-5.5V)TF401(4键输入,工作电压2.5-5.5V)TF201(2键输入,工作电压2.5-5.5V)TF101(1键输入,工作电压2.5-5.5V)通用运算放大器ICLM324S(四运放/32V)LM324P(四运放/32V)LM324S(四运放/18V)LM324P(四运放/18V)LM358S/P(双运放)JRC4558(双运放)低压运算放大器ICPJ3414(双运放)PJ4510(双运放)PJ2107(单运放)低压低功耗运算放大器ICS324(四运放)S358(双运放)低噪声低失真运算放大器ICPJ4580(双运放)PJ4560(双运放)PJ2568(双运放)大电流运算放大器ICPJ4556(双运放)高带宽高转换速率运算放大器ICPJ2137(双运放)低漂移高精度运算放大器ICOP07(单运放)中频接收ICMC3361通话免提ICMC34018PJ34118PJ34119通话话音网络ICTEA1062/A(A:低电平静噪)压扩电路ICTA31101F(语音压扩电路IC)SL5015(压扩电路IC)SL5020(低压压扩电路IC)DC DC变换ICPJ34063A(1.5A)MC34063B(0.8A)PJ34063(0.8A)三端可调正电源稳压ICLM317L(100mA)LM317T(1.5A)电流型PWM控制ICKA3842S/PKA3843S/P固定频率PWM控制ICKA7500PKA7500STL494PTL494SPJ9741电压比较器ICLM339S(4电压比较器)LM339P(4电压比较器)LM393S/P(双电压比较器)LED显示屏驱动ICPJ62726SS/SO/SP(16位恒流LED驱动IC,每路输出4-90mA) PJ6024(16位恒流LED驱动IC,每路输出3-45mA)LED数码管显示驱动IC(移位寄存器IC)PJ74HC164PJ74HC164PJ74HC595门电路ICPJ74HC244(8路3态缓冲驱动IC)PJ74HC04(六反相器IC)PJ74HC14(六反相施密特触发器IC)SC74HC245(总线驱动双向三态门电路IC)SC74HC138(3-8译码器IC)SC74HC27(四总线收发器IC)SC74HC373(八D锁存器IC)SC74HC393(双4位二进制计数器IC)TFT-LCD 时序控制ICPVI1004DTFT-LCD 信号处理ICD3031LCD视频切换开关ICPI5V330定时器ICNE555立体声D/A转换ICPJ433416位音频D/A转换ICPJ8211CCFL冷光阴极灯控制ICPJ3105恒流恒压控制ICPJ1051MR2A DDR 电源ICPJ9174七路达林顿驱动器阵列ULN2003(七路达林顿驱动器阵列,最大驱动电流可达500MA) ULN2003(七路达林顿驱动器阵列,最大驱动电流可达500MA)模拟开关ICPJ3157(高速单刀双掷模拟开关IC)电源开关ICPJ9701双卡控制ICPJ6188(SPI接口双卡控制IC)4路ESD保护ICPJ3205MRSOT23SOT23SOP8/DIP8 DiceSOP8TSSOP8SOP8/TSSOP8 SOT23DiceDiceSSOP48DiceQFP64DiceDiceQFP100QFP64/LQFP64 LQFP44 MSOP8SMD9(=CSP9) SOP8/DIP8 SOP8(PP)DIP8SOP8DIP8SOP8SOP8/DIP8 SOP8/DIP8 QFN24QFN24QFN16 TSSOP20(PP) SOP16/DIP16 SOP16WSOP16/DIP16 SOP16/DIP16 TSSOP28(PP) HSOP28DIP20/SOP20 DIP18FDIP12SOP16-PPHZIP5TO-220B-5/TO-220-5HZIP11ZIP15QFN8/MSOP8SMD9(=CSP9)/QFN8(=DFN8)QFN20/WCSP16QFN20/WCSP16SOP16WTSSOP20SOP8MSOP8MSOP8SOP8SOP8/DIP8SSOP10MSOP10MSOP10/SMD9(=CSP9)MSOP8/SMD9(=CSP9)SMD9(=CSP9)/QFN8(=DFN8)/MSOP8 SOP28/DIP28SOP28/DIP28SOP28/DIP28SOP28/DIP28SOP16/SOP16WDIP20SOP8/DIP8DIP16DIP16/SOP16SOP16SOP28DIP16/SSOP16SDIP24/SSOP24SDIP24/SSOP24SOT-26MSOP8MSOP8SOT-26SOT-26QFN16QFN16QFN16QFN16QFN16QFN16SOT-23/TO-92 SOT-23/TO-92 SOT-23/TO-92 SOT-23/TO-92 TO-94SOT-23/TO-92 TO-92TO-92/SOT-23 TO-92/SOT-23 TO-92/SOT-23SOP16/DIP16SOT-26SOT-26 TSSOP8SOP8TSOP8TSSOP8 TSSOP6(SOT26) TSSOP8 TSSOP8 TSSOP6(SOT26) TSSOP8 TSSOP6(SOT26) TSSOP8 TSSOP6(SOT26) TSSOP6(SOT26) TSSOP8 TSSOP8 TSSOP6(SOT26) SOT-25DFN10SOT-89-5SOT-26SOT-26SOT-26SOP8SOP8DFN10MSOP8/SOP8MSOP8SOP8DFN10SOP8DFN10SOT-26/DIP8SOT-26/DIP8/SOP8SOT-26/DIP8SOT-26/DIP8/SOP8TO-92TO-92DIP8DIP8SOP8DIP8DIP8DIP8SOP8SOP8/DIP8/TSSOP8/MSOP8 SOP8/DIP8DiceCOB(SOP36)HSOP34HSOP28HSOP28HSOP28HSOP28HSOP28HSOP28QFP44TO-126DIP8SOP8/DIP8SOP8/DIP8SOP8/DIP8DIP16SOP16/DIP16 SOP20/DIP20 DIP22/MFP22QFN16/TSSOP16 TSSOP16SSOP20SOP14SOP8SOP8SOP14DIP14SOP14DIP14SOP8/DIP8 SOP8/DIP8 SOP8/DIP8 SOP8/DIP8 SOT-25/SOP8SOP14/DIP14 SOP8/DIP8 SOP8/DIP8 SOP8/DIP8 SOP8/DIP8SOP8/DIP8SOP8/DIP8SOP8/DIP8SOP16/DIP16SOP28/DIP28 SOP28/DIP28 SOP8/DIP8DIP16SOP16SOP20/DIP20SOP14/DIP14SOP8/DIP8SOP8/DIP8DIP8TO-92TO-220SOP8/DIP8SOP8/DIP8DIP16SOP16DIP16SOP16SSOP16/SOP16SOP14DIP14SOP8/DIP8SSOP24/SOP24/SDIP24 SSOP24/SOP24/QFN24 DIP14(插片)SOP14(贴片)SOP16SOP20SOP14SOP14SOP20SOP16SOP14DIP20DIP14QFP64QFP48SSOP16SOP8/DIP8SOP8/DIP8 SOP8 SSOP20 SOT-26 SOP8DIP16 SOP16 SOT-26 SOT-25 QFN20 SOT-26MAX809/IMP809 seriesMAX810/IMP810 seriesMAX705/706/707/708/813/IMP705/706/707/708/813 series 兼容SM8141兼容SM8141兼容SM8141兼容SM8142XC6101FC(FN)/XC6101CC(CN) seriesHT1621/SL3204HT1621/SL3204HT1622/SL3208HT1622/SL3208HT1623HT1626/SL4816HT1626/SL4816PT6523/SC75823PCF8566LM4890/LM4889/APA0711/NCP2890/PT2366LM4890/LM4889/LM4990/NCP2990LM4871LM4871TDA2822/KA2209TDA2822/KA2209TDA2822/KA2209TDA2822/KA2209TDA2822/KA2209LM386LM4888LM4818/SN4188SN4088/LPA4911LM4863MTELM4863LM4863TEA2025TEA2025LM4836LM4836TDA1517APA2068/G1450TPA2005TPA2010/NCP2820/TS4962/EUA2010/A7013/LM4670/1/3/5/APA2010/PT2333 LM4674TPA2012TPA2012TMPA2155PSTDA1308/LM4800/PT2308/APA4800LM4808LM4809LM4808LM4880/HT82V735FAN7000LM4898/LM4894TPA6211/TPA6204TPA6203PT2313/SC7313PT2314/SC7314PT2322PT2323PT2256PT2258M62429TC9153PT2399TDA9088/TDA7088/TDA1088CXA1191TA2003TA2111TA2149AMC7110AMC7111G5920G5921RT9300LTC3200/AAT3110/RT9361/AAT1501/AIC1848CP2133/FAN5616TPS60230RT9364RT9362RT9360/SC604/CAT3406/PAM2701AAT3114MLX90248/A180/A3212/TLE4913/EW6672ATC177/ATS177US1881EW732/EW512/DN6851FTC211/FTS211SS41/SS400/US1881UA/UGN3175/77UA/UGN3075/77UA/A3132/33/34UA/HAL105/115/125 SS49E/AH41ESS40AUS5881A3144/UGN3140/2/UGS3140/2/A3141/2/3DW01+/CS213/R5426/DW01DW01+/CS213/R5426/DW01兼容CR6002CEM9926/APM9926/AP9926/AO8822/AO8810CEM9926/APM9926/AP9926/AO8822/AO8810CEM8205/APM8205/AP8205/AO8205CEM8205/APM8205/AP8205/AO82055N20VAO8810AO8810AO8822AO8822AO8818AO8818AO8820AO8208APM6968AO8209LTC4054ES5/MCP73831-2(SOT-25)/MCP73832-2(SOT-25)/OCP8020LTC4054ES5/MCP73831-2/MCP73832-2/OCP8020LTC4054ES5/MCP73831-2/MCP73832-2)/OCP8020LTC4054ES5/MCP73831-2(SOT-25)/MCP73832-2(SOT-25)/OCP8020VA7205/VA7202RT9501SG6848/LD7550/OB2262SG6850/LD7550/OB2262/SG5701/SG5848SG6851/LD7535/OB2263/SG6848/SG6849/SG5701/SG5848/LD7550/OB2262/OB2278/OB2279 SG6841/SG6842/LD7552/OB2268/OB2269ACT30/AP3700ACT30/AP3700THX202THX203THX208THX201Viper22Viper12NCP1203PCF8563/PT7C4337DS1302/HT1380/HT1381AM5898AM5668AM5868AM5888BA5954KA9258KA9259BA5901AN6651LG7010LG9110LG9130TC9256/PT9256TC9257/PT9257TSC2046/ADS7846/MT6301/AK4182/ADS7843 TSC2003LM4558/JRC4558NJM3414NJM4510NJM2107SGM324/LMV324SGM358/LMV358NJM4580NJM4560NJM2568NJM4556NJM2137OP07DBL5018/SL5018SC34018MC34118/SC34118MC34119/SC34119SL5015SL5020MC34063AMC34063BLM3842LM3843TL494TL494BA9741/TL1451/SP9741/A1250/AP2001/FP1451 TB62726/MBI5026MBI502474HC16474HC16474HC59574HC24474HC0474HC1474HC24574HC13874HC2774HC37374HC393IR3Y31CS4334PT8211/TDA1311/HT82V731BIT3105TSM1051/SL71051/BD6550G/NJM2336 RT9174ULN2003ULN2003SGM3157RT9701MT6302MAX3205/SRV05-4。
储能电站电池管理系统(BMS)用户手册V1.0(磷酸铁锂电池)深圳市光辉电器实业有限公司目录1、概述 (3)2、系统特点 (3)3、储能电站系统组成 (4)4、电池管理系统主要组成 (4)4.1 储能电池管理模块ESBMM (5)4.1.1 ESBMM-12版本 (5)4.1.2 ESBMM-24版本 (8)4.2 电池组控制模块ESGU (12)4.3 储能系统管理单元ESMU (15)5、安装及操作注意事项 (18)附录A:产品操作使用界面 (18)1、概述ESBMS 是根据储能电池组特点设计的电池管理系统,实现电池组的监控,管理和保护等功能,为磷酸铁锂电池在成组使用时的安全应用以及寿命的延长等方面都起着决定性的作用。
2、系统特点●全面电池信息管理实时采集单体电池电压、温度,整组电池端电压、充放电电流等。
●在线SOC诊断在实时数据采集的基础上,采用多种模式分段处理办法,建立专家数学分析诊断模型,在线预估单体电池的SOC。
同时,智能化地根据电池充放电电流和环境温度等对SOC预测进行校正,给出更符合变化负荷下的电池剩余容量及可靠使用时间。
●主动无损均衡充电管理在充电过程中,采用我司“补偿式串联电流均衡法”和“集中式均衡法”两项发明专利技术调整单节电池充电电流,保证系统内所有电池的电池端电压在每一时刻有良好的一致性,同时减少有损均衡方法带来的能量浪费,最大均衡电流不小于2A。
●系统保护功能对运行过程中可能出现的电池严重过压、欠压、过流(短路)、漏电(绝缘)等异常故障情况,通过高压控制单元实现快速切断电池回路,并隔离故障点、及时输出声光报警信息,保证系统安全可靠运行。
●热管理功能对电池箱的运行温度进行严格监控,如果温度高于或低于保护值将输出热管理启动信号,系统可配备风机或保温储热装置来调整温度;若温度达到设定的危险值,电池管理系统自动与系统保护机制联动,及时切断电池回路,保证系统安全。
●自我故障诊断与容错技术电池管理系统采用先进的自我故障诊断和容错技术,对模块自身软硬件具有自检功能,即使内部故障甚至器件损坏,也不会影响到电池运行安全。
丹东华奥电子有限公司简介LD209A(替代CS209A)是一种双极性集成电路,主要用于金属检测或是接近感应。
集成电路(见方框图)包含两个片上的电流调节器,振荡器和低电平的反馈电路,峰值检波/解调电路,一个比较器和两个互补的输出端。
振荡器与外部LC 网络连接,实现振荡器振幅的可调,这主要依赖于LC 谐振的Q 值。
在低Q 条件,一个可变低电平反馈电路可以为主振荡器提供驱动。
峰值解调器能够检测振荡器包络的负极部分,并将解调波形输入到比较器中。
通过将解调器的输入与内部基准相比较,比较器确定互补输出端口的状态。
输出引脚需要连接外部负载。
.内部包含瞬变抑制电路,用来在谐振电路末端吸收负极瞬变。
LD209A 可用于汽车速度传感器电路。
特点系列信息●振荡器专用电流调节器●负极瞬变抑制●可调的低电平反馈●改进的过热保护性能●VCC =12V ,6mA 电流消耗●输出端吸收电流能力20mA (4Vcc ),100mA (24Vcc )方框图封装说明DIP8管装,无铅SOP8管装,编带,无铅SOP14管装,编带,无铅金属接近探测器集成电路△VBE/R电流调节器VBE/R 电流调节器负瞬变抑制解调比较振荡器丹东华奥电子有限公司管脚描述绝对最大范围引脚缩写功能DIP8&SO8SO1411OSC 连接于OSC 和RF 的可变反馈电阻用于设置检查范围22TANK 连接并联谐振电路33GND 地44OUT1互补的集电极开路输出,当OUT1为低时,有金属存在56OUT2互补的集电极开路输出,当OUT1为高时,有金属存在610DEMOD 控制OUT1和OUT 2状态的比较器输入端712V CC 电源电压813RF 连接于OSC 和RF 的可变反馈电阻用于设置检查范围5,7,8,9,11,14NC空参数缩写数值单位电源电压24V 能量消耗(TA =125℃)200mW 储存温度-55to +165℃结温度-40to +150℃静电放电(除TANK 引脚)2kV焊接温度波峰焊(仅通孔形式)回流焊(仅贴片形式)10sec.最大,260℃峰值60sec.大于183℃,230℃峰值DIP8&SOP8SOP14丹东华奥电子有限公司电特性-40℃≤TA ≤125℃,除非另外说明典型工作特性出转换延时&输出负载输出转换延时&温度参数测试环境最小值典型值最大值单位电源电流I CC V CC =4VV CC =12V V CC =24V 3.56.011.0 6.011.620.0mA 谐振电流V CC =20V -550-300-100μA 解调器充电电流V CC =20V -60-30-10μA 输出漏电流V CC =24V 0.0110.0μA 输出端饱和电压V SA T V CC =4V ,I S =20mA V CC =24V ,I S =100mA60200200500mV 振荡器偏压V CC =20V 1.1 1.9 2.5V 反馈偏压V CC =20V 1.1 1.9 2.5V Osc-Rf 偏压V CC =20V -250100550mV 保护电压I TANK =-10mA-10.0-8.9-7.0V 检测门限72014401950mV 释放门限55012001700mV解调电压&距离(不同的RF)工作原理LD209A是一款金属探测电路。
两节,三节,四节,五节锂电池保护芯片,20款板子模块设计10号板子:单节锂电池保护板,过流 6A11 号板子:单节锂电池大电流保护板,过流 15A12 号板子:单节磷酸铁锂电池保护板,过流 6A13 号板子:单节磷酸铁锂电池大电流保护板,过流 15A14 号板子:两节串联 7.4V 锂电池保护板,过流 6A15 号板子:两节串联 7.4V 锂电池保护板,过流 15A16 号板子:两节串联 7.4V 磷酸铁锂电池保护板,过流 6A17 号板子:两节串联 7.4V 磷酸铁锂电池保护板,过流 15A18 号板子: 3 节串联锂电池保护板,过流 30A19 号板子: 4 节串联锂电池保护板,过流 30A20 号板子: 5 节串联锂电池保护板,过流 30A21 号板子: 6 节串联锂电池保护板,过流 45A22 号板子: 7 节串联锂电池保护板,过流 45A23 号板子: 8 节串联锂电池保护板,过流 45A24 号板子: 9 节串联锂电池保护板,过流 45A25 号板子: 10 节串联锂电池保护板,过流 45A27 号板子: 12 节串联锂电池保护板,过流 45A28 号板子: 13 节串联锂电池保护板,过流 45A29 号板子: 14 节串联锂电池保护板,过流 45A30 号板子: 12 节串联锂电池保护板,过流 45A10 号板子:单节锂电池保护板单节锂电池保护板子,过流 3A,10 号板子使用芯片: DW01B 锂电池保护芯片, PW8205A8TS 搭配 MOS。
11 号板子:单节锂电池大电流保护板单节锂电池保护板子,过流 15A,搭配 MOS,增大过流。
12 号板子:单节磷酸铁锂电池保护板单节磷酸铁锂电池保护板子,过流 3A,12 号板子使用芯片:磷酸铁锂电池保护芯片, PW8205A8TS 搭配 MOS。
13 号板子:单节磷酸铁锂大电流保护板单节磷酸铁锂电池保护板子,过流 15A,13号板子使用芯片:磷酸铁锂保护芯片,PW8205A8TS 搭配MOS,增大过流。
(通信企业管理)磷酸铁锂电池在通信行业中的应用磷酸铁锂电池于通信行业中的应用关键词:通信、移动基站、宏基站、室外壹体化基站、蓄电池、铁电池、纯电动汽车电池、军用锂电池、电动工具锂电池、磷酸铁锂电池组、磷酸铁锂电池、铁锂电池、锂离子电池、新能源汽车锂电池、锂电池、新能源电池、新型蓄电池、矿灯锂电池、储能电池、UPS电源、基站后备电源、太阳能路灯电池、LED灯锂电池、风电电池、船舶锂电池、光伏电池、电动大巴用锂电池、混合动力电池、动力电池、电动车电池、电动车用锂电池、锂离子电池组传统的阀控式密封铅酸电池以其成本低廉、技术成熟、维护方便得到广泛应用,然而,随着无线通信技术的不断发展和移动基站应用场景的复杂化,传统的蓄电池逐步显现出体积大、对环境温度要求苛刻等劣势。
磷酸铁锂电池由于具有体积小、重量轻,高温性能突出,循环性能优异,可高倍率充、放电,绿色环保等众多优点,更适用于环境温度高、机房面积及承重小等恶劣的基站环境。
于末端供电后备电池方面可作为铅酸蓄电池的有效补充。
壹、目前后备电源面临的问题1、传统铅酸蓄电池对环境温度要求比较高目前市内宏基站的站址选择越来越难,室外壹体化基站开始大规模建设。
传统的铅酸蓄电池对环境温度要求比较高的特点造成传统的铅酸蓄电池很难适应室外高温等恶劣天气。
另外,除了铅酸蓄电池外,室内宏基站的其他设备对环境温度的适应范围均比较宽。
机房空调就是为了给铅酸蓄电池提供适当的环境温度。
为了节能减排,目前已开发出蓄电池保温箱等蓄电池专用的小型空调设备。
如果能找到壹种对环境温度要求不高的电池作为后备电源,不仅能解决室外壹体化基站后备电源的问题,而且仍能省掉机房专用空调,这样既节省了工程初期购买空调的投资,也节省了基站运行时的大量电费开销。
2、传统铅酸蓄电池对机房面积和承重要求高室内宏基站设备中,电源设备占比最大,而电源设备中提及和占地面积最大的就是蓄电池。
室内宏基站的机房大多采用民房,根据结构专业的统计计算,民房的承重设计壹般为150~200kg/m,而铅酸蓄电池对机房的承重要求不低于400kg/m,所以于现有的民房内摆放铅酸蓄电池均需要经过加固处理。
WBT-820A系列微机备自投装置技术及使用说明书(Version 1.0)许继集团股份有限公司XJ GROUP CORPORATION CO.,LTD.WBT-820A系列微机备自投装置WBT-820A是许继最新推出的HELLO系列产品之一,它是许继秉承数十年来在电力系统二次设备制造领域的成功经验,为用户提供的具有高品质、高性价比的保护测控一体化装置。
WBT-820A系列微机备自投装置主要适用于220kV及以下电压等级的备用电源自投。
H、E、L、L、O品质是许继HELLO系列产品的共同特点,具体如下:n H:即High,高品质包括:u高科技:采用现场组态技术(FCT)、可视化的软件开发技术(VLD)。
u高质量:以专业的、成熟的软硬件平台为依托,丰富的运行经验和充分验证的原理算法为基础,自动测试为前提,先进的研发管理理念和研发开发管理工具为手段,保证研发、生产、制造过程中各个环节的质量,为用户提供高品质的产品。
n E:即Easy,工作轻松包括:u易使用:人机界面友好、仿WINDOWS操作菜单,具有调试向导系统和一键完成定检功能,使现场调试、维护、定检工作变得轻松。
n L:即Low,低消耗包括:u低投入成本:不同的装置共享插件,降低了购买装置和备件储备成本。
u低故障率:先进的检测技术和完善的生产质量保障体系,使得产品的故障大大降低,大幅度减少了被保护对象的停运时间。
n L:即reaLize,实现技术包括:u平台化:软件、硬件的设计都采用平台化的思想,使不同电压等级的保护装置可以共享硬件平台,不同的硬件平台可以共享软件,降低了日后硬件、软件的升级和维护工作。
u专业化:不同领域的研发工作都由专业人员完成,通过规范的接口集成不同层次、不同领域的研发成果,让用户充分享受到高科技的产品。
u模块化:对所有的功能模块分别封装成柔性继电器,不同装置通过配置不同的柔性继电器完成该装置的功能,能够顺速响应不同用户的个性化需求。
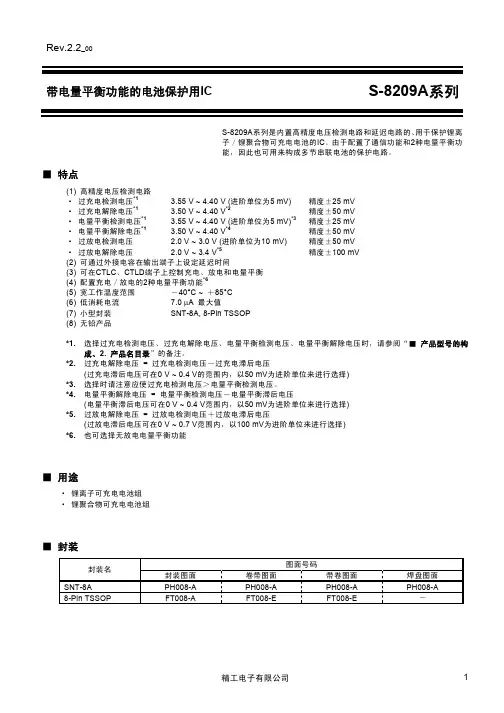
CMOS IC应用手册S-8209A系列的应用示例Rev.1.0_00S-8209A系列是带电量平衡功能的电池保护用IC。
本应用手册是说明有关使用S-8209A系列的具有代表性的电路连接示例的参考资料。
有关产品的详情和规格,请确认该产品的数据表。
使用S-8209A系列可构成以下应用电路。
• 2节以上的多节电池串联保护电路•带电量平衡功能的电池保护电路CMOS IC应用手册S-8209A系列的应用示例Rev.1.0_00目录1. 使用S-8209A系列的多节电池串联保护电路 (3)1.1 电池保护IC的连接示例 (3)1.2 工作说明 (4)1.2.1通常状态 (4)禁止充电状态 (5)1.2.2禁止放电状态 (6)1.2.3电量平衡功能 (7)1.2.4延迟电路 (7)1.2.51.3 时序图 (8)1.3.1过充电检测 (8)过放电检测 (9)1.3.22. 备有过放电状态通信功能的应用电路示例 (10)2.1 电池保护IC的连接示例 (10)2.2 工作说明 (11)2.3 过放电检测的时序图 (12)3. 注意事项 (13)4. 相关资料 (13)CMOS IC应用手册Rev.1.0_00S-8209A系列的应用示例1.使用S-8209A系列的多节电池串联保护电路S-8209A系列可以通过将CTLC、CTLD端子与其他的S-8209A系列CO、DO端子相连,构成多个串联连接电池的保护电路。
1. 1电池保护IC的连接示例图1表示使用S-8209A系列的多节电池串联保护电路示例。
图1注意 1. 上述参数有可能未经预告而更改。
2.上述连接图以及参数仅供参考,并不作为保证工作的依据。
请在进行充分的评价基础上设定实际的应用电路的参数。
CMOS IC应用手册S-8209A系列的应用示例Rev.1.0_001.2工作说明在此说明图1中的使用S-8209A系列的多节电池串联保护电路示例的工作。
1. 2. 1通常状态以下对通常状态下的工作进行说明。
CMOS IC应用手册S-8209A系列的应用示例Rev.1.0_00S-8209A系列是带电量平衡功能的电池保护用IC。
本应用手册是说明有关使用S-8209A系列的具有代表性的电路连接示例的参考资料。
有关产品的详情和规格,请确认该产品的数据表。
使用S-8209A系列可构成以下应用电路。
• 2节以上的多节电池串联保护电路•带电量平衡功能的电池保护电路CMOS IC应用手册S-8209A系列的应用示例Rev.1.0_00目录1. 使用S-8209A系列的多节电池串联保护电路 (3)1.1 电池保护IC的连接示例 (3)1.2 工作说明 (4)1.2.1通常状态 (4)禁止充电状态 (5)1.2.2禁止放电状态 (6)1.2.3电量平衡功能 (7)1.2.4延迟电路 (7)1.2.51.3 时序图 (8)1.3.1过充电检测 (8)过放电检测 (9)1.3.22. 备有过放电状态通信功能的应用电路示例 (10)2.1 电池保护IC的连接示例 (10)2.2 工作说明 (11)2.3 过放电检测的时序图 (12)3. 注意事项 (13)4. 相关资料 (13)CMOS IC应用手册Rev.1.0_00S-8209A系列的应用示例1.使用S-8209A系列的多节电池串联保护电路S-8209A系列可以通过将CTLC、CTLD端子与其他的S-8209A系列CO、DO端子相连,构成多个串联连接电池的保护电路。
1. 1电池保护IC的连接示例图1表示使用S-8209A系列的多节电池串联保护电路示例。
图1注意 1. 上述参数有可能未经预告而更改。
2.上述连接图以及参数仅供参考,并不作为保证工作的依据。
请在进行充分的评价基础上设定实际的应用电路的参数。
CMOS IC应用手册S-8209A系列的应用示例Rev.1.0_001.2工作说明在此说明图1中的使用S-8209A系列的多节电池串联保护电路示例的工作。
1. 2. 1通常状态以下对通常状态下的工作进行说明。
由于CTLC3、CTLD3端子分别被下拉至VSS3电位,因此当BAT3高于过放电检测电压(V DL)且低于过充电检测电压(V CU)时,S-8209A (3)变为通常状态。
CO3, DO3端子均变为VSS3电位。
由于CTLC2、CTLD2端子分别通过CO3、DO3端子被下拉至VSS3电位,因此当BAT2高于V DL且低于V CU时,S-8209A(2)变为通常状态。
CO2、DO2端子均变为VSS2电位。
由于CTLC1、CTLD1端子分别通过CO2、DO2端子被下拉至VSS2电位,因此当BAT1高于V DL且低于V CU时,S-8209A(1)变为通常状态。
CO1、DO1端子均变为VSS1电位。
通常状态下各端子的状态如表1所示。
表1CTLC端子 CTLD端子电池的状态 CO端子 DO端子CTLC3 = VSS3 CTLD3 = VSS3 V DL<BAT3<V CU CO3 = VSS3 DO3 = VSS3CTLC2 = VSS3 CTLD2 = VSS3 V DL<BAT2<V CU CO2 = VSS2 DO2 = VSS2CTLC1 = VSS2 CTLD1 = VSS2 V DL<BAT1<V CU CO1 = VSS1 DO1 = VSS1通常状态下的S-8209A (1)通过外接在CO1、DO1端子上的双极晶体管(Tr1, Tr2),使充电控制用FET(CFET)、放电控制用FET(DFET)均变为“ON”。
因此,可以通过连接在EB+-EB−之间的充电器或负载进行充放电。
CMOS IC应用手册Rev.1.0_00S-8209A系列的应用示例1. 2. 2禁止充电状态以下以S-8209A (3)检测到过充电,S-8209A (2)、(1)处于通常状态时为例,对禁止充电状态的工作进行说明。
由于充电当BAT3≥V CU时,S-8209A (3)变为过充电状态,CO3端子变为高阻抗状态。
S-8209A (2)的CTLC2端子通过CTLC端子源极电流(I CTLCH)被VDD2端子上拉。
因CO3端子处于高阻抗状态,所以CTLC2端子也随之变为VDD2电位。
因此,当CTLC2端子电位≥CTLC端子H电压(V CTLCH)时,S-8209A (2)也变为过充电状态,CO2端子变为高阻抗状态。
同样,S-8209A (1)的CTLC1端子通过I CTLCH被VDD1端子上拉。
因CO2端子处于高阻抗状态,所以CTLC1端子也随之变为VDD1电位。
因此,当CTLC1端子电位≥V CTLCH时,S-8209A (1)也变为过充电状态。
在这种情况下的各端子的状态如表2所示。
表2CTLC端子 CTLD端子电池的状态 CO端子 DO端子CTLC3 = VSS3 CTLD3 = VSS3 V CU≤BAT3 CO3 = High-Z DO3 = VSS3CTLC2 = VDD2 CTLD2 = VSS3 V DL<BAT2<V CU CO2 = High-Z DO2 = VSS2CTLC1 = VDD1 CTLD1 = VSS2 V DL<BAT1<V CU CO1 = High-Z DO1 = VSS1过充电状态的S-8209A (1)通过外接在CO1端子上的双极晶体管(Tr1)使CFET变为“OFF”。
在这种情况下,禁止通过连接在EB+-EB−之间的充电器进行充电。
进行如上所述的工作后,可经由CO端子-CTLC端子进行通信,将过充电状态从下段(S-8209A (3))传送到上段(S-8209A (1))。
当BAT1或BAT2≥V CU时,也同样禁止进行充电。
CMOS IC应用手册S-8209A系列的应用示例Rev.1.0_001. 2. 3禁止放电状态以下以S-8209A (3)检测到过放电,S-8209A (2)、(1)处于通常状态时为例,对禁止放电状态的工作进行说明。
由于放电当BAT3≤V DL时,S-8209A (3)变为过放电状态,DO3端子变为高阻抗状态。
S-8209A (2)的CTLD2端子通过CTLD端子源极电流(I CTLDH)被VDD2端子上拉。
因DO3端子处于高阻抗状态,所以CTLD2端子也随之变为VDD2电位。
因此,当CTLD2端子电位≥CTLD端子H电压(V CTLDH)时,S-8209A (2)也变为过放电状态,DO2端子变为高阻抗状态。
同样,S-8209A (1)的CTLD1端子通过I CTLDH被VDD1端子上拉。
因DO2端子处于高阻抗状态,所以CTLD1端子也随之变为VDD1电位。
因此,当CTLD1端子电位≥V CTLDH时,S-8209A (1)也变为过放电状态。
在这种情况下的各端子的状态如表3所示。
表3CTLC端子 CTLD端子电池的状态 CO端子 DO端子CTLC3 = VSS3 CTLD3 = VSS3 BAT3≤V DL CO3 = VSS3 DO3 = High-ZCTLC2 = VSS3 CTLD2 = VDD2 V DL<BAT2<V CU CO2 = VSS2 DO2 = High-ZCTLC1 = VSS2 CTLD1 = VDD1 V DL<BAT1<V CU CO1 = VSS1 DO1 = High-Z过放电状态的S-8209A (1)通过外接在DO1端子上的双极晶体管(Tr2)使DFET变为“OFF”。
在这种情况下,禁止通过连接在EB+-EB−之间的负载进行放电。
进行如上所述的工作后,可经由DO端子-CTLD端子进行通信,将过放电状态从下段(S-8209A (3))传送到上段(S-8209A (1))。
当BAT1或BAT2≤V DL时,也同样禁止进行放电。
CMOS IC应用手册Rev.1.0_00S-8209A系列的应用示例1. 2. 4电量平衡功能S-8209A系列备有以下2种的电量平衡功能。
(1) 充电电量平衡功能在图1中,由于充电当BAT3≥电量平衡检测电压(V BU)时,S-8209A (3)的CB3端子变为VDD3电位。
经此工作,电量平衡控制用FET(CBFET3)变为“ON”,通过电量平衡控制用FET对流入BAT3的充电电流进行分流。
这时,如果BAT1、BAT2低于V BU,与BAT1、BAT2的充电速度相比,则BAT3的充电速度显得相对平稳。
这称为充电电量平衡功能。
不论哪个电池的电压达到V BU,各自相对应的电量平衡控制用FET会变为“ON”,从而调整好电量平衡。
另外,由于放电,电池电压再次下降到电量平衡解除电压(V BL)以下时,S-8209A系列会使电量平衡控制用FET变为“OFF”。
(2) 放电电量平衡功能如“1. 2. 3禁止放电状态”所述,由于放电当BAT3≤V DL时,S-8209A (3)变为过放电状态,接着,通过DO3端子-CTLD2端子,S-8209A (2)也随之变为过放电状态。
这时,如果BAT2高于V DL,S-8209A (2)会使电量平衡控制用FET(CBFET2)变为“ON”。
这称为放电电量平衡功能。
接着,通过DO2端子-CTLD1端子,S-8209A (1)也随之变为过放电状态。
同样,如果BAT1高于V DL,S-8209A (1)会使电量平衡控制用FET(CBFET1)变为“ON”。
进行如上所述的工作后,当BAT3达到V DL以后,由于电压比BAT3高的BAT1、BAT2会通过各自的电量平衡控制用FET(CBFET1、CBFET2)进行放电,因此,经过一段时间后会调整好电量平衡。
当BAT1、BAT2的电压下降到V DL以下时,则电量平衡控制用FET会分别变为“OFF”。
注意组装如图1所示的保护电路时,在包含有电压≥V BL或电压≤过放电解除电压(V DU)的电池的情况下,在电池连接后,电量平衡控制用FET有可能变为“ON”。
1. 2. 5延迟电路如图1所示,仅在S-8209A (1)的CDT1端子上连接延迟电容时,无论哪个电池进行检测,均可以获得几乎相同的检测延迟时间(t DET)和解除延迟时间(t REL)。
(1) 检测延迟时间 (t DET)由于充电当BAT3≥V CU时,由于CDT3上没有连接电容,经数百μs左右的延迟时间后,CO3变为高阻抗状态,CTLC2端子变为VDD2电位。
同样,当CTLC2端子电位≥V CTLCH时,经数百μs左右的延迟时间后,S-8209A (2)的CO2端子变为高阻抗状态。
由于S-8209A (1)的CDT1端子上连接有0.01 μF的电容,经10.0 [MΩ] (典型值)×0.01 [μF] = 0.1 [s] (典型值)的延迟时间后,CO1变为高阻抗状态。
进行如上所述的工作后,由于整体的延迟时间可根据S-8209A (1)的延迟时间来确定,因此,无论哪个电池进行检测,均可以获得几乎相同的检测延迟时间。