四路继电器模块使用说明书V1.0
- 格式:pdf
- 大小:410.95 KB
- 文档页数:6
YC1008数字量输入输出模块使用说明书V1.0目录一.模块介绍二.技术参数三.模块的型号四.模块尺寸、模块引脚定义、隔离特性五.模块使用说明六.通讯协议七.模块的MODBUS-RTU协议功能码与数据对应表版本记录:V1.0 2011-11-20 版本创建一.模块介绍YC1008数字量输入输出模块广泛应用于工业控制系统,具有广泛的使用意义。
YC1008模块的主要特点如下:1. YC1008系列模块通过隔离变压器和隔离光耦实现了供电电路、数字量输入、数字量输出、通讯电路的相互隔离,模块具有很强的稳定性和抗干扰能力。
2.单电源供电,隔离在模块内部通过隔离变压器和隔离光耦实现,隔离电压2500V。
3. YC1008系列模块实现8路数字量的输入和8路数字量的输出功能。
4. 通讯接口为RS485或232,通讯波特率等参数可配置,通讯协议为MODBUS-RTU。
二.技术参数供电电源1. 供电电压:DC12V或DC24V,电源反接保护。
2. 电流消耗:<35mA+继电器功耗。
数字量输入1. 共有8个数字量输入通道,可以接收多种输入信号:无源开关信号(逻辑0表示断开,逻辑1表示闭合);输入信号可以接集电极开漏(OC)输出信号、接近开关信号;输入信号也可以是有源信号(逻辑0表示3~35V,逻辑1表示0~0.5V表示闭合)。
2. 内部采用隔离变压器和隔离光耦实现了输入信号和电源的隔离,隔离电压2500V。
数字量输出1.8路数字量输出信号。
2.数字量输出通过继电器(常开触点)或集电极开漏输出(OC)两种方式实现。
3.该模块配有两种继电器输出:1) 继电器触点负载容量10A/277V AC;2) 继电器触点负载容量30A/240V AC。
4.继电器输出部分采用大电流铺铜设计,有利于大电流正常通过继电器。
5. 继电器触点负载容量30A/240V AC的相应端子选用管脚间距更大的端子,有利于提高高电压应用的安全性。
综合技术参数1. 通讯接口:RS485或RS232,通讯接口采用防雷和抗干扰设计,通讯接口光电隔离,隔离3000VDC。
四路继电器模块工作原理今天咱们来唠唠四路继电器模块的工作原理,这可超有趣的呢!咱先得知道继电器是个啥。
你可以把继电器想象成一个超级智能的小开关,不过这个小开关可有点特别哦。
四路继电器模块呢,就是有四个这样特别的小开关组合在一起的东西。
继电器模块里面有个小线圈,这个小线圈就像是小开关的小脑袋,可聪明啦。
当你给这个小线圈通上电的时候,就像是在小脑袋里注入了一股神奇的力量。
这个时候呢,小线圈周围就会产生磁场,就像小脑袋突然有了魔法光环一样。
这个磁场可不得了,它会吸引一个小铁片。
这个小铁片就像是小开关的小手,被磁场这么一吸引,就开始动起来啦。
这个小铁片一动,就会带动其他的小零件,然后呢,原本断开的电路就被接通啦,就好像小开关一下子把手伸出去,把两个原本分开的电线紧紧地拉到了一起。
这时候电流就可以欢快地从接通的电路里跑过去了,就像一群小蚂蚁找到了新的道路,可以顺畅地搬家一样。
那四路继电器模块呢,有四个这样的小开关组合。
每个小开关都可以独立地工作哦。
比如说,你可以让第一个小开关去控制一盏小灯,给它的小线圈通电,小灯就亮起来啦,就像小开关在说:“小灯灯,该你闪亮登场啦!”然后第二个小开关呢,你可以让它去控制一个小风扇。
通上电,小风扇就呼呼地转起来,小开关就像是在给小风扇加油打气:“转起来呀,小风扇,给我们带来凉爽吧!”再说说它的一些小细节。
这个继电器模块还有一些保护的小措施呢。
就像是给这些小开关穿上了小铠甲,防止它们被过大的电流或者电压给弄伤。
要是没有这个小铠甲,万一电流突然变得很大,就像一群调皮捣蛋的大力士突然冲进小开关的家里,那小开关可就受不了啦。
但是有了这个保护措施,就可以把这些调皮鬼挡在外面,小开关就可以安心地工作啦。
而且呀,四路继电器模块的接口也很友好哦。
就像是小开关们伸出来的小胳膊,等着你去给它们接上各种各样的小电器或者小设备。
这些接口的设计很贴心,就像给你准备了专门的小挂钩,让你可以轻松地把需要控制的东西挂上去。
第1章四路继电器模块用户手册作者秉火文档名称秉火—四路继电器模块用户手册版本V1店铺论坛1.1 模块简介该模块是由秉火科技推出的一款高性能的四路带隔离继电器模组,驱动电压为直流5V,需由外部电源独立供电,输入信号为高电平有效,且都经过光耦隔离,更加安全并具有很强的抗干扰能力,能适应恶劣的工作环境,适合控制功率在2000W以下的交流用电设备,比如电灯、风扇、电视等电器。
模块具体实物见图 1-1,规格参数见表格 1-1。
图 1-1继电器模块实物图表格 1-1继电器模块规格参数参数说明额定工作电压直流:5V额定工作电流1A继电器触点类型一常开一常闭(单刀双掷)继电器触点电流最大10A最大10ms继电器触点动作时间继电器触点释放时最大5ms间最大开关频率30次/分钟(带负载)继电器机械寿命10万次继电器驱动方式光耦隔离,高电平驱动工作温度0℃ ~ 80℃结构尺寸72(mm)*79(mm)*18(mm)应用领域智能家居1.2 模块工作原理继电器就相当于一个单刀的双掷开关,这个开关的公共触点就是继电器的公共端,当继电器输入信号无效的时候,单刀双掷开关的公共端则打到常闭端,当继电器输入信号有效的时候,单刀双掷开关的公共端则打到常开端。
当用继电器实现弱电控制强电的时候,典型的用法是通过继电器来控制外部强电设备的火线的通断,即把火线的输入端接到继电器的公共端,输出端接到继电器的常开端,然后接到强电设备上,比如一个灯泡。
当继电器输入信号(由单片机的IO口输出高低电平来控制,即弱电)有效时,则公共端与常开端连接,即火线通,当继电器输入信号无效时,则公共端与常闭端连接,即火线断,这样就实现了由单片机的弱电来控制外部设备强电的通断,具体原理示意图见图 1-2,图中的220V的灯泡的零线全部接在一起,火线的输入口接到继电器的公共端,火线的输出口由继电器的常开端接到灯泡的火线端,由继电器来控制火线的通和断。
图 1-2继电器模块工作示意图1.3 继电器模块接口说明继电器模块接口说明具体见图 1-3,①为电源接口,可以通过DC-005接口或者接线柱端子输入电源,必须是直流5V,每一路继电器工作需要250MA的电流,如果四路继电器同时工作的话,则需要1A的电流;②是继电器的输入信号接口,直接接单片机的IO即可,高电平有效;③为继电器的输出口,常闭口悬空(即不接),公共端接外部设备的火线输入口,常开接火线的输出口,④为继电器的通断指示灯,当继电器通时(即继电器的公共端和常开端连接),LED指示灯亮。
4路继电器模块工作原理
嘿,朋友们!今天咱来聊聊4 路继电器模块的工作原理。
想象一下啊,这个 4 路继电器模块就像是一个超级管理员,掌控着电路的开关大权!比如说你家里的电灯开关,当你按下开关的时候,灯就亮了,这其实就有点像继电器在工作呢!
这 4 路继电器模块啊,它有四个通道,就好像是四条不同的道路。
每
个通道都可以独立地控制一个电路的通断。
比如说,第一条路可以控制客厅的灯,第二条路可以控制卧室的灯,第三条路可以控制厨房的灯,第四条路可以控制卫生间的灯。
哎呀,这多方便啊!
它的工作原理呢,简单来说就是通过控制信号来切换继电器的状态。
比如说,当控制信号来了,继电器就会“咔哒”一声合上,电路就通了;当控制信号消失了,继电器又会“咔哒”一声断开,电路就断了。
这不就跟你开门关门一个道理嘛!“嘿,这不神奇嘛!”
再打个比方,这 4 路继电器模块就像是一个有四个抽屉的柜子,每个
抽屉里都放着一个开关。
你可以根据需要随时打开或关闭这个开关,从而控制相应的电路。
你说酷不酷?
我跟你说啊,有一次我在弄一个小项目,就用到了这个 4 路继电器模块。
我把它连接到我的单片机上,通过编程控制它的开关。
哇,当我看到那些灯根据我的程序亮起来灭下去的时候,心里那叫一个兴奋啊!“哇塞,这也太有意思了吧!”
总之呢,这 4 路继电器模块可真是个好东西。
它让我们能够更方便、更灵活地控制电路,给我们的生活和工作带来了很多便利。
所以啊,大家都应该好好了解了解它的工作原理,说不定啥时候就派上大用场了呢!这就是我的观点啦,你们觉得呢?。
四路串口继电器模块使用说明书1功能简介1.1产品特点◆DC7-30V宽电压供电,支持防反接;◆DO模拟量输出,输出范围4~20ma;◆红色LED指示,用于指示工作状态◆通讯接口支持 RS485,通讯可靠;◆通信波特率:300bps~38400bps(默认9600, 可以通过软件修改);◆通信协议:支持标准 modbus RTU协议,按寄存器地址读写;◆可以设置 253个设备地址。
地址可通过软件/硬件设置,5位地址拨码开关【壳体内】支持 1-32地址码,大于 31的可以通过软件设置;◆配套设置软件,用于设置参数和IO控制;◆支持软硬件定制,欢迎咨询(本产品不带网络接口[VX:xyzn3333]);◆支持断电记忆功能,断电记忆AO以及D0的输出数值1.2选型表1.3设备参数2硬件参数2.1产品图片2.2整体接线示意和尺寸说明注意AO1旁边的电源+ -为电源输入输出口只有两个固定孔,螺丝安装。
2.3供电和RS485接线本产品默认使用RS485接口,配合电脑使用需要用USB转转RS485转换器。
A接A(+接+),B接B(-接-),组网时尽量使用使用链型网络。
本产品默认地址为1,拨码开关出厂均在off状态。
上位机软件可以使用默认地址1来跟设备通讯(或者广播地址254,仅适用网内挂载一台设备的情况)。
3参数及工作模式配置3.1设备地址3.1.1设备地址的介绍本设备的软件地址默认为 1,使用广播地址为 254 也可进行通讯,用0无法通讯。
注意:没有拨码开关的设备,通讯地址 = 软件地址。
拨码开关地址表通讯地址 = 硬件地址(拨码开关地址) + 软件地址。
出厂设备使用通讯地址1即可通讯。
3.1.2设备通讯地址的读取设备正常链接后,然后点击串口继电器配套调试软件上方“读取地址”,即可读到设备的当前地址【仅支持总线上存在一台设备时,进行广播读取地址】。
3.1.3软件地址的设定与读取点击调试软件下方偏移地址后边的“读取”或“设置”来对设备的软件地址(设备内存储的地址参数)进行读取或设置。
4入4出网络智能开关一、概述网络智能开关是一种可以通过以太网连接,实现远程控制的智能开关。
它不但可以实现简单的手动开关控制,还可以通过配置组网实现情景模式控制,定时控制,通过接入照度控制器或者其他传感器,实现亮度控制开关,报警出发开关等功能,是一个价廉物美的远程控制开关。
二、产品特征●可以通过计算机或者手机通过远程实时控制开关。
●16个脱机运行定时器。
每个定时器的开关特性可以自由定义。
每个定时器可按照“年”、“月”、“日”、“时”、“分”、“秒”、“星期”任意设定。
●可以通过计算机软件配置情景模式,通过计算机软件实现一键控制情景模式。
比如节电模式、普通模式、节假日模式等。
●通过计算机软件对各个网络智能开关中的每一位设置定时开关功能,从而达到脱机运行。
三、产品参数●输入电源:12V●输出电源:10A●脱机定时器:16个●输入输出:4入4出●默认IP:192.168.1.125●默认端口号:3060●联网级数:不限制四、接线说明1、电源本网络继电器是使用12V电压输入,为设备供电。
模块电路小于500mA,建议使用1A或以上的电源模块。
如上图所示,共有两个电源接口,内部是相通的,任意根据方便连接其中的一个电源。
如上图所示为网口,可以用直连网线直接连接电脑,也可以用直连网线连接交换机,内部为自适应网络变压器。
建议使用5类或以上型号的网线。
如图所示,输入端共有5个接线柱,其中左侧4个为输入端,最右边为公共端,和板子的电源地连接。
此输入端既可以接有源的开关电平(5~12V),也可以接无源的开关或按钮。
如图所示,输出端共有12个接线柱,每3个一组,共4组输出控制端。
其中每组从中间为公共端,左侧为常开端,右侧为常闭端。
当设备上电,且没有任何动作之前状态公共端和常闭端连接,和常开端为断开状态。
上图为典型接线方式。
五、软件说明1、简单软件使用说明本网络继电器提供的简单软件,是基于C#开发的,所以运行本程序之前,请确保您计算机上已经安装NET Framework2.0平台软件,如没有安装,请到微软官方网站下载。
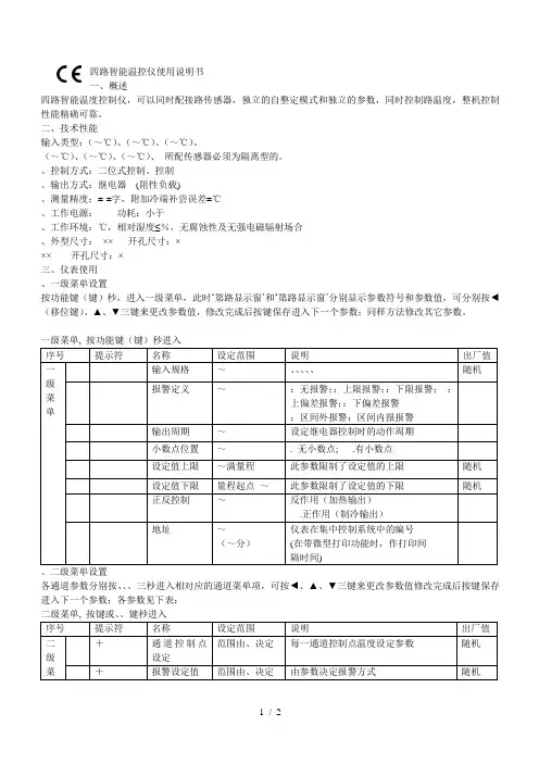
四路智能温控仪使用说明书一、概述四路智能温度控制仪,可以同时配接路传感器,独立的自整定模式和独立的参数,同时控制路温度,整机控制性能精确可靠。
二、技术性能输入类型:(~℃)、(~℃)、(~℃)、(~℃)、(~℃)、(~℃)、所配传感器必须为隔离型的。
、控制方式:二位式控制、控制、输出方式:继电器(阻性负载)、测量精度:±·±字,附加冷端补尝误差±℃、工作电源:功耗:小于、工作环境:℃,相对湿度≤%,无腐蚀性及无强电磁辐射场合、外型尺寸:××开孔尺寸:×××开孔尺寸:×三、仪表使用、一级菜单设置按功能键(键)秒,进入一级菜单,此时‘第路显示窗’和‘第路显示窗’分别显示参数符号和参数值,可分别按◄(移位键)、▲、▼三键来更改参数值,修改完成后按键保存进入下一个参数;同样方法修改其它参数。
序号提示符名称设定范围说明出厂值一级菜单输入规格~、、、、、随机报警定义~:无报警;:上限报警;:下限报警;:上偏差报警;:下偏差报警:区间外报警:区间内报报警输出周期~设定继电器控制时的动作周期小数点位置~. 无小数点; .有小数点设定值上限~满量程此参数限制了设定值的上限随机设定值下限量程起点~此参数限制了设定值的下限随机正反控制~反作用(加热输出).正作用(制冷输出)地址~(~分)仪表在集中控制系统中的编号(在带微型打印功能时,作打印间隔时间)各通道参数分别按、、、三秒进入相对应的通道菜单项,可按◄、▲、▼三键来更改参数值修改完成后按键保存进入下一个参数;各参数见下表:二级菜单, 按键或、、键秒进入序号提示符名称设定范围说明出厂值二级菜+通道控制点设定范围由、决定每一通道控制点温度设定参数随机+报警设定值范围由、决定由参数决定报警方式随机四、注意事项、所配传感器必须为隔离型的。
、若发现仪表所有数字显示跳动,请检查仪表的工作电压是否正常,并使之符合规定。
USR-IO424T-CAT1说明书文件版本:V1.0.2功能特点⏹支持4路继电器输出;⏹支持4路输入,干湿节点兼容;⏹支持2路模拟量输入;⏹支持1路PT100温度输入;⏹支持8个条件控制指令,控制更加便捷;⏹支持多种功能码:0x01、0x02、0x03、0x04、0x05、0x06、0x0F、0x10;⏹支持主动上报功能,遵循有人云主动上报协议;⏹支持socket连接远程服务器,支持TCP Client;⏹支持两种工作模式:主机模式、从机模式,主机模式支持RS485级联多个Modbus RTU设备;⏹采用Modbus RTU协议数据处理,支持Modbus TCP/RTU协议自动转换;⏹支持连接有人云;⏹支持FTP远程升级;⏹支持本地RS485串口升级;⏹支持硬件看门狗,具有高度的可靠性;⏹多个指示灯显示工作状态;⏹电源具有良好的过流、过压、防反接保护等功能。
目录功能特点 (2)1.快速入门 (5)1.1.模块测试硬件准备 (5)1.2.简单使用 (5)1.2.1.有人云控制 (5)1.2.2.串口控制 (8)1.2.3.参数设置 (10)2.产品概述 (12)2.1.产品简介 (12)2.2.设备基本参数 (12)2.3.硬件描述 (14)2.3.1.接口描述 (14)2.3.2.尺寸描述 (15)3.产品功能 (15)3.1.DI输入 (16)3.1.1.接线方式 (16)3.1.2.电平检测 (16)3.1.3.按键检测 (17)3.1.4.脉冲计数 (17)3.2.DO输出 (18)3.2.1.接线方式 (18)3.2.2.DO输出状态检测 (18)3.2.3.DO输出状态控制 (18)3.2.4.输出状态保持 (18)3.3.AI输入 (19)3.3.1.接线方式 (19)3.3.2.AI输入检测 (19)3.4.温度检测 (19)3.4.1.接线方式 (19)3.4.2.温度查询 (19)3.5.模拟量自校准 (20)3.6.条件控制 (20)3.7.主动上报 (24)3.7.1.DO主动上报 (24)3.7.2.DI主动上报 (24)3.7.3.温度主动上报 (24)3.7.4.电压主动上报 (25)3.7.5.电流主动上报 (27)3.8.工作模式 (29)3.8.1.主机模式 (29)3.8.2.从机模式 (30)3.9.固件升级 (30)3.9.1.FTP远程升级 (30)3.9.2.串口升级 (30)3.10.串口 (31)3.10.1.基本参数 (31)3.10.2.设置方式 (31)3.11.其它说明 (32)3.11.1.远程服务器功能 (32)3.11.2.状态指示灯 (33)3.11.3.硬件恢复出厂设置 (33)3.11.4.网络校时 (33)4.应用 (33)4.1.从机模式—有人云 (34)4.2.从机模式—非有人云 (35)4.3.主机模式—有人云 (35)4.4.主机模式—非有人云 (36)5.Modbus指令 (37)5.1.Modbus帧 (37)5.1.1.功能码 (38)5.2.寄存器分配 (40)6.联系方式 (44)7.免责声明 (44)8.更新历史 (44)1.快速入门本章是针对USR-IO424T-CAT1系列产品的快速入门介绍,建议用户系统的阅读本章并按照指示操作一遍,将会对模块产品有一个系统的认识,用户也可以根据需要选择你感兴趣的章节阅读。
4路光耦继电器
4路光耦继电器是一种电子元器件,它包含四个独立的光电耦合回路,每个回路均通过发光二极管(LED)和光敏接收器(如光敏三极管或光耦合晶闸管)实现信号的电气隔离转换。
在实际应用中,每一路光耦继电器可以看作是一个单独的开关单元,用于控制不同的电路通断状态。
通过输入端的电信号驱动LED发光,光线穿透绝缘材料到达输出侧的光敏元件,使其导通或截止,进而控制外部负载的接通或断开,实现输入与输出间的电气隔离和信号传输。
由于采用固态结构无机械触点,4路光耦继电器具有寿命长、抗干扰性强、响应速度快等优点。
L240T型四通道力值测量仪表说明书©2013深圳市力准传感技术有限公司/深圳市力准仪器仪表有限公司,版权所有。
未经本公司的许可,任何单位和个人不得以任何形式或手段复制、传播、转录或翻译为其他语言版本。
因我公司的产品一直在持续的改良及更新,故我公司对本手册保留随时修改不另行通知的权利。
为此,请经常访问公司网站,以便获得及时的信息。
公司网址:/联系电话:0755-********0755-********地址:深圳市龙岗区横岗228工业区排榜工业园17栋3楼目录1.概述 (2)2.技术指标 (2)3.产品定义、外形尺寸 (2)4.工作原理 (3)5.操作说明 (4)6.通讯说明 (6)7.参数表 (6)8.通讯地址表 (8)9.注意安全 (9)10.声明 (9)11.保修单说明 (9)L240型测量仪表说明书1.概述L240是四路力值通用测量仪表,可实现四路力值的快速测量、数字滤波、实时显示和通讯输出。
该仪表为底板安装,正面插拔端子接线,体积小、安装接线方便。
2.技术指标2.1测量性能:24bit ADC芯片,采集速度50-2000次,显示范围-99999~999999,输入信号范围0-±30mV。
2.2通讯口:1个隔离型RS485串口。
2.3显示按键:128*64点阵汉字显示,4个按键操作。
2.4电源:直流型:24V(±10%)DC。
2.5工作环境:使用温度-10~40℃,储存-20~60℃,湿度小于85%RH(不结露)。
3.产品定义、外形尺寸3.1.产品型号3.3.端子定义3.4接线定义4.工作原理4.1比较输出方式。
每个输出可以设定为大于或者小于比较,比较值可以单独设置。
4.2清零。
模块设置上电清零(可以通过参数设置)、手动清零、和零位跟踪等功能。
手动清零范围基本不受限制(小于输入满度的80%左右即可),上电自动清零的范围收参数零位范围限制。
零位跟踪在系统稳定时有效,可有效消除系统温漂造成的漂移。
4 ChannelMotor Control UnitDesigned originally for the Rover 5 chassis this driver PCB is ideal for any small robot using either Omni or Mecanum wheels.Current sensing for each motor allows the processor to determine if a motor has stalled or is under excessive load.Features include:•4x low resistance FET “H” bridges.•Each channel rated for 4A stall current.•Easy to use control logic.•Current monitoring for each channel.•Quadrature encoder mixing circuitry.Power connectors:The PCB has two power connectors. One is +5V for logic (Vcc) and one for the motor power supply.The motor power supply should not be connected without first connecting the +5V for logic. This device is rated for a maximum motor supply voltage of 12V. Exceeding this voltage may permanently damage the device.The encoder mixing circuit:Unlike most motor controllers this PCB includes 4 mixing circuits for use with up to 4 quadrature encoders. The mixing circuit takes the 2 inputs from a quadrature encoder and mixes them into a single output. Note that the interrupt output changes state when either input changes.This allows a single interrupt pin to monitor both inputs of a quadrature encoder. Because the interrupt output is twice the frequency of either input it also allows speed and distance to be measured with twice the resolution.Current output:Each channel has a current sensing circuit. The output of this circuit is approximately 1V for each amp the motor draws(5V maximum).This output can be connected directly to the analog input of any 5V micro controller.Control logic:The built in control logic allows each motor to be controlled by 2 pins. Driving the direction pin high or low will cause the motor to run forward or reverse. The PWM pin is used to control the motor speed. When this pin is low, the motor is off. When this pin is high the motor is at full power. To vary the speed of the motor this pin must be Pulse Width Modulated.Motor output:Each channel has a motor output socket. Connect any 4.5V –12V DC motor with a stall current of less than 4.5A to these pins. Exceeding 4.5A on these pins may permanently damage this device.。
(4路)用户手册文档版本:V1.01.产品介绍 (3)1.1产品概述 (3)1.2功能特点 (3)1.3主要技术指标 (3)1.4设备选型 (3)1.5模拟量对应关系表 (4)2.设备安装说明 (4)2.1设备安装前检查 (4)2.2接线说明 (5)2.3输入信号接线举例 (5)2.3.1两线制接线示意图 (5)2.3.2三线制接线示意图 (6)2.3.3四线制接线示意图 (6)2.4485现场布线说明 (6)3.配置软件安装及使用 (6)3.1软件选择 (6)3.2参数读取 (6)3.3参数设置 (7)4.通信协议 (8)4.1通信基本参数 (8)4.2数据帧格式定义 (8)4.3保持寄存器地址定义 (8)4.4通讯协议示例以及解释 (9)4.4.1读保持寄存器 (9)4.4.2写保持寄存器 (11)5.常见问题及解决办法 (13)6.文档历史 (13)1.产品介绍1.1产品概述该模块可采集现场的最多4路模拟量信号(4-20mA、0-5V、0-10V)并通过485接口标准ModBus-RTU通信协议上传。
485接口最远通信距离1000米,可直接接入现场的PLC、工控仪表、组态屏或组态软件。
采集精度12位(4095)分辨率,0.1%精度。
可广泛应用于工业现场、配电柜等需要模拟量信号采集的场所。
1.2功能特点●DC7-30V防反接、过压保护、过流保护、短路保护●4路模拟量电流输入4~20mA(兼容0-20mA)●4路模拟量电压输入0~5V、0~10V●4路继电器开关量输出●12位分辨率,0.1%精度ADC●支持标准Modbus-RTU通讯协议●通信运行指示灯、防死机看门狗●带防雷、静电保护RS485通讯接口、运放信号隔离●每通道模拟量信号采集量程可独立设置●地址、波特率、校验位可通过上位机软件设置1.3主要技术指标供电电源:5~30V DC(推荐12VDC)功耗:0.3WAD转换分辨率:12位采集信号:4~20mA(兼容0-20mA)、0~5V、0~10V可选存储环境:-40℃~60℃通讯接口:RS485通讯协议:ModBus-RTU协议采集精度:±0.1%地址范围:出厂默认0x01,设置范围0x01-0xFD串口参数:1200-115200bps可设置,出厂默认波特率9600N81采集频率:115200波特率最快100HZ(100次/秒)9600波特率最快20HZ(20次/秒)1.4设备选型PR-公司代号3000-I20-采集4~20mA电流信号V05-采集0~5V电压信号V10-采集0~10V电压信号(0~10V型只能24V供电)485-485通讯(Modbus协议)4采集4路模拟量信号1.5模拟量对应关系表类型采集数据(12位AD)计算举例4~20mA (兼容0-20mA)0~40954mA对应819(0mA对应0),20mA对应4095例:读取的数据值为3000,则测量输出电流信号为(3000/4095)*20mA=14.65mA0~5V0~4095例:读取的数据值为300,则测量输出电流信号为(300/4095)*5V=0.37V0~10V0~4095例:读取的数据值为1000,则测量输出电流信号为(1000/4095)*10V=2.44V2.设备安装说明2.1设备安装前检查设备清单●模拟量转485模块(4路)1台●USB转485(选配)安装尺寸:孔直径 2.5mm,上下孔间距88mm。
4路继电器模块使用说明一、4路继电器模块结构和参数常见的4路继电器模块参数包括:输入电压、负载电流、继电器类型、接口类型等。
用户在使用前需要了解模块的参数,并确保其能满足所需的电路控制要求。
二、4路继电器模块接线方法1.电源接线:将电源正极接入VCC(或VCC+)脚,将电源负极接入GND(或GND-)脚。
电源电压需与模块规格要求一致。
2.控制信号接线:将控制信号接线到IN1、IN2、IN3、IN4四个输入脚。
通常使用高电平触发,即接入信号电平与VCC相同。
3.负载接线:将负载接线到COM(公共端口)和NO(常开端口)两个脚。
当继电器吸合时,COM和NO之间将导通,负载通电;当继电器断开时,COM和NO之间断开,负载断电。
注意事项:负载电流不得超过继电器参数规格中的额定电流。
如果超过额定电流,可能会导致继电器损坏或不正常工作。
三、4路继电器模块控制方法1.单路控制:用户可以通过控制信号为单个继电器输入高电平或低电平,实现对单个通路的控制。
2.多路控制:用户可以通过控制信号为多个继电器输入高电平或低电平,实现对多个通路的同时控制。
例如,通过输入IN1和IN2信号同时为高电平,可以同时控制1、2两个通路。
3.继电器状态指示:4路继电器模块通常有LED指示灯,用于显示继电器的工作状态。
当继电器吸合时,LED亮;当继电器断开时,LED灭。
四、4路继电器模块的应用由于4路继电器模块具有可控制多个通路的特点,广泛应用于各种电路控制场景。
1.家居自动化:通过4路继电器模块可以实现家居设备的远程控制,如灯光、电器等的开关控制。
2.工业自动化:4路继电器模块可以广泛应用于工业控制系统中,控制设备的开关、定时等功能。
3.电子设备:4路继电器模块可以被用于控制电子设备中的开关,如电脑主机、音响等的启停。
4.安防系统:通过4路继电器模块可以控制安防系统中的报警器、监控摄像头等开关。
五、4路继电器模块的注意事项1.接线时,要确保电源和负载间的正负极正确连接,避免反接或短路。
四回路模块型温度控制器KKGTG2C01-A/2-20181220特点⊙四回路热电偶输入及SSR控制输出。
⊙通过RS485与上位机或触摸屏实现通讯互联。
⊙模糊自适应PID算法与标准算法可选。
⊙本产品使用于工业机械、机床、普通测量仪器及设备中。
⊙经济实用,操作简便。
本说明书对温控器设置、配线及各部分名称等进行说明,使用本产品前请认真阅读本说明书,在理解内容的基础上正确使用。
并请妥善保存,以便需要时参考。
通讯接口RS485 Modbus-RTU 通讯协议 接口与输出共地输入、输出、电源对机壳>20MΩIEC/EN61000-4-2 Contact ±4KV /Air ±8KV perf.Criteria B IEC/EN61000-4-4 ±2KV perf.Criteria B IEC/EN61000-4-5 ±2KV perf.Criteria B IEC/EN61000-4-29 0%~70% perf.Criteria B 约 300gPA66-FR( 难燃度UL94V-0)PVC 胶片与PEM 硅胶按键10 年,可写数据次数100 万次IEC61010-1 过电压分类Ⅱ,污染等级2,等级Ⅱ(加强绝缘)绝缘电阻静电放电脉冲群抗扰度浪涌抗扰度电压暂降及短时中断抗扰度整机重量信号输入与输出及电源1500VAC 1min,60V以下低压电路之间DC500V,1min 隔离耐压机壳材质面板材质停电数据保护安全标准2、测量信号参数表五、通用面板名称六、外形及安装尺寸七、接线图1. 安装的注意事项:1)本产品使用于以下环境标准。
( IEC61010-1)[ 过电压分类Ⅱ、污染等级2]2)请在以下产品周围环境、温度、湿度及环境条件的范围内使用。
温度:0 ~50℃;湿 度:45 ~ 85%RH; 环境条件:室内使用,海拔高度小于2000m。
3)请避免使用在以下场所:因温度变化激剧,有可能结露的场所;产生腐蚀性气体、可 燃性气体的场所;直接振动或有可能冲击本产品的场所;有水、油、化学品、烟雾、 蒸气的场所,尘埃、盐分、金属粉末多的场所,杂波干扰大,容易发生静电、磁场、 噪声的场所;空调或暖气的气流直接吹到的场所;阳光直接照射的场所;由于辐射等 有可能产生热积累的场所。
四路智能温控仪使用说明书一、概述四路智能温度控制仪,可以同时配接4路传感器,独立的自整定模式和独立的PID参数,同时控制4路温度,整机控制性能精确可靠。
二、技术性能1、输入类型:CU50(-50.0~150.0℃)、Pt100(-19.9~600.0℃)、K(0~1300℃)、E(0~700.0℃)、J(0~900.0℃)、S(0~1600℃)、所配传感器必须为隔离型的。
2、控制方式:二位式控制、PID控制3、输出方式:继电器240V 5A(阻性负载)4、测量精度:±0.5F·S±1字,附加冷端补尝误差±1℃5、工作电源:AC220V 50Hz 功耗:小于4W6、工作环境:0~50℃,相对湿度≤85%RH,无腐蚀性及无强电磁辐射场合7、外型尺寸:160×80×110 开孔尺寸:152×7696×96×110 开孔尺寸:92×92三、仪表使用1、一级菜单设置按功能键(SET键)3秒,进入一级菜单,此时‘第1路显示窗’和‘第2路显示窗’分别显示参数符号和参数值,可分别按◄(移位键)、▲、▼三键来更改参数值,修改完成后按SET键保存进入下一个参数;同样方法修改其它参数。
一级菜单, 按功能键(SET键)3秒进入序号提示符名称设定范围说明出厂值一级菜单1 Sn 输入规格 0~4 CU50、Pt100、K、E、J、S 随机2 ALP 报警定义 0~60:无报警;1:上限报警;2:下限报警;3:上偏差报警;4:下偏差报警5:区间外报警6:区间内报报警13 t 输出周期0~120 S 设定继电器控制时的动作周期20S4 dp 小数点位置 0~1 0. 无小数点; 1.有小数点05 P-SH 设定值上限P-SL~满量程此参数限制了设定值的上限随机6 P-SL 设定值下限量程起点~P-SH此参数限制了设定值的下限随机7 COOL 正反控制0~1 0.反作用(加热输出)1.正作用(制冷输出)8 Add 地址1~64(1~9999分)仪表在集中控制系统中的编号(在带微型打印功能时,作打印间隔时间)12、二级菜单设置各通道参数分别按CH1、CH2、CH3、CH4三秒进入相对应的通道菜单项,可按◄、▲、▼三键来更改参数值修改完成后按SET键保存进入下一个参数;各参数见下表:二级菜单, 按CH1键或CH2、CH3、CH4键3秒进入序号提示符名称设定范围说明出厂值二级菜单各通道对应的参数设定10 SP+N N通道控制点设定范围由P-SL、P-SH决定每一通道控制点温度设定参数随机11 AL+N 报警设定值范围由P-SL、P-SH决定由AL-P参数决定报警方式随机12 SC+N 误差修正值±20.0 传感器的误差修正值013 P+N 比例带0~200.0比例带决定了系统比例增益的大小, P越大, 比例的作用越小,过冲越小, 但太小会增加升温时间P=0时,转为二位式控制15.0 14 I+N 积分时间0~3000设定积分时间,以解除比例控制所发生之残余偏差, 太大会延缓系统达到平衡的时间, 太小会产生波动24015 d+N 微分时间0~200S 设定微分时间,以防止输出的波动,提高控制的稳定性30 16 Hy+N 主控与报警回差0.1~50.0 主控只有二位式控制时才有意义 1.0 17 At+N 自整定参数0~1 0:关闭自整定 1:开启自整定0四、注意事项1、所配传感器必须为隔离型的。
1.1 简介
四路继电器模块是一个可以通过5种方式控制的多功能继电器模块,可以满足多种场合多种需求;所有器件均采用原装正品器件生产,产品经过老化测试性能稳定可靠。
TTL 串口/RS232/485/遥控/IO口五种控制方式。
串口和485可以同时使用互不干扰;继电器输出采用大电流端子,确保接线方便,保证产品使用寿命。
每一路继电器输出都有LED 显示,工作状态一目了然;供电方式有三种,DC口7-40V,5V接线端子,7-40V端子接线;
1.2 用途
智能家居
灯光控制
自动化控制
广告控制
2.硬件参数
3.串口通讯协议控制
串口作为一种在控制领域常用的通信,我们板子采用串口通信,同时可以在此基础上预留扩展更加强大的RS485,可以通过RS485通信控制;
同时预留拨码开关可以进行组网,可以组网8个不同地址的串口。
串口的通信波特率默认为9600
3.1 通讯格式
支持异步串口通讯模式,通过串口接受上位机发送的命令
通讯标准:9600 bps
数据位 :1
校验位 :none
流控制 :none
举个例子,如果我们发下一曲指令,就需要发送:
7E 01 00 ff ;
这个数据的格式的意思就是继电器一关闭
7E 02 01 ff ;
这个数据的格式的意思就是继电器二开
3.2 485通讯协议控制
同串口通信协议
3.3 板子返回的数据
板子上电发送字符OK
4.遥控控制
5、免责声明
⏹开发预备知识
产品将提供尽可能全面的开发模版、驱动程序及其应用说明文档以方便用户使用但也需要用户熟悉自己设计产品所采用的硬件平台及相关C语言的知识
⏹EMI和EMC
芯片机械结构决定了其EMI性能必然与一体化电路设计有所差异。
芯片的EMI能满足绝大部分应用场合,用户如有特殊要求,必须事先与我们协商.
芯片的EMC性能与用户底板的设计密切相关,尤其是电源电路、I/O隔离、复位电
路,用户在设计底板时必须充分考虑以上因素。
我们将努力完善芯片的电磁兼容特性,但不对用户最终应用产品EMC性能提供任何保证.
⏹修改文档的权力
本公司有保留任何时候在不事先声明的情况下对相关文档的修改权力
⏹ESD静电放点保护
产品部分元器件内置ESD保护电路,但在使用环境恶劣的场合,依然建议用户在设计底板时提供ESD保护措施,特别是电源与IO设计,以保证产品的稳定运行,安装产品为确保安全请先将积累在身体上的静电释放,例如佩戴可靠接地的静电环,触摸接入大地的自来水管等。