塔吊四桩基础的计算书(TC7020)
- 格式:doc
- 大小:42.00 KB
- 文档页数:5
矩形板式桩基础计算书计算依据:1、《塔式起重机混凝土基础工程技术规程》JGJ/T187-20092、《混凝土结构设计规范》GB50010-20103、《建筑桩基技术规范》JGJ94-20084、《建筑地基基础设计规范》GB50007-2011一、塔机属性二、塔机荷载1、塔机传递至基础荷载标准值基础布置图承台及其上土的自重荷载标准值:G k=bl(hγc+h'γ')=5×5×(1.5×25+0×19)=937.5kN承台及其上土的自重荷载设计值:G=1.2G k=1.2×937.5=1125kN 桩对角线距离:L=(a b2+a l2)0.5=(3.42+3.42)0.5=4.808m1、荷载效应标准组合轴心竖向力作用下:Q k=(F k+G k)/n=(1111.79+937.5)/4=512.322kN 荷载效应标准组合偏心竖向力作用下:Q kmax=(F k+G k)/n+(M k+F Vk h)/L=(1111.79+937.5)/4+(5639.9+173.5×1.5)/4.808=1739.392kNQ kmin=(F k+G k)/n-(M k+F Vk h)/L=(1111.79+937.5)/4-(5639.9+173.5×1.5)/4.808=-714.747kN 2、荷载效应基本组合荷载效应基本组合偏心竖向力作用下:Q max=(F+G)/n+(M+F v h)/L=(1500.917+1125)/4+(7613.865+234.225×1.5)/4.808=2313.023kN Q min=(F+G)/n-(M+F v h)/L=(1500.917+1125)/4-(7613.865+234.225×1.5)/4.808=-1000.065kN 四、桩承载力验算桩身周长:u=πd=3.14×0.8=2.513m桩端面积:A p=πd2/4=3.14×0.82/4=0.503m2R a=ψuΣq sia·l i+q pa·A p=0.8×2.513×(1.6×13+2.4×7+8.5×8+3.3×50+3.2×70)+2500×0.503=2251.952kN Q k=512.322kN≤R a=2251.952kNQ kmax=1739.392kN≤1.2R a=1.2×2251.952=2702.343kN满足要求!2、桩基竖向抗拔承载力计算Q kmin=-714.747kN<0按荷载效应标准组合计算的桩基拔力:Q k'=714.747kN桩身位于地下水位以下时,位于地下水位以下的桩自重按桩的浮重度计算,桩身的重力标准值:G p=l t(γz-10)A p=19×(25-10)×0.503=143.355kNR a'=ψuΣλi q sia l i+G p=0.8×2.513×(0.6×1.6×13+0.6×2.4×7+0.6×8.5×8+0.7×3.3×50+0.7×3.2×70)+143.355=818.239kNQ k'=714.747kN≤R a'=818.239kN满足要求!3、桩身承载力计算纵向普通钢筋截面面积:A s=nπd2/4=16×3.142×202/4=5027mm2(1)、轴心受压桩桩身承载力荷载效应基本组合下的桩顶轴向压力设计值:Q=Q max=2313.023kN桩身结构竖向承载力设计值:R=7089.221kNQ=2313.023kN≤7089.221kN满足要求!(2)、轴心受拔桩桩身承载力荷载效应基本组合下的桩顶轴向拉力设计值:Q'=-Q min=1000.065kNf y A s=(360×5026.548)×10-3=1809.557kNQ'=1000.065kN≤f y A s=1809.557kN满足要求!4、桩身构造配筋计算A s/A p×100%=(5026.548/(0.503×106))×100%=0.999%≥0.65%满足要求!5、裂缝控制计算裂缝控制按三级裂缝控制等级计算。
塔吊基础设计计算书(桩基础)一、编制依据1、《建筑地基基础设计规范》(GB50007-2002);2、《建筑地基基础设计规范》(DBJ 15-31-2003);3、《建筑结构荷载规范》(GB 50009-2001);4、《混凝土结构设计规范》(GB 50010-2002);5、《简明钢筋混凝土结构计算手册》;6、《地基及基础》(高等学校教学用书)(第二版);7、建筑、结构设计图纸;8、塔式起重机使用说明书;9、岩土工程勘察报告。
二、设计依据1、塔吊资料根据施工现场场地条件及周边环境情况,选用1台QTZ160自升塔式起重机。
塔身自由高度56m,最大吊运高度为203米,最大起重量为10t,塔身尺寸为1.70m×1.70m,臂长65m。
2、岩土力学资料,(BZK8孔)比较桩基础塔吊基础的工作状态和非工作状态的受力情况,桩基础按非工作状态计算,受力如上图所示:F k =850.0kNG k =25×4×4×1.50=600kN F h =70kNM k =3630+70×1.50=3735kN.m四、 单桩允许承载力特征值计算1、 单桩竖向承载力特征值:1)、按地基土物理力学指标与承载力参数计算A p =πr 2=0.5027m 2Pa ra sa a R R R R ++= (DBJ15-31-2003)(10.2.4-1)MPa f MPa f C C rp rs 10;10;05.0;40.021====kN l q u R i sia sa 9.1488)7.06076.1340(8.01415926.3=⨯+⨯⨯⨯==∑kNR kN A f C R kN h f C u R kN h f C u R a P rp pa r rs p ra r rs p ra 3.50076.20102.10056.5029.14886.20104.01415926.310104.02.10050.1101005.08.01415926.38.08.06.5025.0101005.08.01415926.38.08.0231322321=+++==⨯⨯⨯⨯===⨯⨯⨯⨯⨯⨯===⨯⨯⨯⨯⨯⨯==2)、桩身截面强度计算p c c A f ψ=0.7×16.7×103×0.5027=5877kN式中:c ψ=0.7;f c =16.7×103kN/m 2;A p =0.5027m 2 2、 单桩水平承载力特征值计算 C25砼:E c =2.80×104N/mm 2=3.15×107kN/m 2,f tk =1.78×103kN/m 2 Es=2.0×108kN/m 2, %5625.0%)3.0%65.0(400200080020003.0=-⨯--+=g ρ⎥⎦⎤⎢⎣⎡⎪⎪⎭⎫⎝⎛-+=20201232d E E d d W g c S ρπ =])206.08.0(%5625.0)11080.2100.2(28.0[328.014.32782⨯-⨯⨯-⨯⨯+⨯ =0.07226m 328.007226.020⨯==d W I O =0.0289m 4 EI=0.85E c I 0=0.85×2.80×107×0.0289=687820535068782053.11035⨯⨯==I E mb c α=0.60m -1 (DBJ15-31-2003)(10.2.19)式中:m=35×103kN/m 4 oa χ=0.01mb 0=0.9(1.5d+0.5)=1.53m桩长L =15.96m·L=0.60×15.96=9.576>4,按α·L=4查表 得:x ν=2.441;m ν=0.768;2=m γ(按圆形截面取值);kN G F N kk k 5.36241=+=;8.0=N ξ 27865.0%5625.011080.2100.2148.0)1(14m E E d A g c s n =⎥⎦⎤⎢⎣⎡⨯⎪⎪⎭⎫ ⎝⎛-⨯⨯+⨯=⎥⎦⎤⎢⎣⎡-+=πρπ )1)(2225.1(10ntk m kNg mtk m Ha A f N W f a R γξργν++=(DBJ15-31-2003)(10.2.22)kNR Ha 7.236)65.01078.125.3628.01(%)5625.02225.1(768.005286.01078.126248.033=⨯⨯⨯⨯+⨯⨯+⨯⨯⨯⨯= 3、 单桩抗拔力特征值计算09.0G l q u R i sia i p a t +=∑λ (DBJ15-31-2003)(10.2.10) =950.9+180.5=1131.4kNisia i p l q u ∑λ=3.14×0.8×(0.4×40×13.76+0.6×60×0.7+0.7×100×1.0+0.7×180×0.5)=950.9kN 0.9G 0=0.9×π×0.42×15.96×25=180.5kN五、 单桩桩顶作用力计算和承载力验算12ii 2)22.1(222.137354600850⨯⨯⨯⨯±+==362.5±1100.4()⎪⎩⎪⎨⎧=<-⎩⎨⎧==<=)(0.10819.7370.587776.60082.19.1462单桩抗拔力满足要求单桩承载力满足要求kN R kN kN A f kNR kN ta pc c z ψ 3、 水平力作用下:H ik =nH k (DBJ15-31-2003)(10.2.1-3)470==17.5kN<R Ha =236.8kN (满足要求) 六、 抗倾覆验算根据上图所示,可得:倾覆力矩 m kN H F M M h .43584.10703630=⨯+=⨯+=倾 抗倾覆力矩i b 22)(⨯+⨯+=ta k k R aG F M 抗 m kN .6.86638.20.1081226.3)600850(=⨯⨯+⨯+=故由上述计算结果,得6.199.143586.8663>==倾抗M M (抗倾覆满足要求) 七、 承台受冲切、受剪切承载力验算按照广东省地基基础设计规范中明确承台受冲切、受剪切承载力采用验算h 0的高度来判断。
塔吊四桩基础的计算书依据《塔式起重机混凝土基础工程技术规程》(JGJ/T 187-2009)。
一. 参数信息二. 荷载计算1. 自重荷载及起重荷载1) 塔机自重标准值F k1=1229.46kN2) 基础以及覆土自重标准值G k=7.45×7.45×1.70×25=2358.85625kN3) 起重荷载标准值F qk=45.9kN2. 风荷载计算1) 工作状态下塔机塔身截面对角线方向所受风荷载标准值a. 塔机所受风均布线荷载标准值 (Wo=0.2kN/m2)W k=0.8×1.59×1.95×1.3565×0.2=0.67kN/m2q sk=1.2×0.67×0.35×2.1=0.59kN/mb. 塔机所受风荷载水平合力标准值F vk=q sk×H=0.59×46.65=27.69kNc. 基础顶面风荷载产生的力矩标准值M sk=0.5F vk×H=0.5×27.69×46.65=645.82kN.m2) 非工作状态下塔机塔身截面对角线方向所受风荷载标准值a. 塔机所受风均布线荷载标准值 (本地区 Wo=0.80kN/m2)W k=0.8×1.7×1.95×1.3565×0.80=2.88kN/m2q sk=1.2×2.88×0.35×2.10=2.54kN/mb. 塔机所受风荷载水平合力标准值F vk=q sk×H=2.54×46.65=118.41kNc. 基础顶面风荷载产生的力矩标准值M sk=0.5F vk×H=0.5×118.41×46.65=2762.01kN.m3. 塔机的倾覆力矩工作状态下,标准组合的倾覆力矩标准值M k=-2633.6+0.9×(3150+645.82)=782.64kN.m非工作状态下,标准组合的倾覆力矩标准值M k=-2633.6+2762.01=128.41kN.m三. 桩竖向力计算非工作状态下:Q k=(F k+G k)/n=(1229.46+2358.86)/4=897.08kNQ kmax=(F k+G k)/n+(M k+F vk×h)/L=(1229.46+2358.85625)/4+Abs(128.41+118.41×1.70)/8.70=934.99kNQ kmin=(F k+G k-F lk)/n-(M k+F vk×h)/L=(1229.46+2358.85625-0)/4-Abs(128.41+118.41×1.70)/8.70=859.16kN工作状态下:Q k=(F k+G k+F qk)/n=(1229.46+2358.86+45.9)/4=908.55kNQ kmax=(F k+G k+F qk)/n+(M k+F vk×h)/L=(1229.46+2358.85625+45.9)/4+Abs(782.64+27.69×1.70)/8.70=1003.97kN Q kmin=(F k+G k+F qk-F lk)/n-(M k+F vk×h)/L=(1229.46+2358.85625+45.9-0)/4-Abs(782.64+27.69×1.70)/8.70=813.14kN四. 承台受弯计算1. 荷载计算不计承台自重及其上土重,第i桩的竖向力反力设计值:工作状态下:最大压力 N i=1.35×(F k+F qk)/n+1.35×(M k+F vk×h)/L=1.35×(1229.46+45.9)/4+1.35×(782.64+27.69×1.70)/8.70=559.24kN非工作状态下:最大压力 N i=1.35×F k/n+1.35×(M k+F vk×h)/L=1.35×1229.46/4+1.35×(128.41+118.41×1.70)/8.70=466.13kN2. 弯矩的计算依据《塔式起重机混凝土基础工程技术规程》第6.4.2条其中 M x,M y1──计算截面处XY方向的弯矩设计值(kN.m);x i,y i──单桩相对承台中心轴的XY方向距离(m);N i──不计承台自重及其上土重,第i桩的竖向反力设计值(kN)。
(TC7020)塔吊四桩基础的计算书依据《塔式起重机混凝土基础工程技术规程》(JGJ/T 187-2009)。
二. 荷载计算1. 自重荷载及起重荷载1) 塔机自重标准值F k1=1260kN2) 基础以及覆土自重标准值G k=4.5×4.5×1.60×25=810kN3) 起重荷载标准值F qk=160kN2. 风荷载计算1) 工作状态下塔机塔身截面对角线方向所受风荷载标准值a. 塔机所受风均布线荷载标准值 (Wo=0.2kN/m 2)W k=0.8×1.59×1.95×1.2×0.2=0.60kN/m2q sk=1.2×0.60×0.35×2=0.50kN/mb. 塔机所受风荷载水平合力标准值F vk=q sk×H=0.50×46.50=23.25kNc. 基础顶面风荷载产生的力矩标准值M sk=0.5F vk×H=0.5×23.25×46.50=540.62kN.m2) 非工作状态下塔机塔身截面对角线方向所受风荷载标准值a. 塔机所受风均布线荷载标准值 (本地区 Wo=0.35kN/m 2)W k=0.8×1.62×1.95×1.2×0.35=1.06kN/m2q sk=1.2×1.06×0.35×2.00=0.89kN/mb. 塔机所受风荷载水平合力标准值F vk=q sk×H=0.89×46.50=41.46kNc. 基础顶面风荷载产生的力矩标准值M sk=0.5F vk×H=0.5×41.46×46.50=963.93kN.m3. 塔机的倾覆力矩工作状态下,标准组合的倾覆力矩标准值M k=1639+0.9×(1400+540.62)=3385.55kN.m非工作状态下,标准组合的倾覆力矩标准值M k=1639+963.93=2602.93kN.m三. 桩竖向力计算非工作状态下:Q k=(F k+G k)/n=(1260+810.00)/4=517.50kNQ kmax=(F k+G k)/n+(M k+F vk×h)/L=(1260+810)/4+Abs(2602.93+41.46×1.60)/4.95=1056.85kNQ kmin=(F k+G k-F lk)/n-(M k+F vk×h)/L=(1260+810-0)/4-Abs(2602.93+41.46×1.60)/4.95=-21.85kN工作状态下:Q k=(F k+G k+F qk)/n=(1260+810.00+160)/4=557.50kNQ kmax=(F k+G k+F qk)/n+(M k+F vk×h)/L=(1260+810+160)/4+Abs(3385.55+23.25×1.60)/4.95=1249.11kNQ kmin=(F k+G k+F qk-F lk)/n-(M k+F vk×h)/L=(1260+810+160-0)/4-Abs(3385.55+23.25×1.60)/4.95=-134.11kN四. 承台受弯计算1. 荷载计算不计承台自重及其上土重,第i桩的竖向力反力设计值:工作状态下:最大压力 N i=1.35×(F k+F qk)/n+1.35×(M k+F vk×h)/L=1.35×(1260+160)/4+1.35×(3385.55+23.25×1.60)/4.95=1412.92kN 最大拔力 N i=1.35×(F k+F qk)/n-1.35×(M k+F vk×h)/L=1.35×(1260+160)/4-1.35×(3385.55+23.25×1.60)/4.95=-454.42kN 非工作状态下:最大压力 N i=1.35×F k/n+1.35×(M k+F vk×h)/L=1.35×1260/4+1.35×(2602.93+41.46×1.60)/4.95=1153.38kN最大拔力 N i=1.35×F k/n-1.35×(M k+F vk×h)/L=1.35×1260/4-1.35×(2602.93+41.46×1.60)/4.95=-302.88kN2. 弯矩的计算依据《塔式起重机混凝土基础工程技术规程》第6.4.2条其中 M x,M y1──计算截面处XY方向的弯矩设计值(kN.m);x i,y i──单桩相对承台中心轴的XY方向距离(m);N i──不计承台自重及其上土重,第i桩的竖向反力设计值(kN)。
tc7020计算书矩形板式桩基础计算书计算依据:1、《塔式起重机混凝⼟基础⼯程技术规程》JGJ/T187-20092、《混凝⼟结构设计规范》GB50010-20103、《建筑桩基技术规范》JGJ94-20084、《建筑地基基础设计规范》GB50007-2011⼀、塔机属性⼆、塔机荷载1、塔机传递⾄基础荷载标准值基础布置图承台及其上⼟的⾃重荷载标准值:G k=bl(hγc+h'γ')=5×5×(1.5×25+0×19)=937.5kN承台及其上⼟的⾃重荷载设计值:G=1.2G k=1.2×937.5=1125kN 桩对⾓线距离:L=(a b2+a l2)0.5=(3.42+3.42)0.5=4.808m 1、荷载效应标准组合轴⼼竖向⼒作⽤下:Q k=(F k+G k)/n=(1111.79+937.5)/4=512.322kN 荷载效应标准组合偏⼼竖向⼒作⽤下:Q kmax=(F k+G k)/n+(M k+F Vk h)/L=(1111.79+937.5)/4+(5639.9+173.5×1.5)/4.808=1739.392kNQ kmin=(F k+G k)/n-(M k+F Vk h)/L=(1111.79+937.5)/4-(5639.9+173.5×1.5)/4.808=-714.747kN 2、荷载效应基本组合荷载效应基本组合偏⼼竖向⼒作⽤下:Q max=(F+G)/n+(M+F v h)/L=(1500.917+1125)/4+(7613.865+234.225×1.5)/4.808=2313.023kN Q min=(F+G)/n-(M+F v h)/L=(1500.917+1125)/4-(7613.865+234.225×1.5)/4.808=-1000.065kN 四、桩承载⼒验算桩⾝周长:u=πd=3.14×0.8=2.513m桩端⾯积:A p=πd2/4=3.14×0.82/4=0.503m2R a=ψuΣq sia·l i+q pa·A p=0.8×2.513×(1.6×13+2.4×7+8.5×8+3.3×50+3.2×70)+2500×0.503=2251.952kN Q k=512.322kN≤R a=2251.952kNQ kmax=1739.392kN≤1.2R a=1.2×2251.952=2702.343kN满⾜要求!2、桩基竖向抗拔承载⼒计算Q kmin=-714.747kN<0按荷载效应标准组合计算的桩基拔⼒:Q k'=714.747kN桩⾝位于地下⽔位以下时,位于地下⽔位以下的桩⾃重按桩的浮重度计算,桩⾝的重⼒标准值:G p=l t(γz-10)A p=19×(25-10)×0.503=143.355kNR a'=ψuΣλi q sia l i+G p=0.8×2.513×(0.6×1.6×13+0.6×2.4×7+0.6×8.5×8+0.7×3.3×50+0.7×3.2×70)+143.355=818.239kN Q k'=714.747kN≤R a'=818.239kN满⾜要求!3、桩⾝承载⼒计算纵向普通钢筋截⾯⾯积:A s=nπd2/4=16×3.142×202/4=5027mm2(1)、轴⼼受压桩桩⾝承载⼒荷载效应基本组合下的桩顶轴向压⼒设计值:Q=Q max=2313.023kN桩⾝结构竖向承载⼒设计值:R=7089.221kNQ=2313.023kN≤7089.221kN满⾜要求!(2)、轴⼼受拔桩桩⾝承载⼒荷载效应基本组合下的桩顶轴向拉⼒设计值:Q'=-Q min=1000.065kNf y A s=(360×5026.548)×10-3=1809.557kNQ'=1000.065kN≤f y A s=1809.557kN满⾜要求!4、桩⾝构造配筋计算A s/A p×100%=(5026.548/(0.503×106))×100%=0.999%≥0.65%满⾜要求!5、裂缝控制计算裂缝控制按三级裂缝控制等级计算。
塔吊四桩基础的计算书依据《塔式起重机混凝土基础工程技术规程》(JGJ/T 187-2019)。
一. 参数信息本计算书依据塔吊规范JGJ187进行验算。
二. 荷载计算1. 自重荷载及起重荷载1) 塔机自重标准值F k1=660.8kN2) 基础以及覆土自重标准值G k=4×4×0.80×25=320kN3) 起重荷载标准值F qk=60kN2. 风荷载计算1) 工作状态下塔机塔身截面对角线方向所受风荷载标准值a. 塔机所受风均布线荷载标准值 (Wo=0.2kN/m2)W k=0.8×0.7×1.95×1.54×0.2=0.34kN/m2q sk=1.2×0.34×0.35×1.83=0.26kN/mb. 塔机所受风荷载水平合力标准值F vk=q sk×H=0.26×100.00=25.85kNc. 基础顶面风荷载产生的力矩标准值M sk=0.5F vk×H=0.5×25.85×100.00=1292.54kN.m2) 非工作状态下塔机塔身截面对角线方向所受风荷载标准值a. 塔机所受风均布线荷载标准值 (本地区 Wo=0.35kN/m2) W k=0.8×0.7×1.95×1.54×0.35=0.59kN/m2q sk=1.2×0.59×0.35×1.83=0.45kN/mb. 塔机所受风荷载水平合力标准值F vk=q sk×H=0.45×100.00=45.24kNc. 基础顶面风荷载产生的力矩标准值M sk=0.5F vk×H=0.5×45.24×100.00=2261.94kN.m3. 塔机的倾覆力矩工作状态下,标准组合的倾覆力矩标准值M k=-387+0.9×(800+1292.54)=1496.29kN.m非工作状态下,标准组合的倾覆力矩标准值M k=387+2261.94=2648.94kN.m三. 桩竖向力计算非工作状态下:Q k=(F k+G k)/n=(660.8+320.00)/4=245.20kNQ kmax=(F k+G k)/n+(M k+F vk×h)/L=(660.8+320)/4+Abs(2648.94+45.24×0.80)/3.89=935.73kNQ kmin=(F k+G k-F lk)/n-(M k+F vk×h)/L=(660.8+320-0)/4-Abs(2648.94+45.24×0.80)/3.89=-445.33kN工作状态下:Q k=(F k+G k+F qk)/n=(720.8+320.00)/4=260.20kNQ kmax=(F k+G k+F qk)/n+(M k+F vk×h)/L=(720.8+320)/4+Abs(1496.29+25.85×0.80)/3.89=650.32kNQ kmin=(F k+G k+F qk-F lk)/n-(M k+F vk×h)/L=(720.8+320-0)/4-Abs(1496.29+25.85×0.80)/3.89=-129.92kN四. 承台受弯计算1. 荷载计算不计承台自重及其上土重,第i桩的竖向力反力设计值:工作状态下:最大压力 N i=1.35×(F k+F qk)/n+1.35×(M k+F vk×h)/L=1.35×(720.8)/4+1.35×(1496.29+25.85×0.80)/3.89=769.93kN 最大拔力 N i=1.35×(F k+F qk)/n-1.35×(M k+F vk×h)/L=1.35×(720.8)/4-1.35×(1496.29+25.85×0.80)/3.89=-283.39kN 非工作状态下:最大压力 N i=1.35×F k/n+1.35×(M k+F vk×h)/L=1.35×660.8/4+1.35×(2648.94+45.24×0.80)/3.89=1155.24kN 最大拔力 N i=1.35×F k/n-1.35×(M k+F vk×h)/L=1.35×660.8/4-1.35×(2648.94+45.24×0.80)/3.89=-709.20kN 2. 弯矩的计算依据《塔式起重机混凝土基础工程技术规程》第6.4.2条其中 M x,M y1──计算截面处XY方向的弯矩设计值(kN.m);x i,y i──单桩相对承台中心轴的XY方向距离(m);N i──不计承台自重及其上土重,第i桩的竖向反力设计值(kN)。
一、T2、T3塔机的基本参数信息塔吊型号:QTZ80G,塔吊起升高度H=50.000m,塔吊倾覆力矩M=2100kN.m,混凝土强度等级:C35,塔身宽度B=1.83m,自重F1=717kN,基础承台厚度Hc=1.350m,最大起重荷载F2=80kN,基础承台宽度 T2:Bc=4.600m, T3:Bc=4.200m,桩钢筋级别:II级钢,桩直径或者方桩边长=0.400m,桩间距a=2.2m,承台箍筋间距S=200.000mm,承台砼的保护层厚度=50.000mm。
注:因T3塔机承台小于T2塔机,其它工况相同,故选取T3塔机为计算样例。
二、塔吊基础承台顶面的竖向力和弯矩计算塔吊自重(包括压重)F1=717.00kN,塔吊最大起重荷载F2=80.00kN,作用于桩基承台顶面的竖向力F=1.2×(F1+F2)=956.40kN,塔吊的倾覆力矩M=1.4×2100.00=2940.00kN。
三、矩形承台弯矩及单桩桩顶竖向力的计算图中x轴的方向是随机变化的,设计计算时应按照倾覆力矩M最不利方向进行验算。
1. 桩顶竖向力的计算依据《建筑桩技术规范》JGJ94-2008第5.1.1条:其中 n──单桩个数,n=4;F──作用于桩基承台顶面的竖向力设计值,F=956.40kN;G──桩基承台的自重G=1.2×(25×Bc×Bc×Hc/4+20×Bc×Bc×D/4)=1.2×(25×4.20×4.20×1.35+20×4.20×4.20×1.50)=1349.46kN; Mx,My──承台底面的弯矩设计值,取2940.00kN.m;xi,yi──单桩相对承台中心轴的XY方向距离a/2=1.10m;Ni──单桩桩顶竖向力设计值(kN);经计算得到单桩桩顶竖向力设计值,最大压力:N=(956.40+1349.46)/4+2940.00×1.10/(4× 1.102)=1244.65kN。
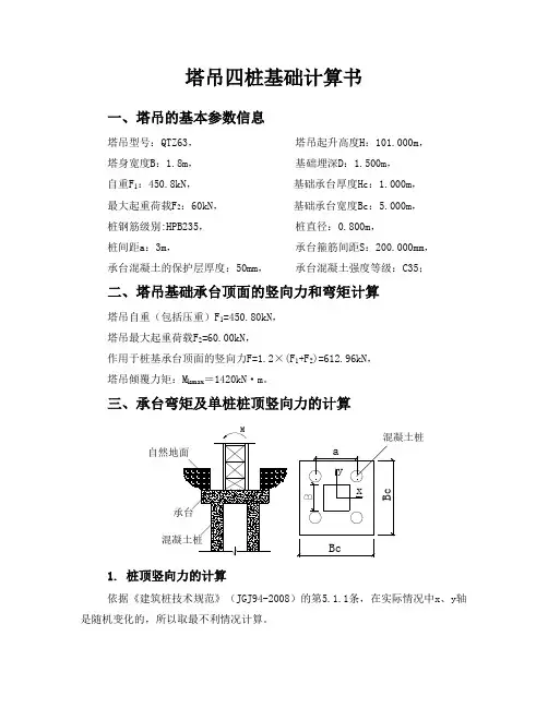
塔吊四桩基础计算书一、塔吊的基本参数信息塔吊型号:QTZ63, 塔吊起升高度H :101.000m , 塔身宽度B :1.8m , 基础埋深D :1.500m , 自重F 1:450.8kN , 基础承台厚度Hc :1.000m , 最大起重荷载F 2:60kN , 基础承台宽度Bc :5.000m , 桩钢筋级别:HPB235, 桩直径:0.800m ,桩间距a :3m , 承台箍筋间距S :200.000mm , 承台混凝土的保护层厚度:50mm , 承台混凝土强度等级:C35;二、塔吊基础承台顶面的竖向力和弯矩计算塔吊自重(包括压重)F 1=450.80kN ,塔吊最大起重荷载F 2=60.00kN ,作用于桩基承台顶面的竖向力F=1.2×(F 1+F 2)=612.96kN ,塔吊倾覆力矩:M kmax =1420kN ·m 。
三、承台弯矩及单桩桩顶竖向力的计算 M混凝土桩混凝土桩承台自然地面 1. 桩顶竖向力的计算 依据《建筑桩技术规范》(JGJ94-2008)的第5.1.1条,在实际情况中x 、y 轴是随机变化的,所以取最不利情况计算。
N i=(F+G)/n±M x y i/∑y i2±M y x i/∑x i2其中 n──单桩个数,n=4;F──作用于桩基承台顶面的竖向力设计值,F=612.96kN;G──桩基承台的自重:G=1.2×(25×Bc×Bc×Hc)=1.2×(25×5.00×5.00×1.00)=750.00kN;Mx,My──承台底面的弯矩设计值,1420×1.4=1988.00kN·m;x i,y i──单桩相对承台中心轴的XY方向距离a/20.5=2.12m;N i──单桩桩顶竖向力设计值;经计算得到单桩桩顶竖向力设计值,最大压力:N max=(612.96+750.00)/4+1988.00×2.12/(2×2.122)=809.32kN。
塔机四桩预制桩基础计算书1. 计算参数(1) 基本参数采用1台QTZ160塔式起重机,臂长65.00m,初装高度35.00为m,塔身尺寸1.65m,地下室开深度为-7.05m;现场地面标高-0.30m。
塔机基础面标高-0.30m,采用预应力管桩基础。
1) 塔吊基础受力情况(表1图1)表1图1塔吊基础受力示意图比较塔机的工作状态和非工作状态的受力情况,塔吊基础按非工作状态计算(图2);F k’=438.00×1.2=525.60kN,F h’=67.00×1.4=93.80kNM k=(1698.00+67.00×1.40)×1.4=2508.52kN.m2) 桩顶以下岩土力学资料(表2)表2序号 地层名称厚度L(m)极限侧阻力标准值q sik(kPa)极限端阻力标准值q pk(kPa)q sik L i(kN/m)折减系数λiλi q sik L i(kN/m)1 杂填土 1.00 22.00 22.00 0 02 淤泥 1.00 14.00 14.00 0 03 淤泥质土 2.50 22.00 55.00 0.40 22.004 砂质土 2.00 40.00 80.00 0.50 40.005 粉细砂 3.40 50.00 170.00 0.50 85.006 粉质粘土 4.00 66.00 264.00 0.70 184.807 强风化粉砂岩 1.00 160.00 6000.00 160.00 1.00 160.00桩长 14.90 ∑q sk L i=765.00 ∑λi q sik L i= 491.803) 基础设计主要参数(图2)基础桩采用4根Φ500预应力管桩,桩顶标高-1.70m;桩混凝土等级C80,f C=35.90N/mm2 ,E C=3.80×104 N/mm2;f t=2.22N/mm2,桩长15.90m,管道壁厚90mm;钢筋HRB335,f y=300N/mm2,E s=2.00×105N/mm2;承台尺寸长(a)=4.20m,宽(b)=4.20m,高(h)=1.50m;桩中心与承台中心1.35m,承台面标高-0.30m;承台混凝土等级C35,f t=1.57N/mm2,f C=16.70N/mm2,γ砼=25kN/m3。
四桩基础计算一、塔吊及基础的基本参数信息塔吊型号:QTZ63,塔吊起升高度H=32.00m,塔吊倾覆力矩M=500.00kN.m,混凝土强度等级:C35,塔身宽度B=1.70m,基础以上土的厚度D=0.00m,自重F1=245.00kN,基础承台厚度Hc=1.35m,最大起重荷载F2=60.00kN,基础承台宽度Bc=5.50m,桩钢筋级别:II级钢,桩直径或者方桩边长=0.40m,桩间距a=4.50m,承台箍筋间距S=200.00mm,承台砼的保护层厚度=50.00mm,空心桩的空心直径:0.24m。
承台底标高-5.050m,桩长10m。
二、塔吊基础承台顶面的竖向力和弯矩计算塔吊自重(包括压重)F1=245.00kN,塔吊最大起重荷载F2=60.00kN,作用于桩基承台顶面的竖向力F=1.2×(F1+F2)=366.00kN,塔吊的倾覆力矩M=1.4×500.00=700kN。
三、矩形承台弯矩及单桩桩顶竖向力的计算图中x轴的方向是随机变化的,设计计算时应按照倾覆力矩M最不利方向进行验算。
1. 桩顶竖向力的计算依据《建筑桩技术规范》JGJ94-94的第5.1.1条。
其中 n──单桩个数,n=4;F──作用于桩基承台顶面的竖向力设计值,F=342.00kN;G──桩基承台的自重G=1.2×(25×Bc×Bc×Hc/4+20×Bc×Bc×D/4)=1.2×(25×5.0×5.0×1.35+20×5.0×5.0×0.00)=1012.5kN;Mx,My──承台底面的弯矩设计值,取700kN.m;xi,yi──单桩相对承台中心轴的XY方向距离a/2=1.75m;Ni──单桩桩顶竖向力设计值(kN);经计算得到单桩桩顶竖向力设计值,最大压力:N=(366.00+1012.5)/4+700×1.75/(4× 1.752)=438.63kN。
(TC7020)塔吊四桩基础得计算书依据《塔式起重机混凝土基础工程技术规程》(JGJ/T 187-2009)。
二、荷载计算1、自重荷载及起重荷载1)塔机自重标准值F k1=1260kN2)基础以及覆土自重标准值G k=4、5×4、5×1、60×25=810kN3) 起重荷载标准值Fqk=160kN2、风荷载计算1) 工作状态下塔机塔身截面对角线方向所受风荷载标准值a、塔机所受风均布线荷载标准值(Wo=0、2kN/m2)Wk=0、8×1、59×1、95×1、2×0、2=0、60kN/m2 q sk=1、2×0、60×0、35×2=0、50kN/mb、塔机所受风荷载水平合力标准值Fvk=q sk×H=0、50×46、50=23、25kNc、基础顶面风荷载产生得力矩标准值M sk=0、5F vk×H=0、5×23、25×46、50=540、62kN、m2) 非工作状态下塔机塔身截面对角线方向所受风荷载标准值a、塔机所受风均布线荷载标准值(本地区Wo=0、35kN/m 2)W k=0、8×1、62×1、95×1、2×0、35=1、06kN/m2qsk=1、2×1、06×0、35×2、00=0、89kN/mb、塔机所受风荷载水平合力标准值F vk=q sk×H=0、89×46、50=41、46kNc、基础顶面风荷载产生得力矩标准值Msk=0、5Fvk×H=0、5×41、46×46、50=963、93kN、m3、塔机得倾覆力矩工作状态下,标准组合得倾覆力矩标准值M k=1639+0、9×(1400+540、62)=3385、55kN、m非工作状态下,标准组合得倾覆力矩标准值Mk=1639+963、93=2602、93kN、m三、桩竖向力计算非工作状态下:Q k=(Fk+G k)/n=(1260+810、00)/4=517、50kNQkmax=(F k+G k)/n+(Mk+Fvk×h)/L=(1260+810)/4+Abs(2602、93+41、46×1、60)/4、95=1056、85kN Q kmin=(F k+G k—Flk)/n-(Mk+Fvk×h)/L=(1260+810-0)/4-Abs(2602、93+41、46×1、60)/4、95=-21、85kN 工作状态下:Q k=(F k+G k+Fqk)/n=(1260+810、00+160)/4=557、50kNQkmax=(F k+Gk+F qk)/n+(M k+F vk×h)/L=(1260+810+160)/4+Abs(3385、55+23、25×1、60)/4、95=1249、11kN Q kmin=(Fk+G k+F qk-F lk)/n-(M k+F vk×h)/L=(1260+810+160-0)/4-Abs(3385、55+23、25×1、60)/4、95=-134、11kN四、承台受弯计算1、荷载计算不计承台自重及其上土重,第i桩得竖向力反力设计值:工作状态下:最大压力 N i=1、35×(F k+F qk)/n+1、35×(M k+F vk×h)/L=1、35×(1260+160)/4+1、35×(3385、55+23、25×1、60)/4、95=1412、92kN最大拔力 N i=1、35×(Fk+Fqk)/n—1、35×(M k+Fvk×h)/L=1、35×(1260+160)/4—1、35×(3385、55+23、25×1、60)/4、95=-454、42kN非工作状态下:最大压力 N i=1、35×Fk/n+1、35×(M k+F vk×h)/L=1、35×1260/4+1、35×(2602、93+41、46×1、60)/4、95=1153、38kN最大拔力 N i=1、35×Fk/n—1、35×(M k+F vk×h)/L=1、35×1260/4-1、35×(2602、93+41、46×1、60)/4、95=-302、88kN2、弯矩得计算依据《塔式起重机混凝土基础工程技术规程》第6、4、2条其中 M x ,M y1──计算截面处X Y方向得弯矩设计值(kN 、m);x i ,y i ──单桩相对承台中心轴得X Y方向距离(m );Ni ──不计承台自重及其上土重,第i桩得竖向反力设计值(kN)。
由于工作状态下,承台正弯矩最大:M x=M y=2×1412、92×0、75=2119、38kN 、m承台最大负弯矩:M x =My=2×—454、42×0、75=—681、63kN、m3、 配筋计算根据《混凝土结构设计规范》G B50010—2010第6、2、10条式中 α1──系数,当混凝土强度不超过C50时,α1取为1、0,当混凝土强度等级为C80时,α1取为0、94,期间按线性内插法确定;fc ──混凝土抗压强度设计值;h 0──承台得计算高度;f y ──钢筋受拉强度设计值,f y =360N/mm 2.底部配筋计算:αs =2119、38×106/(1、000×16、700×4500、000×15502)=0、0117 η=1-(1-2×0、0117)0、5=0、0118γs =1—0、0118/2=0、9941As =2119、38×106/(0、9941×1550、0×360、0)=3820、7mm 2推荐参考配筋方案为:钢筋直径为20mm,钢筋间距为200mm,配筋面积为7069mm 2顶部配筋计算:αs =681、63×106/(1、000×16、700×4500、000×15502)=0、0038 ξ=1—(1-2×0、0038)0、5=0、0038γs =1—0、0038/2=0、9981A s =681、63×106/(0、9981×1550、0×210、0)=2098、1m m2实际配筋面积大于计算需要配筋面积,满足要求!五、 承台剪切计算最大剪力设计值: Vmax =1412、92kN依据《混凝土结构设计规范》(GB50010—2010)得第6、3、4条.我们考虑承台配置箍筋得情况,斜截面受剪承载力满足下面公式:式中 λ──计算截面得剪跨比,λ=1、500ft ──混凝土轴心抗拉强度设计值,f t =1、570N/mm 2;b──承台得计算宽度,b=4500mm;h 0──承台计算截面处得计算高度,h 0=1550mm ;f y──钢筋受拉强度设计值,f y=210N/mm 2;S──箍筋得间距,S=200mm。
经过计算承台已满足抗剪要求,只需构造配箍筋!六、承台受冲切验算角桩轴线位于塔机塔身柱得冲切破坏锥体以内,且承台高度符合构造要求,故可不进行承台角桩冲切承载力验算七、桩身承载力验算桩身承载力计算依据《建筑桩基技术规范》(JGJ94-2008)得第5、8、2条根据第二步得计算方案可以得到桩得轴向压力设计值,取其中最大值N=1、35×1249、11=1686、29kN桩顶轴向压力设计值应满足下面得公式:其中Ψc──基桩成桩工艺系数,取0、85fc──混凝土轴心抗压强度设计值,fc=35、9N/mm2 ;A ps──桩身截面面积,Aps=196350mm 2 .桩身受拉计算,依据《建筑桩基技术规范》JGJ94-2008 第5、8、7条受拉承载力计算,最大拉力N=1、35×Q kmin=—181、04kN经过计算得到受拉钢筋截面面积 A s=670、529mm 2。
由于桩得最小配筋率为0、20%,计算得最小配筋面积为393mm2综上所述,全部纵向钢筋面积671mm2实际选用钢筋为:钢筋直径22mm,钢筋根数为15桩实际配筋面积为A s0= 3、14×222/4 ×15=5702mm2实际配筋面积大于计算需要配筋面积,满足要求!八、桩竖向承载力验算依据《塔式起重机混凝土基础工程技术规程》(JGJ/T 187—2009)得第6、3、3与6、3、4条轴心竖向力作用下,Q k=557、50kN;偏心竖向力作用下,Qkmax=1249、11kN桩基竖向承载力必须满足以下两式:单桩竖向承载力特征值按下式计算:其中Ra──单桩竖向承载力特征值;q sik──第i层岩石得桩侧阻力特征值;按下表取值;q pa──桩端端阻力特征值,按下表取值;u──桩身得周长,u=1、57m;Ap──桩端面积,取A p=0、20m 2;l i──第i层土层得厚度,取值如下表;最大压力验算:R a=1、57×(9×11+5、5×20+3×16+4、8×30+5、8×16+1、9×32)+2200×0、20=1303、13kN由于: R a = 1303、13 〉 Q k = 557、50,最大压力验算满足要求!由于: 1、2R a= 1563、76 〉Q kmax=1249、11,最大压力验算满足要求!九、桩得抗拔承载力验算依据《塔式起重机混凝土基础工程技术规程》(JGJ/T 187—2009)得第6、3、5条偏心竖向力作用下,Q kmin=-134、11kN桩基竖向承载力抗拔必须满足以下两式:式中Gp──桩身得重力标准值,水下部分按浮重度计;λi──抗拔系数;R a=1、57×(0、750×9×11+0、750×5、5×20+0、750×3×16+0、750×4、8×30+0、750×5、8×16+0、750×1、9×32)=702、225kNGp=0、196×(30×25—28、6×10)=91、106kN由于: 702、23+91、11 >= 134、11,抗拔承载力满足要求!塔吊计算满足要求!。