沥青路面设计范例
- 格式:doc
- 大小:129.50 KB
- 文档页数:6
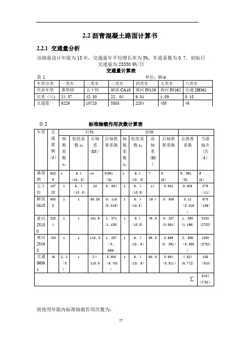
2.2沥青混凝土路面计算书2.2.1交通量分析该路面设计年限为15年,交通量年平均增长率为5%,车道系数为0.7,初始日交通量为25350辆/日交通量计算表表2标准轴载作用次数计算表则使用年限内标准轴载作用次数为:157[(10.05)1]36554840.7 2.8110()0.05e N +-⨯=⨯⨯=⨯次;15'7[(10.05)1]36547520.7 2.4310()0.05eN +-⨯=⨯⨯=⨯次。
2.2.2确定路基干湿类型选用沥青混凝土面层时,面层类型系数s A 取1.0,路线经过的地区属于2VI 区,土质为砾石类土含有少量的粘土,地下水埋深3.0~4。
5m,平均填土高度1。
5m ,路面底距地下水位的高度H 为4。
5~6.0m.由JTG-D50表F.0.1查得2VI 区,由于H 大于1H ,因此路面属于干燥路基。
由任务书查得土基的回弹模量055.530E MP MP =>,故土基可不进行特殊处理。
根据当地经验和实验结果,初步拟定路面结构层及力学计算参数如下表: 表3 面层各结构层数据计算表2.2。
3 按弯沉指标计算水泥稳定砂砾层厚度h 3b sc edA A A N l 2.0600-=()()0.27600 2.8110 1.0 1.0 1.019.20.01dl mm -=⨯⨯⨯⨯⨯=e N -—设计年限内一个车道上累计轴次,取e N =72.6310⨯(辆/车道)。
c A -—公路等级系数,一级公路取1.0(见课本163页系数取值).b A —-基层类型基础,半刚性基层、底基层总厚度大于等于20cm 时取1。
0。
s A —-面层类型系数,沥青混凝土面层取1。
0. 综合修正系数F =0.380.361.63()()2000s o l EPδ⨯ (路基路面书公式8—22)0.380.3619.255.51.630.548200010.650.7F ⎛⎫⎛⎫=⨯⨯= ⎪⎪⨯⎝⎭⎝⎭将六层体系简化成上层为细粒式沥青混凝土,中层为中粒式沥青混凝土以及下 层为土基组成的三层体系。
沥青混合料配合比设计案例【题目】试设计某高速公路沥青混凝土路面用沥青混合料。
【原始资料】1.道路等级:高速公路。
2.路面类型:沥青混凝土。
3.结构层位:三层式沥青混凝土的上面层.4.气候条件:最低月平均气温为-8˚C。
5.沥青材料:可供应重交通AH-50、AH-70和AH-90,经检测技术性能均符合要求。
6.碎石:石灰石轧制碎石,洛杉矶磨耗率12%,粘附性(水煮法)5级,表现密度2700kg/m3。
7.石屑:洁净,表观密度2650 kg/m3。
8.矿粉:石灰石磨细石粉,粒度范围符合技术要求,无团粒结块,表观密度2580 kg/m3。
【步骤】1.矿料配合比设计(1)确定沥青混合料类型因为道路等级为高速公路、路面类型为沥青混凝土,路面结构为三层式沥青混凝土上面层,为使上面层具有较好的抗滑性.按表选用细粒式I型(AC-13I)沥青混凝土混合料。
(2)确定矿料级配范围按表6-3(3)矿料配合比计算①将规定的矿质混合料级配范围中值换算成分计筛余中值计算结果列于上表第6~8栏②计算碎石在矿质混合料中用量X = aM(4.75)/ aA(4.75)×100%= 21.0 / 49.9 ×100%=42.1%③计算矿粉在矿质混合料中用量Z = aM(<0.075)/ aC(<0.075)×100%= 6.0 /85.3 ×100%=7.0%④计算石屑在混合料中用量Y=100-(X+Z )=100-(42.1+7.0)=50.9% ⑤校核:结果列入下表,该合成配合比符合要求2、确定最佳沥青用量通过马歇尔稳定度试验,初步确定沥青最佳用量;然后进行水稳性和动稳定度试验校核调整 ①制备试样:当地气候条件最低月平均温度为-8˚C ,属于温区,采用AH-70沥青。
根据表6-3所列的沥青用量范围,AC-13Ⅰ的沥青用量为4.5%~6.5%。
按实践经验,选取沥青用量5.0%~7.0%、0.5%间隔变化,制备5组试件②测定物理指标⏹ 表观密度ρs ⏹ 理论密度ρt⏹ 空隙率VV=(1-ρs/ρt )×100% ⏹ 沥青体积百分率 V A⏹ 矿料间隙率VMA=VV+V A⏹ 沥青饱和度VFA= V A /VMA ×100%③测定力学指标马歇尔试验测定结果汇总如表并在表中列出现行规范要求的高速公路AC-13Ⅰ型沥青④马歇尔试验结果分析—OAC绘制沥青用量与物理—力学指标关系图表观密度空隙率饱和度稳定度流值⏹ 根据密度、稳定度和空隙率确定最佳沥青用量初始值1由图可见:表观密度最大值的沥青用量a 1=6.20%;稳定度最大值的沥青用量a 2=6.20%;空隙率范围的中值的沥青用量a 3=5.60%,计算 OAC1=(a1+a2+a3)/3=6.0%⏹ 根据符合各项技术指标的沥青用量范围确定沥青最佳用量初始值2各项指标都符合沥青混合料技术指标要求的沥青用量范围OACmin ~OACmax=5.30%~6.45%OAC2=(OACmin+OACmax )/2=5.9%⏹ 根据OAC1和OAC2综合确定沥青最佳用量OAC 检查按OAC1求取的各项指标值是否符合技术标准同时检验VMA 是否符合要求,如能符合时⏹ OAC= (OAC1+OAC2)/2=6.0%根据气候条件和交通特性调整最佳沥青用量 i. 对热区道路以及车辆渠化交通的高速公路、一级公路、城市快速路、主干路: OAC2~OACmin 范围内决定,但不宜小于OAC2的0.5% ii. 对寒区道路以及一般道路OAC2~OACmax 范围内决定,但不宜大于OAC2的0.3%由于当地属于温区,并考虑高速公路为渠化交通,要防止出现车辙,选择在中限值OAC2与下限值OACmin 之间选取一个最佳用量OAC’=5.6%⑤水稳定性检验 采用沥青用量为6.0%和5.6%制备马歇尔试件,测定标准马歇尔稳定度及浸水48h 后马歇尔稳定度,试验结果列于表,浸水残留稳定度均大于75%,符合标准要求。
沥青路面课程设计算例
沥青路面课程设计算例是指根据设计要求和标准,进行沥青路面的设计计算。
以下为一个沥青路面课程设计算例的步骤和内容:
1. 设计要求和标准的确定:根据所在地区的交通量、道路类型、设计寿命等要求,确定设计标准和要求。
2. 交通量估算:根据道路所承受的交通量,进行交通量的估算和预测。
3. 路基设计:根据设计交通量和地基条件,进行路基设计,包括路基宽度、路基厚度等。
4. 路面设计:根据路基设计和交通量要求,进行沥青路面的设计。
计算沥青面层厚度、基层厚度等。
5. 材料选择:根据设计要求和标准,选择合适的沥青材料和基层材料。
6. 施工工序设计:根据路面设计和施工要求,确定施工工序和顺序。
7. 施工工艺设计:根据设计要求和标准,确定施工工艺和施工方法。
8. 施工质量控制:根据设计要求和标准,进行施工质量的控制和检查。
9. 施工进度计划:根据施工工序和工艺,制定施工进度计划。
10. 施工费用估算:根据施工工序和工艺,估算施工所需费用。
以上是一个沥青路面课程设计算例的大致步骤,具体的设计内容
和计算方法需要根据实际情况和要求进行确定。
沥青路面工程施工组织设计方案第一章工程概况1.1 工程简述1.1.1概述某沥青路面建设工程,全长56.50米。
1.1.2技术标准1、公路等级:K0+000~K13+270段三级;K13+270~K54+500段四级;2、路基宽度: K0+000~K13+270段7.5米;K13+270~K54+500段6.5米;3、路面宽度: K0+000~K13+270段7米;K13+270~K54+500段6米;4、路面结构: K0+000~K13+270段;4cm细粒式沥青混凝土面层(AC-13)+0.6cm稀浆封层(ES-2型)+25cm级配碎石基层+12cm未筛碎石底基层;K13+270~K54+500段:4cm细粒式沥青混凝土面层(AC-13)+0.6cm稀浆封层(ES-2型)+20cm级配碎石基层+12cm未筛碎石底基层;5、设计荷载:公路-II级。
6、设计速度:K0+000~K13+270段30公里/小时;K13+270~K54+500段20公里/小时;1.2主要工程数量1.2.1 路基工程1、路基土石方工程路基开挖土方14670m3,挖石方2430m3;坍方清理10400 m3;路基利用方填筑11132 m3;2、特殊路基处理换填砂砾石840 m3;换填片石9912 m3;砂砾石路基补强层5641 m3;10cm天然砂砾调型层322681 m2。
1.2.2 排水工程1、边沟M7.5浆砌片石边沟11148 m3。
2、盖板沟C25钢筋混凝土水沟盖板15m3、排水M7.5浆砌片石排水沟586 m3。
4、盲沟碎石盲沟(80cm×80cm)195m.1.2.3 防护工程M7.5浆挡土墙5564m3;M7.5浆砌护肩墙2129m3;M7.5浆砌上挡墙2530m3;M7.5浆砌片石消力槛204m3。
1.2.4 路面工程1、未筛分碎石底基层厚10未筛分碎石底基层353426 m2。
2、级配碎石基层厚20cm级配碎石基层69016 m2;厚25cm级配碎石基层284410 m2。
我国沥青路面设计方法及典型实例1、设计理论-层状体系理论2、设计指标和要求; (1)轮隙中间路表面(A点)计算弯沉值小于或等于设计弯沉值(2)轮隙中心下(C点)或单圆荷载中心处(B点)的层底拉应力应小于或等于容许拉应力3、弯沉概念(1)回弹弯沉:路基或路面在规定荷载作用下产生垂直变形,卸载后能恢复的那一部分变形。
(2)残余弯沉:路基或路面在规定荷载作用下产生的卸载后不能恢复的那一部分变形。
(3)总弯沉:路基或路面在规定荷载作用下产生的总垂直变形(回弹弯沉+残余弯沉)。
(4)容许弯沉:路面设计使用期末不利季节,标准轴载作用下双轮轮隙中间容许出现的最大回弹弯沉值。
(5)设计弯沉:是指路面交工验收时、不利季节、在标准轴载作用下,标准轴载双轮轮隙中间的最大弯沉值。
4、弯沉测定;(1)贝克曼法:传统检测方法,速度慢,静态测试,试验方法成熟,目前为规范规定的标准方法。
(2)自动弯沉仪法:利用贝克曼法原理快速连续测定,属于试验范畴,但测定的是总弯沉,因此使用时应用贝克曼进行标定换算。
(3)落锤弯沉仪法:利用重锤自由落下的瞬间产生的冲击载荷测定弯沉,属于动态弯沉,并能反算路面的回弹量,快速连续测定,使用时应用贝克曼进行标定换算。
5、设计弯沉的调查与分析(1)我国把第四外观等级作为路面临界破坏状态,以第四外观等级路面的弯沉值的低限作为临界状态的划界标准,从表中所列的外观特征可知,这样的临界状态相当于路面已疲劳开裂并伴有少量永久变形的情况。
(2)对相同路面结构不同外观特征的路段进行测定后发现,外观等级数愈高,弯沉值愈大,并且外观等级同弯沉值大小有着明显的联系。
因此可以在弯沉值与不同时期的累计交通量间建立关系。
6、设计弯沉值; 设计弯沉值是路面峻工验收时、最不利季节、路面在标准轴载作用下测得的最大(代表)回弹弯沉值。
可根椐设计年限内每个车道通过的累计当量轴次、公路等级、面层和基层类型确定的路面弯沉设计值。
7、容许弯拉应力对沥青混凝土的极限劈裂强度,系指15℃时的极限劈裂强度;对水泥稳定类材料龄期为90d 的极限劈裂强度(MPa);对二灰稳定类、石灰稳定类材料系指龄期为180d的极限劈裂强度(MPa),水泥粉煤灰稳定类120d的极限劈裂强度(MPa) 。
沥青路面设计计算案例一、新建路面结构设计流程(1)根据设计要求,按弯沉或弯拉指标分别计算设计年限内一个车道的累计标准当量轴次,确定设计交通量与交通等级,拟定面层、基层类型,并计算设计弯沉值或容许拉应力。
(2)按路基土类与干湿类型及路基横断面形式,将路基划分为若干路段,确定各个路段土基回弹模量设计值。
(3)参考本地区的经验和规范拟定几种可行的路面结构组合与厚度方案,根据工程选用的材料进行配合比试验,测定各结构层材料的抗压回弹模量、劈裂强度等,确定各结构层的设计参数。
(4)根据设计指标采用多层弹性体系理论设计程序计算或验算路面厚度。
如不满足要求,应调整路面结构层厚度,或变更路面结构组合,或调整材料配合比,提高材料极限抗拉强度,再重新计算。
(5)对于季节性冰冻地区应验算防冻厚度是否符合要求。
(6)进行技术经济比较,确定路面结构方案。
需要注意的是,完成结构组合设计后进行厚度计算,厚度计算应采用专业设计程序。
有关公路新建及改建路面设计方法、程序及相关要求详见《沥青路面设计规范》。
二、计算示例(一)基本资料1.自然地理条件新建双向四车道高速公路地处Ⅱ2区,拟采用沥青路面结构进行施工图设计,填方路基高1.8m,路基土为中液限黏性土,地下水位距路床表面2.4m,一般路基处于中湿状态。
2.土基回弹模量的确定该设计路段路基处于中湿状态,路基土为中液限黏性土,根据室内试验法确定土基回弹模量设计值为40MPa。
3.预测交通量预测竣工年初交通组成与交通量,见表9-11.预测交通量的年平均增长率为5.0%.(二)根据交通量计算累计标准轴次Ne ,根据公路等级、面层、基层类型及Ne 计算设计弯沉值。
解:1.计算累计标准当量轴次 标准轴载及轴载换算。
路面设计采用双轮组单轴载100KN 为标准轴载,以BZZ-100表示,根据《沥青路面设计规范》规定,新建公路根据交通调查资料,主要以中客车、大客车、轻型货车、中型货车、大型货车、铰链挂车等的数量与轴重进行预测设计交通量,即除桑塔纳2000外均应进行换算。
算例一:无机结合料基层沥青路面结构1.环境参数某高速公路,设计车速100km/小时,设计使用年限15年。
所在地区自然区划属Ⅱ-2区,沥青路面气候分区属2-2区,年均降雨量607毫米,年平均气温11.6℃,月平均气温最低为-3.2℃,月平均气温最高为24.8℃,多年最低气温为-20℃。
2.交通参数对应于无机结合料层层底拉应力的当量设计轴载累计作用次数为 1.51×109次,对应于沥青混合料层永久变形量的当量设计轴载累计作用次数为 2.15×107次。
3.初拟路面结构表1.1 初拟水泥稳定碎石基层沥青路面结构结构层材料类型厚度(mm)面层AC13 (SBS改性沥青) 40 AC20(90号道路石油沥青) 60 AC25(90号道路石油沥青) 80基层水泥稳定碎石380底基层级配碎石1804.材料参数⑴路基顶面回弹模量路基为受气候影响的干燥类,土质为低液限黏土。
参考《公路路基设计规范》(JTG D30-2015),低液限黏土路基标准状态下回弹模量取70MPa,回弹模量湿度调整系数k s取0.95,干湿与冻融循环作用折减系数kη取0.80,则经过湿度调整和干湿与冻融循环作用折减的路基顶面回弹模量为53MPa,满足规范规定。
⑵级配碎石底基层模量根据试验测定结果,经湿度调整后,级配碎石底基层模量为300MPa。
⑶水泥稳定碎石基层模量和弯拉强度根据试验测定结果,水泥稳定碎石材料弹性模量为24000MPa,乘以结构层模量调整系数0.5,水泥稳定碎石基层模量为12000MPa,弯拉强度为1.8MPa。
⑷沥青面层模量根据试验测定结果,20℃、10Hz时,SBS改性沥青AC13表面层模量为11000MPa,90号道路石油沥青AC20中面层和AC25下面层模量为10000MPa。
⑸泊松比根据规范表5.6.1,路基泊松比取0.40,级配碎石底基层取0.35,沥青混合料面层和水泥稳定碎石基层取0.25。
案例1 新建沥青路面结构层厚度计算1.设计资料湖北省某新建高速公路,双向四车道,拟采用沥青路面结构。
沿线土质为黏性土,地下水位距路床顶面1.4 m,沿线有水泥及碎石供应。
根据计划安排,该项目于2010年建成通车。
经交通调查预测,2010年平均日交通量见案例表1;交通量年增长率:2010~2014年为8%,2015~2019年为7%,2020~2024年为5%。
1)交通量计算及交通等级的确定(1)车辆参数及交通量计算,见案例表2。
(2)计算累计当量轴次N e。
①当量轴次N1。
a.当以设计弯沉值和沥青层层底拉应力为指标时,通车第一年(2010年)双向日平均当量轴次N1的计算。
按式(1-7)进行前轴、后轴当量轴次的换算,计算过程见案例表3。
计算当量轴次时应注意如下几点。
●前轴均为单轴单轮。
●当后轴距大于3 m时,按单独轴载计算,即C1=轴数。
例如,案例表3中交通SH-141的后轴轴数系数C1=2。
●当后轴距小于3 m时,按式(1-3)计算C1。
例如,案例表3中东风EQ240的后轴轴数系数C1=2.2。
b.当以半刚性材料层拉应力为设计指标时,通车第一年(2010年)双向日平均当量轴次N1的计算。
按式(1-4)进行前轴、后轴当量轴次的换算,计算过程见案例表4。
要注意式(1-9)与式(1-7)中指数的区别,并注意案例表3与案例表4中C1、C2取值的区别。
②累计当量轴次N e。
按式(1-11)计算设计年限内一个车道的累计当量轴次N e。
该公式为等比数列求和公式,其中,365N1η是首项,(1+γ)是公比。
365是指一年的天数,365N1将日作用次数换算为年作用次数;η是车道系数,将双向交通换算为设计车道上(即最不利车道)的作用次数。
设计年限t:查表1-8,高速公路设计年限t=15年。
车道系数η:查表1-9,取车道系数η=0.4。
a.当以设计弯沉值和沥青层层底拉应力为指标时,设计年限内一个车道的累计当量轴次N e的计算见案例表5。
注:本文档为手算计算书文档,包含公式、计算过程在内,可供老师教学,可供学生学习。
下载本文档后请在作者个人中心中下载对应Excel计算过程。
(若还需要相关cad图纸或者有相关意见及建议,请私信作者!)团队成果,侵权必究!(温馨提示,本文档没有计算功能,请在作者个人中心中下载对应的Excel计算表格,填入基本参数后,Excel表格会计算出各分项结果,并显示计算过程!)新版规范沥青混凝土路面设计(详细应用)1.设计资料湖南郴州某地区拟建公路,设计年限为15年,公路自然区划为Ⅳ5区,其中路基土质为粘性土,干湿状态为潮湿,稠度为0.95。
近期混合交通量如下表所示,交通组成和代表车型的技术参数分别如下表所示,交通量年平均增长率为6.0%。
请设计合适的沥青路面结构。
混合交通组成车型分类代表车型的技术参数2.交通量计算2.1车道数及交通荷载等级确定交通量换算采用小客车为标准车型。
根据《公路工程技术标准》(JTG B01-2014)中表3.3.2得到各车型的车辆折减系数,再根据设计资料中的参数,得到换算的小客车平均日交通量。
如下表:根据《公路沥青路面设计规范》(JTG D50-2017)(以下简称沥青规范)中表3.0.2可知一级公路设计使用年限为15年,与设计资料相符。
由上表知在设计年限内最大小客车年平均昼夜交通量为20574辆/天,在15000~30000辆之间,需选用一级公路,与设计资料相符。
且符合四车道一级公路的适应范围,故本设计采用双向四车道的一级公路。
由沥青规范中条文A.2.5以及表A.2.5取车道系数LDF=0.75,由条文A.2.4取方向系数DDF=0.5。
根据沥青规范中表3.0.4可知8283336辆设计年限内设计车道累计大型客车和货车交通量对应的设计交通荷载等级为重。
2.2车辆类型分布系数确定由于缺乏交通历史数据或经验数据,根据沥青规范中条文A.2.6,采用水平三确定车辆类型分布系数,先按表A.2.6-1确定公路TTC分类为TTC5,再根据表A.2.6-2得TTC5车辆类型分布系数如下表:车辆类型分布系数(%)2.3车辆当量设计轴载换算根据沥青规范中条文A.3,采用水平三确定车辆当量设计轴载换算系数。
第一节第二节(完整)沥青路面施工组织设计目录工程概况工程施工条件第一节主要机械设备配备计划第二节主要试验仪器需用量计划第三节第四节第一节第二节主要测量仪器计划主要劳动力配备计划施工总体布署主要施工方法第三节施工测量第四节搅拌站生产以及管理第五节对基层的检验以及前场准备工作第六节沥青混合料的摊铺碾压第七章第八章第九章第一节第二节特殊部位施工雨季施工措施沥青砼路面的施工质量控制质量保证体系质量保证措施第一节安全管理目标第二节施工安全制度第七节施工安全措施第八节文明施工措施一、东方汽轮机有限公司下发的东汽汉旺生产基地灾后异地重建项目——厂区道路沥青路面工程施工招标文件、中国联合工程公司设计的施工图、本公司的投标文件.二、国家现行的市政、公路等有关规范、规程及标准。
三、国家有关安全生产、文明施工、环境保护的有关规程规定。
四、本公司具备的道路、桥梁施工的施工技术人员、工程施工机械设备。
一、工程概况工程名称:xxxx 生产基地灾后异地重建项目—xx 厂区道路沥青路面工程建设单位: xxxx 生产基地灾后异地重建项目指挥部设计单位:中国联合工程公司施工单位: xxxx 建设有限公司建设地点: xx 省 xx 市八角经济开辟区建设规模:该项目是东汽新厂区除东西五路以及东汽大道南北段外的所有厂区道路的沥青路面,总长约 15000 米,面积约为 145000m2。
机动车道的结构组成为 :面层 4cmAC-13 型改性沥青砼+5cm AC—16 型普通沥青砼+6cm AC—25 型普通沥青砼+ 25cm 厚 5%水泥稳定碎石基层+50cm 继配砂砾石路基+土路床,横坡为 1。
5%,路拱设计为正三次抛物线结构,根据合同路面以下为其他单位施工,我部只进行沥青施工路面施工。
二、工程质量标准:合格三、工期:暂定 2022 年5 月前完成道路沥青施工四、路基横断面布置: 1)、本工程机动车道宽度从 4m~12m 均有。
2)、行车道路拱横坡为 1.5%的双向横坡,人行道为 1%的反向横坡。
新建一级公路计算书:一、交通量计算公路等级一级公路目标可靠指标 1.28初始年大型客车和货车双向年平均日交通量(辆/日)2400路面设计使用年限(年)15通车至首次针对车辙维修的期限(年)15交通量年平均增长率 6.5 %方向系数.55车道系数.5整体式货车比例35 %半挂式货车比例45 %车辆类型2类3类4类5类6类7类8类9类10类11类满载车比例.08 .34 .1 .44 .31 .54 .36 .46 .39 0初始年设计车道大型客车和货车年平均日交通量(辆/日)660设计使用年限内设计车道累计大型客车和货车交通量(辆)5825484路面设计交通荷载等级为中等交通荷载等级当验算沥青混合料层疲劳开裂时:设计使用年限内设计车道上的当量设计轴载累计作用次数为 1.44086E+07当验算无机结合料稳定层疲劳开裂时:设计使用年限内设计车道上的当量设计轴载累计作用次数为9.438057E+08当验算沥青混合料层永久变形量时:通车至首次针对车辙维修的期限内设计车道上的当量设计轴载累计作用次数为 1.44086E+07当验算路基顶面竖向压应变时:设计使用年限内设计车道上的当量设计轴载累计作用次数为 2.427535E+07二、路面结构设计与验算路面结构的层数: 5设计轴载: 100 kN路面设计层层位: 4设计层起始厚度: 180 (mm)层位结构层材料名称厚度模量泊松比无机结合料稳定类材沥青混合料车辙试验(mm) (MPa) 料弯拉强度( MPa) 永久变形量( mm )1 细粒式沥青混凝土40 11000 .25 1.52 中粒式沥青混凝土50 10000 .25 2.53 中粒式沥青混凝土50 10000 .25 2.54 水泥稳定碎石? 7500 .25 1.45 水泥稳定碎石180 7500 .25 1.46 新建路基60 .4------第4 层无机结合料稳定层疲劳开裂验算------设计层厚度H( 4 )= 180 mm季节性冻土地区调整系数KA= .8温度调整系数KT2= .979现场综合修正系数KC= -.24第4 层层底拉应力σ= .077 MPa第4 层无机结合料稳定层疲劳开裂寿命NF2= 3.119286E+11 轴次设计使用年限内设计车道上的当量设计轴载累计作用次数NZB2= 9.438057E+08 轴次第4 层无机结合料稳定层疲劳开裂验算已满足设计要求.------第5 层无机结合料稳定层疲劳开裂验算------设计层厚度H( 4 )= 180 mm季节性冻土地区调整系数KA= .8温度调整系数KT2= .979现场综合修正系数KC= -1.157第5 层层底拉应力σ= .252 MPa第5 层无机结合料稳定层疲劳开裂寿命NF2= 1.028473E+09 轴次设计使用年限内设计车道上的当量设计轴载累计作用次数NZB2= 9.438057E+08 轴次第5 层无机结合料稳定层疲劳开裂验算已满足设计要求.------沥青面层低温开裂指数验算------路面所在地区低温设计温度TSJ=-29 ℃表面层沥青弯曲梁流变试验蠕变劲度ST= 100 MPa沥青结合料类材料层厚度HA= 140 mm路基类型参数BLJ= 2沥青面层低温开裂指数CI= 3 条沥青面层容许低温开裂指数CIR= 3 条沥青面层低温开裂指数值满足规范要求.------沥青混合料层永久变形量验算------沥青混合料层永久变形等效温度TPEF= 20.2 ℃通车至首次针对车辙维修的期限内设计车道上的当量设计轴载累计作用次数NZB3=1.44086E+07轴次沥青混合料层永久变形验算分层数N= 6第1 分层沥青混合料永久变形量RAI( 1 )= .43 mm第2 分层沥青混合料永久变形量RAI( 2 )= .89 mm第3 分层沥青混合料永久变形量RAI( 3 )= 1.26 mm第4 分层沥青混合料永久变形量RAI( 4 )= .99 mm第5 分层沥青混合料永久变形量RAI( 5 )= .67 mm第6 分层沥青混合料永久变形量RAI( 6 )= .94 mm沥青混合料层永久变形量RA= 5.18 mm沥青混合料层容许永久变形量RAR= 15 mm沥青混合料层永久变形量满足规范要求.第1 层沥青混合料车辙试验动稳定度技术要求为5139 次/mm第2 层沥青混合料车辙试验动稳定度技术要求为2412 次/mm第3 层沥青混合料车辙试验动稳定度技术要求为2412 次/mm验算路面结构防冻厚度:路面结构最小防冻厚度500 mm验算结果表明,路面结构总厚度满足防冻要求.通过对设计层厚度取整以及设计人员对路面厚度进一步的修改, 最后得到路面结构设计结果如下:----------------------------------------细粒式沥青混凝土40 mm----------------------------------------中粒式沥青混凝土50 mm----------------------------------------中粒式沥青混凝土50 mm----------------------------------------水泥稳定碎石180 mm----------------------------------------水泥稳定碎石180 mm----------------------------------------新建路基计算设计路面结构的验收弯沉值:干湿循环或冻融循环条件下路基土模量折减系数KAT= .75路基顶面验收弯沉值LG= 233.4 (0.01mm)路表验收弯沉值LA= 26.1 (0.01mm)。
4沥青路面方案比选[范例]最近一直在思考这个沥青路面方案的问题,今天终于抽出时间来好好梳理一下。
咱们就来比选一下四个不同的沥青路面方案,看看哪个更靠谱。
一、方案一:AC-13沥青混凝土这个方案采用的是AC-13沥青混凝土,这种材料在我国的公路建设中应用非常广泛。
它的优点在于:1.强度高,抗磨耗性好,适合高速公路和重载道路。
2.价格相对较低,性价比高。
3.施工工艺成熟,易于操作。
但缺点也比较明显:1.对原材料要求较高,质量不易控制。
2.耐候性相对较差,高温稳定性不足。
二、方案二:SMA沥青混凝土SMA沥青混凝土是一种新型沥青路面材料,它的优点如下:1.高温稳定性好,抗车辙能力强。
2.抗滑性能优异,行车安全。
3.结构密实,耐久性好。
不过,这个方案也有一定的缺点:1.价格较高,成本较高。
2.施工难度较大,对施工技术要求高。
三、方案三:橡胶沥青混凝土橡胶沥青混凝土是一种绿色环保型材料,它的优点包括:1.耐磨性好,抗裂性能强。
2.高温稳定性较好,抗车辙能力较强。
3.环保性能优越,有利于降低噪声。
然而,它也有一定的局限性:1.价格较高,成本较高。
2.施工工艺较为复杂,对原材料要求较高。
四、方案四:温拌沥青混凝土温拌沥青混凝土是一种节能型材料,它的优点如下:1.节能环保,降低沥青烟尘排放。
2.施工温度较低,有利于降低施工成本。
3.耐久性好,抗车辙能力较强。
但这个方案也有不足之处:1.价格较高,成本较高。
2.对原材料要求较高,质量不易控制。
当然,具体选择哪个方案还需要根据实际情况来决定。
比如,如果预算有限,可以考虑方案一(AC-13沥青混凝土);如果环保要求较高,可以考虑方案三(橡胶沥青混凝土)或者方案四(温拌沥青混凝土)。
我们要根据项目的具体需求来选择最合适的方案。
选择SMA沥青混凝土方案后,有几点注意事项必须考虑,同时也要找出相应的解决办法:施工难度大。
SMA沥青混凝土的施工技术要求高,对施工队伍的专业性要求严格。
我国沥青路面设计方法及典型实例沥青路面是目前我国常见的道路铺设材料之一,它具有使用方便、维护成本低廉、使用寿命长等优点,在城市道路和高速公路中被广泛应用。
本文将重点介绍我国沥青路面的设计方法和一些典型实例。
一、沥青路面设计方法1.路面层厚度设计:沥青路面的设计首先需要确定其层厚度。
根据路面的设计标准和相应的道路使用等级,可以采用经验公式、试验和数学模型计算得到合适的层厚。
一般情况下,沥青路面的总厚度包括基层、底基层、底面、粗石层和面层。
2.沥青混合料设计:沥青路面的面层多采用沥青混合料,其设计方法主要包括配合比设计和级配设计两种。
配合比设计通过确定沥青、石料、骨料和填料的配合比例,保证混合料的力学性能和耐久性能。
级配设计则是通过确定石料或骨料的级配曲线,使得混合料在不同粒径下的力学性能均能满足要求。
3.施工质量控制:沥青路面的施工质量对其使用寿命和性能有着重要影响。
在施工过程中需要加强对各个层次的控制,包括基层的夯实度、底面的平整度、沥青混合料的铺设厚度和密实度等。
此外,还需要合理控制施工温度和加水量,以确保沥青路面的质量。
二、典型实例1.北京五环路改扩建工程:该工程是对北京市五环路进行改扩建的项目,施工中采用了多层沥青路面结构。
在路面设计中,根据道路使用等级和设计标准,确定了各个层次的厚度,采用了橡胶改性沥青混合料作为面层材料,提高了路面的耐久性和抗裂性。
2.上海市嘉定区高速公路:该高速公路采用了浇筑式沥青混凝土路面结构。
设计时,根据高速公路的使用要求,确定了合适的路面层厚度和沥青混凝土的配合比。
施工过程中,严格控制了石料级配和混合料的施工温度,保证了路面的质量。
3.广州市岭南高速公路:该高速公路采用了悬浮式沥青混凝土路面结构。
在设计过程中,考虑到高速公路的往返快车道和法兰带,采用了不同的路面结构和厚度。
施工中,采取了分层施工和层间养护的方式,确保了沥青路面的平整度和耐久性。
通过上述典型实例,我们可以看到,在沥青路面设计中,需要综合考虑道路使用等级、设计标准、材料性能和施工工艺等因素,以确保沥青路面具有良好的耐久性和使用性能。
沥青路面施工组织设计范例一、编制依据1 、×××程道路施工图2 、×××工程招投标文件3 、《沥青路面施工及验收规范》4 、《市政道路工程质量检验评定标准》二、工程概况㈠设计概况1.设计标准计算行车速度:V 路段=4OKm/h设计标准轴载:BZZ- 100KN防洪标准100 年一遇道路路面结构设计年限:沥青路面为30 年2.设计概况×××道路沥青砼摊铺工程是开辟区内南北向及东西向十字交叉的主要干线道路。
施工长度为1.292 公里。
沥青砼摊铺长度为1.156 公里。
东起××路,西至××路,施工长度为1.033 公里,沥青砼摊铺长度为0.967 公里。
横断面设计道路标准横断面:6.5m 人行道+4.0m 绿化带+15m 车行道+4.0m 绿化带+6.5m 人行道,道路总宽度为36 m。
路面结构设计道路机动车道结构:4cmAC- 13I 细粒式沥青砼+7cmAC-25I 粗粒式沥青砼+lcm 沥青下封层+3Ocm 二灰碎石+20cm10%石灰土。
交叉口:8cm 马路块+31cm 二灰碎石+20cm10%石灰土。
本次工程中仅为路面结构层中的沥青砼摊铺,即4cmAC- 13I 细粒式沥青砼+7cmAC-25I 粗粒式沥青砼+lcm 沥青下封层,净宽度为14.52m。
本次工程质量目标为优良工程。
㈡施工条件及周边环境1、沿线自然地貌本段xx 路基础已完成,道路沿线基本为农田和村庄,地势较为平整。
2、道路工程地质本段xx 路位于长江三角洲冲积平原区,具有第四纪地质特性,其土质特性自上而下分为五层:①常年耕植土或者杂填土;②淤泥质土;③粉质黏土;④黏土;⑤中液限黏土。
道路沿线地下水类型分上层滞水和承压水两种,上层滞水主要分布于②淤泥质土和⑤中藏展转土层以上的①耕填土中,埋深在0.4-2 .0 米;承压水主要分布于粉土层之间,主要补给源为大运河和长江水。
沥青混凝土路面计算书一、轴载分析路面设计以双轮组单轴载100kN 为标准轴载。
1.以设计弯沉值为指标及验算沥青层层底拉应力中的累计当量轴次 3)轴载换算:轴载换算的计算公式:N= 4.35121()ki i i PC C n P =∑2)累计当量轴次:根据设计规范,二级公路沥青路面的设计年限取15年,双车道的车道系数取0.6 累计当量轴次:()'111365t e N N γηγ⎡⎤+-⨯⎣⎦=()151 5.4%1365×885.380.65.4%⎡⎤+-⨯⎣⎦=⨯ =4312242(次) 3)验算半刚性基层层底拉应力中的累计当量轴次注:轴载小于50kN 的轴载作用不计验算半刚性基层层底拉应力的轴载换算公式:N=8121()ki i i PC C n P =∑(2)累计当量轴次:()'111365t e N N γηγ⎡⎤+-⨯⎣⎦==()151 5.4%1365×505.650.65.4%⎡⎤+-⨯⎣⎦⨯=2462767.6(次) 二、结构组合与材料选取根据规范推荐结构,并考虑到公路沿途筑路材料较丰富,路面结构采用沥青混凝土(15cm ),基层采用二灰碎石(20cm ),基底层采用石灰土(厚度待定)。
二级公路面层采用三层式沥青面层,表面层采用细粒式密级配沥青混凝土 (厚度3cm ), 中间层采用中粒式密级配沥青混凝土 (厚度5cm ), 下层采用粗粒式密级配沥青混凝土 (厚度7cm )。
三、各层材料的抗压模量与劈裂强度抗压模量取20℃的模量,各值均取规范给定范围的中值,因此得到20℃的抗压模量: 细粒式密级配沥青混凝土为 1400MPa , 中粒式密级配沥青混凝土为 1200MPa , 粗粒式密级配沥青混凝土为 1000MPa , 二灰碎石为 1500MPa , 石灰土为 550MPa 。
各层材料的劈裂强度:细粒式密级配沥青混凝土为 1.4MPa , 中粒式密级配沥青混凝土为 1.0MPa , 粗粒式密级配沥青混凝土为 0.8MPa , 二灰碎石为 0.5MPa , 石灰土为 0.225MPa 。
路基路面课程设计(沥青路面设计)范例
1.1 道路等级确定
根据调查资料,基年交通量组成如下:
表3.1 基年交通量组成
由于路线为县级公路,因此道路等级为一级公路以下,则由预测年限规定:具有集散功能的一级公路及二、三级公路的规划交通量应按15年预测,则由公式:
N
d =N
(1+8%)n-1 (式1-1)
其中:N
d
—规划年交通量(辆/日)
N
—基年平均日交通量(辆/日)
—年平均增长率(%)
n—预测年限(年)
即:规划年交通量为:
Nd=[(150+80+100+120)×1.5+150×2.0+(120+110)×3.0]×(1+8%)15-1 =[345+150+300+180+360+330] ×(1+8%)15-1
=4890辆/日
由《公路工程技术标准》(JTG B01—2003)(以下简称《标准》),双车道三级公路应能适应将各种车辆折合成小客车的年平均日交通量为2000~6000辆,综合考虑选定道路等级为三级。
1.2 结构设计
6.2.1轴载分析
路面设计以双轮组单轴轴载100kN为标准轴载。
6.2.1.2.1轴载换算(基本参数见表6.1)
轴载换算公式如下:
N=
35
.4
i
i
k
1
i
2
1p
p
N
C
C⎪⎪
⎭
⎫
⎝
⎛
∑
=
(式6-1)
式中:N—标准轴载的当量轴次,(次/日);
N
i
—被换算车辆的各级轴载,(KN);
P—标准轴载,(KN);
P
i
—被换算车辆的各级轴载,(KN);
K—被换算车型的轴载级别;
C 1—轴载系数,C
1
=1+1.2×(m-1),m是轴数。
当轴间距大于3m时,按单独
的一个轴载计算,当轴轴间距小于3m时,应考虑轴数系数;C
2
—轮组系数,单轮组为6.4,双轮组为1,四轮组为0.38。
表6-1 标准轴载计算参数
表6-2 预测交通量组成
6.2.1.2.2累计当量轴次
根据设计“规范”三级沥青混凝土设计年限取8年,双车道系数为0.6—0.7,本设计取0.7。
N e =
[(1)1]365
t r N r
η+-⨯⋅⋅ (6-2) 式中:N e —设计年限内一个车道沿一个方向通过的累计标准当量轴次(次);
t —设计年限(年);
N 1—路面营运第一年双向日平均当量轴次(次/日);
r —设计年限内交通量平均增长率(%);
η—与车道有关的车辆横向分布系数,简称车道系数。
通过计算得出:Ne =1902361次。
6.2.2.3验算半刚性基层层底拉应力中的累计当量轴次
验算半刚性基层层底拉应力的轴载换算公式为:N ′=i 2k
1i 1N C C ∑=8
(
)i p p
表6-4 轴载换算结果表(半刚性基层层底拉应力)
注:轴载小于50KN 的轴载作用不计 6.2.2.3.2累计当量轴次
参数取值同上,设计年限是8年,车道系数0.7。
Ne ′=
[(1)1]365
t r N r
η+-⨯⋅⋅ (6-3) 通过计算得出:Ne ′=1530042次。
6.2.2结构组合与材料选取
由上面的计算得到设计年限内一个车道上的累计标准轴次约100万—200万左右,参照《公路沥青路面设计规范》中表4.1.3-1和4.1.5的推荐结构,结合实际,拟定路面结构层次为:面层采用沥青混凝土,其中中粒式沥青混凝土(5cm ),粗粒式沥青混凝土(6cm ),基层稳定碎石土(18cm ),底基层采用石灰土(
27)。
6.2.2.1各层材料的抗压模量和劈裂强度
抗压模量取20o C 的模量(根据具体规范),各值均取规范给定的中值计算参数如下表6-5:
抗压模量计算参数表 表6-5
该路段处于Ⅲ4区为粉质土,稠度为0.95,查“二级自然区划各土组土基回弹模量参考值(Mpa )”查得土基回弹模量39.5Mpa (内插法求得)。
6.2.2.3设计指标的确定
对于三级公路,“规范”以设计弯沉值作为设计指标并进行结构底基层拉应力
验算。
⑴设计弯沉值
L
d —600×(Ne)-0.2 Ac×A
s
×A
b
L
d
—路面设计弯沉值(0.01mm).
N
e
—设计年限内一个车道上累计当量轴次;
A
c
—公路等级系数,高速公路、一级公路1.0,二级公路为1.1,三、四级公路为1.2;
A
s
—面层类型系数,沥青混凝土面层为1.0;热拌沥青碎石、乳化沥青碎石、沥青表面处治1.1;
A b—基层类型系数,对半刚性基层、底基层总厚度等于或大
本设计为三级公路,公路等级系数A c—1.2,面层为沥青混凝土取A s—1.0,半刚性基层总厚度大于20cm,基层类型系数A b =1.0.
则 L
d =600×(Ne)-0.2 A
c
×A
s
×A
b
=600×1902361-0.2×1.2×1.0×1.0
=39.9(0.01mm)
6.2.2.4设计资料总结
设计弯沉值为39.9(0.01mm),相关设计资料如表6.6:
表6.6 方案计算表
公路等级: 三级公路
新建路面的层数: 4
标准轴载: BZZ-100
路面设计弯沉值: 39.9(0.01mm)
路面设计层层位: 4
设计层最小厚度: 15 (cm)
表6.7 路面结构层设计表
按设计弯沉值计算设计层
LD= 39.9 (0.01mm)
H( 4 )= 25cm LS= 41 (0.01mm)
H( 4 )= 30cm LS= 37.8(0.01mm)
路面设计层厚度
H( 4 )=26.7 cm(仅考虑弯沉)
验算路面防冻厚度:路面最小防冻厚度50 cm。