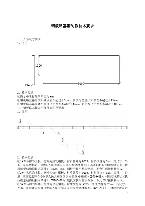
钢板路基箱制作技术要求
- 格式:doc
- 大小:3.68 MB
- 文档页数:9
浅析公路桥梁墩钢套箱施工技术1 工程概况临洪河大桥位于临洪闸下游140米处,连续跨越翻水河和临洪河,桥长1796米,该桥是310国道宋跳立交至大酒壶段的控制工程。
全桥横向由两幅桥组成,每幅宽12.5米,中央分隔带宽1m。
本标段起点里程为K2+667.798,终点里程为K4+463.66,全长1795.862m。
临洪河大桥第九联为跨越临洪河而设,设计为40+48+270+248m连续刚构。
第九联35#~37#墩位于临洪河内,下部结构主墩采用钢筋混凝土双薄壁墩,钻孔灌注桩基础。
主墩墩身为矩形截面,厚度为0.7m,宽度为6.5m 与上部结构固接。
主墩采用矩形承台,长8.9m,宽5.7m,厚度为2.5m,基桩为61.5m的钻孔灌注桩,桩基嵌岩。
2 施工工艺工艺流程:施工准备河床清基定位桩施工岸上组拼钢套箱钢套箱浮运下沉钢护筒安装钢套箱封底钻孔桩施工基坑抽水与处理桩头施工承台施工墩身。
3施工现场布置临洪河两岸河堤均有进场道路,可直接引入到桥位处;河两岸滩地可作为施工场地,用于材料的堆放、套箱的预拼、钢筋加工、码头、临时房屋等。
(1)临时房屋:为砖混结构,设置于西岸滩地靠近河堤侧,面积约500m2,主要作为水中桥墩施工队人员的生活用房和小型材料库。
(2)钢筋堆放和加工场,面积1000m2。
(3)临时码头:在临洪河岸边用55cm砼管桩和草袋进行护岸,作为临时码头,长50m。
55cm砼管桩单根长12m,入土不少于5m,间距1m。
(4)模板堆放区:3000m2。
(5)主桥35#~37#墩均位于河槽内,需在桥梁上游侧搭设钢栈桥,即从临洪河西岸至37#、36#墩设置一座栈桥,长96m;从东岸至35#墩设置一座栈桥,长56m。
4 钢套箱施工4.1定位桩安设为控制钢套箱下沉就位的精度,防止水流冲击使套箱发生位移,在钢套箱内侧设定位桩,定位桩用219钢管(内用砼填充),单根长14m,每个套箱8根。
施工方法:用地质钻机引孔,孔径220,入岩不少于3m,即从标高-6.5~9.5m。
钢板箱子制作方案一、背景介绍钢板箱子是一种常用的储物和运输工具,具有结实耐用、防潮防尘等特点,广泛应用于物流、货运和仓储等领域。
为了满足各种需求,我们提出了以下钢板箱子制作方案。
二、材料选择1. 钢板:选择优质的碳钢板,具有高强度和良好的耐候性能。
2. 涂层:使用防锈涂层进行表面处理,增强箱子的耐候性。
3. 螺栓和铆钉:选用高强度、耐腐蚀的螺栓和铆钉,确保箱子的结构稳固可靠。
三、设计方案1. 外观设计:考虑到箱子的美观性和实用性,采用坚固的矩形结构,尺寸根据需求确定,并在箱体四周设置背板和加强角,增加箱子的稳固性和承载能力。
2. 结构设计:采用可拆卸式结构,方便装卸和堆放,同时可以根据需要进行组合使用。
3. 门设计:采用双开门设计,提供便捷的操作空间和更好的人工使用体验。
4. 安全设计:设置可靠的锁扣和防盗措施,确保货物安全,同时增加箱子的密封性。
四、制作流程1. 材料准备:按照设计方案选择和准备所需的钢板、涂层、螺栓和铆钉等材料。
2. 切割:使用切割机将钢板按照尺寸要求进行切割。
3. 折弯:通过折弯机对钢板进行弯曲,形成箱体的各个面板。
4. 钻孔:使用钻孔机在面板上开孔,为后续的连接提供便利。
5. 组装:将各个面板按照设计要求进行组装,使用螺栓和铆钉连接固定。
6. 表面处理:对箱体进行清洁和喷涂处理,增加耐腐蚀性和美观度。
7. 完成检验:对制作完成的钢板箱子进行质量检验,确保符合要求。
五、质量控制1. 材料检查:对所采购的钢板及相关材料进行质量检查,确保符合标准。
2. 制作过程监控:在制作过程中进行严格的监控和检验,及时发现和纠正问题。
3. 完成品检验:对制作完成的钢板箱子进行全面检验,包括尺寸、结构、外观等方面的合格性。
六、应用领域和优势钢板箱子制作方案适用于以下领域:1. 物流和货运业:用于储存、运输和保护各类物品及货物。
2. 仓储业:用于仓库的货物储存和堆放。
3. 工业生产:用于工业部件、设备和工具等的保护和运输。
桥梁钢套箱施工工艺规程1.前言桥梁是公路和铁路运输的重要组成部分,为保障桥梁的安全和可靠性,桥梁的施工、维护和修复需要重视。
钢套箱是桥梁施工中一种常用的工法,本文将详细介绍桥梁钢套箱施工技术。
2.钢套箱的概念和分类钢套箱(也称为钢箱梁)是一种预制框架结构,由钢板焊接而成。
它通常用于各种类型的桥梁中,包括桥墩、桥面和桥面板等。
根据使用场景和作用,钢套箱可以分为跨越桥、通道桥、特殊桥和围堰等多种类型。
3.施工准备在开始施工前,必须进行充分的准备工作。
这包括:3.1施工图纸校对在施工图纸完成后,必须进行仔细的校对。
确认图纸中的尺寸、钢材的规格和焊缝位置等信息都正确。
3.2钢板的检查和清理检查钢板的表面是否平整、是否有毛刺和划痕。
同时,必须用铁刷和氢氧化钠清理掉钢板表面的锈蚀和杂物。
3.3钢板的切割和焊接根据施工图纸的要求,对钢板进行切割和焊接,保证套箱的外形和尺寸准确。
3.4施工现场的准备工作在施工现场,必须清理出施工区,并准备好吊装器材、工作平台和冷却水等配件。
4.施工工艺4.1现场加工钢套箱的制作需要进行现场加工。
首先,在现场预制好与桥墩或桥梁板相适应的钢套箱,然后将其拼合焊接成为一个整体。
拼接时,要求组合焊缝长度不小于600mm,单层焊道的长度不小于800mm,同时焊缝尽量做到平直、均匀。
4.2调整钢套箱的平整度焊接完成后,需要对其进行调整。
钢套箱的平整度应当符合施工图中的要求。
如有偏差,及时调整,保证其能够正确地嵌入到桥墩或梁板中。
4.3钢套箱的吊装和安装在调整完毕后,需要将套箱进行吊装。
吊装过程中,要注意保证箱子的平衡和安全,避免发生意外事故。
在箱子吊装到指定位置后,需要将其轻轻嵌入梁板/桥墩孔内,然后进行固定。
4.4焊接完成嵌入后,需要对钢套箱的接口进行焊接处理。
焊接时,必须保证焊缝卫宽和嵌合缝高度的内部间隙符合技术标准和施工图纸的设计要求,焊接质量达到国家标准和工艺要求。
4.5验收施工完成后,需要进行验收。
钢板路基箱实施方案钢板路基箱(也称为钢板桩箱、钢板路基模块)是一种用于路基加固和地基处理的模块化结构。
它由高强度钢板制成,具有较大的承载能力和稳定性,可以广泛应用于道路、桥梁、地铁、大型工程和临时施工等领域。
本文将就钢板路基箱的实施方案进行讨论,以期为相关领域的施工项目提供参考和建议。
一、项目准备在实施钢板路基箱之前,需进行项目准备工作。
首先,要进行现场勘测,确定路基的情况、地质条件及需求等。
其次,根据勘测结果制定设计方案,确定钢板路基箱的布置、数量、长度、厚度等参数。
最后,确定施工计划,包括施工序列、人员安排、机械设备准备等。
二、材料采购和准备钢板路基箱的材料主要是高强度钢板,应选择质量可靠、符合国家标准的产品。
在采购过程中,要注意及时与供应商沟通,确保材料的规格、数量和质量满足施工需要。
同时,要准备施工所需的其他材料和设备,如防护栏、桩基设备、电焊机等。
三、施工流程1. 清理和准备施工现场:清理施工区域的垃圾、杂物,并进行标记和划定施工区域。
2. 预埋设备:根据设计方案,预埋固定钢板路基箱的设备,如接头、角钢等。
3. 固定路基箱:将钢板路基箱按照设计方案进行拼合和组装,并用电焊或螺栓等方式进行固定,确保其稳定性和承载能力。
4. 施工检查和调整:对已固定的钢板路基箱进行检查,确保其水平、垂直和水平度等符合要求。
如有需要,进行调整和修正。
5. 边界处理:对钢板路基箱的边界进行加固,如设置桩基、挂钩等,以提高其整体稳定性和抗冲击能力。
6. 网络加固:根据需要,在钢板路基箱的上部设置网状加固结构,以提高其承载能力和抗压能力。
7. 施工记录和验收:施工过程中要及时记录施工情况、质量问题和安全事故等,并进行验收,确保施工质量和安全。
四、施工安全和环保措施在实施钢板路基箱的过程中,要注重施工安全和环保。
在施工现场设置警示标志、护栏和安全警戒线等,指导工人合理使用施工设备和材料。
同时,要严格控制施工噪音、扬尘、排水等对周边环境的影响,采取措施进行有效防护和防护。
钢边箱制作工艺钢边箱是一种常用于运输、存储及保护物品的器具,它的制作工艺是在钢板上进行剪切、折弯、角焊、气焊等多道工序的加工制作过程。
下面将详细介绍钢边箱的制作工艺。
1. 钣金材料的选择和准备钢边箱的制作材料一般为厚度在1-4mm的冷轧钢板,选材时需注意钢板表面的质量和平整度。
在准备工作中,需要根据制作图纸要求进行材料的加工、断板、打开减口,并进行精细度的折弯和孔位的设计,使其满足需求。
2. 钢板割裁与焊接根据钢边箱的制作图纸,工人将钢板按照要求进行精确地割裁并进行角焊,使得钢板的形状与设计要求一致。
同时,还要注意保证焊接质量,避免产生较大的气孔和裂纹等缺陷。
3. 钢板折弯在焊接后,需要对钢板进行折弯,这一步骤需要采用专业的折弯机器进行,以保证折弯的精确度和一致性。
在折弯过程中应注意不要造成钢板的变形和架构方向不一致等问题,保证整体的稳定性和美观度。
4. 孔位设计和钻孔在钢板折弯完成后,根据设计图纸需要,进行穿孔、铆钉、焊接脚轮等加工。
钻孔过程需注意保证准确度,有效控制钻孔直径误差,并对钻孔后的切口进行整理与打磨,防止切口出现毛刺。
5. 防锈处理钢边箱制作完成后还需对其进行防锈处理,如果不及时进行防锈处理,其表面将易受到氧化和腐蚀的影响。
在防锈处理过程中,先进行砂光处理,将表面的毛刺、垢迹等清理干净,然后喷涂专业的防腐漆、清漆等。
这样,可以延长钢边箱的使用寿命,提升其整体质量和耐磨性。
以上就是钢边箱制作工艺的详细介绍。
只有严格按照这些工艺步骤进行制作,才能保证钢边箱的质量,提高其使用寿命,并达到长期有效保护物品的目的。
1.9 钢箱梁制作1.9.1 适用范围适用于高速公路与城市桥梁的钢箱梁制作加工,其他公路桥梁钢箱梁制作也可参照执行。
1.9.2 施工准备1.9.2.1 技术准备1.详细审查设计加工图纸,进行制作方案设计。
2. 设计胎具施工图。
3. 由专门的测量人员根据胎具图的要求,进行测量放线。
做好详细的胎具测量记录,经质量部门认可后方能上胎具组装施工。
4. 进行加工制作技术交底。
1.9.2.2 材料要求1.钢材:品种、规格必须符合设计要求和国家现行标准的规定,有质量证明书、试验报告单,进场后做探伤试验,合格后方可使用。
2. 高强螺栓:螺栓的直径、强度必须符合设计要求和国家现行标准的规定,并有出厂质量证明书,在复试合格后方可使用。
3. 焊条、焊丝、焊剂:所有焊接用材料必须有出厂合格证,并与母材强度相适应,其质量应符合国家现行标准。
4. 油漆:品种、规格应符合设计图纸要求,并有出厂合格证。
5. 剪力钉:应有材料合格证,其质量应符合设计和国家现行标准有关规定。
1.9.2.3 机具设备机械:双梁桥式起重机、刨边机、摇臂钻、龙门剪、电焊机、卷板机、钢板清理机、切割机、超声波探伤仪、X射线探伤仪、空压机等。
1.9.2.4 作业条件1. 提供的技术文件、加工图必须齐全。
2. 原材料经复验合格后方可下料。
3. 必须具备胎具搭设及构件加工、存放的场地。
4. 操作人员已经过交底培训,持证上岗。
1.9.3 施工工艺1.9.3.1 工艺流程翼板、腹板、底板、横隔板、接口板放样→号料→切割→矫正→零部件成型→装配→结构板材焊接→剪力钉焊接→制孔→预拼装→喷砂、涂装1.9.3.2 操作工艺1. 翼板、腹板、底板、横隔板、接口板放样(1) 钢箱梁制作时应按1∶1放样,曲线桥放样时应注意内外环方向和钢箱梁中间的连接关系。
(2) 放样时应考虑到钢箱梁在长度和高度方向上的焊接收缩量。
(3) 根据各制作单元的施工图,严格按照坐标尺寸,确定其底板、腹板、横隔板、接口板的落料尺寸。
江苏标准钢带箱设计标准江苏标准钢带箱是一种常用的货物包装容器,具有结构牢固、承载能力强、使用寿命长的特点。
为了确保江苏标准钢带箱的设计与制造质量,提高其使用安全性和经济性,制定了江苏标准钢带箱设计标准。
一、设计要求。
1. 结构设计,江苏标准钢带箱的结构应符合相关国家标准,保证箱体承载能力和稳定性。
2. 尺寸设计,根据货物尺寸和重量确定标准钢带箱的尺寸,保证货物装载和运输的便利性。
3. 材料选用,选用高强度、耐腐蚀的钢材作为主要材料,确保箱体的使用寿命和安全性。
4. 防护设计,在设计过程中考虑防护装置,确保货物在运输过程中不受损坏。
二、制造要求。
1. 制造工艺,采用先进的焊接工艺,确保箱体的焊接牢固,无裂纹、气孔等缺陷。
2. 表面处理,对箱体表面进行防锈处理和喷涂,提高箱体的耐腐蚀能力。
3. 装配要求,各零部件装配精度高,确保箱体的密封性和稳定性。
三、质量检验。
1. 外观检验,对箱体外观进行检查,确保表面光滑、无明显划痕和变形。
2. 尺寸检验,对箱体尺寸进行测量,保证尺寸符合设计要求。
3. 功能检验,对箱体的承载能力进行测试,确保其符合设计要求。
四、使用要求。
1. 装载要求,在装载货物时,应按照设计要求进行,避免超载和不当装载造成的损坏。
2. 使用环境,在使用过程中,应避免长时间暴露在潮湿、腐蚀性环境中,影响箱体的使用寿命。
3. 维护保养,定期对箱体进行检查和维护,确保其使用安全和稳定性。
五、标识要求。
1. 标识清晰,箱体应有清晰的标识,包括生产厂家、型号、承载能力等信息。
2. 使用说明,在箱体上应有使用说明,提醒用户正确使用和维护箱体。
六、结论。
江苏标准钢带箱设计标准的制定,对于提高标准钢带箱的设计与制造质量,保障货物运输安全性和经济性具有重要意义。
制造企业应严格按照标准要求进行设计、制造和质量检验,用户在使用过程中也应按照标准要求进行操作,共同确保标准钢带箱的质量和安全性。
配电箱、开关箱箱体制作及安装要求
1、材质、规格
配电箱、开关箱应采用冷轧钢板或阻燃绝缘材料制作,钢板厚度为1.2~2.0mm,其中开关箱箱体钢板厚度不得小于1.2mm,配电箱箱体钢板厚度不得小于1.5mm。
箱体表面应做防腐处理。
统一刷桔黄色油漆。
不得采用木制配电箱。
2、安装要求
配电箱、开关箱应装设端正、牢固。
固定式配电箱、开关箱的中心点与地面的垂直距离应为1.4~1.6m。
活动式中心点与地面的垂直距离应为0.8~1.6m。
3、箱体外形结构和进出线要求
配电箱、开关箱中导线的进线口和出线口应设在箱体的下底面。
配电箱、开关箱的进、出线口应配置固定线卡,进出线应加绝缘护套并卡固在箱体上,不得与箱体直接接触。
移动式配电箱、开关箱的进、出线应采用橡皮护套绝缘电缆,不得有接头。
配电箱、开关箱的电源进线端严禁采用插头插座做活动连接。
配电箱、开关箱外形结构能防雨、防尘。
4、箱内电器元件设置
(1)电器元件要求:配电箱、开关箱内电器元件必须可靠、完好,严禁使用破损、不合格电器。
电器产品进场时必须审验生产(制造)许可证、产品合格证、产品说明书、出厂检验记录。
(2)安装要求:配电箱、开关箱内的电器(含插座)应先安装在金属或非木质阻燃绝缘电器安装板上,然后方可整体紧固在配电箱、开关箱箱体内。
金属电器安装板与金属箱体应做电气连接。
配电箱、开关箱内电器(含插座)应按其规定位置紧固在电器安装板上,不得歪斜和松动。
配电箱、开关箱的箱体尺寸应与箱内电器的数量和尺寸相适应,箱内电器安装板板面电器安装尺寸可按规范确定。
箱型基础构造要求是什么有哪些施工工艺
箱型基础是一种地基施工技术,主要应用于软弱地基上的高层、重型或对不均匀沉降有严格要求的建筑物。
作为一种特殊的工艺,必然有其特殊的要求:箱型基础构造要求是什么?有哪些施工工艺?
箱型基础的构造要求
1.箱型基础为避免基础出现过度倾斜,在平面布置上尽可能对称,以减少荷载的偏心距,偏心距一般不宜大于0.1ρ(ρ为基础底板面积抵抗矩对基础底面积之比)。
2.箱型基础高度一般取建筑物高度的1/8~1/12,同时不宜小于其长度的1/18。
3.底、顶板的厚度应满足柱或墙冲切验算要求,根据实际受力情况通过计算确定。
底板厚度一般取隔墙间距的1/10~1/8,约为30~100cm,顶板厚度约为20~40cm,内墙厚度不宜小于20cm,外墙厚度不应小于25cm。
4.基础混凝土标号不宜低于C20,抗渗标号不宜低于S6。
5.为保证箱型基础的整体刚度,对墙体的数量应有一定的限制,即平均每平方米基础面积上墙体长度不得小于40cm,
或墙体水准截面积不得小于基础面积的1/10,其中纵墙配置量不得小于墙体总配置量的3/5。
箱型基础施工工艺
(一)钢筋绑扎工艺流程
核对钢筋半成品——划钢筋位置线——绑扎基础钢筋(墙体、顶板钢筋)——预埋管线及铁件——垫好垫块及马凳铁——隐检
(二)范本安装工艺流程
确定组装范本方案——搭设内外支撑——安装内外范本(安装顶板范本)——预检
(三)砼工艺流程
搅拌砼——砼运输——浇筑砼——砼养护
每一种基础都有其特殊的构造工艺,都需要严格按工艺程序进行
施工。
箱型与筏形基础施工工艺要点与要求摘要:在支护结构施工与支护施工技术的配合作用下,保持工程深基坑良好的施工状况,在提高深基坑施工质量的同时为后续的施工作业顺利开展打下坚实基础。
因此,未来在工程深基坑施工中应关注其支护结构施工与支护施工技术的合理选择与使用,促使这类结构在工程深基坑施工中可发挥出应有的作用,并丰富施工方面的实践经验。
关键词:箱型;筏形;基础施工;要点;要求1.箱型与筏形基础施工桩筏基础是指当受地质或施工等条件限制,单桩的承载力不很高,而不得不满堂布桩或局部满堂布桩才足以支承建筑荷载时,通过整块钢筋混凝土板把柱、墙(筒)集中荷载分配给桩。
沿袭浅基础的习惯将这块板称为筏,故称这类基础为桩筏基础。
桩箱基础与桩筏基础类似。
它不仅仅是一块板,而是有底板、顶板、外墙和若干纵墙、内隔墙构成的空箱结构。
通过这个结构把上部荷载分配给桩。
由于其刚度很大,具有调整各桩受力和沉降的良好性能,因此在软弱地基上建造高层建筑时较多采用这种基础形式。
从定义上看,桩箱基础、桩筏基础具有相同的工作原理,只是箱基的刚度较筏基的刚度大。
因而,桩箱基础具有更好的调整各桩受力和沉降的良好性能。
由于桩箱、桩筏基础是由桩基、箱基(筏基)两种基础组成的一种混合基础,因而它兼有两种基础的优点。
所以可以说,桩箱(筏)基础是一种可以在适合桩基的地质条件下建造任何结构形式的高层建筑的“万能式桩基”。
2.箱形、筏形基础构造要求2.1桩顶嵌入箱基或筏基底板内的长度,对于大直径桩,不宜小于100mm;对于中小直径的桩不宜小于50mm。
2.2桩的纵向钢筋锚人箱基或筏基底板内的长度不宜小于钢筋直径的35倍,对于抗拔桩基不应小于钢筋直径的45倍。
2.3箱形基础的混凝土强度等级不应低于C20;桩箱、桩筏基础与筏形基础的混凝土强度等级不应低于C30;当采用防水混凝土时,防水混凝土的抗渗等级应根据地下水的最大水头与混凝土厚度的比值,其抗渗等级不应小于0.6MPa。
钢板路基箱实施方案钢板路基箱是一种用于临时或永久性道路修建的结构。
它们通常由钢板制成,可以用于支撑和加固道路表面,以便车辆和行人可以安全地通过。
在本文中,我们将讨论钢板路基箱的实施方案,包括设计、安装和维护。
1. 设计在设计钢板路基箱时,需要考虑道路的类型、交通量、土壤条件和气候等因素。
首先,工程师需要确定路基箱的尺寸和厚度,以确保它能够承受预期的荷载。
此外,还需要考虑路基箱的排水性能,以防止积水对道路的损坏。
2. 材料选择钢板路基箱通常由高强度钢制成,以确保其具有足够的承载能力和耐久性。
在选择材料时,需要考虑钢板的厚度、强度和防腐蚀性能。
此外,还需要选择适当的连接件和支撑结构,以确保路基箱能够稳固地安装在地面上。
3. 安装安装钢板路基箱时,需要先清理和平整道路表面,然后将钢板按照设计要求进行排列和连接。
在安装过程中,需要确保钢板之间的连接牢固,以防止它们在使用过程中移动或变形。
此外,还需要考虑路基箱的边缘处理,以确保它能够与道路表面无缝连接。
4. 维护一旦钢板路基箱安装完成,就需要进行定期的维护和检查。
这包括清理路基箱表面的杂物和积水,检查连接件和支撑结构的状况,以及修复任何损坏或腐蚀的部分。
此外,还需要定期检查路基箱的承载能力和排水性能,以确保它能够安全和有效地运行。
总结钢板路基箱是一种灵活、经济、耐用的道路修建结构,可以用于临时或永久性道路建设。
在实施钢板路基箱方案时,需要考虑设计、材料选择、安装和维护等因素,以确保它能够满足道路使用的要求。
通过合理的设计和正确的安装,钢板路基箱可以为道路用户提供安全、舒适的通行体验。
钢路基箱安装施工工艺流程下载温馨提示:该文档是我店铺精心编制而成,希望大家下载以后,能够帮助大家解决实际的问题。
文档下载后可定制随意修改,请根据实际需要进行相应的调整和使用,谢谢!并且,本店铺为大家提供各种各样类型的实用资料,如教育随笔、日记赏析、句子摘抄、古诗大全、经典美文、话题作文、工作总结、词语解析、文案摘录、其他资料等等,如想了解不同资料格式和写法,敬请关注!Download tips: This document is carefully compiled by theeditor. I hope that after you download them,they can help yousolve practical problems. The document can be customized andmodified after downloading,please adjust and use it according toactual needs, thank you!In addition, our shop provides you with various types ofpractical materials,such as educational essays, diaryappreciation,sentence excerpts,ancient poems,classic articles,topic composition,work summary,word parsing,copy excerpts,other materials and so on,want to know different data formats andwriting methods,please pay attention!钢路基箱安装施工工艺流程一、准备工作阶段在开始钢路基箱安装施工之前,需要进行充分的准备工作。
刚板及路基箱服务方案钢板路基箱,主要是由一骨架体组成,骨架体由纵向主筋骨架和横向骨架构成,骨架体的表面封有一花纹防滑钢板,反面则封有平板钢板,整体形成一箱体。
在填埋作也现场采用专用夹具,夹起钢板路基箱,一块块按序排列,构筑成临时道路,供车辆通行,其表面花纹板面可防滑,在作业过程中,作业卸点需随着作业面的延伸不断移动,在专用夹具的帮助下,其能解决这个问题,不仅可重复使用,而且不占用库容。
生活垃圾填埋场钢板路基箱制作工艺为:筋框采用18#槽钢,中间隔框,接缝处满焊,面板为12mm厚钢板,与l8#槽钢隔框处满焊,底板为6mm 厚钢板,开口与隔框处满焊,面板、底板、外框圈为满焊,而板上加装防滑条14根,与面板形成牢固的间接焊接,然后安装吊耳,进行整体打磨、油漆。
由于车辆无法直接在垃圾堆上卸料,即使铺设了钢板路基箱,由于地基承载力大小不均,也会导致车辆地盘损坏,一旦遇到雨季,车辆顶泵时车身扭曲,容易出现侧翻现象。
为保证垃圾卸料的安全、稳定、有序运转,需配套制作卸料平台。
根据填埋作业现场的实际运行情况,采用5m×4m×3块的制作工艺,材料与路基箱材料相同,为了吊运移动方便,在平台上设计了若干组拖环,并且在两块之间设置链接铰链,又增加平台的稳定性。
同时在平台的卸料顶端及两侧均设止轮坎,以防止因驾驶员操作失误而产生倾翻事故,并且在平台面板上加焊V型防滑条,防止车辆轮胎打滑。
二、使用钢板路基箱的好处1、代替道砟的使用,节约库容。
生活垃圾填埋场使用6m×1.5m 钢板路基箱,增大与垃圾直接接触面积,垃圾承载力也明显上升,解决了车辆进入填埋场的问题。
铺设时采用专用夹具夹起钢板路基箱,以先后顺序排列。
2、从可持续发展角度来看,钢板路基箱是种可持续产品,钢板使用过后,进行一定维护、修复可重复利用,待使用年限过后,还可回收再利用,减小能源的消耗率。
3、从美化环境角度看,钢板路基箱的启用,改变了以往一边作业,一边开山的作业模式,现在可以将精力全部投入作业上来,不仅可以不必为到处找不到道砟“发愁”,同时也大大改善了库区凌乱不堪的场景,钢板路基箱的启用,既能够使垃圾车辆按顺序倾倒,又能使作业推土机实现车倾机推,忙而不乱,有条不紊的作业方式大大提升了作业效率。
钢箱梁加工工艺生产30米×2.7米钢箱梁须符合城市人行天桥的设计要求,钢箱梁分为三段,每节为10米一段。
按图纸设计总说明的进行工艺安排,及公路路钢箱梁验收标准及质量、安全技术规程、相关规范、标准。
一、钢箱梁加工质量要求1、材料:加工钢箱梁的型材、板材一律按要求使用国标钢材,均采用Q235B。
2、加工制作工艺:2-1号料1、号料前要对材料做化学分析、力学性能复检。
2、工件翼板及腹板下料前要号料,允许偏差:(1)平行线距离与分段尺寸±0.5mm(2)对角线差±1mm(3)宽及长度±0.5mm(4)孔位置±1mm2-2下料。
1、由于翼板是曲型所以在下料之前必须先制作胎具,使所有的翼板与腹板下料在用半自动切割机下料时达到图纸的设计要求,切缝要垂直,不得出现锯齿状,切割边并与板面垂直。
2、切割边要用砂轮机磨平,熔渣和切割遗留物要清理干净。
3、下料公差允许见图如下,(1)零件宽度、长度±3mm(2)切割平面度±2mm(3)割纹深度±0.3mm(4)局部缺口深度±1mm3、打坡口、喷砂除锈1、所有的腹板均用半自动切割机打35°K型坡口如图:2、打坡口后要用砂轮机磨平,不得有氧化皮、熔渣及其它污物。
3、在下料完后必须先喷砂除锈,将钢板表面的氧化皮打掉,然后开始划线组对。
4、焊接。
1、主梁的腹板与翼板组对采用自动埋弧焊和CO2保护焊,一、为了减少变形提高功效。
二、是为了保证焊缝高度和外观质量;系杆与斜支撑均采用手工焊,焊缝高度要求8-10mm。
2、采用J422焊条和H08A焊丝和相匹配的焊剂;3、焊接是要用适当的电流,不能过大以防变形;4、焊接要求不得出现气孔、夹渣、断焊、咬肉,偏弧等现象;5、焊工字钢两端必须有80mm以上引弧板,并且焊角要超出工件10-15mm,引弧板要气割掉并磨平,且不能锤击。
6、腹板与翼板接完成后要按《钢结构工程施工质量验收规范》GB50205——2001;要求进行无损抽检,合格后进行下道工序。
钢结构斜坡路基箱施工技术摘要:针对广东(潭洲)国际会展中心二期及配套项目Ⅰ包的履带吊行走路线上板面高低差问题,采用了型钢斜坡路基箱施工技术。
主要介绍行走路线上的处理方式、对行走路线板面进行复核、对型钢斜坡路基箱的受力进行分析。
关键词:板面;高低差;型钢;斜坡;路基箱1 工程概况广东(潭洲)国际会展中心二期及配套项目Ⅰ包位于广东省佛山市北滘镇,建筑面积14.12万平方米,其定位为集展览中心、会议中心、商务中心和接待中心于一体的复合功能区中的核心场馆,钢结构总用钢量约2.7万吨。
展馆建筑高度为21.43m,跨度为72m;中庭连接两端登录厅,南北向长度376.1m、东西向跨度40m,建筑最顶高度为33m。
2 履带吊行走路线高低差情况简介本工程中庭南北对称,施工过程中两台履带吊行走以中庭一区与中庭二区管沟处为界,450t履带吊往南行走、300t履带吊往北行走,行走道路宽12m,具体如图1所示。
图1 中庭履带吊行走道路布置其次,中庭混凝土路面存在较多高差部位,高差分别为0.95m、0.7m、0.65m、0.25m,为满足履带吊行走需求,考虑在≥0.65m的较大高差台阶处采取设置10°型钢斜坡路基箱处理,路基箱底部铺设钢板进行荷载分散,同时在履带吊行走轨迹上铺设路基箱,以达到履带吊正常通行的目的,具体如下图2所示:结构高低差示意1结构高低差示意2图2 结构高低差3 高低差路面处理方案比选根据上述表格的比较分析,最终确认采用方案三,即型钢斜坡路基箱。
4 型钢斜坡路基箱设计型钢斜坡路基箱采用H型钢和钢板组合制作,材质为Q235,钢板规格为PL20mm,构造如下图3所示:图3 型钢斜坡路基箱构造5 路基箱验算选用最不利的工况进行验算:QUY450T履带吊,高低差距离为0.95m。
根据QUY450T履带吊厂家提供的使用说明书,对各种工况进行分析,详见图4所示:图4 履带吊工况分析图根据上述参数,正方吊装最大轮压600kN/m2,侧方吊装一侧最大轮压340kN/m2。
钢板路基箱实施方案
钢板路基箱是一种在道路基础工程中常用的材料,它具有强度高、
稳定性好、施工方便等优点,因此在道路建设中得到了广泛的应用。
为了保证钢板路基箱的实施效果和施工质量,我们需要制定一套科
学合理的实施方案。
首先,我们需要进行现场勘察和测量,了解道路的地形、土质等情况,为后续的施工提供准确的数据支持。
在勘察和测量的过程中,
需要严格按照相关规范和标准进行操作,确保数据的准确性和可靠性。
其次,根据勘察和测量的结果,制定钢板路基箱的布设方案。
在布
设方案中,需要考虑道路的荷载情况、交通流量、地质条件等因素,合理确定钢板路基箱的尺寸、数量和布设位置,确保其能够承受道
路的荷载并保持道路的稳定性。
接下来是钢板路基箱的施工工艺。
在施工过程中,需要严格按照工
艺要求进行操作,确保施工质量。
首先是基础处理,根据实际情况
进行基础的打磨、清理和处理,保证基础的平整和稳固。
然后是钢
板路基箱的安装,需要根据布设方案进行精确的安装,保证钢板路
基箱的稳定性和连接的牢固性。
最后是填充和压实,需要选择合适
的填充材料,并采用科学的压实方法,确保钢板路基箱的承载能力和稳定性。
最后是验收和监测。
在施工完成后,需要对钢板路基箱进行验收,确保施工质量符合要求。
同时需要进行定期的监测,及时发现和处理问题,保证钢板路基箱的使用效果和安全性。
综上所述,钢板路基箱的实施方案包括现场勘察和测量、布设方案制定、施工工艺和验收监测等环节。
通过科学合理的实施方案,可以保证钢板路基箱在道路建设中的有效应用,为道路的稳定性和安全性提供保障。