各类塔吊型号及主要参数表之欧阳歌谷创作
- 格式:doc
- 大小:115.01 KB
- 文档页数:3
1#塔吊型号:QTZ80(TC6013),塔吊起升高度H:150.00m,塔身宽度B:1.8m,基础埋深d:0.25m,自重G:1083kN,基础承台厚度hc:1.35m,最大起重荷载Q:80kN,基础承台宽度Bc:5.50m,混凝土强度等级:C35,钢筋级别:HRB335,基础底面配筋直径:22mm额定起重力矩Me:800kN·m,基础所受的水平力P:0kN,标准节长度b:2.8m,主弦杆材料:角钢/方钢, 宽度/直径c:12mm,所处城市:广东惠阳,基本风压ω0:0.7kN/m2,地面粗糙度类别:A类近海或湖岸区,风荷载高度变化系数μz:2.64 。
2#塔吊型号:QZT80(TC5616),塔吊起升高度H:150.00m,塔身宽度B:1.8m,基础埋深d:1.00m,自重G:646.7kN,基础承台厚度hc:1.35m,最大起重荷载Q:60kN,基础承台宽度Bc:5.50m,混凝土强度等级:C40,钢筋级别:HRB335,基础底面配筋直径:25mm额定起重力矩Me:800kN·m,基础所受的水平力P:0kN,标准节长度b:2.8m,主弦杆材料:角钢/方钢, 宽度/直径c:10mm,所处城市:广东惠阳,基本风压ω0:0.7kN/m2,地面粗糙度类别:A类近海或湖岸区,风荷载高度变化系数μz:2.64 。
3#塔吊型号:QZT80(5515),塔吊起升高度H:150.00m,塔身宽度B:1.8m,基础埋深d:0.27m,自重G:607.1kN,基础承台厚度hc:1.50m,最大起重荷载Q:60kN,基础承台宽度Bc:5.50m,混凝土强度等级:C40,钢筋级别:HRB335,基础底面配筋直径:20mm额定起重力矩Me:800kN·m,标准节长度b:2.8m,主弦杆材料:角钢/方钢, 宽度/直径c:10mm,所处城市:广东惠阳,基本风压ω0:0.7kN/m2,地面粗糙度类别:A类近海或湖岸区,风荷载高度变化系数μz:2.64 。
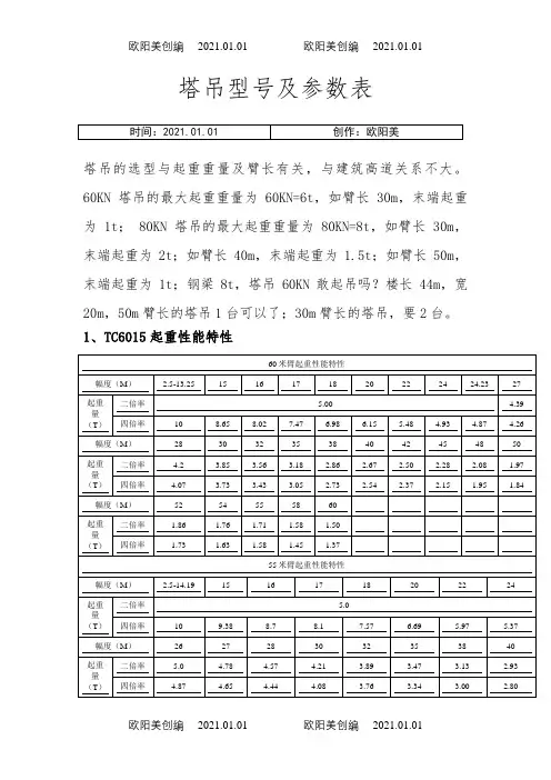
塔吊型号及参数收集QTZ40额定起重力矩400KN.m最大起重量4t最大工作幅度42/46.8/50m独立式高度29m附着式高度120m起升速度7/40/60m/min回转速度0.37/0.73r/min变幅速度22/33m/min顶升速度0.6 m/min平衡重5 6.5 t塔机自重23.5 26.16t电源380V,50Hz工作温度-20~+40℃QTZ63额定起重力矩630KN.m最大起重量6t最大工作幅度50|45m独立式高度40m附着式高度140m起升速度7/32/64m/min回转速度0.4/0.6r/min变幅速度20/40m/min顶升速度0.4m/min平衡重12|11t塔机自重42.3t电源380V,50Hz工作温度-12~+40℃QTZ80公称起重力矩800 KN.m最大起重量6t 8 t工作幅度56 m独立式高度45 m附着式高度180 m起升速度7/32/64 0~40/80m/min回转速度0~0.6 r/min变幅速度8/27/54 0~42(8/27/54)m/min塔机自重(独立式)61.95 t平衡重15.55 t工作环境温度-20~+40℃QTZ125公称起重力矩1250 KN.m最大起重量8 t最大幅度处额定起重量 1.5 t工作幅度60 m独立式高度50 m附着式高度163 m起升速度2倍率100 2t m/min4倍率50 4t m/min 回转速度0~0.6 r/min变幅速度8.8/29.3/68.6 m/min最大回转半径62 m尾部回转半径17 m结构自重(独立式)48.8 t平衡重14.5 t整机重(独立式)63.3 t最大工作风速20 m/s顶升操作风速(不大于)13 m/s工作环境温度-20~+40 ℃QTZ160公称起重力矩1600 KN.m最大起重量10 t最大幅度处额定起重量 2.1 t工作幅度60 m独立式高度59.5 m附着式高度201 m起升速度2倍率0~100 m/min4倍率0~50 m/min回转速度0~0.6 r/min变幅速度0~60 m/min最大回转半径65 m尾部回转半径17 m结构自重(独立式)75 t平衡重22 t整机重(独立式)97 t最大工作风速20 m/s顶升操作风速(不大于)13 m/s工作环境温度-20~+40 ℃SC200/200施工升降机,采用齿轮齿条啮合,外置式,三传动,额定载荷2吨,额定提升高度150米的施工升降机,稍作改动即可成2吨单吊笼施工升降机。
QTZ31.5塔吊型号主要特点:1.该塔机荣获建设部最新科研成果科技进步三等奖;2.40m的超长臂架,国内首创的单吊点、变截面、变模数设计;3.全新概念的封闭式踏步与滑插式顶升横梁,从根本上解决了接高与降塔的安全问题;4.定位准确的机构运动限位,高重复精度的力矩、起重量限制器;5.独特可靠的小车防断轴装置和小车防断绳安全装置;6.使用性能大部分超过国家标准,整机性能居全国同型号产品之上;7.结构件全部采用CO2气体保护焊接,强度高;8.框式底梁备有整体式基础,十字底梁备有整体式和压重式两种基础供选用。
欧阳歌谷(2021.02.01)QTZ31.5塔吊型号性能参数表40塔吊型号性能参数表QTZ50塔吊型号性能参数表63塔吊型号性能参数表63塔共四个型号除上述两种外,还有5510、5511 QTZ80塔吊型号性能参数表还有5512QTZ125塔吊型号性能参数表塔吊的型号和规格即参数D1100型最大起重量:63T;最大臂长/最大起重量:80M/9.5T; 起升高度:220M。
M600D型最大起重量:32T/22.5M;最大臂长/最大起重量:45.8M/14.5T ; 起升高度:52-95.6M;内爬250/500M。
M125/75型最大起重量:50T;最大臂长/最大起重量:70M/8.5T ; 起升高度:90M。
K80/115型最大起重量:32T;最大臂长/最大起重量:70M/11.5T ; 起升高度:105.6M。
MC480M25型最大起重量:25T;最大臂长/最大起重量:74.9M/3T ; 起升高度:80M。
K50/50型、C7050型、C7050B型最大起重量:20T;起升高度(固定/行走):78.4M/79.7M;最大臂长/最大起重量:70M/5T。
STT293型最大起重量:18T;最大臂长/最大起重量:74M/2.7T 。
QTZ7520型最大起重量:16T;最大臂长/最大起重量:75M/2T 。
各种型号的塔吊参数QTZ40额定起重力矩400KN.m最大起重量4t最大工作幅度42 | 46.8 | 50m独立式高度29m附着式高度120m起升速度7/40/60m/min回转速度0.37/0.73r/min变幅速度22/33m/min顶升速度0.6 m/min平衡重5 | 6.5 t塔机自重23.5 | 26.16t电源380V,50Hz工作温度-20~+40℃QTZ63额定起重力矩630KN.m最大起重量6t最大工作幅度50 |45m独立式高度40m附着式高度140m起升速度7/32/64m/min回转速度0.4/0.6r/min变幅速度20/40m/min顶升速度0.4m/min平衡重12 |11t塔机自重42.3t电源380V,50Hz工作温度-12~+40℃QTZ80公称起重力矩 800 KN.m最大起重量 6t 8 t工作幅度 56 m独立式高度 45 m附着式高度 180 m起升速度 7/32/64 0~40/80m/min回转速度 0~0.6 r/min变幅速度 8/27/54 0~42(8/27/54)m/min塔机自重(独立式) 61.95 t平衡重 15.55 t工作环境温度 -20~+40℃原装日本"安川"变频器.法国施耐德接触器.长江航运集团电机带风机. QTZ125公称起重力矩 1250 KN.m最大起重量 8 t最大幅度处额定起重量 1.5 t工作幅度 60 m独立式高度 50 m附着式高度 163 m起升速度2倍率 100 2t m/min4倍率 50 4t m/min回转速度 0~0.6 r/min变幅速度 8.8/29.3/68.6 m/min 最大回转半径 62 m尾部回转半径 17 m结构自重(独立式) 48.8 t平衡重 14.5 t整机重(独立式) 63.3 t最大工作风速 20 m/s顶升操作风速(不大于) 13 m/s 工作环境温度 -20~+40 ℃QTZ160公称起重力矩 1600 KN.m最大起重量 10 t最大幅度处额定起重量 2.1 t工作幅度 60 m独立式高度 59.5 m附着式高度 201 m起升速度2倍率 0~100 m/min4倍率 0~50 m/min回转速度 0~0.6 r/min变幅速度 0~60 m/min最大回转半径 65 m尾部回转半径 17 m结构自重(独立式) 75 t平衡重 22 t整机重(独立式) 97 t最大工作风速 20 m/s顶升操作风速(不大于) 13 m/s工作环境温度 -20~+40 ℃SC200/200施工升降机,采用齿轮齿条啮合,外置式,三传动,额定载荷2吨,额定提升高度150米的施工升降机,稍作改动即可成2吨单吊笼施工升降机。
产品介绍江苏正和达丰机械租赁有限公司目录一、平臂式系列: (4)1、平臂式: STT1183(64T) (4)2、平臂式:STT983 (50T) (5)3、平臂式:STT753 (40/32T) (6)4、平臂式:STT553 (24/20/18T) (12)5、平臂式:STT403 (24/20/18T) (19)6、平臂式:STT293 (18/16/12T) (23)7、平臂式:STT253 (10/12/16T) (29)8、平臂式:STT200 (12/10T) (31)9、平臂式:STT153 (8T) (35)10、平臂式:ST5515B (8/6T) (38)11、平臂式:STT133 (6T) (41)12、平臂式:STT113 (6T) (42)二、塔帽系列: (43)1、塔帽式:ST10000(200T) (43)2、塔帽式:ST800 (200T) (44)3、塔帽式:STT5000 (150T) (44)4、塔帽式:ST3000 (64/150T) (45)5、塔帽式:ST2000(64/100T) (46)6、塔帽式:ST80/238(64/80T) (47)7、塔帽式:ST80/160(64T) (49)8、塔帽式:ST80/116(40/50/64T) (50)9、塔帽式:ST80/75(32/40/50T) (52)10、塔帽式:ST80/60(25/32/40T) (55)12、塔帽式:ST70/50(20T) (59)13、塔帽式:ST75/32(12/16T) (63)14、塔帽式:ST70/32(12/16T) (67)15、塔帽式:ST70/27(16T) (69)16、塔帽式:ST70/30(12T) (72)17、塔帽式:H3/36B(12T) (75)18、塔帽式:ST65/28(10/12T) (78)19、塔帽式:ST65/20(10T) (80)20、塔帽式:ST60/23(10T) (81)21、塔帽式:ST60/15 (10T) (84)22、塔帽式:FO/23B(10T) (87)23、塔帽式:ST55/13(6T) (90)三、动臂式系列: (94)1、动臂式:STL2400(100T) (94)2、动臂式:STL1200 (64T) (94)3、动臂式:STL1000(50T) (95)4、动臂式:STL720 (32/50T) (97)5、动臂式:STL660 (50T) (100)6、动臂式:STL530 (32/50T) (100)7、动臂式:STL420 (24T) (103)8、动臂式:STL420 (25T) (105)9、动臂式:STL330 (12/18T) (106)10、动臂式:STL230 (12/16T/18T) (108)11、动臂式:STL203C(10/12T) (110)13、动臂式:STL120(6/8T) (114)四、便携系列: (116)1、便携式:QD16(16T) (116)2、便携式:WQ16(16T) (117)3、便携式:QD12(12T) (118)4、便携式:QD10A(8T) (119)5、便携式:QD10(10T) (120)6、便携式:QD8(8T) (121)一、平臂式系列:1、平臂式: STT1183(64t)基本参数:塔身截面:2.7m³2.7m;底架(行走): 10m³10m;自由高度:最大自由高度61.4m;塔吊电网参数:电源380V(±5﹪) 50Hz/60Hz ;电容量450KW起重性能表:主要性能参数:2、平臂式:STT983 (50t)基本参数:塔身截面2.7³2.7m塔身主要构件:标准节4m 底架(行走):10³10m自由高度:最大自由高度61.4m塔吊电网参数:电源380V(±5﹪) 50Hz/60Hz 电容量320KW主要性能参数:3、平臂式:STT753 (40/32t)基本参数:基本参数:4、平臂式:STT553 (24/20/18t)基本参数:基本参数:5、平臂式:STT403 (24/20/18t)基本参数:6、平臂式:STT293 (18/16/12t)基本参数:7、平臂式:STT253 (10/12/16t)基本参数:塔身截面 2³2m塔身主要构件:标准节3m 底架(行走)6³6m自由高度:最大自由高度50.7m塔吊电网参数:电源380V(±5﹪) 50Hz/60Hz电容量37SWR25,55RCS25,45LFV25B:90KW 70RCS40:105KW70RCS30,55LFV25,55LFV30,55LFV30B:110KW75LFV30,75LFV40:140KW主要性能参数:8、平臂式:STT200 (12/10t)基本参数:9、平臂式:STT153 (8t)基本参数:10、平臂式:ST5515B (8/6t)基本参数:主要性能参数:ST55/15各部件尺寸及重量(数据仅供参考)11、平臂式:STT133 (6t)基本参数:塔身截面 1.6³1.6m 塔身主要构件:标准节3m 底架(行走)4.5³4.5m 自由高度:最大自由高度40.9m塔吊电网参数:电源380V(±5﹪) 50Hz/60Hz 电容量:50kw12、平臂式:STT113 (6t)基本参数:塔身截面 1.2³1.2m 1.6³1.6m塔身主要构件:标准节3m 底架(行走)4.5³4.5m自由高度:最大自由高度40.7m塔吊电网参数:电源380V(±5﹪) 50Hz/60Hz 电容量:50kw二、塔帽系列:1、塔帽式:ST10000(200t)基本参数:塔身截面 10³10m塔身主要构件:标准节6m自由高度:最大自由高度117m2、塔帽式:ST800 (200t)基本参数:塔身截面 10³10m塔身主要构件:标准节6m自由高度:最大自由高度117m3、塔帽式:STT5000 (150t)基本参数:塔身截面 6.2³6.2m塔身主要构件:标准节5.7m 自由高度:最大自由高度68.3m4、塔帽式:ST3000 (64/150t)基本参数:塔身截面 6.2³6.2m 塔身主要构件:标准节5.7m自由高度:最大自由高度79.7m塔吊电网参数:电源380V(±5﹪) 50Hz/60Hz 电容量:360kw主要性能参数5、塔帽式:ST2000(64/100t)基本参数:塔身截面 6.2³6.2m 塔身主要构件:标准节5.7m自由高度:最大自由高度79.7m塔吊电网参数:电源380V(±5﹪) 50Hz/60Hz 电容量:360kw 起重性能表:(64t)6、塔帽式:ST80/238(64/80t)基本参数:塔身截面 5.5³5.5m塔身主要构件:标准节5.8m 底架(行走)10³10m 15³15m自由高度:最大自由高度105.1m塔吊电网参数:电源380V(±5﹪) 50Hz/60Hz电容量:150LFV200B:370kw 160LFV160B:380KW7、塔帽式:ST80/160(64t)基本参数:塔身截面 5.5³5.5m塔身主要构件:标准节5.8m 底架(行走)10³10m 15³15m 自由高度:最大自由高度105.1m塔吊电网参数:电源380V(±5﹪) 50Hz/60Hz 电容量:460kw。
最新总结各种型号的塔吊参数塔吊是一种用于吊装和搬运重型物品的设备,广泛应用于建筑施工和工业生产等领域。
根据其结构和性能的不同,塔吊可分为多种不同型号。
下面将总结一些常见的塔吊型号及其参数。
1.平头塔吊平头塔吊是一种常见的塔吊型号,其特点是塔吊顶部安装有横梁,形状呈平面状,适用于各种不同的施工场地。
该型号的塔吊一般具有以下参数:-提升重量:一般在1-32吨之间。
-最大起重力矩:通常在20-315吨米之间。
-最大工作半径:一般在30-80米之间。
-最大升降高度:一般在30-120米之间。
-提升速度:通常在30-70米/分钟之间。
-旋转角度:一般360度无死角。
2.塔式起重机塔式起重机是一种大型塔吊,其特点是结构稳定,悬臂式吊臂的伸缩灵活,适用于建筑高层及大型设备安装等场合。
该型号的塔吊一般具有以下参数:-提升重量:通常在4-64吨之间。
-最大起重力矩:一般在80-1600吨米之间。
-最大工作半径:通常在40-85米之间。
-最大升降高度:一般在30-180米之间。
-提升速度:一般在8-80米/分钟之间。
-旋转角度:一般360度无死角。
3.履带式塔吊履带式塔吊是一种移动式塔吊,采用履带底座,适用于较大的施工工地和场地狭小的地方。
该型号的塔吊一般具有以下参数:-提升重量:通常在6-48吨之间。
-最大起重力矩:一般在250-1600吨米之间。
-最大工作半径:一般在50-85米之间。
-最大升降高度:一般在30-150米之间。
-提升速度:一般在7-60米/分钟之间。
-旋转角度:一般360度无死角。
4.平臂塔吊平臂塔吊是一种小型塔吊,具有结构简单、安装方便的特点,适用于小型建筑施工和工业生产等领域。
该型号的塔吊一般具有以下参数:-提升重量:通常在1-6吨之间。
-最大起重力矩:一般在10-60吨米之间。
-最大工作半径:一般在20-40米之间。
-最大升降高度:一般在20-60米之间。
-提升速度:一般在25-60米/分钟之间。
QTZ31。
5塔吊型号主要特点:1。
该塔机荣获建设部最新科研成果科技进步三等奖;2.40m的超长臂架,国内首创的单吊点、变截面、变模数设计;3。
全新概念的封闭式踏步与滑插式顶升横梁,从根本上解决了接高与降塔的安全问题;4.定位准确的机构运动限位,高重复精度的力矩、起重量限制器;5。
独特可靠的小车防断轴装置和小车防断绳安全装置;6。
使用性能大部分超过国家标准,整机性能居全国同型号产品之上;7.结构件全部采用CO2气体保护焊接,强度高;8.框式底梁备有整体式基础,十字底梁备有整体式和压重式两种基础供选用.QTZ31.5塔吊型号性能参数表40塔吊型号性能参数表QTZ50塔吊型号性能参数表63塔吊型号性能参数表63塔共四个型号除上述两种外,还有5510、5511 QTZ80塔吊型号性能参数表还有5512QTZ125塔吊型号性能参数表塔吊的型号和规格即参数D1100型最大起重量:63T;最大臂长/最大起重量:80M/9.5T; 起升高度:220M。
M600D型最大起重量:32T/22。
5M;最大臂长/最大起重量:45.8M/14.5T ;起升高度:52-95.6M;内爬250/500M.M125/75型最大起重量:50T;最大臂长/最大起重量:70M/8.5T ;起升高度:90M.K80/115型最大起重量:32T;最大臂长/最大起重量:70M/11.5T ;起升高度:105.6M。
MC480M25型最大起重量:25T;最大臂长/最大起重量:74。
9M/3T ;起升高度:80M.K50/50型、C7050型、C7050B型最大起重量:20T;起升高度(固定/行走):78。
4M/79.7M;最大臂长/最大起重量:70M/5T。
STT293型最大起重量:18T;最大臂长/最大起重量:74M/2。
7T 。
QTZ7520型最大起重量:16T;最大臂长/最大起重量:75M/2T 。
ST7022型、ST7027型、HK40/27型、ST7030型、MC30012型最大起重量:12-16T;最大臂长/最大起重量70M/2。
塔吊型号性能参数表 Document serial number【UU89WT-UU98YT-UU8CB-UUUT-UUT108】塔吊型号主要特点:1.该塔机荣获建设部最新科研成果科技进步三等奖;的超长臂架,国内首创的单吊点、变截面、变模数设计;3.全新概念的封闭式踏步与滑插式顶升横梁,从根本上解决了接高与降塔的安全问题;4.定位准确的机构运动限位,高重复精度的力矩、起重量限制器;5.独特可靠的小车防断轴装置和小车防断绳安全装置;6.使用性能大部分超过国家标准,整机性能居全国同型号产品之上;7.结构件全部采用C O2气体保护焊接,强度高;8.框式底梁备有整体式基础,十字底梁备有整体式和压重式两种基础供选用。
塔吊型号性能参数表40塔吊型号性能参数表QTZ50塔吊型号性能参数表63塔吊型号性能参数表63塔共四个型号除上述两种外,还有5510、5511QTZ80塔吊型号性能参数表还有5512QTZ125塔吊型号性能参数表塔吊的型号和规格即参数D1100型最大起重量:63T;最大臂长/最大起重量:80M/; 起升高度:220M。
M600D型最大起重量:32T/;最大臂长/最大起重量: ; 起升高度:;内爬250/500M。
M125/75型最大起重量:50T;最大臂长/最大起重量:70M/ ; 起升高度:90M。
K80/115型最大起重量:32T;最大臂长/最大起重量:70M/ ; 起升高度:。
MC480M25型最大起重量:25T;最大臂长/最大起重量:3T ; 起升高度:80M。
K50/50型、C7050型、C7050B型最大起重量:20T;起升高度(固定/行走):;最大臂长/最大起重量:70M/5T。
STT293型最大起重量:18T;最大臂长/最大起重量:74M/ 。
QTZ7520型最大起重量:16T;最大臂长/最大起重量:75M/2T 。
ST7022型、ST7027型、HK40/27型、ST7030型、MC30012型最大起重量:12-16T;最大臂长/最大起重量70M/、、。
塔吊型号性能参数表Company Document number:WTUT-WT88Y-W8BBGB-BWYTT-19998塔吊型号主要特点:1.该塔机荣获建设部最新科研成果科技进步三等奖;的超长臂架,国内首创的单吊点、变截面、变模数设计;3.全新概念的封闭式踏步与滑插式顶升横梁,从根本上解决了接高与降塔的安全问题;4.定位准确的机构运动限位,高重复精度的力矩、起重量限制器;5.独特可靠的小车防断轴装置和小车防断绳安全装置;6.使用性能大部分超过国家标准,整机性能居全国同型号产品之上;7.结构件全部采用CO2气体保护焊接,强度高;8.框式底梁备有整体式基础,十字底梁备有整体式和压重式两种基础供选用。
塔吊型号性能参数表40塔吊型号性能参数表QTZ50塔吊型号性能参数表63塔吊型号性能参数表63塔共四个型号除上述两种外,还有5510、5511 QTZ80塔吊型号性能参数表还有5512QTZ125塔吊型号性能参数表塔吊的型号和规格即参数D1100型最大起重量:63T;最大臂长/最大起重量:80M/; 起升高度:220M。
M600D型最大起重量:32T/;最大臂长/最大起重量: ; 起升高度:;内爬250/500M。
M125/75型最大起重量:50T;最大臂长/最大起重量:70M/ ; 起升高度:90M。
K80/115型最大起重量:32T;最大臂长/最大起重量:70M/ ; 起升高度:。
MC480M25型最大起重量:25T;最大臂长/最大起重量:3T ; 起升高度:80M。
K50/50型、C7050型、C7050B型最大起重量:20T;起升高度(固定/行走):;最大臂长/最大起重量:70M/5T。
STT293型最大起重量:18T;最大臂长/最大起重量:74M/ 。
QTZ7520型最大起重量:16T;最大臂长/最大起重量:75M/2T 。
ST7022型、ST7027型、HK40/27型、ST7030型、MC30012型最大起重量:12-16T;最大臂长/最大起重量70M/、、。
塔吊垂直度观测记录表欧阳歌谷(2021.02.01)施工单位:中建八局第二建设有限公司工程名称塔吊编号1#塔吊塔吊高度(H/m)观测点布置简图:说明:在空载,风速不大于3m∕s状态下,独立状态(或附着状态下最高附点以上)塔身轴心线对支承面垂直度≤4∕1000;附着状态下最高附着点一下塔身轴心线对支承面垂直度≤2∕1000。
观测点编号观测日期垂直偏差角度计算偏差值备注12121211212编制:测量:记录:塔吊垂直度观测记录表施工单位:中国对外建设总公司编号:ZWJ-YT-CZ-001工程名称北海银滩一号·会展中心测量仪器型号塔吊位置施工现场东南面1#塔吊塔吊高度(H/m)观测点布置简图:说明:在空载,风速不大于3m∕s状态下,独立状态(或附着状态下最高附点以上)塔身轴心线对支承面垂直度≤4∕1000;附着状态下最高附着点一下塔身轴心线对支承面垂直度≤2∕1000。
观测点编号观测日期垂直偏差角度计算偏差值备注12121121212编制:测量:记录:塔吊垂直度观测记录表施工单位:中国对外建设总公司编号:ZWJ-YT-CZ-001工程名称北海银滩一号·会展中心测量仪器型号塔吊位置施工现场东北面3#塔吊塔吊高度(H/m)观测点布置简图:说明:在空载,风速不大于3m∕s状态下,独立状态(或附着状态下最高附点以上)塔身轴心线对支承面垂直度≤4∕1000;附着状态下最高附着点一下塔身轴心线对支承面垂直度≤2∕1000。
观测点编号观测日期垂直偏差角度计算偏差值备注121编制:测量:记录:。
目录M1280D1M600D2M440D3M125/754STT5536L50/40A8TC7052〔QTZ400〕10C705011K50/5013STT29315C702217ST70/271K40/213JT 300-166MC 3209HK703010ST70/3012K30/3015256HC17K30/2120H3/36B23E6026/B1226G3/28B29QTZ602131TC6020A(QTZ160)33ST60/1435ST60/1538FH601541F0/23B (C)43G25/15C47ST50/15A49MC 120A52ST55/1054TC5613-657TC561059E15.1561QT501363设备型号众多,恕不一一列举,时间仓促,如有疏漏之处望告知,以便改正,在此过,‘助’贵公司,业绩蒸蒸日上,财源广进,中建正和建筑机械施工――工程管理部M1280D爬式受力:臂长82.6米时最大垂直力为445吨,最大水平力为136吨;臂长73.4米时最大垂直力为442吨,最大水平力为161吨;固定式受力:臂长82.6米时根底受力M=28877吨米;自重V=445吨,剪力S=48吨,压力T=619吨,拉力U=398吨臂长73.4米时根底受力M=28877吨米;自重V=442吨,剪力S=48吨,压力T=619吨,拉力U=398吨M1280单绳吊重表:臂长幅度10 20 30 40 50 60 65 70 75 80 最大半径吊重82.6 最小半径85.5°84.2°77.2°69.9°62.3°54.1°45.0°39.8°34.0°27.1°17.9°米吨8.2m 50t 50 50 48.4 41.2 34.2 27.0 23.5 20.0 16.5 13 81.1 12.373.4 最小半径85.5°83.5°75.5°67.3°58.5°48.7°37.2°30.3°20.8°米吨7.4m 50t 50 50 50 50 40.8 30.0 25.0 20.9 72.3 18.964.2 最小半径85.5°82.5°73.4°63.8°53.3°41.0°24.2°米吨6.7m 50t 50 50 50 50 41.8 31.0 63.4 27.255.0 最小半径85.5°81.3°70.5°58.9°45.7°28.0°米吨6.0m 50t 50 50 50 50 42.5 54.5 34.445.8 最小半径85.5°79.5°66.4°51.7°32.8°米吨5.3m 50t 50 50 50 50 45.6 45.836.6 最小半径85.5°76.8°59.9°38.9°米吨4.5m 50t 50 50 50 36.7 50 M1280双绳吊重表:臂长幅度10 20 30 40 50 60 65 70 75 80 最大半径吊重82.67.9m~27.5m 84.2°77.2°69.9°62.3°54.1°45.0°39.6°33.8°26.8°17.3°米吨50t 50 50 48.4 41.2 34.2 27.0 23.5 20.0 16.5 13 80.8 12.573.4 7.9m~27.5m 83.5°75.5°67.2°58.4°48.6°37.0°29.8°20.3°米吨80t 80 80 72 54.5 40.8 30.0 25.0 20.9 71.9 19.364.2 6.5m~24.5m 82.5°73.4°63.7°53.2°40.8°23.7°米吨100t 100 100 79 55.5 41.8 31.0 63.0 27.755.0 5.8m~24.7m 81.3°70.5°58.9°45.5°27.6°米吨100t 100 100 80.2 56.8 42.5 54.2 35.045.8 5.1m~24.9m 79.5°66.3°51.5°32.4°米吨100t 100 100 81.2 57 45.3 46.436.64.3m~25.0m 76.8°59.8°38.6°米吨100t 100 100 81.9 36.4 60.3 M1280D塔吊主要构造件重量表名称数量高〔长〕度〔m〕单件重量〔Kg〕起重臂 1 72 34000爬升节 1 4 22000 标准节12 11 7000 平衡臂 1 11.4 14535 下回转 1 2.51 13000 上回转 1 6.2 21000 A架 1 15.91 20000 发动机组及卷扬机组1 14000 机械平台 1 7.5 12000 加强节2 4 9000 操作室 1 2.1 1600 主卷扬筒及钢索 1 4.45 23000 塔吊机构参数:回转机构:0~0.75RPMM600D受力情况:固定式〔无附着塔身重量及根底受力〕No Climbing Frame 〔没有爬升框〕Internal ClimbingFrame〔爬升框在部〕External ClimbingFrame〔爬升框在外部〕Units(单位)Tower 441 442 392 441 442 392 441 442 392H 36 48 36 36 44 36 32 44 36 (m) M 884 1031 886 884 947 886 883 1099 920 (mT) V 174 190 176 189 201 191 185 201 191 (T) S 24 29 24 24 28 24 28 33 29 (T) T 304 344 344 308 329 348 306 367 359U 217 263 256 213 229 252 214 281 264 (T)爬式Tower Types (塔吊种类) 391 392 441 442 Units(单位) G 两个爬升框最小距离12 12 12 12 (m)J 最后一个附着上的最大距离16 24 24 32 (m)K 最大水平载荷67 72 72 77 (T)L 总体垂直载荷180 191 189 201 (T)H 最大自由高度28 36 36 44 (m)M600D塔吊起重性能表臂长最小幅度50t最大幅度10.0 15.0 20.0 25.0 30.0 35.0 40.0 45.0 50.0 55.0 60.0 62.5 65.0 67.5 70.0(m) (m) 50T (m) (m) (m) (m) (m) (m) (m) (m) (m) (m) (m) (m) (m) (m) (m) 73.4 6.2 _ 25.0 21.3 17.8 15.8 13.8 12.2 10.8 9.4 7.8 6.6 5.2 4.6 4.0 3.5 3.0 68.8 6.0 _ 29.7 25.5 21.7 19.1 16.5 14.4 12.6 10.8 9.0 7.5 6.1 5.5 4.864.2 5.3 _ 36.0 30.2 26.0 22.3 18.9 15.9 13.6 11.7 9.9 8.5 7.159.6 5.0 _ 42.0 35.3 29.4 24.1 20.2 16.7 14.1 12.0 10.3 8.855.0 4.4 8.5 46.2 39.2 32.7 26.7 21.6 17.5 14.7 12.5 11.050.4 4.2 13.8 50.0 46.9 34.9 27.8 22.1 17.9 15.1 12.945.8 3.9 15.0 50.0 50.0 37.0 28.9 22.7 18.4 15.441.2 3.7 15.5 50.0 50.0 38.0 29.5 23.1 18.8 15.836.6 3.3 16.0 50.0 50.0 38.9 30.2 23.4 19.4M600D塔吊主要构造件重量表名称数量高〔长〕度〔m〕单件重量〔Kg〕备注起重臂 155 15000 含滑轮组,拉索等45.8 12500 不含变幅滑轮组,拉索等爬升节 1 4 15000 含油缸等标准节12 4 5000下回转 1 2.51 13000 含回转齿圈上回转 1 10.2 11000A架 1 14.1 12000主卷扬筒及钢索 1 11000机械平台 1 10000加强节 1 4 6500操作室 1 2.1 1200发动机及卷扬机组11000塔吊机构参数:回转机构:0~0.8RPM行走机构:18m/minM440D固定式〔无附着塔身重量及根底受力〕No Climbing Frame 〔没有爬升框〕Internal ClimbingFrame〔爬升框在部〕External ClimbingFrame〔爬升框在外部〕Units(单位)Tower 441 442 392 441 442 392 441 442 392H 40 48 40 40 48 40 36 44 36 (m) M 885 1122 877 885 1122 877 930 1191 923 (mT) V 176 188 178 191 203 193 187 199 189 (T) S 26 29 25 26 29 25 29 33 29 (T) T 301 369 341 305 373 345 312 392 351U 225 292 261 222 288 257 236 310 273 (T)爬式Tower Types (塔吊种类) 391 392 441 442 Units(单位)G 两个爬升框最小距离10.5 12 12 12 (m) J 最后一个附着上的最大距离33.5 28 28 36 (m) K 最大水平载荷98 71 71 90 (T) L 总体垂直载荷156 193 191 203 (T) H 最大自由高度44 40 40 48 (m) M440D塔吊起重性能表臂长最小幅度50吨吊重最大幅度10.0 15.0 20.0 25.0 30.0 35.0 40.0 45.0 50.0 55.0 60.0 62.5 65.0(m) (m) 50T (m) (m) (m) (m) (m) (m) (m) (m) (m) (m) (m) (m) (m) 68.8 6 - 25 22.5 19.5 17.2 15 12.6 10.2 8.3 6.9 5.5 4.3 3.6 2.7 64.2 5.3 - 30.6 26.3 23 20 16.9 13.6 11.2 9.3 7.6 6.3 4.859.6 5.0 - 32 29.8 25.8 21.7 17.5 14.2 11.8 9.7 8.0 6.655 4.4 - 44 41 29.8 22.8 18.1 14.6 12 10 8.550.4 4.2 12 50 42 30.2 23 18.3 14.9 12.4 10.445.8 3.9 13 50 42.3 30.6 23.5 18.7 15.4 12.841.2 3.7 13.2 50 42.8 30.7 23.8 19 15.6 13.136.6 3.3 13.3 50 43.3 30.8 24 19.4 16.132 3.0 13.3 50 43.5 31.3 24.2 19.5塔吊机构参数:回转机构:0~0.8RPM行走机构:18m/minM125/75塔身截面:4×4米底架:10×10米〔行走式〕塔身节主要构件重量:固定脚〔预埋节〕 1.79米〔0.78吨X4〕标准节 5.7米〔7.285吨〕加强节:5.7米〔8.5吨〕过渡节:6米〔5.467吨〕平衡臂:24米〔24.592吨〕套架总成〔31.455吨〕回转总成〔23.5吨〕塔头〔4.449吨〕最大自由高度根底受力〔吨〕:P=295.4T起重性能:双小车:臂长幅度5~20.5 25 30 35 40 45 50 55 60 65 7070 Ⅷ吊重50 38.8 30.6 24.9 20.7 17.5 14.9 12.8 11.1 9.7 8.5 幅度5~37.5 40 45 50 55 60 65 70Ⅳ吊重25 22.1 18.9 16.3 14.2 12.5 11.1 9.960幅度5~21.5 25 30 35 40 45 50 55 60 Ⅷ吊重50 41.4 32.8 26.7 22.3 18.9 16.2 14.0 12.2 幅度5~35.5 40 45 50 55 60Ⅳ吊重25 23.7 19.3 17.6 15.4 13.6单小车:70 幅度5~20.5 25 30 35 40 45 50 55 60 65 70Ⅳ吊重50 38.8 30.6 24.9 20.7 17.5 14.9 12.8 11.1 9.7 8.5 幅度5~35.5 40 45 50 55 60 65 70Ⅱ吊重25 21.4 18.2 15.6 13.5 11.8 10.4 9.260幅度5~21.5 25 30 35 40 45 50 55 60 Ⅳ吊重50 41.4 32.8 26.7 22.3 18.9 16.2 14.0 12.2 幅度5~37.5 40 45 50 55 60Ⅱ吊重25 23 19.6 16.9 14.7 12.9自由高度:固定式:满顶15节标准节,钩高90.6米。
塔吊性能目录塔吊型号起升力矩(t/m)最大工作幅度(m)最大吊重(t)臂端最大吊重(t)页码ST70/30295 70 12 3 第1页C7050B 450 70 20 5 第3页256HC320 70 10 2.7 第5页G25/15C 117 50 10 1.2 第7页H3/36B 295 60 12 3.6 第8页K30/21 295 70 12 2.1 第10页E6026B/12 225 60 12 2.6 第12页QTZ5013C80 50 4 1.3 第14页ST60/14 154 60 10 1.4 第16页F0/23B145 50 10 2.3 第18页ST50/15 80 50 6 1.5 第20页MC120A120 57.5 6 1.2 第22页ST50/15A80 50 6 1.5 第24页F0/23C 145 50 10 2.3 第26页ST60/15154 60 10 1.5 第28页K30/30 295 70 12 3.0 第30页8520N 295 60 12 3.0 第31页塔式起重机(共计69台)规格/型号:ST70/30起升力矩(t/m):295;最大工作幅度(m):70;最大吊重(t):12;臂端最大吊重(t):3规格/型号:C7050B起升力矩(t/m):450;最大工作幅度(m):70;最大吊重(t):20;臂端最大吊重(t):55规格/型号:256HC起升力矩(t/m ):320;最大工作幅度(m ):70; 最大吊重(t ):10;臂端最大吊重(t ):2.76规格/型号:G25/15C起升力矩(t/m):117;最大工作幅度(m):50;最大吊重(t):10;臂端最大吊重(t):1.2规格/型号:H3/36B起升力矩(t/m):295;最大工作幅度(m):60;最大吊重(t):12;臂端最大吊重(t):3.6规格/型号:K30/21起升力矩(t/m):295;最大工作幅度(m):70;最大吊重(t):12;臂端最大吊重(t):2.112规格/型号:E6026B/12起升力矩(t/m ):225;最大工作幅度(m ):60; 最大吊重(t ):12;臂端最大吊重(t ):2.613规格/型号:QTZ5013C起升力矩(t/m):80;最大工作幅度(m):50;最大吊重(t):4;臂端最大吊重(t):1.3规格/型号:ST60/14起升力矩(t/m):154;最大工作幅度(m):60;最大吊重(t):10;臂端最大吊重(t):1.4规格/型号:F0/23B起升力矩(t/m):145;最大工作幅度(m):50;最大吊重(t):10;臂端最大吊重(t):2.3规格/型号:ST50/15起升力矩(t/m):80;最大工作幅度(m):50;最大吊重(t):6;臂端最大吊重(t):1.5规格/型号:MC120A起升力矩(t/m):120;最大工作幅度(m):57.5;最大吊重(t):6;臂端最大吊重(t):1.2规格/型号:ST50/15A起升力矩(t/m):80;最大工作幅度(m):50;最大吊重(t):6;臂端最大吊重(t):1.5规格/型号:F0/23C起升力矩(t/m):145;最大工作幅度(m):50;最大吊重(t):10;臂端最大吊重(t):2.3规格/型号:ST60/15起升力矩(t/m):154;最大工作幅度(m):60;最大吊重(t):10;臂端最大吊重(t):1.530规格/型号:K30/30起升力矩(t/m ):295;最大工作幅度(m ):70; 最大吊重(t ):12;臂端最大吊重(t ):3.0规格/型号:8520N起升力矩(t/m):295;最大工作幅度(m):60;最大吊重(t):12;臂端最大吊重(t):3.03132。
塔吊型号及参数收集QTZ40额定起重力矩400KN.m最大起重量4t最大工作幅度42/46.8/50m独立式高度29m附着式高度120m起升速度7/40/60m/min回转速度0.37/0.73r/min变幅速度22/33m/min顶升速度0.6 m/min平衡重5 6.5 t 塔机自重23.5 26.16t 电源380V,50Hz工作温度-20~+40℃功率:24.3kwQTZ63额定起重力矩630KN.m最大起重量6t最大工作幅度50|45m独立式高度40m附着式高度140m起升速度7/32/64m/min回转速度0.4/0.6r/min变幅速度20/40m/min顶升速度0.4m/min平衡重12|11t塔机自重42.3t电源380V,50Hz工作温度-12~+40℃功率:39.6kwQTZ80公称起重力矩800 KN.m最大起重量6t 8 t工作幅度56 m独立式高度45 m附着式高度180 m起升速度7/32/64 0~40/80m/min回转速度0~0.6 r/min变幅速度8/27/54 0~42(8/27/54)m/min塔机自重(独立式)61.95 t平衡重15.55 t工作环境温度-20~+40℃功率:45.6 kw QTZ125公称起重力矩1250 KN.m最大起重量8 t最大幅度处额定起重量 1.5 t工作幅度60 m独立式高度50 m附着式高度163 m起升速度2倍率100 2t m/min4倍率50 4t m/min回转速度0~0.6 r/min变幅速度8.8/29.3/68.6 m/min最大回转半径62 m尾部回转半径17 m结构自重(独立式)48.8 t平衡重14.5 t整机重(独立式)63.3 t最大工作风速20 m/s顶升操作风速(不大于)13 m/s工作环境温度-20~+40 ℃功率:52.6 kwQTZ160公称起重力矩1600 KN.m最大起重量10 t最大幅度处额定起重量 2.1 t工作幅度60 m独立式高度59.5 m附着式高度201 m起升速度2倍率0~100 m/min4倍率0~50 m/min回转速度0~0.6 r/min变幅速度0~60 m/min最大回转半径65 m尾部回转半径17 m结构自重(独立式)75 t平衡重22 t整机重(独立式)97 t最大工作风速20 m/s顶升操作风速(不大于)13 m/s工作环境温度-20~+40 ℃功率:62.3 kwSC200/200施工升降机,采用齿轮齿条啮合,外置式,三传动,额定载荷2吨,额定提升高度150米的施工升降机,稍作改动即可成2吨单吊笼施工升降机。
目录欧阳歌谷(2021.02.01)1. 概述 (3)1.1 起重机外形图 (4)2. 起重机技术性能 (5)2.1 起重特性表 (5)2.2 起重特性曲线 (5)2.3 技术性能表 (6)2.4 供电设备性能 (6)3. 起重机构造简述 (6)3.1 金属结构 (6)3.2 工作机构 (10)3.3 电气控制与操作系统 (13)4.起重机安装与拆卸 (16)4.1安装前的准备工作 (16)4.2 装卸要求及注意事项 (16)4.3 安装程序 (16)4.4 塔身标准节的安装方法及顺序 (21)4.5 安全装置调整方法 (22)4.6 起重机的试运转 (24)4.7 塔机的拆卸 (25)5. 起重机的使用 (25)5.1 一般规定 (25)5.2 起重机的顶升作业 (26)5.3 使用前注意事项 (26)5.4 起重机的操作 (26)6 起重机的护保养和维修 (27)6.1机械设备的维护保养 (27)6.2 液压顶升系统的维护保养 (27)6.3 金属结构的维护保养 (28)6.4 电气系统的维护保养 (29)6.5 维修 (29)7. 附着式 (29)7.1TC6513-8《附着式》示意图 (29)7.2. 技术参数 (30)7.3 TC6513-8附着式 (33)7.4工作状态 (33)7.5附着尺寸 (33)7.6附着检测和张紧 (33)7.7混凝土基础强度 (34)8. 配套产品技术性能 (34)8.1起重量限制器 (34)8.2起升减速器 (35)8.3回转行星齿轮减速器 (35)8.4牵引减速器 (35)8.5电机 (35)8.6回转支承 (37)8.7多功能行程限位器 (37)8.8司机室联动操纵台 (38)9. 附图附表 (41)9.1基础 (41)9.2 各部润滑表 (43)9.3 钢丝绳明细表 (44)9.4 主要吊装单元重量表 (44)9.5 轴承明细表 (44)9.6 电路图 (45)9.7电器材料表 (53)9.8 配重图样 (55)9.9立塔与拆塔所需工具 (58)9.10起重机易损件图样 (59)至用户首先感谢您选择了我公司生产的产品,提高产品的第一次无故障工作时间和最大限度满足客户的要求是我公司对产品追求的目标。