工字钢的规格尺寸及常识
- 格式:doc
- 大小:412.00 KB
- 文档页数:8
工字钢的规格尺寸及常识??2008-06-10 14:35:10|??分类:?工程资料|举报|字号?订阅五、工字钢单位重量表工字钢的外形,长度,重量,牌号,化学成分,力学性能,工艺性能和表面质量完善答案通过审核后,可获得3点工字钢,工字钢规格型号,工字钢价格作者Admin 浏览发布时间12/06/11工字钢也称钢梁,是截面为工字形的长条钢材。
其规格以腰高( h)*腿宽(b)*腰厚(d)的毫数表示,如“工160*88*6”,即表示腰高为160毫米,腿宽为88毫米,腰厚为6毫米的工字钢。
工字钢的规格也可用型号表示,型号表示腰高的厘米数,如工16#。
腰高相同的工字钢,如有几种不同的腿宽和腰厚,需在型号右边加a b c 予以区别,如32a# 32b # 32c#等。
工字钢分普通工字钢和轻型工字钢,热轧普通工字钢的规格为10-63#。
经供需双方协议供应的热轧普通工字钢规格为12-55#。
工字钢广泛用于各种建筑结构、桥梁、车辆、支架、机械等。
工字钢HW HM HN H型钢的区别工字钢翼缘是变戴面靠腹板部厚,外部薄; H型钢的翼缘是等戴面HW HM HN H是H型钢的通称,H型钢是焊制; HW HM HN是热轧HW 是H型钢高度和翼缘宽度基本相等;主要用于钢筋砼框架结构柱中钢芯柱,也称劲性钢柱;在钢结构中主要用于柱HM 是H型钢高度和翼缘宽度比例大致为1.33~~1.75 主要在钢结构中:用做钢框架柱在承受动力荷载的框架结构中用做框架梁;例如:设备平台HN 是H型钢高度和翼缘宽度比例大于等于2; 主要用于梁;工字钢的用用途相当于HN型钢;1、工字型钢不论是普通型还是轻型的,由于截面尺寸均相对较高、较窄,故对截面两个主袖的惯性矩相差较大,因此,一般仅能直接用于在其腹板平面内受弯的构件或将其组成格构式受力构件。
对轴心受压构件或在垂直于腹板平面还有弯曲的构件均不宜采用,这就使其在应用范围上有着很大的局限。
2、h型钢属于高效经济裁面型材(其它还有冷弯薄壁型钢、压型钢板等),由于截面形状合理,它们能使钢材更高地发挥效能,提高承裁能力。
工字钢的规格尺寸及常识2008-06-10 14:35:10| 分类:工程資料|举报|字号订阅五、工字钢单位重量表H-高度B-腿宽度D-腰厚度T-平均腿厚度R-内圆弧R1-腿端圆弧半径I-惯性矩W-截面系数I-惯性半径S-半截面的静力矩工字钢的外形,长度,重量,牌号,化学成分,力学性能,工艺性能和表面质量我来完善答案完善答案通过审核后,可获得3点工字钢理论重量计算公式双击自动滚屏名称计算公式符号意义计算举例工字钢(kg/m)W=0.00785×[hd+2t(b-d)+0.615(R*R-r*r)] h=高 d=腰厚 b=腿长R=内弧半径 t=平均腿厚求250mm×118mm×10mm的工字钢每m重量。
从冶金产品目录中查出t为13、R为10、r为5,则每m重量=0.00785×[250×10+2×13(118-10)+0.615×(10×10-5×5)]工字钢,工字钢规格型号,工字钢价格作者Admin 浏览发布时间12/06/11工字钢也称钢梁,是截面为工字形的长条钢材。
其规格以腰高( h)*腿宽(b)*腰厚(d)的毫数表示,如“工160*88*6”,即表示腰高为160毫米,腿宽为88毫米,腰厚为6毫米的工字钢。
工字钢的规格也可用型号表示,型号表示腰高的厘米数,如工16#。
腰高相同的工字钢,如有几种不同的腿宽和腰厚,需在型号右边加a b c 予以区别,如32a# 32b # 32c#等。
工字钢分普通工字钢和轻型工字钢,热轧普通工字钢的规格为10-63#。
经供需双方协议供应的热轧普通工字钢规格为12-55#。
工字钢广泛用于各种建筑结构、桥梁、车辆、支架、机械等。
工字钢HW HM HN H型钢的区别工字钢翼缘是变戴面靠腹板部厚,外部薄; H型钢的翼缘是等戴面HW HM HN H是H型钢的通称,H型钢是焊制; HW HM HN是热轧HW 是H型钢高度和翼缘宽度基本相等;主要用于钢筋砼框架结构柱中钢芯柱,也称劲性钢柱;在钢结构中主要用于柱HM 是H型钢高度和翼缘宽度比例大致为1.33~~1.75 主要在钢结构中:用做钢框架柱在承受动力荷载的框架结构中用做框架梁;例如:设备平台HN 是H型钢高度和翼缘宽度比例大于等于2; 主要用于梁;工字钢的用用途相当于HN型钢;1、工字型钢不论是普通型还是轻型的,由于截面尺寸均相对较高、较窄,故对截面两个主袖的惯性矩相差较大,因此,一般仅能直接用于在其腹板平面内受弯的构件或将其组成格构式受力构件。
工字钢的规格尺寸及常识??2008-06-10 14:35:10|??分类:?工程资料|举报|字号?订阅五、工字钢单位重量表工字钢的外形,长度,重量,牌号,化学成分,力学性能,工艺性能和表面质量完善答案通过审核后,可获得3点工字钢,工字钢规格型号,工字钢价格作者?Admin?浏览?发布时间?12/06/11工字钢也称钢梁,是截面为工字形的长条钢材。
其规格以腰高( h)*腿宽(b)*腰厚(d)的毫数表示,如“工160*88*6”,即表示腰高为160毫米,腿宽为88毫米,腰厚为6毫米的工字钢。
工字钢的规格也可用型号表示,型号表示腰高的厘米数,如工16#。
腰高相同的工字钢,如有几种不同的腿宽和腰厚,需在型号右边加a b c 予以区别,如32a# 32b# 32c#等。
工字钢分普通工字钢和轻型工字钢,热轧普通工字钢的规格为10-63#。
经供需双方协议供应的热轧普通工字钢规格为12-55#。
工字钢广泛用于各种建筑结构、桥梁、车辆、支架、机械等。
工字钢 HW HM HN H型钢的区别工字钢翼缘是变戴面靠腹板部厚,外部薄; H型钢的翼缘是等戴面HW HM HN H是H型钢的通称,H型钢是焊制; HW HM HN是热轧HW 是H型钢高度和翼缘宽度基本相等;主要用于钢筋砼框架结构柱中钢芯柱,也称劲性钢柱;在钢结构中主要用于柱HM 是H型钢高度和翼缘宽度比例大致为~~ 主要在钢结构中:用做钢框架柱在承受动力荷载的框架结构中用做框架梁;例如:设备平台HN 是H型钢高度和翼缘宽度比例大于等于2; 主要用于梁;工字钢的用用途相当于HN型钢;1、工字型钢不论是普通型还是轻型的,由于截面尺寸均相对较高、较窄,故对截面两个主袖的惯性矩相差较大,因此,一般仅能直接用于在其腹板平面内受弯的构件或将其组成格构式受力构件。
对轴心受压构件或在垂直于腹板平面还有弯曲的构件均不宜采用,这就使其在应用范围上有着很大的局限。
2、 h型钢属于高效经济裁面型材(其它还有冷弯薄壁型钢、压型钢板等),由于截面形状合理,它们能使钢材更高地发挥效能,提高承裁能力。
工字钢的规格尺寸及常识2008-06-10 14:35:10| 分类:工程資料|举报|字号订阅五、工字钢单位重量表工字钢的外形,长度,重量,牌号,化学成分,力学性能,工艺性能和表面质量完善答案通过审核后,可获得3点工字钢,工字钢规格型号,工字钢价格作者Admin 浏览发布时间12/06/11工字钢也称钢梁,是截面为工字形的长条钢材。
其规格以腰高( h)*腿宽(b)*腰厚(d)的毫数表示,如“工160*88*6”,即表示腰高为160毫米,腿宽为88毫米,腰厚为6毫米的工字钢。
工字钢的规格也可用型号表示,型号表示腰高的厘米数,如工16#。
腰高相同的工字钢,如有几种不同的腿宽和腰厚,需在型号右边加a b c 予以区别,如32a# 32b# 32c#等。
工字钢分普通工字钢和轻型工字钢,热轧普通工字钢的规格为10-63#。
经供需双方协议供应的热轧普通工字钢规格为12-55#。
工字钢广泛用于各种建筑结构、桥梁、车辆、支架、机械等。
工字钢 HW HM HN H型钢的区别工字钢翼缘是变戴面靠腹板部厚,外部薄; H型钢的翼缘是等戴面HW HM HN H是H型钢的通称,H型钢是焊制; HW HM HN是热轧HW 是H型钢高度和翼缘宽度基本相等;主要用于钢筋砼框架结构柱中钢芯柱,也称劲性钢柱;在钢结构中主要用于柱HM 是H型钢高度和翼缘宽度比例大致为~~ 主要在钢结构中:用做钢框架柱在承受动力荷载的框架结构中用做框架梁;例如:设备平台HN 是H型钢高度和翼缘宽度比例大于等于2; 主要用于梁;工字钢的用用途相当于HN型钢;1、工字型钢不论是普通型还是轻型的,由于截面尺寸均相对较高、较窄,故对截面两个主袖的惯性矩相差较大,因此,一般仅能直接用于在其腹板平面内受弯的构件或将其组成格构式受力构件。
对轴心受压构件或在垂直于腹板平面还有弯曲的构件均不宜采用,这就使其在应用范围上有着很大的局限。
2、 h型钢属于高效经济裁面型材(其它还有冷弯薄壁型钢、压型钢板等),由于截面形状合理,它们能使钢材更高地发挥效能,提高承裁能力。
工字钢的规格尺寸及常识Document number:PBGCG-0857-BTDO-0089-PTT1998工字钢的规格尺寸及常识??2008-06-10 14:35:10|??分类:?|举报|字号?订阅五、工字钢单位重量表H-高度B-腿宽度D-腰厚度T-平均腿厚度R-内圆弧R1-腿端圆弧半径I-惯性矩W-截面系数I-惯性半径S-半截面的静力矩工字钢的外形,长度,重量,牌号,化学成分,力学性能,工艺性能和表面质量?完善答案通过审核后,可获得3点理论重量计算公式双击自动滚屏名称计算公式符号意义计算举例工字钢(kg/m)W=×[hd+2t(b-d)+(R*R-r*r)]h=高 d=腰厚 b=腿长R=内弧半径 t=平均腿厚求 250mm×118mm×10mm的工字钢每m重量。
从冶金产品目录中查出t为13、R为10、r为5,则每m重量 =×[250×10+2×13(118-10)+×(10×10-5×5)]工字钢,工字钢规格型号,工字钢价格作者 Admin 浏览发布时间 12/06/11工字钢也称钢梁,是截面为工字形的长条钢材。
其规格以腰高( h)*腿宽(b)*腰厚(d)的毫数表示,如“工160*88*6”,即表示腰高为160毫米,腿宽为88毫米,腰厚为6毫米的工字钢。
工字钢的规格也可用型号表示,型号表示腰高的厘米数,如工16#。
腰高相同的工字钢,如有几种不同的腿宽和腰厚,需在型号右边加a b c 予以区别,如32a # 32b# 32c#等。
工字钢分普通工字钢和轻型工字钢,热轧普通工字钢的规格为10-63#。
经供需双方协议供应的热轧普通工字钢规格为12-55#。
工字钢广泛用于各种建筑结构、桥梁、车辆、支架、机械等。
工字钢 HW HM HN H型钢的区别工字钢翼缘是变戴面靠腹板部厚,外部薄; H型钢的翼缘是等戴面HW HM HN H是H型钢的通称,H型钢是焊制; HW HM HN是热轧HW 是H型钢高度和翼缘宽度基本相等;主要用于钢筋砼框架结构柱中钢芯柱,也称劲性钢柱;在钢结构中主要用于柱HM 是H型钢高度和翼缘宽度比例大致为~~ 主要在钢结构中:用做钢框架柱在承受动力荷载的框架结构中用做框架梁;例如:设备平台HN 是H型钢高度和翼缘宽度比例大于等于2; 主要用于梁;工字钢的用用途相当于HN型钢;1、工字型钢不论是普通型还是轻型的,由于截面尺寸均相对较高、较窄,故对截面两个主袖的惯性矩相差较大,因此,一般仅能直接用于在其腹板平面内受弯的构件或将其组成格构式受力构件。
工字钢的规格尺寸及常识2008-06-10 14:35:10| 分类:工程資料|举报|字号订阅五、工字钢单位重量表H-高度B-腿宽度D-腰厚度T-平均腿厚度R-圆弧半径R1-腿端圆弧半径I-惯性矩W-截面系数I-惯性半径S-半截面的静力矩工字钢的外形,长度,重量,牌号,化学成分,力学性能,工艺性能和表面质量外形热轧工字钢尺寸,外形,重量及允许偏差热轧普通工字钢(YB(T)56-1987)弯曲度:工字钢每米弯曲度不大于2MM,总弯曲度不大于总长度的0.2%扭转:工字钢不得有明显的扭转弯曲度:工字钢高度小于或等于400MM时,每米弯曲度不得大于1.5MM,总弯曲度不得大于总长度的0.15%。
高度大于400MM时,每米弯曲度不得大于1.0MM,总弯曲度不得大于总长度的0.1%我来完善答案完善答案通过审核后,可获得3点工字钢,工字钢规格型号,工字钢价格作者Admin 浏览发布时间12/06/11工字钢也称钢梁,是截面为工字形的长条钢材。
其规格以腰高( h)*腿宽(b)*腰厚(d)的毫数表示,如“工160*88*6”,即表示腰高为160毫米,腿宽为88毫米,腰厚为6毫米的工字钢。
工字钢的规格也可用型号表示,型号表示腰高的厘米数,如工16#。
腰高相同的工字钢,如有几种不同的腿宽和腰厚,需在型号右边加a b c 予以区别,如32a# 32b# 32c#等。
工字钢分普通工字钢和轻型工字钢,热轧普通工字钢的规格为10-63#。
经供需双方协议供应的热轧普通工字钢规格为12-55#。
工字钢广泛用于各种建筑结构、桥梁、车辆、支架、机械等。
工字钢 HW HM HN H型钢的区别工字钢翼缘是变戴面靠腹板部厚,外部薄; H型钢的翼缘是等戴面HW HM HN H是H型钢的通称,H型钢是焊制; HW HM HN是热轧HW 是H型钢高度和翼缘宽度基本相等;主要用于钢筋砼框架结构柱中钢芯柱,也称劲性钢柱;在钢结构中主要用于柱HM 是H型钢高度和翼缘宽度比例大致为1.33~~1.75 主要在钢结构中:用做钢框架柱在承受动力荷载的框架结构中用做框架梁;例如:设备平台HN 是H型钢高度和翼缘宽度比例大于等于2; 主要用于梁;工字钢的用用途相当于HN型钢;1、工字型钢不论是普通型还是轻型的,由于截面尺寸均相对较高、较窄,故对截面两个主袖的惯性矩相差较大,因此,一般仅能直接用于在其腹板平面受弯的构件或将其组成格构式受力构件。
工字钢的规格尺寸及常识??2008-06-10 14:35:10|??分类:?工程资料|举报|字号?订阅五、工字钢单位重量表工字钢的外形,长度,重量,牌号,化学成分,力学性能,工艺性能和表面质量完善答案通过审核后,可获得3点工字钢,工字钢规格型号,工字钢价格作者?Admin?浏览?发布时间?12/06/11工字钢也称钢梁,是截面为工字形的长条钢材。
其规格以腰高( h)*腿宽(b)*腰厚(d)的毫数表示,如“工160*88*6”,即表示腰高为160毫米,腿宽为88毫米,腰厚为6毫米的工字钢。
工字钢的规格也可用型号表示,型号表示腰高的厘米数,如工16#。
腰高相同的工字钢,如有几种不同的腿宽和腰厚,需在型号右边加a b c 予以区别,如32a# 32b# 32c#等。
工字钢分普通工字钢和轻型工字钢,热轧普通工字钢的规格为10-63#。
经供需双方协议供应的热轧普通工字钢规格为12-55#。
工字钢广泛用于各种建筑结构、桥梁、车辆、支架、机械等。
工字钢 HW HM HN H型钢的区别工字钢翼缘是变戴面靠腹板部厚,外部薄; H型钢的翼缘是等戴面HW HM HN H是H型钢的通称,H型钢是焊制; HW HM HN是热轧HW 是H型钢高度和翼缘宽度基本相等;主要用于钢筋砼框架结构柱中钢芯柱,也称劲性钢柱;在钢结构中主要用于柱HM 是H型钢高度和翼缘宽度比例大致为~~ 主要在钢结构中:用做钢框架柱在承受动力荷载的框架结构中用做框架梁;例如:设备平台HN 是H型钢高度和翼缘宽度比例大于等于2; 主要用于梁; 工字钢的用用途相当于HN型钢; 1、工字型钢不论是普通型还是轻型的,由于截面尺寸均相对较高、较窄,故对截面两个主袖的惯性矩相差较大,因此,一般仅能直接用于在其腹板平面内受弯的构件或将其组成格构式受力构件。
对轴心受压构件或在垂直于腹板平面还有弯曲的构件均不宜采用,这就使其在应用范围上有着很大的局限。
2、 h型钢属于高效经济裁面型材(其它还有冷弯薄壁型钢、压型钢板等),由于截面形状合理,它们能使钢材更高地发挥效能,提高承裁能力。
工字钢的规格尺寸及常识2008-06-10 14:35:10| 分类:工程資料|举报字号订阅五、工字钢单位重量表H-高度B-腿宽度D-腰厚度R1-腿端圆弧半径I-惯性矩W-截面系数丫d ■■■■丫热轧普通工字钢(YB ( T )56-1987)外形弯曲度:工字钢高度小于或等于 400MM 时,每米弯曲度不得大于1.5MM ,总弯 曲度不得大于总长度的0.15%。
高度大于 400MM 时,每米弯曲度不得大于1.0MM , 总弯曲度不得大于总长度的0.1%扭转:工字钢不得有显著扭转通常长度:型号10-18,通常长度5- 19M ;型号20-63,通常长度6-19 M定尺,倍尺长度:工字钢按定尺或倍尺长度交货时,应在合同中注明。
定尺和倍尺长度小于等于 8M ,其允许偏差为+ 40 MM完善答案通过审核后,可获得3点工字钢理论重量计算公式双击自动滚屏腰厚b= 钢每m重量。
从冶金产品腿长目录中查出t为13、R=内弧半R为10、r为5,则每径t=平均腿厚m 重量=0.00785>{250 X10+2X3(118-10)+0.615 >(10 >0-5 >5)]工字钢,工字钢规格型号,工字钢价格作者Admin浏览发布时间12/06/11工字钢也称钢梁,是截面为工字形的长条钢材。
其规格以腰高(h)*腿宽(b)*腰厚(d)的毫数表示,如“工160*88*6 ”,即表示腰高为160毫米,腿宽为88毫米,腰厚为6毫米的工字钢。
工字钢的规格也可用型号表示,型号表示腰高的厘米数,如工16#。
腰高相同的工字钢,如有几种不同的腿宽和腰厚,需在型号右边加 a b c予以区别,如32a# 32b# 32c#等。
工字钢分普通工字钢和轻型工字钢,热轧普通工字钢的规格为10-63#。
经供需双方协议供应的热轧普通工字钢规格为12-55#。
工字钢广泛用于各种建筑结构、桥梁、车辆、支架、机械等。
工字钢HW HM HN H型钢的区别工字钢翼缘是变戴面靠腹板部厚,外部薄;H型钢的翼缘是等戴面HW HM HN H是H型钢的通称,H型钢是焊制;HW HM HN是热轧HW是H型钢高度和翼缘宽度基本相等;主要用于钢筋砼框架结构柱中钢芯柱,也称劲性钢柱;在钢结构中主要用于柱HM是H型钢高度和翼缘宽度比例大致为 1.33~~1.75主要在钢结构中:用做钢框架柱在承受动力荷载的框架结构中用做框架梁;例如:设备平台HN是H型钢高度和翼缘宽度比例大于等于2;主要用于梁;工字钢的用用途相当于HN型钢;1、工字型钢不论是普通型还是轻型的,由于截面尺寸均相对较高、较窄,故对截面两个主袖的惯性矩相差较大,因此,一般仅能直接用于在其腹板平面内受弯的构件或将其组成格构式受力构件。
工字钢的规格尺寸及常识令狐采学2008-06-10 14:35:10| 分类:工程資料|举报|字号订阅五、工字钢单位重量表H-高度B-腿宽度D-腰厚度T-平均腿厚度R-内圆弧半径R1-腿端圆弧半径I-惯性矩W-截面系数I-惯性半径S-半截面的静力矩工字钢的外形,长度,重量,牌号,化学成分,力学性能,工艺性能和表面质量外形热轧工字钢尺寸,外形,重量及允许偏差热轧普通工字钢(YB(T)56-1987)弯曲度:工字钢每米弯曲度不大于2MM,总弯曲度不大于总长度的0.2%扭转:工字钢不得有明显的扭转弯曲度:工字钢高度小于或等于400MM时,每米弯曲度不得大于1.5MM,总弯曲度不得大于总长度的0.15%。
高度大于400MM时,每米弯曲度不得大于1.0MM,总弯曲度不得大于总长度的0.1%扭转:工字钢不得有显著扭转长度通常长度:型号10-18,通常长度5- 19M ;型号20-63,通常长度6-19 M定尺,倍尺长度:工字钢按定尺或倍尺长度交货时,应在合同中注明。
定尺和倍尺长度小于等于8M ,其允许偏差为+ 40 MM长度大于8M,其允许偏差为+80MM长度大于8M时,每增加1 M,允许偏差增加5 MM,但是最大不得超过80MM完善答案通过审核后,可获得3点工字钢(kg/m)W=0.00785×[hd+2t(b-d)+0.615(R*R-r*r)]h=高 d=腰厚 b=腿长R=内弧半径 t=平均腿厚求250mm×118mm×10mm的工字钢每m重量。
从冶金产品目录中查出t为13、R为10、r为5,则每m重量=0.00785×[250×10+2×13(118-10)+0.615×(10×10-5×5)]工字钢,工字钢规格型号,工字钢价格作者 Admin 浏览发布时间 12/06/11工字钢也称钢梁,是截面为工字形的长条钢材。
工字钢的规格尺寸及常识工字钢的规格尺寸及常识工字钢也称为钢梁(英文名称 Universal Beam),是截面为工字形状的长条钢材。
工字型钢分热轧工字钢和轻型工字钢。
是截面形状为工字型的型钢。
工字钢的外形,长度,重量,牌号,化学成分,力学性能,工艺性能和表面质量普工20a:截面高度H=200mm;截面宽度B=100mm;翼缘厚度tf=11.4mm;腹板厚度tw=7mm;截面面积A=3555mm2;惯性矩Ix=23690000mm4;惯性矩Iy=1579000mm4;截面模量Wx=236900mm3普工20b:截面高度H=200mm;截面宽度B=102mm;翼缘厚度tf=11.4mm;腹板厚度tw=9mm;截面面积A=3955mm2;惯性矩Ix=25020000mm4;惯性矩Iy=1690000mm4;截面模量Wx=250200mm3;截面模量Wy=33137mm3;轻工20:截面高度H=200mm;截面宽度B=100mm;翼缘厚度tf=8.4mm;腹板厚度tw=5.2mm;截面面积A=2680mm2;惯性矩Ix=18400000mm4;惯性矩Iy=1150000mm4;截面模量Wx=184000mm3 轻工20a:截面高度H=200mm;截面宽度B=110mm;翼缘厚度tf=8.6mm;腹板厚度tw=5.2mm;截面面积A=2890mm2;惯性矩Ix=20300000mm4;惯性矩Iy=1550000mm4;截面模量Wx=203000mm3热轧等边角钢5#b=50mm,d=3mm,r=5.5mm,截面面积2.971cm2,理论重量2.332公斤/米,外表面积0.197米2/米b=50mm,d=4mm,r=5.5mm,截面面积3.897cm2,理论重量3.059公斤/米,外表面积0.197米2/米b=50mm,d=5mm,r=5.5mm,截面面积4.803cm2,理论重量3.770公斤/米,外表面积0.196米2/米b=50mm,d=6mm,r=5.5mm,截面面积5.688cm2,理论重量4.465公斤/米,外表面积0.196米2/米轻槽12:截面高度H=120mm;截面宽度B=52mm;翼缘厚度tf=4.8mm;腹板厚度tw=7.8mm;中和轴距离z0=15.4mm;截面面积A=1330mm2;惯性矩Ix=3010000mm4;惯性矩Iy=312000mm4;截面模量Wx=50167mm3;工字钢单位重量表。
工字钢的规格尺寸及常识Revised as of 23 November 2020工字钢的规格尺寸及常识2008-06-10 14:35:10|分类:|举报|字号订阅五、工字钢单位重量表H-高度B-腿宽度D-腰厚度T-平均腿R1-腿端圆弧半径I-惯性矩W-截面系数工字钢的外形,长度,重量,牌号,化学成分,力学性能,工艺性能和表面质量?完善答案通过审核后,可获得3点理论重量计算公式双击自动滚屏名称计算公式符号意义计算举例工字钢(kg/m)W=×[hd+2t(b-d)+(R*R-r*r)]h=高 d=腰厚 b=腿长R=内弧半径 t=平均腿厚求 250mm×118mm×10mm的工字钢每m重量。
从冶金产品目录中查出t为13、R为10、r为5,则每m重量 =×[250×10+2×13(118-10)+×(10×10-5×5)]工字钢,工字钢规格型号,工字钢价格作者 Admin 浏览发布时间 12/06/11工字钢也称钢梁,是截面为工字形的长条钢材。
其规格以腰高( h)*腿宽(b)*腰厚(d)的毫数表示,如“工160*88* 6”,即表示腰高为160毫米,腿宽为88毫米,腰厚为6毫米的工字钢。
工字钢的规格也可用型号表示,型号表示腰高的厘米数,如工16#。
腰高相同的工字钢,如有几种不同的腿宽和腰厚,需在型号右边加a b c 予以区别,如32a # 32b# 32c#等。
工字钢分普通工字钢和轻型工字钢,热轧普通工字钢的规格为10-63#。
经供需双方协议供应的热轧普通工字钢规格为12-55#。
工字钢广泛用于各种建筑结构、桥梁、车辆、支架、机械等。
工字钢 HW HM HN H型钢的区别工字钢翼缘是变戴面靠腹板部厚,外部薄; H型钢的翼缘是等戴面HW HM HN H是H型钢的通称,H型钢是焊制; HW HM HN是热轧HW 是H型钢高度和翼缘宽度基本相等;主要用于钢筋砼框架结构柱中钢芯柱,也称劲性钢柱;在钢结构中主要用于柱HM 是H型钢高度和翼缘宽度比例大致为~~ 主要在钢结构中:用做钢框架柱在承受动力荷载的框架结构中用做框架梁;例如:设备平台HN 是H型钢高度和翼缘宽度比例大于等于2; 主要用于梁;工字钢的用用途相当于HN型钢;1、工字型钢不论是普通型还是轻型的,由于截面尺寸均相对较高、较窄,故对截面两个主袖的惯性矩相差较大,因此,一般仅能直接用于在其腹板平面内受弯的构件或将其组成格构式受力构件。
工字钢的规格尺寸及常识2008-06-10 14:35:10|分类:|举报|字号订阅五、工字钢单位重量表H-高度B-腿宽度D-腰厚度R1-腿端圆弧半径I-惯性矩W-截面系数工字钢的外形,长度,重量,牌号,化学成分,力学性能,工艺性能和表面质量完善答案通过审核后,可获得3点t=平均腿厚R为10、r为5,则每m重量=0.00785×[250×10+2×13(118-10)+0.615×(10×10-5×5)]工字钢,工字钢规格型号,工字钢价格作者Admin浏览发布时间12/06/11工字钢也称钢梁,是截面为工字形的长条钢材。
其规格以腰高( h)*腿宽(b)*腰厚(d)的毫数表示,如“工160*88*6”,即表示腰高为160毫米,腿宽为88毫米,腰厚为6毫米的工字钢。
工字钢的规格也可用型号表示,型号表示腰高的厘米数,如工16#。
腰高相同的工字钢,如有几种不同的腿宽和腰厚,需在型号右边加a b c 予以区别,如32a# 32b# 32c#等。
工字钢分普通工字钢和轻型工字钢,热轧普通工字钢的规格为10-63#。
经供需双方协议供应的热轧普通工字钢规格为1 2-55#。
工字钢广泛用于各种建筑结构、桥梁、车辆、支架、机械等。
工字钢HW HM HN H型钢的区别工字钢翼缘是变戴面靠腹板部厚,外部薄; H型钢的翼缘是等戴面HW HM HN H是H型钢的通称,H型钢是焊制; HW HM HN是热轧HW 是H型钢高度和翼缘宽度基本相等;主要用于钢筋砼框架结构柱中钢芯柱,也称劲性钢柱;在钢结构中主要用于柱HM 是H型钢高度和翼缘宽度比例大致为1.33~~1.75 主要在钢结构中:用做钢框架柱在承受动力荷载的框架结构中用做框架梁;例如:设备平台HN 是H型钢高度和翼缘宽度比例大于等于2; 主要用于梁; 工字钢的用用途相当于HN型钢; 1、工字型钢不论是普通型还是轻型的,由于截面尺寸均相对较高、较窄,故对截面两个主袖的惯性矩相差较大,因此,一般仅能直接用于在其腹板平面内受弯的构件或将其组成格构式受力构件。
工字钢的规格尺寸及常识..H-高度B-腿宽度D-腰厚度T-平均腿厚度R-内圆弧半径R1-腿端圆弧半径I-惯性矩W-截面系数I-惯性半径S-半截面的静力矩工字钢的外形,长度,重量,牌号,化学成分,力学性能,工艺性能和表面质量外形热轧工字钢尺寸,外形,重量及允许偏差热轧普通工字钢(YB(T)56-1987)弯曲度:工字钢每米弯曲度不大于2MM,总弯曲度不大于总长度的0.2%扭转:工字钢不得有明显的扭转弯曲度:工字钢高度小于或等于400MM时,每米弯曲度不得大于1.5MM,总弯曲度不得大于总长度的0.15%。
高度大于400MM时,每米弯曲度不得大于1.0MM,总弯曲度不得大于总长度的0.1%扭转:工字钢不得有显著扭转长度通常长度:型号10-18,通常长度5- 19M ;型号20-63,通常长度6-19 M定尺,倍尺长度:工字钢按定尺或倍尺长度交货时,应在合同中注明。
定尺和倍尺长度小于等于8M ,其允许偏差为+ 40 MM普工20a:截面高度H=200mm;截面宽度B=100mm;翼缘厚度tf=11.4mm;腹板厚度tw=7mm;截面面积A=3555mm2;惯性矩Ix=23690000mm4;惯性矩Iy=1579000mm4;截面模量Wx=236900mm3普工20b:截面高度H=200mm;截面宽度B=102mm;翼缘厚度tf=11.4mm;腹板厚度tw=9mm;截面面积A=3955mm2;惯性矩Ix=25020000mm4;惯性矩Iy=1690000mm4;截面模量Wx=250200mm3;截面模量Wy=33137mm3;轻工20:截面高度H=200mm;截面宽度B=100mm;翼缘厚度tf=8.4mm;腹板厚度tw=5.2mm;截面面积A=2680mm2;惯性矩Ix=18400000mm4;惯性矩Iy=1150000mm4;截面模量Wx=184000mm3轻工20a:截面高度H=200mm;截面宽度B=110mm;翼缘厚度tf=8.6mm;腹板厚度tw=5.2mm;截面面积A=2890mm2;惯性矩Ix=20300000mm4;惯性矩Iy=1550000mm4;截面模量Wx=203000mm3热轧等边角钢5#b=50mm,d=3mm,r=5.5mm,截面面积2.971cm2,理论重量2.332公斤/米,外表面积0.197米2/米b=50mm,d=4mm,r=5.5mm,截面面积3.897cm2,理论重量3.059公斤/米,外表面积0.197米2/米b=50mm,d=5mm,r=5.5mm,截面面积4.803cm2,理论重量3.770公斤/米,外表面积0.196米2/米b=50mm,d=6mm,r=5.5mm,截面面积5.688cm2,理论重量4.465公斤/米,外表面积0.196米2/米轻槽12:截面高度H=120mm;截面宽度B=52mm;翼缘厚度tf=4.8mm;腹板厚度tw=7.8mm;中和轴距离z0=15.4mm;截面面积A=1330mm2;惯性矩Ix=3010000mm4;惯性矩Iy=312000mm4;截面模量Wx=50167mm3;五、工字钢单位重量表热轧普通工字钢每米重量表型号尺寸(毫米)截面面积(厘米2)理论重量(公斤/米)h b d t r110 100 68 4.5 7.6 3.3 14.3 11.2 12.6 126 74 5 8.4 3.5 18.1 14.2 14 140 80 5.5 9.1 3.8 21.5 16.9 16 160 88 6 9.9 4 26.1 20.5 18 180 94 6.5 10.7 4.3 30.6 24.1六、槽钢单位重量表热轧轻型槽钢每米重量表七、轨道材料重量表钢轨每米重量表鱼尾板每块重量表六、槽钢单位重量表热轧普通槽钢每米重量表七、轨道材料重量表。
工字钢的规格尺寸及常识.
.
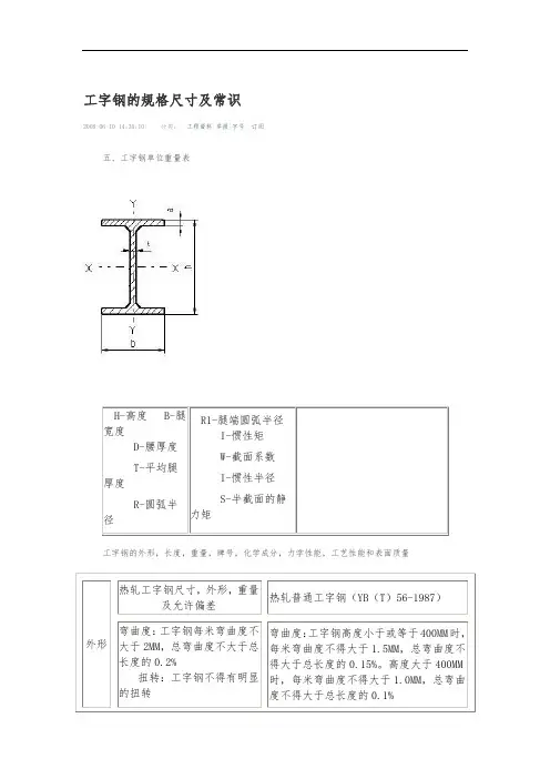
H-高度B-腿宽度
D-腰厚度
T-平均腿厚度
R-内圆弧半径R1-腿端圆弧半径I-惯性矩
W-截面系数
I-惯性半径
S-半截面的静力矩
工字钢的外形,长度,重量,牌号,化学成分,力学性能,工艺性能和表面质量
外形热轧工字钢尺寸,外形,重量
及允许偏差
热轧普通工字钢(YB(T)56-1987)
弯曲度:工字钢每米弯曲度不
大于2MM,总弯曲度不大于总
长度的0.2%
扭转:工字钢不得有明显的扭
转
弯曲度:工字钢高度小于或等于400MM时,每米弯曲度
不得大于1.5MM,总弯曲度不得大于总长度的0.15%。
高度大于400MM时,每米弯曲度不得大于1.0MM,总
弯曲度不得大于总长度的0.1%
扭转:工字钢不得有显著扭转
长度通常长度:型号10-18,通常长度5- 19M ;型号20-63,通常长度6-19 M
定尺,倍尺长度:工字钢按定尺或倍尺长度交货时,应在合同中注明。
定尺和倍尺长度小于等于8M ,其允许偏差为+ 40 MM
普工20a:
截面高度H=200mm;
截面宽度B=100mm;
翼缘厚度tf=11.4mm;
腹板厚度tw=7mm;
截面面积A=3555mm2;
惯性矩Ix=23690000mm4;惯性矩Iy=1579000mm4;截面模量Wx=236900mm3
普工20b:
截面高度H=200mm;
截面宽度B=102mm;
翼缘厚度tf=11.4mm;
腹板厚度tw=9mm;
截面面积A=3955mm2;
惯性矩Ix=25020000mm4;惯性矩Iy=1690000mm4;截面模量Wx=250200mm3;截面模量Wy=33137mm3;
轻工20:
截面高度H=200mm;
截面宽度B=100mm;
翼缘厚度tf=8.4mm;
腹板厚度tw=5.2mm;
截面面积A=2680mm2;
惯性矩Ix=18400000mm4;惯性矩Iy=1150000mm4;
截面模量Wx=184000mm3
轻工20a:
截面高度H=200mm;
截面宽度B=110mm;
翼缘厚度tf=8.6mm;
腹板厚度tw=5.2mm;
截面面积A=2890mm2;
惯性矩Ix=20300000mm4;
惯性矩Iy=1550000mm4;
截面模量Wx=203000mm3
热轧等边角钢5#
b=50mm,d=3mm,r=5.5mm,截面面积2.971cm2,理论重量2.332公斤/米,外表面积0.197米2/米b=50mm,d=4mm,r=5.5mm,截面面积3.897cm2,理论重量3.059公斤/米,外表面积0.197米2/米b=50mm,d=5mm,r=5.5mm,截面面积4.803cm2,理论重量3.770公斤/米,外表面积0.196米2/米b=50mm,d=6mm,r=5.5mm,截面面积5.688cm2,理论重量4.465公斤/米,外表面积0.196米2/米
轻槽12:
截面高度H=120mm;
截面宽度B=52mm;
翼缘厚度tf=4.8mm;
腹板厚度tw=7.8mm;
中和轴距离z0=15.4mm;
截面面积A=1330mm2;
惯性矩Ix=3010000mm4;
惯性矩Iy=312000mm4;
截面模量Wx=50167mm3;
五、工字钢单位重量表
热轧普通工字钢每米重量表
型号尺寸(毫米)截面面积
(厘米2)
理论重量
(公斤/米)h b d t r1
10 100 68 4.5 7.6 3.3 14.3 11.2 12.6 126 74 5 8.4 3.5 18.1 14.2 14 140 80 5.5 9.1 3.8 21.5 16.9 16 160 88 6 9.9 4 26.1 20.5 18 180 94 6.5 10.7 4.3 30.6 24.1
六、槽钢单位重量表
热轧轻型槽钢每米重量表
七、轨道材料重量表钢轨每米重量表
鱼尾板每块重量表
六、槽钢单位重量表
热轧普通槽钢每米重量表
七、轨道材料重量表。