叔丁胺危险特性
- 格式:docx
- 大小:16.51 KB
- 文档页数:3
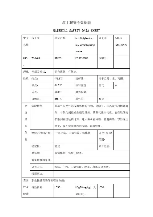
叔丁胺安全资料表MSDS标识中文名:叔丁胺1,1-二甲基乙胺英文名:t-butyiamine;1,1-dimethylethylamine 分子式:C4H11N分子量:73.14CAS号:75-64-9危规号:32172理化性质性状:无色液体,有氨味。
溶解性:溶于水,溶于无水乙醇、苯、氯仿、乙醚等多数有机溶剂。
熔点(℃):-72.6沸点(℃):44.5相对密度(水=1):0.69临界温度(℃):210.8临界压力(MPa):3.84相对密度(空气=1):2.5燃烧热(KJ/mol):2992.9最小点火能(mJ):无资料饱和蒸汽压(KPa):45.32(25℃)燃烧爆炸危险性燃烧性:易燃燃烧分解产物:一氧化碳、二氧化碳、氧化氮。
闪点(℃):-8.8聚合危害:不聚合爆炸下限(%):1.7稳定性:稳定爆炸上限(%):8.9最大爆炸压力(MPa):无资料引燃温度(℃):380禁忌物:强氧化剂、强酸、酸类。
危险特性:易燃,其蒸汽与空气可形成爆炸性混合物。
遇明火、高热能引起燃烧爆炸。
与氧化剂能发生强烈反应。
其蒸汽比空气重,能在较低处扩散到相当远的地方,遇明火会引起回燃,具有腐蚀性。
灭火方法:喷水冷却容器,可能的话将容器从火场移至空旷处。
灭火剂:抗溶性泡沫、干粉、二氧化碳、砂土。
毒性LD5078mg/kg(大鼠经口)LC50对人体危害侵入途径:吸入、食入、经皮肤吸收。
健康危害:吸入、口服或经皮肤吸收可能至死。
对眼睛、皮肤、粘膜和呼吸道有强烈刺激作用。
吸入后可引起喉、支气管的痉挛、水肿,化学性肺炎、肺水肿而至死。
中毒表现有烧灼感、咳嗽、喘息、喉炎、气短、头痛、恶心和呕吐。
急救皮肤接触:立即脱去被污染的衣着,用大量流动清水冲洗,至少15分钟。
就医。
眼睛接触:立即提起眼睑,用大量流动清水或生理盐水冲洗彻底冲洗至少15分钟。
就医。
吸入:迅速脱离现场至空气新鲜处,保持呼吸道通畅。
如呼吸困难,给输氧。
如呼吸停止,立即进行人工呼吸。
叔丁胺标准
叔丁胺(又称为N,N-二甲基丙胺或TBA)是一种有机化合物,化学式为 (CH3)3CNH2。
它是一种无色液体,可溶于水和大多数有机溶剂。
叔丁胺的主要用途是作为溶剂、碱催化剂和原料。
它可以用于有机合成反应中的去质子化反应、碱催化的反应和烷基化反应等。
叔丁胺的标准通常包括以下几个方面:
1. 外观和物理性质:叔丁胺应为无色液体,无杂质和悬浮物。
2. 含量测定:可以使用气相色谱(GC)或高效液相色谱(HPLC)等方法来测定叔丁胺的含量。
3. 水含量:水含量是叔丁胺质量的重要指标,通常使用卡尔费伯法(Karl Fischer method)或重量法进行测定。
4. 酸度:酸度指示了叔丁胺的酸碱性质,通常使用酸度滴定法来测定。
5. 不溶性物:叔丁胺在水中的不溶性应低于一定的限度,通常通过过滤或离心过滤等方法进行检验。
6. 其他杂质检验:叔丁胺还应检测其他可能存在的杂质,例如有机溶剂、重金属离子等。
以上是一般情况下叔丁胺的标准要求,具体标准可能会根据产品的用途、厂家要求和相关行业标准有所不同。
在使用叔丁胺时应严格按照产品标准进行操作,并注意相关安全操作规程。
火灾危险性分类标准1 根据现行国家标准《建筑设计防火规范》GB 50016的规定,生产的火灾危险性应根据生产中使用或产生的物质性质及其数量等因素划分,可分为甲、乙、丙、丁、戊类,并应符合表3的规定。
表3 生产火灾危险性分类根据现行国家标准《建筑设计防火规范》GB 50016的规定,储存物品的火灾危险性应根据储存物品的性质和储存物品中可燃物数量等因素划分,可分为甲、乙、丙、丁、戊类,并应符合表4的规定。
表4 储存物品火灾危险性分类可燃气体的火灾危险性分类举例见表5,甲、乙、丙类固体的火灾危险性分类举例见表6。
表5 可燃气体火灾危险性分类举例表6 甲、乙、丙类固体火灾危险性分类举例精细化工企业与石油化工企业工艺过程类似,所涉及到的液化烃、可燃液体介质性质也类似或相同,都具有易燃、易爆的特征,因此本标准对液化烃、可燃液体的火灾危险性分级及操作温度对乙、丙类可燃液体火灾危险性的影响等问题与现行国家标准《石油化工企业设计防火规范》GB 50160一致,其分级见表7。
表7 液化烃、可燃液体的火灾危险性分级续表7操作温度超过其闪点的乙类液体应视为甲B 类液体;操作温度超过其闪点的丙A 类液体应视为乙A 类液体;操作温度超过其闪点的丙B 类液体应视为乙B 类液体,操作温度超过其沸点的丙B 类液体应视为乙A 类液体。
对于闪点小于60℃且不小于55℃的轻柴油,当储罐操作温度不大于40℃时,其火灾危险性可视为丙A 类。
液化烃、可燃液体的火灾危险性分级举例见表8。
表8 液化烃、可燃液体的火灾危险性分级举例续表83.0.2 本条规定了精细化工厂房或仓库生产火灾危险性类别的确定原则。
有的精细化工企业由于工艺生产的特性需要,将不同火灾危险性类别的生产布置在同一座厂房内,不同生产场所之间采用防火墙或防爆墙分隔;当满足一定条件时,各生产场所可分别按各自的火灾危险性类别进行防火设计。
第1款火灾危险性较大的生产部分占本层或本防火建筑面积比例小于5%的仍按《建筑设计防火规范》GB 50016的相关条款执行;当比例在5%~20%时,按本款执行,含甲类生产部分时不适用。
第一部分:化学品名称回目录化学品中文名称:叔丁胺化学品英文名称:tert-butylamine中文名称2:1,1-二甲基乙胺英文名称2:1,1-dimethylethylamine技术说明书编码:353CAS No.:75-64-9分子式:C4H11N分子量:73.14第二部分:成分/组成信息回目录有害物成分含量CAS No.有害物成分含量CAS No. 叔丁胺75-64-9第三部分:危险性概述回目录健康危害:吸入、口服或经皮肤吸收可能致死。
对眼睛、皮肤、粘膜和呼吸道有强烈刺激作用。
吸入后可引起喉、支气管的痉挛、水肿,化学性肺炎、肺水肿而致死。
中毒表现有烧灼感、咳嗽、喘息、喉炎、气短、头痛、恶心和呕吐。
燃爆危险:本品易燃,高毒,具强刺激性。
第四部分:急救措施回目录皮肤接触:立即脱去污染的衣着,用大量流动清水冲洗至少15分钟。
就医。
眼睛接触:立即提起眼睑,用大量流动清水或生理盐水彻底冲洗至少15分钟。
就医。
吸入:迅速脱离现场至空气新鲜处。
保持呼吸道通畅。
如呼吸困难,给输氧。
如呼吸停止,立即进行人工呼吸。
就医。
食入:用水漱口,给饮牛奶或蛋清。
就医。
第五部分:消防措施回目录危险特性:易燃,其蒸气与空气可形成爆炸性混合物,遇明火、高热能引起燃烧爆炸。
与氧化剂能发生强烈反应。
其蒸气比空气重,能在较低处扩散到相当远的地方,遇火源会着火回燃。
具有腐蚀性。
有害燃烧产物:一氧化碳、二氧化碳、氧化氮。
灭火方法:喷水冷却容器,可能的话将容器从火场移至空旷处。
灭火剂:抗溶性泡沫、二氧化碳、干粉、砂土。
第六部分:泄漏应急处理回目录应急处理:迅速撤离泄漏污染区人员至安全区,并进行隔离,严格限制出入。
切断火源。
建议应急处理人员戴自给正压式呼吸器,穿防毒服。
不要直接接触泄漏物。
尽可能切断泄漏源。
防止流入下水道、排洪沟等限制性空间。
小量泄漏:用砂土、干燥石灰或苏打灰混合。
也可以用大量水冲洗,洗水稀释后放入废水系统。
大量泄漏:构筑围堤或挖坑收容。
叔丁胺盐酸盐沸点-概述说明以及解释1.引言1.1 概述叔丁胺盐酸盐是一种常用的化学物质,其沸点是许多研究和工业应用中的重要参数。
通过了解叔丁胺盐酸盐的沸点,可以更好地理解它的物理性质和应用范围。
在本文中,我们将首先介绍叔丁胺和盐酸盐的基本性质,然后重点讨论叔丁胺盐酸盐的沸点及其影响因素。
最后,我们将对相关研究的结果进行总结,并探讨其在化学工业和科学研究中的潜在应用。
通过本文的阅读,读者将获得关于叔丁胺盐酸盐沸点的全面了解,包括其定义、测定方法和相关参数。
此外,我们还将介绍叔丁胺盐酸盐的物理性质和化学性质,以便读者更好地理解其在实际应用中的作用。
通过对叔丁胺盐酸盐的研究,我们可以更好地理解其在化学领域的应用潜力。
叔丁胺盐酸盐在有机合成中常用作碱催化剂,可以促进多种有机反应的进行。
此外,叔丁胺盐酸盐还具有良好的可溶性和热稳定性,在某些特定的工业生产过程中发挥着重要作用。
综上所述,叔丁胺盐酸盐的沸点是一个重要的物理参数,在化学工业和科学研究中有着广泛的应用。
对叔丁胺盐酸盐沸点的深入理解可以帮助我们更好地掌握其物理性质和化学性质,并为其在实际应用中的优化提供指导。
在未来的研究中,我们可以进一步探索叔丁胺盐酸盐的特性,以期在更广泛的应用领域中发挥其重要作用。
1.2 文章结构文章结构部分的内容可以包括以下内容:在本文中,我们将按照以下结构来介绍叔丁胺盐酸盐的沸点。
首先,我们会给出叔丁胺和盐酸盐的概述,包括它们的化学性质和用途。
接着,我们将详细描述叔丁胺和盐酸盐的性质,包括它们的物理性质和化学性质。
然后,我们会重点讨论叔丁胺盐酸盐的沸点,包括叔丁胺和盐酸盐的沸点对比以及影响叔丁胺盐酸盐沸点的因素。
最后,我们会对本文的研究结果进行总结,并给出一些结论和展望。
通过这样的结构,读者能够清晰地理解本文的组织架构,并能够有条理地获取关于叔丁胺盐酸盐的沸点的知识。
同时,这样的结构也使得读者能够更好地跟随作者的思路,从而更好地理解和掌握相关的知识和信息。
第一部分化学品及企业标识化学品中文名:叔丁胺化学品英文名:tert-butylamine;2-amino-2-methylpropane化学品别名:2-氨基-2-甲基丙烷;特丁胺CASNo.:75-64-9ECNo.:200-888-1分子式:C4H11N产品推荐及限制用途:主要用作橡胶添加剂、杀虫剂、杀菌剂、染料、医药等的中间体。
第二部分危险性概述紧急情况概述液体。
高度易燃,其蒸气与空气混合,能形成爆炸性混合物。
吞食后有毒。
有严重损害眼睛的危险。
吸入有毒。
对水生环境可能会引起长期有害作用。
GHS危险性类别根据GB30000-2013化学品分类和标签规范系列标准(参阅第十六部分),该产品分类如下:易燃液体,类别2;急毒性-口服,类别3;皮肤腐蚀/刺激,类别1;眼损伤/眼刺激,类别1;急毒性-吸入,类别3;危害水生环境-慢性毒性,类别3。
标签要素象形图警示词:危险危险信息:高度易燃液体和蒸气,吞咽会中毒,造成严重皮肤灼伤和眼损伤,造成严重眼损伤,吸入会中毒,对水生生物有害并具有长期持续影响。
预防措施:远离热源、热表面、火花、明火以及其它点火源。
禁止吸烟。
保持容器密闭。
容器和接收设备接地和等势联接。
使用不产生火花的工具。
采取措施,防止静电放电。
不要吸入粉尘/烟/气体/烟雾/蒸气/喷雾。
作业后彻底清洗。
使用本产品时不要进食、饮水或吸烟。
只能在室外或通风良好之处使用。
避免释放到环境中。
戴防护手套/穿防护服/戴防护眼罩/戴防护面具。
事故响应:呼叫中毒急救中心/医生。
漱口。
沾染的衣服清洗后方可重新使用。
如误吞咽:立即呼叫中毒急救中心/医生。
如误吸入:将受人转移到空气新鲜处,保持呼吸舒适的体位。
如误吞咽:漱口。
不要诱导呕吐。
如皮肤(或头发)沾染:立即去除/脱掉所有沾染的衣服。
用水清洗皮肤或淋浴。
如进入眼睛:用水小心冲洗几分钟。
如戴隐形眼镜并可方便地取出,取出隐形眼镜。
继续冲洗。
安全储存:存放处须加锁。
存放在通风良好的地方。
170种危险化学品安全技术说明书汇编(MSDS)001 乙炔气002 氧气003 二氧化碳004 氢气005 氩气006 甲烷007 四氢噻吩008 三乙胺009 硫代磷酰氯010 硝酸011 硫黄012 甲胺磷013 多聚甲醛014(附3)甲缩醛015 黄磷016 氯017 三氯化磷018 甲醇019 液碱020 氨水021 硫酸二甲酯022 甲胺磷023 液氨024 氯仿025 二氯乙烷026 二硫化碳027 甲苯029 氯甲烷030 硫酸031 二甲苯032 醋酸酐033 多聚甲醛034 草甘膦035 稻瘟灵036 异丙胺037 漂白粉038 氯化氢039 氰化氢040 氰化钠041 氯乙酸042 甲缩醛043 丙烯腈044 氧化亚铜045 四氯化锡046 四氧化三铅047 三氯化铝(无水)048 松香水049 红丹油性防锈漆050 酚醛树脂051 硫磺粉(补充) 052 一乙胺053三聚氯氰054 三氯乙烯055 磷酸057 柴油058 对氨基苯酚059 醋酸乙酯060 对氯硝基苯061 氮气062莠去津063 扑草净064 八氯二丙醚065 硫化钠066 异丙醇067 丙酮068 二氯丙烷069 环己酮070 乙酸异戊酯071 锌粉072 乙醇073 次氯酸钠溶液074 石脑油075 双环戊二烯076 乙酸丁酯077 双氧水078 丙烯酸丁酯079 丙烯酸080 苯乙烯081 过硫酸铵082 过硫酸钾083 丙烯酰胺084 甲醛085 甲基丙烯酸甲酯086 甲基丙烯酸087 汽油088 乙酸089 丙烯酸树脂090 丙烯酸清漆091 丙烯酸漆稀释剂092 丙烯酸磁漆093 二乙醇胺094 煤油095 漂白粉096 漂粉精097 三氯异氰尿酸098 松香099 松节油100 硫化钠101 保险粉102 7385聚氨酯清漆(分装)103 甲酸104 乙酸乙二醇乙醚105 H-3聚氨酯漆固化剂106 聚氨酯漆稀释剂107 263醇酸树脂108 异噻唑啉酮109 N-乙基苯胺110 苯胺111 乙酰甲胺磷112 亚磷酸113 亚磷酸二甲酯114 氯甲烷115 乙醚116 丙烯酸甲酯117 一甲胺118 硝酸镁119 硫化氢120 硫化铵121 一甲胺水溶液122 兔宝宝面漆123 兔宝宝稀释剂124 硫氢化钠125丙酸126乙酰氯127丙酰氯128 丁醇129 醇酸调合漆(未列名)129 碳化钙、电石130 硝酸钠131 溴甲烷132 磷化铝133 正丁醇134 硝基木器漆135 硝化棉(含氮≤12.6%)136 单丁醚137 砷138 碘化汞139 氯化汞140 叠氮化钠141 重铬酸钠142 高锰酸钾143 氰化金钾144 丙烯酸145 甲基丙烯酸甲酯146 苯乙烯147 丙烯酸丁酯148 丁醇149 偶氮二异丁腈150 甲基丙烯酸异丁酯151 甲基丙烯酸(正)丁酯152 乙酰丙酮153 2-丁酮154 生松香155 硫酸铜156 氰化钾157 硝基苯158 氟化钠159 氢氟酸160 蓄电池(注有酸液)161 环氧树脂162 氯苯163 乙苯164 樟脑165 赛璐珞166 氢氧化钾167 乙酸丁酯168 NN-二甲基甲酰胺169 叔丁胺170 氯化亚砜001 乙炔气002 氧气003 二氧化碳006 甲烷007 四氢噻吩008 三乙胺009 硫代磷酰氯012 甲胺磷013 多聚甲醛014(附3)甲缩醛015 黄磷016 氯017 三氯化磷018 甲醇019 液碱020 氨水021 硫酸二甲酯022 甲胺磷023 液氨024 氯仿025 二氯乙烷026 二硫化碳027 甲苯028 盐酸029 氯甲烷030 硫酸031 二甲苯032 醋酸酐033 多聚甲醛034 草甘膦035 稻瘟灵036 异丙胺。
MSDS物质安全资料表001 乙炔气002 氧气003 二氧化碳004 氢气005 氩气006 甲烷007 四氢噻吩008 活性炭009 三乙胺010 硫代磷酰氯011 硫黄012 甲胺磷013 多聚甲醛014 甲缩醛015 黄磷016 氯017 三氯化磷018 甲醇019 液碱020 氨水021 硫酸二甲酯022 甲胺磷023 液氨024 氯仿025 二氯乙烷026 二硫化碳027 甲苯028 盐酸029 氯甲烷030 硫酸031 二甲苯032 醋酸酐033 多聚甲醛034 草甘膦035 稻瘟灵036 异丙胺037 漂白粉038 氯化氢039 氰化氢040 氰化钠041 氯乙酸042 甲缩醛043 丙烯腈044 氧化亚铜045 四氯化锡046 四氧化三铅047 三氯化铝(无水)048 松香水049 红丹油性防锈漆050 酚醛树脂051 硫磺粉(补充)052 一乙胺053三聚氯氰054 三氯乙烯055 磷酸056 四丁基锡057 柴油058 对氨基苯酚059 醋酸乙酯060 对氯硝基苯061 氮气062莠去津063 扑草净064 八氯二丙醚065 硫化钠066 异丙醇067 丙酮068 二氯丙烷069 环己酮070 乙酸异戊酯071 锌粉072 乙醇073 次氯酸钠溶液074 石脑油075 双环戊二烯076 乙酸丁酯077 双氧水078 丙烯酸丁酯079 丙烯酸080 苯乙烯081 过硫酸铵082 过硫酸钾083 丙烯酰胺084 甲醛085 甲基丙烯酸甲酯086 甲基丙烯酸087 汽油088 乙酸089 丙烯酸树脂090 丙烯酸清漆091 丙烯酸漆稀释剂092 丙烯酸磁漆093 二乙醇胺094 煤油095 漂白粉096 漂粉精097 三氯异氰尿酸098 松香099 松节油100 硫化钠101 保险粉102 7385聚氨酯清漆(分装)103 甲酸104 乙酸乙二醇乙醚105 H-3聚氨酯漆固化剂106 聚氨酯漆稀释剂107 263醇酸树脂108 异噻唑啉酮109 N-乙基苯胺110 苯胺111 乙酰甲胺磷112 亚磷酸113 亚磷酸二甲酯114 氯甲烷115 乙醚116 丙烯酸甲酯117 一甲胺118 硝酸镁119 硫化氢120 硫化铵121 一甲胺水溶液122 兔宝宝面漆123 兔宝宝稀释剂124 硫氢化钠125 丙酸126 乙酰氯127 丙酰氯128 丁醇129 醇酸调合漆130 硝酸钠131 溴甲烷132 磷化铝133 正丁醇134 硝基木器漆135 硝化棉(含氮≤12.6%)136 单丁醚137 砷138 碘化汞139 氯化汞140 叠氮化钠141 重铬酸钠142 高锰酸钾143 氰化金钾144 丙烯酸145 甲基丙烯酸甲酯146 苯乙烯147 丙烯酸丁酯148 丁醇149 偶氮二异丁腈150 甲基丙烯酸异丁酯151 甲基丙烯酸(正)丁酯152 乙酰丙酮153 2-丁酮154 生松香155 硫酸铜156 硝酸157 氰化钾158 硝基苯159 氟化钠160 氢氟酸161 蓄电池(注有酸液)162 环氧树脂163 氯苯164 乙苯165 樟脑166 赛璐珞167 氢氧化钾168 乙酸丁酯169 NN-二甲基甲酰胺170 叔丁胺171 氯化亚砜172 碳化钙、电石001 乙炔气标识中文名:乙炔英文名:acetylene分子式:C2H2 分子量:26.04 CAS号:74-86-2 危规号:21024理化性质性状:无色无臭气体,工业品有使人不愉快的大蒜气味溶解性:微溶于水、乙醇,溶于丙酮、氯仿、苯熔点(℃):-81.8(119kpPa)沸点(℃):-83.8 相对密度(水=1):0.62临界温度(℃):35.2 临界压力(MPa):6.14 相对密度(空气=1):0.91燃烧热(KJ/mol):1298.4 最小点火能(mJ):饱和蒸汽压(KPa):4053(16.8℃)燃烧爆炸危险性燃烧性:易燃燃烧分解产物:一氧化碳、二氧化碳闪点(℃):无意义聚合危害:聚合爆炸下限(%):2.1 稳定性:稳定爆炸上限(%):80.0 禁忌物:强氧化剂、强酸、卤素引燃温度(℃):305 最小点火能(mJ):0.02危险特性:极易燃烧爆炸。
每天学西药——培哚普利叔丁胺
培哚普利叔丁胺
Peiduopuli Shuding’an
Perindopril tert-Butylamine
培哚普利叔丁胺,抗高血压药,主要制剂为片剂。
化学结构式
本品为(2S,3aS,7aS)-1-[(S)-N-[(S)-1-乙氧羰酰基丁基]丙氨酰]八氢-2-吲哚甲酸叔丁铵盐。
按无水物和无溶剂物计算,含C19H32N2O5· C4H11N不得少于 99.0% 。
性状
本品为白色或类白色结晶性粉末。
本品在水或乙醇中易溶。
比旋度取本品,精密称定,加乙醇溶解并定量稀释制成每 1ml 中约含 10mg 的溶液,依法测定(通则 0621),比旋度应为—66° 至—69°。
药理作用
培哚普利为前体药,属含羧基类,对收缩压作用大于舒张压,对动脉干有扩张作用和弹性修复作用,服药后在1个月内血压降至正常,降压作用平稳,停止治疗后不反跳。
药代动力学
口服吸收迅速且完全,进食会影响生物利用度,3~4小时后活性代谢物达峰值,其游离部分的清除半衰期大约为17小时,4天内可达到稳态。
生物利用度为65%~95%,大约75%的药物从尿中排出,25%从粪中排出。
未发现培哚普利蓄积。
适应症
原发性高血压、慢性心功能不全、急性心肌梗死后二级预防。
禁忌症
对本药过敏者,儿童、妊娠期及哺乳期妇女。
贮藏
遮光,严封,在阴凉干燥处保存。
来源:《中国药典》2020年版2部,2020国家执业药师职业资格考试指南——药学专业知识(一)。
叔丁胺化学叔丁胺是一种重要的有机化合物,在化学界被广泛应用。
它与其它有机化合物有一定的化学相似性,可以用于生物反应,从而提高生物反应的效率,也可以调节有机分子的结构,改变有机分子的性质。
因此,叔丁胺在化学研究中具有重要意义。
叔丁胺可以分为醇胺类和酰胺类。
其中,醇胺类包括乙醇胺、丙醇胺、丁醇胺和异丙醇胺等,它们的结构分子式分别为:CHNHCHCH、CHNHCHCH、CHNHCHCH和CHNHCHCH。
酰胺类则是指氨基酸酰胺,包括丙氨酸、缬氨酸和苯丙氨酸等,它们的结构分子式分别为:CHNHCOCH、CHNHCOCH和CHNHCOCH。
叔丁胺在化学反应中有多重应用。
其一,可以用作脱氢剂,可分解它们的氨基,使其与其它有机物发生反应,从而制备新的有机化合物。
例如,乙醇胺可以与苯乙烯发生反应,生成氮烷芳烃化合物。
另外,叔丁胺也可用作还原剂,可以将芳香族衍生物转化为芳香族烃,例如甲基丙烯酸可以用叔丁胺还原为丙烯醛等。
叔丁胺还具有抗氧化作用,可以有效抑制脂质过氧化,从而降低人体组织中的氧化应激反应。
此外,叔丁胺也可以与药物类物质发生反应,从而抑制其作用。
例如,丙醇胺可以与抗癫痫药物“多巴胺”发生反应,抑制其药效。
叔丁胺的反应特性取决于其结构的特性。
它们的结构是一个键紧,包含一个氢原子,因此它们受到弱酸性的影响,可以和受体分子结合,改变结合的热力学特性。
另外,它们还受到不对称磁场的影响,因此可以控制有机物质的绝对构型,从而改变有机物质的性质和物理化学性质。
此外,叔丁胺还可以作为有机合成中的重要中间体。
由于其稳定性和多样化的结构,可以与其他有机物质发生反应,从而形成复杂的有机化合物。
例如,乙氨酸可以与乙醇胺发生反应,合成乙氨醇。
综上所述,叔丁胺在化学反应中发挥着重要作用。
它可以用作脱氢剂、还原剂、抗氧化剂和抑制剂等,从而改变反应物的性质和结构,提高反应效率,可用于合成复杂的有机物质,发挥着重要的作用。
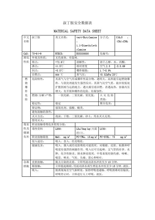
叔丁胺(1,1-二甲基乙胺)安全技术说明书标识中文名:叔丁胺 1,1-二甲基乙胺英文名:t-butyiamine;1,1-dimethylethylamine 分子式:C4H11N 分子量:73.14 CAS号:75-64-9 危规号:32172理化性质性状:无色液体,有氨味。
溶解性:溶于水,溶于无水乙醇、苯、氯仿、乙醚等多数有机溶剂。
熔点(℃):-72.6 沸点(℃):44.5 相对密度(水=1): 0.69 临界温度(℃):210.8 临界压力(MPa):3. 84 相对密度(空气=1):2.5 燃烧热(KJ/mol):2992.9 最小点火能(mJ):无资料饱和蒸汽压(KPa):45.32(25℃)燃烧爆炸危险性燃烧性:易燃燃烧分解产物:一氧化碳、二氧化碳、氧化氮。
闪点(℃):-8.8 聚合危害:不聚合爆炸下限(%):1.7 稳定性:稳定爆炸上限(%):8.9 最大爆炸压力(MPa):无资料引燃温度(℃):380 禁忌物:强氧化剂、强酸、酸类。
危险特性:易燃,其蒸汽与空气可形成爆炸性混合物。
遇明火、高热能引起燃烧爆炸。
与氧化剂能发生强烈反应。
其蒸汽比空气重,能在较低处扩散到相当远的地方,遇明火会引起回燃,具有腐蚀性。
灭火方法:喷水冷却容器,可能的话将容器从火场移至空旷处。
灭火剂:抗溶性泡沫、干粉、二氧化碳、砂土。
毒性接触限值:中国MAC:未制定标准苏联MAC:未制定标准美国TWA:未制定标准美国STEL:未制定标准急性毒性:属高毒类 LD50:78mg/kg(大鼠经口) LC50:对人体危害侵入途径:吸入、食入、经皮肤吸收。
健康危害:吸入、摄入或经皮肤吸收可能致死。
对眼睛、皮肤、粘膜和呼吸道有强烈的刺激作用。
吸入后可引起喉、支气管的痉挛、水肿,化学性肺炎、肺水肿而致死。
中毒表现有烧灼感、咳嗽、喘息、喉炎、气短、头痛、恶心和呕吐。
急救皮肤接触:立即脱去被污染的衣着,用大量流动清水冲洗,至少15分钟。