材料工艺与设备-期末考试A卷
- 格式:docx
- 大小:52.64 KB
- 文档页数:6
工艺学期末考试题及答案一、单项选择题(每题2分,共20分)1. 工艺学是研究什么的科学?A. 产品的设计和开发B. 生产过程的组织和实施C. 材料的加工和处理D. 产品的营销和销售答案:B2. 工艺学中,工艺流程图的主要作用是什么?A. 展示产品的外观设计B. 描述产品的结构组成C. 表示生产过程中的各个步骤D. 记录产品的使用说明答案:C3. 在工艺学中,以下哪个不是工艺参数?A. 温度B. 压力C. 材料成本D. 速度答案:C4. 工艺学中的“六西格玛”管理法主要用于提高什么?A. 产品的设计质量B. 生产过程的效率C. 产品的市场竞争力D. 产品的可靠性和一致性答案:D5. 工艺学中,以下哪个不是质量控制的方法?A. 统计过程控制B. 质量审计C. 产品召回D. 故障树分析答案:C6. 工艺学中,以下哪个不是生产计划的内容?A. 生产目标B. 生产资源分配C. 产品定价D. 生产进度安排答案:C7. 工艺学中,以下哪个不是生产过程的优化目标?A. 提高生产效率B. 降低成本C. 增加产品多样性D. 减少环境污染答案:C8. 工艺学中,以下哪个不是生产设备的维护管理?A. 定期检查B. 故障维修C. 设备升级D. 产品开发答案:D9. 工艺学中,以下哪个不是工艺设计的原则?A. 经济性B. 可靠性C. 创新性D. 随意性答案:D10. 工艺学中,以下哪个不是工艺文件的类型?A. 工艺流程图B. 操作手册C. 财务报表D. 工艺卡片答案:C二、多项选择题(每题3分,共15分)11. 工艺学中,以下哪些是工艺设计需要考虑的因素?A. 材料特性B. 设备能力C. 环境影响D. 市场需求答案:ABCD12. 工艺学中,以下哪些是工艺流程优化的方法?A. 工艺重组B. 工艺合并C. 工艺分割D. 工艺标准化答案:ABCD13. 工艺学中,以下哪些是工艺参数优化的目标?A. 提高产品质量B. 减少能源消耗C. 降低生产成本D. 提高生产效率答案:ABCD14. 工艺学中,以下哪些是工艺设备管理的内容?A. 设备选型B. 设备维护C. 设备升级D. 设备报废答案:ABCD15. 工艺学中,以下哪些是工艺质量控制的方法?A. 过程控制B. 质量检验C. 质量改进D. 质量保证答案:ABCD三、判断题(每题2分,共20分)16. 工艺学是一门综合性科学,涉及多个学科领域。
《材料与成型工艺》期末考试试卷附答案一、填空题(共15空,每空2分,共30分)1. 手工造型的主要特点是适应性强、、生产准备时间短和,在成批和中采用机械造型。
2. 常用的特种铸造方法有熔模铸造、、压力铸造、和离心铸造。
3. 铸件的凝固方式是按来划分的,有中间凝固和糊状凝固三种凝固方式。
纯金属和共晶成分的合金是按方式凝固。
4. 铸造合金在凝固过程中的收缩分三个阶段,其中液态收缩和凝固收缩是铸件产生缩孔和缩松的根本原因,而收缩是铸件产生变形、裂纹的根本原因。
5. 铸钢铸造性能差的原因主要是熔点高,流动性差和。
6. 影响合金流动性的内因有,外因包括和黏度和液态合金的温度。
7. 铸造生产的优点是成形方便、和成本低,缺点是、铸件质量不够稳定和。
二、判断题(共10小题,每小题3分,共30分)1. 铸造热应力最终的结论是薄壁或表层受拉。
()2. 铸件的主要加工面和重要的工作面浇注时应朝上。
()3. 冒口的作用是保证铸件的同时冷却。
()4. 铸件上宽大的水平面浇注时应朝下。
()5. 铸造生产特别适合于制造受力较大或受力复杂零件的毛坯。
()6. 收缩较小的灰铸铁可以采用定向(顺序)凝固原则来减少或消除铸造内应力。
()7. 相同的铸件在金属型铸造时,合金的浇注温度应比砂型浇注时低。
()8. 压铸由于熔融金属是在高压下快速充型,合金的流动性很强。
()9. 铸件的分型面应尽量使重要的加工面和加工基准面在同一砂箱内,以保证铸件精度。
()10.采用震击紧实法紧实砂型时,砂型下层的紧实度小于上层的紧实度。
()三、选择题(共10小题,每小题3分,共30分)1、形状复杂的高熔点难切削合金精密铸件的铸造应采用()A 金属型铸造B 熔模铸造C 压力铸造2、铸造时冒口的主要作用是()A 增加局部冷却速度B 补偿热态金属,排气及集渣C 提高流动性3、下列易产生集中缩孔的合金成分是()A 0.77%CB 球墨铸铁C 4.3%C4、下列哪种铸造方法生产的铸铁不能进行热处理,也不适合在高温下使用()A 金属型铸造B 压力铸造C 熔模铸造5、为了消除铸造热应力,在铸造工艺上应保证()A 顺序凝固B 同时凝固C 内浇口开在厚壁处6、直浇口的主要作用是()A 形成压力头,补缩B 排气C 挡渣7、在各种铸造方法中,砂型铸造对铸造合金种类的要求是()A 以碳钢、合金钢为主B 以黑色金属和铜合金为主C 能适用于各种铸造合金8、制造模样时,模样的尺寸应比零件大一个()A 铸件材料的收缩量B 机械加工余量C 铸件材料的收缩量+机械加工余量9、下列零件适合于铸造生产的有()A 车窗上进刀手轮B 螺栓C 自行车中轴10、普通车床床身浇注时,导轨面应()A 朝上B 朝下C 朝左侧四、名词解释(共2小题,每小题5分,共10分)1.铸造:2.热应力:材料与成型工艺参考答案:一、填空题1.设备简单成本低大量生产2.金属型铸造低压铸造3.凝固区域宽度大小逐层凝固逐层4.固态5.收缩大6.液态合金的化学成分液态合金的导热系数7.适应性强铸件力学性能较低废品率高二、判断错错错对错错错对对错三、单选BBCBB ACCAB四、名词解释1.铸造:将液态金属浇注到与零件的形状相适应的铸型型腔中冷却后获得铸件的方法。
衢州学院2015—2016学年第1学期
《材料成型工艺及设备》课程期末考试试题答案(A) 专业、班级:机械设计制造及自动化3班姓名:学号:
三、简述题(每题5分三小题共15分)根据下面题意写出答案
题目一:简述曲柄压力机中飞轮的特点及其作用。
特点:半径大,质量大,中间薄,边缘厚
作用:储存和释放能量,带动曲柄转动使得整个曲柄连杆滑块进行运动
题目二:写出不小于3种液压机典型的结构形式。
1)梁柱组合式:典型的形式。
常见的有三梁四柱结构,由上横梁、下横梁、活动横梁,四个立柱与12个内外螺母组成一个框架。
2)单臂式:主要用于小型液压机,机架整体为铸钢结构或者钢板焊接结构,结构简单,刚性较差有时笨重。
3)双柱下拉式:两根立柱以及上下横梁组成一个可动封闭框架。
中心低稳定性好,抗偏心载荷性能好。
4)框架式:整个框架可整体焊接或者整体铸钢。
刚性好、导向精度高、疲劳能力较强。
题目三:卧式冷压室压铸机与立式冷压室压铸机相比,卧式冷压室压铸机的优缺点。
卧式与立式冷压室压铸机相比,其压室结构简单,故障少,维修方便,易于实现自动化;金属液流程短,压力和热量损失少,铸件致密性好。
但卧式冷压室压铸机压室内德金属液会与空气接触,产生氧化表面较大,而且氧化渣等杂质会进入模腔,影响压铸件质量。
四、补图题(每题5分四小题共20分)补全下列各题中的图
题目一:
题目二:请在空白处填写部件的名称。
题目三:请在空白处填写部件的名称。
1合模装置2注射装置3液压传动系统4电器控制系统题目四:请在空白处填写部件的名称。
填空题(30分)简答题(40分)论述题(30分)1.三大材料无机非金属材料、金属材料、高分子材料2.玻璃的通性各向同性、无固定熔点、亚稳性、性质变化的连续性与可逆性3.玻璃的结构特点长程无序、短程有序4.玻璃的结构理论晶子学说:玻璃是由无数的“晶子”所组成,晶子不同于一般微晶,他是尺寸小的晶格,极易变形的有序排列区域。
即玻璃种存在一定的有序区域。
无规则网络学说:指出了玻璃形成时所需要的氧化物。
5.玻璃生产工艺中的四大稳、玻璃熔制过程的四小稳四大稳:原料稳、燃料稳、熔化稳、成型退火稳四小稳:温度稳、压力稳、液面稳、泡界线稳6.玻璃的熔制过程五个阶段及其特点1)硅酸盐的形成(800~900℃)Na2O+SiO2→Na2SiO3CaO+SiO2→CaSiO3MgO+SiO2→MgSiO32)玻璃的形成当温度继续上升,SiO2未熔物开始熔化、扩散。
这时的反应温度是1200~1350℃。
烧结体出现熔融变成了不透明体,并有大量气泡。
气泡主要是碳酸盐分解:CaCO3→CaO+CO2Na2CO3→N2O+CO23)玻璃的澄清:是指所形成的玻璃排出可见气泡的过程。
澄清温度一般是1400~1500℃,此时玻璃液中的气体、气泡、窑炉内的气体存在着三者的动态平衡。
4)玻璃的均化均化:就是排除条纹,在澄清温度附近,使玻璃达到化学均匀和热均匀。
影响均匀的因素:扩散,表面张力,流动。
5)玻璃的冷却:就是将合格的玻璃液冷却,但冷却过程要缓慢平稳。
浮法玻璃冷却:1200-1150℃制球:1320℃拉丝;1280℃垂直引上:1020-980℃在冷却的过程中主要防止温度的上下波动。
防止二次气泡的产生。
7.成分对玻璃的粘度的影响8.玻璃的料性及其对生产的指导意义料性:随温度变化,粘度变化速率不同,这种情况称为玻璃具有不同的料性。
料性短,变化率快,易于成型;料性长,变化率慢,不易成型。
9.温度对玻璃粘度的影响温度越高,粘度越小,稳定性越好。
材料工艺学复习题一、选择题1.普通纸面石膏板厚度是()A.1.2厘米B.1.0厘米C.0.95厘米D.0.75厘米2.现代建筑中常用的线管及水管主要材料为()A.橡胶材料B.陶瓷材料C.塑料材料D.木质材料3.石材地面的铺贴顺序为()A.清理基层—选料弹线—摊铺水泥砂浆—铺贴—灌浆清理—养护B.清理基层—找平弹线—板材洒水—铺贴标准块—摊铺水泥砂浆—铺贴—灌浆清理—养护C.清理基层—找平弹线—摊铺水泥砂浆—铺贴—板材洒水—灌浆清理—养护D.清理基层—铺贴标准块—找平弹线—摊铺水泥砂浆—铺贴—灌浆清理—养护4.玻璃是以()、纯碱、石灰石等无机氧化物为主要原料,与某些辅助性原料经高温熔融,成型后经过冷却而成的固体。
A.碎玻璃B. 石英砂C.氧化钠D.氧化硅5.宜兴紫砂壶属于什么材料()A.陶器B.瓷器C.无釉细炻器D.复合陶器6.钢化玻璃可以分为物理钢化与()A.冷热钢化B.化学钢化C.强化钢化D.特殊钢化7.黄铜为铜与()的合金体A.锌B.镍C.铝D.金8.通常所说的PVC材料就是( )A. 聚苯乙烯B. 聚氯乙烯C. 聚乙烯D.聚酰胺9.复合强化地板表面的耐磨层主要含有 ( )A.三氧化二铝B. 酚醛树脂C.氧化钠D.碳化钠10.复合强化木地板首先是具有很高的耐磨性,表面耐磨耗为普通油漆木地板的()倍。
A.5-10B.10-30C.30-50D.5011.墙纸禁止在()处拼缝A.阴角B.阳角C.石膏板缝D.材料拼接处12.有机玻璃板材,俗称有机玻璃。
它是一种具有极好透光率的热塑性塑料。
以下哪个不是有机玻璃的属性()A. 透光性极好B. 质地较脆C. 抗寒性及耐候性都较好D.机械强度很高13. 钢材表面通常通过何种处理防锈()A.镀锌B.镀镍C.镀铬D.镀铜14. 以下哪个不属于合成纤维的是()A. 涤纶B.锦纶C. 腈纶D. 人造丝15. 下列何种地面需要铺设龙骨安装()A.复合地板B.塑料地板C.实木地板D.羊毛地毯16.以下哪个是实木地板进口树种的()A.榉木B.柞木C.白桦D.紫檀木17. 铝合金经过何种处理可以着色做成装饰品()A.阳极氧化处理 B.染料浸泡 C.涂料涂刷 D.色彩贴纸裱贴18. 户外台阶的石材表面经常做一些处理起到防滑的作用,以下哪种石材表面处理不适宜做户外楼梯踏步()A. 剁斧板材B.机刨板材C.磨光板材D.粗磨板材19.中空玻璃的夹层中充入()A.氮气B.干燥空气C.氦气D.氢气20. 人造大理石通常分为水泥型人造石材,树脂型人造石材,复合型人造石材和烧结型人造石材,人造大理石不具备以下哪个特点()A. 重量轻B.强度低(应该是强度大)C.耐腐蚀耐污染D. 耐污染21.陶瓷可以分为()A.陶器和瓷器B.陶器和玉器C.瓷器和玉器D.陶土和瓷土22.将玻璃加热到一定温度后迅速冷却处理的玻璃称为()A.浮法玻璃B.弹性玻璃C.钢化玻璃D.冷热玻璃23.在陶瓷制品表面用彩料绘制图案花纹是陶瓷的传统装饰方法,分为()A. 釉下彩绘和釉上彩绘B. 釉下彩绘和饰金C. 釉上彩绘和饰金D. 饰金和釉中彩绘24.下列何种材料的吸音功能最强()A.玻璃B.钢板C.海绵D.花岗岩25.通常用作楼梯踏步的玻璃为()A.浮法玻璃B.夹胶玻璃C.彩绘玻璃D.钢化玻璃26. 普通实木地板主要使用何种木材()A.松木B.柚木C.紫檀木D.水曲柳27. 铝合金门窗的特点()A质量重 B.密封性差 C.色泽较差 D.耐腐蚀28.纸面石膏板采用何种材料固定于轻钢龙骨上()A.自攻螺丝B.水泥钢钉C.膨胀螺栓D.铆钉29. 木工板基层如何裱贴陶瓷面砖()A.水泥砂浆裱贴B.金属网加水泥砂浆C.901胶粘D.107胶粘30.装饰材料的性能与以下哪种属性无关()A.孔隙率B.吸水性与吸湿性C.密度与强度D.色彩31. 石膏线条属于()A.纺织品装饰材料B.陶瓷装饰材料C.无机矿物装饰材料D.木质装饰材料32.下列哪种材料具有良好的防火性能()A.石膏板 B.木工板 C.橡胶垫 D.无纺布窗帘33.以下哪个是铝合金吊顶龙骨的特点()A.易生锈B.质量重C.易腐蚀D.易安装34.不锈钢是加以下那种元素为主并加其他元素的合金钢,其含量越高,钢的抗腐蚀性越好。
系别:__________ 班次:____________ 姓名:___________ 学号:____________。
装。
订。
线。
2008—2009学年第一学期《工程材料》期末考试试卷(A)注意:本试卷共四大题,总分100分,考试时间120分钟。
本试卷适用于07模具班,共需印制61份。
1. 碳素工具钢的含碳量一般是在以下哪个范围之内( ) A. 0.3% - 0.5% B. 0.5% - 0.7% C. 0.7% - 1.3% D. 1.3% - 1.6%2. 以下那种元素是9Mn2V 里不含的 ( ) A. C 元素 B. Ni 元素 C. Si 元素 D. Mn 元素3. Cr12是以下哪种冷作模具钢的典型钢种 ( )A. 高碳高铬冷作模具钢B. 空淬冷作模具钢C. 油淬冷作模具钢D. 基体钢4. 以下哪种模具钢的抗压强度、耐磨性及承载能力居冷作模具钢之首 ( ) A. 碳素工具钢 B. 火焰淬火冷作模具钢 C. 高速钢 D. DT 合金5. 以下哪种钢号不属于热作模具钢的类型 ( ) A. 5CrNiMo B. 3Cr2W8V C. 4Cr5MoSiV D. 9SiCr6. 高韧性热作模具钢的含碳量在以下哪个范围之内 ( ) A. 0.3% - 0.5% B. 0.5% - 0.7% C. 0.7% - 1.3% D. 1.3% - 1.6%7. 以下哪个钢种属于冷热兼用的模具钢 ( ) A. GR 钢 C.HD 钢 C. 012Al D.PH 钢8. 以下哪个选项的塑料模具钢已列入了国家标准 ( ) A. 3Cr2Mo 和CrWMn B. CrWMn 和Cr12MoVC. 3Cr2Mo 和3Cr2MnNiMoD. 3Cr2MnNiMo 和Cr12MoV9. SM50属于以下哪种塑料模具钢 ( )A. 预硬型塑料模具钢B. 碳素塑料模具钢C. 渗碳型塑料模具钢D. 时效硬化型塑料模具钢 10. 以下哪种表面工程技术改变了技术表面的化学成分 ( ) A. 表面改性 B. 表面处理 C. 表面涂覆 D. 电镀技术1.按照工作条件可将模具分为 、 、 。
工程材料学学期期末考试试题(A)及详解答案共5 页第1 页5. 杠杆定律只适用于两相区。
( )6. 金属晶体中,原子排列最紧密的晶面间的距离最小,结合力大,所以这些晶面间难以发生滑移。
( )7. 共析转变时温度不变,且三相的成分也是确定的。
( )8. 热加工与冷加工的主要区别在于是否对变形金属加热。
( )9. 过共析钢为消除网状渗碳体应进行正火处理。
( ) 10. 可锻铸铁能够进行锻造。
( ) 四、简答题(每小题5分,共20分)1. 在图1中分别画出纯铁的)011(、)111(晶面和]011[、]111[晶向。
并指出在室温下对纯铁进行拉伸试验时,滑移将沿以上的哪个晶面及晶向进行?图12.为什么钳工锯 T10,T12 等钢料时比锯 10,20 钢费力,锯条容易磨钝?3.奥氏体不锈钢的晶间腐蚀是怎样产生的?如何防止?4.低碳钢渗碳表面化学热处理的温度范围是多少?温度选择的主要理由是什么?五、请用直线将下列材料牌号与典型应用零件及热处理工艺连接起来。
(每小题2分,共10分)材料牌号应用零件热处理工艺HT250 弹簧调质+氮化Cr12MoV 飞机起落架固溶+时效7A04(LC9)机车曲轴自然时效(退火)65Mn 冷冲模淬火+中温回火38CrMoAl 机床床身淬火+低温回火六、某工厂仓库积压了许多退火状态的碳钢,由于钢材混杂,不知道钢的化学成分,现找出其中一根,经金相分析后,发现其组织为珠光体+铁素体,其中铁素体占80% ,回答以下问题:(每小题4分,共12分)①求该钢的含碳量;②计算该钢组织中各相组分的相对百分含量;③画出其组织示意图,并于图中标出各组织组分的名称。
10.硅(Si),锰(Mn);磷(P),硫(S)。
11.回火索氏体(或S回),索氏体(或S)。
12.20CrMnT,T10。
13.强化铁素体;提高淬透性。
14.灰口铸铁;最低抗拉强度300MPa,珠光体。
15.硬铝合金,α+β型钛合金三、判断题:(每小题1分,共10分)1.×, 2.√, 3.×, 4.×, 5.√, 6.×, 7.√, 8.×, 9.√, 10.×。
10-11第二学期期末考试试卷科目:10级电工材料卷型:A(闭卷)出卷人:审卷人:教研组:电子组班级:姓名:学号:得分:一、填空题(30×1=30分)1.当对绝缘材料施加一定的直流电压后,在固体绝缘材料中流过的电流有、和三部分2.固体电介质的击穿分为、和三种形式。
3.绝缘材料的主要老化形式有、与三种。
4.绝缘漆管有、、等类型。
5.聚丙烯的性能与聚乙烯相当,和性能优于聚乙烯,主要用于电缆和电缆绝缘。
6.复合金属导体具有、、或等特性。
7.按磁导率的大小,物质可分为、和。
8.镓砷磷是和的固溶体,是一种材料;碲锡汞是与的固溶体,可用来制作。
二、选择题(10×2=20分)( )1.相对介电系数εr=。
A.C/C0B.C/C C.Ic/IaD.Ic/IL( )2.硅油是一种。
A.矿物绝缘油B.合成绝缘油C.植物绝缘油D.变压器油( )3.耐热等级为H级的覆盖漆是。
A.晾干有机硅红瓷漆B. 环氧酯灰瓷漆C.环氧聚酯铁红瓷漆D. 晾干环氧酯灰瓷漆( )4.不含钢、钠氧化物的玻璃纤维是。
A.植物纤维B.无碱纤维C.合成纤维D.中碱纤维( )5.绝缘纸板可在空气中或温度的变压器油中作绝缘材料和保护材料。
A.高于120℃B.不高于120℃C.高于90℃D.不高于90℃( )6.10kV 的真空断路器,应选用触头材料。
A.铜铋铈合金B.银铁粉末冶金C.纯银D. 银氧化镉( )7.常用的光敏电阻材料是。
A.硫化镉B.碲化镉C.硫化物玻璃半导体D. 聚苯胺( )8.可选用制造显示和照明器件。
A.磷光体B.压电晶体C.氧化物玻璃半导体D.液晶材料( )9.属铁磁物质。
A.铝、锡B.铜、银C.镍、钴D.空气( )10.制作超声器件最好选用下列牌号的材料。
A. 1J6B. 1J12C. 1J13D. 1J16三、判断题(10×1=10分)( )1.介质的tanδ越小,介损就越小,质量就越差。
( )2.胶黏剂又称黏合剂,它只能将两个相同材料的物体黏在一起。
材料成形加工工艺与设备复习题一.选择题1.为了防止铸件过程中浇不足以及冷隔等缺陷产生,可以采用的工程措施有()。
A.减弱铸型的冷却能力;B.增加铸型的直浇口高度;C.提高合金的浇注温度;D.A、B和C;E.A和C。
2.顺序凝固和同时凝固均有各自的优缺点。
为保证铸件质量,通常顺序凝固适合于(),而同时凝固适合于()。
A.吸气倾向大的铸造合金;B.产生变形和裂纹倾向大的铸造合金;C.流动性差的铸造合金;D.产生缩孔倾向大的铸造合金。
3.铸造应力过大将导致铸件产生变形或裂纹。
消除铸件中残余应力的方法是();消除铸件中机械应力的方法是()。
A.采用同时凝固原则;B.提高型、芯砂的退让性;C.及时落砂;D.时效处理。
4.合金的铸造性能主要是指合金的()和()。
A.充型能力;B.流动性;C.收缩;D.缩孔倾向;E.应力大小;F.裂纹倾向。
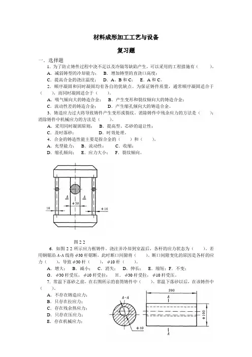
图2-26.如图2-2所示应力框铸件。
浇注并冷却到室温后,各杆的应力状态为()。
若用钢锯沿A-A线将φ30杆锯断,此时断口间隙将()。
断口间隙变化的原因是各杆的应力(),导致φ30杆(),φ10杆()。
A.增大;B.减小;C.消失;D.伸长;E.缩短;F.不变;G.φ30杆受压,φ10杆受拉;H.φ30杆受拉,φ10杆受压。
7.常温下落砂之前,在右图所示的套筒铸件中()。
常温下落砂以后,在该铸件中()。
A.不存在铸造应力;B.只存在拉应力;C.存在残余热应力;D.只存在压应力;E.存在机械应力;F.C和E。
8.铸铁生产中,为了获得珠光体灰口铸铁,可以采用的方法有()。
A.孕育处理;B.适当降低碳、硅含量;C.适当提高冷却速度;D.A、B和C;E.A和C。
9.HTl00、KTH300-06、QT400-18的力学性能各不相同,主要原因是它们的()不同。
A.基体组织;B.碳的存在形式;C.石墨形态;D.铸造性能。
10.灰口铸铁(HT)、球墨铸铁(QT)、铸钢(ZG)三者铸造性能的优劣顺序();塑性的高低顺序为()。
20 2008 至 2009 学年第 2 学期材料成型工艺基础 试卷A 卷出卷教师:课题组 适应班级:考试方式:闭卷 本试卷考试分数占学生总评成绩的 70 %复查总分 总复查人(本题 28 分)一、填空题(每空0.5分,共28分)1.铸件在冷却过程中,若其固态收缩受到阻碍,铸件内部即将产生内应力。
按内应力的产生原因,可分为 应力和 应力两种。
2.常用的特种铸造方法有: 、 、、 、 和 等。
3.压力加工是使金属在外力作用下产生 而获得毛坯或零件的方法。
4.常用的焊接方法有 、 和 三大类。
5.影响充型能力的重要因素有、 和 等。
6.压力加工的基本生产方式有 、 、 、 、 和 等。
7.热应力的分布规律是:厚壁受 应力,薄壁受 应力。
8.提高金属变形的温度,是改善金属可锻性的有效措施。
但温度过高,必将产生 、 、 和严重氧化等缺陷。
所以应该严格控制锻造温度。
9.板料分离工序中,使坯料按封闭的轮廓分离的工序称为 ;使板料沿不封闭的轮廓分离的工序称为 。
10.拉深件常见的缺陷是 和 。
11.板料冲压的基本工序分为 和 。
前者指冲裁工序,后者包括 、 、和 。
12.为防止弯裂,弯曲时应尽可能使弯曲造成的拉应力与坯料的纤维方向 。
13.拉深系数越 ,表明拉深时材料的变形程度越大。
14.将平板毛坯变成开口空心零件的工序称为 。
15.熔焊时,焊接接头是由 、 、 和 组成。
其中 和 是焊接接头中最薄弱区域。
16.常用的塑料成形方法有: 、 、 、 、 等。
16.电阻焊是利用电流通过焊件及接触处所产生的电阻热,将焊件局部加热到塑性或融化状态,然后在压力作用下形成焊接接头的焊接方法。
电阻焊分为 焊、 焊和 焊三种型式。
其中 适合于无气密性要求的焊件; 适合于焊接有气密性要求的焊件; 只适合于搭接接头; 只适合于对接接头。
《材料成型工艺基础》试卷A 卷 第 1 页 ( 共 6 页 )(本题 15 分)二、判断题(正确打√,错误打×,每题1分,共15分)1.灰口铸铁的流动性好于铸钢。
浙江工商职业技术学院2009/2010学年第二学期《材料与加工工艺》课程期末试卷本试卷适用于:工业设计0921班一:判断题(共10题)(共20分/每题2分)1.木材与我们人类具有良好的亲和特性……………………(√) (P138)2.木制品的结构的结合方式有榫结合;铰结合;螺钉与圆钉结合……(√) (P146—P149)3.金属材料是金属及其合金构成的总称,其特性由金属结构键性质决定的…(√)(P34)4.金属的砂型铸造主要工序是:制造注模浇注金属液落砂清理……(×)(P36)5.金属的铸造成型与锻造成型相比,锻造成型的金属物件结构更佳…(√)(课后的总结)6.塑料的可塑性不大……………………..(×)(P75)7.塑料的注塑成型几乎适用于所有的热固性塑料,也适用于某些热塑性塑料…(×)(P76)8.塑料的挤出成型适用于薄板板材软管及其他具有复杂断面形状的异型材生产…………(√)(P78)9.与金属相比,陶瓷的最大优点是有优异的高温机械性能………(√)(P119)10.玻璃的热处理包括退火与淬火………………..(√)(P128)二.填空题(共10题)(共20分/每题2分)1.锻造是利用手锤锻锤或压力设备上的模具对加热的金属抷料施力,使金属材料在不分离条件下产生变形,以获得形状尺寸和性能符合要求的零件。
(P44)2.金属焊接按其过程特点可分为3大类:熔焊压焊钎焊(P47)3.金属切削加工可分为钳工和机械加工两部分。
(P49)4.木材与其他材料相比,具有多孔性各向异性湿涨干缩性燃烧性和生物降解性等独特性质。
(P138)5.木材在横切面上硬度大,耐磨损,但易折断,难刨削,加工后不易获得光洁表面。
(P141)6.塑料的基本性能:质轻比强度高,优异的电绝缘性能,减摩耐磨性能好,优良的化学性能,透光及防护性能,减震消音性能好,独特的造型工艺性能,良好的质感和光泽度。
(P74—P75)7.塑料的挤出成型也称挤压模塑和挤塑,它是在挤出机中通过加热,加压而使物料以流动状态连续通过挤出模成型的方法。
工艺材料的考试题及答案一、单项选择题(每题2分,共10题,共20分)1. 以下哪种材料不属于金属材料?A. 钢B. 铝C. 塑料D. 铜答案:C2. 陶瓷材料的主要特点是:A. 导电性良好B. 耐高温C. 可塑性强D. 密度大答案:B3. 以下哪种材料是有机高分子材料?A. 玻璃B. 橡胶C. 石墨D. 铁答案:B4. 金属的塑性变形主要通过哪种机制实现?A. 弹性变形B. 位错滑移C. 相变D. 断裂5. 以下哪种材料是复合材料?A. 纯铝B. 碳纤维增强塑料C. 纯铜D. 纯铁答案:B6. 金属材料的硬度通常与下列哪种因素无关?A. 晶粒大小B. 合金元素C. 温度D. 颜色答案:D7. 以下哪种材料具有自润滑性能?A. 不锈钢B. 聚四氟乙烯C. 铜合金D. 玻璃答案:B8. 以下哪种材料是半导体材料?A. 硅B. 铁C. 铝D. 钠答案:A9. 以下哪种材料是天然材料?B. 木材C. 塑料D. 陶瓷答案:B10. 以下哪种材料是合成材料?A. 棉花B. 羊毛C. 尼龙D. 石棉答案:C二、多项选择题(每题3分,共5题,共15分)1. 以下哪些因素会影响材料的强度?A. 材料的微观结构B. 加工工艺C. 环境温度D. 材料的颜色答案:A、B、C2. 以下哪些是金属材料的加工方法?A. 铸造B. 锻造C. 焊接D. 热处理答案:A、B、C、D3. 以下哪些是塑料的加工方法?A. 注塑B. 挤出D. 热处理答案:A、B、C4. 以下哪些是陶瓷材料的特点?A. 硬度高B. 脆性大C. 热稳定性好D. 导电性差答案:A、B、C、D5. 以下哪些是复合材料的优点?A. 高强度B. 低密度C. 良好的耐腐蚀性D. 良好的导电性答案:A、B、C三、判断题(每题1分,共10题,共10分)1. 金属材料的疲劳强度通常高于其静强度。
(×)2. 材料的断裂韧性与其硬度成正比。
(×)3. 材料的导热性能与其导电性能无关。
《材料成型设备》试卷A一、名词解释(每词3分,共15分)1、连续铸造2、轧钢机3、铸坯的液心压下技术4、拉拔:5、等离子焊枪二、判断题(每题1分,共10分)()1、一般认为,铸坯厚度不小于150mm时称为常规板坯连铸。
()2、板带轧机的主要性能参数是轧辊名义直径。
()3、LG-150表示成品最大外径为150mm的二辊周期式冷轧机管。
()4、半钢轧辊是一种新型的轧辊材质,其含碳量比铸钢和铸铁要大。
()5、轧机刚性是表示轧机抵抗弹性变形的能力。
()6、空心辊可减少质量,提高动力控制性能,其强度不变。
()7、预应力轧机发展很快,目前主要用于连轧小型、线型和板带材轧机。
()8、塑化能力主要指在单位时间内所能塑化的物料量。
()9、人字齿轮机的作用是将主电机的压力分配给相应的轧辊。
()10、结晶器是一个水冷的铜模,有无即可。
三、填空题(每空1分,共20分)1、连续铸造按结晶类型可以分为和。
2、到目前为止,生产板带的连续铸轧方法有很多种,在此情况下所用的连铸机根据其结构特点可以分为、、。
3、轧机一般有三个部分组成,他们分别是、、。
4、轧辊的调整装置主要有和两种。
5、卷取机按其用途可分为:、、。
6、塑料注塑机主要有、、、等部分组成。
7、机架一般采用含碳碳量为ZG35材料。
8、空气锤既可以进行,又可以进行。
四、选择题(每题2分,共20分。
注:其中1-5题是单项选择题,6-10题是多项选择题。
)1、在铸造中,把“铸”和“轧”直接连成一条生产线的工艺流程称为()。
A 连铸连轧 B连续铸轧 C 连续铸造2、轧辊的尺寸参数中,辊身直径用()表示。
A DB dC L3、锻造时对金属加热的目的是( )。
A.消除内应力B.提高强度C.提高韧性……………………………………………………………装………………订………………线……………………………………………………班级__________姓名___________学号____________4、PC轧机是一种新型的()可控轧机A.板凸度. B.板凹度 C.平板5、最常用的卧式挤压机的挤压能力是()。
工程材料与机械制造基础(A)期末考试复习题及参考答案一、单选题1.(2分)下列技术中,属于快速成型技术与反求工程结合的是()。
A. RPB. RTC. QCD. RRE参考答案:D2.(2分)切屑流经刀具的()。
A. 后刀面B. 副后刀面C. 主后刀面D. 前刀面参考答案:D3.(2分)()是将含有1微米一下的微细磨粒的研磨剂涂抹在抛光器上加工。
A. 研磨加工B. 磨削加工C. 抛光加工D. 固结磨料加工参考答案:C4.(2分)机床代号“CZ”表示()。
A. 精密车床B. 高精度车床C. 自动车床D. 万能车床参考答案:C5.(2分)企业的()大量应用量块进行工作。
A. 设计科B. 计量科C. 工艺科D. 生产科参考答案:B6.(2分)砂轮磨削属于()。
A. 研磨加工B. 超精密加工C. 抛光加工D. 固结磨料加工参考答案:D7.(2分)在车削外圆表面时,()不断地把切削层投入切削。
A. 主运动B. 进给运动C. 已加工表面D. 过渡表面参考答案:B8.(2分)()是使用1微米一下的微细磨粒和硬质材料的磨具加工。
A. 研磨加工B. 磨削加工C. 抛光加工D. 固结磨料加工参考答案:A9.(2分)()采用热塑性材料,以丝状供料,在喷头内被加热熔化;喷头移动,并不断挤出熔化的材料,材料迅速凝固成型。
A. 分层实体制造B. 选择性激光烧结C. 熔融沉积成型D. 三维打印参考答案:C10.(2分)机床代号“CM”表示()。
A. 精密车床B. 高精度车床C. 自动车床D. 万能车床参考答案:A11.(2分)企业的()主要完成较高精度的检测任务和长度量值的传递工作。
A. 设计科B. 计量科C. 工艺科D. 生产科参考答案:B12.(2分)铣螺纹采用()。
A. 端面铣刀B. 圆柱平面铣刀C. 成形铣刀D. 键槽铣刀参考答案:C13.(2分)卧式镗床不能进行()。
A. 插齿B. 镗尺寸很大的孔C. 钻孔D. 铣平面参考答案:A14.(2分)卧式镗床不能进行()。
材料期末考试题目及答案第一章概述1、材料与工艺是设计的物质技术条件,是产品设计的前提,它与产品的功能、形态构成了产品设计的三大要素。
2、按材料的物质结构分类,材料可分为:金属材料:黑色金属(铸铁、碳钢、合金钢)、有色金属(铜、铝及合金等)无机非金属材料:石材、陶瓷、玻璃、石膏等有机高分子材料:塑料、橡胶、纤维、木材、皮革等复合材料:玻璃钢、碳纤维复合材料等3、材料设计的方式:一、从产品的功能、用途出发;二、从原材料出发。
4、材料的固有特性:物理性能、化学性能。
材料的派生特性:材料的加工特性、材料的感觉特性、环境特性和材料的经济性。
第三章材料感觉特性的运用1、产品造型设计的三大感觉要素:形态感色彩感材质感2、材料感觉特性的概念及分类概念:材料质感又称材料感觉特性,指人的感觉器官(触觉和视觉)对材料作出的综合印象,由人的知觉系统从材料表面特征得出的信息,是人对材料的生理和心理活动。
分类:、一、触觉质感和视觉质感;二、自然质感和人为质感(利用人为质感设计可以做到同材异质感、异材同质感,从而使设计更加灵活多样、变化无穷。
)3、质感设计的三大运用原则:合理、艺术性、创造性地使用材料4、质感设计在产品造型设计中的作用。
1)、提高适用性—良好的触觉质感设计,可以提高整体设计的适用性。
2)、增加装饰性-——良好的视觉质感设计可以提高工业产品整体设计的装饰性,还能补充形态和色彩所难以替代的形式美。
3)、获得多样性和经济性———良好的人为质感设计可以替代自然质感或弥补自然质感的某些不足,可以节约大量珍贵的自然材料,达到工业产品设计的多样性和经济性。
4)、表现真实性和价值性——良好的整体设计的真实性和价值性。
第五章金属材料及其加工技术1、金属材料的性能1)使用性能物理性能有哪些:密度、熔点、热膨胀性、导热性、导电性和磁性化学性能有哪些:耐腐蚀性、抗氧化性力学性能有哪些:强度、塑性、硬度、冲击韧性、疲劳强度强度(概念):强度是金属材料抵抗外力荷载而不致失效的能力指标:屈服点和抗拉强度;塑性(概念):塑性是指金属材料在外力作用下产生塑性变形而不破坏的能力。
材料与工艺试题及答案一、单项选择题1. 下列哪种材料不属于金属材料?A. 不锈钢B. 铝合金C. 塑料D. 铜合金答案:C2. 金属材料的硬度通常与哪种性能有关?A. 弹性B. 韧性C. 抗拉强度D. 导热性答案:C3. 在金属加工中,哪种工艺是通过加热和锻造来改变金属的形状?A. 铸造B. 焊接C. 热处理D. 锻造答案:D4. 下列哪种工艺不适用于塑料材料的加工?A. 注塑B. 挤出C. 热轧D. 吹塑答案:C5. 陶瓷材料的主要特点是?A. 轻质高强B. 良好的导电性C. 高熔点D. 可塑性好答案:C二、多项选择题6. 下列哪些因素会影响材料的强度?A. 材料的化学成分B. 加工工艺C. 使用环境D. 材料的密度答案:A, B, C7. 在金属材料的热处理过程中,常见的热处理工艺包括哪些?A. 退火B. 正火C. 淬火D. 回火答案:A, B, C, D8. 下列哪些是塑料材料的优点?A. 耐腐蚀B. 重量轻C. 易导电D. 绝缘性好答案:A, B, D9. 金属材料的疲劳断裂通常与哪些因素有关?A. 应力集中B. 材料的微观结构C. 温度变化D. 腐蚀环境答案:A, B, C, D10. 下列哪些工艺可以提高金属零件的耐磨性?A. 渗碳B. 氮化C. 镀铬D. 抛光答案:A, B, C三、简答题11. 简述铸造工艺的基本原理及其应用。
铸造工艺是一种将熔融金属倒入铸型中,待其冷却凝固后获得所需形状和性能的零件的制造方法。
铸造工艺广泛应用于各种金属零件的生产,尤其是形状复杂或内部有空腔的零件。
12. 什么是焊接工艺,它有哪些主要类型?焊接工艺是一种将两个或多个金属部件通过高温或压力连接成一个整体的方法。
主要类型包括熔化焊、压力焊和特种焊接等。
四、计算题13. 已知一块钢板的抗拉强度为500 MPa,其截面积为200 mm²,试计算该钢板在受到最大拉力作用时能承受的最大拉力。
最大拉力 = 抗拉强度× 截面积最大拉力= 500 MPa × 200 mm² × (1 m² / 1,000,000 mm²) 最大拉力 = 100 kN五、论述题14. 论述材料的疲劳断裂机理及其在工程中的应用。
无锡职业技术学院《机械制造工艺与装备Ⅱ》期末试卷(A)答案班级学号姓名成绩一、判断题(24分)1.标准麻花钻的后角靠近外缘应磨得小,靠中心应磨得大。
………………………(√) 2.以工件回转方式钻孔,孔轴线的直线度精度较高;以麻花钻回转方式钻孔,则孔的尺寸精度较高。
………………………………………………(√)3.浮动镗削可提高孔的位置精度。
……………………(×)4.砂轮的硬度与磨料的硬度无关。
……………………………………(√)5.磨削硬材料应选择高硬度的砂轮. ……………………………………(×) 6.铸铁油缸,在大批量生产中,可采用生产率较高的滚压加工.………………(×)7.在淬火后的工件上通过刮研可以获得较高的形状和位置精度。
………………(×)8.回转式镗套只适宜在低速的情况下工作。
…………………………………………(×)9.插齿是一种成形法齿形加工。
…………………………………………(× ) 10.一般在装配精度要求较高,而环数又较多的情况下,应用极值法来计算装配尺寸链。
…………………(×)11.调整装配法与修配法的区别是调整装配法不是靠去除金属,而是靠改变补偿件的位置或更换补偿件的方度.……………………………………………………………(√)12.协调环(相依环)是根据装配精度指标确定组成环公差.……………………(√)二、填空题(20分)1.无心磨削的导轮表面应修整成双曲面形状。
工件中心应高于砂轮和导轮中心连线。
2.超精加工大致有四个阶段,它们是强烈磨削、正常磨削减、微量磨削、停止磨削。
3.固定式钻模用于立式钻床上加工单个较大的孔或在摇臂钻床上加工多个孔。
4.铣削用量四要素为铣削速度__、铣削宽度_、铣削深度__和进给量_。
5.齿形的切削加工,按加工原理不同可分为两大类成形法加工、范成法加工。
6.滚刀精度有AA级、A 级、B 级和C级可分别加工出6—7级,7~8 、8~9 、9-10级齿轮。
一、单项选择题(本大题共30小题,1分/题,共30分)
1、下面不属于材料四要素的是:
A、制备/加工
B、成分
C、性能
D、连接
2、下面属于自由锻基本工序的是:
A、抛光
B、切皮
C、扩孔
D、加热
3、如果对锻件数量需求小时,可优先哪种锻造工艺?
A、自由锻
B、模锻
C、胎模锻
D、特种锻造
4、较适宜用粉末冶金加工的零件是:
A、齿轮
B、阶梯轴
C、平板
D、钢管
5、粉末冶金的必备工序有几道?
A、1
B、2
C、3
D、4
6、属于制造加工过程中出现的缺陷是:
A、疲劳裂纹
B、应力腐蚀裂纹
C、热处理裂纹
D、松动
7、将熔化的金属或合金注入已制好的模型中,待其冷却凝固后获得所需几何形
状的工件,这种加工方法是:
D、冶炼
A、铸造
B、机加工
C、锻造
8、玻璃态下塑料可以进行的加工是:
D、注塑成型
A、机加工
B、吹塑成型
C、压延
9、聚合物的粘流态是指其温度在哪个点以上时的状态?
A、T c
B、T g
C、T f
D、T d
10、常见塑料PVC是指:
A、聚氯乙烯
B、聚丙烯
C、嵌锻共聚PP
D、聚乙烯
11、聚合物加工过程可能发生的化学反应是:
A、热降解,分子交联,硫化
B、分子交联,硫化,气相分离
C、氧化断链,结晶析出,硫化
D、热分解,交联反应,挥发
12、下面热固性塑料模压成形工序顺序正确的是:
A、加料、合模、交联固化、脱模、排气
B、加料、交联固化、合模、排气、脱模
C、交联固化、加料、合模、排气、脱模
D、加料、合模、排气、交联固化、脱模
13、聚合物随着温度由高向低变化,几个状态转变点对应的温度出现的顺序是:
A、T c, T g, T f, T d
B、T g, T c, T f, T d
C、T d, T f, T c, T g
D、T d, T f, T g, T c
14、聚合物在高弹态下能进行的加工是:
A、热成型,压延,拉伸
B、吹塑薄膜,热成型,压延
C、熔法纺丝,中空吹塑,热拉伸
D、挤出成型,吹塑薄膜,拉伸
15、在进行塑料的模压成形时,合模工序应该:
A、先快后慢
B、先慢后快
C、不慢不快
D、没要求
16、对热固性塑料,交联反应时间应该:
A、让其充分固化
B、能脱模即可
C、反应结束并冷却
D、没要求
17、螺杆挤出机的关键部件是:
A、分段加热
B、电机及传动
C、螺杆
D、机头
18、下面关于玻璃化转变温度的描述不正确的是:
A、聚合物链段从冻结状态开始解冻的温度
B、橡胶使用的下限温度
C、聚合物使用的下限温度
D、无定形聚合物使用的上限温度
19、关于塑料加工以下描述不正确的是:
A、螺杆式注射成形机的物料推进与挤出成形的过程基本相同。
B、注射成形时,对薄壁零件其注射温度可以选择较低值。
C、塑料的挤出过程需要排气。
D、挤出机中螺杆长度方向上由料筒端开始,压力的分布是先变大后变
小。
20、材料加工技术中的机加工、铸造、焊接等技术是按几级学科来进行分类?
A、一级
B、二级、
C、三级
D、四级
21、下面表征材料工艺性能的方法中,属于相关法的是:
A、泰勒速度
B、钻入深度
C、消耗能量
D、碳当量
22、不外加电流,在金属表面的催化作用下经控制化学还原法进行的金属沉积
过程属于:
A、气相外延生长
B、化学表面生长
C、化学镀
D、液相沉积
23、红宝石激光器中红宝石的激发源是:
A、直接加电
B、同时加热加电
C、光泵
D、全反射镜
24、下面不属于激光加工的特点的是:
A、冷却速度快
B、加工深度范围广
C、几乎所有材料均可进行激光加工
D、设备投资小
25、手弧焊电源的特点描述不正确的是:
A、具有一定的空载电压以便引弧。
B、可长时间承受短路。
C、电弧负载变化时能保证电弧稳定。
D、可均匀地大范围调节电流。
26、铸件壁在浇注后不易产生缺陷的是:
A、 B、C、 D、
27、陶瓷的等静压成型法要求的坯料含水量是:
D、30%以上
A、6~8%
B、16~25%
C、2%左右
28、玻璃的熔制过程中发生的物理变化是:
D、碳酸盐分解
A、晶相转变
B、结晶水脱出
C、形成硅酸盐
29、玻璃池窑中气体的平衡描述不正确的是:
A、炉气压力过大,玻璃液中的气泡增多或增大
B、从过饱和的玻璃液中析出的气体,可进入气泡或炉气相。
C、排除玻璃液中的可见气泡可使玻璃液澄清。
D、玻璃液中的气泡只有在提升玻璃液对气体的溶解度后才能减少。
30、关于浇注系统的说法不正确的是:
A、浇注系统需要设计合适的液态金属承接口。
B、浇注系统包括浇口杯、直浇道、横浇道和内浇道。
C、一般铸造在浇注时各浇道内液态金属流动方向只能是顺着重力方向。
D、内浇道则是连接具体的型腔填充入口,分散输送熔融金属到型腔的各个部分,
使其平稳充满型腔,并可一定程度上控制凝固方向。
二、名词解释(本大题共5小题,4分/题,共20分)
1、材料工艺
2、绿色制造
3、粉末冶金
4、激光清洁
5、橡胶混炼
三、判断题(对的打“√”,否则打“×”。
本大题共20小题,1分/题,共20分)
1、()橡胶在成形前只需要进行混炼,无需塑炼。
2、()材料加工技术可分为气态加工、液态加工、半固态加工和固态加工。
3、()生产工艺使材料转化为产品,加工工艺使原料转为可供成型的材料。
4、()环境材料是指把材料制造工艺对环境带来的负担和循环利用能力作为
一个材料评价指标。
5、()橡胶与普通塑料的加工工序基本一致。
6、()聚合物进行加工的温度不能高于T d。
7、()交联硫化使橡胶材料的性能降至适合加工的水平。
8、()热塑性塑料的模压成形效率高,生产周期短。
9、()塑料在模压成型时,排气阶段安排在固化后。
10、()两种或以上材料通过一定工艺结合在一起就是复合材料。
11、()复合材料中的纤维缠绕成形可分为干法、湿法及半干法三种。
12、()干法缠绕速度较慢,但设备投资小,劳动卫生条件较好。
13、()直流电焊机结构简单,维修简单。
14、()焊接电源的端电压短路后从零值恢复到工作值时间间隔要短。
15、()陶瓷烧成的热工设备称为窑炉,包括电炉、微波炉、感应炉等。
16、()玻璃在成型后得到一次制品,再进一步退火后可得到二次制品。
17、()陶瓷坯料的干压成型对形状复杂的制品无能为力。
18、()在陶瓷烧成的中温阶段,坯体的气孔率迅速降低。
19、()聚合物模压成型主要用于热塑性塑料。
20、()注射成形时聚合物材料被加热至高弹态然后再进行注射。
四、简答题(本大题共6小题,4分/题,共24分)
1、玻璃中常见的氧化物成分有哪些?分别可采用哪些原料引入?答:
2、聚合物的加工受压力和温度的影响,压力过低或过高,温度过低或过高时,分别会对聚合物模压成形造成什么影响?答:
3、与自由锻相比,模锻有哪特点?答:
4、材料工艺可通过哪些途径实现创新?答:
5、单螺杆连续挤出机主要有哪些组成部分?答:
6、聚合物注射成形有哪些优点和缺点?答:
五、计算并简答(6分)某冷扎304不锈钢的化学元素成分是:
并根据计算结果指出它的可悍性如何。
注意:个别成分在某个范围内可变。