常用标准件表
- 格式:xls
- 大小:18.50 KB
- 文档页数:1
常用五金标准件名称-国家标准号对应表常用五金标准件名称-国家标准号对应表新物料编码原物料编码名称全名规格型号标记4105.00018 23.5080025 弹簧垫圈垫圈垫片_弹簧垫圈Φ2.5垫圈GB/T 93 2.54105.00011 23.2030006 弹簧垫圈垫圈垫片_弹簧垫圈φ3(镀黑锌)垫圈GB/T 93 3A23.2030010 23.2030010 弹簧垫圈垫圈垫片_弹簧垫圈φ3(镀彩锌)垫圈GB/T 93 34105.00015 23.2040008 弹簧垫圈垫圈垫片_弹簧垫圈φ4(镀黑锌)垫圈GB/T 93 44105.00014 23.2040006 弹簧垫圈垫圈垫片_弹簧垫圈φ4垫圈GB/T 93 44105.00025 23.2050006 弹簧垫圈垫圈垫片_弹簧垫圈φ5垫圈GB/T 93 54105.00016 23.2060006 弹簧垫圈垫圈垫片_弹簧垫圈φ6(镀黑锌)垫圈GB/T 93 64105.00017 23.2080006 弹簧垫圈垫圈垫片_弹簧垫圈Φ8垫圈GB/T 93 84105.00020 28.8009114 垫片垫圈垫片_垫片D型垫片Φ6.5 VT8.009.114 非标件A28.8602779 28.8602779 垫片机加件_垫片VT8.602.779 非标件A28.8602780 28.8602780 垫片机加件_垫片VT8.602.780 非标件4201.00041 23.1041819 垫圈垫圈垫片_垫圈VT8.078.433(φ4.5*19*1.5MM 装灯泡用)非标件4105.00019 23.5090025 平垫垫圈垫片_平垫Φ2.5垫圈GB/T95 2.54105.00001 23.1030001 平垫圈垫圈垫片_平垫圈φ3(镀黑锌)垫圈GB/T95 34105.00003 23.1030006 垫圈垫圈垫片_垫圈Φ 3(镀彩锌)垫圈GB/T95 34105.00005 23.1040006 平垫圈垫圈垫片_平垫圈φ4(黑)垫圈GB/T95 4A23.1040007 23.1040007 平垫圈垫圈垫片_平垫圈φ4(镀彩锌)垫圈GB/T95 4A23.2000005 23.2000005 垫片垫圈垫片_垫片Φ5垫圈GB/T95 54105.00006 23.1061216 平垫圈垫圈垫片_平垫圈φ6(镀黑锌)垫圈GB/T95 64105.00009 23.1080006 平垫圈垫圈垫片_平垫圈φ8(镀黑锌)垫圈GB/T95 8A23.1100006 23.1100006 垫圈垫圈垫片_垫圈φ12垫圈GB/T95 124105.00007 23.1061816 大平垫垫圈垫片_大平垫φ6x18垫圈GB/T 96.2 64105.00004 23.1030007 平垫圈垫圈垫片_平垫圈Ф3 镀彩锌外径9mm 垫圈GB/T 96.2 34105.00002 23.1030002 平垫圈垫圈垫片_平垫圈φ3(镀黑锌)垫圈GB/T97.1 3第 2 页共 10新物料编码原物料编码名称全名规格型号标记4104.00001 22.1025006 六角螺母螺母_六角螺母M2.5 螺母GB/T41 M2.54104.00002 22.1030006 六角螺母螺母_六角螺母M3镀黑鋅螺母GB/T41 M34104.00003 22.1040006 六角螺母螺母_六角螺母M4 螺母GB/T41 M4A22.1040007 22.1040007 六角螺母螺母_六角螺母M4(镀白镍)螺母GB/T41 M44104.00004 22.1050006 六角螺母螺母_六角螺母M5 螺母GB/T41 M5A22.1050009 22.1050009 六角螺母螺母_六角螺母M5螺母(带菊花垫) 螺母GB/T41 M54104.00005 22.1060006 六角螺母螺母_六角螺母M6 螺母GB/T41 M64104.00006 22.1070006 六角螺母螺母_六角螺母M6 镀白锌螺母GB/T41 M64104.00007 22.1080006 六角螺母螺母_六角螺母M8 螺母GB/T41 M84104.00010 22.1000006 六角螺母螺母_六角螺母M10 螺母GB/T41 M10A22.1120006 22.1120006 六角螺母螺母_六角螺母M12 螺母GB/T41 M124201.00012 28.8078005 螺柱机加件_螺柱VT8.078.005-2(机芯组装用)非标件A21.8078032 21.8078032 螺柱螺钉_螺柱M3x7x5 VT8.078.032 非标件A28.3302506 28.3302506 螺柱机加件_螺柱M2.5*6--5#-40*5.5 非标件4101.00009 28.8009113 螺栓螺栓_螺栓VT8.009.113 非标件4201.00035 28.8009108 螺栓机加件_螺栓VT8.009.108 非标件4201.00036 28.8009111 螺栓机加件_螺栓VT8.009.111 非标件A28.8009107 28.8009107 螺栓机加件_螺栓VT8.009.107 非标件A28.8009109 28.8009109 螺栓机加件_螺栓VT8.009.109 非标件A28.8600549 28.8600549 螺栓机加件_螺栓VT8.600.549 非标件第 3 页共 10新物料编码原物料编码名称全名规格型号标记4101.00001 21.1064006 六角头螺栓螺栓_六角头螺栓M6x40(镀黑锌) 螺栓GB/T 5782 M6x40A21.1065006 21.1065006 六角头螺栓螺钉_六角头螺栓M6x50(镀黑锌) 螺栓GB/T 5782 M6x504101.00002 21.1069002 六角头螺栓螺栓_六角头螺栓M6x90(镀黑锌) 螺栓GB/T 5782 M6x904101.00014 21.2051006 内六角圆柱头螺栓螺钉_内六角圆柱头螺栓M5x10(镀黑锌) 螺钉GB/T 70.1 M5x10A21.1051200 21.1051200 内六角圆柱头螺栓螺钉_内六角圆柱头螺栓M5x12(镀黑锌) 螺钉GB/T 70.1 M5x12A21.2052006 21.2052006 内六角圆柱头螺栓螺钉_内六角圆柱头螺栓M5x20(镀黑锌) 螺钉GB/T 70.1 M5x20A21.2052506 21.2052506 内六角圆柱头螺栓螺钉_内六角圆柱头螺栓M5x25(镀黑锌) 螺钉GB/T 70.1 M5x25A21.2061006 21.2061006 内六角圆柱头螺栓螺钉_内六角圆柱头螺栓M6x10(镀黑锌) 螺钉GB/T 70.1 M6x104101.00013 21.2061206 内六角圆柱头螺栓螺钉_内六角圆柱头螺栓M6x12(镀黑锌) 螺钉GB/T 70.1 M6x12A21.7061400 21.7061400 内六角圆柱头螺栓螺钉_内六角圆柱头螺栓M6x14(镀黑锌) 螺钉GB/T 70.1 M6x144101.00003 21.2062006 内六角圆柱头螺栓螺栓_内六角圆柱头螺栓M6x20(镀黑锌) 螺钉GB/T 70.1 M6x20A21.2062506 21.2062506 内六角圆柱头螺栓螺钉_内六角圆柱头螺栓M6x25(镀黑锌) 螺钉GB/T 70.1 M6x254101.00004 21.2063006 内六角圆柱头螺栓螺栓_内六角圆柱头螺栓M6x30(全牙)(镀黑锌) 螺钉GB/T 70.1 M6x30(全牙)4101.00011 21.2064016 内六角圆柱头螺栓螺钉_内六角圆柱头螺栓M6x40 半牙(镀黑锌) 螺钉GB/T 70.1 M6x404101.00012 21.2064006 内六角圆柱头螺栓螺钉_内六角圆柱头螺栓M6x40(全牙)(镀黑锌) 螺钉GB/T 70.1 M6x40(全牙)4101.00010 21.2114506 内六角圆柱头螺栓螺钉_内六角圆柱头螺栓M6x45 半牙(镀黑锌) 螺钉GB/T 70.1 M6x45A21.2064506 21.2064506 内六角圆柱头螺栓螺钉_内六角圆柱头螺栓M6x45 全牙(镀黑锌) 螺钉GB/T 70.1 M6x45(全牙)4101.00005 21.2065506 内六角圆柱头螺栓螺栓_内六角圆柱头螺栓M6x50(镀黑锌) 螺钉GB/T 70.1 M6x50A21.2065500 21.2065500 内六角圆柱头螺栓螺钉_内六角圆柱头螺栓M6x55(镀黑锌) 螺钉GB/T 70.1 M6x55A21.2066506 21.2066506 内六角圆柱头螺栓螺钉_内六角圆柱头螺栓M6x65(镀黑锌) 螺钉GB/T 70.1 M6x654101.00006 21.2067006 内六角圆柱头螺栓螺栓_内六角圆柱头螺栓M6x70(镀黑锌) 螺钉GB/T 70.1 M6x70A21.2067506 21.2067506 内六角圆柱头螺栓螺钉_内六角圆柱头螺栓M6x75(镀黑锌) 螺钉GB/T 70.1 M6x754101.00007 21.2068006 内六角圆柱头螺栓螺栓_内六角圆柱头螺栓M6x80(镀黑锌) 螺钉GB/T 70.1 M6x804101.00008 21.2068009 内六角圆柱头螺栓螺栓_内六角圆柱头螺栓M6*100(镀黑锌) 螺钉GB/T 70.1 M6x100第 4 页共 10新物料编码原物料编码名称全名规格型号标记4201.00034 21.2082006 内六角圆柱头螺栓螺钉_内六角圆柱头螺栓M8x20(镀黑锌) 螺钉GB/T 70.1 M8x20 A21.2082506 21.2082506 内六角圆柱头螺栓螺钉_内六角圆柱头螺栓M8x25(镀黑锌) 螺钉GB/T 70.1 M8x25 A21.2083006 21.2083006 内六角圆柱头螺栓螺钉_内六角圆柱头螺栓M8x30(镀黑锌) 螺钉GB/T 70.1 M8x30 A21.2084006 21.2084006 内六角圆柱头螺栓螺钉_内六角圆柱头螺栓M8x40(镀黑锌) 螺钉GB/T 70.1 M8x40 A21.2085006 21.2085006 内六角圆柱头螺栓螺钉_内六角圆柱头螺栓M8x50 半牙(镀黑锌) 螺钉GB/T 70.1 M8x50 A21.2088006 21.2088006 内六角圆柱头螺栓螺钉_内六角圆柱头螺栓M8x80(镀黑锌) 螺钉GB/T 70.1 M8x80 A21.2081916 21.2081916 内六角圆柱头螺栓螺钉_内六角圆柱头螺栓M8x190(镀黑锌) 螺钉GB/T 70.1 M8x190 A21.2101206 21.2101206 内六角圆柱头螺栓螺钉_内六角圆柱头螺栓M10x12(镀黑锌) 螺钉GB/T 70.1 M10x12 A21.7104002 21.7104002 内六角圆柱头螺栓螺钉_内六角圆柱头螺栓M10X40(镀黑锌) 螺钉GB/T 70.1 M10x404103.00019 21.1046001 六角头开十字槽法兰面螺钉螺钉螺丝_六角头开十字槽法兰面螺钉#6-32(L=6mm)。
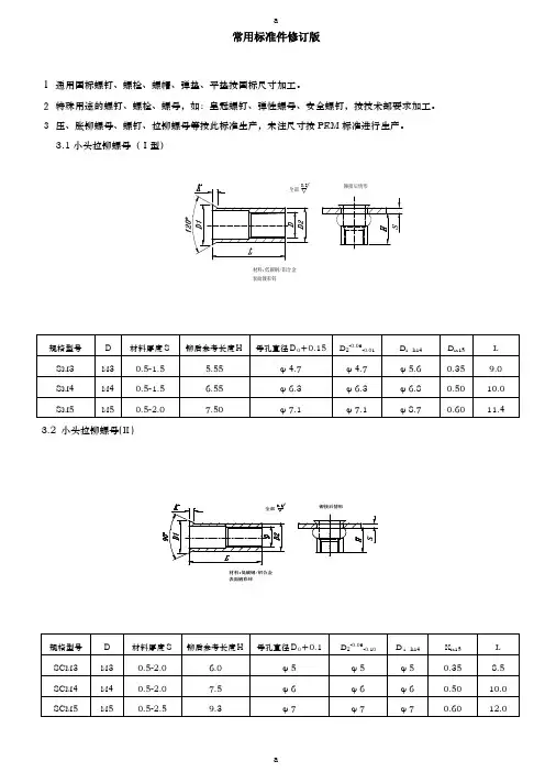
常用标准件修订版1 通用国标螺钉、螺栓、螺帽、弹垫、平垫按国标尺寸加工。
2 特殊用途的螺钉、螺栓、螺母,如:皇冠螺钉、弹性螺母、安全螺钉,按技术部要求加工。
3 压、胀铆螺母、螺钉、拉铆螺母等按此标准生产,未注尺寸按PEM 标准进行生产。
3.1小头拉铆螺母(Ⅰ型)3.2 小头拉铆螺母(Ⅱ)3.3沉头拉铆螺母3.4六角平头拉铆螺母 3.5平头拉铆螺母3.6 六角拉铆螺母(AEHS )六角拉铆螺母3.7通孔压铆螺母柱(SO)4.25.35.06.07.08.0备注:此标准适用于艾默生及其它公司标准,当华为技术产品图纸中标注3.5M3-XX压铆螺母柱时,所有尺寸与该标准中SO-M3-XX完全相同,当华为技术产品图纸中标注M3-XX压铆螺母柱时,则图示中D值尺寸为4.2mm,F值尺寸为4.8mm,其它尺寸不变。
3.8盲孔压铆螺母柱(BSO)4.24.25.36.07.08.0求的尺寸按此列表中加工,注明特殊要求的按非标准加工。
盲孔压铆螺母C部要求说明:L长度为6~7mm的C部长度为4.5mm以上,L长度8~10mm的C部长度为6.5mm以上,L长度为11~14mm的C部长度为8.0mm以上,L长度为14mm的C部长度为10.0mm以上,请各供应商按此要求加工。
备注:此标准适用于艾默生及其它公司标准,当华为技术产品图纸中标注3.5M3-XX压铆螺母柱时,所有尺寸与该标准中SO-M3-XX完全相同,当华为技术产品图纸中标注M3-XX压铆螺母柱时,则图示中D值尺寸为4.2mm,F值尺寸为4.8mm,其它尺寸不变。
3.9六角头压铆螺钉(NFH型)4.84.86.07.0说明:当C值值大于所加工板厚时,若非面板类所用压铆时六角头允许高于板厚:3.10圆头压铆螺钉(FH型-S)1 材料:根据订单要求而定,未注要求均为易车铁2 表面淬火,硬度要求HRC32-35°3 若表面没有作特殊说明均为镀彩锌4 螺纹为国标公制螺纹说明:当C 值值大于所加工板厚时,若非面板类所用压铆时头部允许高于板厚:3.11.1厚六角头通孔(NY102) (适用板厚2)3.12方螺母(NY300) 1)、普通型(A 型)2)、槽型带橡胶圈(B3)4)、C-1型(安装孔8.5×8.5)5)、C-2型(安装孔9.6×9.6)3.13、压铆式松不脱螺钉PF31- M3- 30型号螺纹码螺纹长度代码说明:当实际需求规格不在本标准范围内时,表中H值不变,则螺纹长度根据实际需求而变动。
GB1228 钢结构用高强度大六角头螺栓GB12 半圆头方颈螺栓GB13 半圆头带榫螺栓GB14 方颈螺栓GB15389 全牙丝杆GB27 六角绞制孔用螺栓GB29.2 凹穴六角螺栓GB3632 钢结构用扭剪型高强度螺栓连接副GB37 T型槽用螺丝GB801 马车螺栓(方颈螺栓)GB825 吊环螺栓GB5780 外六角螺栓(半牙)4.8级GB5781 外六角螺栓(全牙)4.8级GB5782 外六角螺栓(半牙)8.8级、10.9级GB5783 外六角螺栓(全牙)8.8级、10.9级GB5787 六角法兰螺栓GB897 双头螺丝DIN939GB901 等长双头螺栓U型螺栓、花兰螺栓、化学螺栓、蝶形螺栓材质:Q235碳钢、35#钢、45#钢、35CrMo、40Cr、SUS304不锈钢常用规格:直径M4-56mm,长度10-3000mm表面处理:本色、发黑、兰锌、环保彩锌、普通彩锌、热镀锌、达克罗GB/T 5780-2000 六角头螺栓C级ISO4016:1999 GB/T 5781-2000 六角头螺栓全螺纹C级ISO4018:1999 GB/T 5782-2000 六角头螺栓ISO4014:1999 GB/T 5783-2000 六角头螺栓全螺纹ISO4017:1999 GB/T 5785-2000 六角头螺栓细牙ISO8765:1999 GB/T 5786-2000 六角头螺栓细牙全螺纹ISO8676:1999 GB/T 6170-2000 1 型六角螺母ISO4032:1999GB/T 6171-2000 1 型六角螺母细牙ISO8673:1999GB/T 6172.1-2000 六角薄螺母ISO4035:1999GB/T 6172.2-2000 非金属嵌件六角锁紧薄螺母ISO10511:1997GB/T 6173-2000 六角薄螺母细牙ISO8675:1999GB/T 6174-2000 六角薄螺母无倒角ISO4036:1999GB/T 6175-2000 2 型六角螺母ISO4033:1999GB/T 6176-2000 2 型六角螺母细牙ISO8674:1999GB/T 6177.1-2000 六角法兰面螺母ISO4161:1999GB/T 6177.2-2000 六角法兰面螺母细牙ISO10663:1999GB/T 6182-2000 2型非金属嵌件六角锁紧螺母ISO7041:1997GB/T 6183.1-2000 非金属嵌件六角法兰面锁紧螺母ISO7043:1997GB/T 6183.2-2000 非金属嵌件六角法兰面锁紧螺母细牙ISO12125:1997GB/T 6184-2000 1型全金属六角锁紧螺母ISO7719:1997GB/T 6185.1-2000 2型全金属六角锁紧螺母ISO7042:1997GB/T 6185.2-2000 2型全金属六角锁紧螺母细牙ISO10513:1997GB/T 6186-2000 2型全金属六角锁紧螺母9级ISO7720:1997GB/T 6187.1-2000 全金属六角法兰面锁紧螺母ISO7044:1997GB/T 6187.2-2000 全金属六角法兰面锁紧螺母细牙ISO12126:1997螺栓一般常用的有六角头螺栓、圆柱头内六角螺栓、方头螺栓、T型螺栓、活节螺栓、地脚螺栓。
1 GB/T91-2000 开口销 1.5、2.5 开口销
2 GB/T93-1987 垫圈6、8、10弹垫
3 GB/T96-2002 垫圈10、12 大垫圈
4 GB/T97.1-2002 垫圈6、8、10平垫圈
5 GB/T818-2000 螺钉M8、M6十字盘头螺钉
6 GB/T819.1-2000 螺钉M6沉头螺钉
7 GB/T896-1986 挡圈10开口挡圈
8 GB/T923-1988 盖形螺母 M10 盖形螺母
9 GB/T5783-2000 螺栓M6、M8普通螺栓
10 GB/T16674-2004 螺栓M5、M6、M10
M8、M10
带盘螺栓
11 GB/T6170-2000螺母M10 M8普通螺母
12 GB/T6177-2000螺母 M5 M8 M10防滑螺母
13 GB/T6177.1-2000 螺母M5、M6、 M8、M10 防滑螺母(粗
牙)
14 GB/T6187.2-2000 螺母M10、M12 M14自锁螺母(细
牙)
15 GB70.1-2000 内六角螺栓M8内六角螺栓
16 GB70.2-2000 大盘头内六角螺钉M6×25
M6
大扁头螺钉
17 非标件(威德厂)十字带盘垫M5、M6十字带垫
18 GB/T 28-1988
GB/T 27-1988
铰制孔用螺栓M10
铰制孔用螺栓M10
台阶螺栓(带
孔)
台阶螺栓(不带
孔)
19 GB 845-85 自攻钉ST4.2×13自攻钉
20 非标件翻边衬套翻边衬套。
常用标准件代替标准与现行标准对照表
一、螺栓
GB/T 17880.1-1999平头铆螺母
名称更改
很遗憾的事情,又看到董藩教授的高论,不过不是房地产行业的高论,而
无
名称更改名称更改
无
无
论,而是介于政治领域或者社会学领域,或者是领导学领域(其实是什么领域,真的很难归类)高论。
中国拯救世界,地
界,地产拯救中国!这当中还是可以看到董教授学术研究方向的影子。
细读全文,这里面没有作为严谨的行业数据,也没
,也没有可信的逻辑推理,这只是董教授一次旅游观光后的个人直觉与感悟。