麦弗逊独立悬架受力分析及计算
- 格式:ppt
- 大小:1.22 MB
- 文档页数:44
麦弗逊式螺旋弹簧悬架的刚度与阻尼特性分析第39卷第2期2011年2月同济大学(自然科学版)JOURNALOFTONGJIUNIVERSITY(NATURALSCIE)V o1.39No.2Feb.2011文章编号:0253.374X(2011)02—0266—05DOI:10.3969/j.issn.0253—374x.2011.02.021麦弗逊式螺旋弹簧悬架的刚度与阻尼特性分析陈辛波,王斌,朱琳,冯春晟(同济大学汽车学院,上海201804)摘要:为提高麦弗逊式独立悬架分析与设计效率,建立悬架受力分析以及进行刚度与阻尼计算的数学模型,给出按选定的偏频和相对阻尼比确定螺旋弹簧刚度和减震器阻尼参数的设计步骤,并研制了方便实用的麦弗逊螺旋弹簧悬架系统刚度和阻尼参数分析与设计计算软件.虚拟样机试验结果验证了数学模型和计算软件的正确性.关键词:麦弗逊式螺旋弹簧悬架;减震器;刚度;阻尼中图分类号:U463.33文献标识码:A StiffnessandDampingCharacteristicsAnalysis onMePherson—strutSuspensionXinbo,WANGBin,ZHULin,Chunsheng(CollegeofAutomotiveStidies,T0niUniversity,Shanghai201804,China)Abstract:ToimprovetheanalysisanddesignefficiencyofMcPherson-strutsuspension,amathemafica1modelofsuspension basedonforceanalysisanddampingcalculationwasestablished. 111edesignprocedureofconfirmingparametersofcoilspring stiffnessandshockabsorberdampingbasedondesignedoffset frequencyandrelativedampingratiowasputforward,andasetof specialsoftwareofstiffnessanddampingparameteranalysisand designforMcPherson-strutsuspensionsystemwasdesigned.,nle testresultsofvirtualprototypeverifytheaccuracyofrr~thematicalmodelsandcalculatingsoftwareonstiffnessand dampingcharacteristicsanalysis.Keywords:McPherson—strutsuspension;shockabsorber; stiffness;damping汽车悬架作为连接车身与车轮的系统总成,决定着车辆的稳定性,舒适性和安全性.麦弗逊式独立悬架是轿车常用的悬架结构型式之一.国内外对它已进行了不少研究,如文献[1]建立了麦弗逊式前悬架多刚体模型,并采用)AMS/Insight模块进行影响因素分析和悬架布置的优化;文献[2]利用ADAMS软件建立汽车虚拟样机,研究螺旋弹簧刚度和横向稳定杆直径对汽车稳态转向特性的影响;文献[3]建立麦弗逊悬架多体动力学模型,将减振器侧向力仿真结果作为侧载弹簧设计目标,应用有限元方法进行结构优化设计,并进行了试验验证;文献I-4]研究前麦弗逊悬架的侧倾转向,采用遗传算法对机构特性进行运动分析和优化.这些研究一般都离不开ADAMS软件平台的支撑,因而也不能给出悬架等效刚度及等效阻尼参数与悬架实际所用弹簧元件及减震器参数之间的解析关系.文献[5—6]在机构运动分析的基础上,导出了分析双横臂悬架受力,刚度与阻尼特性的基本公式,并开发出了双横臂悬架系统刚度与阻尼参数分析软件.然而对于麦弗逊式独立悬架系统还没有这方面的研究,笔者针对麦弗逊式独立悬架系统进行导向机构的运动和受力分析,直接导出麦弗逊式悬架系统有关刚度,阻尼及受力分析的解析式,并编制便捷的悬架系统参数分析与设计计算软件.在ADAMS环境下建立麦弗逊式悬架模型,进行虚拟样机试验的结果验证了相关公式和计算软件的正确性.这样,直接运用自主开发的软件系统,可方便准确地进行麦弗逊式悬架刚度与阻尼参数的匹配计算和受力分析,从而为进__步的悬架结构设计和分析提供理论依据.1麦弗逊式螺旋弹簧悬架运动分析麦弗逊独立悬架右悬架部分由下摆臂,转向节收稿IEf期:2009—11—09基金项目;上海市科委项目(06DZ12214);科技部国际合作项目(2oo9DFB801oo)第一作者:陈辛波(1962一),男,教授,博士生导师,工学博士,主要研究方向为汽车传动与控制,电动汽车等.E-mail:Austin_l@163第2期陈辛波,等:麦弗逊式螺旋弹簧悬架的刚度与阻尼特性分析总成(包括减振器下体,轮毂轴,制动底板等),转向横拉杆,减振器上体,转向器齿条,车轮总成,车身共7个刚体组成.将麦弗逊悬架进行合理简化,如图l所示.其中为下摆臂,螺旋弹簧HG通过∞与减震器连接.肋为减震器,其一端E固定支承于车架,另一端O与转向节OC『B固定,B点通过球铰与下横臂AB连接.杆件AB长Z,ED长ls,BC长c,CG长£,AE长c,a.表示AE与水平方向的夹角;E点坐标(E,Y);螺旋弹簧上端固定点H点坐标(X,Y);C点到轮胎中心点F的距离zt,轮胎半径PF为;ab,a分别表示BC与OC延长线的夹角,C_G与OC的夹角;,为减震器和螺旋弹簧与垂直方向的夹角;为下臂AB与水平方向的夹角;卢为主销内倾角;口为CF与CE垂直方向的夹角. 图1麦弗逊螺旋弹簧独立悬架结构简图Fig.1StructurediagramofmcPherson—strut suspension建立固结于C点的相对坐标系C1y.其中y1沿CE方向,则Fcosflo]厂一sinflo]lsinP._J'Yllc._J1.1角由机构位移分析,得2tan-~—A+~/A2-B2-C2(1)式中:A=1lsine—lesina;B:1lsine—leCOSa.;C=Ibsinab.微分式(1)可得d/de,d2/de.1.2减震器长度k及相对滑动速度lec=,/(c—gee)+(yc—YE)(2)V=1sin(叩一.】fI)一Ibcos('7一J9o—ab)dflo/de (3)其中,fEC与水平方向的夹角为一tan()(4)1.3车轮外倾角车轮外倾角是指转向轮在安装时,其轮胎中心平面不是垂直于地面,而是向外倾斜一个微小的角度.它可以避免汽车重载时车轮产生负外倾即内倾, 同时也与拱形路面相适应.由于车轮外倾使轮胎接地点向内缩,缩小了主销偏移距,从而使转向轻便并改善制动的方向稳定性.车轮外倾角为a=f一o(5)1.4主销内倾角主销BE连线的内倾角为卢=tan一[(YE~YB)/(B一日)](6)1.5其他参数计算根据图1,可直接由如下矢量和计算C点位置坐标(c,YG)[:]:[:cs.inseJ]+L-cl.bssin(.fl+o+.;]=l1c…os~-l.b…sin(,.flo+a..b,)1(7)』…jJ.…,●uH.,同理可得G点坐标(XG,Y),轮心F点坐标(,Y),车轮接地点P点坐标(P,Y).弹簧长度L为L=1VH=~/(H—XG).+(YH—YG)(8)设逆时针方向为正方向,弹簧力的方向角为k=tg[(G一H)/(YH—YG)](9)2麦弗逊式螺旋弹簧悬架受力分析静载时,车轮接地点受到地面对车轮的作用力F=mg,其中m为1/4车辆总负载.在车辆行驶过程中,螺旋弹簧受弹簧力F=k.(Z—eo),其中.为弹簧刚度系数,£为弹簧受力后的实际长度,£o为同济大学(自然科学版)第39卷弹簧原长度.由图2得F他=a悬架受力分析式中,lo为上横臂螺旋弹簧零变形(FP=0)时弹簧(10)的初始长度?l0=l一(Fedye/d~)/(kQ)(13)令q=sin/?kG—cosflkYG容易求得(((c_Q+Qdldyp+Q一fd2ypdyp).(14)可见,当螺旋弹簧刚度k.一定时,悬架刚度与螺旋弹簧刚度k.及悬架机构结构参数之间存在明显的非线性关系.从中可解得螺旋弹簧刚度为b减震器简化图图2麦弗逊螺旋弹簧悬架受力分析与减震器简化图Fig.2DiagramofMePherson—strutsuspension andshockabsorber3悬架刚度与弹簧刚度间的解析关系悬架系统刚度直接影响汽车平顺性.汽车的固有频率是衡量汽车平顺性的重要参数,它由悬架刚度和悬架弹簧支承的质量(簧载质量)所决定.当悬架刚度一定时,簧载质量越大,悬架垂直变形也愈大,而固有频率越低.空车时的固有频率要比满载时高.簧载质量变化范围大,固有频率变化范围也大. 为了使空载和满载固有频率保持一定或很小变化, 有时需要把悬架刚度做成可变或可调的.设单轮悬架刚度为k,N?m,单轮簧载质量为,kg,f为悬架固有频率,则kP=(2nf)m(11)设螺旋弹簧刚度为.,N?m~,螺旋弹簧变形所产生的力为F,N,则按螺旋弹簧的不同安装位置可分别建立k与k之间的函数关系.根据功能原理,得—k.(1一lo)(sinflkXG~COS~kYa)r1r),一dy./dek.=()q—dypdQ+FPd2YP0Q(15)4悬架阻尼特性与减震器阻尼参数的解析关系悬架系统弹性元件受冲击将产生振动.为改善汽车行驶平顺性,衰减车身自由振动和抑制车身,车轮的共振以减小车身的垂直振动加速度和车轮的振幅(减小车轮对地面压力的变化,防止车轮跳离地面),在悬架中与弹性元件并联安装减振器.减振器利用其自身的油液流动阻力来消耗振动能量,以迅速衰减车身振动.按汽车平顺性要求,悬架平衡位置垂向阻尼系数CP由下式确定:CP=4nfmCo(16)式中,C.为相对阻尼比,可取0.25~0.50.按功能原理,求得C与减震器阻尼系数C的关系为CV=CP(dyP/de)=CP.(17)式中,V为车轮跟动速度.代人相关参数,得广CP=Clllsin(一)一lbcos('7一L]2,卢.一a)dfl0/del/(dyP/de)(18)5虚拟样机验证5.1设计步骤及软件研制软件设计的目的是将麦弗逊悬架繁复的设计过第2期陈辛波,等:麦弗逊式螺旋弹簧悬架的刚度与阻尼特性分析程可视化,实现依据用户输入的相应初始参数来进行麦弗逊式螺旋弹簧悬架的模拟运行,给出横臂和连杆轨迹跟踪图,悬架中各力与关系图示,悬架刚度k与关系图示,CP与关系图,并最后输出基于初始参数的平衡点各参数数值.从而清晰地了解设计过程中各个参量对麦弗逊悬架性能的影响,进而方便调整,达到简化设计过程,提高设计效率的目的.设计步骤如下:①按人体工程学和汽车平顺性要求,选取合适的偏频和相对阻尼比.②按式(11),式(16)分别计算悬架平衡位置时的k,C以及C.③由式(14)计算k随悬架上下跳动的变化.④在悬架平衡位置,将F=mg代人式(15),确定,进而由式(13)计算£..⑤按式(2)~(4)计算f嬲,随悬架上下跳动的变动范围及.,进而确定减震器阻尼力F=CV.⑥按式(18)计算悬架阻尼系数C随悬架上下跳动的变化.⑦按式(12)计算悬架不同位置时地面对车轮的反力.⑧按式(5),式(6)求车轮外倾角,主销内倾角.用VB软件编制简明实用的参数化计算软件,其运行界面如图3所示.壹弗避式螺旋弹簧患架分析V10F●b,F'r0一l;li1_l芦-L一i一!一{一一l一一l;卜i卜lF一{■lr—l■l—i『l一{I图3麦弗逊式螺旋弹簧悬架分析软件结果输出界面Fig.3Outputinterfaceofanalysissoftwareon McPherson—strutsuspension5.2基于ADAMS的虚拟样机试验验证在ADAMS环境下,建立如图4所示麦弗逊式悬架仿真模型,验证悬架刚度和阻尼特性等参数随车轮上下跳动而变化的规律是否与上述软件计算结果一致. 5.2.1悬架刚度验证同理,对悬架刚度进行虚拟仿真和理论曲线绘制,测量值与计算值重合,如图5所示.证明悬架刚度计算仿真正确.图4添加驱动和约束后的模型Fig.4Modelwithdrivingandrestrictions图5悬架刚度验证曲线Fig.5Stiffnessvalidationcurveof McPherson—strutsuspension5.2.2悬架阻尼验证由于式(17)中C为常数,而图6和图7显示的减震器相对运动速度和车轮跳动速度(即),其理论计算与ADs仿真完全一致,因此式(18)无误.6结语建立了汽车麦弗逊式悬架系统受力分析和刚度,阻尼计算的数学模型.给出了按选定偏频和相对阻尼比确定螺旋弹簧刚度和减震器阻尼参数的设计步骤.研制了麦弗逊式螺旋弹簧悬架系统刚度和阻尼参数分析软件,为此类独立悬架系统提供了简明实用的仿真分析与设计工具.270同济大学(自然科学版)第39卷图6减震器运动相对速度曲线Fig.6Relativemovingspeedcurveofshockabsorber毒{蟊主:j!霸斛鞠.l期雕-磷刊QI墅l嚼嚼囊囊删刊矧删rj膏I|嘲…-~.枷.\三/\■■一1*./\:/,一,Ⅱ/\l,/\t..\1.|一i1.\\h__I…l=i!小呻jl1—Yr—■——●—一广——一广肓———————■■——■—●.一——tJ 啪——卫1l~{…'…PI?I…一jIJ::{",rJl17■——■●__j脚_-^_参型fI.黔.:图7车轮跳动速度曲线Fig.7Jumpingspeedcurveofwheel参考文献:[1]汤靖,高翔,陆丹.基于ADAMS的麦弗逊前悬架优化研究[J]计算机辅助工程,2004,3(1):28.?下期文章摘要预报?TANGJing,GA0Xiang,LUDan.Theoptimizeddesighof macphersonsuspensionbasedonadamsI-J] puterAidedEngineering,2004,3(1):28.[2]褚志刚,邓兆祥,王攀,等.基于虚拟样机的汽车稳态转向特性改进研究I-J].系统仿真,2006,18(1):106.CHUZhigang,DENGZhaoxiang,WANGPan,eta1. Improvementofstablesteeringcharacteristicofvehiclebasedon virtualprototype[J].JournalofSystemSimulation,2006,18(1):106.[3]柳江,喻凡,楼乐明.麦弗逊悬架侧载螺旋弹簧优化设计[J].汽车工程,2006,28(8):743.LIUJiang,YUFan,LOULeming.Optimizationdesignofside loadcoilspringsformacPhersonsuspensionI-J].Automotive Engineering,2o06,28(8):743.r4]HoseinHabibi,KouroshH.Shirazi,MohammadShishesaz.RoIJ steerminimizationofMcPherson—strutsuspensionsystemusing geneticalgorithmmethod[J].MechanismandMachineTheory, 2008,43:57.[5]陈辛波,王伟,万钢.双横臂扭杆弹簧悬架系统刚度与阻尼特性分析的新方法[J].机械工程,2009,42(9):103.CHENXinb0,WANGWei,WANGang.Newmethodfor analyzingrigidityanddampingcharacteristicsofdouble- wishbonesuspensionwithtorsionbar[J].ChineseJournalof MechanicalEngineering,2009,42(9):103.[6]冯春晟,陈辛波.双横臂一螺旋弹簧悬架受力及刚度阻尼特性非线性分析[J].汽车技术,2007(9):7.FENGChunsheng.CHENXinbo.Nonlinearanalysisonforce, rigidityanddampingperformancesofdoublewishbone independentsuspensionwithcoilspring[J].Automobile Technology,2007(9):7.[7]刘惟信.汽车设计[M].北京:清华大学出版社,2001. LIUWeixing.Automotivedesign[M].Beijing:Tsinghua UniversityPress,2001.基于增量谐波平衡法的汽车非线性悬架系统定量研究盛云,吴光强分析了汽车悬架系统和轮胎的非线性弹簧力和阻尼力,建立二自由度汽车非线性垂向振动系统的动力学模型.结合增量谐波平衡方法(incrementalharmonicbalancemethod, IHBM),对该系统的动力学行为进行定量研究.推导其增量谐波平衡过程,研究增量谐波平衡法的迭代计算过程,采用几个不同的谐波次数,计算系统的近似周期解,确定周期解的稳定性;同时,以路面激励圆频率为参数进行了跟踪计算,得到系统主共振时的幅频响应特性.近似解的计算结果与数值计算结果的对比表明,增量谐波平衡方法的精度可灵活控制,且收敛速度快,结果可靠,是汽车强非线性动力学行为研究的有效方法.。
麦弗逊悬架仿真分析一、本文概述随着汽车工业的飞速发展和消费者对车辆性能要求的不断提高,悬架系统作为车辆的重要组成部分,其设计优化和性能分析显得尤为关键。
麦弗逊悬架作为一种常见的独立前悬架类型,以其结构简单、紧凑且性能稳定的特点,被广泛应用于各类乘用车中。
本文旨在通过仿真分析的方法,对麦弗逊悬架的动态特性进行深入探讨,以期为悬架设计优化和车辆性能提升提供理论支持和实践指导。
本文首先将对麦弗逊悬架的基本原理和结构特点进行简要介绍,为后续分析奠定理论基础。
随后,将详细介绍仿真分析的方法论,包括模型的建立、边界条件的设定、仿真工况的选择等,以确保分析结果的准确性和可靠性。
在此基础上,本文将重点分析麦弗逊悬架在不同工况下的动态响应特性,如位移、速度、加速度等关键参数的变化规律,并探讨其对车辆操纵稳定性和乘坐舒适性的影响。
本文将对仿真结果进行总结,并提出针对性的优化建议,以期为麦弗逊悬架的设计改进和车辆性能的提升提供有益的参考。
通过本文的研究,不仅可以加深对麦弗逊悬架动态特性的理解,还可以为车辆悬架系统的优化设计和性能评估提供科学的方法和依据。
本文的研究方法和成果也可为其他类型悬架系统的仿真分析提供参考和借鉴。
二、麦弗逊悬架结构与工作原理麦弗逊悬架(McPherson Strut Suspension)是汽车工业中应用最为广泛的一种独立悬架形式。
其名称来源于其发明者,英国工程师约翰·麦弗逊(John Alexander McPherson)。
麦弗逊悬架以其结构紧凑、成本低廉、性能稳定等优点,在乘用车市场中占据了主导地位。
麦弗逊悬架主要由减震器、螺旋弹簧、下摆臂、转向节、轴承等部件组成。
减震器与螺旋弹簧组合在一起,构成了悬架的支柱,既起到了支撑车身的作用,又能够吸收路面冲击产生的振动。
下摆臂则连接车轮与车身,通过轴承与转向节相连,使得车轮可以相对于车身进行转向运动。
当车辆行驶在不平坦的路面上时,路面的起伏会引起车轮的上下跳动。
麦弗逊悬架专业解读,建模仿真带你了解麦弗逊的结构性能~大家好,欢迎收看汽车攻城狮,上篇文章和大家分享了悬架的分类,这期节目我们介绍下麦弗逊悬架。
麦弗逊悬架是独立悬架中最经典的一款,甚至可以说双叉臂和多连杆悬架都是在麦弗逊悬架的基础上升级演变而来。
这套悬架最早是由美国人麦弗逊发明的,所以就以他的名字命名了这套悬架。
他在1924年加入美国通用汽车公司。
作为总设计师的麦弗逊创造性地将减振器和螺旋弹簧组合在一起,装在前轴上,这就是最早的麦弗逊悬架。
之后,麦弗逊跳槽到福特,1950年在福特的两款车型上成功量产。
所以最早搭载麦弗逊悬架量产的车企是福特。
时至今日,麦弗逊悬架成为市场最主流的悬架。
麦弗逊悬架由弹簧、减震器、连杆、稳定杆总成、副车架组成。
减震器和弹簧是安装在一起的。
减震器的下端安装在转向节上,不仅起到减震的作用同时还能当做连杆使用,起到导向作用。
麦弗逊悬架单边只有一根下摆臂,一端是两个衬套安装在副车架,另外一端是球头安装在转向节上。
麦弗逊的下摆臂衬套是有讲究的,更接近轮心的衬套是操控性衬套,主要影响操控性能。
而且因为操控性衬套更靠近轮心,车辆受到的侧向力更多的是施加在这个衬套上,我们在一些改装车上可以看到,一些车主为了提升操控性,会将这个衬套换成强化衬套。
离轮心更远的是舒适性衬套,主要作用是缓冲前后方向的振动。
经过近百年的发展,麦弗逊悬架衍生出了不少改良款。
其中最有名的就是宝马和保时捷。
其中宝马M3是将经典麦弗逊悬架中L型下摆臂拆成两根一字型下摆臂,用两个球头和转向节相连。
而保时捷911上也是将一根下摆臂拆成两根下摆臂,但是在911上的摆臂中,其中一根控制臂用衬套连接在另外一个控制臂上。
这种将一根下摆臂变成两根控制臂的结构,随着控制臂数量越多,设计时可调的参数越多,越有利于提升悬架性能。
当然这个对设计能力也要求越高。
俗话说“悬架性能好不好,就看硬点硬不硬”。
很多人讨论悬架的时候都有讨论“硬点”这个概念。
前言:悬架是汽车的车架与车桥或车轮之间的一切传力连接装置的总称,其作用是传递作用在车轮和车架之间的力和力扭,并且缓冲由不平路面传给车架或车身的冲击力,并衰减由此引起的震动,以保证汽车能平顺地行驶.典型的悬架结构由弹性元件、导向机构以及减震器等组成,个别结构则还有缓冲块、横向稳定杆等.弹性元件又有钢板弹簧、空气弹簧、螺旋弹簧以及扭杆弹簧等形式,而现代轿车悬架多采用螺旋弹簧和扭杆弹簧,个别高级轿车则使用空气弹簧。
悬架是汽车中的一个重要总成,它把车架与车轮弹性地联系起来,因此悬架与车辆的行驶平顺性、操控稳定性具有极大的关系。
悬架设计的好坏直接影响到整车的性能。
因此开发出高品质的悬架是车辆工程师的一项重要任务.而悬架部分涉及的专业知识也比较高深,本文期望通过对悬架进行初级设计以达到对悬架有进一步了解的目的.关键词:悬架;减震器;弹簧计算1悬架1。
1悬架的功用汽车悬架是车架(或车身)与车轴(或车轮)之间的弹性联结装置的统称。
它的作用是弹性地连接车桥和车架(或车身),缓和行驶中车辆受到的冲击力;保证货物完好和人员舒适;衰减由于弹性系统引进的振动,使汽车行驶中保持稳定的姿势,改善操纵稳定性;同时悬架系统承担着传递垂直反力,纵向反力(牵引力和制动力)和侧向反力以及这些力所造成的力矩作用到车架(或车身)上,以保证汽车行驶平顺;并且当车轮相对车架跳动时,特别在转向时,车轮运动轨迹要符合一定的要求,因此悬架还起使车轮按一定轨迹相对车身跳动的导向作用。
1.2 悬架的组成一般悬架由弹性元件、导向机构、减振器和横向稳定杆组成。
1。
弹性元件弹性元件用来承受并传递垂直载荷,缓和由于路面不平引起的对车身的冲击。
弹性元件种类包括钢板弹簧、螺旋弹簧、扭杆弹簧、油气弹簧、空气弹簧和橡胶弹簧等,这里我们选用螺旋弹簧。
2.减振器减振器用来衰减由于弹性系统引起的振动,减振器的类型有筒式减振器,阻力可调式新式减振器,充气式减振器。
3。
导向机构导向机构用来传递车轮与车身间的力和力矩,同时保持车轮按一定运动轨迹相对车身跳动,通常导向机构由控制摆臂式杆件组成。
麦弗逊悬架减振器侧向力分析综述刘守银,周忍【摘要】麦弗逊悬架减振器侧向力对减振器寿命和悬架性能影响很大,系统分析减振器侧向力对麦弗逊悬架设计具有重要意义。
减振器的侧向力取决于车辆运动时受到的地面的作用力和悬架的几何结构,本文综述了车辆行驶时车轮上下运动的侧向力、加速、减速、转弯时侧向力的分析,确定了麦弗逊悬架的几何结构对减振器侧向力的影响因素,并通过国内外最新产品的实例说明通过改变悬架的几何结构来减小减振器侧向力的具体方法和产生的效果。
最后对减振器侧向力进行了总结,并对未来麦弗逊悬架的研发工作提出了一些建议。
【期刊名称】汽车实用技术【年(卷),期】2014(000)010【总页数】5【关键词】麦弗逊悬架;减振器;侧向力;综述【文献来源】https:///academic-journal-cn_automobile-applied-technology_thesis/0201223633858.htmlCLC NO.: U467.4 Document Code: A Article ID: 1671-7988(2014)10-44-05前言因为麦弗逊悬架减振器不仅支撑车体重量,而且承受由作用在车体上的惯性力而产生的弯曲力,所以不可避免增大减振器的滑动部位摩擦力。
为了减小摩擦力,在轴承和活塞的滑动部位使用摩擦系数低的材料来提高滑动性,如在活塞杆导向座处采用PTFE涂层、在活塞上使用PTFE薄膜等,但是,这只能在很小程度上减小摩擦力,更重要的是减小作用在减振器上的侧向力[1]。
麦弗逊悬架减振器在实际应用中因活塞杆发生侧向摩擦,引发早期失效和漏油等,同时,摩擦阻力增加了车轮的上下运动的阻力,因此,麦弗逊悬架及悬架元件侧向受力而产生的摩擦不仅影响悬架及悬架元件的耐久性,而且更直接、更显著地影响整车平顺性。
国内外学者麦弗逊悬架减振器侧向力的研究方面主要侧重车轮上下运动时的侧向力,并发表了很多论文[2-5]。
车168教你学知识--麦弗逊独立悬挂详解麦弗逊悬挂(macphersan),是现在非常常见的一种独立悬挂形式,大多应用在车辆的前轮。
简单地说,麦弗逊式悬挂的主要结构即是由螺旋弹簧加上减震器以及A字下摆臂组成,减震器可以避免螺旋弹簧受力时向前、后、左、右偏移的现象,限制弹簧只能作上下方向的振动,并且可以通过对减震器的行程、阻尼以及搭配不同硬度的螺旋弹簧对悬挂性能进行调校。
麦弗逊悬挂最大的特点就是体积比较小,有利于对比较紧凑的发动机舱布局。
不过也正是由于结构简单,对侧向不能提供足够的支撑力度,因此转向侧倾以及刹车点头现象比较明显。
下面就为大家详细的介绍一下麦弗逊悬挂的构造以及性能表现。
麦弗逊悬挂的历史:麦弗逊式悬挂是应前置发动机前轮驱动(ff)车型的出现而诞生的。
ff车型不仅要求发动机要横向放置,而且还要增加变速箱、差速器、驱动机构、转向机,以往的前悬挂空间不得不加以压缩并大幅删掉,因此工程师才设计出节省空间、成本低的麦弗逊式悬挂,以符合汽车需求。
麦弗逊(Macphersan)是这套悬挂系统发明者的名字,他是美国伊利诺伊州人,1891年生。
大学毕业后他曾在欧洲搞了多年的航空发动机,并于1924年加入通用汽车公司的工程中心。
30年代,通用的雪佛兰公司想设计一种真正的小型汽车,总设计师就是麦弗逊。
他对设计小型轿车非常感兴趣,目标是将这种四座轿车的质量控制在0.9吨以内,轴距控制在2.74米以内,设计的关键是悬挂。
麦弗逊一改当时盛行的板簧与扭杆弹簧的前悬挂方式,创造性地将减振器和螺旋弹簧组合在一起,装在前轴上。
实践证明这种悬架形式的构造简单,占用空间小,而且操纵性很好。
后来,麦弗逊跳槽到福特,1950年福特在英国的子公司生产的两款车,是世界上首次使用麦弗逊悬架的商品车。
麦弗逊悬挂的构造:麦弗逊悬挂构造图麦弗逊式悬挂由螺旋弹簧、减震器、A字形下摆臂组成,绝大部分车型还会加上横向稳定杆。
麦弗逊式独立悬架的物理结构为支柱式减震器兼作主销,承受来自于车身抖动和地面冲击的上下预应力,转向节(也可说车轮,因为转向节作用于车轮)则沿着主销转动;此外,其主销可摆动,特点是主销位置和前轮定位角随车轮的上下跳动而变化,且前轮定位变化小,拥有良好的行驶稳定性。
麦弗逊式独立悬架工作原理
麦弗逊式独立悬架是一种常见的车辆悬挂系统,被广泛应用于各
种轿车、客车和货车等车型中。
下面将为大家分步骤阐述麦弗逊式独
立悬架的工作原理。
第一步,当车辆行驶时,车轮所承受的重力、车辆通过路面引起
的冲击力以及由发动机和动力传动系统引起的振动等因素,都会同时
向悬挂系统传递。
第二步,这些力作用下,车轮相对车身将偏转和上下振动,而悬
挂系统底盘上的上下支架和车轮连接处的下摆臂则会随之上下运动。
第三步,这一运动将向上的力传递到上支架,并被悬挂系统的卷
簧吸收。
同时向下的力被传递到下支架,再传递到底盘上的较低位置,通过车身支撑点传递到车身上,从而缓冲、吸收了车轮的振动和冲击力。
第四步,值得一提的是,麦弗逊式独立悬架的一个重要组成部分
是麦弗逊减震器。
减震器中的油压缓冲装置可将冲击和振动消减到尽
可能小,并控制弹簧的运动,避免出现过分反弹和重复瞬间振动的问题。
第五步,据此,麦弗逊式独立悬架的主要原理就是通过车轮的上
下摆动,将上下的运动转化为弹簧压缩与减震器缓冲的作用,并将能
量通过支撑点传递到车身上,并使车身缓慢而平稳地进行上下运动,
从而保证了车辆的平稳性、舒适性和稳定性。
综上所述,麦弗逊式独立悬架的工作原理是通过车轮的摆动将上
下的能量转化为弹簧压缩与减震器缓冲,从而缓和车轮和车身间的震
动和瞬间振动,使车辆行驶更加平稳、舒适和稳定。
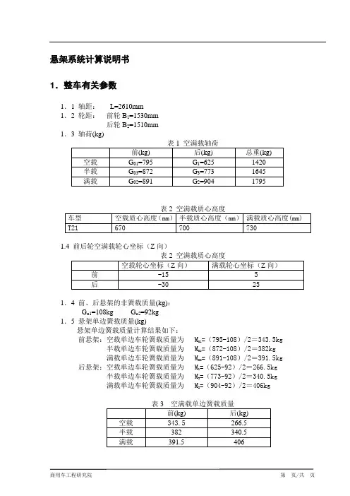
悬架系统计算说明书1.整车有关参数1.1 轴距:L=2610mm1.2 轮距:前轮B1=1530mm后轮B2=1510mm1.3 轴荷(kg)1.4 前后轮空满载轮心坐标(Z向)1.4 前、后悬架的非簧载质量(kg):G u1=108kg G u2=92kg1.5 悬架单边簧载质量(kg)悬架单边簧载质量计算结果如下:=(795-108)/2=343.5kg 前悬架:空载单边车轮簧载质量为M01=(872-108)/2=382kg半载单边车轮簧载质量为 M03满载单边车轮簧载质量为M02=(891-108)/2=391.5kg=(625-92)/2=266.5kg 后悬架:空载单边车轮簧载质量为M1半载单边车轮簧载质量为M=(773-92)/2=340.5kg3满载单边车轮簧载质量为M2=(904-92)/2=406kg2、前悬架布置前悬架布置图见图1图1 T21前悬架布置简图3、前悬架设计计算3.1 前悬架定位参数:3.2 前悬架采用麦弗逊式独立悬架,带稳定杆,单横臂,螺旋弹簧,双向双作用筒式减震器。
(1) 空满载时缓冲块的位置和受力情况 空载时,缓冲块起作用,不受力 满载时,缓冲块压缩量为13.8mm ,(由DMU 模拟得知,DMU 数据引自T21 M2数据)。
根据缓冲块的特性曲线,当缓冲块压缩13.8mm 时,所受的力为:125N (2) 悬架刚度计算螺旋弹簧行程杠杆比:1.06悬架刚度为K 1= ((391.5-343.5)*9.8-125/1.06)/(5-(-15))= 17.62N/mm(3)前螺旋弹簧①截锥螺旋弹簧②螺旋弹簧行程杠杆比:1.06③刚度C1=K1*(1.06)2*0.9=17.62*(1.06)2*0.9=17.81N/mm(4)静挠度和空满载偏频计算空载时挠度 f 1= N 1/K 1=( M 01*9.8)/K 1=(343.5*9.8)/17.81=18.9cm 静挠度 f 01= f 1 +(5-(-15))/10=20.9 偏频n:空载为 Hz f n 15.19.18/5/511===满载为 Hz f n 09.19.20/5/50101===结论:前悬架偏频在1.00~1.45Hz 之间,满足设计要求。
第1章绪论1.1悬架的功用悬架是车架(或承载式车身)与车桥(或车轮)之间弹性连接装置的总称。
(1) 传递它们之间一切的力(反力)及其力矩(包括反力矩)。
(2)缓和,抑制由于不平路面所引起的振动和冲击,以保证汽车良好的平顺性,操纵稳定性。
(3)迅速衰减车身和车桥的振动。
悬架系统的在汽车上所起到的这几个功用是紧密相连的。
要想迅速的衰减振动、冲击,乘坐舒服,就应该降低悬架刚度。
但这样,又会降低整车的操纵稳定性。
必须找到一个平衡点,即保证操纵稳定性的优良,又能具备较好的平顺性。
悬架结构形式和性能参数的选择合理与否,直接对汽车行驶平顺性、操纵稳定性和舒适性有很大的影响。
由此可见悬架系统在现代汽车上是重要的总成之一。
1.2 悬架的组成现代汽车,特别是乘用车的悬架,形式,种类,会因不同的公司和设计单位,而有不同形式。
但是,悬架系统一般由弹性元件、减振器、缓冲块、横向稳定器等几部分组成等,见图1-1所示。
它们分别起到缓冲、减振、力的传递、限位和控制车辆侧倾角度的作用。
图1-1 汽车悬架组成示意图1-弹性元件 2-纵向推力杆 3-减震器 4-横向稳定器 5-横向推力杆1弹性元件又有钢板弹簧、空气弹簧、螺旋弹簧以及扭杆弹簧等形式,现代轿车悬架多采用螺旋弹簧,个别高级轿车则使用空气弹簧。
螺旋弹簧只承受垂直载荷,缓和及抑制不平路面对车体的冲击,具有占用空间小,质量小,无需润滑的优点,但由于本身没有摩擦而没有减振作用。
这里我们选用螺旋弹簧。
减振器是为了加速衰减由于弹性系统引起的振动,减振器有筒式减振器,阻力可调式新式减振器,充气式减振器。
它是悬架机构中最精密和复杂的机械件。
导向机构用来传递车轮与车身间的力和力矩,同时保持车轮按一定运动轨迹相对车身跳动,通常导向机构由控制摆臂式杆件组成。
种类有单杆式或多连杆式的。
钢板弹簧作为弹性元件时,可不另设导向机构,它本身兼起导向作用。
有些轿车和客车上,为防止车身在转向等情况下发生过大的横向倾斜,在悬架系统中加设横向稳定杆,目的是提高横向刚度,使汽车具有不足转向特性,改善汽车的操纵稳定性和行驶平顺性。
2005年12月农业机械学报第36卷第12期麦弗逊悬架运动学分析与结构参数优化*夏长高 邵跃华 丁 华 【摘要】 基于空间机构运动学和数值计算方法,运用瞬心法和坐标变换建立了麦弗逊悬架空间几何与运动学特性的关系,给出了分析麦弗逊悬架运动学特性的数学模型,并利用遗传算法对麦弗逊悬架进行了结构参数优化。
研究结果表明,该方法可以明显地改善悬架的运动学特性,提高汽车的操纵稳定性,减少轮胎磨损,提高其使用寿命。
关键词:麦弗逊悬架 空间机构学 遗传算法 优化设计中图分类号:U 463.33文献标识码:AKinematical Analysis and Structural Parameter Optimizationof McPherson SuspensionXia Chang gao Shao Yuehua Ding Hua(J iangsu University )AbstractKinematical characteristic of M cPherson suspension that affects vehicle's per for mances such as steering char acter istics ,handling qualities ,riding com for t and serv ice life o f tire depend on how w ell the structural parameters of M cPherson suspension were identified .U sing the metho d of instantaneo us center and coordinate transfo rmation the relationship betw een spatial g eom etry ,kinematical character istic of M cPherson suspension w as analy zed based o n the spatial kinem atics and num erical calculation .In order to analy ze the suspension kinematics characteristics ,a mathem atical mo del w as built,and optimized the structure of M cPherso n suspension by using the genetic algo rithms m ethod.T he optim ization results show ed that GA metho ds w ere flexible and po werful search techniques for obtaining a better and a more realistic solution com pared to the classical optim ization techniques and it is im prov ed compared w ith the co nventio nal designs .Key words M cPherson suspension,Spatial kinem atics,Genetic algo rithms,Optim al design收稿日期:20050513*江苏大学高级人才专项基金资助项目(项目编号:04JDG009)夏长高 江苏大学汽车与交通工程学院 副教授 博士,212013 镇江市邵跃华 江苏大学汽车与交通工程学院 硕士生丁 华 江苏大学汽车与交通工程学院 讲师 博士 引言麦弗逊悬架具有结构简单、紧凑、占用空间少、非簧载质量小等特点,是现代汽车上广泛采用的一种悬架结构形式,其运动特性的优劣关系到汽车操纵稳定性、舒适性、转向轻便性和轮胎使用寿命等[1]。
前言悬架是现代汽车的重要组成部分之一。
虽然并非汽车在行进必不可少的装备,但如果没有悬架,将极大的影响汽车的操纵稳定性和平顺性。
悬架对整车性能有着重要的影响。
在汽车市场竞争日益加剧的今天,人们对汽车的性能的认识更多的靠更为直接的感观感受,而非他们不太懂得的专业术语。
因此,对汽车操纵稳定性﹑平顺性的提升成为了各大汽车厂商的共识。
与此关系密切的悬架系统也被不断改进,主动半主动悬架等具有反馈的电控系统在高端车辆上的应用日趋广泛。
无论定位高端市场,还是普通家庭的经济型轿车,没有哪个厂家敢忽视悬架系统及其在整车中的作用。
这一切,都是因为悬架系统对乘员的主观感受密切联系。
悬架系统的优劣,乘员在车上可以马上感受到。
“木桶理论”,很多人都知道,整车就好比是个“大木桶”,悬架是它的一片木板。
虽然,没有悬架的汽车还是可以跑动的,但是坐在上面是很不舒服的。
坐过农用车货厢的人,对此应该是颇有些体会的,即便是较好的路况,在上面也是颠来颠去的。
因为它的悬架很简单,对平顺性和操纵稳定性考虑的很少。
只有当悬架这块木板得到足够重视,才能使整车性能得以提升。
否则,只能是句空话。
正因为悬架在现代汽车上的重要重要作用,应该重视汽车悬架的设计。
只有认真,严谨的设计才能确保其与整车的完美匹配。
而要做到这一点,就必须,查阅大量相关书籍,图册,行业和国家标准。
这些是对我们这些将来要从事汽车设计,制造工作的工科出身的大学毕业生的必须经历的一个必不可少的训练。
没有经过严格的训练的洗礼,是不可能具备这种专业精神和素质的。
目录前言 (1)第一章悬架的功用 (3)第二章悬架系统的组成 (4)第三章悬架的类型及特点 (5)§3.1非独立悬架的分类及特点 (5)§3.2独立悬架分类及特点 (7)第四章匹配车型的选择 (9)第五章悬架主要参数的确定 (10)§5.1悬架静挠度f............................................................. 错误!未定义书签。
麦弗逊式前悬架的K&C分析本文介绍了调用MotionView软件中的汽车动力学仿真模块,按照正向开发车型最初始设定的参数,修改默认模型的硬点、衬套六向刚度、弹簧刚度、减震器阻尼、缓冲块等数据,然后进行K&C仿真,并在MV提供的自动报告模板里添加两辆Benchmark 车的K&C试验数据,通过仿真数据与试验数据的对比,分析初步设定的参数是否合理,尤其是衬套刚度参数设定对操稳和平顺性的影响,并以此为依据对相应参数进行调整。
1 概述某车型的前悬架为麦弗逊结构,处于设计阶段,为了取得和Benchmark车同样的操稳性能,同时减少后期样车调校的工作量,需对该悬架进行K&C分析,优化悬架的硬点和衬套刚度。
2 MDB模型建立从MotionView自带的整车模型库Assembly Wizard调用所需的前悬架模型,并根据已有的设计修改相应的数据。
2.1 前悬架硬点建立及零部件属性设置通过模型界面输入关键点的三维坐标,将衬套六向刚度曲线转化为.CSV文件,导入到MotionView,并在相应的衬套中调用。
设定弹簧刚度、预载力和减振器的阻尼,以及减振器的长度、行程、上下限位块起作用点的位置。
2.2 横向稳定杆模型建立横向稳定杆是Roll工况仿真中的关键部件,通常的建模方式有柔性体中性文件和Polybeam两种。
在后期可能会对悬架侧倾刚度进行调整,考虑到稳定杆建模和参数调整的方便性,这里采用Polybeam方式,仅需输入稳定杆的硬点和材料参数,如图1所示。
图1稳定杆模型图2 前悬架模型2.3 整车参数设定调入悬架所需的模型并修改相应的数据,就得到如图2所示的前悬架模型,然后对整车的关键参数进行设定,如图3所示。
图3 整车参数表3 K&C分析结果完成仿真后,直接调用MotionView的报告生成文件,即可快速查看分析结果,同时为了便于比较,我们也可把试验得到的Benchmark车K&C实验数据分别输入到对应的曲线里。