个人借款申请审批表(2011版)
- 格式:docx
- 大小:53.73 KB
- 文档页数:10
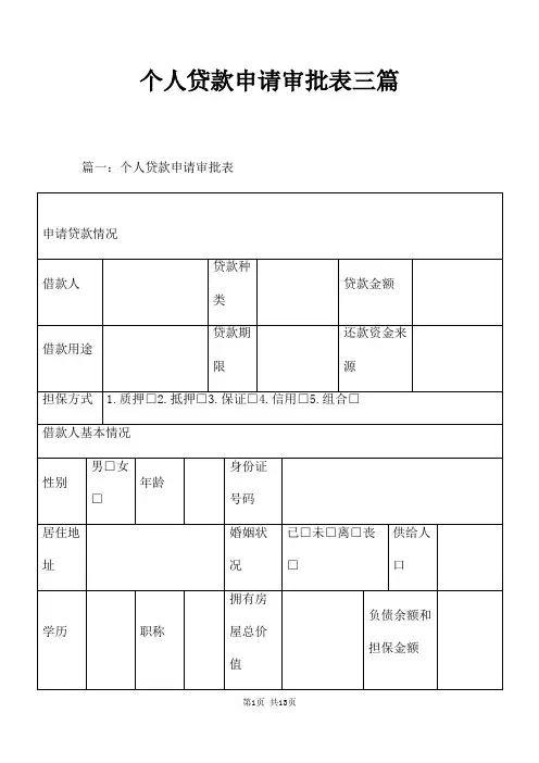
XX小额贷款股份有限公司个人贷款申请书借款人及家庭基本情况姓名性别□男□女职业及单位名称:出生年月年月学历□研究生□本科□大专□中专\高中□初中或以下健康状况□良好□一般□差婚姻状况□已婚有子女□已婚无子女□未婚□其他身份证号码家庭编码户籍所在地家庭号码现居住地址通讯号码经营场所经营范围银行借款情况□有借款已还清□银行未还借款________万元□从未借款银行存款账号或卡号个人年收入____________万元家庭主要资产负债情况资产类型价值存放地点负债类型余额月还款额房产1 购房贷款房产2 购车贷款企业资产其他贷款附:配偶情况姓名职业及单位名称:手机号码年收入身份证号码贷款内容贷款金额(小写)万元借款用途还款资金来源借款期限月一次性借款还是循环使用□一次□循环还款方式□一次性偿清□分期偿还拟采取的担保方式抵押人1名称抵押物名称土地性质现值抵押人1位置有无设定抵押□有□无有无出租□有□无抵押人2名称抵押物名称土地性质现值抵押人2位置有无设定抵押□有□无有无出租□有□无出质人姓名质物名称面值或净值保证人姓名与借款人关系身份证号码保证人工作单位或家庭住址联系电话年收入担保单位名称经营场所注册资本基本账户行信用等级年销售收入净利润借款人(及配偶)、担保人声明:1、本人不可撤销地授权贵公司在受理、办理本次信用业务和相关风险跟踪管理中根据中国人民银行有关规定通过中国人民银行个人信用信息基础数据库或其他机构查询、打印、保存本人个人基本信息和信用报告,根据中国人民银行有关规定向个人信用信息基础数据库或其他机构提供本人个人、基本信息和信用情况。
2、本人上述填写信息及提供的有关资料真实、有据可查,并自愿承担法律责任。
借款人:担保人:借款人配偶:年月日XX小额贷款股份有限个人贷款审批书调查意见基本资料调查提供的资料是否真实且与原件核对一致提供的资料是否完整提供的资料是否有效主体资格调查有无完全民事行为能力□有□无有无营业执照□有□无有无不良信用记录□有□无借款用途调查借款用途:□新增客户□存量客户借款人还款能力调查年销售收入净利润家庭年收入家庭年还款支出金融机构负债总额担保能力调查本贷款的担保方式保证人有无代偿能力自然人保证人有无不良还款记录抵押物位置坐落是否符合本公司规定抵押物变现能力是否较强抵押物评估价值或协商净值抵押物评估方式□保证□抵押□质押□强□中□弱□有□无□是□否□是□否_________元□协议□中介质物面值或到期净值本次贷款抵(质)押率担保企业营业执照是否已年检担保企业的资产负债率担保企业对外担保总额是否超过净资产担保企业的信用等级是否已提供有效的股东会同意担保意见书_________元____% □是□否_________% □是□否□是□否贷款意见贷与不贷信用使用的方式最高贷款额度单笔最长期限最高额担保合同债权发生期限□贷□不贷□可循环□一次性使用□一次性审批分次使用_______万元_________月___________年本次贷款期限本次贷款金额本笔贷款五级预分类本次贷款利率上浮幅度本次贷款月利率本次贷款还款方式________月_______万元________% _________‰□分期还款□一次性还款需要说明的其他事项调查经办人:调查主负责人:年月日审查、审议意见基本要素审查借款人资料是否齐全对借款人资料复印件是否已经核对调查要素是否齐全内部运作程序是否符合规定□齐全□基本齐全□很不完整□是□否齐全基本齐全不齐全□是□否主体资格审查借款人是否具备主体资格保证人是否具备主体资格和保证能力借款人有无营业执照借款人有无其他经营资格证明借款人、保证人的信用记录是否符合条件□是□否□是□否□有□无□有□无□是□否信贷政策审查贷款是否用于国家限制或禁止行业贷款是否用于本公司信贷政策限制或禁止领域贷款期限是否合规贷款用途是否合规贷款定价是否合规□是□否□是□否□是□否□是□否□是□否信贷风险审查贷款人家庭负债水平初步判断借款人还款能力初步判断保证人代偿能力初步判断抵质、押物品种是否符合规定抵押物是否足值抵押物变现能力是否较强□过高□适中□较低□强□中□低□大□中□小□是□否□是□否□强□中□弱贷款意见贷与不贷信用使用的方式最高贷款额度单笔最长期限最高额担保合同债权发生期限□贷□不贷□可循环□一次性使用□一次性审批分次使用__________万元_______月___________年本次贷款期限本次贷款金额本笔贷款五级预分类本笔贷款月利率是否需共同还款人承诺本次贷款还款方式___________月__________万元______‰□是□否□分期还款□一次性还款其他贷款条件审查经办人:审查主责任人:年月日贷审会审议意见:贷审会成员:记录人:年月日审批意见审批人审批意见:审批人:年月日XX小额贷款股份有限公司贷款申请审批表借款人______________________________________ 申请时间_________________________________________。
贷款申请审批表范本在如今的社会中,贷款随处可见,银行、P2P平台、公司等都提供了贷款服务。
然而,贷款申请的流程有时候是非常繁琐的,需要填写各种各样的表格。
其中最为关键的表格就是贷款申请审批表。
因此,在本篇文章中,我们将会详细介绍贷款申请审批表范本的相关内容。
一、贷款申请审批表的概念贷款申请审批表是贷款机构依据相关政策和制度要求借款人填写的一种申请表格。
通过该表格,贷款机构能够了解借款人的基本情况、申请用途、还款能力等相关信息,从而能够更好地评估借款人的信用状况,判断是否批准该贷款。
贷款申请审批表通常包含申请人个人信息、申请贷款信息、申请用途、还款能力等方面的内容。
同时,在填写该表格时,借款人需要提供相关证明材料,如身份证、工资流水、户口本等等。
二、贷款申请审批表的范本一份完整的贷款申请审批表需要根据不同的贷款种类和借款机构来定制。
在这里,我们就以个人房屋抵押贷款申请审批表为例来介绍下该表格的范本。
申请人信息:√ 姓名:√ 性别:√ 年龄:√ 婚姻状况:√ 身份证号码:√ 户籍所在地:√ 居住地址:√ 联系电话:申请贷款信息:√ 贷款种类:√ 申请贷款金额:√ 贷款期限:√ 还款方式:√ 贷款用途:担保信息:√ 抵押物名称:√ 抵押物所在地:√ 抵押物权属:√ 抵押物估价:还款能力:√ 月工资收入:√ 其他收入:√ 月支出:√ 征信情况:三、填写贷款申请审批表的注意事项在填写贷款申请审批表时,借款人需要注意以下几点:1.填写信息要真实准确借款人在填写贷款申请表时,必须要真实准确地填写申请人信息、贷款信息等相关内容。
尤其是贷款用途和还款能力这两个关键信息,更需要提供真实可信的信息。
2.提供充分的证明材料在填写表格时,借款人需要提供充分的证明材料,如身份证、工资流水、银行卡账单等。
证明材料的充分与否,将直接影响到贷款的批准速度和贷款额度。
3.注意格式和规范在填写表格时,需要注意格式和规范。
所有信息都应该清晰明了,不得模糊、不清晰或重叠。
受理编号:字№
个人住房公积金
借款申请审批表
申请人:
联系电话:
住房公积金管理中心制
住房公积金借款申请审批表
住房公积金贷款申请人及配偶单位情况证明
填表说明:
1、个人住房公积金贷款政策按照公积金中心网站上公布的《个人住房公积金贷款须知》执行。
2、缴存职工购、建和大修自住房需要办理住房公积金贷款时,应填制本表。
后附申请人及配偶身份证、婚姻证明、户口本、购房发票及偿还贷款储蓄卡等身份证明资料复印件,到公积金管理机构申请贷款时,须携带购建、大修自住住房合同、发票及表内所粘贴资料原件。
3、本表借款人、配偶及担保人住房公积金缴存信息可在公积金门户网站或公积金管理机构经办大厅查询填写。
4、本套表一式两份(共7页),采用A4规格纸张,可机打、手填、正背面印制,所有签字处必须手填,机打无效。
申请人及配偶身份证粘贴处
(复印件)
婚姻证明或单身证明粘贴处
(复印件)
家庭成员户口本粘贴处
(含配偶及未成年子女、户口本首页、户主页)
购房发票或契税完税发票粘贴处
偿还贷款储蓄卡(存折)粘贴处
(复印件)
其它资料粘贴处。
填制说明1、用碳素笔或蓝黑钢笔填写,书写工整,所有项目不得空缺、涂改,所填内容须真实有效。
提供的相应证件、复印件必须内容清晰。
2、个人签名必须是本人签名,须与本人身份证一致。
照片必须是近期免冠一寸彩照。
(提供资料均为A4纸)申请住房公积金贷款条件提供要件及手续1、借款职工、保证人的单位连续正常缴存住房公积金满两年,借款职工、保证人住房公积金连续正常缴存6个月以上(缴存至申请贷款当月)。
2、购买商品房(含预售商品房、经济适用房、限价房、单位集资建房)首次申贷首付款不低于20%,非首次申贷首付款不低于40%。
3、购买二手房首次申贷首付款不低于30%,贷款额度不高于总房价的70%同时不高于契税计税金额、本地房产抵押值的70%。
异地购房首付款不低于20%,贷款额度不高于总房价的80%同时不高于本地房产抵押值的70%;非首次申贷首付款不低于40%。
4、提供自然人担保。
借款职工属单职工缴存住房公积金的找1个保证人,借款职工属双职工缴存住房公积金的贷款额度在10万元(不含)以上的找1个保证人。
保证人的工作时间需满足借款人的贷款期限。
5、抵押物或质押权利清单、权属证明文件,有处分权人同意抵押或质押的证明,有权部门出具的抵押物估价报告书等。
6、借款人婚姻状况证明、借款人及配偶保证人身份证、购房合同及首付收据或契税票(验原件留复印件三份)。
7、借款人及配偶保证人银行出具的个人信用报告、借款人配偶收入证明,需贴照片3张(原件一份复印件二份)。
8、管理中心要求借款人提供的其他文件或材料。
住房公积金贷款办理程序职工提供购房合同、首付款票据、本人有效证件交中心或各县管理部申请住房公积金贷款→中心及各县管理部受理,给符合贷款条件的职工发放贷款申请审批表→职工提交贷款申请审批表,中心及各县管理部初审、复审、审批→中心委托银行签订借款、抵押、保证合同→公证处办理贷款公证手续→房地产登记交易部门办理抵押权证(或预购商品房抵押权预告登记证明)→中心、各县管理部出具划转贷款资金凭单→委托银行发放贷款,贷款划入开发公司账户或职工账户。
个人贷款提前还款及更改合同要素申请审批表(第一联)
经办行:填表日期: (请在□上打√,可选多项.不更改项目,在□上打×。
)
申请人(或代理人)签字: 申请日期:年月日(借款人身份证件复印处)
个人贷款提前还款及更改合同要素申请审批表(第二联)
银行受理人意见:
本次提前还款申请为原件
□已核查申请人身份证
□已核查扣款账号为自动扣款账号
□已确认贷款信息
本次提前还款申请属传真件
□已核查申请人身份
□已核查扣款账号为自动扣款账号
□已确认贷款信息
□已电话核实申请人申请意向
本次申请涉及的贷款品种 ,借据号。
同意在年月日办理。
受理人签章:年月日
除“提前还款申请”外,其他合同要素变更需经出账审查或分行个贷负责人(或其授权人)审批。
:
□同意。
□补充意见:
审批人签章:
年月日备注:提前还款申请人下载表格,填写后将身份证件复印在表格第一联下方,再将表格传真至贷款行所属分行个贷中心预约还款。
代理人提交申请的需本人持双方有效证件到分行个贷中心办理.。
个人借款申请审批表以下信息应由借款人本人填写。
请在合适的方格□内打钩人編号^申请人基本情况借款人配偶情况注册信息营业执照号码 年检时间成立时间经营范围 经营方式店面借息门店字号 门店地址经营規模税务登记号码基本账户开户行及账号 经营面积 nf关联账户类型 □个人结算账户□银行卡厳户□其他账户 曲人数人组织形式□个人经营 □家庭经营 □合伙经营业用房 □自S □粗用若您未婚.请您提供一位联系人的基本信息,以便在必要情况下及时保持联系.联系人必须年满18周岁.与借款人关系□父I*□子女□兄弟姐妹口 手机或固定号码 姓名□有□无配偶情况配偶姓名 户籍地址 单位名称证件类型□木省□外省 手机证件号码 工作电话I 单位地址I 贷款信患栏I 职务I贷款信息 贷款用途 担保方式 发放方式 还款来源 还款方式大写 借款金额 □购房□购□消费□经营口□信用□保证□抵押□质押(可复选〉 □ 一次性发放□分次发放□循环发放小写借款期限利率选择 □浮动利率口固定利率固定利率%o利率调整方式 □按〃 □按季□按年□立即□固定利率 放款账号\卡号 还款账号\卡号□等额木息 □等额木金 □按期还息一次还木□-次性利馳木清□有□无身份佰息姓 名拼音或英文名称性别 □男 □女跋证件类型证件号码婚姻状况 □己姓□未厩□离昭□丧偶 政治面貌 □中共党员□群众出生年月0学历□研尤生□木科□大专□ 学 位 □其他□名誉1#士 七□硕士 □学士 □未知个人健康状况□健康□良好□一股 户口性质 □本省□外省 户《地址 是否户主 □是□否通借地址 1邮政编码1 1是否本社股东1 □是□否 手机号码 家庭电话 电子邮箱•专业特长 □种枢 □养殖 □木1: □瓦工 □电器维修□乍•辆维修 □经商□运输 □其它 居住僧息居住状态□ 长住□临时居住状况□自a □按揭□亲属楼宇□集体宿舍 居住地址居住堆邮编职业信息职业□机和姐孙企事业负责人口专业技术人员□办事员□农林牧油水雜产人员□护运机备揀作人员□军人oma □林 “本社员工 □ 是 □否 苜次含作时阖首次合作金额万元工作单位单位地址邮編单位所属 行业□农林牧漁□采堀□制造□电力\燃气\水的生产供应□建筑□交通运输\仓储\邮政□信息\讣算机\軟 件□批发零售□住宿\餐饮□金融□房地产□租赁\商务服务□科研\技术\地质□水利\环境\公共设 施□居民\其他眼务□教育□卫生\补会保障\补・会福利□文化\体育\娱乐□公共管理\社会组织□国际组 织□未知m 位性质□机关爭业□国营企业□金融企业□军队□私营企业□个体经菅户□三资企业□邮电通讯□未知职务 □窩级领导□中级领导□-股员工□未知 职称 DO □帼5 □初级□未知月收入 元岗位性廣 □厅局级以上□副处级以上□副科级以上□一股职务□未知 单位电话本单位工作起始年工资开户行及账号个人收支 及其他信息主要经营项目 主要经济来源其他经 个人综合年收 家庭年人均收入元家庭年均支出元主要供养人口□0人□!人[32人dl 人以上1与我tt 关系1□密切□-股□较少1是5个低工贯户1 □是□否注册信息 营业执照号码年检时间成立时间经营范围 经营方式 店面信息门店字号门店地址经营規模税务登记号码基本账户开户行及账号经营面积 nf关联账户类S □个人结算味户□银行卡账户□其他账户 灿人数人组织形式 □个人经营□家庭经营□合伙经1 营业用房 □自S □租用若您未婚,请您提供一位联系人的基本信息,以便在必要情况下及时保持联系,联系人必须年满18周岁•□父诽口子女□兄弟姐妹口 姓名 手机或固定号码担保人1基本情况 与担保人1关系担保人1配偶情况配偶情况配偶姓名户籍地址 □木省□外省 手机证件类型 证件号码工作电话保证情况保证人总资产 万元 流动资产 万元固定资 万元保证人担保能力 □优秀 □较好 □-般1保证人还贷(代偿)资金来源抵押土地性质□出让口划拨□租赁□集休□其他抵押房屋性质 □门市□住宅□厂房□其他 抵押情况抵押物详细地址抵押物状况□良好□一般□较差土地证編号11房屋所有权证編号土地面积m-评估价值万元房屋总面积nV评估价值 万元KK jffi 橹)0质押方式 □动产□权利权利质押物 □汇票□支票□木票口债券款爪□仓敢□提爪口其他wrP iFfvt 质押豎记部门1质押物价值1动产万元\权利万元,合计万元单位名称单位地址职务担保人1提供担保悄况□有□无身份倍息 姓名1 拼音或英文名称 性别1 □男□女 民族 证件类型证件号码1 婚姻状况 □已妬口未始□离備□丧供 政治面貌 □中共党员 □群众 出生年月日 学 历 □研几生□木科□大专口 学 位1 □其他□名誉博士 □博士口硕士 □学士 □未知 个人健康状况 □健康 □良好 □一股 户口性质 □木省口外省 户《地址 是否户主 □是□否通信地址 邮码 是否本壮®* □是□否手机号码 家庭电话 电子邮箱 • 专业特长 □种植 □养殖 □木1: 口瓦工 □电器维修□牛辆维修 □经商□运输 □其它 居住信息居住状态□ 长 tt□临时居住状况□自g □按揭□亲属楼宇□集体宿舍 居住地址居住地邮編职业信息职 业1 □机关\纵規\企事业负资人□专业技术人员□办事员口农林牧潢水利生产人员□生产运输设备操作人员□帘人□其色人员□未揃 是否*社员工□是□否 首次合作时间 首次合作金额万元工作单位单位地址邮編单位 所属 行业□农林牧渔□采掘□制造□电力\燃气\水的生产供应□建筑□交通运输\仓储\邮政□信息\讣算机\软件 □批发零啻□住宙\餐饮□金《□房地产□租«\商务服务□科研\技术\地质□水利\环境\公共设施□居 艮\其他®务□教育□卫生\社会保障\社会福利□文化\体胃\娱乐□公共管理\补会组织□国际组织□未知单位性质1 □机关爭业□国营企业□金融企业□军队□私营企业□个休经营户□三资企业□邮电通iR □未知职务 □岛级领导□中级领导□-02员工□未知 职称 口辎□中级□觸□未如月收入元W 位性质 □厅局级以上□副处级以上□副科级以上□-般职务□未知单位电话本单位工作超如§年工S 开户行及账号个人收支 及其他信息主要经营项目 主耍经济来源1其他经济来源1个人综合年收 家庭年人均收入元家廳年均支出元主要供养人口□0人□!人1=12人1=14人以上与我社关系□密切□-股口较少 iStttlS? □是□否注册信息 营业执照号码1 1年检时间1 1 成立时间 1经管范围 经管方式店面借息门店字号 门店地址经营规模税务登记号码基本账户开户行及账 经营面积 Itf 关联账户类型 □个人结算账户□银行卡厳户□其他账户 从业人数人组织形式 □个人经营□家庭经营□合伙经1 营业用房 □自S □租用 若您未婚・请您提供一位联系人的基本信息,以便在必要情况下及时保持联系,联系人必须年满18周岁• 姓名 □父母口子女□兄弟姐妹口 手机或0定号码担保人2基本情况与担保人2关系担保人2配偶情况单位名称单位地址职务担保人2提供担保悄况保证情况保证人总资产 万元 流动资产 万元0定资产万元保证人担保能力 □优秀 □较好 □一般1保证人还贷(代偿)资金来源抵押情况抵押土地性质□出让□划拨□租货□集体□其他抵押房屋性质 □门市□住宅□厂房□其他抵押物详细地址 抵押物状况□良好□-股□较差土地证编号1 1房屋所有权证編号土地面积nV 评估价值万元 房屋总面积m- 评估价值万元质押情况质押方式 □动产□权利 权利质押物1 □汇票□支票□木票□债券□存款敢口仓笊□提敢口其他质押a 记部门11质押物价值1动产万元\权利万元,合计万元I 年龄I配偶情况配偶姓名户籍地址 □木省□外省 I 证件类in 手机I 半件号码II 工作电话提供担保方式□保证□抵押□质押个体工商户信息栏若您未婚・请您提供一位联系人的基本信息,以便在必嬰情况下及时保持联系,联系人必须年满】8周岁•姓名□父母□子女□兄弟姐妹口手机或固定号码□有□无与担保人3关系担保人3配偶情况单位名称单位地址职务担保人3提供担保悄况保证情况保证人总资产万元流动资产万元®定资产万元保证人担保能力□优秀□较好口一股1保证人还贷(代偿)资金来源抵押情况抵押土地性质□出让□划拨□租赁□集体□其他抵押房屋性质□门市□住宅□厂房□其他抵押物详细地址抵押物状况□良好□-股□较差土地证编号1 1房屋所有权证編号土地面积nV 评估价值万元房屋总面积nV 评估价值万元质押情况质押方式□动产□权利权利质押物1 □汇票□支票□木票□债券□存款敢□仓笊□提敢□其他质押S记部门1 1质押物价值1动产万元\权利万元,合计万元I年龄I配偶姓名配偶情况户籍地址□木省□外省I证件类I半件号码II工作电话借款申请人声明与签字K 贷款社信贷人员已就上述情况与本人进行了面谈是口 否口2、申请表中填写内容、资料均属真实,如有隐瞒或虔构,本人将承担一切法律和经济后果.本人及配偶授权贵社为 审核本人贷款申请査询并留存本人及配偶的个人信用报告:本人同时授权贵社向有关方面(包括但不限于个人信用征倍机构) 査询、核实相关情况.不论贷款申请批准与否,本人同意贵社不返还此表格.3、本人向贵社申请个人贷款,以本申请表所列的抵/质押物和(或)本申请表所列保证人提供担保,本人声明将按照合 同规定的用途使用贷款,并按照合同的规定还本付息宜至还清贷款的本息及其相关的费用・签署日期,抵押人/出质人声明与签字同意以本人所有的或依法有权处分的財产为借款人向贵社借款提供抵(质〉押S 保,并保证抵(质)押权人为第一受益 人.愿对以上填写情况的真实性承担贵任・本人同时授权贵社向有关方面(包括但不限于个人借用征借机构)査询、核实相关情况.不论贷款申请批准与否,本人 同意贵社不返还此表格,但审批如未通过則物的所有权人签字无效•抵押人(签字加指膜人抵押物共有人/抵押人配偶(签字加指膜九 质押物共有人/出质人配偶(签字加指膜人签署日期:保证人声明与签字本保证人应上述申请人要求,自愿为申请人承担保证贵任,保证在申请人未依约归还贷款本息情况下履行偿还贷款本息 的连带保证责任.本保证人保证以上内容真实,并授权贵社向有关方面(包括但不限于个人信用征信机构〉査询、核实相关 情况-不论贷款申请批准与否,本人同意贵社不返还此农格.但审批如未通过则保证人签字无效-保证人配偶(签字加描膜入签署日期:企业、担保公司保证担保信息栏基本账户开户行及账号企业单位名称 法定代表人姓名 营业执照号码 经管范围 单位地址证件类型及号码成立时间 经营方式________________________________ 年检时间 □个人□家庭□合伙□其他联系电话注册资金万元借款申请人(签字加指膜人借款申请人配偶(签字加W ):出质人(签字加指膜人保证人(签字加抬膜人 税务登记号码y HEILONGJIANG RURAL CREDIT COOPERATIVE企业性质关联账户类型主营业务收入(年)挣利润(年)□国家机关口国有企业□股份制□企业\事业笊位□集体企业□私营I从业人馥I □个人结算厳户□银行卡账户□其他账户万元资产总额万元负價总额万元资产负债率万元对外提供担保余额企业、担保公司担保声明应上述申请人要求,本保证人自愿为申请人承担保证责任,保证在申请人未依约归还贷款本息情况下履行偿还贷款本息的连带保证责任.本保证人保证以上内容真实,并授权贵社向有关方面(包括但不限于个人信用征伯机构〉査询、核实相关情况•不论贷款申请批准与否,本单位同《贵社不返还此表格,但中批如未通过则保证人签字无效-保证企业/担保公司(公章人法定代表人(签字):授权代理人(签字):签署日期:借款人姓名担保情况信用系统査询情况贷款社调查与审批借款人信用等级/得分质押物现值抵押物现值主调査人意见査询时间:査询结果:□信贷管理系统査询□人民银行个人征信数据库査询査询:□有/ □无不良信川记录査询:□有/ □无不良信用记录可另附调査报告辅调査人意见调査结论:L采取以下方式进行贷前调聂□约见ifli谈□电话访谈□上门疋访□数据库和网络査询□实地考察2.借款中请人所提供贷款巾请资料齐备、真实、有效:□是/口否是否已核实巾请人住所:□是/ □否住所地址为:______________________________■L 是否已核实巾请人收入:□是/ □否丿J均收入:_____________________________是否已核实巾请人及担保人提供的所有联系方式:□是/ □否采取以下方式核实申请人所提供担保物的情况:□实地考察□査询产权登记部门□査询评估机构借款申请人、担保人是否面签:□是/ □否其他3.5,6・7・贷款相关情况说明:风险预测;拟釆取的风险控制措施:同意向借款巾请人____________ 发放.个小刀利率___________ %0.以___________贷款调査相关情况说明:同意向借款中请人____________ 发放.个利率以其他担保方式方式归还。