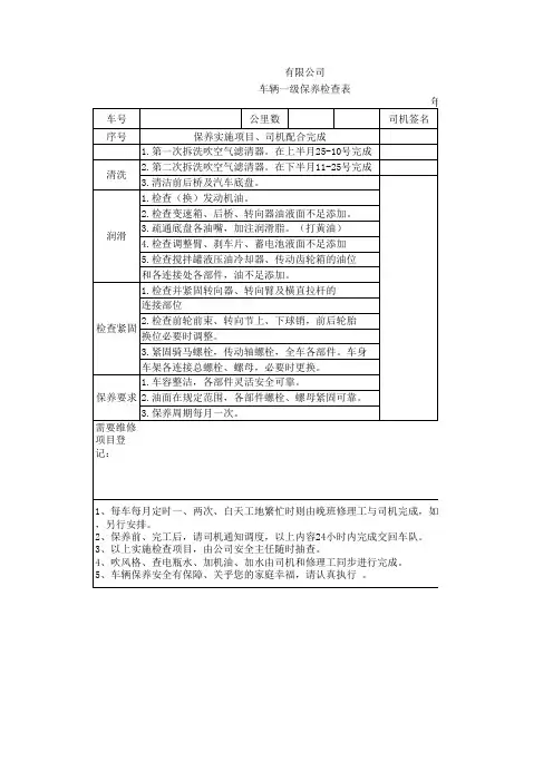
车辆保养检查表94163
- 格式:doc
- 大小:41.50 KB
- 文档页数:2
汽车维护自查自纠安全检查表
1. 发动机及相关部件检查
- 确保发动机油液位正常
- 检查点火系统是否正常工作
- 检查传动系统是否顺畅
2. 刹车系统检查
- 检查刹车油液位是否正常
- 检查刹车盘和刹车片的磨损情况
- 确保刹车灯正常工作
3. 轮胎和悬挂系统检查
- 检查轮胎的气压是否适当
- 检查轮胎是否有磨损或裂纹
- 检查悬挂系统的稳定性
4. 电气系统检查
- 检查车灯、雨刷器和空调系统是否正常工作
- 检查蓄电池的电压是否稳定
- 检查安全带和喇叭是否正常工作
5. 燃油系统和排气系统检查
- 检查燃油油箱是否有泄漏
- 检查排气系统是否有异常噪音或气味
- 检查尾气是否符合排放标准
6. 底盘和底部系统检查
- 检查底盘和底部是否有明显损坏
- 检查排水系统是否正常工作
- 检查底盘的稳定性和悬挂系统的完整性
注意事项:
- 本检查表仅供参考,建议在保养期间进行自查自纠,确保驾驶安全;
- 如发现任何异常情况,请及时联系专业技师进行维修;
- 本检查表中的项目仅涉及基本的安全检查,其他细节需要根据具体车型和维护手册进行检查。
车辆维护检查每月记录表介绍本文档旨在记录车辆每月的维护检查情况,以确保车辆的正常运行和安全性。
通过填写本记录表,可以及时发现问题并采取相应的维修措施,以避免故障和事故的发生。
表格内容日期。
| 车辆信息。
| 检查项目。
| 检查结果。
| 维修措施。
|2022-01-01 | 车辆1(车牌号码) | 发动机油。
| 正常。
| 更换发动机油和滤清器。
|2022-01-01 | 车辆1(车牌号码) | 刹车系统。
| 异常。
| 检修刹车系统。
|2022-01-02 | 车辆2(车牌号码) | 轮胎磨损。
| 正常。
| 无。
| 2022-01-02 | 车辆2(车牌号码) | 灯光及信号系统。
| 异常。
| 更换损坏的灯泡。
|2022-01-03 | 车辆3(车牌号码) | 车辆底盘。
| 正常。
| 无。
|使用说明1.每次进行车辆维护检查时,及时记录检查日期和车辆信息,以便后续维护跟踪。
2.检查项目包括但不限于发动机油、刹车系统、轮胎磨损、灯光及信号系统、车辆底盘等。
3.在检查结果一栏填写检查情况,如正常、异常等。
4.若检查结果为异常或有其他问题需要处理时,在维修措施一栏填写相应的处理措施,如更换零部件、检修等。
5.每个月根据车辆实际情况,完成对应日期的记录。
总结车辆维护检查每月记录表是一个重要的工具,可帮助监控车辆状况并确保车辆安全。
通过定期记录和处理车辆维护问题,可以延长车辆使用寿命并提升行车安全性。
大家应严格按照记录表的要求进行填写和处理,及时解决问题,以保证车辆的正常运行和使用体验。
行车日常维护保养点检记录表
在日常的汽车使用过程中,维护保养是非常必要的。
通过日常的检查和维护可以延长汽车的使用寿命,提高行车安全性。
下面列出了行车日常维护保养点检记录表,供参考。
车身外观检查
•检查是否有刮擦、磨损、破损、凹陷等情况。
•检查车灯、尾灯、转向灯、刹车灯、示宽灯、前雾灯、后雾灯、行车灯等是否运转正常。
•检查车窗、后视镜是否清洁,覆盖是否稳固。
•检查轮胎是否有异响、磨损、破损、胎面的情况。
车内检查
•检查仪表台上的指示灯是否显示正常。
•检查座位、地面、天花板、中控台等部位是否有异味、破损、褶皱等情况。
•检查安全带是否正常。
•检查雨刮器、空调、音响等部位是否正常。
机舱检查
•检查发动机机油、助力油、制动液、冷却液等液体是否缺失。
•检查发动机皮带、风扇带、供油管路、散热器、排气管路等部位是否存有松动、裂纹、老化等情况。
•检查电瓶、点火线圈、火花塞等是否正常。
底盘检查
•检查刹车片、刹车盘、刹车卡钳、刹车油管路、刹车油液位等情况。
•检查悬挂系统、消声器、弹簧等部位是否存在问题。
•检查变速箱、转向机、差速器、传动轴等部位是否存在异响、漏油、松动等情况。
总结
以上是行车日常维护保养点检记录表,通过日常的维护和检查可以有效地延长
汽车的使用寿命,提高行车的安全性。
当发现任何的问题时,应及时采取措施进行维修,以免造成更大的损失。
在购买车辆时,也应该关注车辆的品质以及市场口碑,以免购买到质量低劣的车辆。