变电站送电前验收检查表
- 格式:pdf
- 大小:135.98 KB
- 文档页数:7
送电前检查项目表在进行送电前,需要对供电设备进行检查。
这样可以确保电力安全运行,同时有效地防止一些意外情况的发生。
下面是我们对供电设备送电前应该检查的项目表:1. 电缆线路1.1 电缆外观检查电缆外观是否完好,表面有无明显的刮擦、剥蚀和破损等情况。
1.2 电缆是否被搭建在平整的地面上检查电缆是否被搭建在平整的地面上,以确保电缆线路不会受到外力的干扰。
1.3 电缆长度及宽度检查电缆长度和宽度是否满足使用条件,以防止因为电缆长度太短或宽度太窄而导致电力传输受阻。
1.4 电缆固定装置检查电缆固定装置是否牢固,防止电缆在使用过程中松动,从而影响电力传输。
2. 电缆接头2.1 接头密封性检查电缆接头密封是否良好,防止接头处的电缆因为漏电问题而出现安全隐患。
2.2 接头的加热情况检查电缆接头是否有超过额定温度以及异常的加热情况。
以免因为加热过度而导致电缆熔断或引发火灾等事故。
3. 配电箱3.1 配电箱电源开关检查配电箱电源开关是否可靠,以确保开关不会意外断开。
3.2 配电箱接地检查配电箱接地是否良好,防止因为接地不到位而导致电缆漏电等危险情况的发生。
4. 电力设备4.1 变压器检查变压器的风道、冷却装置、接线端子及运转状态等是否正常。
4.2 配电器检查配电器的开关、保护、电流电压互感器的接线是否正常。
5. 安全规定5.1 安全规定的制定检查是否有遵循相关的安全规定,在进行送电之前必须严格执行有关的安全规定。
5.2 通信设备检查通信设备是否正常工作。
这对于在不同的情况下及时进行联系、协调并做出相应的措施非常有必要。
以上就是送电前需要检查的项目表。
希望这些项目能够让读者更加了解在进行送电操作前,需要做哪些必要的检查。
让我们一起保障电力运行的安全和稳定吧。
供电系统工程5.1 工程概况供电系统的主要作用在于向地铁电动车辆和各种机电设备提供安全、可靠的电源,满足系统中各类机电设备不同的用电需求,主要包括主变电所、中压网络、牵引供电系统(牵引变电所、牵引网)、动力照明供电系统、电力监控(SCADA)系统及杂散电流腐蚀防护系统。
根据供电系统的特点,其单位工程划分基本原则为:每个主变电所为一个独立的单位工程、牵引网(即接触网)为一个单位工程,中压网络(35KV环网电缆)、牵引变电所(混合变电所)、电力监控(SCADA)系统及杂散电流腐蚀防护系统为一个单位工程(简称为35KV 供电系统),动力照明供电纳入车站、区间安装工程。
1、主变电所根据专业分为3个子单位工程。
其中,电器设备安装工程验收和分部分项划分主要参照《电气装置安装工程质量检验及评定规程》(DL/T 5161.1~17-2002),主变电所土建工程的验收和分部分项划分主要参照建设部下发的一系列建筑规范,送电工程中电缆沟管基础工程参照建筑规范,电缆铺设工程、架空线路工程参照《电气装置安装工程质量检验及评定规程》(DL/T 5161.5-2002)。
2、接触网系统划分和验收标准主要参照《铁路电力牵引供电工程施工质量验收标准》(TB10421-2003 J291-2004)。
3、35KV供电系统的中压网络(35KV环网电缆)、牵引变电所(混合变电所)工程划分和验收标准主要参照《铁路电力工程施工质量验收标准》(TB10420-2003 J290-2004),局部参考《铁路电力牵引供电工程施工质量验收标准》(TB10421-2003 J291-2004)。
由于地铁供电系统调式的特殊性,车站牵引变电所(混合变电所)分部工程验收由业主主持,按子单位工程验收相关要求执行。
5.2 分部、分项工程划分主变电所工程划分表接触网工程划分表35KV供电系统工程划分表5.3 主变电所工程验收资料主变电所工程资料目录承包单位:合同号:监理单位:编号:主变电所单位工程质量竣工验收记录统表一监理单位:编号:主变电所单位工程质量控制资料核查记录统表二监理单位:编号:主变电所单位工程安全和功能检验资料核查记录及主要功能抽查记录统表三2核查、抽查人为验收组的监理单位人员。
DL/T5161.3-表1.O.3-1中等以上容量油浸变压器本体安装DL/T5161.3-表1.0.3-3中等以上容量油浸变压器附件的检查(续)DL/T 5161.3-表1.O.3-5DL/T5161.2-表2.0.1 支柱式六氟化硫断路器安装DL/T 5161.2-表2.0.1支柱式六氟化硫断路器安装(续)DL/T5161.3-表3.0.2油浸式互感器的安装DL/T5161.2-表3.0.2真空断路器(接触器)安装与调整DL/T表5161.3-3.O.1干式互感器的安装DL/T5161.2-表5.0.1隔离开关的安装及调整DL/T 5161.4-表2.0.4穿墙套管的安装DL/T5161.2-表6.0.2避雷器的安装DL/T5161.2-表7.O.3电容器组安装DL/T5161.8-表4.0.2就地动力控制设备箱体的安装DL/T 5161.4-表2.0.2悬式绝缘子串安装DL/T5161.6-表1.O.2屋外接地装置制作安装材料规格生产厂家工序检验项目性质质量标准质量检验结果评定单项垂直接地体制作及敷设材料规格主要按设计规定镀锌件表面检查镀锌层表面完好接地体(顶面)埋深主要≥600mm 接地体间距离≥2倍接地体长度水平接地体敷设扁钢截面及厚度主要按设计规定接地体入地下最高点与地面距离(埋深)主要≥600mm通过公路处接地体的埋设深度按设计规定接地体外缘闭合角形状圆弧形接地体圆弧弯曲半径1/2均压带间距离相邻两接地体间距离≥5m(或按设计规定)接地体与建筑物距离按设计规定通过公路、铁路、管道等交叉处及可能遭机械损伤处的保护用角钢覆盖或穿钢管通过墙壁时的保护有明孔、钢管或其他坚固保护套接地体引出线的防腐措施刷防腐漆引向建筑物的入口处和检修临时接地点标记刷白色底漆并标以黑色“”符号采用镀锌件时锌层检查完好接地装置连接搭接长度扁钢与扁钢≥2倍宽度,且焊接面≥3面;圆钢与圆钢或圆钢与扁钢≥6倍圆钢直径扁钢与钢管(角钢)接触部位两侧焊接,并焊以加固卡子焊接部位表面处理刷防腐漆焊接部位检查牢固与其他接地装置间连接点数≥2点(或按设计规定)回填土回填土质无石块、杂物密实度主要分层夯实接地电阻主要按设计规定验收结论:质检机构质量检验评定意见签名班组年月日工地年月日质检部年月日现场监理年月日DL/T5161.6-表3.O.2避雷针接地装置的安装DL/T 5161.8-表2.O.2固定式高压成套配电柜安装DL/T5161.3-表1.O.21600kVA及以下油浸变压器的安装DL/T 5161.8-表7.0.2二次回路检查及控制电缆接线DL/T 5161.9-表2.0.2 蓄电池安装DL/T 5161.4-表2.0.3 支柱绝缘子安装DL/T 5161.4-表6.0.2管形母线安装DL/T 5161.8-表1.0.2盘、柜基础安装DL/T5161.8-表5.0.2控制及保护屏台的安装DL/T5161.13-表2.0.2整流逆变类盘柜的安装DL/T 5161.13-表2.0.2整流逆变类盘柜的安装(续)DL/T5161.2-表7.O.4气体互感器及接地线圈安装DL/T 5161.4-表7.0.2软母线安装DL/T5161.4-表7.0.2 软母线安装 (续)DL/T5161.5-表1.O.2电缆管配制及敷设DL/T5161.5-表1.O.2电缆管配制及敷设(续)DL/T 5161.5-表1.O.3电缆支架(桥架)制作及安装DL/T5161.5-表2.O.3 管道内电缆敷设DL/T5161.6-表2.O.2屋内接地装置制作安装。
安全检查表(35KV送电)下面的是2016年经典励志语录,需要的朋友可以欣赏,不需要的朋友下载后可以编辑删除!!谢谢!!1、有来路,没退路;留退路,是绝路。
2、为目标,晚卧夜半,梦别星辰,脚踏实地,凌云舍我其谁!3、做一题会一题,一题决定命运。
4、静下来,铸我实力;拼上去,亮我风采。
5、拼一载春秋,搏一生无悔。
6、狠抓基础是成功的基础,持之以恒是胜利的保证。
7、把汗水变成珍珠,把梦想变成现实!8、拧成一股绳,搏尽一份力,狠下一条心,共圆一个梦。
9、每天都是一个起点,每天都有一点进步,每天都有一点收获!10、22.对命运承诺,对承诺负责11、我自信,故我成功,我行,我一定能行。
12、不敢高声语,恐惊读书人。
13、高三高考高目标,苦学善学上好学。
14、争分夺秒巧复习,勤学苦练创佳绩、攀蟾折桂,舍我其谁。
15、眼泪不是我们的答案,拼搏才是我们的选择。
16、站在新起点,迎接新挑战,创造新成绩。
17、遇难心不慌,遇易心更细。
18、乐学实学,挑战高考;勤勉向上,成就自我。
19、努力造就实力,态度决定高度20、忘时,忘物,忘我。
诚实,朴实,踏实。
21、精神成人,知识成才,态度成全。
22、作业考试化,考试高考化,将平时考试当高考,高考考试当平时。
23、我高考我自信我成功!24、23.再苦再累不掉队,再难再险不放弃25、拼搏高考,今生无悔;越过高三,追求卓越!26、挑战人生是我无悔的选择,决胜高考是我不懈的追求。
27、山高不厌攀,水深不厌潜,学精不厌苦:追求!28、学练并举,成竹在胸,敢问逐鹿群雄今何在?师生同志,协力攻关,笑看燕赵魁首谁人得。
29、快马加鞭君为先,自古英雄出少年。
30、太阳每天都是新的,你是否每天都在努力。
31、把握现在、就是创造未来。
32、25.我因X班而自豪,X班因我而骄傲33、我心飞翔,路在脚下。
34、人活着要呼吸。
呼者,出一口气;吸者,争一口气35、辛苦三年,幸福一生。
36、精神成就事业,态度决定一切。
输变电工程现场验收表1. 项目基本信息
2. 验收内容
2.1 电缆敷设
- [ ] 电缆敷设线路图是否符合设计要求?
- [ ] 电缆敷设过程中是否按照规范操作?
- [ ] 电缆敷设是否完整无损?
- [ ] 电缆固定是否稳固可靠?
2.2 设备安装
- [ ] 输变电设备是否按照规范安装?
- [ ] 设备接线是否正确可靠?
- [ ] 设备运行是否正常?
- [ ] 设备标志是否齐全清晰?
2.3 引线连接
- [ ] 引线连接是否符合规范?
- [ ] 引线连接是否牢固可靠?
2.4 保护措施
- [ ] 接地装置是否符合规范要求?- [ ] 防雷装置是否安装齐全?
- [ ] 其他保护措施是否到位?
2.5 操作与维护
- [ ] 操作手册是否齐全准确?
- [ ] 维护计划是否合理完善?
- [ ] 维护人员是否具备操作技能?
2.6 验收结果
- [ ] 通过验收
- [ ] 未通过验收
3. 验收人员
4. 备注
{备注}
以上内容经现场验证符合要求。
日期:____年____月____日
施工单位:_____________________。
变电站工程过程验收、监检、启动及项目评价阶段必备表格批准: 李传兵审核:李传兵编制:岳粹校安徽电力建设第二工程公司输变电公司2010.9.20编制说明:1、本册收录的表格是根据国网公司《施工项目部标准化工作模板》的要求及相关表格整理出版的;2、本册收录的表格是变电站工程管理过程中技术管理的难点,是部分技术管理人员的盲点,也是变电站工程建设单位、监理单位对施工单位管理的重点;3、要求各项目部必须认真按照本册收录的表格,做好相应的阶段性质量技术管理工作;4、本册表格自2010年10月1日起实施。
一、变电站工程三级(公司级)验收程序及相关记录表格1、三级自检流程(见图4-3)图4-3三级自检流程2、验收相关表格SZLB39工程质量中间验收申请表(中间验收:第一、二阶段)工程质量中间验收申请表工程名称:编号:注本表一式份,由施工项目部填报,监理项目部份、施工项目部存份。
填写、使用说明(1)施工项目部按国网公司《工程建设质量管理规定》,完成相应工程的施工,并经班组、项目部、公司三级自检验收合格后,应将自检结果向监理项目部报验,并申请中间验收。
(2)监理项目部审查复核自检结果,条件具备后报请业主项目部组织中间验收。
(3)监理项目部审查要点:1)申请中间验收的工程是否已经施工单位三级自检验收合格。
2)三级自检验收及评定记录是否齐全。
3)其他技术资料是否齐全、合格。
附件:SZLB40初步竣工验收申请表(竣工验收:第三阶段)初步竣工验收申请表工程名称:编号:注本表一式份,由施工项目部填报,监理项目部存份,施工项目部存份。
填写、使用说明(1)施工项目部按施工合同约定,完成全部工程施工,经施工单位三级自检验收合格,应报请监理项目部进行验收。
(2)本报审表所指初步验收为监理项目部组织的监理初检。
(3)监理项目部审核要点:1)是否完成了全部设计内容。
2)所有施工质量是否已全部报监理项目部验收。
3)竣工资料是否齐全。
4)工程质量是否符合我国现行法律、法规要求,是否符合我国现行工程建设标准,是否符合设计文件要求,是否符合施工合同要求。
送电前检查项目表.送电前检查项目【变电所整体】项目名称:项目地点:序号检查项目检查情况检查人时间1 送电前出厂图、蓝图现场至少有一套2 变电所巡视路线图、电缆走向图上墙,地面巡视标签已贴并与巡视路线图一致3 启动方案、操作票、开闭所工作票4 备品、备件齐全(高低压柜熔丝)5 检查高低压操作手柄及低压框架断路器手柄一套6 安全用具是否齐全(验电笔、绝缘手套、安全帽、绝缘靴、高低压接地棒、安全标牌)7 值班制度及模拟屏上墙,是否与现场及蓝图一致8 模拟屏进线名称是否经供电局确认9 门挡板(不低于40公分)、墙面扁铁与门跨接线为黄绿线或铜编织带,压铜鼻子固定10 配电房门贴“配电重地,闲人莫入”标牌11 送电前检查项目【高压进线柜、出线柜】检查通过12 送电前检查项目【高压压变柜、计量柜】检查通过13 送电前检查项目【变压器】检查通过14 送电前检查项目【低压柜】检查通过15 送电前检查项目【试验】检查通过16 送电前检查项目【高压柜厂家】检查通过17 送电前检查项目【低压柜厂家】检查通过18送电前检查项目【高压进线柜、出线柜】柜号:项目名称:项目地点:序号检查项目检查情况检查人时间1 主母线是否有异物2 各连接部分紧固,螺丝连接部分应无脱落及松动;3 柜内无积尘,污物清除干净;4 检查电缆搭头是否紧固,相位及标签正确5 电缆封堵及挂牌是否正确,封堵为四方形6 柜体二次线横平竖直,用金属扎带固定,二次电缆挂牌7 二次线号码管全部机器打印中置柜(如为该柜型附加检查以下项目)8 所有手车桩头进线侧与柜体铜柱接触面多少公分9 手车内是否有异物,桩头是否涂导电膏。
10 手车摇进摇出是否正常送电前检查项目【高压压变柜、计量柜】柜号:项目名称:项目地点:序号检查项目检查情况检查人时间1 主母线是否有异物2 各连接部分紧固,螺丝连接部分应无脱落及松动;3 柜内无积尘,污物清除干净;4 检查电缆搭头是否紧固,相位及标签正确5 电缆封堵及挂牌是否正确,封堵为四方形6 柜体二次线横平竖直,用金属扎带固定,二次电缆挂牌7 二次线号码管全部机器打印8 计量互感器局编号是否供电局配表单是否一致,变比是否与蓝图一致。
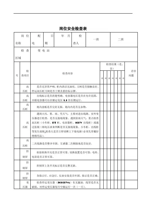
变电站送电前验收检查表序号检查项目达标要求是否合格一、资料检查项目1.1变电站通过质检验收、入网验收是否具有设备命名批文。
1.2是否有交接试验报告并合格,且在试验周期。
1.3施工质量符合要求。
1.4保护定值是否正确。
二、设备检查项目2.1主变压器安装技术记录、器身检查记录、绝缘油、干燥记录及调整试验记录是否均合格。
2.2冷却系统是否无缺陷且阀门是否均已打开,联动试验是否正常。
2.3有载调压切换装置的远方及就地调整操作是否正确无误。
2.4本体外壳、铁芯和夹件及中性点工作接地安装是否可靠,引下线截面与主接地网连接是否符合设计要求。
2.5避雷器、瓷套管及互感器等安装是否合格,接地是否符合要求。
2.6防火、排油等消防设施是否完善,是否符合设计要求,并经消防部门验收合格,鹅卵石充填是否合格。
2.7温度测控装置是否完善,指示是否正确,整定值是否符合要求。
2.8气体继电器及继电保护装置整定值是否符合要求,操作及联动试验是否正确。
2.9本体及附件是否无渗漏油。
2.10相位颜色标识是否正确、清晰。
3.1断路器电气连接是否牢固、可靠,接触是否良好,接地是否正确、可靠。
3.2断路器及操作机构是否完好,是否无漏气,是否无漏油,动作是否正常,“分”“合”指示是否正确,是否无卡阻现象。
3.3开关动作特性是否符合制造厂技术条件,电气试验是否合格。
3.4户外端子箱和机构箱是否密封,防潮效果是否良好,端子接线连接是否可靠,是否无锈蚀。
3.5继电器的报警、闭锁定值、油位等是否符合规定,电气回路传动是否正确。
3.6六氟化硫气体压力是否正常,是否无泄漏,微水是否符合规定,绝缘油质是否合格。
3.7操作电源、储能电源、加热照明电源、动力电源等电源空开的标示牌齐全完整,指示明确。
3.8就地及远方分合闸正常,五防系统操作正常,就地位置信号及储能信号指示正确,后台监控系统指示正确。
4.1隔离开关安装是否牢固,转动接点是否无卡阻,联动闭锁位置是否准确无误。
变电站工程过程验收、监检、启动及项目评价阶段必备表格变电站工程过程验收、监检、启动及项目评价阶段必备表格批准: 李传兵审核:李传兵编制:岳粹校安徽电力建设第二工程公司输变电公司2010.9.20编制说明:1、本册收录的表格是根据国网公司《施工项目部标准化工作模板》的要求及相关表格整理出版的;2、本册收录的表格是变电站工程管理过程中技术管理的难点,是部分技术管理人员的盲点,也是变电站工程建设单位、监理单位对施工单位管理的重点;3、要求各项目部必须认真按照本册收录的表格,做好相应的阶段性质量技术管理工作;4、本册表格自2010年10月1日起实施。
一、变电站工程三级(公司级)验收程序及相关记录表格1、三级自检流程(见图4-3)图4-3三级自检流程2、验收相关表格SZLB39工程质量中间验收申请表(中间验收:第一、二阶段)工程质量中间验收申请表工程名称:编号:注本表一式份,由施工项目部填报,监理项目部份、施工项目部存份。
填写、使用说明(1)施工项目部按国网公司《工程建设质量管理规定》,完成相应工程的施工,并经班组、项目部、公司三级自检验收合格后,应将自检结果向监理项目部报验,并申请中间验收。
(2)监理项目部审查复核自检结果,条件具备后报请业主项目部组织中间验收。
(3)监理项目部审查要点:1)申请中间验收的工程是否已经施工单位三级自检验收合格。
2)三级自检验收及评定记录是否齐全。
3)其他技术资料是否齐全、合格。
附件:SZLB40初步竣工验收申请表(竣工验收:第三阶段)初步竣工验收申请表工程名称:编号:注本表一式份,由施工项目部填报,监理项目部存份,施工项目部存份。
填写、使用说明(1)施工项目部按施工合同约定,完成全部工程施工,经施工单位三级自检验收合格,应报请监理项目部进行验收。
(2)本报审表所指初步验收为监理项目部组织的监理初检。
(3)监理项目部审核要点:1)是否完成了全部设计内容。
2)所有施工质量是否已全部报监理项目部验收。