阳极氧化检验批质量验收记录(最新版)
- 格式:xlsx
- 大小:12.38 KB
- 文档页数:1
臭氧系统设备检验批质量验收记录一、项目背景二、检验对象本次检验的臭氧系统设备包括臭氧发生器、臭氧发生器控制系统、臭氧传感器等。
三、检验内容1.外观检查:对每台设备进行外观检查,检查设备是否有缺陷、变形、划痕等;2.电气性能检查:检查设备的电气连接是否牢固,是否存在短路、断路等问题;3.功能性能检查:对设备的臭氧发生、传感、控制等功能进行检查,确保设备正常工作;4.安全性能检查:检查设备的保护装置是否完好,是否存在漏电等安全隐患;5.现场操作检查:对设备进行现场操作,检查设备的操作是否方便、灵活,并记录操作过程中的问题和建议;6.性能指标检查:对设备的臭氧浓度、流量、温度等性能指标进行检查,确保符合设计要求。
四、检验过程1.外观检查:经过仔细检查,未发现设备存在的外观缺陷、变形、划痕等问题。
2.电气性能检查:检查了设备的电气连接情况,未发现短路、断路等问题。
3.功能性能检查:对设备的臭氧发生、传感、控制等功能进行了测试,设备均正常工作。
4.安全性能检查:检查了设备的保护装置,未发现安全隐患。
5.现场操作检查:对设备进行了现场操作,发现设备的操作非常方便、灵活,没有出现操作困难的情况。
根据操作人员提供的反馈意见,提出了设备操作更加智能化的建议。
6.性能指标检查:对设备的臭氧浓度、流量、温度等指标进行了检查,在设计要求范围之内。
五、工作总结本次臭氧系统设备的质量验收检验工作,通过对设备的外观、电气性能、功能性能、安全性能、现场操作、性能指标等方面进行全面检查,发现设备的质量达到预期要求,没有出现严重问题。
在现场操作检查中,通过与操作人员的沟通,了解到设备操作智能化程度不足的问题,提出了进一步优化设备的建议。
六、改进措施根据本次质量验收检验的结果和现场操作人员的反馈意见,建议对臭氧系统设备进行进一步的智能化优化改进,以提高设备的操作方便性和效率。
具体建议如下:1.增加人机界面,采用触摸屏等现代化控制方式,简化设备操作流程,提高操作简便性;2.提升设备的远程控制能力,增加手机APP等方式,方便用户随时随地监控和控制设备;3.优化设备的自动调节功能,通过传感器自动控制设备参数,减少人工干预,提高运行稳定性和能效。
1 目的为检验员提供检验规则和检验方法,指导其正确检验从而稳定产品质量。
2 适用范围适用于本公司检验员检验阳极氧化产品。
3 主要检验工具3.1 标准色板,签样板。
3.2 盐雾试验机。
4 检验环境4.1 光度300~600L X (相当于40W 日光灯/750㎜远)。
4.2 如条件许可,检验者目视方向应与光源方向成45°,如下图所视。
(如图1) 图14.3 检验者沿目视方向与待检验表面之间的距离600~650㎜。
5 物性品质标准 5.1 术语和定义阳极氧化:在电流作用下,位于阳极的工作表面在电解液中形成氧化膜的处理过程。
简称“阳极化”。
喷砂光亮阳极化:指经喷砂处理后再进行化学抛光和无色硫酸阳极化的表面处理工艺。
光亮阳极化:指化学抛光并无色硫酸阳极化的表面处理工艺。
生产批:指同一天在相同一个铝零件上,一部分表面是阳极氧化另一部分是化学转化的表面处理工艺方法。
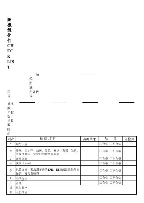
5.1.1 所有产品均应进行外观检查。
5.1.2 检验原则:产品外观应美观,单独一零部件的整体视觉效果一致,如果发现某一缺陷具有批量性或大面积,即便没有在标准限制范围内,也可以对该产品不予验收,如果允许的缺陷出现在重要的观察区,也可以视其对产品形象的影响程序而予以拒收。
5.1.3 喷砂表面、拉丝外观应与标准样板一致。
当有争议时,按GB/T10610方法测试其粗糙度Ra 应分别为:喷砂在1.4~2.0㎜;拉丝在1.7~2.7㎜。
5.1.4 零件表面不允许有划伤、污染、大理石花纹、腐蚀痕迹或疏松粉末;但允许有轻微的夹具印。
5.1.5 着色阳极氧化区域的颜色和光泽都应均匀一至。
目视检查时,每一生产批的零件之间不能有明显色差。
(当按GB/T11186.2)测量色差时,同种颜色之间的色差应控制在△E≤1.0范围以内)。
5.1.6 局部氧化的零件阳极氧化膜可以向化学转化膜区域扩展、允许扩展的深度最多2㎜;而化学转化膜不能向阳极氧化膜区域扩展;两种膜层分界线应清晰、整齐不能呈锯齿状;不能有溶液渗漏现象。
1 目的本检验规范之订定,提供品质人员在执行铝合金阳极氧化检验工作时之检验依据,确保本公司所有外协阳极氧化物料及成品皆能达到客户期望之品质水准。
2 范围标准规定了本公司对铝合金阳极氧化层的设计规范、工艺质量要求、检验方法和验收规则。
本标准适用于本公司外协加工铝合金阳极氧化的设计、加工和检验。
本标准同时适用于铝合金阳极氧化工艺的鉴定和批量生产的质量检验依据。
3 术语和定义3.1 主要表面零件表面必须覆有氧化膜的部分,这部分氧化膜的外观和性能都很重要。
3.2 局部厚度在主要表面内,选择平均分布的十个点进行厚度测量的算术平均值。
3.3 最小局部厚度在一个工件主要表面上测得的局部厚度的最小值。
适用于能被直径为20mm的球接触的主要表面部分进行测量3.4批同一供方在同一时间或大约同一时间提供的、按同一规范在相同条件下生产的并按同一质量要求提交检查的一组产品。
4 分类、适用条件及膜层设计表示4.1 硫酸阳极氧化硫酸阳极氧化:硫酸阳极氧化工艺获得的氧化膜外观为无色透明,膜厚约为5~20微米,硬度较高,孔隙多(孔隙率平均为10~15%),吸附力强,有利于染色。
经封闭处理后,具有较高的抗蚀能力,主要用于防护和装饰目的。
硫酸阳极氧化工艺简单,操作方便;溶液稳定,成本低廉;生产效率高,适用范围广。
除不适用于松孔度大的铸件、电焊件和铆接组合件外,对其他铝合金都适用。
4.2 铬酸阳极氧化铬酸阳极氧化工艺得到的氧化膜较薄,一般厚度只有1~5微米,膜层质软,弹性高,具有不透明的灰白色至深灰色外观。
氧化膜空隙极少,染色困难。
其耐磨性不如硫酸阳极氧化膜,但在同样厚度条件下,它的抗蚀能力比不经封闭的硫酸阳极氧化膜高。
该膜层与有机涂料的结合力良好,是涂料的良好底层。
由于铝在铬酸氧化液中不易溶解,形成氧化膜后,仍能保持原来零件的精度和表面粗糙度,因此,铬酸阳极氧化工艺适用于容差小,表面粗糙度低的零件以及一些铸件,铆接件和电焊件等。
不适用于含铜量大于4%和硅含量较高的铝合金零件。
1 目的和适用范围1.1确立阳极氧化型材成品的检验对象、抽样的数量、检验频次、检验方法、检验计量器具和判定原则。
1.2适用于质检员对阳极氧化型材成品的检验。
2 职责:归口责任部门:质检部3检验规程3.1检验对象:对入仓前阳极氧化型材成品化学成份、力学性能、尺寸偏差、膜厚、封孔、色泽、外观质量及包装质量进行检验。
3.2检验计量器具:分光光度计、分析天平、架盘药物天平、卡尺、千分尺、卷尺、万能角度尺、塞尺、硬度钳、拉力试验机,水浴锅、恒温干燥箱、涡流测膜仪。
3.3产品的化学成份、力学性能化学成分的仲裁分析按GB/T6987规定的方法进行;型材基材的室温拉伸试验按GB/T 228.1的规定执行。
硬度试验按GB/T 4340和YS/T 420的规定执行;阳极氧化型材化学成份、力学性能应符合GB/T5237.1-2017的规定。
3.3.1判定原则3.3.1.1化学成份不合格时该批判不合格.3.3.1.2当力学性能试验有任一试样不合格时,应从该批型材重取4个试样进行重复试验,其中每个不合格试样代表的型材本身必须切取一个试样。
经重复试验后仍有试样不合格,该批判为不合格。
3.4尺寸偏差3.4.1检验方法及频次:每批每种规格按1%抽查,不少于10根。
3.4.2检测仪器: 卡尺、千分尺、卷尺、万能角度尺、塞尺3.4.3检验方法与判定原则:型材尺寸测量时,采用相应精度的卡尺、千分尺、卷尺、万能角度尺、塞尺等工具测量;依照订单质量要求级别,按《内控标准》和图纸要求测定判定,若不合格为单件不合格,逐支检验,合格包装。
3.4膜厚质量3.4.1抽样的数量及方法: 每批每种规格按5%抽查。
3.4.2 检测仪器: 涡流测膜仪。
3.4.3检测方法: 从左至右在型材上测出五点,取其平均值为平均膜厚。
不要在产品的边缘、空洞、拐角弯曲处测量。
测膜仪在使用过程至少每四个小时校准一次,以确保仪器正常工作。
3.4.4判定原则: 依照订单质量要求级别,按(GB/T4957)标准要求判定,若8-10支中有2-3支不符,要判该批料不合格,进行返工处理。
此文档为WORD版,可编辑修改铝阳极氧化检验报告铝的阳极氧化实验报告(添加剂)铝的阳极氧化和着色——添加剂甘油对氧化膜性能的影响摘要:铝的阳极氧化膜性能受到诸多因素的影响,主要包括电流密度、硫酸浓度、氧化时间、添加剂等。
本文主要探讨了其它因素选择文献最优值的情况下,添加剂甘油对铝的阳极氧化的影响,并对氧化膜进行有机着色、氧化膜厚度测定和氧化膜绝缘性、耐腐蚀性进行表征。
关键词:铝氧化膜添加剂甘油Abstract:Anodic aluminum oxide film properties affected by many factors, including current density, sulfuric acid concentration, oxidation time, additives and other factors. This paper discusses the literature of other factors that select the optimal value of the case, the additive of glycerin on anodic oxidation of aluminum. And the oxidation film organic coloring, oxidation film thickness measurement and oxidation film insulation, corrosion resistance characterizedKeywords:Aluminum Oxide filmAdditiveGlycerin1 研究进展铝由于其比重小,加工性能好,导电、热性能优良,塑性好,抗大气腐蚀能力强,易于成形,价格便宜等优点在轻工,建材,航天等领域广泛应用。
铝在空气中可自然形成一层氧化膜,起到一定的防护作用,但这种在空气中自然形成的膜性能并不足以真正地保护铝基体。
此文档为WORD版,可编辑修改铝阳极氧化检验报告铝的阳极氧化实验报告(添加剂)铝的阳极氧化和着色——添加剂甘油对氧化膜性能的影响摘要:铝的阳极氧化膜性能受到诸多因素的影响,主要包括电流密度、硫酸浓度、氧化时间、添加剂等。
本文主要探讨了其它因素选择文献最优值的情况下,添加剂甘油对铝的阳极氧化的影响,并对氧化膜进行有机着色、氧化膜厚度测定和氧化膜绝缘性、耐腐蚀性进行表征。
关键词:铝氧化膜添加剂甘油Abstract:Anodic aluminum oxide film properties affected by many factors, including current density, sulfuric acid concentration, oxidation time, additives and other factors. This paper discusses the literature of other factors that select the optimal value of the case, the additive of glycerin on anodic oxidation of aluminum. And the oxidation film organic coloring, oxidation film thickness measurement and oxidation film insulation, corrosion resistance characterizedKeywords:Aluminum Oxide filmAdditiveGlycerin1 研究进展铝由于其比重小,加工性能好,导电、热性能优良,塑性好,抗大气腐蚀能力强,易于成形,价格便宜等优点在轻工,建材,航天等领域广泛应用。
铝在空气中可自然形成一层氧化膜,起到一定的防护作用,但这种在空气中自然形成的膜性能并不足以真正地保护铝基体。
主体结构一、混凝土结构(一)、模板(1)模板安装检验批质量验收记录GD-C5-71157(2)模板拆除检验批质量验收记录GD-C5-71158(二)、钢筋(1)钢筋原材料检验批质量验收记录GD-C5-71159(2)钢筋加工检验批质量验收记录GD-C5-71160(3)钢筋连接检验批质量验收记录GD-C5-71161(4)钢筋安装检验批质量验收记录GD-C5-71162(三)、混凝土(1)混凝土原材料检验批质量验收记录GD-C5-71163(2)混凝土拌合物检验批质量验收记录GD-C5-71164(3)混凝土施工检验批质量验收记录GD-C5-71165(四)、预应力(1)预应力原材料检验批质量验收记录GD-C5-71166(2)预应力制作与安装检验批质量验收记录GD-C5-71167 (3)预应力张拉与放张检验批质量验收记录GD-C5-71168 (4)预应力灌浆与封锚检验批质量验收记录GD-C5-71169 (五)、现浇结构(1)现浇结构外观及尺寸偏差检验批质量验收记录GD-C5-71170(2)混凝土设备基础外观及尺寸偏差检验批质量验收记录GD-C5-71171(六)、装配式结构(1)装配式接收预制构件检验批质量验收记录GD-C5-71172 (2)装配式结构施工检验批质量验收记录GD-C5-71173二、砌体结构(1)砌砖体检验批质量验收记录GD-C5-71174(2)混凝土小型空心砌块砌体检验批质量验收记录GD-C5-71175(3)石砌体检验批质量验收记录GD-C5-71176(4)配筋砌体检验批质量验收记录GD-C5-71177(5)填充墙砌体检验批质量验收记录GD-C5-71178三、钢结构(一)钢结构焊接(1)钢结构焊接检验批质量验收记录GD-C5-71179(2)焊钉(栓钉)焊接工程检验批质量验收记录GD-C5-71180 (二)紧固件连接(1)紧固件连接检验批质量验收记录GD-C5-71181(2)高强度螺栓连接检验批质量验收记录GD-C5-71182(三)钢零部件加工(1)钢零部件加工检验批质量验收记录GD-C5-71183(2)钢板剪力墙加工检验批质量验收记录(四)钢构件组装及预拼装(1)钢构件组装检验批质量验收记录GD-C5-71184(2)钢构件预拼装检验批质量验收记录GD-C5-71185(3)钢板剪力墙组装检验批质量验收记录单层钢结构安装检验批质量验收记录GD-C5-71186(五)多层及高层钢结构安装(1)多层及高层钢结构安装检验批质量验收记录GD-C5-71187 (六)钢结构安装(1)钢网架制作检验批质量验收记录GD-C5-71188(2)钢网架安装检验批质量验收记录GD-C5-71189(1)压型金属板检验批质量验收记录GD-C5-71190(2)防腐涂料涂装检验批质量验收记录GD-C5-71191(3)防火涂料涂装检验批质量验收记录GD-C5-71192四、钢管混凝土结构(一)构件现场拼装(1)钢管构件进场验收检验批质量验收记录GD-C5-71193 (2)钢管混凝土构件现场拼装检验批质量验收记录GD-C5-71194(二)构件安装(1)钢管混凝土柱柱脚锚固检验批质量验收记录GD-C5-71195 (2)钢管混凝土构件安装检验批质量验收记录GD-C5-71196 (1)钢管混凝土柱钢筋混凝土梁连接检验批质量验收记录GD-C5-71197(2)钢管内钢筋骨架检验批质量验收记录GD-C5-71198(3)钢管内混凝土浇筑检验批质量验收记录GD-C5-71199 (三)铝合金结构铝合金焊接(1)焊接材料检验批质量验收记录GD-C5-711101(2)铝合金构件焊接检验批质量验收记录GD-C5-711106紧固件连接(1)标准紧固件检验批质量验收记录GD-C5-711102(2)普通紧固件连接检验批质量验收记录GD-C5-711107(3)高强度螺栓连接检验批质量验收记录GD-C5-711108铝合金零部件加工(1)铝合金材料验收检验批质量验收记录GD-C5-711100(2)铝合金零部件切割加工检验批质量验收记录GD-C5-711109 (3)铝合金零部件边缘加工检验批质量验收记录GD-C5-711110 (4)球、毂加工检验批质量验收记录GD-C5-711111(5)铝合金零部件制孔检验批质量验收记录GD-C5-711112 (6)铝合金零部件槽、豁、隼加工检验批质量验收记录GD-C5-711113铝合金构件组装(1)螺栓球检验批质量验收记录GD-C5-711103(2)铝合金构件组装检验批质量验收记录GD-C5-71114(3)铝合金构件端部铣平及安装焊接检验批质量验收记录GD-C5-71115(4)铝合金构件预拼装检验批质量验收记录GD-C5-711116铝合金框架结构安装(1)铝合金框架结构基础和支撑面检验批质量验收记录GD-C5-711117(2)铝合金框架结构总拼和安装检验批质量验收记录GD-C5-711118铝合金空间网络结构安装(1)铝合金空间网络结构支撑面检验批质量验收记录GD-C5-711119(2)铝合金空间网络结构总拼和安装检验批质量验收记录GD-C5-711120铝合金面板(1)铝合金面板检验批质量验收记录GD-C5-711104(2)铝合金面板制作检验批质量验收记录GD-C5-711121(3)铝合金面板安装检验批质量验收记录GD-C5-711122铝合金幕墙结构安装(1)铝合金幕墙结构支撑面检验批质量验收记录GD-C5-711123 (2)铝合金幕墙结构总拼和安装检验批质量验收记录GD-C5-711124防腐处理(1)阳极氧化检验批质量验收记录GD-C5-711125(2)涂装检验批质量验收记录GD-C5-711126(3)隔离检验批质量验收记录GD-C5-711127(4)其他材料检验批质量验收记录GD-C5-711105 (四)木结构(1)方木和原木结构检验批质量验收记录GD-C5-711128 (2)胶合木结构检验批质量验收记录GD-C5-711129 (3)轻型木结构检验批质量验收记录GD-C5-711130 (4)木结构防护检验批质量验收记录gD-C5-711131。
阳极氧化检验标准1、目的规范检验操作,发现、控制不良品,防止批不良品输入下道工序。
同时给检验工作提供引导及接收标准。
2、范围适用于进料、外协制品回厂、成品的检验接收及顾客退货的挑选检验。
3、定义本标准适用于变形铝及铝合金以保护和装饰为主要目的,在阳极氧化膜表面涂装有机聚合物膜得到的阳极氧化复合膜。
4、职责4.1 质量部负责不合格的发现、记录和标识,组织处理不合格品。
4.2 采购部负责进料中不合格品与供应商的联络。
5 性能要求5.1 外观阳极氧化复合膜的外观应均匀、平整,不允许有色差、皱纹、裂纹、气泡、流痕、夹杂、发黏和漆膜脱落等缺陷,(喷绘类产品的外观检验可参照样件)。
5.2表面粗糙度应达到设计要求的表面粗糙度值。
5.3 阳极氧化复合膜厚度阳极氧化复合膜厚度由阳极氧化膜厚度和漆膜厚度两部分组成。
阳极氧化膜厚度和漆膜厚度应符合表1的规定。
5.4 漆膜附着性漆膜的干附着性、湿附着性和沸水附着性均应达到0级。
5.5 耐化学品性5.5.1耐盐酸性耐盐酸试验后,用肉眼观察试样表面,应无起泡、变色及其它明显变化。
5.5.2 耐洗涤剂性耐洗涤剂试验后,用肉眼观察试样表面,应无起泡、脱落及其它明显变化。
5.6 耐沸水性耐沸水试验后,用肉眼观察试样表面,应无皱纹、裂纹、气泡、脱落及变色等现象。
表1注1:表中的膜厚指平均膜厚,最小局部膜厚应不小于80%的平均膜厚;注2:A、B、C采用不同厚度的有光漆或哑光漆,S采用彩色漆。
6 取样6.1 试样的选择与制备阳极氧化复合膜的试样从制品的有效表面选取。
当不能用制品进行试验时,必须使用能够代表制品的试样。
试样表面制备后,应放置24h后进行试验。
6.2 取样数量产品取样应符合表2的规定。
表27 阳极氧化复合膜的性能试验方法试验环境温度要求20℃±5℃,通风良好,没有影响试验的直射日光、蒸汽和灰尘等。
7.1 外观检验方法阳极氧化复合膜外观检验应在漫射日光下进行。
人工照明时背景要求无光泽的黑色、灰色,不能用彩色背景。
阳极氧化竣工环保验收English:The completion of the anodic oxidation project requires an environmental inspection and acceptance. This is an important step to ensure that the project meets the specified environmental standards and regulations. The environmental inspection and acceptance process involves several important aspects. Firstly, it is necessary to assess the impact of the anodic oxidation process on air quality. The emissions of exhaust gases and volatile organic compounds (VOCs) need to be measured and compared against the permissible limits set by environmental authorities. This assessment will determine whether the anodic oxidation process complies with air quality standards. Secondly, the inspection should also focus on the disposal and treatment of wastewater generated by the anodic oxidation process. The wastewater may contain various chemicals and pollutants that can harm the environment if not properly managed. Therefore, it is crucial to assess the wastewater treatment system and ensure it meets the required standards for effluent discharge. Additionally, the inspection should consider themanagement and disposal of solid waste generated during the anodic oxidation process. Proper handling and disposal of solid waste are necessary to prevent contamination of the surrounding environment. The inspection should verify that the solid waste is properly stored, labeled, and disposed of according to relevant regulations and guidelines. Furthermore, the inspection should also assess the overall environmental management practices of the anodic oxidation facility, including measures to prevent and control pollution, employee training, and emergency response plans. This comprehensive evaluation will provide a clear picture of the facility's environmental performance and compliance with regulations. Finally, the results of the inspection and acceptance process should be documented in a report, which should include any deficiencies found and recommendations for corrective actions. The company will need to address these deficiencies and implement the recommended actions before obtaining the final approval for the completion of the anodic oxidation project.中文翻译:阳极氧化项目的竣工需要进行环保验收。