SG3525中文资料
- 格式:pdf
- 大小:111.93 KB
- 文档页数:5
PWM控制芯片SG3525原理及应用SG3525是一种常用的PWM(脉宽调制)控制芯片,广泛应用于交流电源、逆变器、电机调速等领域。
本文将从原理、功能以及应用方面对SG3525进行详细介绍。
一、原理SG3525是一种集成电路芯片,通过调整其内部电路的工作状态来实现对输出信号的脉宽调制。
脉宽调制是一种调制技术,可以通过改变信号的脉冲宽度来改变信号的平均值。
在SG3525中,通过比较器和内部参考电压源实现了对输入信号进行比较和控制,从而实现对输出信号的脉宽调制。
SG3525的内部电路主要包括一个比较器、一个误差放大器、一个频率振荡器和一个输出驱动器。
误差放大器用于比较输入信号和反馈信号的差异,并生成一个误差信号,然后将误差信号传递给频率振荡器。
频率振荡器将误差信号转换为一系列的方波信号,并通过比较器进行比较。
比较器将方波信号与一个三角波信号进行比较,并生成一个PWM信号。
PWM信号经过输出驱动器放大后,可以用于驱动负载。
二、功能1.脉宽调制:SG3525可以实现对输出信号的脉宽调制,通过调整输入信号的脉冲宽度来改变输出信号的平均值。
这种技术可以用于实现直流至交流逆变器、交流电源等应用。
2.频率控制:SG3525内部集成一个可调的频率振荡器,可以通过外部电阻和电容调整振荡频率,从而适应不同应用的需求。
3.正反馈电流限制:SG3525具有一个正反馈电流限制功能,可以保护输出级的功率晶体管免受电流过大而损坏。
4.死区时间控制:SG3525可以通过外部电阻和电容调整死区时间,从而控制开关器件的切换时间,减少开关过渡过程中的损失。
三、应用1.交流电源:SG3525可以用于交流电源的脉宽调制,通过将直流电转换为交流电,从而实现对交流电源输出电压和频率的控制。
2.逆变器:SG3525可以通过脉宽调制技术实现对逆变器输出电压和频率的控制,将直流电转换为交流电,广泛应用于太阳能和风能转换系统。
3.电机调速:SG3525可以通过脉宽调制技术实现对电机转速的控制,通过调整脉冲宽度来改变电机的平均输出电压,从而实现电机的调速功能。
SG3525APulse Width Modulator Control CircuitThe SG3525A pulse width modulator control circuit offers improved performance and lower external parts count when implemented for controlling all types of switching power supplies. The on−chip +5.1 V reference is trimmed to "1% and the erroramplifier has an input common−mode voltage range that includes the reference voltage, thus eliminating the need for external divider resistors. A sync input to the oscillator enables multiple units to be slaved or a single unit to be synchronized to an external system clock.A wide range of deadtime can be programmed by a single resistor connected between the C T and Discharge pins. This device also features built−in soft−start circuitry, requiring only an external timing capacitor. A shutdown pin controls both the soft−start circuitry and the output stages, providing instantaneous turn off through the PWM latch with pulsed shutdown, as well as soft−start recycle with longer shutdown commands. The under voltage lockout inhibits the outputs and the changing of the soft−start capacitor when V CC is below nominal. The output stages are totem−pole design capable of sinking and sourcing in excess of 200 mA. The output stage of the SG3525A features NOR logic resulting in a low output for an off−state. Features•8.0 V to 35 V Operation•5.1 V "1.0% Trimmed Reference•100 Hz to 400 kHz Oscillator Range•Separate Oscillator Sync Pin•Adjustable Deadtime Control•Input Undervoltage Lockout•Latching PWM to Prevent Multiple Pulses•Pulse−by−Pulse Shutdown•Dual Source/Sink Outputs: "400 mA Peak•Pb−Free Packages are Available**For additional information on our Pb−Free strategy and soldering details, please download the ON Semiconductor Soldering and Mounting Techniques Reference Manual, SOLDERRM/D.See detailed ordering and shipping information in the package dimensions section on page 2 of this data sheet.ORDERING INFORMATIONFigure 1. Representative Block DiagramV ref V CC Ground OSC OutputSync RT CT Discharge CompensationINV. Input Noninv. Input C Soft−StartShutdownORDERING INFORMATION†For information on tape and reel specifications, including part orientation and tape sizes, please refer to our Tape and Reel Packaging Specifications Brochure, BRD8011/D.MAXIMUM RATINGSvalues (not normal operating conditions) and are not valid simultaneously. If these limits are exceeded, device functional operation is not implied,damage may occur and reliability may be affected.1.Derate at 10 mW/°C for ambient temperatures above +50°C.2.Derate at 16 mW/°C for case temperatures above +25°C.RECOMMENDED OPERATING CONDITIONSAPPLICATION INFORMATIONShutdown Options (See Block Diagram, page 2)Since both the compensation and soft−start terminals (Pins 9 and 8) have current source pull−ups, either can readily accept a pull−down signal which only has to sink a maximum of 100 m A to turn off the outputs. This is subject to the added requirement of discharging whatever external capacitance may be attached to these pins.An alternate approach is the use of the shutdown circuitry of Pin 10 which has been improved to enhance the available shutdown options. Activating this circuit by applying a positive signal on Pin 10 performs two functions: the PWMlatch is immediately set providing the fastest turn−off signal to the outputs; and a 150 m A current sink begins to discharge the external soft−start capacitor. If the shutdown command is short, the PWM signal is terminated without significant discharge of the soft−start capacitor, thus, allowing, for example, a convenient implementation of pulse−by−pulse current limiting. Holding Pin 10 high for a longer duration,however, will ultimately discharge this external capacitor,recycling slow turn−on upon release.Pin 10 should not be left floating as noise pickup could conceivably interrupt normal operation.ELECTRICAL CHARACTERISTICS (V = +20 Vdc, T = T to T[Note 3], unless otherwise noted.)low high4.Since long term stability cannot be measured on each device before shipment, this specification is an engineering estimate of averagestability from lot to lot.5.Tested at f osc = 40 kHz (R T = 3.6 k W, C T = 0.01 m F, R D = 0 W).ELECTRICAL CHARACTERISTICS (continued)Figure 2. Lab Test FixtureR T Ω, T I M I N G R E S I S T O R (k )Figure 4. Oscillator Discharge Time versus R DFigure 6. Output SaturationCharacteristicsDISCHARGE TIME (m s), D E A D T I M E R E S I S T O R ( )D ΩR , V O L T A GE G A I N (d B )V O L A V R C 2504Figure 7. Oscillator Schematic 0.010.020.030.050.070.10.20.30.50.7 1.0I O, OUTPUT SOURCE OR SINK CURRENT (A), S A T U R A T I O N V O L T A G E (V )s a t V Figure 8. Error Amplifier Schematic5020105.02.00806040200 4.03.53.02.52.01.51.00.50Figure 9. Output Circuit (1/2 Circuit Shown)Figure 10. Single−Ended Supply Figure 11. Push−Pull ConfigurationFigure 12. Driving Power FETSLow power transformers can be driven directly by the SG3525A.Automatic reset occurs during deadtime, when both ends of the primary winding are switched to ground.+V For single−ended supplies, the driver outputs are grounded.The V C terminal is switched to ground by the totem−pole source transistors on alternate oscillator cycles.In conventional push−pull bipolar designs, forward base drive is controlled by R1−R3. Rapid turn−off times for the power devicesare achieved with speed−up capacitors C1 and C2.+V The low source impedance of the output drivers provides rapid charging of power FET input capacitance while minimizing external components.+VC1C2Figure 13. Driving Transformers in aHalf−Bridge ConfigurationPACKAGE DIMENSIONSPDIP−16N SUFFIXCASE 648−08ISSUE TNOTES:1.DIMENSIONING AND TOLERANCING PERANSI Y14.5M, 1982.2.CONTROLLING DIMENSION: INCH.3.DIMENSION L TO CENTER OF LEADSWHEN FORMED PARALLEL.4.DIMENSION B DOES NOT INCLUDEMOLD FLASH.5.ROUNDED CORNERS OPTIONAL.M DIM MIN MAX MIN MAXMILLIMETERSINCHESA0.7400.77018.8019.55 B0.2500.270 6.35 6.85 C0.1450.175 3.69 4.44 D0.0150.0210.390.53 F0.0400.70 1.02 1.77 G0.100 BSC 2.54 BSCH0.050 BSC 1.27 BSCJ0.0080.0150.210.38 K0.1100.130 2.80 3.30 L0.2950.3057.507.74 M0 10 0 10 S0.0200.0400.51 1.01____PACKAGE DIMENSIONSSOIC−16LDW SUFFIXCASE 751G−03ISSUE Cq NOTES:1.DIMENSIONS ARE IN MILLIMETERS.2.INTERPRET DIMENSIONS AND TOLERANCESPER ASME Y14.5M, 1994.3.DIMENSIONS D AND E DO NOT INLCUDEMOLD PROTRUSION.4.MAXIMUM MOLD PROTRUSION 0.15 PER SIDE.5.DIMENSION B DOES NOT INCLUDE DAMBARPROTRUSION. ALLOWABLE DAMBARPROTRUSION SHALL BE 0.13 TOTAL INEXCESS OF THE B DIMENSION AT MAXIMUMMATERIAL CONDITION.DIM MIN MAXMILLIMETERSA 2.35 2.65A10.100.25B0.350.49C0.230.32D10.1510.45E7.407.60e 1.27 BSCH10.0510.55h0.250.75L0.500.90q0 7 __ON Semiconductor and are registered trademarks of Semiconductor Components Industries, LLC (SCILLC). SCILLC reserves the right to make changes without further notice to any products herein. SCILLC makes no warranty, representation or guarantee regarding the suitability of its products for any particular purpose, nor does SCILLC assume any liability arising out of the application or use of any product or circuit, and specifically disclaims any and all liability, including without limitation special, consequential or incidental damages.“Typical” parameters which may be provided in SCILLC data sheets and/or specifications can and do vary in different applications and actual performance may vary over time. All operating parameters, including “Typicals” must be validated for each customer application by customer’s technical experts. SCILLC does not convey any license under its patent rights nor the rights of others. SCILLC products are not designed, intended, or authorized for use as components in systems intended for surgical implant into the body, or other applications intended to support or sustain life, or for any other application in which the failure of the SCILLC product could create a situation where personal injury or death may occur. Should Buyer purchase or use SCILLC products for any such unintended or unauthorized application, Buyer shall indemnify and hold SCILLC and its officers, employees, subsidiaries, affiliates, and distributors harmless against all claims, costs, damages, and expenses, and reasonable attorney fees arising out of, directly or indirectly, any claim of personal injury or death associated with such unintended or unauthorized use, even if such claim alleges that SCILLC was negligent regarding the design or manufacture of the part. SCILLC is an Equal Opportunity/Affirmative Action Employer. This literature is subject to all applicable copyright laws and is not for resale in any manner.PUBLICATION ORDERING INFORMATION。
PWM控制芯片SG3525功能简介1.1 PWM控制芯片SG3525功能简介随着电能变换技术的发展,功率MOSFET在开关变换器中开始广泛使用,为此美国硅通用半导体公司(Silicon General)推出SG3525。
SG3525是用于驱动N沟道功率MOSFET。
其产品一推出就受到广泛好评。
SG3525系列PWM控制器分军品、工业品、民品三个等级。
下面我们对SG3525特点、引脚功能、电气参数、工作原理以及典型应用进行介绍。
SG3525是电流控制型PWM控制器,所谓电流控制型脉宽调制器是按照接反馈电流来调节脉宽的。
在脉宽比较器的输入端直接用流过输出电感线圈的信号与误差放大器输出信号进行比较,从而调节占空比使输出的电感峰值电流跟随误差电压变化而变化。
由于结构上有电压环和电流环双环系统,因此,无论开关电源的电压调整率、负载调整率和瞬态响应特性都有提高,是目前比较理想的新型控制器。
1.1.1 SG3525引脚功能及特点简介其原理图如图4.13下:1.Inv.input(引脚1):误差放大器反向输入端。
在闭环系统中,该引脚接反馈信号。
在开环系统中,该端与补偿信号输入端(引脚9)相连,可构成跟随器。
2.Noninv.input(引脚2):误差放大器同向输入端。
在闭环系统和开环系统中,该端接给定信号。
根据需要,在该端与补偿信号输入端(引脚9)之间接入不同类型的反馈网络,可以构成比例、比例积分和积分等类型的调节器。
3.Sync(引脚3):振荡器外接同步信号输入端。
该端接外部同步脉冲信号可实现与外电路同步。
4.OSC.Output(引脚4):振荡器输出端。
5.CT(引脚5):振荡器定时电容接入端。
6.RT(引脚6):振荡器定时电阻接入端。
7.Discharge(引脚7):振荡器放电端。
该端与引脚5之间外接一只放电电阻,构成放电回路。
8.Soft-Start(引脚8):软启动电容接入端。
该端通常接一只5 的软启动电容。
该SG3525A的脉宽调制器控制电路提供提高性能和降低外部元件数时实施了控制开关电源的所有类型。
片上5.1 V参考修剪成?1%的错误放大器的输入共模电压范围,包括参考电压,从而消除了对外部分压器的需求电阻。
在同步输入到振荡器使多个单位以苦练或一个单位可以同步到一个外部系统时钟。
广泛的死区时间可以由单个电阻器编程连接在CT和放电针。
这个装置还带有内置软启动电路,只需要一个外部定时电容器。
关断控制引脚同时软启动电路和输出级,瞬间又提供了通过脉宽调制锁存器脉冲关机,以及软启动回收与再关闭命令。
根据输出电压锁定抑制和不断变化的软启动电容时的VCC低于有名无实。
输出阶段的图腾柱设计能力的沉没并在200 mA的超额采购。
该SG3525A的输出级在功能的NOR为关闭状态低产出导致逻辑。
特点
8.0 V至35 V工作电压
v1.0的5.1%,边参考
100赫兹至400赫兹振荡器范围
独立的振荡器同步引脚
可调节死区时间控制
输入欠压锁定
锁定的PWM脉冲,以防止多重
脉冲鈭抌Ÿ鈭扨ulse关机
双源/接收器输出:400 mA峰值
铅鈭扚稀土元素包现已推出*
PIN CONNECTIONS
Inv. Input
Sync
OSC. Output
RT
Discharge
Soft-Start
Noninv. Input
CT
Compensation
Shutdown
Output A
VC
Output B
VCC
Vref
Ground。
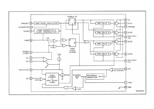
SG3525芯片SG3525 是一款功能齐全、通用性强的单片集成PWM 芯片。
由基准电压调整器、振荡器、误差放大器、比较器、锁存器、欠压锁定电路、闭锁控制电路、软起动电路、输出电路构成(图一)。
因其外围电路简单,故将SG3525集成电路应用于各类开关电源、斩波器的控制具有较高的性价比。
图一、SG3525内部结构一、S G3525的主要特点其主要特点为:输出级采用推挽输出,双通道输出,占空比0一50%可调,每一通道的驱动电流最大值可达200mA,灌拉电流峰值可达500mA。
可直接驱动功率MOS管,工作频率高达500KHz,具有欠压锁定、过压保护和软启动等功能。
该芯片内部电路由基准电压源、振荡器、误差放大器、PWM比较器与锁存器、分相器、欠压锁定输出驱动级,软启动及关断电路等组成。
可正常工作的温度范围是0—70C°,基准电压为5.1士1%,工作电压范围很宽,为8V到35V。
二、S G3525引脚端子的功能SG3525采用16端双列直插DIP封装,各引脚端子(图二)功能如下:(1)INV.Input(反相输入端1):误差放大器的反相输入端,此端通常与9脚构成负反馈。
(2)N.I.Input(同相输入端2):此端通常接到基准电压16脚的分压电阻上,取得基准比较电压与反相输入端的取样电压相比较。
(3)SYNC(同步端3):振荡器外接同步信号输入端。
该端接外部同步脉冲信号可实现与外电路同步。
图二、SG3525引脚(4)OSCoutPut(同步输出端4):同步脉冲输出。
作为多个芯片同步工作时使用。
如不需多个芯片同步工作时,3脚和4脚悬空。
(5)CT(振荡电容端5):振荡电容接至5脚,另一端直接接至地端。
其取值范围为0.001uF到0.luF。
正常工作时,在CT两端可以得到一个从0.7V到3.6V变化的锯齿波。
(6)RT(振荡电阻端6):振荡电阻一端接至6脚,另一端直接接至地端。
RT的阻值决定了内部恒流值对CT充电,其取值范围为2KΩ到150KΩ,RT和CT越大充电时间越长,反之则充电时间短。
SG3525说明书SG3525脉宽调制型控制器是美国通用电气公司的产品,作为SG3524的改进型,更适合于运用MOS管作为开关器件的DC/DC变换器,它是采用双级型工艺制作的新型模拟数字混合集成电路,性能优异,所需外围器件较少。
它的主要特点是:输出级采用推挽输出,双通道输出,占空比0-50%可调.每一通道的驱动电流最大值可达200mA,灌拉电流峰值可达500mA。
可直接驱动功率MOS管,工作频率高达400KHz,具有欠压锁定、过压保护和软启动等功能。
该电路由基准电压源、震荡器、误差放大器、PWM比较器与锁存器、分相器、欠压锁定输出驱动级,软启动及关断电路等组成,可正常工作的温度范围是0-700C。
基准电压为5.1 V士1%,工作电压范围很宽,为8V到35V.一、引脚功能SG3525采用16端双列直插DIP封装,引脚图及各端子功能介绍如下:(图形如图1)图1○1INV. INPUT(反相输入端、1脚):误差放大器的反相输入端,该误差放大器的增益标称值为80db,其大小由反馈或输出负载来决定,输出负载可以是纯电阻,也可以是电阻性元件和电容元件的组合。
该误差放大器共模输入电压范围是1. 5V-5. 2V。
此端通常接到与电源输出电压相连接的电阻分压器上。
负反馈控制时,将电源输出电压分压后与基准电压相比较。
○2NI. INPUT(同相输入端、2脚):此端通常接到基准电压16脚的分压电阻上,取得2. 5V 的基准比较电压与○1INV. INPUT端的取样电压相比较。
○3SYNC(同步端、3脚):为外同步用。
需要多个芯片同步工作时,每个芯片有各自的震荡频率,可以分别他们的4脚和3脚相连,这时所有芯片的工作频率以最快的芯片工作频率同步。
也可以使单个芯片以外部时钟频率工作。
○4OSC. OUTPUT(同步输出端、4脚):同步脉冲输出。
作为多个芯片同步工作时使用。
但几个芯片的工作频率不能相差太大,同步脉冲频率应比震荡频率低一些。
SG3525 中文资料引脚功能应用电路1 PWM控制芯片SG3525功能简介随着电能变换技术的发展,功率MOSFET在开关变换器中开始广泛使用,为此美国硅通用半导体公司(Silicon General)推出SG3525。
SG3525是用于驱动N沟道功率M OSFET。
其产品一推出就受到广泛好评。
SG3525系列PWM控制器分军品、工业品、民品三个等级方面。
下面我们对SG3525特点、引脚功能、电气参数、工作原理以及典型应用进行介绍。
SG3525是电流控制型PWM控制器,所谓电流控制型脉宽调制器是按照接反馈电流来调节脉宽的。
在脉宽比较器的输入端直接用流过输出电感线圈的信号与误差放大器输出信号进行比较,从而调节占空比使输出的电感峰值电流跟随误差电压变化而变化。
由于结构上有电压环和电流环双环系统,因此,无论开关电源的电压调整率、负载调整率和瞬态响应特性都有提高,是目前比较理想的新型控制器。
2 SG3525引脚功能及特点简介其原理图如图1下:图1 SG3525内部电路图图2 SG3525引脚图1.Inv.input(引脚1):误差放大器反向输入端。
在闭环系统中,该引脚接反馈信号。
在开环系统中,该端与补偿信号输入端(引脚9)相连,可构成跟随器。
2.Noninv.input(引脚2):误差放大器同向输入端。
在闭环系统和开环系统中,该端接给定信号。
根据需要,在该端与补偿信号输入端(引脚9)之间接入不同类型的反馈网络,可以构成比例、比例积分和积分等类型的调节器。
3.Sync(引脚3):振荡器外接同步信号输入端。
该端接外部同步脉冲信号可实现与外电路同步。
4.OSC.Output(引脚4):振荡器输出端。
5.CT(引脚5):振荡器定时电容接入端。
6.RT(引脚6):振荡器定时电阻接入端。
7.Discharge(引脚7):振荡器放电端。
该端与引脚5之间外接一只放电电阻,构成放电回路。
8.Soft-Start(引脚8):软启动电容接入端。
PWM控制芯片SG3525功能简介1.1 PWM控制芯片SG3525功能简介随着电能变换技术的发展,功率MOSFET在开关变换器中开始广泛使用,为此美国硅通用半导体公司(Silicon General)推出SG3525。
SG3525是用于驱动N沟道功率MOSFET。
其产品一推出就受到广泛好评。
SG3525系列PWM控制器分军品、工业品、民品三个等级。
下面我们对SG3525特点、引脚功能、电气参数、工作原理以及典型应用进行介绍。
SG3525是电流控制型PWM控制器,所谓电流控制型脉宽调制器是按照接反馈电流来调节脉宽的。
在脉宽比较器的输入端直接用流过输出电感线圈的信号与误差放大器输出信号进行比较,从而调节占空比使输出的电感峰值电流跟随误差电压变化而变化。
由于结构上有电压环和电流环双环系统,因此,无论开关电源的电压调整率、负载调整率和瞬态响应特性都有提高,是目前比较理想的新型控制器。
1.1.1 SG3525引脚功能及特点简介其原理图如图4.13下:1.Inv.input(引脚1):误差放大器反向输入端。
在闭环系统中,该引脚接反馈信号。
在开环系统中,该端与补偿信号输入端(引脚9)相连,可构成跟随器。
2.Noninv.input(引脚2):误差放大器同向输入端。
在闭环系统和开环系统中,该端接给定信号。
根据需要,在该端与补偿信号输入端(引脚9)之间接入不同类型的反馈网络,可以构成比例、比例积分和积分等类型的调节器。
3.Sync(引脚3):振荡器外接同步信号输入端。
该端接外部同步脉冲信号可实现与外电路同步。
4.OSC.Output(引脚4):振荡器输出端。
5.CT(引脚5):振荡器定时电容接入端。
6.RT(引脚6):振荡器定时电阻接入端。
7.Discharge(引脚7):振荡器放电端。
该端与引脚5之间外接一只放电电阻,构成放电回路。
8.Soft-Start(引脚8):软启动电容接入端。
该端通常接一只5 的软启动电容。
当今应用较多的移相全桥集成控制芯片主要是UC3879和UC3875/6/7/8系列。
UC3879作为UC3875的改进型,其工作原理和基本结构是相同的,但在一些功能上进行了改进。
UCC3895是TI公司生产的又一种高性能PWM移相型控制器。
它是UC3879的改进型,除了具有UC38779的功能外,最大的改进是增加了自适应死区设置,以适应负载变化时不同的准谐振软开关要求。
新增加了PWM软关断能力。
同时由于它采用了BCDMOS工艺,使得它的功耗更小,工作频率更高,因而更加符合电力电子装置高效率、高频率、高可靠的发展要求SG3525中文资料SG3525脉宽调制型控制器是美国通用电气公司的产品,作为SG3524的改进型,更适合于运用MOS管作为开关器件的DC/DC变换器,它是采用双级型工艺制作的新型模拟数字混合集成电路,性能优异,所需外围器件较少。
它的主要特点是:输出级采用推挽输出,双通道输出,占空比0-50%可调.每一通道的驱动电流最大值可达200mA,灌拉电流峰值可达500mA。
可直接驱动功率MOS管,工作频率高达400KHz,具有欠压锁定、过压保护和软启动等功能。
该电路由基准电压源、震荡器、误差放大器、PWM比较器与锁存器、分相器、欠压锁定输出驱动级,软启动及关断电路等组成,可正常工作的温度范围是0-700C。
基准电压为5.1 V士1%,工作电压范围很宽,为8V到35V.一、引脚功能SG3525采用16端双列直插DIP封装,引脚图及各端子功能介绍如下:○1I NV. INPUT(反相输入端、1脚):误差放大器的反相输入端,该误差放大器的增益标称值为80db,其大小由反馈或输出负载来决定,输出负载可以是纯电阻,也可以是电阻性元件和电容元件的组合。
该误差放大器共模输入电压范围是1. 5V-5. 2V。
此端通常接到与电源输出电压相连接的电阻分压器上。
负反馈控制时,将电源输出电压分压后与基准电压相比较。
○2NI. INPUT(同相输入端、2脚):此端通常接到基准电压16脚的分压电阻上,取得2. 5V的基准比较电压与○1INV. INPUT端的取样电压相比较。
SG3525工作原理以及输出电路驱动电路一、SG3525的工作原理SG3525是一款高性能PWM控制器,通过它可以实现可编程的脉宽调制信号。
它的特点是具有广泛的工作电压范围和频率范围。
该芯片采用双斩波控制方式,即通过一个三角波和一个幅度可调的直流偏置电压来控制输出脉冲的宽度。
SG3525的内部结构包括一个误差放大器、一个比较器、一个SR锁存器和一个产生三角波的发生器。
误差放大器用于比较输入信号和反馈信号的差值,以生成一个误差信号。
比较器用于将误差信号与三角波进行比较,从而产生一个PWM信号。
SR锁存器用于控制PWM信号的频率和占空比。
发生器产生一个频率可调的三角波。
工作原理如下:1.输入信号经过误差放大器与反馈信号进行比较,产生一个误差信号。
2.误差信号与三角波进行比较,产生一个PWM信号。
3.PWM信号经过SR锁存器进行锁存,从而实现设定的频率和占空比。
4.经过输出级后,PWM信号会经过滤波器,然后输出到负载上。
二、SG3525的输出电路设计输出级通常使用功率MOSFET或IGBT来实现,可以根据需要选择不同类型的晶体管,以满足不同负载的需求。
输出级的驱动电路需要提供足够的电流和电压来驱动晶体管,以确保输出信号的准确性和稳定性。
滤波器通常采用LC结构或LCL结构,用于去除PWM信号中的高频噪声。
LC结构由电感和电容组成,主要用于简单的应用中。
LCL结构除了电感和电容外,还包括一个滤波电阻,可以更好地抑制高频噪声。
三、SG3525的驱动电路设计驱动电路还可以包括反馈电路,用于检测输出信号的准确性和稳定性。
反馈电路通常由采样电阻和比较器等组成,用于检测输出信号与设定值之间的差异,并反馈给误差放大器进行校正。
驱动电路还需要考虑电流和电压的保护功能,以防止过流和过压等异常情况对电路和负载造成损害。
这可以通过使用保险丝、限流电阻、过压保护电路等来实现。
总之,SG3525工作原理是通过误差放大器、比较器、SR锁存器和发生器等组成的内部结构实现的。
SG3525芯片SG3525是一款功能齐备、通用性强的单片集成PWM芯片。
由基准电压调整器、振荡器、偏差放大器、比较器、锁存器、欠压锁定电路、闭锁控制电路、软起动电路、输出电路构成(图一)。
因其外头电路简单,故将SG3525 集成电路应用于各种开关电源、斩波器的控制拥有较高的性价比。
图一、 SG3525 部构造一、 SG3525的主要特色其主要特色为:输出级采纳推挽输出,双通道输出 ,占空比0 一 50% 可调 ,每一通道的驱动电流最大值可达200mA, 灌拉电流峰值可达500mA 。
可直接驱动功率MOS 管 ,工作频次高达500KHz, 拥有欠压锁定、过压保护和软启动等功能。
该芯片部电路由基准电压源、振荡器、偏差放大器、PWM比较器与锁存器、分相器、欠压锁定输出驱动级,软启动及关断电路等构成。
可正常工作的温度围是0 — 70C °,基准电压为 5.1 士 1%, 工作电压围很宽,为 8V到35V。
二、 SG3525引脚端子的功能SG3525 采纳 16 端双列直插DIP 封装 ,各引脚端子(图二)功能以下:(1 )INV.Input(反相输入端1) :偏差放大器的反相输入端,此端往常与9 脚构成负反应。
(2 )N.I.Input(同相输入端2) :此端往常接到基准电压16 脚的分压电阻上,获得基准比较电压与反相输入端的取样电压对比较。
(3) SYNC( 同步端 3) :振荡器外接同步信号输入端。
该端接外面同步脉冲信号可实现与外电路同步。
图二、 SG3525 引脚(4 )OSCoutPut(同步输出端4) :同步脉冲输出。
作为多个芯片同步工作时使用。
如不需多个芯片同步工作时,3 脚和 4 脚悬空。
(5 )CT(振荡电容端5) :振荡电容接至 5 脚 ,另一端直接接至地端。
其取值围为0.001uF 到 0.luF 。
正常工作时,在 CT 两头能够获得一个从0.7V 到 3.6V 变化的锯齿波。
SG3525脉宽调制型控制器是美国通用电气公司的产品,作为SG3524的改进型,更适合于运用MOS管作为开关器件的DC/DC变换器,它是采用双级型工艺制作的新型模拟数字混合集成电路,性能优异,所需外围器件较少。
它的主要特点是:输出级采用推挽输出,双通道输出,占空比0-50%可调.每一通道的驱动电流最大值可达200mA,灌拉电流峰值可达500mA。
可直接驱动功率MOS管,工作频率高达400KHz,具有欠压锁定、过压保护和软启动等功能。
该电路由基准电压源、震荡器、误差放大器、PWM比较器与锁存器、分相器、欠压锁定输出驱动级,软启动及关断电路等组成,可正常工作的温度范围是0-700C。
基准电压为5.1 V士1%,工作电压范围很宽,为8V~35V.GND(接地端)12脚:该芯片上的所有电压都是相对于GROUND而言,即是功率地也是信号地。
在实验电路中,由于接入误差放大器反向输入端(1脚)的反馈电压也是相对与12脚而言,所以主回路和控制回路的接地端应相连。
所以SG3525必须与控制回路共地。
15脚引入分为两路:一路作为内部逻辑和模拟电路的工作电压;另一路送到基准电压稳压器的输入端,产生5.1士1%V的内部基准电压。
如果该脚电压低于门限电压(Turn-off: 8V),该芯片内部电路锁定,停止工作(基准源及必要电路除外)使之消耗的电流降至很小(约2mA)e另外,该脚电压最大不能超过35V.使用中应该用电容直接旁路到GND端。
V C(推挽输出电路电压输入端)13脚:作为推挽输出级的电压源,提高输出级输出功率。
可以和15脚共用一个电源,也可用更高电压的电源。
电压范围是1 8V~34V。
INPUT(反相输入端)1脚:误差放大器的反相输入端,该误差放大器的增益标称值为80db,其大小由反馈或输出负载来决定,输出负载可以是纯电阻,也可以是电阻性元件和电容元件的组合。
该误差放大器共模输入电压范围是1. 5V-5. 2V。
图3—9 SG3525引脚排列图的引脚排列如图3—9所示,内部结构如图3—10所示。
各引脚名称、功能和用法如表3—2所示。
图3—10 SG3525内部结构图表3—2 SG3525引脚的名称、功能和用法续表SG3525芯片内部集成了精密基准电源、误差放大器、带同步功能的振荡器、脉冲同步触发器、图腾柱式输出晶体管、PWM比较器、PWM锁存器、软启动电路、关断电路和欠压锁定电路。
芯片+5.1V基准电压精度为±1%,由于基准电压值在误差放大器的输入共模范围内,因此,无须外接电阻。
SG3525可以工作在主从模式,也可以与外部时钟同步。
通过C T端(引脚⑤) 与放电端之间的电阻可以设置死区时间。
SG3525采用电压模式控制方式,工作原理波形如图3—11所示。
振荡器输出的时钟信号触发PWM锁存器(Latch),形成PWM信号的上升沿,使主电路的开关器件开通。
误差放大器的输出信号与振荡器输出的三角波信号相比较,当三角波的瞬时值高于误差放大器的输出时,PWM比较器翻转,触发PWM锁存器,形成PWM信号的下降沿,使主电路的开关器件关断。
F/F触发器用作分频器,将PWM锁存器的输出分频,得到占空比为0.5、频率为振荡器频率一半的方波。
1. 软启动SG3525的软启动电容接入端(引脚⑧) 上通常接一个5μF的软启动电容。
充电过程中,由于电容两端的电压不能突变,因此,与软启动电容接入端相连的PWM比较器反相输入端处于低电平,PWM比较器输出为高电平。
此时,PWM锁存器的输出也为高电平,该高电平通过两个或非门加到输出晶体管上,使之无法导通。
只有当软启动电容的充电电压使引脚⑧处于高电平时,SG3525才能开始工作。
图3—11 SG3525的工作原理波形2. 关断操作通过引脚⑩(关断端)来关闭SG3525的输出。
当引脚⑩上的信号为高电平时,可以实现两个功能: PWM锁存器立即动作,同时软启动电容开始放电。
放电电流只有 150μA,如果关断信号为短暂的高电平,PWM信号将被中止,但此时软启动电容没有明显的放电过程。
PWM控制芯片SG3525功能简介PWM控制芯片SG3525功能简介随着电能变换技术的发展,功率MOSFET在开关变换器中开始广泛使用,为此美国硅通用半导体公司(Silicon General)推出SG3525。
SG3525是用于驱动N沟道功率MOSFET。
其产品一推出就受到广泛好评。
SG3525系列PWM控制器分军品、工业品、民品三个等级。
下面我们对SG3525特点、引脚功能、电气参数、工作原理以及典型应用进行介绍。
SG3525是电流控制型PWM控制器,所谓电流控制型脉宽调制器是按照接反馈电流来调节脉宽的。
在脉宽比较器的输入端直接用流过输出电感线圈的信号与误差放大器输出信号进行比较,从而调节占空比使输出的电感峰值电流跟随误差电压变化而变化。
由于结构上有电压环和电流环双环系统,因此,无论开关电源的电压调整率、负载调整率和瞬态响应特性都有提高,是目前比较理想的新型控制器。
SG3525引脚功能及特点简介其原理图如图下:引脚1):误差放大器反向输入端。
在闭环系统中,该引脚接反馈信号。
在开环系统中,该端与补偿信号输入端(引脚9)相连,可构成跟随器。
引脚2):误差放大器同向输入端。
在闭环系统和开环系统中,该端接给定信号。
根据需要,在该端与补偿信号输入端(引脚9)之间接入不同类型的反馈网络,可以构成比例、比例积分和积分等类型的调节器。
(引脚3):振荡器外接同步信号输入端。
该端接外部同步脉冲信号可实现与外电路同步。
引脚4):振荡器输出端。
(引脚5):振荡器定时电容接入端。
(引脚6):振荡器定时电阻接入端。
(引脚7):振荡器放电端。
该端与引脚5之间外接一只放电电阻,构成放电回路。
(引脚8):软启动电容接入端。
该端通常接一只5 的软启动电容。
(引脚9):PWM比较器补偿信号输入端。
在该端与引脚2之间接入不同类型的反馈网络,可以构成比例、比例积分和积分等类型调节器。
(引脚10):外部关断信号输入端。
该端接高电平时控制器输出被禁止。
3525总结
nan’sir
SG3525
电压调节芯片SG3525具体的内部结构如图1所示。
其中,脚16为SG3525的基准电压源输出,精度可以达到(5.1±1%)V,采用了温度补偿,而且设有过流保护电路。
脚5,脚6,脚7内有一个双门限比较器,内电容充放电电路,加上外接的电阻电容电路共同构成SG3525的振荡器。
振荡器还设有外同步输入端(脚3)。
脚1及脚2分别为芯片内误差放大器的反相输入端、同相输入端。
该放大器是一个两级差分放大器,直流开环增益为70dB左右。
根据系统的动态、静态特性要求,在误差放大器的输出脚9和脚1之间一般要添加适当的反馈补偿网络。
图1 3525内部引脚和框图
1. 下面分别阐述其各部分功能:
a 基准电压源: 基准电压源是一个三端稳压电路,其输入电压V CC 可在(8~35)V 内变化,通常采用+15V ,其输出电压V ST =5.1V ,精度%1±,采用温度补偿,作为芯片内部电路的电源,也可为芯片外围电路提供标准电源,向外输出电流可达400mA ,没有过流保护电路。
b 振荡电路: 由一个双门限电压均从基准电源取得,其高门限电压V V H 9.3=低门限电压V V L 9.0=,内部横流源向C T 充电,其端压V C 线性上升,构成锯齿波的上升沿,当H C V V =时比较器动作,充电过程结束,上升时间t 1为:
T T C R t 67.01=
比较器动作时使放电电路接通,C T 放电,V C 下降并形成锯齿波的下降沿,当L C V V =时比较器动作,放电过程结束,完成一个工作循环,下降时间间t 2为:
T D C R t 3.12=
注意:此时间即为死区时间 锯齿波的基本周期T 为:
()T D T C R R t t T 3.167.021+=+=
因为T D R R <<⇒12t t <<
由上可见锯齿波的上升沿远长于下降沿,因此上升沿作为工作沿,下降沿作为回扫沿。
C 误差放大器:由两级差分放大器构成,其直流开环放大倍数为80dB 左右,电压反馈信号uf 从端子1接至放大器反相输入端,放大器同相输入端接基准电压。
该误差放大器共模输入电压范围是1. 5V-5. 2V 。
d PWM 信号产生及分相电路: 比较器的反相端接误差放大器的输出信号u
e ,而振荡器的输出信号u c 则加到比较器的同相输入端,比较器的输出信号为PWM 信号,该信号经锁存器锁存,分相电路由二进制计数器和两个或非门构成,其输入
信号为振荡器的时钟信号,并用时钟信号的前沿触发,输出为频率减半的互补方波,这些方波和PWM 信号输入到或非门逻辑电路。
其结果是,所有的输入为负时,输出为正。
这样1P 、2P 的输出每半周期交替为正,其宽度和PWM 信号的负脉冲相等。
脉冲很窄的时钟信号输入到逻辑或非门电路,可使两个门的输出同时有一段低电平,以产生死区时间。
e 脉冲输出级电路:输出末级采用推挽输出电路,驱动场效应功率管时关断速度更快.11脚和14脚相位相差1800,拉电流和灌电流峰值达200mA 。
由于存在开闭滞后,使输出和吸收间出现重迭导通。
在重迭处有一个电流尖脉冲,起持续时间约为l00ns 。
可以在13脚处接一个约0. lu
f 的电容滤去电压尖峰。
2 工作过程分析
图2 3525各点工作波形
⇓锯齿波⇓时钟脉冲
最后一点是关于保护电路,直接拉低10脚,其实也可以拉低8脚,这样有好处也有坏处,自己琢磨吧。
贴一张实际电路图。
希望对大家有帮助。