地下矿山开采设计word版
- 格式:doc
- 大小:4.30 MB
- 文档页数:265
山东理工大学《采矿学》课程设计题目:某地下铁矿采矿方法设计学院:资源与环境工程学院班级:学号:姓名:指导老师:张军课程设计时间:2013年7月1日~7月19日序论一.课程设计目的未来矿山企业的总工程师──矿物资源工程专业的学生,无论是在勘探设计单位承担矿山设计任务,还是在科研院所从事专业科研开发事业,或者在生产企业进行专业技术与行政管理工作,对于地下开采起主导作用的采矿方法,都必须具有正确选择设计采矿方法的知识和能力。
本次课程设计是在学习了相关专业基础和专业课程的基础上,通过设计,得到专业工程设计基本能力的初步训练,为毕业设计及今后从事专业技术工作打下基础。
也是对同学们以前所学知识掌握与运用能力的检验。
采矿方法课程设计,要求同学们在给定基础资料的基础上,通过翻阅专业参考书和相关文献,综合运用所学知识,确定技术方案,掌握正确的步骤和内容,进行必要的科学计算,并运用规范的技术语言(规范的图纸及说明书)将设计意图及设计结果表达出来。
二.课程设计任务1.设计任务:某地下矿山采矿方法设计2.设计要求:①根据所给地质资料及开采技术条件选择合适的采矿方法;②设计确定所选采矿方法的各类结构参数;③设计确定所选采矿方法的各种技术经济指标;④绘制采矿方法标准方案图;⑤编写采矿方法设计说明书(A4纸)。
三.课程设计题目某铁矿走向长500m左右,倾斜延伸260~570m;矿体走向为西段NE向、中部EW向、东段NE向,倾向SE,倾角20°~40°;矿体埋深370~590m,平均厚度14.14m;密度3.84g/cm3,平均品位51.88%;矿体形态呈似层状、扁豆状,具分枝复合膨缩现象。
四.课程设计方式学生按设计大纲要求,按照设计题目条件综合应用《采矿学》所学知识,每个人独立完成一份课程设计。
设计者之间可以讨论、借鉴,但不得相互抄袭,疑难问题可与指导教师共同研究解决。
本课程设计要求方案进行技术分析与经济比较。
目录第1章矿体赋存条件 (1)第2章采矿方法选择 (2)2.1 采矿方法选择的要求 (2)2.1.1采矿方法选择的原则和依据 (2)2.1.2影响采矿方法选择的主要因素 (2)2.2采矿方法初选 (3)2.1.3初选采矿方法 (3)2.2 采矿方法比较 (4)2.2.1上向进路充填采矿法 (4)2.2.2房柱法 (7)2.2.3经济合理性研究 (10)2.3 采矿方法结构参数 (11)第3章矿块的采准和切割 (13)3.1 采准切割工程布置 (13)3.2采切工程量表 (13)第4章回采工作 (15)4.1 凿岩机具的选择 (15)4.2回采顺序 (15)4.3落矿 (15)4.4采场搬运 (17)4.5矿柱回采 (17)4.6采场通风 (17)4.7采空区处理 (17)4.8回采工作组织 (19)4.9采矿方法经济技术汇编 (20)参考文献 (22)2第1章矿体赋存条件某锑钨矿床为热液充填石英脉型锑钨矿床。
矿体延深达600 m,走向长350m , 倾向北东东,倾角20〫,矿体平均厚度 2.9m。
矿石多呈致密块状,与围岩界线较为清楚,矿脉顶底板为泥灰岩、页岩,据现有坑道揭露, 除局部较为破碎需要支护外,基本不需支护,矿岩属中等稳固。
矿石自然安息角为33.5〫, 体重为2. 93t /m3,松散系数1.68。
品位Sb 2.0%,WO3 0.31%。
1第2章采矿方法选择2.1 采矿方法选择的要求2.1.1采矿方法选择的原则和依据(1)工作安全;(2)矿石贫化小:要求矿石贫化小,矿石质量高,满足加工部门对矿石质量的要求。
在一般情况,矿石贫化率要求在15~20%以下;(3)矿石回采率高:要求选择回采率高的采矿方法,以充分利用地下资源;(4)生产率高,经济效率高:要尽可能选择生产能力大和劳动生产率高的采矿方法。
一般以在一个回采阶段布置的矿块数目以前满足矿山生产能力为标准来考虑采矿方法选择,回采矿块所占长度以小于阶段工作线长度的三分之二为宜;(5)遵守有关法规要求:采矿方法选择必须遵守矿山安全、环境保护和矿产资源保护等法规的有关规定。
1.课程设计概述1.1矿区概况新寨里辉沸石矿有县级公路通过矿山东南部,距矿山约500m远处通公路,交通一般。
矿山地理坐标为:东径110°25′24″~110°25′46″,北纬26°18′52″~ 26°19′16″。
矿山属中—低山地貌,矿山西部最高山为1391m海拔,最低处为625.4m,地形相对高差765.6m。
地势西高东低。
山间有小溪水由西向东流径矿山至巫山河,流量随季节而变化,春夏两季流量大,冬季多干枯(未作流量测试),最高洪水位630。
地形坡度较大(多大于20°),地表溪水泻流而下,无压覆矿产倒灌矿坑的隐患。
1.2设计依据设计的矿山是新寨里辉沸石矿,课程设计技术参数:1. 开采标高:+650m~+400m;2. 采用留矿采矿法开采,阶段高度50m,脉内平巷放矿闸门装矿;3. 矿床开采下盘移动角66°,上盘移动角60°,走向端部移动角72°;4. 矿山规模为10万吨/年。
井下采用有轨运输。
1.3设计内容地下矿山开拓方案选择和设计。
2.矿山地质2.1概述矿山范围中主要为岩浆岩(后述)和第四系(残坡积层),在矿山北西部出露有板溪群马底驿组地层,其岩性主要为风化钙质片岩。
第四系地层发育,该区地表大都被第四系所覆盖,基岩露头甚少。
第四系岩性主要为残坡积层,为砂质粘土、松散、结构力差。
围岩兰蓉花岗岩体为加里东期。
矿山范围中全为岩浆岩,无褶皱构造,主要表现为断裂构造.兰蓉大断层贯穿整个矿山,从岩性和地形地貌中观察,断层位置可见,但由于地表第四系,覆盖层发育,断层破碎带特征不祥。
2.2矿区地质第四系地层发育,该区地表大都被第四系所覆盖,基岩露头甚少。
第四系岩性主要为残坡积层,为砂质粘土、松散、结构力差。
矿山范围中主要为岩浆岩即兰蓉花岗岩体;矿山位于兰蓉花岗岩体的中心部位,其岩性主要为中粒斑状黑云母花岗岩。
岩体长轴方向近于南北向,呈岩株产出。
资料范本本资料为word版本,可以直接编辑和打印,感谢您的下载矿井开采设计指导书地点:__________________时间:__________________说明:本资料适用于约定双方经过谈判,协商而共同承认,共同遵守的责任与义务,仅供参考,文档可直接下载或修改,不需要的部分可直接删除,使用时请详细阅读内容采矿工程毕业设计——矿井开采设计指导书一、毕业设计大纲内容1 矿井地质概况本章是矿山开采设计的基础内容,正确编写本章的内容,将为以后各章的设计打下一个良好的基础。
编写本章内容,学生应收集并熟悉实习矿井的地质资料,主要参考所在矿井的《井田精查地质报告》,掌握以下内容:(1)井田位置及范围(2)地层(3)地质构造(4)煤层及煤质(5)矿井安全生产条件:煤层顶底板条件,水文条件,瓦斯、自燃、煤尘等条件(6)地面条件(7)井田境界及储量1.1 井田位置及交通1.1.1 交通位置说明矿区、矿井所在的行政区域及隶属关系;地理位置以及铁路、公路或航运的交通情况;距附近大城市和主要车站的距离。
插图:交通位置图。
1.1.2 地形地貌地形、地貌、高山及有否重要建筑物和名胜古迹,开采矿藏时是否需要加以保护。
1.1.3 气象及水文情况矿区气候性质及气温变化,雨季时间,年平均及最大降雨量,年蒸发量,最大冻结深度,平均积雪厚度,风向,风速。
矿区河流、湖泊、沼泽的分布及范围,河流的流量、流速、水深及最高洪水位。
1.1.4 矿区概况矿区开发情况,经济情况,工农业生产情况,建筑及矿用材料来源情况,供水、供电及人力资源,矿藏销售情况。
1.2 地层及地质构造编写本节内容时,应尽量采用图表,文字说明应力求简明扼要。
地层可参考表1-1编录。
断层可按表1-2格式描述。
附:综合地质柱状图。
1.3 煤层及煤质1.4.1 煤层含煤层数,煤层厚度,层间距,顶底板岩性及其变化规律,煤层硬度和节理发育情况,煤层结构,夹矸的岩性、厚度及分布规律,煤层露头及风氧化带,可采煤层特征可按表1-3格式列表表示。
《金属矿床地下开采》课程设计指导老师:学院:班级:学号:姓名:一、矿床地质1、矿体特征矿区锂辉石矿体产于花岗伟晶岩脉的中部或占据整个脉体,其形态变化与花岗伟晶岩脉形态变化具一致性,矿床成因属多来源、多成因的花岗质——伟晶岩期气化高温热液矿床。
本区初步查明了富含锂辉石矿体2条分别分布于矿区北东部Li26号矿体和南部Li33号矿体。
Li26号矿体:矿体走向长度约400m,厚度1.01~5.37m,平均厚度3.67m,厚度变化系数为49.52%,矿体倾角75°左右,矿体埋藏标高为+320~+180m。
矿体东端局部矿段地表倾向北西,倾角较陡。
矿体主要受一北东向裂隙组的控制(为F8断裂之派生裂隙),其形态较为复杂,呈一北东向延伸的脉状,且分枝复合,膨大缩小等现象较为多见,同时该矿体还遭受北西向平移断层(F20)的切割,使该矿体南北错移50多米,断层附近伴有牵引扭曲、倾向倒转、倾角变陡等现象,从而使矿体形态更为复杂,该矿体在剖面上呈舒缓波状。
矿体剖面形态呈反“S”型。
2、矿石特征本矿区矿石为锂辉石伟晶岩,以花岗伟晶结构为主,次为文象结构,蠕状结构、残余结构、及花岗鳞片变晶结构。
以块状构造为主,长带状构造次之。
主要矿物成分有斜长石、微斜长石、石英、锂辉石等。
斜长石:为主要脉石矿物之一,含量一般为30~40%,平均含量约37%左右,半自行——他行晶,呈板柱状、叶片状或粒状,双晶较发育,灰白色,玻璃光泽,主要为钠长石,局部出现钠——更长石。
微斜长石:为主要脉石矿物之一,含量一般为10~15%,平均含量约12%左右,晶体呈厚板状,晶体粗大,大者长10~50cm,灰白色至浅灰色,玻璃光泽,常被钠长石交代。
石英:为主要脉石矿物之一,含量一般为25~30%,平均含量约26%左右,呈不规则粒状,灰白色,透明至半透明,玻璃光泽——油脂光泽,往往与微斜长石密切共生,镶嵌于长石、云母等矿物之间,熔蚀微斜长石。
锂辉石:为本矿区主要有用矿物,含量一般为7~35%,平均含量约16%左右,个别最高可达40%。
《矿床地下开采》课程设计说明书设计题目专业名称学号学生姓名指导教师《矿床地下开采》课程设计任务书《矿床地下开采》课程设计成绩评定表评阅教目录1采择矿方法选 (1)1.1 设计矿体的开采技术条件 (1)1.1.1矿体倾角 (1)1.1.2矿体厚度 (1)1.1.3矿体走向长度及沿倾斜长度 (1)1.1.4矿石品位及围岩含矿品位情况 (1)1.1.5矿石及上、下盘围岩种类,节理裂隙发育情况,地质构造,矿岩稳固程度及其矿岩接触情况 (1)1.1.6矿体的物理机械性能 (1)1.1.7矿岩允许不支护暴露面积 (1)1.1.8地表陷落的可能性 (1)1.2 采矿方法的选择 (1)1.3 矿块构成要素 (2)1.3.1对选定的采矿方法,确定矿块的构成要素及矿块布置方式 (2)1.3.2确定回采工作面形式及允许暴露面积 (3)2矿块采准切割工作 (3)2.1 阶段运输巷道布置 (3)2.1.1选择运输设备 (3)2.1.2确定阶段运输巷道断面尺寸 (3)2.1.3确定阶段运输巷道布置形式 (4)2.2 矿块底部结构 (4)2.3 切割工作 (4)2.4 采准巷道及切割巷道断面尺寸 (4)2.4.1选择采准巷道、切割巷道施工设备 (4)2.4.2确定采准、切割巷道断面尺寸 (4)2.4.3确定采准巷道及切割巷道数量及位置 (4)2.5. 采准工程量 (4)2.5.1采准工程量计算 (4)2.5.2采准工作量计算 (5)3 回采工作 (6)3.1 矿房落矿工作 (6)3.1.1选择凿岩设备及工具 (6)3.1.2确定落矿参数 (6)3.1.3按类似矿山条件,确定单位炸药消耗 (6)3.1.4确定炮孔布置形式,并绘制炮孔布置草图 (6)3.1.5简述装药及起爆方法 (7)3.1.6计算一个循环落矿量(T) (7)Q) (7)3.1.7计算一个循环落矿消耗的炸药量(1q) (7)3.1.8计算单位炸药消耗量(1T) (7)3.1.9计算每米炮孔崩矿量(m3.1.10简述二次破碎方法 (7)3.2 采场选择 (8)3.3 采场地压管理 (8)3.4 采场通风 (8)3.5回采工作组织及编制回采循环图表 (8)3.5.1简述回采工作组织 (8)3.5.2计算回采凿岩、装药爆破、爆破后通风及出矿的时间 (8)3.5.3编制回采循环图表 (9)3.6 编制采准、切割进度计划图表 (9)4 矿柱回采及空区处理 (10)5 附图 (10)图一炮孔布置图 (11)图二切割平巷和切割天井联合拉槽法 (11)6 参考文献 (11)7 结束语 (12)课程设计说明书1采择矿方法选1.1 设计矿体的开采技术条件1.1.1矿体倾角倾角α=82°。
地下矿矿房采矿设计2022年4月1、工程概况某铁矿有限公司采矿生产社会化服务B标标段,工程为某铁矿采矿生产项目-425M水平以上矿体采切、回采,运输及井下充填工程,具体内容有:矿块采切、矿房回采、出矿(运输至采区溜井),采区溜井放矿及矿岩有轨运输,计量硐室装矿、井下充填、溜井格筛安装等工程。
“B标”工程前期主要进行-400M水平M1#号矿体沿脉探矿及M2、M3、M4#号矿体的采准探矿,以及基建期已完成采准切割的4#、5#一步采单体矿块回采工作。
后再逐步开展了-400M水平中段的0#、1#、2#、6#、7#穿脉巷掘进以及对应一步采采准切割巷施工,主要工程为一步采堑沟拉底巷、上下盘切割横巷、切割天井施工等。
2、单体矿块区域工程概况-400M水平2#穿一步采单个矿块位于-400M水平石门巷南,沿脉巷西,2#穿脉巷北。
2#穿脉巷为井巷井建期施工工程,在施工中因遇透水与破碎带进行了封堵水注浆及短掘支钢拱架支护施工。
其南3#一步采正在回采中,3#一步采对应-375 M水平矿块已结束爆破回采。
其西20M左右的M1#矿体仅有穿脉巷揭露。
其北部为1#穿一步采与0#穿,当前为采切施工并部分项目完成施工。
3、单体矿块区域地质概况矿床赋存:-400M水平2#穿回采单体区域内赋存4个含铁单个矿体,由西向东分别为M1、M2、M3、M4号矿体,含矿量均达可回采品位以上。
四个矿体间近于平行产出,矿床走向近南北、倾向西。
四个矿体水平方向由北向南收敛靠近,单个矿体变窄尖灭。
区域M1号矿体水平厚度16米左右、M2号矿体水平厚度32米左右、M3号矿体水平厚度4.0米左右、M4号矿休水平厚度12米左右。
其中M1号矿体下盘到M2号矿体上盘水平距离36米左右、M2号矿体下盘到M3号矿体上盘水平距离9米左右、M3号矿体下盘到M4号矿体上盘水平距离13.5米左右(详见平面图)。
矿体倾角:四个矿体上盘倾角小于下盘,即都是宽度向上收敛状,其中M2号矿体上盘倾角50~580,下盘倾角650左右。
地下矿山开采课程设计一、课程目标知识目标:1. 学生能够掌握地下矿山开采的基本概念、原理和方法。
2. 学生能够了解地下矿山开采中的安全问题及防范措施。
3. 学生能够掌握地下矿山开采对环境的影响及环境保护措施。
技能目标:1. 学生能够运用地下矿山开采的基本原理,分析并解决实际问题。
2. 学生能够运用所学知识,设计简单的地下矿山开采方案。
3. 学生能够通过实地考察、资料查询等途径,收集和分析地下矿山开采的相关信息。
情感态度价值观目标:1. 学生能够认识到矿产资源在我国经济发展中的重要作用,增强资源节约意识。
2. 学生能够关注地下矿山开采中的安全问题,提高安全意识。
3. 学生能够关注地下矿山开采对环境的影响,树立环保意识。
课程性质:本课程为矿山工程领域的基础课程,旨在培养学生对地下矿山开采的基本理论、方法和实际应用的掌握。
学生特点:本课程针对高中年级学生,他们在物理、化学等学科有一定的基础,具备一定的逻辑思维能力和实践能力。
教学要求:教师应结合学生特点,采用理论教学与实践操作相结合的方式,注重培养学生的实际操作能力和问题解决能力。
通过本课程的学习,使学生能够将所学知识应用于实际矿山开采中,为我国矿山事业做出贡献。
教学过程中,关注学生的情感态度价值观培养,引导他们形成正确的资源观、安全观和环保观。
二、教学内容1. 地下矿山开采基本概念:矿山定义、矿产资源种类、矿床成因及分类。
2. 地下矿山开采原理:矿山压力理论、岩体稳定性分析、开采方法及工艺流程。
3. 地下矿山安全问题及防范措施:矿井通风、防水、防火、防瓦斯、防尘、防顶板事故。
4. 地下矿山环境保护:开采过程中对土地、水资源、大气和生物多样性的影响,环保措施及生态修复。
5. 实践教学:参观地下矿山,了解实际开采过程,分析矿山开采中的实际问题。
教学大纲安排:第一周:地下矿山开采基本概念及矿床分类第二周:矿山压力理论及岩体稳定性分析第三周:地下矿山开采方法及工艺流程第四周:地下矿山安全问题及防范措施第五周:地下矿山环境保护及生态修复第六周:实践教学与总结教学内容与教材关联性:本教学内容依据教材《矿山工程》相关章节进行组织,涵盖地下矿山开采的基础知识、安全环保等方面,确保内容的科学性和系统性。
目录目录 (1)第一章前言 (2)1.1课程设计的目的和任务 (2)1.2课程设计要求 (2)1.3课程设计内容 (2)第二章采矿方法选择及设计 (4)2.1矿山地质资料及开采条件 (4)2.2采矿方法初选 (4)第三章回采工艺 (6)3.1矿块布置 (6)3.2切割工作 (6)3.3回采工作 (7)3.3.1落矿工作 (7)3.3.2出矿工作 (9)3.3.3通风工作 (10)3.4回采顺序 (11)3.5覆盖岩层的形成 (11)3.6采矿方法主要技术经济指标 (12)第四章设计总结 (14)参考文献: (14)第一章前言1.1 课程设计的目的和任务地下采矿方法课程设计是采矿工程必修课程《采矿学I》的实践性设计教学环节。
通过本环节教学,使学生通过重温《采矿学I》,并完成规定的设计任务,达到巩固所学知识;学会使用《采矿工程设计手册》和其它参考资料,掌握地下矿山采场设计的基本技能。
1.2 课程设计要求1、深入理解选择采矿方法的依据,热练掌握选择采矿方法的技术经济评价内容与方法;2、熟练掌握采场设计的程序与步骤;3、掌握矿房开采,矿柱回采和空区处理工艺方法;4、能熟练地进行矿块技术经济指标的计算;5、熟练并高质量地绘制矿块采矿方法图件;6、设计参照《采矿设计手册》(4卷冶金工业出版社)和课程设计大纲;7、用手工(图纸用铅笔或上墨)或计算机绘图均可;1.3 课程设计内容1、设计应着重于方案的选择分析和论证;2、设计任务应包括设计说明书撰写和图纸绘制两部分:A、设计说明书:设计应分章、节并用钢笔缮写或打印,必要时在说明书中应画出细部结构图。
文字力求通顺、简练;书写应整洁,计算应正确,篇幅一般为20页左右。
B、图纸:(1)采矿方法三面投影图一张(图幅0.5—594x420mm,1.0图幅—841x594mm,比例尺1:200或1:300)此图应将采矿方法各组成部分,构成要素,通风系统表示出来;图上应有主要结构尺寸。
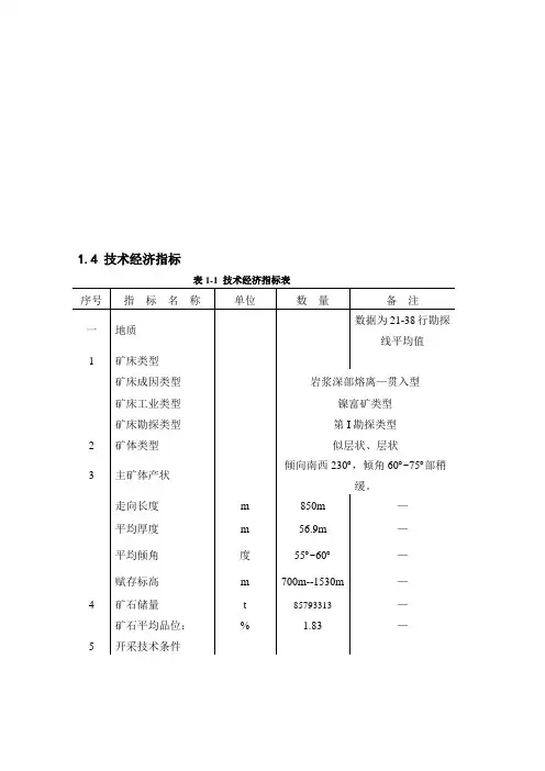
1.4 技术经济指标表1-1 技术经济指标表第2章矿山地质略第三章 矿山生产能力3.1 矿山工作制度矿山年有效的工作天数按330天算,采用三八工作制,即每日三班,每班工作八小时。
3.2 矿山生产能力验证矿山生产能力即年产量,一般是根据国家对矿山规定的最终产品产量要求计算年采出矿石量、矿山设计的任务即从技术可能性和经济合理性验证矿山生产能力,毕业设计则是根据指导教师下达的设计任务书验证该矿山生产能力。
3.2.1矿山开采年下降速度验证生产能力年下降速度是计算矿山生产能力的一项综合性指标,它与实际开采矿山的地质条件,回采工艺,机械化程度,技术管理水平以及操作人员的技术水平和素质有十分密切的联系,是矿山综合水平的反映。
因此年下降速度的选用与矿山的可比性十分重要。
根据矿山开采年下降速度验证生产能力计算如下。
EK K VS A a m a ργη-=1 (3-1)=9.01.18.096.097.005.372305.815⨯⨯⨯⨯⨯⨯=2747189.98 式中 A a —矿山年产量,t/a ;V —矿床开采年下降深度,15m/a ;S —矿床开采面积,72305.8m 2;γ—矿石体重,3.05t/m ;η—矿石回收率,回收率 为97%[2];ρ—矿石贫化率,取4.0%[2]; Ε—地质影响系数,取0.8[2];K m —矿体厚度修正系数,取1.1[2];K α—矿体倾角修正系数,取0.9[2]。
可知,满足280万t/a 的生产能力。
3.2.2经济上合理的服务年限验证生产能力根据经济上合理的服务年限验证生产能力计算如下。
)1(ρη-=j a T Q A (3-2)=96.03397.085793313⨯⨯=2708968.54 t式中 Q —矿床可采工业储量85793313t ;η—矿石总回收率,为97%;ρ—矿石贫化率,4.0%;Tj —经济合理的服务年限(一般是下限),计算如下。
Tj=Tzh+0.5(Tc+ T M ) (3-3)=30+0.5(3+3)=33 a式中 T c —矿山从投产到产到达产年限,3a ;T zh —矿山按设计能力正常生产时间,取30a (要求T zh ≮23T j );T M —矿山结尾时间,3a 。
广西华润红水河水泥有限公司矿山五年中期开采规划根据《安全生产法》和《水泥原料矿山管理规程》制定本规划,旨在阐明在五年期间矿山生产中的目标、任务、重点和安全生产管理。
重点明确矿山人员的责任和义务,确保安全、科学合理地进行矿山开采。
一、上五年期间矿山开采完成情况在上五年期间,公司、部门高度重视矿山的生产工作,将矿山安全、科学合理地开采作为重点,采取了一系列措施,提高矿山生产能力,保证矿山正常有序地开采。
上五年矿山生产情况如表1,石灰石矿山主要指标完成如表2.表1 上五年期间矿山生产情况表2 上五年期间石灰石矿山主要指标完成情况二、矿山目前开采现状目前公司石灰石原料来源为龙岭石灰石矿、凤凰山石灰石矿,砂岩来源为林村粉砂岩矿。
龙岭矿目前生产的台段为130台段和115台段,凤凰矿目前生产的台段为220台段和205台段,砂岩矿目前生产的台段为75台段。
各矿山资源储量情况如表3(截止2011年底)。
目前开采的台段及储量情况如表4(统计截止2012年6月底)。
表3 各矿山台段储量情况表4 各矿山目前生产台段及储量情况三、矿山五年中期开采规划1、基本原则(1)坚持“安全第一,预防为主,综合治理”的方针,把安全放在第一位,降低安全事故的发生,保护员工的生命和财产安全。
(2)建立健全安全生产责任制、岗位责任制等矿山制度。
明确矿山员工的责任和义务,提高员工的安全生产意识。
(3)加强矿山管理,提高开采技术和管理水平。
提高生产效率,降低矿山开采成本。
(4)严格遵守“贫富兼采、采剥并举、剥离先行”的采矿工作原则,有计划、科学合理地开采,确保矿山地安全有序开采,实现矿山可持续发展。
2、规划目标到2017年,降低炸药单耗、辅材消耗,控制矿山开采成本,淘汰落后生产设备及生产工艺。
确保矿山安全生产。
矿山五年中期规划主要指标如表5表5 矿山五年中期规划主要指标3、重点任务围绕实现矿山五年规划确定的以降低矿山开采成本控制目标,把降低炸药单耗、电消耗和辅材消耗作为重点,把实现矿山安全生产作为首要任务,科学、合理地进行开采,确保矿山的可持续发展。
4.6 矿井通风与防尘4.6.2风量及负压计算1、矿井需风量计算(1)按井下同时工作的最多人数计算4m3/min×最多下井人数(2)按排尘风速计算A、回采工作面需风量(Q h)计算Q h=V×B×H回采需风量=巷道排尘风速×巷道平均宽度×巷道平均高度式中:V ——巷道型采场的排尘风速,m/s;B——巷道型采场的平均宽度,m;H——巷道型采场的平均高度,m;B、掘进工作面需风量(Q j)计算Q h=V×SQ h=掘进排尘风速×掘进断面面积式中:V ——掘进工作面的排尘风速,m/s;S——掘进工作面的断面面积,m2;(3) 按柴油设备运行功率计算风量井下无柴油设备。
(5)风量计算结果采区总需风量及风量分配见下表。
表4-3采区总需风量及风量分配表矿井总压差是指空气流从进风口经过矿井所属的井巷工程到出风口所发生的能量损失,在数值上等于摩擦阻力与局部阻力之和。
其中摩擦阻力的计算公式如下:h′=αPLQ2/S3=RQ2h′=摩擦阻力系数×断面周长×计算长度×风量×断面面积式中,α—摩擦阻力系数,kg·S2/m4;P—井巷工程的断面周长,m;L—井巷工程的计算长度,m;Q—通过井巷工程的风量,(m3/s)S—井巷工程的断面面积,m3;局部阻力计算公式为:局部阻力= h′×20%局部阻力= 摩擦阻力×20%4-4 通风最困难时期矿井负压计算表基本参数:Q max=8.2m3/s(最大需风量),H=210.21Pa(负压合计)选择K40-9型矿用节能通风机。
通风机参数:风量: 6.2--13.5m3/s;风压: 136--227Pa;功率: 11kw;主扇通过反转实现矿井反风。
4.7矿山运输与提升4.7.1井下运输设备设计井下年运量为:矿石3.0万t/a、废石0.3万t/a,最大运距220m,平均运距140m。
《矿床地下开采》课程设计说明书设计题目专业名称学号学生姓名指导教师《矿床地下开采》课程设计任务书题目1、初始条件某石棉矿某矿脉长60米,高50米,矿脉为含中长纤维石棉蛇纹岩,矿脉与围岩接触面明显,矿石中等稳固f=6~8,矿脉厚度m=18~28米,倾角α=82°(见附页),地质品位2﹪,矿块矿量为137200吨,净棉2744吨,矿石的松散系数k=1.4~1.5。
围岩均为黑色致密蛇纹石。
上盘围岩f=6~8,下盘围岩f=9~13。
阶段运输平巷已经形成,断面2×2.2㎡。
年设计生产能力3万吨,矿石容重2.7t/m32、课程设计的内容和要求(1)课程设计的目的本课程设置的目的是训练学生在资料检索、数据计算、工程制图和科技写作等方面的技能;培养学生的技术实施、工程设计和研究开发能力;使学生面对模拟或实际的矿山工程设计课题,能够综合运用所学的专业理论知识,提出可行与合理的技术设想和实施方案。
(2)课程设计的要求课程设计要求学生了解矿物资源开发工程设计的特点,熟悉相关的设计规范和设计程序,掌握地下开采采矿方法的设计方法与步骤。
设计者在条件许可时应使用CAD软件进行工程计算和工程绘图。
3、主要参考文献4、课程设计工作进度计划1天设计基础资料准备及熟悉矿床开采技术条件,采矿方法选择;2天绘制采矿方法大图;2天采准、切割、回采计算、采矿方法主要技术经济指标、编写设计说明书。
指导教师(签字)日期2014年5月12日教研室意见:年月日学生(签字):接受任务时间:年月日《矿床地下开采》课程设计成绩评定表评语:设计说明书(70分)设计图纸(30分)总分评阅教目录1采择矿方法选 (1)1.1 设计矿体的开采技术条件 (1)1.1.1矿体倾角 (1)1.1.2矿体厚度 (1)1.1.3矿体走向长度及沿倾斜长度 (1)1.1.4矿石品位及围岩含矿品位情况 (1)1.1.5矿石及上、下盘围岩种类,节理裂隙发育情况,地质构造,矿岩稳固程度及其矿岩接触情况 (1)1.1.6矿体的物理机械性能 (1)1.1.7矿岩允许不支护暴露面积 (1)1.1.8地表陷落的可能性 (1)1.2 采矿方法的选择 (1)1.3 矿块构成要素 (2)1.3.1对选定的采矿方法,确定矿块的构成要素及矿块布置方式 (2)1.3.2确定回采工作面形式及允许暴露面积 (3)2矿块采准切割工作 (3)2.1 阶段运输巷道布置 (3)2.1.1选择运输设备 (3)2.1.2确定阶段运输巷道断面尺寸 (3)2.1.3确定阶段运输巷道布置形式 (4)2.2 矿块底部结构 (4)2.3 切割工作 (4)2.4 采准巷道及切割巷道断面尺寸 (4)2.4.1选择采准巷道、切割巷道施工设备 (4)2.4.2确定采准、切割巷道断面尺寸 (4)2.4.3确定采准巷道及切割巷道数量及位置 (4)2.5. 采准工程量 (4)2.5.1采准工程量计算 (4)2.5.2采准工作量计算 (5)3 回采工作 (6)3.1 矿房落矿工作 (6)3.1.1选择凿岩设备及工具 (6)3.1.2确定落矿参数 (6)3.1.3按类似矿山条件,确定单位炸药消耗 (6)3.1.4确定炮孔布置形式,并绘制炮孔布置草图 (6)3.1.5简述装药及起爆方法 (7)3.1.6计算一个循环落矿量(T) (7)Q) (7)3.1.7计算一个循环落矿消耗的炸药量(1q) (7)3.1.8计算单位炸药消耗量(1T) (7)3.1.9计算每米炮孔崩矿量(m3.1.10简述二次破碎方法 (7)3.2 采场选择 (8)3.3 采场地压管理 (8)3.4 采场通风 (8)3.5回采工作组织及编制回采循环图表 (8)3.5.1简述回采工作组织 (8)3.5.2计算回采凿岩、装药爆破、爆破后通风及出矿的时间 (8)3.5.3编制回采循环图表 (9)3.6 编制采准、切割进度计划图表 (9)4 矿柱回采及空区处理 (10)5 附图 (10)图一炮孔布置图 (11)图二切割平巷和切割天井联合拉槽法 (11)6 参考文献 (11)7 结束语 (12)课程设计说明书1采择矿方法选1.1 设计矿体的开采技术条件1.1.1矿体倾角倾角α=82°。
倾斜厚矿体铁矿床地下开采开拓方法选择课程设计说明书组别:第二十组班级:采矿1301 学号: 20121720 20121713 20121724姓名:温鹏牛奔肖尊志2016年 5 月 6 日目录第1章设计基础资料1.1 基本条件铁矿矿体埋深400m,矿体总体走向128°,倾向38°,水平倾角45°,水平真厚度平均30m,属于倾斜厚矿体,地表到下-200m,岩层属于第四纪土,-200~-400m岩层属于含水中等稳固岩,-400~-500m岩层属于稳固片岩。
矿石及上、下盘围岩稳固。
1.2 设计基础图纸基于平面图-生成勘探线剖面图和纵剖面图以及一张中间位置的平面图A3图框中,打印出来。
1.3 开采技术条件一般来说,必须有工业价值的矿床,然后才能考虑开采问题。
因为我国富铁矿石不多,品位越高,质量越好,我国的工业品位定在大于45%,含磷越低,铁矿石的冶炼和分选的成本越低,是冶炼厂青睐的,价格越较高。
1)开采设备分两种:1.露天开采:成本低,利润高,主要是利用挖崛机,装载机,汽车,风钻机,炸药等。
2.地下开采:成本较高,还需要坑道支架和通风设备,铺设矿山轨道,利用专门设备小火车运到地表。
如果是向冶炼厂提供矿石,联系到火车车皮就可以,如果是提供半成品,还需要一套设备,最小型的也要100多万元,把矿石磨细,进行初步分选(需要大量的水,要求含铁量在90%以上),然后提供给冶炼厂。
至于对于资源的合理利用的问题,矿山的开采单位一般很难做到,开采时会给环境造成污染和破坏,而矿渣基本上没有什么用处,如果是冶炼厂,会把矿石中的其他元素分离出来,用做其他用途。
2)开采技术条件:矿体围岩属于稳定中等含水片岩,裂隙不发育,岩石比较完整且稳固,力学强度较高,周围地压情况简单,没有地压集中,岩石稳定性较好。
该矿体赋存条件简单,结构稳定,工程地质条件为简单性类型,矿脉及上下盘岩石基本处于稳定状态,对矿体开采有良好的保护作用。
本科生课程设计说明书目录第一章矿井概况 (3)一、矿井地形、地貌、地物及其对开采的影响 (3)二、矿井开拓方式及主要井巷的布置形式 (8)三、矿井通风方法、主扇工作方式及通风系统情况 (12)四、矿井提升运输系统及主要设备配备情况 (13)五、矿井工作制度 (13)第二章开采技术件 (14)一、块边界、位置及与相邻矿块的关系 (14)二、矿体地质条件 (15)三、技术经济条件 (17)四、矿块储量计算 (17)第三章采矿方法的选择 (17)一、采矿方法的技术分析.................................. .. (17)二、采矿方法的经济分析 (18)第四章采矿方法方案设计 (20)一、矿块结构及参数 (20)二、采准工作 (21)三、切割工作 (21)四、回采工作 (21)第五章安全 (25)一、安全规程 (25)1、安全技术措施 (26)2、安全操作规程 (27)4、矿山安全避险规定 (31)参考文献 (32)第一章矿井概况一、矿井地形、地貌、地物及其对开采的影响。
1.1矿区位置及交通情况炭窑口矿区位于狼山南破,属内蒙古自治区巴彦卓尔盟潮格旗管辖,但矿区距杭锦后旗府陕坝镇北西29Km,而陕坝镇位于包兰铁路之临河车站北西32Km,均有公路可通汽车,交通方便。
矿区地理坐标:东经106o47’,北纬40o58’。
1.2区域地质概况本区大地构造单元属内蒙台背斜,西北略跨内蒙海西褶皱带。
内蒙台背斜在狼山中段,为一巨型扇形复背斜,炭窑口多金属矿区位于狼山扇形复背斜的南。
1.2.1.地层(一)、太古代(Ar)太古代五台系分布于西狼山——包格太庙——玻璃店一带,组成狼山于岭。
主要由黑云母斜长片麻岩,角闪斜长片麻岩及混合岩组成;伟晶岩脉。
角闪岩脉强烈注入,并剧烈褶皱,物质成分变化很大,难以辨认和恢复原岩面貌,为一套极为复杂的深变质岩系。
在伟晶岩中产铌、钼等矿。
(二)、元古代(Pt)元古代狼山群分布于狼山南北两侧,组成狼山扇形复背斜两翼,北翼较南翼出露广,根据较清楚的产状、层序及岩相特征,划分为五个组,南翼缺第五组、北翼缺第一组。
4.6 矿井通风与防尘4.6.2风量及负压计算1、矿井需风量计算(1)按井下同时工作的最多人数计算4m3/min×最多下井人数(2)按排尘风速计算A、回采工作面需风量(Q h)计算Q h=V×B×H回采需风量=巷道排尘风速×巷道平均宽度×巷道平均高度式中:V ——巷道型采场的排尘风速,m/s;B——巷道型采场的平均宽度,m;H——巷道型采场的平均高度,m;B、掘进工作面需风量(Q j)计算Q h=V×SQ h=掘进排尘风速×掘进断面面积式中:V ——掘进工作面的排尘风速,m/s;S——掘进工作面的断面面积,m2;(3) 按柴油设备运行功率计算风量井下无柴油设备。
(5)风量计算结果采区总需风量及风量分配见下表。
表4-3采区总需风量及风量分配表矿井总压差是指空气流从进风口经过矿井所属的井巷工程到出风口所发生的能量损失,在数值上等于摩擦阻力与局部阻力之和。
其中摩擦阻力的计算公式如下:h′=αPLQ2/S3=RQ2h′=摩擦阻力系数×断面周长×计算长度×风量×断面面积式中,α—摩擦阻力系数,kg·S2/m4;P—井巷工程的断面周长,m;L—井巷工程的计算长度,m;Q—通过井巷工程的风量,(m3/s)S—井巷工程的断面面积,m3;局部阻力计算公式为:局部阻力= h′×20%局部阻力= 摩擦阻力×20%4-4 通风最困难时期矿井负压计算表基本参数:Q max=8.2m3/s(最大需风量),H=210.21Pa(负压合计)选择K40-9型矿用节能通风机。
通风机参数:风量: 6.2--13.5m3/s;风压: 136--227Pa;功率: 11kw;主扇通过反转实现矿井反风。
4.7矿山运输与提升4.7.1井下运输设备设计井下年运量为:矿石3.0万t/a、废石0.3万t/a,最大运距220m,平均运距140m。
1.4 技术经济指标表1-1 技术经济指标表似层状、层状倾向南西230,倾角60~75部稍缓。
55~60第2章矿山地质略第三章 矿山生产能力3.1 矿山工作制度矿山年有效的工作天数按330天算,采用三八工作制,即每日三班,每班工作八小时。
3.2 矿山生产能力验证矿山生产能力即年产量,一般是根据国家对矿山规定的最终产品产量要求计算年采出矿石量、矿山设计的任务即从技术可能性和经济合理性验证矿山生产能力,毕业设计则是根据指导教师下达的设计任务书验证该矿山生产能力。
3.2.1矿山开采年下降速度验证生产能力年下降速度是计算矿山生产能力的一项综合性指标,它与实际开采矿山的地质条件,回采工艺,机械化程度,技术管理水平以及操作人员的技术水平和素质有十分密切的联系,是矿山综合水平的反映。
因此年下降速度的选用与矿山的可比性十分重要。
根据矿山开采年下降速度验证生产能力计算如下。
EK K VS A a m a ργη-=1 (3-1)=9.01.18.096.097.005.372305.815⨯⨯⨯⨯⨯⨯=2747189.98 式中 A a —矿山年产量,t/a ;V —矿床开采年下降深度,15m/a ; S —矿床开采面积,72305.8m 2;γ—矿石体重,3.05t/m ;η—矿石回收率,回收率 为97%[2]; ρ—矿石贫化率,取4.0%[2]; Ε—地质影响系数,取0.8[2];K m —矿体厚度修正系数,取1.1[2]; K α—矿体倾角修正系数,取0.9[2]。
可知,满足280万t/a 的生产能力。
3.2.2经济上合理的服务年限验证生产能力根据经济上合理的服务年限验证生产能力计算如下。
)1(ρη-=j a T Q A (3-2)=96.03397.085793313⨯⨯=2708968.54 t 式中 Q —矿床可采工业储量85793313t ; η—矿石总回收率,为97%; ρ—矿石贫化率,4.0%;Tj —经济合理的服务年限(一般是下限),计算如下。
Tj=Tzh+0.5(Tc+ T M ) (3-3)=30+0.5(3+3)=33 a 式中 T c —矿山从投产到产到达产年限,3a ;T zh —矿山按设计能力正常生产时间,取30a (要求T zh ≮23T j ); T M —矿山结尾时间,3a 。
通过验证,可满足280万t/a 的生产能力。
第4章矿床开拓4.1 开采范围确定本次毕业设计根据设计任务,矿体比较连续,采用一个井田开采比较适宜。
设计开采赋存标高为940m以上的矿体。
采用下行式开采顺序,即由上往下的顺序开采。
4.2 错动界限与保安矿柱圈定4.2.1 错动界限的圈定矿石采出以后,原岩应力平衡遭到破坏,使围岩发生变形、位移开裂、冒落,甚至产生大面积移动。
随着采空区不断扩大,岩移范围也相应增大。
当岩移范围扩大到地表时,地表将产生变形和移动,形成下沉盆地和塌陷坑。
为了使地面建(构)筑物及主要开拓巷道不受地下开采所引起的地表移动的影响,必须圈定地表移动带,其界限应标在总平面图、开拓系统平面图、剖面图及各中段平面图上。
为了圈出错动界限(移动带),需要知道金川二矿区矿体上、下盘岩石的移动角。
类比金川龙首矿区,其上盘为含辉石橄榄岩,二辉橄榄岩,上盘较下盘稳定,移动角为55°,下盘为二辉橄榄绿泥石,片岩,白云质大理岩黑云母片麻岩,节理发育有破碎带穿插,不稳定,下盘移动角为50°,走向端部60°。
移动带界限见地形地质平面图。
4.2.2 保安矿柱的圈定由于某些具体条件的限制,井筒和建(构)筑物不能布置在移动带以外,而需要布置在移动带以内时,必须留保安矿柱加以保护,设计中如遇此情况。
应进行保安矿柱的圈定。
金川镍矿品味高,价值大,并对国家的建设和发展有重要战略意义。
为了提高采出率,减少损失,应采用损失少的开拓方式和开拓工程的位置,本设计主要开拓工程布置在移动带以外,故不需圈定保安矿柱。
4.3 矿床开拓为了开采地下矿床,从地表向地下掘进一系列井巷到矿体,便于人员的出入和采矿设备、器材等运送至采区工作面,同时把采出的矿石运往地表,使地表与矿体之间形成一条完整的运输、提升、通风、排水、动力供应等生产服务井巷,这些井巷工程的建设称为矿床开拓。
为开拓矿床而掘进的井巷称为开拓井巷,其在平面和空间的布置系统构成了开拓系统。
开拓系统按其在矿床开采中所起的作用,可分为主要开拓巷道和辅助开拓巷道。
4.3.1 开拓方式选择依据矿床地质赋存特点、地表地形条件、井巷布置的位置和井巷形式的不同,开拓方法可按两种方法分类:(1)按井筒与矿床的相对位置可划分为:下盘开拓,上盘开拓及侧翼开拓。
(2)按井巷形式的不同可划分为:平硐开拓、斜井开拓、竖井开拓、斜坡道开拓及联合开拓。
各种开拓方式及优缺点如下表所示。
表4-1 矿床开拓方式主要优缺点4.3.2 开拓方案选择(1)方案初选影响开拓方案井巷类型选择的主要因素如下:(1)地表地形是确定井巷开拓的重要条件。
矿床赋存在山岳地带,且埋藏在地表以上时,宜用平硐开拓。
金川地区地表起伏不大,矿体均赋存于矿区地表300m以下,因此首先排除平硐开拓以及平硐-井筒联合开拓方案。
(2)一般情况下,矿床倾角为15~75度时可采用斜井或竖井开拓;倾角在20~50度时矿床大多采用斜井开拓;倾角在15度以下时,而倾斜较长时可采用胶带输送机、矿车组斜井或斜坡道开拓。
倾角0~15度或75~90度时,采用竖井或侧翼胶带输送机斜井开拓。
金川二矿区21—38勘探线之间矿体倾角为50~75度。
可以考虑采用竖井、斜井、侧翼胶带输送机斜井。
(3)矿体倾角、厚度、埋藏深度等决定矿山开采深度和岩石移动范围,进而影响地表建筑物的布置范围及主要开拓巷道的位置;矿区构造应力场方向大小,直接影响主要开拓井巷的布置和阶段划分。
(4)综合考虑矿床规模、矿床开采深度、矿床生产能力、岩体的物理力学性质和矿山地表工作场地总平面布置等因素,统筹考虑力求合理布局。
考虑到胶带输送机斜井在以下方面的优点:(1)在同样生产能力下,胶带输送机斜井断面较竖井断面小;斜井掘进及支护较竖井简单,掘进设备少,掘进效率高,石门短,投资省,成本低。
(2)地表无高层井塔等构筑物,基建工程简单。
(3)胶带输送机斜井可以同时提升矿石、废石及人员,具有连续运输的特点,大大促进了企业向自动化连续运输方面发展。
(4)在工程地质相同的情况下,斜井口的选择比竖井更具灵活性,更适应地表总平面布置及外部运输需要。
(5)胶带输送机斜井延深比竖井简单容易,施工安全,速度快、成本低。
若选用侧翼胶带输送机斜井,由于开采深度最大为800米以上,斜井过长,为综合斜井和竖井的优点,应将竖井-斜井联合开拓应当纳入候选方案。
由于矿体赋存深度较大,倾角为50~75°,绝大多数矿体属于急倾斜矿体。
竖井开拓是地下矿山开采使用最广泛的,其使用条件是矿体赋存于地表以下,矿体倾角>45°,或倾角<15°而埋藏较深的矿体,该开拓方法生产能力较大,刚好适应特大型矿山的生产要求,能够满足年产量280万吨/年的要求,因此竖井开拓可以纳入比较方案。
考虑到本次设计中矿区内矿岩赋存状态及矿岩的岩性,主要矿体为一号、二号矿体,被一断层分割,造成了矿体在空间分布位置的错动,可考虑采取明竖井加盲竖井,也能够满足矿山的生产能力和安全要求。
大型采矿设备的使用为地下采矿开辟了新道路,近几十年来,以铲运机为代表的地下无轨采矿设备广泛使用。
铲运机集铲装、运输、卸载三功能于一体,不需要中转环节,因而工作简单、效率高、产量大。
因此斜坡道开拓对于行走无轨设备有很大帮助,而该矿体又为特大型矿体,斜坡道-竖井联合开拓可发挥两种考托方式的优点,应纳入方案比较。
综上,入选方案初比的三种方案为:(1)斜坡道-竖井联合开拓;(2)竖井-斜井联合开拓;(3)明竖井-盲竖井联合开拓。
三种纳入方案初比的开拓方式的草图、位置和断面尺寸如下:(1)竖井-斜坡道联合开拓竖井—斜坡道联合开拓方式,竖井和斜坡道均布置在下盘移动带20米以外,其中竖井为副井,为使得地表工业场地和井底车场布置相对集中,将竖井口与斜坡道井口平行于矿体走向布置,布置在矿体中部,29-30行勘探线之间。
类比国内外斜坡道开拓的矿山,结合装备业发展对矿山设备性能的提升。
取斜坡道坡度为18度,对比金川二矿区、丰山铜矿等矿山[2],取斜坡道断面4.5×4,副井 5.6.图4.1竖井—斜坡道联合开拓2)竖井-斜井联合开拓竖井-斜井联合开拓方式,斜井和下部盲竖井均布置在下盘移动线20m以外,副井为竖井,盲斜井布置在940阶段至1240阶段,担负提升该部分矿体的矿石提升任务;斜井布置在1240至地表,担负该部分矿石运输及下部矿石的运输任务。
类比国图4.2竖井—斜井联合开拓内外矿山[2]并综合技术发展对矿山机械性能的推动,取主斜井角度为20度,断面为6×4.2;盲主井Φ5.0,盲副井Φ5.6 。
3)明竖井-盲竖井联合开拓明竖井-盲竖井联合开拓,明竖井和盲竖井均布置在移动线20m之外,明竖井布置在1180至地表,担负整个矿山提升任务;盲竖井布置在940至1180阶段,担负该部分的矿石提升。
类比国内外同等生产能力和相似赋存条件矿山[2],明竖井断面Φ5.8,盲竖井断面Φ5.8;副井断面5.6 。
图 4.3 明竖井—盲竖井联合开拓2)方案初比为了确定最合理的开拓方式需全面分析论证此三种方案的技术特点,分别从井巷工程量大小,施工条件(水文、工程地质条件等),所需主要设备型号、规格、数量、设备、材料的供应情况,主要工程竣工时间及其对矿山投产的影响,对矿井劳动生产率的影响,分期建设时各期开拓的关系和影响,对这三种开拓方案的优缺点分析。
由于各个方案副井位置,断面大小,长度几乎没有差别,故可视为相同而不参与比较。
1)各方案技术特点斜坡道-竖井联合开拓:金川矿区是一个老矿区在国民经济发展占有一定的地位。
发展几十年来形成了成套的工业体系,其装备制造业在甘肃省也比较先进,加之引进了成套的进口采矿自行设备,机械化水平较高,装备业能满足矿山对自动机械的需求。
这就为斜坡道开拓创造了条件,如上阐述,斜坡道开拓有许多优点,如灵活方便,适应性强,减少运输环节,井口布置简化等。
而在开采埋藏较深的矿床,由于辅助运输、通风任务加重,需结合竖井辅助运输。
竖井-斜井联合开拓:胶带输送机斜井开拓具有很多优点,近年来胶带输送机在国内外发展较快,研究表明:在运距5km范围内,运量在1000万t内,胶带输送机运输比铁路或汽车运输都经济。
高强度胶带输送机的的研制成功使其广泛应用于地下矿山,它具有生产能力大、自动化、生产工艺系统简单的优点,由于该矿体倾角较大,埋藏较深,深部矿体需要盲竖井开拓以克服转载次数多,巷道过长的困难。