建设工地民工学校相关资料表格汇编
- 格式:doc
- 大小:222.50 KB
- 文档页数:14
广厦民工学校教学台帐公司名称:学校名称:成立时间:校长:教务负责人:广厦建设集团有限责任公司年月日GSMGXX台帐目录一、民工学校基本情况二、民工学校章程三、民工学校管理制度四、优秀学员评选制度五、优秀分校、优秀分校管理员评选制度六、民工学校学员守则七、民工学校管理网络图八、民工学校组织机构图九、民工学校师资力量配备表十、民工学校学员名单十一、民工学校考标申报表十二、民工学校课程计划表十三、民工学校课程记录及签到表十四、民工学校特色活动记录十五、民工学校教学资料目录十六、民工学校简报、图片、照片、影音资料十七、建设工地民工学校验收及考核自评表十八、民工学校优秀分校、管理员、学员评选推荐表GSMGXX民工学校基本情况GSMGXX广厦民工学校章程一、教学目的通过对企业文化与时事形势教育、法律法规与维权教育、社会公德与职业道德教育、操作规程与业务技能教育、技术与管理交底、质量与安全等方面的培训教育,逐步提高民工的基本素质,使广大的民工能以崭新的面貌投入工作,提高管理和作业效果,确保项目安全生产和文明施工,为构建和谐企业作出贡献。
二、教学对象公司所属各项目部的民工(包括项目部管理人员)。
三、教学内容企业文化教育、法律法规与维权教育、社会公德与文明礼仪教育、健康与卫生教育、操作规程与业务技能教育、技术与管理交底、质量与安全教育等。
四、教学计划各分校按照总校、主管部门的要求并结合施工进度制定教学计划,每月教学活动不少于8学时,可采取教师授课、观看录象、现场观摩等多种教学方式。
五、授教人员项目部管理人员、公司处室人员及有关专家、主管部门、业主、监理、社区、派出所民警、培训中心的教师等。
六、考核每次教学活动学院必须均须签到,总校结合日常检查情况进行综合考评,具体考核办法及奖罚措施由公司总校统一制定,各分校负责实施。
广厦民工学校GSMGXX广厦民工学校管理制度为加强民工学校综合管理,规范各分校运作,特制定本制度.一、各民工学校分校必须建立健全领导班子,由项目经理或项目负责人任校长,项目总工程师或技术负责人任副校长,各分校校长、副校长经公司总校批准后任职。
**区创建建筑工地农民工业余学校情况表年月日工程概况单位名称(公章)名称合同备案编号面积(M2)造价(万元)学校成立时间地点区开、竣工时间学校校长签字联系人联系电话备案编号收件人收件时间已收到如下资料:1、《建筑工地农民工业余学校基本情况》□2、《建筑工地农民工业余学校组织机构及校长任命书》□3、《建筑工地农民工业余学校管理制度》□4、《建筑工地农民工业余学校学员守则》□5、《建筑工地农民工业余学校暨课堂管理办法》□6、《建筑工地农民工业余学校教学计划暨月课时安排》□7、《建筑工地农民工业余学校开展活动记录》□8、《建筑工地农民工业余学校的影像资料》(照片录像及电子文档)□学校概况1、教室面积:(≥60)平方米,课桌、椅是否齐全?□2、电视机、DVD、黑板等教学设备是否齐全?□3、老师队伍是否建立?□4、各项规章制度、管理办法是否上墙张贴?□5、《学习园地》是否建立?□备注1、此表一式三份,报送**区建设工程安全生产监督站(建工局大楼2306房间)申请备案,联系电话;2、报送上述资料时,应同时报送能反映教学场所实际情况(标牌悬挂、教学设施及墙上内容)的不少于4张影像资料的纸质材料及电子档。
**区建筑工地农民工业余学校管理台帐公司名称:项目名称:项目经理:学校名称:成立时间:校长:教务负责人:201 年月日农民工业余学校管理台帐说明1、工程项目建筑面积5000 m2以上或工程造价500万元以上的建筑工地都应建立农民工业余学校。
2、要结合工程进度和工人工作、生活实际情况合理、有效地安排课程,每周应保证2课时,每个工人每月保证接受4次培训学习。
3、新工人到工地的第二天必须参加农民工业余学校的学习,特别是要学习安全防护知识。
4、农民工业余学校的教育培训内容重点是:1)安全知识2)劳动保护3)就业须知4)法律法规5)权益保障6)文明礼仪7)社会公德8)职业道德9)卫生防疫10)操作技能5、教室悬挂“**市**区建筑工人业余学校××公司××项目分校”铭牌,四周墙上要张贴教学管理制度、学院守则、教学计划和内容,布置“学习园地”以及安全技术、职业道德、文明礼仪、卫生常识等有关学习内容的宣传挂板,营造良好的学习氛围。
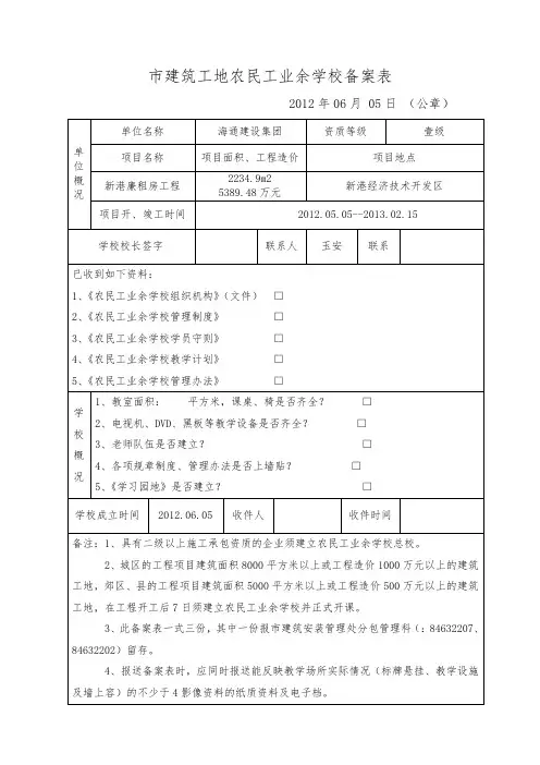
市建筑工地农民工业余学校备案表2012年06月 05日(公章)市建筑工地农民工业余学校教学台帐公司名称:海通建设集团学校名称:新港廉住房项目部民工业余学校成立时间: 2012年06月05日校长:孔爱东教务负责人:玉安2012年06月05日台帐目录一、农民工业余学校基本情况二、农民工业余学校章程三、农民工业余学校管理制度四、农民工业余学校学员守则五、农民工业余学校组织机构图六、农民工业余学校师资力量配备表七、农民工业余学校学员八、农民工业余学校达标自评表九、农民工业余学校学员守则民工学校教学计划十、农民工业余学校月课时安排计划表十一、农民工业余学校开展活动记录十二、简报、照片、影音资料十三、农民工业余学校教材一、教学目的:通过对民工上岗培训、法制教育、安全教育、生产技能的培训,行业管理规定的通报,社会公德职业道德的教育,时事政治、形势任务教育,班级活动讲评等几方面的教育,全面逐步地提高民工的基本素质,改变建筑工地脏、乱、差的面貌,使广大的民工兄弟能以崭新的形象迎接市场的挑战,确保建设工地安全生产、文明施工,为构建和城建作出应有的贡献。
二、教学对象公司所属各在建项目部孤民工。
三、教学容:必修课主要是:民工维权、文明礼仪、道德法制、工程质量、安全生产和文明施工上岗培训、技术交底等容;自选课主要是因工地而宜,即随着形势发展新变化,工程进展新要求,民工队伍新问题及企业自身需要等设置相应课程,进行班组和教学活动讲评。
四、教学计划:1、总校编制年度教学计划,各民工学校其结合自身要求和各自特点详化、细化并形成教学安排。
2、民工学校每周原则上2个课时,安排教师面授每月不少于二次,每课时不少于1小时,平均每月不少于8课时。
3、各民工学校应根据教学计划进行教学活动,并根据要求建立和完善好学习台帐,以便总校和行业管理部门查验。
农民工学校管理制度一、公司成立农民工学校活动领导小组,设组长、副组长,负责民工学校的日常组织和管理活动。
临湘市建筑工地农民工学校管理基础资料临湘市建设局二0一0年九月目录一、农民工学校基本情况二、农民工学校设置标准三、湖南省建筑地农民工学校设立、注销备案表四、农民工学校创建工作指南五、农民工学校管理制度六、农民工学校学员守则七、农民工学校组织机构图八、农民工学校授课老师花名册九、农民工学校老师聘书十、农民工学校月课时教学目程表十一、农民工学校培训实施性教还计划十二、农民工学校学员花名册十三、农民工学校开展活动记录十四、农民工学校教学点——教学日志十五、农民工学校培训上课签到表十六、农民工学校意见反馈调查表十七、农民工学校考核评估细则十八、临湘市建筑业企业农民工引导性培训计划与培训大纲十九、(初级工)工艺学知识与操作技能训练及课时分配农民工学校基本情况企业名称农民工学校名称工程名称合同造价建筑面积结构/层次工程地址开工日期竣工日期项目经理手机现场负责人手机分包单位校长手机副校长手机教务负责人手机农民工学校面积建立日期工程基本情况农民工人数临湘市农民工学校设置标准序号标准条目设置标准1校牌规格60×40㎝;统一镌刻为:企业名(标准简称)+××项目+农民工学校;挂教学场地入口处教学场地及设备、设施场地使用面积不少于40㎡且安全可靠2设备及设施课桌椅:50套;黑板:1块;DVD及彩色电视机:各1台;书报架(柜):1个;相关图书:100册3管理制度建立管理制度,包括:农民工学校章程;学员守则;学员考勤制度;学员花名册;教学日志;4教学管理人员和老师队员配备了教学负责人;各教学班配备班主任;专、兼职教师不少于8人。
5教学计划与教材编制了教学实施计划(培训类别、对象、课时、主要教学内容;班级课程表、全校课程安排表);选了相应农民工学员教材。
湖南省建筑工地农民工学校设立、注销备案表企业名称:临湘市鹏翔建筑公司属地:岳阳市临湘(市)项目地址:市第二完全小学内、、、、、、、、、、、、、、、、、、、、、、、、、、、、、、、、、、、、、、、、、、、、、、、、、、、、、、、、、、、、、、、、、、、、、、、、、、、、、、、、、、、、、、、、、、、、、、、、、、、、、、、、、、、、、、、、、、、、、、、、、、、、、、、、、、、、、、、、、、、、、、、、、、、、、、、、、、、、、、、、、、、、、、、、、、、、、、、、、、、、、、、、、、、、、、、、、、、、、、、、、、、、、、、、、、、、、、、、、、、、、、、、、、、、、、、、、、、、、、、、、、、、、、、、、、、、、、、、、、、、、、、、、、、、、、、、、、、、、、、、、、、、、、、、、、、、、、、、、、、、、、、、、、、、、、、、、、、、、、、、、、、、、、、、、、、、、、、、、、、、、、、、、、、、、、、、、、、、、、、、、、、、、、、、、一、设立备案表工程项目基本情况企业名称: 项目名称合同造价万元建筑面积㎡结构/层次项目地址开工日期计划竣工日期项目经理联系电话现场负责人联系电话农民工学校基本情况学校职务姓名性别年龄职务职称联系电话校长学校负责人教学负责人场地设置地及面积(㎡)名称数量办学条件教学设施(分项填写已具备的设备设施、图书资料)管理制度已建立的管理制度在本栏内作简要说明:引导性培训(普工)人数工种人数备注职业技能培 训开办期间拟开展的主要活动其他活动序号姓名性别年龄职务职称教授课程教师队伍设立备案申报日期年月日计划开学日期年月日企业申报备案意见年月日设立、注销备案管理部门或单位意见踏勘:签发:年月日年月日二、注销备案表开学日期年月日申报注销日期年月日引导性培训(普工)人数工种人数鉴定取证人数职业技能开办期间主培训要活动其他活动企业申报注销意见年月日设立、注销管理部门或单位意见年月日项目农民工学校组织机构校长:教务主任:教员:(盖章)年月日复印件农民工学校老师聘书北苑星城住宅楼下项目农民工学校授课教师花名册序号姓名性别年龄学历专业或工种企业和项目管理职务技术职称任教课程联系电话1彭可仁男46大专工民建施工员建筑施工知识2杨兴男41大专工民建技术负责人基本权益及维护3彭建华男36大专工民建质检员生活常识与疾病防护4李正炎男47大专工民建安全员安全生产知识5李春兰男44大专工民建安全员安全生产知识6彭可仁男46大专工民建施工员公民道德修养7杨兴男41大专工民建技术负责人法律法规89农民工学校课时教学目程表年月日序号教学内容教学时间教学课时授课教师备注培训实施性教学计划培训对象北苑星城住宅楼项目部农民工计划人数30人培训目的使参加培训人员提高技能水平,获得建设岗位技级初、中级岗位职责。
民工学校系列台账目录系列台账之一民工学校基本资料1、企业总校批准成立项目部民工学校的文件(略)2、杭州市建设工地民工学校登记表(一)3、杭州市建设工地民工学校考评申报表(二)4、杭州市建设工地民工学校自评表(三)5、杭州市建设工地民工学校章程(范本)6、杭州市建设工地民工学校管理制度(范本)7、杭州市建设工地民工学校学员守则(范本)8 杭州市建设工地民工学校组织机构图(略)9、杭州市建设工地民工学校师资力量配备表(四)10 杭州市建设工地民工学校学员名单(五)11、杭州市建设工地民工学校优秀学员评比制度(范本)12 杭州市建设工地民工学校年度、月课时计划表13杭州市建设工地与社区(村镇)结对共建活动协议书\ 系列台账之二日常教学、活动记录1、杭州市建设工地民工学校教学(活动)记录2 结对共建活动记录系列台账之三影象、教材及宣传资料1、杭州市建设工地民工学校投稿、获得荣誉及宣传报道目录2、杭州市建设工地民工学校教材目录3、杭州市建设工地民工学校影像资料目录腾达建设集团股份有限公司杭州市建设工地民工学校登记表(一)主办单位(盖章)注:1、本表由公司(总校)填写并盖章,一式三份,民工学校主管部门一份、总校一份、项目部一份。
2 、民工学校主办单位应当在工程开工一个月内持本表及中标通知书复印件至民工学校监管部门办理登记。
盖章后留民工学校台账内备查。
开工时未办理登记的,不予验收。
3、推荐参选示范民工学校的,同时报民工学校领导小组办公室(市建管站)4、民工学校教室全貌图另A4纸附。
腾达建设集团股份有限公司杭州市建设工地民工学校考评申报表(二)注1、本表由项目民工学校申报,一式四份,领导小组办公室、监管部门、总校、项目部、各一份。
2、房屋建筑工程主体结顶,道路、河道、地铁等市政项目完成总工程量70%的一个月内,由项目民工学校申报, 总校(盖章)后,报监管部门(同登记受理单位)考评验收。
3、验收得分60分以下为不合格,60 (含)分以上为合格,示范民工学校得分须在90(含)分以上。
民工学校台帐资料目录1、上级有关部门关于建立民工学校的文件2、民工学校管理制度3、民工学校教师守则4、民工学校学员守则5、民工学校教学大纲6、《宁波市建筑民工学校基本情况表》7、《宁波市建设工地民工学校基本情况报告表》8、民工学校课程计划表9、民工学校学员花名册10、民工学校上课签到单11、民工学校教学记录12、民工学校授课教师备课讲义13、民工学校办学工作总结上级有关部门关于建立民工学校的文件开展建立民工学校活动情况报告奉化市建设局:根据宁波市建设委员会《转发省建管局关于在全省建设工地推广建立民工学校指导意见的通知》(甬建市发[2006]464号)及奉建[2007]68号文件精神,因我公司前段时间的建设规模都没有达到办学条件,现把下阶段的办学计划安排汇报如下:为切实加强做好企业和工地民工学校的开展,我公司成立了民工学校的建设工作,由田江任总校校长,下属师资人员已进行了专门培训,并取得了有效的证书可以上岗。
民工学校的教学场地打算设在奉化市艾特森阀门有限公司车间工程项目部内,面积约60-70平方,在门口悬挂项目部民工学校,室内四周墙上要有民工学校教育管理制度、学员守则、教学计划和内容、反映学员学习情况,以营造良好学习气氛。
民工学校要制定学校章程、教学大纲、课程实施计划,教材等。
在教学内容上做到必修课全部完成,每月必修课集中上课时间不少于2小时,民工学校培训考核率60%以上。
积极开展丰富多彩的主题活动,为保证教学质量。
统一使用由市建委编写的《建筑企业农民工素质教育读本》作为教材。
通过民工学校的培训,提高施工民工的安全意识,真正做到“不伤害自己,不伤害别人,不被别人伤害”,做好自我保护安全意识。
时安全生产工作做得更好。
民工学校管理制度民工学校管理制度根据浙江省建筑业管理局《关于在全省建设工地推广建立民工学校的指导意见》(浙建管[2007]23号)文件精神,为加快公司“创建百亿平台、打造百年基业”的企业宗旨,卓有成效的办好民工总校和符合条件的项目部民工学校,特制订本管理制度。
勤诚达.新界H区一标段H1、H2、H3栋及地下室工程农民工学校档案资料施工单位:市建设工程集团日期:二〇一四年三月目录1 、农民工学校基本情况·····························2 、农民工学校学校章程······························3 、农民工学校管理制度······························4 、农民工学校组织机构图····························5 、农民工学校师资队伍······························6 、农民工学校师学员守则····························7 、农民工学校考勤制度······························8 、农民工学校学员名册······························9 、农民工学校教学日记······························10、农民工学校签到考勤······························11、农民工学校教学计划······························12、农民工学校学员教材······························13、农民工学校影像资料······························14、农民工学校教学成果······························15、农民工学校考核自评······························16、农民工学校相关文件······························17、农民工学校补充文件······························1、基本情况1、基本情况农民工学校教学设施清单农民工学校名称:勤诚达.新界分校市建设工程集团勤诚达.新界H区一标段项目部2014年4月10日农民工学校培训费用明细农民工学校名称:勤诚达.新界分校市建设工程集团勤诚达.新界H区一标段项目部2014年4月10日民工学校分校简介一、指导思想根据建设部、中央文明办、教育部、全国总工会和共青团中央联合下发的《关于在建筑工地创建农民工业余学校的通知》(建人[2007]82号)、省建设厅《关于在建筑工地创建农民工学校的通知》(湘建人教[2007]144号)文件精神要求和公司民工学校总校的号召。
民工学校有关资料The Standardization Office was revised on the afternoon of December 13, 2020民工学校资料工程名称: 华阳市阳光佳苑施工单位:中广建设集团有限公司目录1、上级有关部门关于建立民工学校的文件2、民工学校管理制度3、民工学校教师守则4、民工学校学员守则5、民工学校教学大纲6、《建筑民工学校基本情况表》7、《建设工地民工学校基本情况报告表》8、民工学校课程计划表9、民工学校学员花名册10、民工学校上课签到单11、民工学校教学记录12、民工学校授课教师备课讲义13、民工学校办学工作总结上级有关部门关于建立民工学校的文件开展建立民工学校活动情况报告华阳市建设局:根据华阳市建设委员会《转发省建管局关于在全省建设工地推广建立民工学校指导意见的通知》(甬建市发[2006]464号)及奉建[2007]68号文件精神,因我公司前段时间的建设规模都没有达到办学条件,现把下阶段的办学计划安排汇报如下:为切实加强做好企业和工地民工学校的开展,我公司成立了民工学校的建设工作,由田江任总校校长,下属师资人员已进行了专门培训,并取得了有效的证书可以上岗。
民工学校的教学场地打算设在华阳市阳光佳苑工程项目部内,面积约60-70平方,在门口悬挂项目部民工学校,室内四周墙上要有民工学校教育管理制度、学员守则、教学计划和内容、反映学员学习情况,以营造良好学习气氛。
民工学校要制定学校章程、教学大纲、课程实施计划,教材等。
在教学内容上做到必修课全部完成,每月必修课集中上课时间不少于2小时,民工学校培训考核率60%以上。
积极开展丰富多彩的主题活动,为保证教学质量。
统一使用由市建委编写的《建筑企业农民工素质教育读本》作为教材。
通过民工学校的培训,提高施工民工的安全意识,真正做到“不伤害自己,不伤害别人,不被别人伤害”,做好自我保护安全意识。
时安全生产工作做得更好。
南京市创建建筑工地农民工业余学校情况表年月日南京市建筑工地农民工业余学校管理台帐公司名称:项目名称:项目经理:学校名称:成立时间:校长:教务负责人:201 年月日农民工业余学校管理台帐说明1.设区市城区的工程项目建筑面积8000 m2以上或工程造价1000万元以上的建筑工地;县(市)城区的工程项目建筑面积5000 m2以上或工程造价500万元以上的建筑工地都应建立农民工业余学校。
2、要结合工程进度和工人工作、生活实际情况合理、有效地安排课程,每周应保证1~2课时,每个工人每月保证接受1~2次培训学习。
3.新工人到工地的第二天必须参加农民工业余学校的学习,特别是要学习安全防护知识。
4.农民工业余学校的教育培训内容重点是:1)安全知识2)劳动保护3)就业须知4)法律法规5)权益保障6)文明礼仪7)社会公德8)职业道德9)卫生防疫10)操作技能5.教室悬挂“XX建筑工地农民工业余学校”标识,四周墙上要张贴教学管理制度、学院守则、教学计划和内容,布置“学习园地”以及安全技术、职业道德、文明礼仪、卫生常识等有关学习内容的宣传挂板,营造良好的学习氛围。
6.要建立详细的教学档案,包括教学管理机构设置、制度、计划、师资、课程表、教材、试卷、管理人员和教师签名表等。
台帐目录一、农民工业余学校基本情况二、农民工业余学校章程三、农民工业余学校管理制度四、农民工业余学校学员守则五、农民工业余学校组织机构图六、农民工业余学校师资力量配备表七、农民工业余学校学员名单八、农民工业余学校达标自评表九、民工学校教学计划十、农民工业余学校月课时安排计划表十一、农民工业余学校开展活动记录十二、简报、照片、影音资料十三、农民工业余学校教材农民工业余学校基本情况农民工业余学校章程一、教学目的:通过对民工上岗培训、法制教育、安全教育、生产技能的培训,行业管理规定的通报,社会公德职业道德的教育,时事政治、形势任务教育,班级活动讲评等几方面的教育,全面逐步地提高民工的基本素质,改变建筑工地脏、乱、差的面貌,使广大的民工兄弟能以崭新的形象迎接市场的挑战,确保建设工地安全生产、文明施工,为构建和城建作出应有的贡献。
附件1
西安市建筑工地农民工业余学校教学台帐公司名称:(盖章)
项目部名称:盖章)
学校名称:
成立时间:
校长:
教务负责人:
200 年月日
教学台帐及教学档案目录
一、学校基本情况表
二、教师花名册
三、学员花名册
四、月课程安排计划表
五、教学活动记录表
六、学校章程
七、管理制度
八、学员守则
九、组织机构设置情况
十、简报、照片、音像资料
十一、教学计划、教材、教案、试卷
西安市建筑工地农民工业余学校基本情况表
农民工学校教师花名册
企业名称:农民工学校名称:
农民工学校学员花名册
企业名称:农民工学校名称:
农民工学校年月课程安排计划表
农民工学校教学活动记录表
记录人:教务负责人:。
**市建筑工地创建农民工业余学校(分校)资料汇编项目部二〇**年月日**市创建农民工业余学校材料目录建筑工地学校(分校)一、组织机构 (1)1.任命文件 (2)2.工地学校(分校)基本情况报告表 (3)3.工地学校(分校)学员考评报告表 (4)4.机构设置图(要上墙,并附照片) (5)二、规章制度 (6)1.学校章程 (7)2. 管理制度 (9)3. 校长职责 (10)4. 教务主任职责 (10)5.学员守则 (12)6.考勤制度 (13)三、教学场所 (14)1.教室面积 (15)2.办公场所面积 (15)3.悬挂标牌 (16)4.制度上墙(附照片) (16)四、仪器设备 (17)电视机、DVD、黑板、桌椅等清单 (18)五、师资队伍 (19)1.花名册 (20)2.个人简历表 (21)3.聘书 (22)六、教材资料 (23)1.教材名称目录 (24)2.专人负责 (25)七、教学计划 (26)1.年度教学规划 (27)2.每个阶段教学内容 (28)八、教学台帐 (29)1.培训记录表 (30)2.考勤表 (31)九、学员登记 (32)1.学员登记表 (33)2.培训情况统计表 (34)十、教学完成情况 (35)1.月度总结 (36)2.年度总结 (37)3.达标检查表 (38)一、组织机构任命文件关于成立项目部农民工业余学校的通知项目部:根据市建委、市文明办、市教育局、市总工会、团市委《关于在全市建筑工地创建农民工业余学校的通知》(合建[2007]62号)文件精神,经公司总校研究决定,成立项目部农民工业余学校,同志任校长,同志任副校长,同志任教务主任,同志任总务主任,希望项目部积极配合,抓好学校管理工作。
公司农民工学校二○○七年十一月日**市建筑工地农民工业余学校(分校)基本情况报告表**市建筑工地农民工业余学校学习考评报告表机构设置图二、规章制度农民工业余学校章程一、教学目的通过对农民工上岗教育培训,全面改善提高农民工的综合素质,营造农民工浓厚学习氛围,使广大的农民工能够学以致用,不断提高自身知识水平与技能,确保建设工地安全生产、文明施工、科学有序作业。
附件1:宁波市建筑业企业民工学校总校基本情况表1 / 12附件2:2 / 12宁波市建设工地民工学校基本情况报告表3 / 12附件3:宁波市建设工地民工学校学习考评报告表4 / 12浙江省建筑业管理局文件浙建管〔2006〕23号关于在全省建设工地推广建立民工学校的指导意见各市建委(建设局),宁波市城市管理局,温州市市政园林局,绍兴市建管局:近几年来,杭州市以“关爱民工、和谐创业”为主题,按照“政治上引导,生活上关心,技术上帮带,文化上提高”的宗旨,在建设工地大力推广民工学校。
借助民工学校这个平台,加强民工教育培训,提高了民工综合素质,促进了文明工地创建和工程建设,有构建和谐行业、维护社会稳定,作出了积极的贡献。
为认真进一步贯彻落实《国务院关于解决农民工问题的若干意见》(国发[2006]5号)和建设部《关于进一步改善建筑业农民5 / 12工作业、生活环境,切实保障农民工职业健康的通知》(建质[2006]58号)精神,切实提高民工队伍综合素质,提高工作质量、安全生产和文明施工水平,保障建筑业健康发展,我局在总结杭州市民工学校经验的基础上,决定在全省建设工地推广建立民工学校的先进经验,现就民工学校的推广建立工作提出以下指导意见:一、统一思想,充分认识到建立民工学校的重要性农民工是我国改革开放和工业化、城镇化进程中涌现的一支新型劳动大军。
建筑业农民工队伍约占进城务工人员总数的三分之一,占从事建筑施工人员总数的90%以上,已成为建筑业产业工人的重要组成部分,在现代化建设中发挥着积极作用。
为农民工创造良好的作业、生活环境,提高农民工队伍整体素质,对于统筹城乡发展,构建社会主义和谐社会,促进建筑业的健康发展具有十分重要意义。
这些农民工,既有朴实肯干、吃苦耐劳、顽强拼搏的优良品德,但也存在着文化水平普遍偏低、道德法治观念比较淡薄等问题。
加上多年来施工企业对民工重使用轻教育管理,致使建设工地环境脏乱查、不文明施工、违反操作规程、质量安全事故、赌博打架斗殴等现象时有发生。
南京市建筑工地农民工业余学校备案表年月日(公章)南京市建筑工地农民工业余学校教学台帐公司名称:学校名称:成立时间:校长:教务负责人:200 年月日台帐目录一、农民工业余学校基本情况二、农民工业余学校章程三、农民工业余学校管理制度四、农民工业余学校学员守则五、农民工业余学校组织机构图六、农民工业余学校师资力量配备表七、农民工业余学校学员名单八、农民工业余学校达标自评表九、农民工业余学校学员守则民工学校教学计划十、农民工业余学校月课时安排计划表十一、农民工业余学校开展活动记录十二、简报、照片、影音资料十三、农民工业余学校教材农民工业余学校基本情况农民工业余学校章程一、教学目的:通过对民工上岗培训、法制教育、安全教育、生产技能的培训,行业管理规定的通报,社会公德职业道德的教育,时事政治、形势任务教育,班级活动讲评等几方面的教育,全面逐步地提高民工的基本素质,改变建筑工地脏、乱、差的面貌,使广大的民工兄弟能以崭新的形象迎接市场的挑战,确保建设工地安全生产、文明施工,为构建和城建作出应有的贡献。
二、教学对象公司所属各在建项目部孤民工。
三、教学内容:必修课主要是:民工维权、文明礼仪、道德法制、工程质量、安全生产和文明施工上岗培训、技术交底等内容;自选课主要是因工地而宜,即随着形势发展新变化,工程进展新要求,民工队伍新问题及企业自身需要等设置相应课程,进行班组和教学活动讲评。
四、教学计划:1、总校编制年度教学计划,各民工学校其结合自身要求和各自特点详化、细化并形成教学安排。
2、民工学校每周原则上2个课时,安排教师面授每月不少于二次,每课时不少于1小时,平均每月不少于8课时。
3、各民工学校应根据教学计划进行教学活动,并根据要求建立和完善好学习台帐,以便总校和行业管理部门查验。
农民工学校管理制度一、公司成立农民工学校活动领导小组,设组长、副组长,负责民工学校的日常组织和管理活动。
二、公司成立民工学校总校,各项目部成立民工学校,明确教务工作负责人,贯彻落实教学大纲,严格执行教学计划,配合做好各课的教学工作。
宁波市建设工地民工学校基本情况报告表篇一:2民工学校基本情况表宁波同三建设集团有限公司民工学校总校基本情况表奉化市建设工地民工学校基本情况表篇二:建设工地民工学校宁波市建设工地农民工学校(总校)浙江沧海市政园林建设有限公司二〇一三年月日一、组机构织浙江沧海市政园林建设有限公司文件[XX] 号关于成立浙江沧海市政园林建设有限公司农民工学校的通知为进一步推动我公司整体施工管理,加强农民工教育培训,提高农民工综合素质,促进文明工地创建和精品工程建设,树立企业形象,根据省住建厅《关于在建设工程施工现场实行作业人员实名制管理的指导意见》(浙建建〔XX〕68 号)、市住建委《转发省建管局关于在全省建设工地推广建立民工学校的指导意见的通知》(甬建市发〔XX〕464号)及市住建委和市外来办《关于进一步加强宁波市建筑业务工人员服务管理工作的若干意见》(甬建发〔XX〕271号)等文件精神,经公司研究决定,成立浙江沧海市政园林建设有限公司农民工学校总校,任命同志为浙江沧海市政园林建设有限公司农民工学校总校校长,主持浙江省内民工学校全面的管理工作;同志为农民工学校副校长;同志为农民工学校教务主任;同志为农民工学校总务主任。
望你们积极配合,团结协作,共同抓好农民工学校的创建和管理工作。
特此通知!浙江沧海市政园林建设有限公司二0一三年月日主题词:农民工学校通知抄报:浙江沧海市政园林建设有限公司抄报:各相关单位、项目部宁波市建筑业企业农民工学校总校基本情况表宁波市建设工地民工学校基本情况报告表企业(章):浙江沧海市政园林建设有限公司年月日篇三:宁波市区建设工地民工学校检查标准宁波市区建设工地民工学校检查标准企业名称:项目名称:施工企业:检查组:年月日。
建设工地民工学校考评计划表
主办单位(公章)
注: 1、此表一式两份,填写完毕后,一份送区(县<市>)建设行政主管部门;一份送市建筑企业管理站。
2、申报时附中标通知书复印件。
企业负责人(盖章):
申报日期:年月日
1
建设工地民工学校考评申报表
注:本表一式两份,主办单位一份、市建管站一份
建设工地民工学校考评表
主办单位:学校名称:
考评部门(盖章):时间:
考评人员:
填表说明:1、民工学校考评应检查全部内容,有1-4项内容有一项内容不得分,整表即不得分,总分100分,70分以上达标;90分以上优秀;
2、每项应得分数扣完为止。
建设工地民工学校教学台帐
公司名称:(盖章)
学校名称:
成立时间:
校长:
教务负责人:
200 年月日
台帐目录
一、民工学校基本情况
二、民工学校章程
三、民工学校管理制度
四、民工学校学员守则
五、民工学校组织机构图
六、民工学校师资力量配备表
七、民工学校学员名单
八、民工学校达标自评表
九、民工学校学员守则民工学校教学计划
十、民工学校月课时安排计划表
十一、民工学校开展活动记录
十二、简报、照片、影音资料
十三、民工学校教材
民工学校基本情况
民工学校章程
一、教学目的:
通过对民工上岗培训、法制教育、安全教育、生产技能的培训,行业管理规定的通报,社会公德职业道德的教育,时事政治、形势任务教育,班组活动讲评等几方面的教育,全面逐步地提高民工的基本素质,改变建筑工地脏、乱、差的面貌,使广大的民工兄弟能以崭新的形象迎接市场的挑战,确保建设工地安全生产、文明施工,为构建和城建作出应有的贡献。
二、教学对象:
公司所属各在建项目部的民工。
三、教学内容:
必修课主要是:民工维权、文明礼仪、道德法制、工程质量、安全生产和文明施工上岗培训、技术交底等内容;自选课主要是因工地而宜,即随着形势发展新变化,工程进展新要求,民工队伍新问题及企业自身需要等设置相应课程,进行班组和教学活动讲评。
四、教学计划:
1、总校编制年度教学计划,各民工学校其结合自身要求和各自特点详化、细化并形成教学安排。
2、民工学校每周原则上2个课时,安排教师面授每月不少于二次,每课时不少于1小时,平均每月不少于8课时。
3、各民工学校应根据教学计划进行教学活动,并根据要求建立和完善好学习台帐,以便总校和行业管理部门查验。
民工学校管理制度
一、公司成立民工学校活动领导小组,设组长、副组长,负责民工学校的日常组织和管理活动。
二、公司成立民工学校总校,各项目部成立民工学校,明确教务工作负责人,贯彻落实教学大纲,严格执行教学计划,配合做好各课的教学工作。
三、实行每周教学,开课时间不得少于2小时。
四、授课人员应认真备课,钻研教材,力求通俗易懂,做好各课教学考试的命题、出题和阅卷工作,认真听取授课情况反馈并改进。
五、各班组必须按时到校上课,不得无故缺席,班组到课率不得低于85%;各学校教务负责人负责对到课情况进行考勤和统计,作为班组考核和优秀学员评比的重要依据之一。
六、教室内应配备必需的教学设施,尽量做到功能多样。
七、落实专人监督管理好民工学校校舍、桌椅等公共财产,执行损坏赔偿制度。
八、组织开辟学习园地,通过黑板报、宣传栏等形式,交流学习心得,表扬好人好事。
建设工地民工学校
学员守则
一、积极参加民工学校学习活动,自觉遵守各项管理制度。
二、专心听课,努力学习,不懂就问,刻苦钻研。
三、关心集体,爱护公物,遵纪守法,维护公德。
四、佩卡上岗,文明施工,敬岗爱业,敢争第一。
五、尊敬老师,团结友爱,和睦相处,助人为乐,礼貌待人。
六、不聚众赌博,不偷摸拐骗,不打架斗殴,保持身心健康。
七、不在上课时吸烟和大声喧哗,不随地吐痰和大小便,不乱扔果皮纸屑,保持良好的卫生习惯。
八、注重仪表,衣着整洁,自觉维护企业形象。
九、搞好卫生,轮流值日,保持环境整洁。
民工学校师资力量配备表企业名称:民工学校名称:
民工学校学员名单
企业名称:民工学校名称:
建设工地民工学校达标自评表
主办单位:学校名称:
验收(评审)部门(盖章):时间:
验收(评审)人员:
填表说明:1、民工学校验收仅验收1-4项内容,总分50分,35分以上合格;
2、民工学校考评应检查全部内容,有1-4项内容有一项内容不得分,整表即不得分,总
分100分,70分以上合格;90分以上优秀。
民工学校月课时安排计划表
民工学校名称:年月日
民工学校开展活动记录主办单位:学校名称:。