工产业[2009] 第45号专用汽车和挂车生产企业及产品准入管理规则
- 格式:doc
- 大小:255.50 KB
- 文档页数:21
附件1:专用汽车和挂车品种划分表附件2:专用汽车和挂车生产企业许可条件及审查要求1.标注“*”的项目为否决项;2.审查适用条款可根据准入审查或监督检查、企业申请性质等情况进行适当裁剪;3.对于采用新技术、新材料生产专用汽车的企业,第4条、第6条、第7条、第8条、第14条、第15条、第18条、第19条、第21条应予以关注或简化;4.审查判定原则:(1)某条款部分内容不符合要求时,即视该条款为不符合;(2)全部否决项均符合要求,一般项不符合的比例不超过适用的审查适用一般项条款数的20%,审查结论为通过;其余情况均为不通过;(3)当审查结论为不通过时,申请企业可在2个月内针对不符合项进行整改,验收达到第(2)条要求的,审查结论为通过;验收未达到第(2)条要求的,结论为不通过。
整改验收只能进行一次。
5.监督检查要求:(1)第3条(年销售量或年销售收入的要求)、第13条、第17条(共性问题和设计缺陷处理)、第21条适用于监督检查;(2)所有否决项和“产品的生产一致性保证能力”章节(第14条至第21条),是监督检查的必查条款;(3)准入审查或上次监督检查中出现不符合的条款,是监督检查的必查条款;(4)其它一般项按照40%的比例抽项审查,并覆盖企业运行周期内相关活动的变化情况。
附件3:采用新技术、新材料的专用汽车和挂车的评价程序工业和信息化部委托中介机构组织评价申报企业采用新技术、新材料生产产品的情况,确认其是否属于采取新技术、新材料、填补国内空白的专用车企业。
中介机构按如下程序开展评价工作:一、组成人数不少于5人的评价小组,人员来自国内检测和认证机构、技术研究院所、主要企业事业单位、行业组织的专家等;二、评价小组采取集中讨论、现场调研、行业调研、主要企业及研究院所走访、专家交流、现场测试及验证等方式商议、确定是否属于新技术、新材料;三、评价小组在接受委托后的15个工作日内完成评价,提交评价意见;四、中介机构根据评价小组的评价意见,出具认定报告,上报工业和信息化部审核、批复。
关于半挂车公告篇一:全挂车产品实施《公告》管理有关事项关于全挂车产品实施《公告》管理有关事项的通知【发布时间:2012年07月16日】【来源:产业政策司】【字体:大中小】关于全挂车产品实施《公告》管理有关事项的通知工信部产业[2012]344号各省、自治区、直辖市工业和信息化主管部门,有关车辆生产企业、检测机构:为进一步完善《车辆生产企业及产品公告》(以下简称《公告》)管理,规范挂车生产企业及产品的准入管理,维护挂车产品市场竞争秩序,提高挂车产品的安全性能和生产一致性管理水平,根据工业和信息化部、公安部《关于进一步提高大中型客货车安全技术性能加强车辆〈公告〉管理和注册登记管理工作的通知》(工信部联产业〔2011〕632号),决定对全挂车产品实施《公告》管理。
现将有关事项通知如下:一、《专用汽车和挂车生产企业及产品准入管理规则》(工产业〔2009〕45号公告印发,以下简称《准入规则》)中挂车的定义修改为国家标准GB/T3730.1-2001《汽车和挂车类型的术语和定义》中第2.2.1款、第2.2.2款、第2.2.3款所定义的全挂车(牵引杆挂车)、半挂车及中置轴挂车。
自2012年9月1日起,依照《准入规则》对全挂车生产企业及产品实施准入管理。
二、申报《公告》的全挂车产品应经指定的检测机构检测合格,符合国家相关强制性标准要求(全挂车产品检验项目及依据标准见附件)。
三、各省级工业和信息化主管部门要及时将本通知要求传达到辖区内有关企业,并做好宣传贯彻工作。
对实施中出现的情况和问题,要及时上报我部。
四、中介机构要尽快升级完善公告管理系统,做好全挂车产品申报的准备工作,并组织好对企业的培训和咨询工作。
附件:全挂车产品检验项目及依据标准附件:全挂车产品检验项目及依据标准篇二:常见半挂车分类大全什么是挂车?本身无动力,独立承载,依靠其它车辆牵引行驶的车辆,就其设计和技术特性需由汽车牵引,才能正常使用的一种无动力的道路车辆,用于:载运人员或货物,以及其它特殊用途。
专用汽车和挂车生产企业及产品准入管理规则中华人民共和国工业和信息化部公告工产业[2009] 第45号根据《国务院对确需保留的行政审批项目设定行政许可的决定》和《汽车产业发展政策》的有关规定,工业和信息化部制定了《专用汽车和挂车生产企业及产品准入管理规则》,现予以发布,请各有关单位遵照执行。
本规则自2009年7月1日起施行。
本规则施行后,与本规则不一致的,以本规则为准。
附件:专用汽车和挂车生产企业及产品准入管理规则二OO九年六月十八日专用汽车和挂车生产企业及产品准入管理规则第一章总则第一条为规范专用汽车和挂车生产企业及产品的准入管理,维护专用汽车和挂车产品市场竞争秩序,推动汽车产业结构调整和优化升级,促进企业技术进步,根据《国务院对确需保留的行政审批项目设定行政许可的决定》和《汽车产业发展政策》的有关规定,制定本规则。
第二条在中华人民共和国境内从事境内使用的专用汽车和挂车产品(以下简称专用车产品)生产的企业(以下简称专用车生产企业)及其生产的专用车产品,适用本规则。
本规则所称专用汽车,是指在采购的完整车辆或二类、三类底盘基础上制造完成的、国家标准GB/T3730.1-2001《汽车和挂车类型的术语和定义》中第2.1.1.11款、第2.1.2.3.5款、第2.1.2.3.6款所定义的车辆。
挂车是指国家标准GB/T3730.1-2001《汽车和挂车类型的术语和定义》中第2.2.2款、第2.2.3款所定义的半挂车及中置轴挂车。
本规则所称二类底盘,是指具有驾驶室、发动机、传动系、行驶系、转向系、制动系及主要电器设备,但不具有货物承载装置及专用装置的非完整车辆。
本规则所称三类底盘,是指具有发动机、传动系、行驶系、转向系、制动系及主要电器设备,但不具有驾驶室(或车身)、货物承载装置及专用装置的非完整车辆。
第三条工业和信息化部负责实施专用车生产企业及专用车产品许可。
第四条国家鼓励并逐步推行汽车整车(含底盘)生产企业对采用本企业产品进行后续制造的专用汽车生产企业和专用汽车产品实施统一管理。
关于半挂车公告【篇一:全挂车产品实施《公告》管理有关事项】关于全挂车产品实施《公告》管理有关事项的通知【发布时间:2012年07月16日】【来源:产业政策司】【字体:大中小】关于全挂车产品实施《公告》管理有关事项的通知工信部产业[2012]344号各省、自治区、直辖市工业和信息化主管部门,有关车辆生产企业、检测机构:一、《专用汽车和挂车生产企业及产品准入管理规则》(工产业〔2009〕45号公告印发,以下简称《准入规则》)中挂车的定义修改为国家标准gb/t3730.1-2001《汽车和挂车类型的术语和定义》中第2.2.1款、第2.2.2款、第2.2.3款所定义的全挂车(牵引杆挂车)、半挂车及中置轴挂车。
自2012年9月1日起,依照《准入规则》对全挂车生产企业及产品实施准入管理。
二、申报《公告》的全挂车产品应经指定的检测机构检测合格,符合国家相关强制性标准要求(全挂车产品检验项目及依据标准见附件)。
三、各省级工业和信息化主管部门要及时将本通知要求传达到辖区内有关企业,并做好宣传贯彻工作。
对实施中出现的情况和问题,要及时上报我部。
四、中介机构要尽快升级完善公告管理系统,做好全挂车产品申报的准备工作,并组织好对企业的培训和咨询工作。
附件:全挂车产品检验项目及依据标准附件:全挂车产品检验项目及依据标准【篇二:常见半挂车分类大全】什么是挂车?本身无动力,独立承载,依靠其它车辆牵引行驶的车辆,就其设计和技术特性需由汽车牵引,才能正常使用的一种无动力的道路车辆,用于:载运人员或货物,以及其它特殊用途。
● 半挂车的分类和主要车型1、普通半挂车载货部位为栏板结构的半挂车,这种车拉钢材,拉石料水泥什么的都很合适!偶尔也可以配货!普通半挂车鹅颈式半挂车载货面更低(俗称“高低板”)这两个车型差别就在第二个是鹅颈式,优点是载货面更低,载货重心更低,挂车行驶时转弯舒服,通过桥梁桥洞率高!2、仓栅半挂车载货部位为可拆卸护栏的半挂车!这个都不用说了,万能车型!除了大件,基本上是你想拉什么(只要能装进去)就拉什么的车!公路上面最大的就是它了。
道路机动车辆生产企业及产品准入管理办法道路机动车辆生产企业及产品准入管理办法:
一、道路机动车辆生产企业的准入:
(一)企业应具有良好的信用记录,并具备有效的发票注册证;
(二)企业应具有良好的经营记录,符合有关设计、制造、检验、试验、维护等工作的专业技术条件,并通过有关机构的认证;
(三)企业应符合有关环境保护、职业健康安全和质量管理的法律法规。
二、道路机动车辆产品的准入:
(一)产品须符合《道路机动车辆安全技术标准》;
(二)产品须经有关检验机构检验合格,并通过有关机构的认证;
(三)产品须符合国家有关污染物排放标准。
关于进一步加强道路机动车辆生产一致性监督管理和注册登记工作的通知【发布时间:2010年09月26日】【来源:产业司】【字体:大中小】工信部联产业【2010】453号各省、自治区、直辖市及新疆生产建设兵团工业和信息化主管部门、公安厅(局)为加强和规范《道路机动车辆生产企业及产品公告》(以下简称《公告》)管理,严格机动车登记工作,2008年11月,工业和信息化部与公安部联合发布了《关于进一步加强道路机动车辆生产企业及产品公告管理和注册登记工作的通知》(工信部联产业[2008]319号)。
为进一步加强《公告》生产一致性监督管理和机动车登记注册工作,现就有关事项通知如下:一、关于加强监督管理和严格注册登记的要求国家汽车产业主管部门根据《车辆生产企业及产品生产一致性监督管理办法》(工产业[2010]第109号,以下简称“109号文件”),通过制定、实施生产一致性监督检查工作方案,并会同公安机关交通管理部门在生产、流通和注册登记等环节对车辆企业及产品生产一致性开展监督检查,并对违规企业及产品进行处理。
各地汽车产业主管部门要加强对辖区内车辆生产企业的监督管理,及时解决车辆生产企业及产品在生产一致性方面出现的问题,对生产一致性监督管理中发现的新情况、新问题及辖区外车辆生产企业的问题要及时报告工业和信息化部。
各地公安机关交通管理部门要按照《机动车运行安全技术条件》(GB7258)、《道路车辆外廓尺寸、轴荷及质量限值》(GB1589)、《机动车登记规定》(公安部令第102号)及《机动车查验工作规程》(GA801-2008)等规定查验车辆,审核机动车所有人提交的有关资料,办理机动车注册登记。
审核机动车所有人提交的有关资料,应包括核查和比对《公告》信息、随车配发的机动车整车出厂合格证、机动车外部彩色相片和车辆识别代号拓印膜。
对符合要求的,要收存相关资料,按规定办理机动车注册登记。
对未按规定列入《公告》或超过《公告》有效期出厂、或车辆技术参数不符合有关国家标准、或车辆技术参数和相片与《公告》不一致、或车辆识别代号拓印膜和实际车辆不一致的产品,不予办理注册登记。
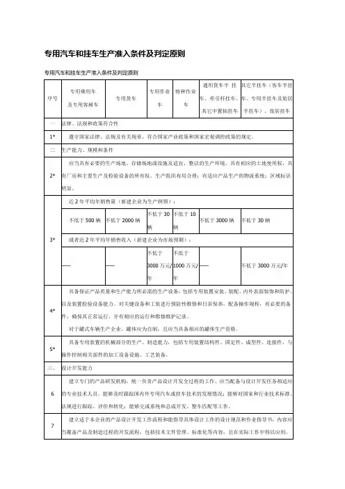
专用汽车和挂车生产准入条件及判定原则专用汽车和挂车生产准入条件及判定原则
合计25项,其中否决项11项,一般项14项说明:
1.带“*”的项目为否决项;
2.考核判定原则:
(1)某条款部分内容不符合要求时,即视该条款为不符合;全部否决项均符合要求,一般项不符合的比例不超过适用的一般项条款数的20%,审核结论为通过;其余情况均为不通过。
(2)当考核结论为不通过时,申请企业可在2个月内针对不符合项进行整改,经验收达到第(1)条要求的,审核结论为通过;验收未达到第(1)条要求的,结论为不通过。
整改验收只能进行一次。
(3)申请生产不同品种、类别产品的,应同时满足相应的条件。
(4)条款内容不适用于新建企业的,允许暂不进行考核,但在投产后应当进行考核。
(5)对于专业生产的专用作业车的生产企业及产品(每种型号车辆产品的产量不大于20台/年),关于生产一致性保证能力方面的规定(本规则附件一第14~21条),以及第7条试验能力方面的规定可适当简化要求。
(6)第14条、第19条、第24条仅适用于对获得准入企业进行监督检查的考核内容。
关于进一步加强道路机动车辆生产一致性监督管理和注册登记工作的通知【发布时间:2010年09月26日】 【来源:产业司】 【字体:大中小】工信部联产业【2010】453号各省、自治区、直辖市及新疆生产建设兵团工业和信息化主管部门、公安厅(局)为加强和规范《道路机动车辆生产企业及产品公告》(以下简称《公告》)管理,严格机动车登记工作,2008年11月,工业和信息化部与公安部联合发布了《关于进一步加强道路机动车辆生产企业及产品公告管理和注册登记工作的通知》(工信部联产业[2008]319号)。
为进一步加强《公告》生产一致性监督管理和机动车登记注册工作,现就有关事项通知如下:一、关于加强监督管理和严格注册登记的要求国家汽车产业主管部门根据《车辆生产企业及产品生产一致性监督管理办法》(工产业[2010]第109号,以下简称“109号文件”),通过制定、实施生产一致性监督检查工作方案,并会同公安机关交通管理部门在生产、流通和注册登记等环节对车辆企业及产品生产一致性开展监督检查,并对违规企业及产品进行处理。
各地汽车产业主管部门要加强对辖区内车辆生产企业的监督管理,及时解决车辆生产企业及产品在生产一致性方面出现的问题,对生产一致性监督管理中发现的新情况、新问题及辖区外车辆生产企业的问题要及时报告工业和信息化部。
各地公安机关交通管理部门要按照《机动车运行安全技术条件》(GB7258)、《道路车辆外廓尺寸、轴荷及质量限值》(GB1589)、《机动车登记规定》(公安部令第102号)及《机动车查验工作规程》(GA801-2008)等规定查验车辆,审核机动车所有人提交的有关资料,办理机动车注册登记。
审核机动车所有人提交的有关资料,应包括核查和比对《公告》信息、随车配发的机动车整车出厂合格证、机动车外部彩色相片和车辆识别代号拓印膜。
对符合要求的,要收存相关资料,按规定办理机动车注册登记。
对未按规定列入《公告》或超过《公告》有效期出厂、或车辆技术参数不符合有关国家标准、或车辆技术参数和相片与《公告》不一致、或车辆识别代号拓印膜和实际车辆不一致的产品,不予办理注册登记。
专用汽车和挂车生产企业及产品准入管理规则中华人民共和国工业和信息化部公告工产业[2009] 第45号根据《国务院对确需保留的行政审批项目设定行政许可的决定》和《汽车产业发展政策》的有关规定,工业和信息化部制定了《专用汽车和挂车生产企业及产品准入管理规则》,现予以发布,请各有关单位遵照执行。
本规则自2009年7月1日起施行。
本规则施行后,与本规则不一致的,以本规则为准。
附件:专用汽车和挂车生产企业及产品准入管理规则二OO九年六月十八日专用汽车和挂车生产企业及产品准入管理规则第一章总则第一条为规范专用汽车和挂车生产企业及产品的准入管理,维护专用汽车和挂车产品市场竞争秩序,推动汽车产业结构调整和优化升级,促进企业技术进步,根据《国务院对确需保留的行政审批项目设定行政许可的决定》和《汽车产业发展政策》的有关规定,制定本规则。
第二条在中华人民共和国境内从事境内使用的专用汽车和挂车产品(以下简称专用车产品)生产的企业(以下简称专用车生产企业)及其生产的专用车产品,适用本规则。
本规则所称专用汽车,是指在采购的完整车辆或二类、三类底盘基础上制造完成的、国家标准GB/T3730.1-2001《汽车和挂车类型的术语和定义》中第2.1.1.11款、第2.1.2.3.5款、第2.1.2.3.6款所定义的车辆。
挂车是指国家标准GB/T3730.1-2001《汽车和挂车类型的术语和定义》中第2.2.2款、第2.2.3款所定义的半挂车及中置轴挂车。
本规则所称二类底盘,是指具有驾驶室、发动机、传动系、行驶系、转向系、制动系及主要电器设备,但不具有货物承载装置及专用装置的非完整车辆。
本规则所称三类底盘,是指具有发动机、传动系、行驶系、转向系、制动系及主要电器设备,但不具有驾驶室(或车身)、货物承载装置及专用装置的非完整车辆。
第三条工业和信息化部负责实施专用车生产企业及专用车产品许可。
第四条国家鼓励并逐步推行汽车整车(含底盘)生产企业对采用本企业产品进行后续制造的专用汽车生产企业和专用汽车产品实施统一管理。
《专用汽车和挂车生产企业及产品准入管理规则》工产业[2009]第45号《专用汽车和挂车生产企业及产品准入管理规则》【发布时间:2009年06月25日】【来源:产业司】【字体:大中小】中华人民共和国工业和信息化部公告工产业[2009] 第45号根据《国务院对确需保留的行政审批项目设定行政许可的决定》和《汽车产业发展政策》的有关规定,工业和信息化部制定了《专用汽车和挂车生产企业及产品准入管理规则》,现予以发布,请各有关单位遵照执行。
本规则自2009年7月1日起施行。
本规则施行后,与本规则不一致的,以本规则为准。
附件:专用汽车和挂车生产企业及产品准入管理规则二OO九年六月十八日专用汽车和挂车生产企业及产品准入管理规则第一章总则第一条为规范专用汽车和挂车生产企业及产品的准入管理,维护专用汽车和挂车产品市场竞争秩序,推动汽车产业结构调整和优化升级,促进企业技术进步,根据《国务院对确需保留的行政审批项目设定行政许可的决定》和《汽车产业发展政策》的有关规定,制定本规则。
第二条在中华人民共和国境内从事境内使用的专用汽车和挂车产品(以下简称专用车产品)生产的企业(以下简称专用车生产企业)及其生产的专用车产品,适用本规则。
本规则所称专用汽车,是指在采购的完整车辆或二类、三类底盘基础上制造完成的、国家标准GB/T3730.1-2001《汽车和挂车类型的术语和定义》中第2.1.1.11款、第2.1.2.3.5款、第 2.1.2.3.6款所定义的车辆。
挂车是指国家标准GB/T3730.1-2001《汽车和挂车类型的术语和定义》中第2.2.2款、第2.2.3款所定义的半挂车及中置轴挂车。
本规则所称二类底盘,是指具有驾驶室、发动机、传动系、行驶系、转向系、制动系及主要电器设备,但不具有货物承载装置及专用装置的非完整车辆。
本规则所称三类底盘,是指具有发动机、传动系、行驶系、转向系、制动系及主要电器设备,但不具有驾驶室(或车身)、货物承载装置及专用装置的非完整车辆。
中华人民共和国工业和信息化部公告工产业[2009] 第45号根据《国务院对确需保留的行政审批项目设定行政许可的决定》和《汽车产业发展政策》的有关规定,工业和信息化部制定了《专用汽车和挂车生产企业及产品准入管理规则》,现予以发布,请各有关单位遵照执行。
本规则自2009年7月1日起施行。
本规则施行后,与本规则不一致的,以本规则为准。
附件:专用汽车和挂车生产企业及产品准入管理规则二OO九年六月十八日专用汽车和挂车生产企业及产品准入管理规则第一章总则第一条为规范专用汽车和挂车生产企业及产品的准入管理,维护专用汽车和挂车产品市场竞争秩序,推动汽车产业结构调整和优化升级,促进企业技术进步,根据《国务院对确需保留的行政审批项目设定行政许可的决定》和《汽车产业发展政策》的有关规定,制定本规则。
第二条在中华人民共和国境内从事境内使用的专用汽车和挂车产品(以下简称专用车产品)生产的企业(以下简称专用车生产企业)及其生产的专用车产品,适用本规则。
本规则所称专用汽车,是指在采购的完整车辆或二类、三类底盘基础上制造完成的、国家标准GB/T3730.1-2001《汽车和挂车类型的术语和定义》中第2.1.1.11款、第2.1.2.3.5款、第2.1.2.3.6款所定义的车辆。
挂车是指国家标准GB/T3730.1-2001《汽车和挂车类型的术语和定义》中第2.2.2款、第2.2.3款所定义的半挂车及中置轴挂车。
本规则所称二类底盘,是指具有驾驶室、发动机、传动系、行驶系、转向系、制动系及主要电器设备,但不具有货物承载装置及专用装置的非完整车辆。
本规则所称三类底盘,是指具有发动机、传动系、行驶系、转向系、制动系及主要电器设备,但不具有驾驶室(或车身)、货物承载装置及专用装置的非完整车辆。
第三条工业和信息化部负责实施专用车生产企业及专用车产品许可。
第四条国家鼓励并逐步推行汽车整车(含底盘)生产企业对采用本企业产品进行后续制造的专用汽车生产企业和专用汽车产品实施统一管理。
中华人民共和国工业和信息化部公告工产业[2009] 第45号根据《国务院对确需保留的行政审批项目设定行政许可的决定》和《汽车产业发展政策》的有关规定,工业和信息化部制定了《专用汽车和挂车生产企业及产品准入管理规则》,现予以发布,请各有关单位遵照执行。
本规则自2009年7月1日起施行。
本规则施行后,与本规则不一致的,以本规则为准。
附件:专用汽车和挂车生产企业及产品准入管理规则二OO九年六月十八日新能源汽车生产企业及产品准入管理规则第一章总则第一条为促进汽车产品技术进步,保护环境,节约能源,实现可持续发展,鼓励企业研究开发和生产新能源汽车,根据《汽车产业发展政策》等有关规定,制定本规则。
第二条在中华人民共和国境内从事境内使用的新能源汽车生产的企业(以下简称新能源汽车企业)及其生产的新能源汽车产品,适用本规则。
第三条本规则所称汽车,是指国家标准GB/T3730.1-2001《汽车和挂车类型的术语和定义》中第2.1款所定义的汽车整车(完整车辆)及底盘(非完整车辆)。
本规则所称新能源汽车,是指采用非常规的车用燃料作为动力来源(或使用常规的车用燃料、采用新型车载动力装置),综合车辆的动力控制和驱动方面的先进技术,形成的技术原理先进、具有新技术、新结构的汽车。
新能源汽车包括混合动力汽车、纯电动汽车(BEV,包括太阳能汽车)、燃料电池电动汽车(FCEV)、氢发动机汽车、其他新能源(如高效储能器、二甲醚)汽车等各类别产品。
第四条工业和信息化部负责实施新能源汽车企业及新能源汽车产品准入管理。
第二章新能源汽车分类及管理方式第五条根据新能源汽车整车、系统及关键总成技术成熟程度、国家和行业标准完善程度以及产业化程度的不同,将其分为起步期、发展期、成熟期三个不同的技术阶段。
起步期产品是指技术原理的实现路径尚处于前期研究阶段,缺乏国家和行业有关标准,尚未具备产业化条件的产品。
发展期产品是指技术原理的实现路径基本明确,国家和行业标准尚未完善,初步具备产业化条件的产品。
中华人民共和国工业和信息化部公告工产业[2009] 第45号根据《国务院对确需保留的行政审批项目设定行政许可的决定》和《汽车产业发展政策》的有关规定,工业和信息化部制定了《专用汽车和挂车生产企业及产品准入管理规则》,现予以发布,请各有关单位遵照执行。
本规则自2009年7月1日起施行。
本规则施行后,与本规则不一致的,以本规则为准。
附件:专用汽车和挂车生产企业及产品准入管理规则二OO九年六月十八日专用汽车和挂车生产企业及产品准入管理规则第一章总则第一条为规范专用汽车和挂车生产企业及产品的准入管理,维护专用汽车和挂车产品市场竞争秩序,推动汽车产业结构调整和优化升级,促进企业技术进步,根据《国务院对确需保留的行政审批项目设定行政许可的决定》和《汽车产业发展政策》的有关规定,制定本规则。
第二条在中华人民共和国境内从事境内使用的专用汽车和挂车产品(以下简称专用车产品)生产的企业(以下简称专用车生产企业)及其生产的专用车产品,适用本规则。
本规则所称专用汽车,是指在采购的完整车辆或二类、三类底盘基础上制造完成的、国家标准GB/T3730.1-2001《汽车和挂车类型的术语和定义》中第2.1.1.11款、第2.1.2.3.5款、第2.1.2.3.6款所定义的车辆。
挂车是指国家标准GB/T3730.1-2001《汽车和挂车类型的术语和定义》中第2.2.2款、第2.2.3款所定义的半挂车及中置轴挂车。
本规则所称二类底盘,是指具有驾驶室、发动机、传动系、行驶系、转向系、制动系及主要电器设备,但不具有货物承载装置及专用装置的非完整车辆。
本规则所称三类底盘,是指具有发动机、传动系、行驶系、转向系、制动系及主要电器设备,但不具有驾驶室(或车身)、货物承载装置及专用装置的非完整车辆。
第三条工业和信息化部负责实施专用车生产企业及专用车产品许可。
第四条国家鼓励并逐步推行汽车整车(含底盘)生产企业对采用本企业产品进行后续制造的专用汽车生产企业和专用汽车产品实施统一管理。
第二章许可条件及管理第五条申请专用车生产企业许可的,应当符合《专用汽车和挂车生产企业许可条件及审查要求》(见附件2,以下简称《许可条件》)中规定的具体许可条件。
对于专业生产特种作业车(含超限车)的企业(且生产纲领不大于20台),《许可条件》第8条有关产品试制、试验能力和第14条、第15条、第18条、第21条有关生产一致性保证能力等方面的审查要求可适当简化。
对于采用新技术、新材料的专用车产品,按照《采用新技术、新材料的专用汽车和挂车的评价程序》(见附件3)的规定,经过认定确属采用新技术、新材料、填补国内空白的,在进行许可审查时,《许可条件》中的相关审查要求可做适当调整,以进行针对性审查。
第六条专用车产品许可条件:(一)专用车产品符合安全、环保、节能、防盗等有关标准、规定。
(二)专用车产品经工业和信息化部指定的检测机构(以下简称检测机构)检测合格。
(三)专用车产品未侵犯他人知识产权。
第七条工业和信息化部按照专用车产品品种,对专用车生产企业许可实施分类管理。
专用车生产企业应当按照许可组织相应产品的生产、销售。
专用车生产企业拟跨品种生产其它车辆产品时,应当按照本规则的规定申请许可。
专用车产品分为专用客厢车、专用货车、专用作业车、通用货车挂车、其它挂车、特种作业车、消防车、特种作业车底盘,共八个品种(见附件1)。
各类专用车生产企业的生产及检验方面的能力、设备的具体要求可参考附件5。
第八条申请专用车生产企业许可的,应当提交以下材料:(一)《专用汽车和挂车生产企业准入申请书》(见附件4,以下简称《申请书》)一式2份。
当采用新技术、新材料生产专用车产品时,应当在《申请书》“技术来源和特性说明”中予以说明并附有关佐证材料。
(二)企业法人营业执照复印件(或者办理过程中的证明文件),中外合资企业还应当提交中外股东持股比例证明。
(三)质量手册(全文)及程序文件(目录),质量体系认证证书复印件或近期质量体系认证计划。
(四)关于专用车生产企业具备专用车产品设计、生产、营销、售后服务能力、零部件供应体系,以及生产一致性保证能力等的说明。
(五)关于符合《汽车产业发展政策》的说明。
(六)根据国家有关投资管理规定办理的项目核准或者备案文件。
(七)检测机构出具的检测报告(专用车产品包括专用装置和专用功能的检测报告)。
第九条申请专用车产品许可的,应当提交以下材料:(一)关于专用车生产企业基本情况的说明,包括企业名称、股东、法定代表人、注册商标、注册地址和生产地址等。
(二)专用车产品情况简介。
(三)《车辆生产企业及产品公告》参数。
(四)《车辆主要技术参数及主要配置备案表》。
(五)《车辆产品强制性检测项目方案表》。
(六)检测机构出具的检测报告。
(七)关于专用车产品的其他证明文件。
(八)申报采用新技术、新材料的专用车产品时,应当在“专用车产品情况简介”中予以说明并附有关佐证材料。
专用车生产企业应当通过工业和信息化部指定的信息系统提交专用车产品许可申请材料。
第十条特种作业车或特种消防车生产企业,在生产特种作业车或特种消防车产品一年后,方可申请生产特种作业车底盘的许可。
专用车生产企业生产的特种作业车底盘,仅用于本企业生产专用车产品,不得对外销售。
第十一条在本规则发布前已获得准入许可的专用车生产企业,当企业基本情况发生变化(包括企业重组、更名、变更股权或股东、变更法人、迁址、增加产品类别、品种或生产地等),向工业和信息化部申请变更的,应当按照《许可条件》规定的具体许可条件对企业进行考核;达不到《许可条件》规定的具体许可条件的,将暂停新产品申报或暂停准入许可。
第三章附则第十二条本规则由工业和信息化部负责解释。
第十三条本规则自2009年7月1日起实施。
附件1:专用汽车和挂车品种划分表附件2:专用汽车和挂车生产企业许可条件及审查要求1.标注“*”的项目为否决项;2.审查适用条款可根据准入审查或监督检查、企业申请性质等情况进行适当裁剪;3.对于采用新技术、新材料生产专用汽车的企业,第4条、第6条、第7条、第8条、第14条、第15条、第18条、第19条、第21条应予以关注或简化;4.审查判定原则:(1)某条款部分内容不符合要求时,即视该条款为不符合;(2)全部否决项均符合要求,一般项不符合的比例不超过适用的审查适用一般项条款数的20%,审查结论为通过;其余情况均为不通过;(3)当审查结论为不通过时,申请企业可在2个月内针对不符合项进行整改,验收达到第(2)条要求的,审查结论为通过;验收未达到第(2)条要求的,结论为不通过。
整改验收只能进行一次。
5.监督检查要求:(1)第3条(年销售量或年销售收入的要求)、第13条、第17条(共性问题和设计缺陷处理)、第21条适用于监督检查;(2)所有否决项和“产品的生产一致性保证能力”章节(第14条至第21条),是监督检查的必查条款;(3)准入审查或上次监督检查中出现不符合的条款,是监督检查的必查条款;(4)其它一般项按照40%的比例抽项审查,并覆盖企业运行周期内相关活动的变化情况。
附件3:采用新技术、新材料的专用汽车和挂车的评价程序工业和信息化部委托中介机构组织评价申报企业采用新技术、新材料生产产品的情况,确认其是否属于采取新技术、新材料、填补国内空白的专用车企业。
中介机构按如下程序开展评价工作:一、组成人数不少于5人的评价小组,人员来自国内检测和认证机构、技术研究院所、主要企业事业单位、行业组织的专家等;二、评价小组采取集中讨论、现场调研、行业调研、主要企业及研究院所走访、专家交流、现场测试及验证等方式商议、确定是否属于新技术、新材料;三、评价小组在接受委托后的15个工作日内完成评价,提交评价意见;四、中介机构根据评价小组的评价意见,出具认定报告,上报工业和信息化部审核、批复。
附录:新技术、新材料举例一、采用新技术的专用车产品采用新技术的专用车产品,是指获得国家发明专利技术的专用汽车或挂车;或者是在安全、环保、节能方面使用先进技术、或填补国内空白的专用装置;或者经过权威专业机构认定属于新技术的专用车或专用装置。
例如:涡喷消防车、自卸集装箱半挂车、前卸式多功能混凝土搅拌运输车、轴数不少于四轴的超重型清障车、无泡沥青沙浆车、油田作业车、路面养护车、桥梁检测作业车、稀浆封层车、混凝土泵车、大型消防车、大型应急指挥通讯车、高档运钞车、机场专用车等。
特种作业车底盘,例如:重型牵引车底盘、重型汽车起重机底盘、油田修井机底盘、中型消防车底盘、混凝土搅拌车底盘、泵车底盘、符合国家下一阶段排放标准混凝土搅拌运输车底盘、重型载货车底盘等某些特殊用途底盘。
二、采用新材料的专用车产品采用新材料的专用车产品,是指为实现车辆轻量化、模块化、易加工方面的需要,车辆主要结构件和部件(如罐体、厢体、车架大梁等)采用轻质、高强度等材料的产品。
例如:铝合金罐车或厢式汽车、车厢采用高强度钢的自卸汽车、H型钢挂车、铝合金罐车和挂车、铝铆接厢式半挂车。
附件4:专用汽车和挂车生产企业许可申请书申请企业名称(盖章):联系地址:邮政编码:联系人:职务:电话:传真:电子信箱:填表日期:年月日填表须知1.填写本申请书应确保所填资料真实准确;2.本申请书用墨笔或电子方式填写,要求字迹清楚;3.本申请所有填报项目(含表格)页面不足时,可另附页面;4.请在本申请书所选“”内打“√”;5.本表中内容不含子公司或控股公司;申请企业如有子公司或控股公司,每个子公司或控股公司均应单独填写本表格,并由申请企业汇总后报送。
企业声明1.本企业自愿向工业和信息化部申请专用汽车和挂车生产企业许可;2.本企业自愿遵守工业和信息化部《专用汽车和挂车生产企业及产品准入管理规则》及相关文件的规定;3.本企业自愿提供开展专用汽车和挂车生产企业许可的现场技术审查、管理、监督所需的任何信息和资料,并为其审查工作提供方便。
申请企业法人代表(签名):申请企业(盖章):年月日一、企业基本情况二、与专用汽车或挂车产品整车、主要总成相关的资产情况(不含土地价值)注:此表须附资产负债表、现金流量表。
三、主要基础设施、生产及检验设备、产品研发设施设备清单(一)主要基础设施清单(含土地、办公楼、厂房、库房、与产品相关的辅助设施等)(二)主要生产设备清单(三)主要检验设备清单(四)产品开发主要设施设备(含必要的程序、软件)清单附件5:生产及检验方面的能力、设备要求表一各类专用汽车和挂车企业的生产能力、设备要求表二各类专用汽车和挂车企业检验、试验的能力、设备要求。