自动洗胃机洗胃术评分标准(完整资料).doc
- 格式:doc
- 大小:70.50 KB
- 文档页数:5
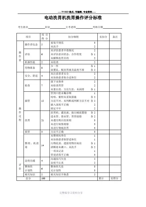
全自动洗胃机洗胃法考核评分标准项目内容分值评分要求评估10分1.核对医嘱2.评估患者3.评估环境4.评估用物5.操作者自身评估222221.未评估不给分,评估不完全酌情扣分2.评估用物可于准备用物时检查评估。
准备时也未仔细检查者扣除该项分计划20分1.预期目标2.准备(1)操作者自身准备(2)用物准备(3)患者准备(4)环境准备3310221.操作者、环境、患者准备不符合要求者酌情扣分2.用物准备:洗胃液种类和浓度错误酌情扣10-15分其他用物准备不全酌情扣分实施50分1.用物带至床前,查对床号、姓名,与患者交流解释,取合适体位2.铺巾,弯盘置于口角旁,戴一次性手套3.比时胃管插入长度,标记,润滑将胃管缓慢送入胃内,10-15cm 时嘱患者作吞咽动作,注意患者的反应,插至标记处,抽胃液,并留标本,证实胃管在胃内,固定4.正确连接各管道5.连接好胃管后,接上电源线,打开电源开关,按下工作开关,使洗胃机开始工作。
调节洗胃机面板上各参数,机器进入自动调节过程后,自动完成洗胃工作6.在洗胃过程中注意观察患者的反应,和洗胃机面板的进出胃状态显示.7.洗胃完毕:按洗胃机工作开关,关闭电源开关。
清洗与消毒洗胃机拔出胃管,分离胃管,分别将接胃管、接水管、排水管取下,卷好,放入消毒液桶内浸泡消毒8.护士脱手套,清理用物,洗手9.健康教育431251055331.违背下列原则酌情扣分:(1)以患者为中心,与患者进行有效沟通-2(2)未查对-2(3)管道连接错误扣10分(4)动作不熟练、轻巧-5(5)无菌和隔离观念不强扣3-5分2.洗胃过程中未观察和询问患者反应酌情扣3-53.洗胃过程中出现急性胃扩张或胃出血者酌情扣10-20分4.插胃管和拔胃管过程中动作粗鲁酌情扣3-5评价20分1.洗胃彻底有效、安全、无并发症2.衣被清洁无污染3.护士操作熟练,患者满意10461.洗胃不彻底或出现并发症酌情扣5-10分2.污染衣被酌情扣2-4分3.操作不熟练,不节力,动作粗鲁等酌情扣5-10分。
全自动洗胃机洗胃技术操作评分标准
洗胃技术
(一)目的
1、通过实施洗胃抢救中毒患者,清除胃内容物,减少毒物吸收,利用不同的灌洗液中和解毒;
2、减轻胃粘膜水肿,预防感染。
(二)实施要点
1、评估患者:
(1)了解患者病情,安抚患者,取得患者合作;
(2)对中毒患者,了解患者服用毒物的名称、剂量及时间等;
(3)评估患者口鼻腔粘膜及皮肤有无损伤、炎症或者其它情况。
(三)注意事项
1、插管时动作要轻快,切勿损伤患者食管及误入气管;
2、患者中毒物质不明时,及时抽取胃内容物送检,应用温开水或
生理盐水洗胃;
3、患者洗胃过程中出现血性液体,立即停止洗胃;
4、幽门梗阻患者,洗胃宜在饭后4~6小时或者空腹时进行,并记
录胃内潴留量,以了解梗阻情况,供补液参考;
5、吞服强酸、强碱等腐蚀性毒物患者,切忌洗胃,以免造成胃穿孔;
6、及时准确记录灌注液名称、液量,洗出液量及其颜色、气味等;
7、保证洗胃机性能处于备用状态。
洗胃技术操作评分标准一、评估。
1. 一般情况。
- 要先看看患者的病情呀。
如果患者昏迷不醒,或者是清醒得很,这差别可大了呢。
要是昏迷的患者,得小心点,要确认没有洗胃的禁忌证哦。
就像有的患者可能有食管静脉曲张,这时候洗胃就像在走钢丝,很危险的。
- 对于清醒的患者,还得和人家好好沟通一下。
问问人家吃了啥呀,啥时候吃的,这就像破案一样,得把情况搞清楚。
如果患者吃了强酸强碱,那可不能洗胃,这就好比火上浇油,会让情况更糟糕的。
2. 局部情况。
- 看看患者的口腔、鼻腔啥的。
要是口腔里破破烂烂的,或者鼻腔堵塞了,那洗胃管插进去可就难了,而且还可能给患者带来更多的痛苦呢。
就像要走一条坑坑洼洼的路,洗胃管得小心翼翼地前进。
二、准备。
1. 护士准备。
- 咱护士自己得先武装好。
洗手那是必须的,把手洗得干干净净,就像要去做一件神圣的事情一样。
还要戴好口罩、帽子,这不仅是为了自己的安全,也是对患者负责呀。
- 护士的心理状态也很重要哦。
得充满信心,不能慌慌张张的。
要是护士自己都害怕了,患者能安心吗?就像一个团队的队长,得稳稳当当的。
2. 患者准备。
- 要给患者解释清楚洗胃是怎么一回事。
不能让患者稀里糊涂的就被洗胃了。
得像给小朋友讲故事一样,告诉患者可能会有点不舒服,但是这是为了让他好起来。
- 让患者取合适的体位,一般是左侧卧位啦。
这个体位就像是专门为洗胃设计的一样,能让洗胃进行得更顺利。
要是体位不对,就像穿错了鞋子,走路会很别扭的。
3. 用物准备。
- 洗胃机得检查好呀。
看看各个管道有没有接好,就像检查汽车的零件一样,一个小零件出问题都可能导致大麻烦。
还有洗胃溶液的选择也很关键。
根据患者吃进去的东西不同,选择合适的溶液。
如果选错了,那洗胃的效果可就大打折扣了。
比如吃了敌敌畏,就得用2%的碳酸氢钠溶液(敌百虫中毒除外哦)。
而且溶液的量也要合适,不能太多也不能太少,太多了患者会难受,太少了又洗不干净。
三、操作过程。
1. 插胃管。
- 插胃管的时候要轻柔一点。