基于单片机的土壤温湿度检测计设计设计
- 格式:doc
- 大小:2.78 MB
- 文档页数:27
基于单片机的土壤温湿度检测计设计设计土壤温湿度检测是农业生产中常见的一个问题,可以帮助农民掌握土壤中的环境条件,从而更好地管理农作物的生长环境,提高农作物产量。
本文将基于单片机设计一个土壤温湿度检测计,在介绍设计方案之前,我们先来了解一下土壤温湿度检测的原理和要解决的问题。
1.土壤温湿度检测原理土壤温湿度检测的原理主要是利用温湿度传感器测量土壤温湿度的值。
温湿度传感器通常是通过变化的电阻来测量温湿度的。
当温湿度发生变化时,传感器内部的电阻也会发生相应的变化。
通过连接到单片机的模拟输入引脚,可以将传感器的输出电压转化为数字信号,从而获取温湿度的数值。
2.设计方案基于以上原理,我们可以设计一个基于单片机的土壤温湿度检测计。
设计主要包括以下几个部分:2.1 单片机选择:单片机是控制整个系统的核心部件。
在选择单片机时,首先要考虑单片机的性能和资源是否足够满足我们的需求。
同时,还要考虑单片机的价格和易用性。
常用的单片机有STM32系列和Arduino等。
我们可以根据具体需求选择适合的单片机。
2.2传感器选择:温湿度传感器是关键的部件。
我们可以选择适用于土壤温湿度检测的传感器,如DHT11或DHT22、传感器的选择要考虑到准确性、精度和稳定性等因素。
2.3电路设计:电路设计是整个系统的基础。
首先需要根据所选择的单片机和传感器,设计合适的电路连接,包括连接单片机的引脚、传感器的引脚和其他组件的引脚。
其次,还要设计相应的电源电路,以提供所需的电压和电流。
2.4 程序设计:程序设计是实现功能的关键。
通过编程,我们可以将传感器的输出信号转换为温湿度数值,并将其显示在LCD屏幕上。
在程序设计时,我们可以使用相应的编程语言,如C语言或Python等,根据单片机型号和开发环境选择合适的编译器和开发工具。
3.功能扩展除了基本的土壤温湿度检测功能,我们还可以对设计进行功能扩展,提供更多的便利和实用性:3.1数据存储:设计一个存储功能,可以将土壤温湿度数值存储到存储器中,以便后期分析和比较。
基于单片机的温湿度监测系统设计一、引言在现代生活和工业生产中,对环境温湿度的准确监测具有重要意义。
温湿度的变化可能会影响到产品质量、设备运行以及人们的生活舒适度。
因此,设计一个高效、准确且可靠的温湿度监测系统至关重要。
本设计基于单片机,旨在实现对环境温湿度的实时监测和数据处理。
二、系统总体设计方案(一)系统功能需求本系统需要实现以下功能:1、实时采集环境温湿度数据。
2、对采集到的数据进行处理和分析。
3、将温湿度数据显示在液晶显示屏上。
4、具备数据存储功能,以便后续查询和分析。
5、当温湿度超出设定范围时,能够发出报警信号。
(二)系统总体架构本系统主要由传感器模块、单片机控制模块、显示模块、存储模块和报警模块组成。
传感器模块负责采集温湿度数据,并将其转换为电信号传输给单片机。
单片机对接收的数据进行处理和分析,然后将结果发送给显示模块进行显示,同时将数据存储到存储模块中。
当温湿度超出设定范围时,单片机控制报警模块发出报警信号。
三、硬件设计(一)传感器选择选用 DHT11 数字温湿度传感器,它是一款含有已校准数字信号输出的温湿度复合传感器。
具有体积小、功耗低、响应速度快、性价比高等优点,能够满足本系统的设计要求。
(二)单片机控制模块选择 STC89C52 单片机作为控制核心。
它具有丰富的 I/O 口资源、较高的处理速度和稳定性,能够有效地处理和控制整个系统的运行。
(三)显示模块采用液晶显示屏 1602,它能够清晰地显示温湿度数据和相关信息。
(四)存储模块选用 EEPROM 芯片 AT24C02 作为存储模块,用于存储温湿度数据,方便后续查询和分析。
(五)报警模块使用蜂鸣器作为报警装置,当温湿度超出设定范围时,单片机控制蜂鸣器发出报警声音。
四、软件设计(一)主程序流程系统上电后,首先进行初始化操作,包括单片机内部资源的初始化、传感器的初始化、显示模块的初始化等。
然后,系统进入循环,不断读取传感器采集到的温湿度数据,并进行处理和分析。
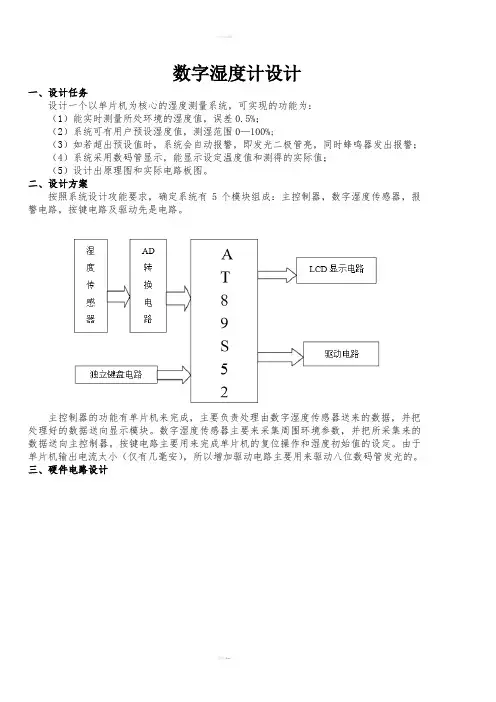
数字湿度计设计一、设计任务设计一个以单片机为核心的湿度测量系统,可实现的功能为:(1)能实时测量所处环境的湿度值,误差0.5%;(2)系统可有用户预设湿度值,测湿范围0—100%;(3)如若超出预设值时,系统会自动报警,即发光二极管亮,同时蜂鸣器发出报警;(4)系统采用数码管显示,能显示设定温度值和测得的实际值;(5)设计出原理图和实际电路板图。
二、设计方案按照系统设计攻能要求,确定系统有5个模块组成:主控制器,数字湿度传感器,报警电路,按键电路及驱动先是电路。
主控制器的功能有单片机来完成,主要负责处理由数字湿度传感器送来的数据,并把处理好的数据送向显示模块。
数字湿度传感器主要来采集周围环境参数,并把所采集来的数据送向主控制器。
按键电路主要用来完成单片机的复位操作和湿度初始值的设定。
由于单片机输出电流太小(仅有几毫安),所以增加驱动电路主要用来驱动八位数码管发光的。
三、硬件电路设计Pc板图元器件的选则湿度传感器湿度传感器的温度系数。
湿敏元件除对环境湿度敏感对温度都十分敏感,而且在不同的相对湿度下其温度系数是有差异的。
温漂非线性,我们需要在电路上加温度补偿式。
湿度传感器温漂曲线的线性化直接影响到补偿的效果,非线性的温漂补偿不出较好的效果,采用单片机软件补偿,或者无温度补偿的湿度传感器也是保证不了全温范围的精度,只有采用硬件温度跟随性补偿才会获得真实的补偿效果。
应注意的是多数湿敏元件在40℃以上的环境是无法正常工作。
DHT11数字温湿度传感器是一款含有已校准数字信号输出的温湿度复合传感器。
它应用专用的数字模块采集技术和温湿度传感技术,确保产品具有极高的可靠性与卓越的长期稳定性。
传感器包括一个电阻式感湿元件和一个NTC测温元件,并与一个高性能8位单片机相连接。
因此该产品具有品质卓越、超快响应、抗干扰能力强、性价比极高等优点。
每个DHT11传感器都在极为精确的湿度校验室中进行校准。
校准系数以程序的形式储存在OTP 内存中,传感器内部在检测信号的处理过程中要调用这些校准系数。
基于单片机的温湿度检测系统的设计一、引言温湿度是常见的环境参数,对于很多应用而言,如农业、生物、仓储等,温湿度的监测非常重要。
因此,设计并实现一个基于单片机的温湿度检测系统是非常有实际意义的。
本文将介绍该温湿度检测系统的设计方案,并详细阐述其硬件和软件实现。
二、系统设计方案1.硬件设计(1)传感器选择温湿度传感器的选择非常关键,常用的温湿度传感器包括DHT11、DHT22、SHT11等。
根据不同应用场景的精度和成本要求,选择相应的传感器。
(2)单片机选择单片机是整个系统的核心,需要选择性能稳定、易于编程的单片机。
常用的单片机有51系列、AVR系列等,也可以选择ARM系列的单片机。
(3)电路设计温湿度传感器与单片机的连接电路包括供电电路和数据通信电路。
供电电路通常采用稳压电源,并根据传感器的工作电压进行相应的电压转换。
数据通信电路使用串行通信方式。
2.软件设计(1)数据采集单片机通过串行通信方式从温湿度传感器读取温湿度数据。
根据传感器的通信协议,编写相应的代码实现数据采集功能。
(2)数据处理将采集到的温湿度数据进行处理,可以进行数据滤波、校准等操作,以提高数据的准确性和可靠性。
(3)结果显示设计一个LCD显示屏接口,将处理后的温湿度数据通过串行通信方式发送到LCD显示屏上显示出来。
三、系统实现及测试1.硬件实现按照上述设计方案,进行硬件电路的实现。
连接传感器和单片机,搭建稳定的供电电路,并确保电路连接无误。
2.软件实现根据设计方案,使用相应的开发工具编写单片机的代码。
包括数据采集、数据处理和结果显示等功能的实现。
3.系统测试将温湿度检测系统放置在不同的环境条件下,观察测试结果是否与真实值相符。
同时,进行长时间的测试,以验证系统的稳定性和可靠性。
四、系统优化优化系统的稳定性和功耗,可以采用以下方法:1.优化供电电路,减小电路噪声和干扰,提高电路的稳定性。
2.优化代码,减小程序的存储空间和运行时间,降低功耗。
基于单片机土壤温湿度检测计设计一、引言土壤温湿度是农业生产中非常重要的因素之一,对于农作物的生长和产量有着重要影响。
因此,设计一款能够快速、准确地测量土壤温湿度的检测仪器是十分必要的。
本文将介绍一种基于单片机的土壤温湿度检测计的设计方案。
二、设计方案1.硬件设计硬件设计包括传感器选型、模块连接、显示屏等方面。
传感器选型:土壤温湿度传感器是测量土壤温湿度的核心部件,需要选取性能稳定、精度高的传感器。
常用的土壤温湿度传感器有分布式温湿度传感器、阴极使导湿度传感器等,本设计选择分布式温湿度传感器。
模块连接:将传感器与单片机连接起来,可以通过模拟输入引脚将传感器的输出信号送入单片机进行处理。
同时,可以通过串口或者I2C总线等方式将单片机与显示屏连接,实时显示测量结果。
显示屏:设计中可以选择LED数码管显示屏或者液晶屏来显示温湿度数值。
数码管显示屏更为简单,但是显示效果较差;液晶屏显示效果好,但是需要额外的驱动电路。
2.软件设计软件设计主要是单片机程序的编写,包括传感器数据的读取、处理和显示等功能。
传感器数据的读取:通过单片机的模拟输入引脚读取传感器输出的模拟信号,然后进行模拟到数字的转换。
数据处理:对传感器读取到的数据进行处理,可以进行温度和湿度的校准,然后计算得到最终的温度和湿度数值。
数据显示:将处理后的温湿度数值通过串口或者I2C总线发送给显示屏,并在屏幕上实时显示。
3.功能设计土壤温湿度检测计可以设计以下功能:-实时显示土壤温度和湿度数值;-设置报警功能,当温湿度超过一定范围时,发出警报;-数据存储功能,可以将测量得到的温湿度数据保存到存储芯片中,方便后续分析;-数据通信功能,可以通过串口或者无线方式将测量数据传给上位机,实现数据的远程监测与管理。
三、总结本文介绍了一种基于单片机的土壤温湿度检测计的设计方案,包括硬件和软件设计。
通过选用适当的传感器,并将其与单片机和显示屏连接起来,可以实时、准确地测量土壤温湿度,并通过显示屏显示出来。
基于单片机的温湿度监测系统毕业设计一、引言在现代社会中,温湿度的监测在许多领域都具有重要意义,例如农业生产、仓储管理、工业制造以及室内环境控制等。
为了实现对温湿度的准确、实时监测,基于单片机的温湿度监测系统应运而生。
本毕业设计旨在设计并实现一种基于单片机的温湿度监测系统,以满足实际应用中的需求。
二、系统总体设计方案(一)系统功能需求分析本系统需要实现对环境温湿度的实时采集、数据处理、显示以及超限报警等功能。
能够在不同的环境中稳定工作,并具有较高的测量精度和可靠性。
(二)系统总体结构设计系统主要由单片机控制模块、温湿度传感器模块、显示模块、报警模块以及电源模块等组成。
单片机作为核心控制器,负责协调各个模块的工作,温湿度传感器用于采集环境温湿度数据,显示模块用于实时显示测量结果,报警模块在温湿度超限时发出警报,电源模块为整个系统提供稳定的电源。
三、硬件设计(一)单片机控制模块选择合适的单片机型号,如 STC89C52 单片机,其具有丰富的资源和良好的性价比。
单片机通过 I/O 口与其他模块进行通信和控制。
(二)温湿度传感器模块选用 DHT11 数字温湿度传感器,该传感器具有体积小、功耗低、测量精度高、响应速度快等优点。
通过单总线方式与单片机进行数据传输。
(三)显示模块采用液晶显示屏(LCD1602)作为显示设备,能够清晰地显示温湿度测量值。
通过并行接口与单片机连接。
(四)报警模块使用蜂鸣器和发光二极管作为报警装置,当温湿度超过设定的阈值时,蜂鸣器发声,发光二极管闪烁。
(五)电源模块设计稳定的电源电路,为整个系统提供 5V 直流电源。
可以采用电池供电或者通过电源适配器接入市电。
四、软件设计(一)系统主程序设计主程序主要负责系统的初始化、各模块的协调控制以及数据处理和显示。
首先对单片机进行初始化,包括设置 I/O 口状态、定时器和中断等。
然后循环读取温湿度传感器的数据,并进行处理和显示,判断是否超过阈值,若超过则启动报警。
目录1 绪论 (1)1.1选题背景及意义 .................................... 错误!未定义书签。
1.2设计任务与要求 .................................... 错误!未定义书签。
2 总体方案设计 (3)3单元模块设计 (5)3.1各单元模块功能介绍及电路设计 (5)3.1.1时钟模块简介 (5)3.1.2 复位模块简介 (6)3.1.3 报警模块简介 (6)3.1.4 显示模块简介 (7)3.2特殊器件的介绍 (8)3.3.1 土壤湿度传感器简介 (8)3.3.2 51系列单片机简介 (9)3.3.3 LCD1602简介 (9)3.3.4 蜂鸣器简介 (13)3.3各单元模块的联接 (13)4软件设计 (13)4.1软件设计原理 (14)4.2软件设计所用工具 (14)4.3系统软件流程框图 (14)5系统调试 (15)5.1 硬件调试 (16)5.2 软件调试 (16)6系统功能及结论 (16)6.1系统功能功能实现情况 .............................. 错误!未定义书签。
6.2设计中遇到的问题及解决 (17)6.3后期展望 .......................................... 错误!未定义书签。
7总结与体会 ............................................. 错误!未定义书签。
8参考文献 . (20)附录1:相关设计图 (21)附录2:元器件清单表 (22)附录3:相关设计软件 (23)1 绪论1.1选题背景及意义在中国广大面积的农村,没有发达的工商业,有的只是大量闲置的田地。
如果利用这些闲置的田地,种植美丽的花卉、树苗,能给当地带来一笔可观的收入。
而这些花卉及树苗的种植对土壤湿度有着极高的要求。
在植物的成长过程中,土壤的湿度起着一个很重要的作用,并且不同的植物,对土壤的湿度需求是不同的。
基于ZigBee单片机的农田土壤湿度监测
系统的设计毕业论文
引言
- 介绍农田土壤湿度监测的重要性和现有问题
- 简要描述本文所设计的基于ZigBee单片机的土壤湿度监测系统
系统设计
1. 系统架构
- 说明系统的总体结构和主要组成部分
- 描述传感器、单片机、通信模块等关键组件的功能和连接方式
2. 传感器选择与接口设计
- 分析不同土壤湿度传感器的特性,选择合适的传感器
- 描述传感器与单片机之间的接口设计,包括连接方式和通信协议
3. 单片机程序设计
- 介绍系统的控制逻辑和实现方式
- 讨论实时数据采集、存储和传输等功能的实现方法
4. 通信模块选择和配置
- 分析不同 ZigBee 通信模块的特点与性能
- 选择合适的模块,并描述其配置方法和数据传输方式
系统实现与测试
1. 硬件搭建与调试
- 详细说明系统硬件的搭建过程
- 描述相关硬件调试的方法和步骤
2. 软件开发与调试
- 介绍系统软件的开发环境和工具
- 讨论软件开发过程中遇到的问题和解决方法
3. 功能验证与性能评估
- 描述对系统功能进行的验证实验和测试
- 讨论实验结果并评估系统的性能与稳定性
结论
- 总结本文的研究内容和成果
- 指出系统设计的优点和不足之处
- 提出对进一步改进和优化的建议
附录
- 附上系统主要代码和电路图等相关技术资料
参考文献
- 列出本文所引用的参考文献清单。
吉林农业大学本科毕业设计论文题目:土壤温湿度采集系统设计学生姓名:专业年级:电子信息科学与技术专业指导教师:职称讲师2008 年 6 月 2 日目录题目与摘要................................................................................................................................1 前言......................................................................................................................................1.1题目的来源与开发意义 .....................................................................................................1.2系统功能概述......................................................................................................................2 系统硬件设计........................................................................................................................2.1 系统硬件设计概述.............................................................................................................2.1.1无线传输核心技术——ZigBee ......................................................................................2.1.2终端设备解决方案...........................................................................................................2.2 系统框图.............................................................................................................................2.2.1网络系统框图...................................................................................................................2.2.2终端设备系统框图...........................................................................................................2.3 方案论证.............................................................................................................................2.3.1网络制式选择...................................................................................................................2.3.2终端设备方案选择...........................................................................................................2.4 硬件设计与物理实现.........................................................................................................2.4.1 网络建设——ZigBee无线传输技术介绍 ....................................................................2.4.2 终端设备硬件实现方法 .................................................................................................2.4.2.1 主控芯片CC2430与无线收发...................................................................................2.4.2.2 数据采集 (1)2.4.2.3 数据显示 (3)2.4.2.4 数据存储 (3)2.4.2.5 按键控制 (3)3 系统软件设计 (3)3.1 系统软件总体设计思想 (3)3.2 各功能模块软件程序设计 (3)4 系统调试 (4)4.1 硬件电路调试 (4)4.2 各功能模块软件调试 (4)5 结论 (4)附录一系统总体硬件电路图 (4)附录二系统程序流程图 (4)附录三系统程序清单 (5)土壤温湿度采集系统设计学生:韩专业:电子信息科学与技术指导教师:摘要:本设计基于CC2430无线片上系统为核心部件,用时域反射型(TDR)抗腐蚀土壤湿度传感器采集湿度数据,以DS18B20采集土壤温度,同时根据农业生产的需要附加SHT11温湿度模块采集空气温湿度值,使用OLED屏显示测得数据,并用AT24C08存储数据。
基于某单片机地土壤温湿度检测计设计设计基于单片机的土壤温湿度检测器设计介绍:土壤温湿度检测器是一种用于实时监测土壤温度和湿度的设备,广泛应用于农业领域。
本文将基于单片机设计一个简单而有效的土壤温湿度检测器,以提高农田管理的效率。
设计目标:1.实时监测土壤温度和湿度,并通过显示器显示读数。
2.设计稳定可靠的硬件电路,以确保准确的测量结果。
3.提供合适的用户界面,方便用户操作和数据读取。
4.可以记录并存储历史数据,以供后续分析和参考。
硬件设计:本设计采用单片机作为主控制器,配合温湿度传感器、LCD显示器和存储器等其他外围设备。
1.温湿度传感器:选择高精度的数字温湿度传感器,如DHT11或DHT22,用于测量土壤温度和湿度。
2.单片机:选择适用于本设计的单片机,可根据需求选择性能较高的型号,如STC89C523.显示器:选择LCD显示器作为人机界面,以显示当前温湿度读数和其他相关信息。
4.存储器:选择合适的存储器,例如EEPROM或SD卡,用于记录历史数据。
软件设计:1.初始化:在程序开始时,对单片机和传感器进行初始化配置。
2.温湿度测量:通过单片机与传感器之间的通信接口,周期性地读取传感器测量的土壤温度和湿度数值。
3.数据显示:将读取到的土壤温湿度数值通过LCD显示器显示出来,以便用户实时观察。
4.数据记录:将读取到的土壤温湿度数值存储到存储器中,以便后续分析和参考。
5.用户交互:设计相应的按键和菜单功能,允许用户进行相关设置和操作,如切换显示模式、查看历史数据等。
优化建议:1.电源稳定性:对于单片机和其他电路板的供电电源,应该采取稳定可靠的设计,以确保系统正常运行。
2.通信稳定性:传感器与单片机之间的通信接口应该具备稳定性,并在设计时考虑可能的干扰源。
3.逻辑算法优化:针对温湿度数据的处理算法,可以考虑优化算法以提高测量准确性和效率。
4.数据存储容量:选择适当的存储器容量,以确保能够存储足够的历史数据。
基于单片机的土壤含水率监测系统设计摘要:为实现农业生产力科学化、低成本化发展,本设计采用STM32F103单片机作为主控芯片,整体由土壤含水率采集单元和控制单元两大部分组成,通过单片机的ADC进行信号转换。
其中土壤含水率采集单元选用YL-69土壤湿度传感器;控制单元包括显示模块、按键模块、报警模块、电源模块。
通过对采集的信号进行分析处理得到机具的数据,建立数学模型监控对比。
关键词:人工智能科学分析单片机芯片0引言土地质量的监测对于实现农业的可持续发展具有重要意义,而土壤含水率即土壤湿度的测定与控制,更是土地质量评定的重要指标。
目前,国内对于土壤水分监测仍存在局限性,李芳花等以遥感模型与土壤水分消退三成蒸散模型为核心进行数据分析,虽提升了准确度,但仍存在价格高昂、普及性低等问题。
为此提出基于单片机的土壤含水率监测系统设计,利用计算机技术与通信交互技术,实现对土壤的科学分析与指导。
1 系统概述基于单片机的土壤含水率监测系统设计采用STM32F103单片机作为主控芯片,整个系统由土壤含水率采集单元和控制单元两部分组成,两部分间通过单片机的ADC进行模拟信号与数据信号转换。
将湿敏电阻采集的土壤湿度转换为电压信号,结合软件时钟控制,再将电压信号通过A/D转换电路转变为可识别的数字信号,最后通过单片机的分析处理,将土壤湿度数据实时在TFT-LCD液晶显示屏显示并进行语音通报,实施土壤含水率监测与超额报警。
2 系统硬件设计2.1 主控芯片STM32STM32F103属于一个微控制器,适用于控制类,自带了各种常用通信接口,可接非常多的传感器,控制多重设备[2]。
时钟、复位和电源管理:2.0-3.6V的电源供电和I/O接口的驱动电压。
上电复位(POR)、掉电复位(PDR)和可编程的电压探测器(PVD),4-16MHz的晶振,内嵌出厂前调校的8MHz RC振荡电路[2]。
内部40kHz的RC振荡电路,带校准用于RTC的32kHz的晶振。
目录1 绪论 (1)1.1选题背景及意义 .................................... 错误!未定义书签。
1.2设计任务与要求 .................................... 错误!未定义书签。
2 总体方案设计 (3)3单元模块设计 (5)3.1各单元模块功能介绍及电路设计 (5)3.1.1时钟模块简介 (5)3.1.2 复位模块简介 (6)3.1.3 报警模块简介 (6)3.1.4 显示模块简介 (7)3.2特殊器件的介绍 (8)3.3.1 土壤湿度传感器简介 (8)3.3.2 51系列单片机简介 (9)3.3.3 LCD1602简介 (9)3.3.4 蜂鸣器简介 (13)3.3各单元模块的联接 (13)4软件设计 (14)4.1软件设计原理 (14)4.2软件设计所用工具 (15)4.3系统软件流程框图 (15)5系统调试 (16)5.1 硬件调试 (16)5.2 软件调试 (16)6系统功能及结论 (17)6.1系统功能功能实现情况 .............................. 错误!未定义书签。
6.2设计中遇到的问题及解决 (17)6.3后期展望 .......................................... 错误!未定义书签。
7总结与体会 ............................................. 错误!未定义书签。
8参考文献 . (20)附录1:相关设计图 (21)附录2:元器件清单表 (23)附录3:相关设计软件 (24)1 绪论1.1选题背景及意义在中国广大面积的农村,没有发达的工商业,有的只是大量闲置的田地。
如果利用这些闲置的田地,种植美丽的花卉、树苗,能给当地带来一笔可观的收入。
而这些花卉及树苗的种植对土壤湿度有着极高的要求。
在植物的成长过程中,土壤的湿度起着一个很重要的作用,并且不同的植物,对土壤的湿度需求是不同的。
土壤湿度可以直接影响营养物质的吸收和植物的生长发育,同时还影响土壤中各种养分的有效性。
当土壤湿度不适当时,不仅严重影响其正常生长,甚至会导致种植品死亡,造成种植户的严重经济损失。
为此,从事该类农业生产的种植户非常需要一种成本低、体积小且检测可靠的土壤湿度检测仪,为水分供应提供依据。
土壤湿度是作物生长发育的基本条件和作物产量预报的重要参数。
同时,它也是水文学、气象学等科学研究领域的重要环境因子和过程参数,获取土壤湿度信息以制定人工干预调节措施是稳固生产的重要保证, 对于土壤湿度的研究也具有重要意义。
实时、有效地监测土壤墒情显得尤为重要。
1.2国内外发展状况目前,在低温条件下(通常指100℃以下),湿度的测量已经相对成熟。
利用新型单总线式数字湿度传感器实现对湿度的测试与控制得到更快的开发。
但人们对它的要求越来越高,要为现代人工作、科研、学习、生活提供更好的更方便的设施就需要从数字单片机技术入手,设计一种造价低廉、使用方便且测量准确的温湿度测量仪,使一切向着数字化,智能化控制方向发展。
湿度测量被广泛的应用于农业研究、食品、医药、化工、气象、环保、电子、实验室等众多领域。
目前,随着工业控制自动化进程的加快,它的运用越来越普遍,并且在不断的延伸。
在日常的生产生活中,经常需要检测环境中的湿度,而运用到工农业生产领域则要求更为严格。
随着科技的发展,环境监测在农业领域的应用越来越广泛,例如要确定某些幼苗的生长特性与温度、湿度有什么样的关系等。
这些都需要利用温湿度的实时记录才能实现。
继而湿度测量仪被广泛应用于粮仓、种植园、温室大棚、自动控制等众多领域。
可以对环境的湿度进行检测和控制,以实现数据采集、湿度调节以及超限报警等各项功能。
温湿度传感器除电阻式、电容式湿敏元件之外,还有电解质离子型湿敏元件、重量型湿敏元件(利用感湿膜重量的变化来改变振荡频率)、光强型湿敏元件、声表面波湿敏元件等。
湿敏元件的线性度及抗污染性差,在检测环境湿度时,湿敏元件要长期暴露在待测环境中,很容易被污染而影响其测量精度及长期稳定性。
1.3设计的主要内容本文设计的是基于单片机STC89C52的温湿度检测系统,主要以广泛应用的土壤湿度传感器YL-69作为温度和湿度的检测,该仪器具有测量精度较高、硬件电路简单、并能很好的进行显示,可测试不同土壤环境湿度的特点。
单片机是系统的控制核心,所以单片机的性能关系到整个系统的好坏。
因此单片机的选择,对所设计系统的实现以及功能的扩展有着很大的影响。
本次设计是以STC89C52单片机为核心,配合土壤湿度传感器YL-69,以及相关的外围电路组成的简易湿度检测系统,通过终端传感器检测环境中的湿度的变化,可以接收所测土壤环境的湿度信号,并对采集到的数据进行处理和传输,检测人员可以通过1602液晶显示器显示的数据,实时监控环境的湿度数据。
传感器得到的土壤湿度信号,经电路转换为电信号,通过转换送到单片机进行数据处理,然后送到显示部分进行显示。
本文给出了系统硬件电路的设计和软件程序的设计,实现了土壤湿度的实时自动检测的功能。
实践证明该温湿度测量仪具有测量精度高、通用性强等特点,具有一定的实用价值。
系统主要由STC89C52单片机、土壤湿度传感器YL-69、LCD1602和其他外围电路组成,实现的基本功能和要求如下:(1)用STC89C52单片机通过编程来控制土壤湿度正常与否的显示;(2)通过调节模块中蓝色的电位器的大小来控制湿度控制范围;(3)超出设计范围时蜂鸣报警;(4)画出相关设计图,能做出实物,写出设计和和总结报告2 总体方案设计要求单片机系统应具有可靠性高、操作维护方便、性价比高等特点。
高可靠性是单片机系统应用的前提,在系统设计的每一个环节,都应该将可靠性作为首要的设计准则。
提高系统的可靠性通常从以下几个方面考虑:使用可靠性高的元器件;设计电路板时布线和接地要合理;对供电电源采用抗干扰措施;输入输出通道抗干扰措施;进行软硬件滤波;系统自诊判断功能等。
在系统的软硬件设计时,应从操作者的角度考虑操作和维护方便,要尽可能减少人机交换接口,多采用操作内置或简化的方法。
单片机除体积小、功耗低等特点外,最大的优势在于高性能价格比。
一个单片机应用系统能否被广泛使用,性价比是其中一个关键因素。
因此,再设计时,除了保持高性能外,尽可能降低成本,如简化外围硬件电路,在系统性能和速度允许的情况下尽可能使用软件功能取代硬件功能等。
方案一:可利用湿度传感器采样土壤中的湿度信号,以提供给显示电路部分,关于湿度含量可采用ADC的方法将模拟信号转换成数字信号,然后再用译码器将转换后的数字信号提给显示电路实现显示,ADC转换电路所需脉冲由555构成的多谐振荡器来提供。
图2.1 方案一流程图方案二:在本次设计中,以51单片机为主控芯片,各部分功能用外部电路来完成,主要包括时钟晶振电路,湿度测量电路,液晶显示模块,报警模块,按键模块,系统结构框图如下图所示。
图2.2 方案二流程图最终方案选择:在以上两种方案中,方案一中的译码器74HC4511存在消隐状态,即当ADC转换后的数据超过1001时,对于1010~1111六个代码,译码器输出均为低电平,显示器不能正常显示出每一单位下的湿度值。
所以该方案的精确度不及方案二,而且方案二中单片机除体积小、功耗低等特点外,最大的优势在于高性能价格比。
单片机控制速度远远快于方案一,这种方法的工作速率较高,而且精度较高。
,再设计时,除了保持高性能外,简化外围硬件电路,在系统性能和速度允许的情况下能使用软件功能取代硬件功能等。
所以最终选择方案二作为本次毕业设计的制作方案。
3单元模块设计本次设计采用单片机最小系统,所谓单片机的最小系统是指使单片机能运行程序、正常工作的最简单电路系统,是保证单片正常启动、开始工作的必须电路,缺一不可。
单片机最小系统一般由单片机、程序存储器、时钟电路和复位电路组成。
对于51单片机,由于片内有4K的程序存储器,所以其最小系统除了单片机本身外,只需外接时钟电路与复位电路即可。
在单片机构成的系统中,土壤湿度传感器YL-69首先将湿度信号转换成高低数字电平信号,单片机对送入的数字量信号进行处理后,通过LCD显示测量的温湿度值。
在本次设计中,以STC89C52单片机为主控芯片,各部分功能用外部电路来完成,主要包括时钟晶振电路,湿度测量电路,液晶显示模块,报警模块,按键模块等。
3.1各单元模块功能介绍及电路设计3.1.1 时钟模块简介图3.1.1.1 内部时钟电路单片机的时钟电路用于生产单片机工作所需要的时钟信号,而时序所研究的是指令执行中各地址信号之间的相互关系。
单片机本身就如一个复杂的同步时序电路,为了保证同步工作方式的实现,电路应在唯一的时钟信号控制下严格地按时序进行工作。
C51系列单片机各功能部件的运行都已时钟信号为基准,有条不紊、的工作。
因此,时钟频率直接影响单片机的速度,时钟电路的质量也直接影响单片机系统的稳定性。
本次设计采用的是内部时钟方式。
51单片机内部有一个用以构成振荡器的高增益反相放大器,它的输入端为芯片引脚XTAL1,输出端引脚XTAL2。
这两个引脚跨界石英晶体和微调电容,构成一个稳定的自激振荡器。
石英晶体和电容应尽可能安装得与单片机芯片靠近,以减少寄生电容,更好的保证振荡器稳定、可靠的工作。
为了提高温度稳定性,应采用温度稳定性较好的电容。
3.1.2 复位模块简介图3.1.2.1 按键电平复位电路单片机的复位电路是使 CPU 和系统中的其他功能部件都处在一个确定的初始状态,并从这个状态开始工作。
无论是单片机刚开始接上电源时,还是断电后或者发生故障后都要复位,单片机复位的条件是:必须使 RES/Vpd 或者 RST 引脚(9 脚)加上持续两个周期以上的高电平。
复位电路有上电自动复位和按钮复位两种方式,本设计采用的是按键手动复位,按键手动电平复位是通过RST端经电阻与电源Vcc接通来实现,具体电路如图3.1.2.2所示。
3.1.3 报警模块简介图3.1.3.1 蜂鸣器报警电路报警电路采用蜂鸣器报警电路,蜂鸣器与家用电气上的喇叭在用法上也有相似的地方,通常工作电流比较大,电路上的TTL点评基本上驱动不了蜂鸣器,需要增加一个电流放大的电路才可以,即此一个管脚很难驱动蜂鸣器发出声音,所以增加了一个三极管来增加通过蜂鸣器的电流。
蜂鸣器的正极性的一端联接到5V电源上面,另一端接到三极管的集电极,三极管的基极由单片机的一个管脚通过一个与门来控制,当管脚为低时,与非门输出高电平,三极管导通,这样蜂鸣器的电流形成回路,发出声音。
当管脚为高时,与非门输出低电平,三极管截至,蜂鸣器不发出声音。