水池侧墙及抗浮计算EXCLE自动计算公式
- 格式:xls
- 大小:124.50 KB
- 文档页数:6
目录目录 (1常用水力计算Excel程序使用说明 (1一、引言 (1二、水力计算的理论基础 (11.枝状管网水力计算特点 (12.枝状管网水力计算步骤 (23.摩擦阻力损失,局部阻力损失和附加压头的计算方法 (2 3.1摩擦阻力损失的计算方法 (23.2局部阻力损失的计算方法 (33.3附加压头的计算方法 (4三、水力计算Excel的使用方法 (41.水力计算Excel的主要表示方法 (52.低压民用内管水力计算表格的使用方法 (52.1计算流程: (52.2计算模式: (62.3计算控制: (63.低压民用和食堂外管水力计算表格的使用方法 (73.1计算流程: (73.2计算模式: (73.3计算控制: (74.低压食堂内管水力计算表格的使用方法 (84.1计算流程: (84.2计算模式: (84.3计算控制: (95.中压外管水力计算表格的使用方法 (95.1计算流程: (95.2计算模式: (95.3计算控制: (106.中压锅炉内管水力计算表格的使用方法 (106.1计算流程: (106.2计算模式: (106.3计算控制: (11四、此水力计算的优缺点 (111.此水力计算的优点 (111.1.一个文件可以计算不同气源的水力计算 (111.2.减少了查找同时工作系数,当量长度的繁琐工作 (12 1.3.进行了计算公式的选择 (121.4.对某些小细节进行了简单出错控制 (122.此水力计算的缺点 (122.1不能进行环状管网的计算 (122.2没有采用下拉菜单等可操作性强的方式 (122.3没有将某些已有的管件压损计算公式模块嵌入计算表中 (122.4没有将气源性质计算公式计算表中 (12五、存在问题的改进 (13六、后记 (13常用水力计算Excel程序使用说明一、引言随着我国经济的迅猛发展,人们对居住环境及生活条件改善的需求更加迫切。
燃气以其高热值、低污染、使用方便、快捷等的优点正迅速代替其他燃料,成为城市居民及公共建筑、工业用户的主要燃料。
(完整版)excel表格计算公式大全、使用技巧AND “与”运算,返回逻辑值,仅当有参数的结果均为逻辑“真(TRUE)”时返回逻辑“真(TRUE)”,反之返回逻辑“假(FALSE)”。
条件判断AVERAGE 求出所有参数的算术平均值。
数据计算COLUMN 显示所引用单元格的列标号值。
显示位置CONCATENATE 将多个字符文本或单元格中的数据连接在一起,显示在一个单元格中。
字符合并COUNTIF 统计某个单元格区域中符合指定条件的单元格数目。
条件统计DATE 给出指定数值的日期。
显示日期DATEDIF 计算返回两个日期参数的差值。
计算天数DAY 计算参数中指定日期或引用单元格中的日期天数。
计算天数DCOUNT 返回数据库或列表的列中满足指定条件并且包含数字的单元格数目。
条件统计FREQUENCY 以一列垂直数组返回某个区域中数据的频率分布。
概率计算IF 根据对指定条件的逻辑判断的真假结果,返回相对应条件触发的计算结果。
条件计算INDEX 返回列表或数组中的元素值,此元素由行序号和列序号的索引值进行确定。
数据定位INT 将数值向下取整为最接近的整数。
数据计算ISERROR 用于测试函数式返回的数值是否有错。
如果有错,该函数返回TRUE,反之返回FALSE。
逻辑判断LEFT 从一个文本字符串的第一个字符开始,截取指定数目的字符。
截取数据LEN 统计文本字符串中字符数目。
字符统计MATCH 返回在指定方式下与指定数值匹配的数组中元素的相应位置。
匹配位置MAX 求出一组数中的最大值。
数据计算MID 从一个文本字符串的指定位置开始,截取指定数目的字符。
字符截取MIN 求出一组数中的最小值。
数据计算MOD 求出两数相除的余数。
数据计算MONTH 求出指定日期或引用单元格中的日期的月份。
日期计算NOW 给出当前系统日期和时间。
显示日期时间OR 仅当所有参数值均为逻辑“假(FALSE)”时返回结果逻辑“假(FALSE)”,否则都返回逻辑“真(TRUE)”。
工业建筑结构设计混凝土结构设计指南及规定第六册水池结构设计指南(共八册)中冶京诚工程技术有限公司工业建筑院二OO五年七月目录一.材料 (2)二.水、土压力计算 (3)三.侧壁内力计算 (4)四.底板内力计算 (6)五.配筋计算 (9)六.裂缝宽度验算 (9)七.侧壁、底板厚度拟定 (10)八.抗浮验算 (11)九.工况组合 (11)十.构造要求 (11)十^一.按强度及裂缝宽度控制的最大弯矩值(附表三) (14)十二.例题 (26)编制:李绪华审核:孙衍法编程:覃嘉仕钢铁厂的设计中会经常遇到水池,无论是炼铁、炼钢,还是轧钢, 都存在水池。
因没有统一的设计方法,导致设计方法较为离散。
结合《给水排水工程钢筋混凝土水池结构设计规程》(CECS 138:2002),对水池结构的设计方法进行一定的统一。
一.材料1. 砼强度等级不低于C25,严寒和寒冷地区不低于C30。
2. 抗渗等级,根据最大作用水头与砼厚度的比值确定一般情况下采用S6即可满足要求。
3. 抗冻等级最冷月平均气温低于一3C的地区,外露的钢筋砼构筑物的砼应具有良好的抗冻性能,按下表采用:砼抗冻等级Fi系指龄期为28d的砼试件,在进行相应要求冻融循环总次数i次作用,其强度降低不大于25%,重量损失不超过5% 最冷月平均气温在《民用建筑热工设计规范》GB 50176-93中查取。
如:北京—45C 天津—4.0C通化—16.1C 石家庄—29C承德—94C 西安—09C太原—65C 本溪—122C兰州—67C 银川—89C 基本上除东北、西北和华北的大部分地区外,其他地区均不需要考虑砼抗冻要求。
二.水、土压力计算1 .水压力按季节最高水位计算水压力,勘察报告中一般提出勘察期间地下水位,可根据勘察的季节及水位变化幅度确定计算水位,准永久值系数为1.0。
2. 土压力主动土压力系数K a可按1/3,地下水位以上土的重度取18kN/m3, 地下水位以下取土的有效重度,可按10 kN/m3,准永久值系数为1.0。
Excel 水力计算展示之 专题4. 棱柱体渠道水面线计算在工程中,仅对明渠恒定非均匀渐变流的水面曲线进行定性分析是不能满足要求的,还需要知道沿程各断面水力要素的改变情况,即要对水面曲线进行定量的计算和绘制。
水面曲线的计算结果可以预测水位的变化对两岸的影响,确定淹没范围,估算淹没损失等。
在工程中,最常用的方法是分段求和法。
基本公式如下:21s s s E E E l i J i J∆-∆==-- (4-1) 式中:1s E 、2s E 分别表示流段上、下游断面的断面比能;J 表示流段内的平均水力坡度;i 表示渠道的底坡;l ∆为流段长度。
流段的平均水力坡度J 一般采用以下方法计算:121()2J J J =+ (4-2)22Q J K=(4-3)流量模数平均值K 或2K 可用以下三种方法之一计算:(1) K = (4-4)式中:121()2A A A =+,121()2C C C =+,121()2R R R =+(2) 222121()2K K K =+ (4-5)(3)22212111()2K K K=+ (4-6) 用分段求和法计算水面曲线的基本方法,是先把渠道按水深划分为几个流段,然后计算每个流段的长度,逐段推算。
具体步骤如下:(1)分析判别水面曲线的类型;(2)确定控制断面,以控制断面的水深作为流段的第一已知水深1h ; (3)假设流段另一断面水深为21h h h =±∆,进行分段; (4)根据水深1h 和2h ,应用公式(4-1)求出第一流段长1l ∆;(5)将2h 作为下一流段的控制水深,重复以上计算,求出第二流段长2l ∆;依次类推,可求出3l ∆、4l ∆……,最后求得水面曲线全长1ni i l l ==∆∑ (4-7)(6)根据计算结果,按比例绘出水面曲线。
需要注意的是,分段越多,计算量越大,精度也越高。
【工程任务】有一长直的梯形断面棱柱体渠道,底宽20b =m ,边坡系数 2.5m =,糙率0.0225n =,底坡0.0001i =。
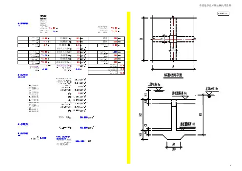
泵站抗浮计算
一、泵站水池顶标高为8.300m,室外地面标高为8.000m,泵站水池底板顶面最低处标高为2.550m,根据勘探报告,本工程抗浮水位按室外地面以下1.0m 计算,故抗浮水位为5.050m,算例按整体计算抗浮要求。
水浮力为:1.05*12.75*5.6*5.05*10=3785 kN
底板自重:12.75*5.6*0.5*25=892.5kN
侧墙自重:2*0.5*5.7*(12.75 +5.2)*25=2557.9kN
上部墙自重:(2.4*5.6+3.8*5.6*2)*0.3*25=420 kN
覆土自重:3.2*4.6*20*1.8=530 kN
自重荷载总值为:827.4+2087.6+420=3335>3071 kN
故抗浮满足要求。
二、明渠水池侧墙顶标高为8.300m,室外地面标高8.000m,泵站水池底板顶面标高为3.150m,根据勘探报告,本工程抗浮水位按室外地面以下1.0m计算,底板按600mm计算,每边外挑0.65m,故抗浮水位为4.550m,算例按单位长度计算抗浮要求。
水浮力为:1.05*1.0*7.0*4.45*10=327.1kN
底板自重:1.0*8.3 *0.6*25=124.5kN
侧墙自重:2*0.5*1.0*5.15*25=128.75 kN
挑板上覆土土重:12*4.85*0.65*2=75.66kN
自重荷载总值为:124.5+128.75+75.66=328.91kN>327.1kN
故抗浮满足要求。
竭诚为您提供优质文档/双击可除excel表格计算,消力池篇一:消力池计算(2)消能计算本消力池计算时采用的洪水标准为10年一遇,边墙高度复核采用洪水标准为200年一遇。
本消力池设计为底流消能,设计采用下挖式消力池,等宽矩形横断面,其共轭水深h2按下列公式计算:hh122(8F2r11)(a.5.1-1)Fr1V1/gh1(a.5.1-2)式中:Fr1——收缩断面弗劳德数h1——收缩断面水深,mV1——收缩断面流速,m/s水跃长度l按下式计算:l=6.9(h2-h1)消力池池深、池长按下列公式计算:dh2htzzq22gb2(112h22)t2h2lk0.8l式中:d——池深,ms——水跃淹没度取s=1.05h2——池中发生临界水跃时的跃后水深,mht——消力池出口下游水深,ma.5.3-1)a.5.3-2)(a.5.1-3)((△z——消力池尾部出口水面跃落,mq——流量,m3/sb ——消力池宽度,mφ——消力池出口段流速系数,取0.95l——自由水跃的长度,m篇二:消力池计算问题水库出险加固。
消力池收缩面的水深采用水力学p5的公式:eo=hc+q^2/(2g*φ^2*hc^2)算得收缩面水深hc的值与溢洪道水面线计算的收缩面水深hc相差太大。
请教一下:是不是消力池比较长,而且不同坡比,在渠道中又有水头损失。
这时候能量公式就不准确了啊?!一般收缩水深就是泄槽末端的水深吗?!另外:出池河床水深hs这个值对消力池深度影响很大。
对Δz也有影响。
这个hs一般怎么取值啊?我这个溢洪道平时基本不泄流,所以消力池出口的河床都是干的。
溢洪流量:30,溢洪道长116米,落差15米,宽6.5米。
分几个坡比最后一个是0.2:1。
消力池大致挖1.5米深,10米长。
问一下经验丰富的人设计人员这个消力池能不能满足要求啊?!另外消力池要满足的效能工况并不是溢洪道泄洪时候的最大流量。
也就是说溢洪道最大泄流量产生的水跃hc并非最大。
Excel表格自动计算技巧一、显示单元格例有计算式的结果的设置方法首先:插入-名称-定义在弹出的对话框“当前工作薄的名称”中输入: X或“结果”的自定义名称,再在“引用位置”处粘贴=EVALUATE(SUBSTITUTE(S UBSTITUTE(SUBSTITUTE(SUBSTITUTE(计算!$C$1,"[","("),"]",")"),"×","*"),"÷"," /")) 公式(注意要有“=”号。
再对公式中“计算!$C$1”选择上,然后再到需要做公式的单元格中点击即可。
如要相对引用,则要删除$字符。
已经OK,你在C1输入表达式比如15+5×3 ,在D1中输入=x 看看(应该是30)。
二、如何在Excel中输入计算式后另一单元显示计算结果菜单--插入--名称--定义:输入AA(任意取名),在下面输入公式:=EVALUATE($A$1)然后在B1单元格输入公式:=AA但本式不能识别如:[ 、×、÷等符号进行计算,使用第一种较好。
三、如何在Excel中编写自定义函数,象在表格中调用SUM()一样?第一种情况:单元格A1 = 2;单元格B1 = 2;单元格C1 = 2单元格D1=(A1+B1)×C1 显示结果为8 ;那么如何才能在单元格E1中显示(2+2)×2的计算表达式,并且建立关联,当单元格D1变成=(A1+BA)^C1 计算式后,显示结果为16;那么E1也就自动显示为(2+2)^2的计算表达式,也就是说随着单元格D1的计算公式变化,单元格E1显示的计算表达式也随之变化。
第二种情况:是当计算的单元格任意变化时,怎么办?比如说计算式E1=A1+B1+C1+D1,也有D2=A2+B2+C2,还有F3=A1+B1+C1+D1+E1时。
圆形蓄水池工程量及配筋Excel计算.xls一.项目背景圆形蓄水池工程是为了满足某地区水源供应需求而设计的水利工程。
该工程由蓄水池主体结构和相关配套设施组成,主要包括蓄水池的建设工程量和配筋计算。
二.蓄水池建设工程量计算1. 假设设计水位:XXXX(单位:米)2. 蓄水池顶高程计算:(1)蓄水池顶高程 = 假设设计水位 + 基底基准高程(2)基底基准高程 = XXXX(单位:米)3. 蓄水池底面积计算:(1)蓄水池底面积 = π * (蓄水池直径/2)^2(单位:平方米)(2)蓄水池直径 = XXXX(单位:米)4. 蓄水池壁面积计算:(1)蓄水池壁面积 = π * 蓄水池直径 * 蓄水池高度(单位:平方米)(2)蓄水池高度 = 假设设计水位 - 蓄水池底高程(单位:米)5. 蓄水池总体积计算:(1)蓄水池总体积 = 蓄水池底面积 * 蓄水池高度(单位:立方米)三.蓄水池配筋计算1. 蓄水池顶部配筋:(1)根据设计要求,确定蓄水池顶部配筋的规格和间距。
(2)根据蓄水池顶部面积计算配筋的总长度和数量。
2. 蓄水池壁面配筋:(1)根据设计要求,确定蓄水池壁面配筋的规格和间距。
(2)根据蓄水池壁面积计算配筋的总长度和数量。
3. 蓄水池底部配筋:(1)根据设计要求,确定蓄水池底部配筋的规格和间距。
(2)根据蓄水池底部面积计算配筋的总长度和数量。
附件:1. 圆形蓄水池工程量计算表格2. 圆形蓄水池配筋计算表格法律名词及注释:1. 假设设计水位:指在设计过程中预先确定的水位,用于计算蓄水池的容积。
2. 基底基准高程:蓄水池底部与参考基准面的相对高程。
3. π:圆周率,约等于3.1415926.一.项目背景圆形蓄水池工程是为了满足某地区水源供应需求而设计的水利工程。
该工程由蓄水池主体结构和相关配套设施组成,主要包括蓄水池的建设工程量和配筋计算。
二.蓄水池建设工程量计算1. 假设设计水位:XXXX(单位:米)2. 蓄水池顶高程计算:(1)蓄水池顶高程 = 假设设计水位 + 基底基准高程(2)基底基准高程 = XXXX(单位:米)3. 蓄水池底面积计算:(1)蓄水池底面积 = π * (蓄水池直径/2)^2(单位:平方米)(2)蓄水池直径 = XXXX(单位:米)4. 蓄水池壁面积计算:(1)蓄水池壁面积 = π * 蓄水池直径 * 蓄水池高度(单位:平方米)(2)蓄水池高度 = 假设设计水位 - 蓄水池底高程(单位:米)5. 蓄水池总体积计算:(1)蓄水池总体积 = 蓄水池底面积 * 蓄水池高度(单位:立方米)三.蓄水池配筋计算1. 蓄水池顶部配筋:(1)根据设计要求,确定蓄水池顶部配筋的规格和间距。
Microsoft Excel 2010 工程量计算式自动计算式特别注意:EXCEL的宏安全等级必须设置为低级(excel2003中)或无(excel2000中),在“工具”-“宏“”-“安全性”中设置!一、设计界面:1)、选择shellt1工作表,双击命名为“计算稿”,按图设计好界面:2)、选择shellt2工作表,双击命名为“单位库”,在A列的第1行开始逐行输入常用的计量单位,如:m³、m²、m….(操作技巧:输入平方“m²”,只需输入m后,按住“ALT”输入数字键盘“178”,m³输入“179”)一、单元格设置单位:1)、在“shellt1”工作表中设置计量单位下拉菜单:在菜单栏中,点击“公式”→“定义名称”,出现弹出窗口如下:在当前工作薄中的的名称下面输入“单位”,在“引用位置”输入“=Sheet2!$A$1:$A$8”,按“确定”关闭窗口。
选择“shellt1”工作表C5单元格,在菜单栏中,点击“数据”→“数据有效性”,出现在“设置”→“有效性条件”中,“允许(A)”下面选择“序列”,“来源(S)”下面输入“=单位”,在“忽略空值(B)”和“提供下拉箭头(I)”前面打勾,按“确定”关闭窗口。
我们再选择“计算稿”工作表C2单元格,这时,该单元格的右边会出现一个下拉箭头,点击这个箭头,选择我们需要的单位就可以了。
如要添加单位,在“shellt2”工作表的A列下面添加,“shellt1”工作表C2单元格会自动添加的。
其它单格元只要往下拉就可以了。
二、单元格设置计算式在菜单栏中,点击“公式”→“定义名称”,在当前工作薄中的的名称下面输入“计算式”,在“引用位置”输入“=EVALUATE(SUBSTITUTE(SUBSTITUTE(Sheet1!$E$2:$E$ 13,"[","*ISTEXT(""["),"]","]"")"))”,按“确定”关闭窗口;公式中“Sheet1!$E$2:$E$13”表示“Sheet1”工作表需要列式计算的“E2~E13”单元格。
中柱计算(2,3,5,6轴)边柱计算(1,7轴)基本数据:基本数据:计算柱网面积"A"=51.6m^2计算柱网面积"A"=24m^2水容重"γ0"=9.8kN/m^3水容重"γ0"=9.8kN/m^3土容重"γ1"=20kN/m^3土容重"γ1"=20kN/m^3钢筋砼容重"γ2"=25kN/m^3钢筋砼容重"γ2"=25kN/m^3抹灰层容重"γ3"=20kN/m^3抹灰层容重"γ3"=20kN/m^3计算埋深"H"= 4.05m计算埋深"H"= 4.05m顶板厚度"h1"=0.15m顶板厚度"h1"=0.15m底板厚度"h2"=0.45m底板厚度"h2"=0.45m抹灰厚度"h3"=0.1m抹灰厚度"h3"=0.1m覆土厚度"h4"=0.8m覆土厚度"h4"=0.8m承台面积 "A1"= 6.4m承台面积 "A1"= 2.6m承台高度"h5"= 1.0m承台高度"h5"= 1.0m桩径"d"= 1.0m桩径"d"= 1.0m桩长"L"=11.0m桩长"L"=11.0m 柱面积"A2"=0.16m柱面积"A2"=0.16m 柱计算高度"h6"= 3.5m柱计算高度"h6"= 3.5m 砼墙厚度"b"=0.25m砼墙厚度"b"=0.25m砼墙长度"l"=0.0m砼墙长度"l"=8.0m砼墙高度"h7"= 3.5m砼墙高度"h7"= 3.5m计算如下:计算如下:水浮力 V0=1.2*γ0*H=47.63kN/m^2水浮力 V0=1.2*γ0*H=47.63kN/m^2覆土压力 F1=h4*(γ1-γ0)=8.16kN/m^2覆土压力 F1=h4*(γ1-γ0)=8.16kN/m^2砼板重力 F2=γ2*(h1+h2)=15kN/m^2砼板重力 F2=γ2*(h1+h2)=15kN/m^2抹灰重力 F3=20*h3=2kN/m^2抹灰重力 F3=20*h3=2kN/m^2承台重力F4=(γ2-γ0)*A1*(h5-h2)=53.5kN承台重力F4=(γ2-γ0)*A1*(h5-h2)=21.4kN桩重力F5=(γ2-γ0)*d^2*0.785*L=131.3kN桩重力F5=(γ2-γ0)*d^2*0.785*L=131.3kN柱重力 F6=γ2*A2*h6=14kN柱重力 F6=γ2*A2*h6=14kN 砼墙重力 F7=γ2*b*l*h7=0kN砼墙重力 F7=γ2*b*l*h7=175kN 设计浮力 V=(V0-F1-F2-F3)*A-F4-F5-F6-F7=961kN设计浮力V=(V0-F1-F2-F3)*A-F4-F5-F6-F7=198kN 11#地块一区本表格已经设计好所有函数公式,只需在表格中填入相关的数据即可自动进行计算中柱计算(4轴)边柱计算(内角)基本数据:基本数据:计算柱网面积"A"=45.6m^2计算柱网面积"A"=32m^2水容重"γ0"=9.8kN/m^3水容重"γ0"=9.8kN/m^3土容重"γ1"=20kN/m^3土容重"γ1"=20kN/m^3钢筋砼容重"γ2"=25kN/m^3钢筋砼容重"γ2"=25kN/m^3抹灰层容重"γ3"=20kN/m^3抹灰层容重"γ3"=20kN/m^3计算埋深"H"= 4.05m计算埋深"H"= 4.05m顶板厚度"h1"=0.15m顶板厚度"h1"=0.15m底板厚度"h2"=0.45m底板厚度"h2"=0.45m抹灰厚度"h3"=0.1m抹灰厚度"h3"=0.1m覆土厚度"h4"=0.8m覆土厚度"h4"=0.8m承台面积 "A1"= 6.4m承台面积 "A1"= 2.6m承台高度"h5"= 1.0m承台高度"h5"= 1.0m桩径"d"= 1.0m桩径"d"= 1.0m桩长"L"=11.0m桩长"L"=11.0m 柱面积"A2"=0.16m柱面积"A2"=0.16m 柱计算高度"h6"= 3.5m柱计算高度"h6"= 3.5m 砼墙厚度"b"=0.25m砼墙厚度"b"=0.25m砼墙长度"l"=0.0m砼墙长度"l"= 6.5m砼墙高度"h7"= 3.5m砼墙高度"h7"= 3.5m计算如下:计算如下:水浮力 V0=1.2*γ0*H=47.63kN/m^2水浮力 V0=1.2*γ0*H=47.63kN/m^2覆土压力 F1=h4*(γ1-γ0)=8.16kN/m^2覆土压力 F1=h4*(γ1-γ0)=8.16kN/m^2砼板重力 F2=γ2*(h1+h2)=15kN/m^2砼板重力 F2=γ2*(h1+h2)=15kN/m^2抹灰重力 F3=20*h3=2kN/m^2抹灰重力 F3=20*h3=2kN/m^2承台重力F4=(γ2-γ0)*A1*(h5-h2)=53.5kN承台重力F4=(γ2-γ0)*A1*(h5-h2)=21.4kN桩重力F5=(γ2-γ0)*d^2*0.785*L=131.3kN桩重力F5=(γ2-γ0)*d^2*0.785*L=131.3kN柱重力 F6=γ2*A2*h6=14kN柱重力 F6=γ2*A2*h6=14kN 砼墙重力 F7=γ2*b*l*h7=0kN砼墙重力 F7=γ2*b*l*h7=142.188kN 设计浮力 V=(V0-F1-F2-F3)*A-F4-F5-F6-F7=826kN设计浮力V=(V0-F1-F2-F3)*A-F4-F5-F6-F7=410kN中柱计算(B交6)边柱计算(内角)基本数据:基本数据:计算柱网面积"A"=38m^2计算柱网面积"A"=32m^2水容重"γ0"=9.8kN/m^3水容重"γ0"=9.8kN/m^3土容重"γ1"=20kN/m^3土容重"γ1"=20kN/m^3钢筋砼容重"γ2"=25kN/m^3钢筋砼容重"γ2"=25kN/m^3抹灰层容重"γ3"=20kN/m^3抹灰层容重"γ3"=20kN/m^3计算埋深"H"= 4.05m计算埋深"H"= 4.05m顶板厚度"h1"=0.15m顶板厚度"h1"=0.15m底板厚度"h2"=0.45m底板厚度"h2"=0.45m抹灰厚度"h3"=0.1m抹灰厚度"h3"=0.1m覆土厚度"h4"=0.8m覆土厚度"h4"=0.8m承台面积 "A1"= 6.4m承台面积 "A1"= 2.6m承台高度"h5"= 1.0m承台高度"h5"= 1.0m桩径"d"= 1.0m桩径"d"= 1.0m桩长"L"=11.0m桩长"L"=11.0m 柱面积"A2"=0.16m柱面积"A2"=0.16m 柱计算高度"h6"= 3.5m柱计算高度"h6"= 3.5m 砼墙厚度"b"=0.25m砼墙厚度"b"=0.25m砼墙长度"l"=0.0m砼墙长度"l"= 6.5m砼墙高度"h7"= 3.5m砼墙高度"h7"= 3.5m计算如下:计算如下:水浮力 V0=1.2*γ0*H=47.63kN/m^2水浮力 V0=1.2*γ0*H=47.63kN/m^2覆土压力 F1=h4*(γ1-γ0)=8.16kN/m^2覆土压力 F1=h4*(γ1-γ0)=8.16kN/m^2砼板重力 F2=γ2*(h1+h2)=15kN/m^2砼板重力 F2=γ2*(h1+h2)=15kN/m^2抹灰重力 F3=20*h3=2kN/m^2抹灰重力 F3=20*h3=2kN/m^2承台重力F4=(γ2-γ0)*A1*(h5-h2)=53.5kN承台重力F4=(γ2-γ0)*A1*(h5-h2)=21.4kN桩重力F5=(γ2-γ0)*d^2*0.785*L=131.3kN桩重力F5=(γ2-γ0)*d^2*0.785*L=131.3kN柱重力 F6=γ2*A2*h6=14kN柱重力 F6=γ2*A2*h6=14kN 砼墙重力 F7=γ2*b*l*h7=0kN砼墙重力 F7=γ2*b*l*h7=142.188kN 设计浮力 V=(V0-F1-F2-F3)*A-F4-F5-F6-F7=655kN设计浮力V=(V0-F1-F2-F3)*A-F4-F5-F6-F7=410kN中柱计算(1-B轴)边柱计算(内角)基本数据:基本数据:计算柱网面积"A"=34m^2计算柱网面积"A"=32m^2水容重"γ0"=9.8kN/m^3水容重"γ0"=9.8kN/m^3土容重"γ1"=20kN/m^3土容重"γ1"=20kN/m^3钢筋砼容重"γ2"=25kN/m^3钢筋砼容重"γ2"=25kN/m^3抹灰层容重"γ3"=20kN/m^3抹灰层容重"γ3"=20kN/m^3计算埋深"H"= 4.05m计算埋深"H"= 4.05m顶板厚度"h1"=0.15m顶板厚度"h1"=0.15m底板厚度"h2"=0.45m底板厚度"h2"=0.45m抹灰厚度"h3"=0.1m抹灰厚度"h3"=0.1m覆土厚度"h4"=0.8m覆土厚度"h4"=0.8m承台面积 "A1"= 6.4m承台面积 "A1"= 2.6m承台高度"h5"= 1.0m承台高度"h5"= 1.0m桩径"d"= 1.0m桩径"d"= 1.0m桩长"L"=11.0m桩长"L"=11.0m 柱面积"A2"=0.16m柱面积"A2"=0.16m 柱计算高度"h6"= 3.5m柱计算高度"h6"= 3.5m 砼墙厚度"b"=0.25m砼墙厚度"b"=0.25m砼墙长度"l"=0.0m砼墙长度"l"= 6.5m砼墙高度"h7"= 3.5m砼墙高度"h7"= 3.5m计算如下:计算如下:水浮力 V0=1.2*γ0*H=47.63kN/m^2水浮力 V0=1.2*γ0*H=47.63kN/m^2覆土压力 F1=h4*(γ1-γ0)=8.16kN/m^2覆土压力 F1=h4*(γ1-γ0)=8.16kN/m^2砼板重力 F2=γ2*(h1+h2)=15kN/m^2砼板重力 F2=γ2*(h1+h2)=15kN/m^2抹灰重力 F3=20*h3=2kN/m^2抹灰重力 F3=20*h3=2kN/m^2承台重力F4=(γ2-γ0)*A1*(h5-h2)=53.5kN承台重力F4=(γ2-γ0)*A1*(h5-h2)=21.4kN桩重力F5=(γ2-γ0)*d^2*0.785*L=131.3kN桩重力F5=(γ2-γ0)*d^2*0.785*L=131.3kN柱重力 F6=γ2*A2*h6=14kN柱重力 F6=γ2*A2*h6=14kN 砼墙重力 F7=γ2*b*l*h7=0kN砼墙重力 F7=γ2*b*l*h7=142.188kN 设计浮力 V=(V0-F1-F2-F3)*A-F4-F5-F6-F7=565kN设计浮力V=(V0-F1-F2-F3)*A-F4-F5-F6-F7=410kN。
举例来说,按悬壁计算的实例:一.设计资料1. 几何信息: (单位: 除注明外,均为mm)梁号1: 跨长= 6000 B×H = 300 × 10002. 荷载条件:均布恒载标准值=0.00kN/m ;活载准永久值系数=0.50均布活载标准值=0.00kN/m ;支座弯矩调幅系数=100.0%梁容重=25.00kN/m3 ;计算时不考虑梁自重:恒载分项系数=1.20 ;活载分项系数=1.40说明: 各梁跨的附加荷载参见[几何及荷载标准值简图]3.配筋信息:抗震等级:非抗震;纵筋种类:HRB400 ;fyk=400 N/mm2混凝土强度等级:C25 ;fc=11.9 N/mm2 ;ft= 1.27 N/mm2;箍筋种类:HPB235 ;fyk=235 N/mm2配筋调整系数=1.0 ;上部保护层厚度=25mm ;as'=25+10 = 35mm下部保护层厚度=25mm ;as=25+10 = 35mm最大裂缝限值=0.400mm ;挠度控制系数C=200二.计算结果:单位说明: 弯矩:kN.m 剪力:kN 纵筋面积:mm2 箍筋面积:mm2/m裂缝:mm 挠度:mm 尺寸:mm内力计算采用有限元计算方法截面配筋方式:单筋-----------------------------------------------------------------------梁号1: 跨长= 6000 B×H = 300 × 1000左中右弯矩(-) : -332.749 -31.250 0.000弯矩(+) : 0.000 0.000 0.000剪力: 181.500 37.500 0.000上部纵筋: 1011 600 600下部纵筋: 600 600 600箍筋Asv: 435 435 435上纵实配: 4E20(1257) 4E16(804) 4E16(804)下纵实配: 4E16(804) 4E16(804) 4E16(804)箍筋实配: [url=mailto:4d8@250(804]4d8@250(804[/url]) [url=mailto:4d8@250(804]4d8@250(804[/url])[url=mailto:4d8@250(804]4d8@250(804[/url])腰筋实配: 10d10(785) 10d10(785) 10d10(785)上实配筋率: 0.42% 0.27% 0.27%下实配筋率: 0.27% 0.27% 0.27%箍筋配筋率: 0.27% 0.27% 0.27%裂缝: 0.378 0.014 0.000挠度: 0.000 4.296 10.957最大裂缝: 0.378mm<0.400mm最大挠度: 10.957mm<30.000mm(6000/200)按双向板考虑:3.3 荷载计算3.3.1 池壁荷载计算:(1)池外荷载:主动土压力系数Ka= 0.33侧向土压力荷载组合(kN/m2):部位(标高) 土压力标准值水压力标准值活载标准值基本组合准永久组合池壁顶端(5.400) 0.00 0.00 0.00 0.00 0.00地面(0.000) 0.00 0.00 3.33 3.81 1.33地下水位处(-0.500) 3.00 0.00 3.33 7.62 4.33底板顶面(-0.600) 3.33 1.00 3.33 9.31 5.67(2)池内底部水压力: 标准值= 55.00 kN/m2, 基本组合设计值= 69.85 kN/m23.3.2 底板荷载计算(池内无水,池外填土):水池结构自重标准值Gc= 2287.80kN基础底面以上土重标准值Gt= 144.00kN基础底面以上水重标准值Gs= 14.40kN基础底面以上活载标准值Gh= 248.94kN水池底板以上全部竖向压力基本组合:Qb = (2287.80×1.20+144.00×1.27+14.40×1.27+248.94×1.27×0.90)/84.360 = 38.30kN/m2水池底板以上全部竖向压力准永久组合:Qbe = (2287.80+144.00+14.40×1.00+1.50×69.960×0.40+10.00×14.400×0.40)/84.360 = 30.18kN/m2板底均布净反力基本组合:Q = 38.30-0.400×25.00×1.20= 26.30 kN/m2板底均布净反力准永久组合:Qe = 30.18-0.400×25.00= 20.18 kN/m23.3.3 底板荷载计算(池内有水,池外无土):水池底板以上全部竖向压力基本组合:Qb = [2287.80×1.20+(6.000×10.000×5.500)×10.00×1.27]/84.360 = 82.22kN/m2板底均布净反力基本组合:Q = 82.22-(0.400×25.00×1.20+5.500×10.00×1.27) = 0.37kN/m2水池底板以上全部竖向压力准永久组合:Qbe = [2287.80+(6.000×10.000×5.500)×10.00]/84.360 = 66.24kN/m2板底均布净反力准永久组合:Qe = 66.24-(0.400×25.00+5.500×10.00) = 1.24kN/m23.4 内力,配筋及裂缝计算弯矩正负号规则:池壁:内侧受拉为正,外侧受拉为负底板:上侧受拉为正,下侧受拉为负荷载组合方式:1.池外土压力作用(池内无水,池外填土)2.池内水压力作用(池内有水,池外无土)3.池壁温湿度作用(池内外温差=池内温度-池外温度)(3)L侧池壁内力:计算跨度: Lx= 6.300 m, Ly= 6.000 m , 三边固定,顶边自由池壁类型: 普通池壁,按双向板计算基本组合作用弯矩表(kN.m/m)部位池外土压力池内水压力温湿度作用基本组合内侧-水平跨中 4.08 - - 4.08水平边缘- 78.64 - 78.64竖直跨中2.62 - - 2.62竖直上边缘- 0.00 - 0.00竖直下边缘- 94.38 - 94.38外侧-水平跨中- -30.60 -18.48 -49.08水平边缘-10.49 - -21.71 -32.20竖直跨中- -19.67 -16.74 -36.41竖直上边缘0.00 - 0.00 -0.00竖直下边缘-12.58 - -21.20 -33.79准永久组合作用弯矩表(kN.m/m)部位池外土压力池内水压力温湿度作用准永久组合内侧-水平跨中 2.48 - - 2.48水平边缘- 61.92 - 61.92竖直跨中1.60 - - 1.60竖直上边缘- 0.00 - 0.00竖直下边缘- 74.31 - 74.31外侧-水平跨中- -24.10 -16.17 -40.27水平边缘-6.38 - -19.00 -25.38竖直跨中- -15.49 -14.64 -30.13竖直上边缘0.00 - 0.00 -0.00竖直下边缘-7.66 - -18.55 -26.21(4)B侧池壁内力:计算跨度: Lx= 10.300 m, Ly= 6.000 m , 三边固定,顶边自由池壁类型: 普通池壁,按双向板计算基本组合作用弯矩表(kN.m/m)部位池外土压力池内水压力温湿度作用基本组合内侧-水平跨中 4.66 - - 4.66水平边缘- 117.57 - 117.57竖直跨中4.63 - - 4.63竖直上边缘- 0.00 - 0.00竖直下边缘- 177.89 - 177.89外侧-水平跨中- -34.98 -19.39 -54.37水平边缘-15.68 - -20.02 -35.70竖直跨中- -34.72 -12.87 -47.59竖直上边缘0.00 - 0.00 -0.00竖直下边缘-23.72 - -20.53 -44.25准永久组合作用弯矩表(kN.m/m)部位池外土压力池内水压力温湿度作用准永久组合内侧-水平跨中 2.84 - - 2.84水平边缘- 92.58 - 92.58竖直跨中2.82 - - 2.82竖直上边缘- 0.00 - 0.00竖直下边缘- 140.07 - 140.07外侧-水平跨中- -27.54 -16.96 -44.51水平边缘-9.54 - -17.52 -27.06竖直跨中- -27.34 -11.26 -38.60竖直上边缘0.00 - 0.00 -0.00竖直下边缘-14.43 - -17.96 -32.39(5)底板内力:计算跨度:Lx= 6.300m, Ly= 10.300m , 四边简支+池壁传递弯矩按双向板计算.1.池外填土,池内无水时,荷载组合作用弯矩表(kN.m/m)基本组合作用弯矩表部位简支基底反力池壁传递弯矩弯矩叠加上侧-L向跨中89.12 - 61.76B向跨中42.88 - 28.60下侧-L向边缘0.00 -44.25 -44.25B向边缘0.00 -33.79 -33.79L向跨中- -27.36 -B向跨中- -14.28 -准永久组合作用弯矩表部位简支基底反力池壁传递弯矩弯矩叠加上侧-L向跨中68.37 - 48.07B向跨中32.89 - 22.45下侧-L向边缘0.00 -32.39 -32.39B向边缘0.00 -26.21 -26.21L向跨中- -20.30 -B向跨中- -10.45 -2.池内有水,池外无土时,荷载组合作用弯矩表(kN.m/m)基本组合作用弯矩表部位简支基底反力池壁传递弯矩弯矩叠加上侧-L向跨中 1.26 102.30 103.57B向跨中0.61 57.46 58.07L向边缘0.00 177.89 177.89B向边缘0.00 94.38 94.38准永久组合作用弯矩表部位简支基底反力池壁传递弯矩弯矩叠加上侧-L向跨中4.19 80.55 84.75B向跨中2.02 45.24 47.26L向边缘0.00 140.07 140.07B向边缘0.00 74.31 74.31(6)配筋及裂缝:配筋计算方法:按单筋受弯构件计算板受拉钢筋.裂缝计算根据《水池结构规程》附录A公式计算.按基本组合弯矩计算配筋,按准永久组合弯矩计算裂缝,结果如下:①L侧池壁配筋及裂缝表(弯矩:kN.m/m, 面积:mm2/m, 裂缝:mm)部位弯矩计算面积实配钢筋实配面积裂缝宽度内侧-水平跨中 4.08 643 [url=mailto:D14@230]D14@230[/url] 669 0.02 水平边缘78.64 1053 [url=mailto:D16@190]D16@190[/url] 1058 0.20竖直跨中2.62 643 [url=mailto:D14@230]D14@230[/url] 669 0.01竖直上边缘0.00 643 [url=mailto:D14@230]D14@230[/url] 669 0.00竖直下边缘94.38 1276 [url=mailto:D16@150]D16@150[/url] 1340 0.19 外侧-水平跨中-49.08 646 [url=mailto:D14@230]D14@230[/url] 669 0.27 水平边缘-32.20 643 [url=mailto:D14@230]D14@230[/url] 669 0.17竖直跨中-36.41 643 [url=mailto:D14@230]D14@230[/url] 669 0.20竖直上边缘-0.00 643 [url=mailto:D14@230]D14@230[/url] 669 0.00竖直下边缘-33.79 643 [url=mailto:D14@230]D14@230[/url] 669 0.17。
水池底防水工程量计算公式在建筑工程中,水池底防水工程是非常重要的一环,它直接关系到建筑物的使用寿命和安全性。
因此,在进行水池底防水工程时,我们需要对工程量进行准确的计算,以确保施工质量和工程进度。
本文将介绍水池底防水工程量计算公式及其相关内容。
一、水池底防水工程量计算公式。
1. 防水卷材面积计算公式。
防水卷材面积 = (水池底面积 + 墙面面积)×(1 + 浪费系数)。
2. 防水涂料用量计算公式。
防水涂料用量 = 水池底面积×涂料用量系数。
3. 防水砂浆用量计算公式。
防水砂浆用量 = 水池底面积×砂浆用量系数。
以上是水池底防水工程中常用的三种材料的工程量计算公式,下面将分别对这三种材料的计算公式进行详细介绍。
二、防水卷材面积计算公式。
防水卷材是水池底防水工程中常用的材料之一,其面积的计算是非常重要的。
在计算防水卷材面积时,首先需要测量水池底面积和墙面面积,然后根据浪费系数进行修正。
浪费系数是由施工中的浪费和损耗情况来确定的,通常在1.05左右。
计算公式如下:防水卷材面积 = (水池底面积 + 墙面面积)×(1 + 浪费系数)。
通过这个公式可以准确计算出所需的防水卷材面积,以便进行材料采购和施工安排。
三、防水涂料用量计算公式。
防水涂料是水池底防水工程中常用的材料之一,其用量的计算同样是非常重要的。
在计算防水涂料用量时,需要根据水池底面积和涂料用量系数进行计算。
涂料用量系数是根据涂料的施工厚度和覆盖面积来确定的,通常在1.2kg/㎡左右。
计算公式如下:防水涂料用量 = 水池底面积×涂料用量系数。
通过这个公式可以准确计算出所需的防水涂料用量,以便进行材料采购和施工安排。
四、防水砂浆用量计算公式。
防水砂浆是水池底防水工程中常用的材料之一,其用量的计算同样是非常重要的。
在计算防水砂浆用量时,需要根据水池底面积和砂浆用量系数进行计算。
砂浆用量系数是根据砂浆的施工厚度和覆盖面积来确定的,通常在25kg/㎡左右。