混凝土报料单之欧阳家百创编
- 格式:doc
- 大小:50.02 KB
- 文档页数:3
混凝土缺陷修补记录欧阳家百(2021.03.07)工程名称杭政储出(2014)12号地块商业商务用房部位1#楼五层(4轴/L轴)剪力墙根部存在问题蜂窝日期2016年5月8日一、混凝土缺陷描述:1、缺陷部位:1#楼五层(4轴/L轴)剪力墙根部2、缺陷面积:0.3m2;3、质量问题:剪力墙根部出现蜂窝。
;二、原因分析:1、原材料:①、配合比计量不准,砂石级配不好;②、搅拌不匀;2、施工:①、模板漏浆;②、振捣不够或漏振;③、一次浇捣混土太厚,分层不清,混凝土交接不清,振捣质量无法掌握;④、自由倾落高度超过规定,混凝土离析、石子赶堆;⑤、振捣器损坏,或监时断电造成漏振;⑥、振捣时间不充分,气泡未排除。
三、修补方案:①、对小蜂窝,洗刷干净后1:2水泥砂浆抹平压实;②、较大蜂窝,凿去薄弱松散颗粒,洗净后支模,用高一强度等级的细石混凝土仔细填塞捣实;③、较深蜂窝可在其内部埋压浆管和排气管,表面抹砂浆或浇筑混凝土封闭后进行水泥压浆处理;④、修补完成后进行7天的浇水养护。
四、修补前后照片:1、修补前照片:2、修补后照片:施工单位检查结果评定经检查,缺陷修补后的混凝土满足《混凝土结构工程施工质量验收规范》GB50204-2015的安全使用功能要求,评定合格。
项目专业项目专业质量检查员:技术负责:年月日监理单位(建设)验收结论专业监理工程师:(建设单位项目专业技术负责人)年月日混凝土缺陷修补记录工程名称杭政储出(2014)12号地块商业商务用房部位2#楼九层(25轴/K轴)剪力墙根部存在问题蜂窝日期2016年5月20日一、混凝土缺陷描述:1、缺陷部位:2#楼九层(25轴/K轴)剪力墙根部2、缺陷面积:0.5m2;3、质量问题:剪力墙根部出现蜂窝。
;二、原因分析:1、原材料:①、配合比计量不准,砂石级配不好;②、搅拌不匀;2、施工:①、模板漏浆;②、振捣不够或漏振;③、一次浇捣混土太厚,分层不清,混凝土交接不清,振捣质量无法掌握;④、自由倾落高度超过规定,混凝土离析、石子赶堆;⑤、振捣器损坏,或监时断电造成漏振;⑥、振捣时间不充分,气泡未排除。
华润置地悦府项目三期欧阳家百(2021.03.07)混凝土缺陷修补方案编制:曹志华审核:吴萍审批:费学均通州建总集团有限公司目录第一节编制说明2第二节编制说明2第三节混凝土缺陷分类和水平划分3第四节呈现混凝土缺陷的原因4第五节混凝土缺陷处理5第六节混凝土缺陷的预防办法7第一节编制说明当混凝土达到规定的拆模强度裁撤模板后,应进行外观检查,混凝土缺陷均做记录,记录上要明确注明缺陷墙体的具体位置,对缺陷做定性阐发,确定其缺陷类别,如查出混凝土概略上呈现的麻面、蜂窝等缺陷,应立即通知监理,在获得现场监理允许的情况下,按本计划进行修补。
第二节编制说明本工程位于南京市建邺区应天年夜街以北,云锦路以东,所街以南,湖西街以西,包含9#、10#、11#、12#楼四栋住宅楼以及二层地下车库,类型为剪力墙结构,地下车库类型为框架结构。
09号楼为三十二层,总面积16057.2㎡,标准层高3.05米,建筑总高度为104.025米;10号楼为三十二层,总面积25492.0㎡,标准层高3.05米,建筑总高度为104.025米;11号楼为二十八层,总面积11324.6㎡,标准层高3.05米,建筑总高度为91.825米;12号楼为三十二层,总面积25794.9㎡,标准层高3.05米,建筑总高度为104.025米;本工程结构平安品级为二级,抗震防裂度为7度,抗震设防分类为标准设防类,设计使用年限50年。
本工程结构平安品级为二级,抗震防裂度为7度,抗震设防分类为标准设防类,设计使用年限50年。
砼强度品级:地下室的基础采取C35;剪力墙(柱):四层及以下为C50,五~八层为C45,九~十二层为C40,十三~十六层为C35;其余均为C30;梁、板:均为C30;二层地下室外墙、底板、顶板(室外)及车道采取防水砼,抗渗品级P8。
具体详见各部分的结构设计图纸。
基础垫层采取100mm厚C15素砼。
第三节混凝土缺陷分类和水平划分现浇结构的外观质量缺陷水平按下表确定第四节呈现混凝土缺陷的原因4.1麻面:主要是模板润湿不敷,不严密,振捣缺乏,或养护欠好而造成。
混凝土浇筑记录欧阳家百(2021.03.07)施工单位:郑州市第一建筑工程集团有限公司施记表注:本记录每浇筑一次混凝土,记录一张。
施工项目技术负责人:填表人:混凝土浇筑记录施工单位:郑州市第一建筑工程集团有限公司施记表注:本记录每浇筑一次混凝土,记录一张。
施工项目技术负责人:填表人:混凝土浇筑记录施工单位:郑州市第一建筑工程集团有限公司施记表注:本记录每浇筑一次混凝土,记录一张。
施工项目技术负责人:填表人:混凝土浇筑记录施工单位:郑州市第一建筑工程集团有限公司施记表注:本记录每浇筑一次混凝土,记录一张。
施工项目技术负责人:填表人:混凝土浇筑记录施工单位:郑州市第一建筑工程集团有限公司施记表注:本记录每浇筑一次混凝土,记录一张。
施工项目技术负责人:填表人:混凝土浇筑记录施工单位:郑州市第一建筑工程集团有限公司施记表注:本记录每浇筑一次混凝土,记录一张。
施工项目技术负责人:填表人:混凝土浇筑记录施工单位:郑州市第一建筑工程集团有限公司施记表注:本记录每浇筑一次混凝土,记录一张。
施工项目技术负责人:填表人:混凝土浇筑记录施工单位:郑州市第一建筑工程集团有限公司施记表注:本记录每浇筑一次混凝土,记录一张。
施工项目技术负责人:填表人:混凝土浇筑记录施工单位:郑州市第一建筑工程集团有限公司施记表注:本记录每浇筑一次混凝土,记录一张。
施工项目技术负责人:填表人:混凝土浇筑记录施工单位:郑州市第一建筑工程集团有限公司施记表注:本记录每浇筑一次混凝土,记录一张。
施工项目技术负责人:填表人:混凝土浇筑记录施工单位:郑州市第一建筑工程集团有限公司施记表注:本记录每浇筑一次混凝土,记录一张。
施工项目技术负责人:填表人:混凝土浇筑记录施工单位:郑州市第一建筑工程集团有限公司施记表注:本记录每浇筑一次混凝土,记录一张。
施工项目技术负责人:填表人:混凝土浇筑记录施工单位:郑州市第一建筑工程集团有限公司施记表注:本记录每浇筑一次混凝土,记录一张。
混凝土浇注记录
欧阳家百(2021.03.07)
施记表(水构)—9 建设单位:盐城市国投置业有限公司监理单位:南京第一建设事务所有限公司合同号:
施工单位:江苏北方路桥工程有限公司仪器名称编号________________ 编号:
注:本记录每浇注一次混凝土,记录一张。
市政工程质量安全监督站监制
混凝土浇注记录
施记表(水构)—9建设单位:盐城市国投置业有限公司监理单位:南京第一建设事务所有限公司合同号:
施工单位:江苏北方路桥工程有限公司仪器名称编号________________ 编号:
注:本记录每浇注一次混凝土,记录一张。
市政工程质量安全监督站监制。
用于混凝土中的粒化高炉矿渣粉检测报告欧阳家百(2021.03.07)威海市建设工程质量造价监督管理站监制批准:校核:主检:用于混凝土中的粒化高炉矿渣粉检测报告威海市建设工程质量造价监督管理站监制批准:校核:主检:用于混凝土中的粒化高炉矿渣粉检测报告威海市建设工程质量造价监督管理站监制批准:校核:主检:用于混凝土中的粒化高炉矿渣粉检测报告威海市建设工程质量造价监督管理站监制批准:校核:主检:用于混凝土中的粒化高炉矿渣粉检测报告威海市建设工程质量造价监督管理站监制批准:校核:主检:用于混凝土中的粒化高炉矿渣粉检测报告威海市建设工程质量造价监督管理站监制批准:校核:主检:用于混凝土中的粒化高炉矿渣粉检测报告威海市建设工程质量造价监督管理站监制批准:校核:主检:用于混凝土中的粒化高炉矿渣粉检测报告威海市建设工程质量造价监督管理站监制批准:校核:主检:用于混凝土中的粒化高炉矿渣粉检测报告威海市建设工程质量造价监督管理站监制批准:校核:主检:用于混凝土中的粒化高炉矿渣粉检测报告威SH-004 共页第页威海市建设工程质量造价监督管理站监制批准:校核:主检:用于混凝土中的粒化高炉矿渣粉检测报告威海市建设工程质量造价监督管理站监制批准:校核:主检:用于混凝土中的粒化高炉矿渣粉检测报告威海市建设工程质量造价监督管理站监制批准:校核:主检:用于混凝土中的粒化高炉矿渣粉检测报告威海市建设工程质量造价监督管理站监制批准:校核:主检:用于混凝土中的粒化高炉矿渣粉检测报告威海市建设工程质量造价监督管理站监制批准:校核:主检:用于混凝土中的粒化高炉矿渣粉检测报告威海市建设工程质量造价监督管理站监制批准:校核:主检:用于混凝土中的粒化高炉矿渣粉检测报告威海市建设工程质量造价监督管理站监制批准:校核:主检:用于混凝土中的粒化高炉矿渣粉检测报告威海市建设工程质量造价监督管理站监制批准:校核:主检:用于混凝土中的粒化高炉矿渣粉检测报告威海市建设工程质量造价监督管理站监制批准:校核:主检:用于混凝土中的粒化高炉矿渣粉检测报告威海市建设工程质量造价监督管理站监制批准:校核:主检:用于混凝土中的粒化高炉矿渣粉检测报告威海市建设工程质量造价监督管理站监制批准:校核:主检:用于混凝土中的粒化高炉矿渣粉检测报告威海市建设工程质量造价监督管理站监制批准:校核:主检:用于混凝土中的粒化高炉矿渣粉检测报告威海市建设工程质量造价监督管理站监制批准:校核:主检:用于混凝土中的粒化高炉矿渣粉检测报告威海市建设工程质量造价监督管理站监制批准:校核:主检:用于混凝土中的粒化高炉矿渣粉检测报告威海市建设工程质量造价监督管理站监制批准:校核:主检:用于混凝土中的粒化高炉矿渣粉检测报告威海市建设工程质量造价监督管理站监制批准:校核:主检:用于混凝土中的粒化高炉矿渣粉检测报告威海市建设工程质量造价监督管理站监制批准:校核:主检:。
现浇钢筋混凝土排水管沟施工混凝土垫层→底板钢筋绑扎→底板模板安装→底板混凝土浇筑→侧墙、顶板内模安装→侧墙、顶板钢筋绑扎→侧墙、顶板外模安装→侧墙、顶板混凝土浇筑操作工艺1. 混凝土垫层(1) 模板:垫层边模可采用10#槽钢或100mm×100mm方木模板,模板背后用钢钎或方木固定。
(2) 垫层混凝土:采用平板振捣器振捣密实,根据标高控制线,进行表面刮杠找平,木抹搓压拍实,待垫层混凝土强度达到1.2MPa后方可进行下道工序施工。
2. 底板钢筋绑扎(1) 钢筋的接头型式与位置:钢筋接头型式必须符合设计要求;当设计无要求时,混凝土结构中凡直径大于22mm的钢筋接头宜采用焊接或机械连接;其余钢筋接头可采用绑扎搭接,其搭接长度应符合设计及相应施工规范规定。
底板上、下层钢筋的接头位置应相互错开;其下层钢筋接头位置应在底板跨中1/3部位,上层钢筋接头位置应在底板端部1/3部位。
(2) 底板钢筋绑扎:底板上、下层双向受力钢筋应逐点绑扎,不得跳扣绑扎。
底板上、下层钢筋间设钢筋马凳支撑,马凳间距应根据底板厚度不同而确定,一般为600mm~1200mm。
钢筋保护层应用砂浆垫块或塑料卡扣固定,使保护层厚度符合设计要求。
(3) 钢筋接头要求1) 钢筋绑扎接头的位置,其搭接长度的末端至钢筋弯曲处的距离,不得小于钢筋直径的10倍,且不宜在最大弯矩处。
2) 钢筋的连接,无论焊接或绑扎,设置在同一构件内的接头均应相互错开35倍钢筋直径(绑扎接头不小于30倍钢筋直径),但不得小于500mm。
(4) 钢筋加工质量要求见表1-32。
(5) 绑扎钢筋接头的搭接长度应符合表1-33的规定。
(6) 钢筋位置质量应符合表1-34的规定。
3. 底板模板安装(1) 模板选择:基础底板模板可采用组合钢模板或胶合板模板现场拼装。
对于周转次数多或有特殊要求的部位(变形缝、后浇带等),也可采用加工专用或组合式钢模板与钢支架,以适应特殊需要。
(2) 底板吊模安装:墙体下部施工缝宜留于距底板面或梗斜以上不少于200mm~300mm的墙身上,该部位采用吊模处理,吊模底部应采用同强度等级细石混凝土垫块与钢筋三角架支顶牢固。
浙建监A5-3混凝土施工工程报验申请表工程名称:编号:A5-3本表一式三份,经项目监理机构审核后,建设单位、监理单位、承包单位各存一份。
浙建监A5-3混凝土施工工程报验申请表工程名称:编号:A5-3本表一式三份,经项目监理机构审核后,建设单位、监理单位、承包单位各存一份。
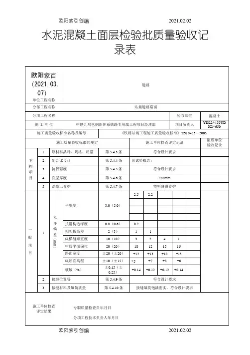
混凝土原材料检验批质量验收记录(GB50204-2002)表7.2 编号:010603(1)□□□混凝土配合比检验批质量验收记录(GB50204-2002)表7.3 编号:010603(2)□□□混凝土施工检验批质量验收记录(GB50204-2002)表7.4编号:010603 (3)□□□附件表表 D.0.1附表编内容事实的有关技术资料的名称与编号,便于检查、追索。
浙建监A5-3混凝土施工工程报验申请表工程名称:文成县南田镇卫生院综合楼编号:本表一式三份,经项目监理机构审核后,建设单位、监理单位、承包单位各存一份。
混凝土施工工程报验申请表工程名称:文成县南田镇卫生院综合楼编号:A5-3本表一式三份,经项目监理机构审核后,建设单位、监理单位、承包单位各存一份。
混凝土原材料检验批质量验收记录(GB50204-2002)表7.2 编号:010603(1)□□□混凝土配合比检验批质量验收记录(GB50204-2002)表7.3 编号:010603(2)□□□混凝土施工检验批质量验收记录(GB50204-2002)表7.4编号:010603 (3)□□□混凝土原材料检验批质量验收记录(GB50204-2002)表7.2 编号:010603(1)□□□混凝土配合比检验批质量验收记录(GB50204-2002)表7.3 编号:010603(2)□□□混凝土施工检验批质量验收记录(GB50204-2002)表7.4编号:010603 (3)□□□混凝土施工工程报验申请表工程名称:文成县南田镇卫生院综合楼编号:本表一式三份,经项目监理机构审核后,建设单位、监理单位、承包单位各存一份。
混凝土缺陷修补方案一、工程名称广西贵港西南大桥工程二、编制依据1、《公路钢筋混凝土及预应力混凝土桥涵设计规范》(JTG D62-2004)2、《公路工程混凝土结构防腐蚀技术规范》(JTG/B07-01-2006)3、《公路桥涵施工技术规范》(JTG/T F50-2011)4、《公路工程质量检验评定标准》(JTG F80/1-2004)5、本工程现场实际表现形式等三、编制目的为消除混凝土质量隐患,提高观感质量,规范缺陷处理程序及方法。
四、混凝土缺陷表现形式在混凝土施工过程中,由于模板固定不牢、模板拼接不严,模板安装不规范、模板因欠修欠保养,造成面板凹凸变形,混凝土振捣不足、不到位等因素造成混凝土出现超出规范要求的质量缺陷,混凝土缺陷主要表现为以下几项:麻面、漏筋、蜂窝、孔洞、凹凸错台、外形走样及裂缝等。
五、各种缺陷产生的原因1、麻面:所谓麻面是指混凝土构件表面局部缺浆粗糙,出现无数的小凹坑,但无露筋现象。
它产生的原因主要有:①模板在浇筑混凝土前没有充分浇水湿润或湿润不够;②模板上的脱模剂涂刷不均匀或漏刷;③模板拼缝不严密,混凝土浇筑时缝隙漏浆,构件表面沿模板缝隙出现麻面;④混凝土振捣不密实,混凝土中气泡未排出,部分气泡停留在模板表面,拆模后出现麻面。
2、露筋:露筋是指构件中的主筋、副筋或箍筋等部分或局部未被混凝土包裹而外露。
它产生的原因主要有:①混凝土浇捣时,钢筋保护层垫块移位或垫块间距过大甚至漏垫,钢筋紧贴模板,拆模后钢筋密集处产生露筋;②构件尺寸较小,钢筋过密,如遇到个别骨料粒径过大,水泥浆无法包裹钢筋和充满模板,拆模后钢筋密集处产生露筋;③模板拼缝不严,缝隙过大,混凝土漏浆严重,尤其是角边,拆模时又带掉边角出现露筋;④振捣手振捣不当,振到钢筋或碰击钢筋,造成钢筋移位或振捣不密实有钢筋处混凝土被挡住包不了钢筋;⑤钢筋绑扎不牢,保护层厚度不够,脱位突出。
3、蜂窝:拆模后构件有局部混凝土松酥,石多浆少,石子间出现空隙,形成蜂窝状的窟窿。
目录欧阳家百(2021.03.07)一、编制目的1二、编制原则1三、常见的混凝土质量通病介绍1四、常见的混凝土质量通病、原因分析及防治措施11.蜂窝、孔洞12.麻面33.砼骨料外显,整体颜色不匀44.烂根65.水纹76.涨模87.气泡88.裂缝99.表面不平整1010.成品砼外部损伤1111.表面显见模板缝痕1312.钢筋保护层不规范1313.拉杆孔漏浆1414.强度不足1515.强度离散性大16五、总结18混凝土质量通病防治实用手册一、编制目的在砼工程施工中,经常会出现一些质量通病,影响砼结构的外观质量和使用安全。
如何最大限度的消除和减少质量通病,保证结构工程内外在质量是全体参建者的共同目标。
在实际施工中,做到防控结合,预防为主,力争把砼质量通病的影响降到最低水平。
二、编制原则简洁、形象、实用、通俗、易懂、可操作性强。
三、常见的混凝土质量通病介绍混凝土施工中,由于方方面面的原因,如配合比、水泥质量、砂石料规格、外掺剂性能与掺量、拌合时间、运输方式、施工工艺、养生方法、过程控制等因素的差别会造成混凝土质量参差不齐,可控性较差,从而会产生各种各样的质量通病,比如蜂窝、麻面、气泡、水纹、砂线、烂根、漏浆、孔洞、缺棱掉角、表面不平整、颜色不一致、裂纹等。
砼质量通病严重影响砼结构的外观质量和使用安全,如何最大限度的消除和减少质量通病、保证结构安全是全体参建者的共同目标。
在实际施工中,积极做到防控结合,以预防为主的原则,力争把砼质量通病降到最低水平。
四、常见的混凝土质量通病、原因分析及防治措施1.蜂窝、孔洞(1)现象:砼结构表面出现酥松、浆少石子多,石子之间出现空隙,形成蜂窝状的孔洞。
蜂窝孔洞(2)原因分析:1)配合比不当或砂、石子、水泥材料加水量计量不准,造成砂浆少、石子多,砂浆骨料分离。
2)混凝土中掺加各种外掺剂,具有引气作用,混凝土搅拌时间不够,未拌和均匀,和易性差。
3)混凝土下落高度大(大于2米)且未设串筒,或在罐车内不搅拌,或浇筑时用振捣棒拖拉导致混凝土离析。
浙建监A5-3混凝土施工工程报验申请表工程名称:编号:A5-3本表一式三份,经项目监理机构审核后,建设单位、监理单位、承包单位各存一份。
浙建监A5-3混凝土施工工程报验申请表工程名称:编号:A5-3本表一式三份,经项目监理机构审核后,建设单位、监理单位、承包单位各存一份。
混凝土原材料检验批质量验收记录(GB50204-2002)表7.2 编号:010603(1)□□□混凝土配合比检验批质量验收记录(GB50204-2002)表7.3 编号:010603(2)□□□混凝土施工检验批质量验收记录(GB50204-2002)表7.4编号:010603 (3)□□□附件表表 D.0.1附表编号:□□□□□□□□□注:此表附在 D.0.1表后面,主要填写 D.0.1表有直接关系的,能说明D.0.1表对应内容事实的有关技术资料的名称与编号,便于检查、追索。
浙建监A5-3混凝土施工工程报验申请表工程名称:文成县南田镇卫生院综合楼编号:A5-3本表一式三份,经项目监理机构审核后,建设单位、监理单位、承包单位各存一份。
混凝土施工工程报验申请表工程名称:文成县南田镇卫生院综合楼编号:A5-3本表一式三份,经项目监理机构审核后,建设单位、监理单位、承包单位各存一份。
混凝土原材料检验批质量验收记录(GB50204-2002)表7.2 编号:010603(1)□□□混凝土配合比检验批质量验收记录(GB50204-2002)表7.3 编号:010603(2)□□□混凝土施工检验批质量验收记录(GB50204-2002)表7.4编号:010603 (3)□□□混凝土原材料检验批质量验收记录(GB50204-2002)表7.2 编号:010603(1)□□□混凝土配合比检验批质量验收记录(GB50204-2002)表7.3 编号:010603(2)□□□混凝土施工检验批质量验收记录(GB50204-2002)表7.4编号:010603 (3)□□□混凝土施工工程报验申请表工程名称:文成县南田镇卫生院综合楼本表一式三份,经项目监理机构审核后,建设单位、监理单位、承包单位各存一份。
目录欧阳引擎(2021.01.01)1.编制说明11.1.编制目的、适用范围11.2.编制依据11.3.主要规范、规程12.工程概况13.机构组成24.施工安排24.1.劳动组织及职责分工25.施工准备25.1.技术准备25.2.机具、人员准备35.3.材料准备46.主要施工方法及措施56.1.施工段划分56.2.混凝土搅拌66.3.混凝土运输66.4.预拌混凝土运输车台数的选定66.5.现场混凝土输送方式的选择76.6.混凝土泵送76.7.泵管配备76.8.泵管的固定76.9.施工缝的部位及处理86.10.混凝土浇筑方法97.冬期施工的要求108.质量要求118.1.主控项目118.2.一般项目118.3.允许偏差项目118.4.资料标准118.5.质量通病及防治措施129.安全、环保及文明施工要求15 9.1.安全措施159.2.文明施工措施1610.成品保护171.编制说明1.1.编制目的、适用范围混凝土工程质量是主体结构内在质量中最关键要素,为有效控制混凝土施工中搅拌、运输、浇筑、振捣、养护各环节,确保混凝土密实、表面平整光滑、线条顺直,色泽一致,感观精美,使混凝土工程质量达到设计要求,特编制本方案。
1.2.编制依据石家庄河冶科技电力隧道工程施工图纸、规范标准以及施工现场的实际情况。
1.3.主要规范、规程2.工程概况由北京天润石家庄项目部所承建的电缆隧道段长约600m,隧道宽度分别为2.5m、5.3m、6.3m,基坑最深为10.69m。
电缆隧道顶面标高均为绝对标高,顶面标高最高为52.938m,最低为50.55m,地面绝对标高最高为58.03m,最低为57.69m。
本工程混凝土总量约为3600立左右。
各部位混凝土强度等级见下表3.机构组成工安排4.1.劳动组织及职责分工为确保工程按期完成,选择具有高专业素质的劳务队进场承担施工任务,施工人员相对固定不会因节假日等导致劳动力缺乏。
总包项目部人员计划:混凝土工30人,抹灰工10人,泵送工4人,清理工10人,机械维修工1人。
浙建监A53混凝土施工工程报验申请表工程名称:编号:A53本表一式三份,经项目监理机构审核后,建设单位、监理单位、承包单位各存一份。
浙建监A53混凝土施工工程报验申请表工程名称:编号:A53本表一式三份,经项目监理机构审核后,建设单位、监理单位、承包单位各存一份。
混凝土原资料检验批质量验收记录(GB50204)表7.2 编号:010603(1)(GB50204)表7.3 编号:010603(2)附件表表 D.0.1附表编号:实的有关技术资料的名称与编号,便于检查、追索。
浙建监A53混凝土施工工程报验申请表工程名称:文成县南田镇卫生院综合楼编号:A53本表一式三份,经项目监理机构审核后,建设单位、监理单位、承包单位各存一份。
混凝土施工工程报验申请表工程名称:文成县南田镇卫生院综合楼编号:A53本表一式三份,经项目监理机构审核后,建设单位、监理单位、承包单位各存一份。
混凝土原资料检验批质量验收记录(GB50204)表7.2 编号:010603(1)(GB50204)表7.3 编号:010603(2)混凝土原资料检验批质量验收记录(GB50204)表7.2 编号:010603(1)(GB50204)表7.3 编号:010603(2)混凝土施工工程报验申请表工程名称:文成县南田镇卫生院综合楼编号:A53本表一式三份,经项目监理机构审核后,建设单位、监理单位、承包单位各存一份。
混凝土原资料检验批质量验收记录(GB50204)表7.2 编号:010603(1)(GB50204)表7.3 编号:010603(2)混凝土施工工程报验申请表工程名称:文成县南田镇卫生院综合楼编号:A53本表一式三份,经项目监理机构审核后,建设单位、监理单位、承包单位各存一份。
混凝土原资料检验批质量验收记录(GB50204)表7.2 编号:010603(1)(GB50204)表7.3 编号:010603(2)混凝土施工工程报验申请表工程名称:文成县南田镇卫生院综合楼编号:A53本表一式三份,经项目监理机构审核后,建设单位、监理单位、承包单位各存一份。
浙建监A53混凝土施工工程报验申请表工程名称:编号:A53本表一式三份,经项目监理机构审核后,建设单位、监理单位、承包单位各存一份。
浙建监A53混凝土施工工程报验申请表工程名称:编号:A53本表一式三份,经项目监理机构审核后,建设单位、监理单位、承包单位各存一份。
混凝土原资料检验批质量验收记录(GB50204)表7.2 编号:混凝土配合比检验批质量验收记录(GB50204)表7.3 编号:混凝土施工检验批质量验收记录(GB50204)表7.4编号:010603 (3)□□□附件表表D.0.1附表编号:□□□□□□□□□对应内容事实的有关技术资料的名称与编号,便于检查、追索。
浙建监A53混凝土施工工程报验申请表工程名称:文成县南田镇卫生院综合楼编号:本表一式三份,经项目监理机构审核后,建设单位、监理单位、承包单位各存一份。
混凝土施工工程报验申请表工程名称:文成县南田镇卫生院综合楼编号:A53本表一式三份,经项目监理机构审核后,建设单位、监理单位、承包单位各存一份。
混凝土原资料检验批质量验收记录(GB50204)表7.2 编号:混凝土配合比检验批质量验收记录(GB50204)表7.3 编号:混凝土施工检验批质量验收记录(GB50204)表7.4编号:010603 (3)□□□混凝土原资料检验批质量验收记录(GB50204)表7.2 编号:混凝土配合比检验批质量验收记录(GB50204)表7.3 编号:混凝土施工检验批质量验收记录(GB50204)表7.4编号:010603 (3)□□□混凝土施工工程报验申请表工程名称:文成县南田镇卫生院综合楼编号:本表一式三份,经项目监理机构审核后,建设单位、监理单位、承包单位各存一份。
混凝土原资料检验批质量验收记录(GB50204)表7.2 编号:混凝土配合比检验批质量验收记录(GB50204)表7.3 编号:混凝土施工检验批质量验收记录(GB50204)表7.4编号:010603 (3)□□□混凝土施工工程报验申请表工程名称:文成县南田镇卫生院综合楼编号:本表一式三份,经项目监理机构审核后,建设单位、监理单位、承包单位各存一份。
浙建监A53混凝土施工工程报验申请表工程名称:编号:A53本表一式三份,经项目监理机构审核后,建设单位、监理单位、承包单位各存一份。
浙建监A53混凝土施工工程报验申请表工程名称:编号:A53本表一式三份,经项目监理机构审核后,建设单位、监理单位、承包单位各存一份。
表D.0.1附表编号:□□□□□□□□□注:此表附在D.0.1表后面,主要填写D.0.1表有直接关系的,能说明D.0.1表对应内容事实的有关技术资料的名称与编号,便于检查、追索。
浙建监A53混凝土施工工程报验申请表工程名称:文成县南田镇卫生院综合楼编号:A53本表一式三份,经项目监理机构审核后,建设单位、监理单位、承包单位各存一份。
混凝土施工工程报验申请表工程名称:文成县南田镇卫生院综合楼编号:A53本表一式三份,经项目监理机构审核后,建设单位、监理单位、承包单位各存一份。
欧阳物创编2021.02.07混凝土原资料检验批质量验收记录工程名称:文成县南田镇卫生院综合楼编号:A53本表一式三份,经项目监理机构审核后,建设单位、监理单位、承包单位各存一份。
工程名称:文成县南田镇卫生院综合楼编号:A53本表一式三份,经项目监理机构审核后,建设单位、监理单位、承包单位各存一份。
工程名称:文成县南田镇卫生院综合楼编号:A53本表一式三份,经项目监理机构审核后,建设单位、监理单位、承包单位各存一份。
工程名称:文成县南田镇卫生院综合楼编号:A53本表一式三份,经项目监理机构审核后,建设单位、监理单位、承包单位各存一份。
欧阳物创编2021.02.07混凝土原资料检验批质量验收记录混凝土施工工程报验申请表本表一式三份,经项目监理机构审核后,建设单位、监理单位、承包单位各存一份。
表D.0.1附表编号:□□□□□□□□□注:此表附在D.0.1表后面,主要填写D.0.1表有直接关系的,能说明D.0.1表对应内容事实的有关技术资料的名称与编号,便于检查、追索。
欧阳物创编2021.02.07混凝土原资料及配合比设计检验批质量验收记录表GB50204—(Ⅰ)010603□□混凝土施工工程报验申请表工程名称:编号:A53本表一式三份,经项目监理机构审核后,建设单位、监理单位、承包单位各存一份。
目录1.编制说明11.1.编制目的、适用范围11.2.编制依据11.3.主要规范、规程12.工程概况13.机构组成24.施工安排24.1.劳动组织及职责分工25.施工准备25.1.技术准备25.2.机具、人员准备35.3.材料准备46.主要施工方法及措施56.1.施工段划分56.2.混凝土搅拌66.3.混凝土运输66.4.预拌混凝土运输车台数的选定6 6.5.现场混凝土输送方式的选择7 6.6.混凝土泵送76.7.泵管配备76.8.泵管的固定76.9.施工缝的部位及处理86.10.混凝土浇筑方法97.冬期施工的要求108.质量要求118.1.主控项目118.2.一般项目118.3.允许偏差项目118.4.资料标准118.5.质量通病及防治措施129.安全、环保及文明施工要求15 9.1.安全措施159.2.文明施工措施1610.成品保护171.编制说明1.1.编制目的、适用范围混凝土工程质量是主体结构内在质量中最关键要素,为有效控制混凝土施工中搅拌、运输、浇筑、振捣、养护各环节,确保混凝土密实、表面平整光滑、线条顺直,色泽一致,感观精美,使混凝土工程质量达到设计要求,特编制本方案。
1.2.编制依据石家庄河冶科技电力隧道工程施工图纸、规范标准以及施工现场的实际情况。
1.3.主要规范、规程2.工程概况由北京天润石家庄项目部所承建的电缆隧道段长约600m,隧道宽度分别为2.5m、5.3m、6.3m,基坑最深为10.69m。
电缆隧道顶面标高均为绝对标高,顶面标高最高为52.938m,最低为50.55m,地面绝对标高最高为58.03m,最低为57.69m。
本工程混凝土总量约为3600立左右。
各部位混凝土强度等级见下表3.机构组成工安排4.1.劳动组织及职责分工为确保工程按期完成,选择具有高专业素质的劳务队进场承担施工任务,施工人员相对固定不会因节假日等导致劳动力缺乏。
总包项目部人员计划:混凝土工30人,抹灰工10人,泵送工4人,清理工10人,机械维修工1人。