(参考资料)技术用-02滚动轴承零件的形位公差解读和测量
- 格式:pdf
- 大小:1.72 MB
- 文档页数:35
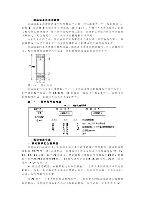
一、滚动轴承的基本概述滚动轴承是机械制造业中应用极为广泛的一种标准部件,它一般由外圈1、内圈2、滚动体3和保持架4所组成(图7-2-1)。
外圈与外壳体孔配合,内圈与传动轴的轴颈配合,属于典形的光滑圆柱连接。
但由于它的结构特点和功能要求所决定,其公差配合,与一般光滑圆柱连接要求不同。
按承受负荷的方向,滚动轴承可分为平底推力球轴承(承受轴向负荷)、深沟球轴承(承受径向负荷)和角接触球轴承(同时承受径向与轴向负荷)滚动轴承的工作性能与使用寿命,既取决于本身的制造精度,也与箱体外壳孔、传动轴轴颈的配合尺寸精度、形位精度以及表面粗造度等有关。
图7-2-1滚动轴承滚动轴承代号是表示其结构、尺寸、公差等级和技术性能等特征的产品符号,由字母和数字组成。
按G B/T272-93的规定,轴承代号由基本代号、前置号和后置代号构成,其表达方式见表7-2-1所列。
表7-2-1轴承代号的构成二、滚动轴承公差1、滚动轴承的公差等级根据轴承的结构尺寸、公差等级和技术性能等特征产品的符号,滚动轴承国家标准G B/T272-93《滚动轴承代号方法》将滚动轴承公差等级分为P2、P4、P5、P6、P0五级,其中P2级最高,依次降低(只有深沟球轴承有P2级;圆锥滚子轴承有P6x级而无P6级)。
P0级与公差等级I T6(I T5)相对应,P2级与公差等级I T3(I T2)相对应。
P0级为普通精度,在机器制造业中应用最广。
它用于旋转精度要求不高的机构中。
例如,卧式车床变速箱和进给箱,汽车、拖拉机变速箱,普通电动机、水泵、压缩机和汽轮机中。
除P0级外,其于各级统称高精度轴承,主要用于高的线速度或高的旋转精度的场合,这类精度的轴承在各种金属切削机床上应用较多,可参看表7-2-2。
2、滚动轴承内径、外径公差带及特点国标对轴承内径(d)与外径(D)规定了两种公差:一是d(或D)的最大值与最小值所允许的极限偏差(即单一内、外径偏差),其主要目的是为了限制变形量。
滚动轴承是机械设备中常用的元件之一,其主要作用是在设备的旋转运动中支配和承受各种载荷。
而滚动轴承形位公差代号标准则是指对于轴承零件的尺寸、形状、位置等方面的规格标准,以保证滚动轴承的性能和精度。
下面将详细介绍滚动轴承形位公差代号标准。
一、基础概念1. 形位公差形位公差是指设计尺寸和实际尺寸之间的误差范围,包括位置公差、角度公差、轮廓公差等。
形位公差可以有效保证零件装配的精度和稳定性。
2. 代号代号是指用数码或字母来表示一定含义的符号,是方便交流和表达的工具。
滚动轴承形位公差代号标准采用了国家标准GB/T 14001-2016中的相关规定。
二、标准类别滚动轴承形位公差代号标准主要分为三类:径向轴承、薄壁轴承和角接触轴承。
其中,径向轴承又分为普通精度和高精度两种,薄壁轴承分为一般类和精密类两种。
三、代号表示方法1. 位置公差代号位置公差是指在某一尺寸方向上的公差要求,用大写字母H、P、M、L、K、N、T等表示。
其中,H代表最高精度要求,T代表最低精度要求。
2. 角度公差代号角度公差是指零件之间的角度误差范围,用大写字母A、B、C、D、E、F、G等表示。
其中,A代表最高精度要求,G代表最低精度要求。
3. 轮廓公差代号轮廓公差是指零件表面形状和位置的误差范围,用大写字母Z、Y、X、V、U、S、R等表示。
其中,Z代表最高精度要求,R代表最低精度要求。
四、举例说明以普通精度的圆锥滚子轴承为例,其代号为GB/T307.1-2005中规定的KNN,其中:1. K 表示位置公差要求,其代号如下:H:最高精度;P:高精度;M:中等精度;L:低精度;N:最低精度。
2. N 表示角度公差要求,其代号如下:A:最高精度;B:高精度;C:中等精度;D:低精度;E:最低精度。
3. N 表示轮廓公差要求,其代号如下:Z:最高精度;Y:高精度;X:中等精度;V:低精度;U:最低精度。
以上就是关于滚动轴承形位公差代号标准的介绍。
通过对滚动轴承形位公差的标准化、规范化管理,可以更好地保证轴承的装配精度和稳定性,提高机械设备的性能和可靠性。
滚动轴承零件的形位公差解读和测量1. 引言1.1 概述滚动轴承作为机械工业中不可或缺的部件之一,广泛应用于各种机械设备中。
而在滚动轴承的生产和使用过程中,形位公差是一个至关重要的概念。
形位公差可以准确描述零件之间的几何关系,对于保证滚动轴承零件的互换性、运转平稳性以及寿命等方面具有重要作用。
1.2 文章结构本文将从基础概念开始介绍滚动轴承零件形位公差的理论和实际应用,然后探讨形位公差对滚动轴承零件性能的影响。
随后,我们将详细介绍滚动轴承零件形位公差的测量方法,包括测量前的准备工作、基本测量原理与方法介绍以及具体测量设备与工艺流程说明。
最后,通过实际案例分析和应用示例,来进一步加深读者对形位公差解读和测量方法的理解。
1.3 目的本文旨在为读者提供关于滚动轴承零件形位公差解读和测量的详尽信息,帮助读者了解形位公差的基本概念、意义及其对滚动轴承零件性能的影响。
同时,我们还将介绍具体的测量方法与设备,并通过实际案例展示形位公差的应用和优化策略。
通过本文的阅读,读者将能够更好地理解和应用滚动轴承零件形位公差,从而提高滚动轴承零件的生产质量和性能。
2. 滚动轴承零件形位公差解读2.1 形位公差的基本概念在滚动轴承零件中,形位公差是指零件之间的几何关系误差。
它描述了不同特征之间的位置和方向的变化范围,并用于控制零件之间的相对位置。
形位公差包括两个主要方面:位置公差和方向公差。
位置公差用于定义一个特征与参考坐标系或其他特征之间的偏离程度。
它可以表示为并联直线或圆柱体上两点之间距离的最大允许值。
方向公差则用来描述一个特征轴或平面与参考坐标系或其他特征轴或平面之间的偏离程度。
2.2 形位公差的意义与应用形位公差在滚动轴承零件制造和装配过程中具有重要意义。
首先,它能够确保滚动轴承能够正确地定位和运转,以获得所需精度和性能。
其次,形位公差可以帮助设计者合理安排加工工序,提高生产效率并降低成本。
此外,通过选择适当的形位公差,还可以确保滚动轴承零件与其他部件的互换性和可替代性。
序号转动轴承形位公关符号与含义表示符号1 L i L e 内、外圈滚道直线度L w 转动体转动表面直线度2 A pi A pe 轴圈、座圈底面平面度3 △Cir 套圈滚道及转动体转动表面圆度偏差△sph 钢球球形偏差4 V dp V Dp 单调径向平面内,内、外径改动量V dip V Dep 单调径向平面内,内、外圈滚道直径改动量5 V dmp V Dmp 均匀内、外径改动量6 △Cur 单调轴向平面内曲率半径偏差7 VDex 单调轴向平面内,外圈滚道直径改动量8 Si Se 深沟球轴承沟道对端面的平行度Si Se 双列角接触球轴承内、外圈沟道对端面的平行度S il S el 双列角接触球轴承内、外圈两沟道的平行度VBsVCs 内、外圈宽度的改动量S i S e 推力轴承轴圈、座圈滚道对底面的厚度改动量9 VB3sVB2sVB4s 圆柱滚子轴承内圈挡边,平、斜挡圈宽度的改动量VC2sVC4s 圆柱滚子轴承外圈挡边宽度的改动量S if 圆锥滚子轴承内圈大挡边厚度改动量Sef 圆锥滚子轴承外圈凸缘内侧表面对基准端面轴向距离改动量Sim调心滚子轴承内圈中挡边对端面的轴向距离改动量10 S d 内圈基准端面对内孔的圆跳动SDW 滚子基准端面圆跳动K i K e 深沟轴承内、外圈滚道对内、外径表面的厚度改动量11 KirKer 内、外圈一滚道对另一滚道的径向圆跳动KifKef 推力圆锥滚子轴承轴圈、座圈挡边对内、外径的径向圆跳动N i N e轴圈、座圈滚道的法向圆跳动12 推力调心滚子轴承轴圈大挡边内表面的法向圆跳动 N f Sdi S E 圆锥滚子轴承内、外圈滚道素线对基准端面倾斜度改动量∠ 13 调心滚子轴承内圈滚道素线对基准端面倾斜度改动量 S di S D外径表面素线对基准端面倾斜度改动量14 S de 圆柱滚子轴承内、外圈滚道素线对基准端面倾斜度改动量 S di△ 表示偏差V 表示改动m 表示均匀 p表示平面 s 表示单调 d 轴承公称 D 轴承公称 B 内圈公称 C 外圈公称 a 公称圆锥旋转精度符号所用字母的含义以下:K 径向跳S 侧摆,即i 内圈e 外圈相当于 GB1182-80中形位公差项目直线度平面度圆度圆度或棱面度椭圆度锥度线轮廓度平行度平行度不平行度端面圆跳动垂直差径向圆跳动壁厚差斜向圆跳动倾斜度。
滚动轴承零件的形位公差解读和测量刘志明滚动轴承零件形位公差的标注和测量CSBTS98.28-1997《滚动轴承零件形位公差标注方法》 GBT307.2-2005《滚动轴承测量和检验的原则及方法》滚动轴承形位公差项目和符号滚动轴承形位公差项目和符号(续)滚动轴承形位公差项目和符号(续)滚动轴承形位公差项目和符号(续)数值是垂直度的2倍直径变动量和平均直径变动量的标注用D 系列内径测量仪测量用D 系列外径测量仪测量单一平面直径变动量平均直径变动量球形误差和圆度误差的标注用Y系列圆度测量仪测量或用圆度仪测量球形误差和圆度误差的标注(续)用Y系列圆度测量仪测量或用圆度仪测量Y系列圆度测量仪该测量仪采用三点法测量原理,属于形位误差五大测量原则中的测量特征参数原则。
正、偏V 型三点测量法反映系数表表4-3 正V型三点测量法反映系数表 棱边数 n2 3 5 7 9 V形夹角α(度) 反映系数 fn60 0 3 0 0 3 90 1 2 2 0 0 1201.581221表4-4 偏V 形法的反映系数fn棱边数 nV形夹角α(度)测微计偏角θ(度)2 3 5 7 9 60 0---- 3 ---- ---- 3 60 30 1.41 2 2 2 2 90 30 1.64 1 1 1.73 1.73 120602.382222圆(柱)度测量仪圆(柱)度仪采用的是与理想要素比较原则圆度误差的标注与测量( MZC )( LSC )( MCC )( MLC )最小包容区域法、最小二乘圆法最小外接圆法、最大内接圆法最小区域圆( MZC )Δ= 2.40 微米最小二乘圆( LSC )Δ= 2.48 微米最小外接圆( MCC )Δ= 2.87 微米最大内接圆( MLC )Δ= 2.63 微米直线度的标注和测量TD902直线度凸度测量仪轴承零件的直线度误差一般用TD902或轮廓形状测量仪进行检测。
对于薄型推力垫片的平面度,工厂也称其为翘曲度。
滚动轴承零件的形位公差
解读和测量
刘志明
滚动轴承零件形位公差的标注和测量
CSBTS98.28-1997《滚动轴承零件形位公差标注方法》 GBT307.2-2005《滚动轴承测量和检验的原则及方法》
滚动轴承形位公差项目和符号
滚动轴承形位公差项目和符号(续)
滚动轴承形位公差项目和符号(续)
滚动轴承形位公差项目和符号(续)
数值是垂直度的
2倍
直径变动量和平均直径变动量的标注
用D 系列内径测量仪测量用D 系列外径测量仪测量
单一平面
直径变动量
平均直径
变动量
球形误差和圆度误差的标注
用Y系列圆度测量仪测量
或用圆度仪测量
球形误差和圆度误差的标注(续)
用Y系列圆度测量仪测量
或用圆度仪测量
Y系列圆度测量仪
该测量仪采用三点法测量原理,属于形位误差五大测量原则中的测量特征参数原则。
正、偏V 型三点测量法反映系数表
表4-3 正V型三点测量法反映系数表 棱边数 n
2 3 5 7 9 V形夹角α(度) 反映系数 fn
60 0 3 0 0 3 90 1 2 2 0 0 120
1.58
1
2
2
1
表4-4 偏V 形法的反映系数fn
棱边数 n
V形夹角α(度)测微计偏
角θ(度)
2 3 5 7 9 60 0
---- 3 ---- ---- 3 60 30 1.41 2 2 2 2 90 30 1.64 1 1 1.73 1.73 120
60
2.38
2
2
2
2
圆(柱)度测量仪
圆(柱)度仪采用的是与理想要素比较原则
圆度误差的标注与测量
( MZC )
( LSC )
( MCC )
( MLC )
最小包容区域法、最小二乘圆法
最小外接圆法、最大内接圆法最小区域圆( MZC )Δ= 2.40 微米最小二乘圆( LSC )Δ= 2.48 微米最小外接圆( MCC )Δ= 2.87 微米最大内接圆( MLC )Δ= 2.63 微米
直线度的标注和测量
TD902直线度凸度测量仪轴承零件的直线度误
差一般用TD902或轮廓
形状测量仪进行检测。
对于薄型推力垫片的平面度,工厂也称其为翘曲度。
翘曲度可理解为薄型垫片在自由状态下(或规定测量载荷下)的平面度,可用 F 标记。
推力片平面度的标注于测量
上部测头用于垫片的厚度、厚度变动量和平行度测量
下部测头用于垫片的平面度测量
G803A推力轴承
垫圈高度测量仪
平行度的标注与测量
用G系列宽(高)度测量仪测量
径向、端面圆跳动的标注
B922轴承内圈径向/端面跳动测量仪用B系列跳动测量仪测量
滚道、外径母线对端面倾斜度变动量的标注
用C系列垂直度测量仪测量
滚道、外径母线对端面倾斜度变动量的测量
Sdr
内圈端面对内孔垂直度的测量
Sdr
Sd
内圈端面对内孔垂直度的测量
深沟球轴承内圈标注示例
圆柱滚子轴承外圈标注示例
滚动轴承零件测量注意事项
GBT307.2-2005滚动轴承测量和检验的原则及方法
滚动轴承零件测量注意事项
滚动轴承零件测量注意事项
滚动轴承零件测量注意事项
滚动轴承零件测量注意事项
内圈壁厚差测量
外圈壁厚差
推力片壁厚差
冲压外圈壁厚差
南方轴承企业标准:
NF/JS141040 《冲压圈滚针轴承通用技术要求》分别规定了径向和轴向壁厚差参数指标,这里应该是指单一截面的径向壁厚差、单一截面的轴向壁厚差。
径向壁厚差的测量位置?
目前生产现场在测量壁厚差时,不论在径向还是轴向在测量时应多测几个截面,取单一截面中得到的最大读数差作为壁厚差测量值。
轴向壁厚差径向壁厚差。