P3和P4对比资料
- 格式:ppt
- 大小:13.10 MB
- 文档页数:16
p3p4实验室概念P3P4实验室,全称为“平面二维材料与器件研究国家重点实验室”,隶属于中国科学技术大学,是当前中国材料科学领域的重要研究机构之一。
本实验室的主要研究方向是平面二维材料的合成与制备、物理性质的研究以及其在器件制备与应用方面的探索,致力于提高材料科学在能源、电子、光电等领域的应用性能。
P3P4实验室成立于2009年,其前身为P3实验室和P4实验室,相继成立于2005年和2008年。
合并后的实验室在科研水平、研究规模和学术声誉等方面都得到了大幅提升,成为国内乃至国际上平面二维材料领域的重要研究机构之一。
在平面二维材料的合成与制备方面,实验室在多种材料的制备方法上都进行了创新性的研究。
例如,实验室研究人员采用化学气相沉积与机械剥离相结合的方法,成功地合成了许多重要的二维材料,如石墨烯、二硫化钼和二硫化钨等。
这些材料不仅具有优异的物理和化学性质,还能够在电子、能源和催化等领域发挥重要作用。
实验室在平面二维材料的物理性质研究方面也取得了许多重要的成果。
实验室的研究人员利用自行开发的超高真空纳米操作平台,成功地研究了二维材料的电子结构、光学性质和磁性等特性。
通过对这些物理性质的深入研究,实验室为二维材料的应用提供了重要的理论基础。
在实验室的器件制备与应用研究方面,研究人员着重探索了二维材料在光电子器件、能源器件和传感器等领域的应用潜力。
例如,实验室的研究人员制备了基于二维材料的光伏电池和薄膜太阳能电池,这些器件在太阳能转化效率和稳定性方面都取得了很大的突破。
同时,实验室还研究了二维材料在传感器方面的应用,开发出了基于二维材料的压力传感器和光电传感器等。
除了研究成果的积累,实验室还注重人才培养和国际交流。
实验室拥有一支由国内外优秀研究人员组成的团队,他们在平面二维材料领域有着丰富的研究经验和深厚的学术造诣。
实验室非常重视培养年轻的科研人才,在研究生和博士后的选拔和培养上投入了大量的资源。
同时,实验室与国内外多个高等院校和科研机构开展了广泛的合作和交流,组织了多次国际学术会议和研讨会,为研究人员提供了学术交流的平台。
【P1级实验室一般规范】1) 实验室具备跟一般微生物学实验室相同等级的设备。
2) 若在此级实验室内同时进行非基因重组的实验时,需明确划分实验区域,小心进行操作。
3) 进行实验时,宜关闭实验室的门窗。
4) 每日实验结束时需灭菌实验台,如实验中发生污染,需立即加以灭菌。
5) 实验所产生之所有生物材料废弃物,需先灭菌后再依院方「感染性废弃物管理」相关办法丢弃。
被污染的器具需先经灭菌后,再清洗使用或丢弃。
6) 不得用口做吸量操作。
7) 实验室内禁止饮食、吸烟及保存食物。
8) 操作重组体之后,或离开实验室之前要洗手。
9) 在所有操作中,应尽量避免产生气雾。
10) 要从实验室搬离被污染物品时,必需将其放入坚固且不漏的容器,在实验室内密封后才可运出。
11) 防除实验室的非实验用生物,如昆虫及鼠类等。
12) 若有其它方法可用,应避免使用针头。
13) 实验用衣物的使用,需遵从计划主持人的指示。
14) 需遵守计划主持人所订之其它事项。
【P2级实验室一般规范】壹、隔离的设备1) 需设置生物安全操作装置(*级或第二级),且要做定期检查。
2) 为了处理重组体,而使用容易产生气雾的磨碎机、冷冻干燥器、超音波细胞打碎机及离心机等仪器时,需把这些仪器放置在安全操作装置中。
但若机器已经有防止气雾外泄的装置,则不在此限。
3) 实验室需具备处理污染物及废弃物灭菌用之高压灭菌器,*放置于同一房间。
如有困难,则可置放于邻近处。
4) 实验室宜置有UV灯及双重门,如无双重门,则门必须为密闭式。
5) 实验室宜设有可用脚或肘操作或自动的洗手的装置。
贰、实验实施要项1) 进行实验时,需关闭实验室的门窗。
2) 每天实验结束之后一定要灭菌实验台及安全操作装置。
如实验中发生污染,需立即加以灭菌。
3) 与实验有关之生物材料之废弃物,需先灭菌后再依院方「感染性废弃物管理」相关办法丢弃。
被污染的器具需先经高压灭菌后,再清洗使用或丢弃。
4) 不得用口做吸量操作。
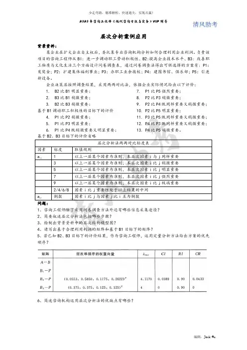
层次分析案例应用背景资料:某企业在扩大企业自主权后,委托某专业咨询机构分析如何合理利用企业利润。
负责该项目的咨询工程师从Bl:进一步调动职工劳动积极性、B2:提高企业技术水平、B3:改善职工物质与文化生活三个方面设计问卷调查表,通过问卷调查法得出可供选择的方案有:P1:发奖金;P2:扩建集体福利事业;P3:办职工业余技校;P4:建图书馆、俱乐部;P5:引进新设备。
企业决策层按照调查结果,采用两两对比法,依据企业实际情况给出以下评价:1.B2比B1明显重要;2.B3比B1稍微重要;3.B2比B3稍微重要;基于B1调动职工积极性的目标下的评价7.P1比P5强烈重要;8.P2比P3稍微重要;9.P2比P4既同样重要又稍微重要;10.P2比P5明显重要;5、若已知B2、B3目标下的评价结果,作为咨询工程师,运用定量分析方法给出方案的优先顺序?6、简述咨询机构运用层次分析法的优缺点有哪些?第一问:暗地卷烟(基础知识不多说);第二问:层次分析法的步骤:①建立层次结构模型;②构造比较判断矩阵;③单准则下层次排序和单准则下一致性检验;④总排序和总排序下一致性检验。
A—B第一步:单准则下的①权重向量和②最大特征值计算,并进行③一致性检验一、权重向量的求解二、最大特征值的求解定义:给定某一矩阵A,寻找一个常数λ和非零向量ω,使得A·ω=λ·ω即A·ω==λ·A-B A·ω==下一步依据高中向量运算公式即:A=λD B=λE C=λF =λ·=故:λ=1/3*(A/B+B/E+C/D)综上得λmax =1/3*(0.3182/0.1047+1.9354/0.6370+0.7847/0.2583)=3.0385B1-P 的计算过程不重复,λmax =5.079211/51/3A —B51331/310.1047ωA —0.63700.258311/51/351331/310.10470.63700.25830.10470.63700.2583A B CD E FλD λE λF二、单准则下的一致性检验首先我们来简单了解一下一致性检验的含义:由矩阵A-B通过和法或者根法求解得到权重向量ω,整个计算过程没有对矩阵做质变,只是简单的归一化形变。
那么代表互联网三座大山的BAT,内部人才体系有什么区别呢?下面进入正题,先谈谈腾讯的体系首先是腾讯。
1、职级腾讯职级体系分6级,最低1级,最高6级同时按照岗位又划分为四大通道,内部也叫“族”,比如:产品/项目通道,简称P族技术通道,简称T族市场通道,简称M族职能通道,简称S族以T族为例,分别为:T1:助理工程师(一般为校招新人)T2:工程师T3:高级工程师3-1相当于阿里的p6+到p7(能力强可能到p7)T4:专家工程师T5:科学家T6:首席科学家目前全腾讯貌似就一个T6.每一级之间又分为3个子级,3-1是任命组长/副组长的必要条件其他线也是这样T4基本为总监级,也不排除有T3-3的总监,因为T4非常难晋级腾讯内部是按级别划分的从T1到T6。
每个级别又分3等。
级别越高base的薪酬也越高,一年根据你的performance 大概能发15.3个月至18个月的工资,T3.1的base 2w+,T3以上级别的员工都会有股票期权,腾讯09以前的员工赚钱主要靠股票,从08到现在股票up了500%+。
O(∩_∩)O~这里的薪酬数据只是戏说没什么可比较性,职场最主要的是职业发展,当你为企业创造了足够的价值还担心薪酬(⊙_⊙)?暂时有不公平的话公司内部review的时候也会balance的。
T5+的base薪酬在600w~800w/年2、晋升腾讯的晋级还是很困难的。
尤其是T2 升T3,T3升T4.非常多的人卡在2-3,3-3没有办法晋级啊。
有的小伙伴做了3、4年的2-3 升不上去啊。
3、薪水:腾讯薪资架构:12+1+1=14薪年终奖:看部门盈利情况,一般是3个月人才流动的可能:在深圳的很多腾讯员工,很多都买了房,想往杭州,北京挖人,太困难了。
当你的房子,妻子的工作,儿子的学校,你的朋友圈,都在一个城市的时候,换城市就有困难了啊。
所以只能挖一些比较浅的人走。
在北京:人数不少,不够骨干员工不多。
腾讯视频的主要团队在北京倒是不少,在成都,大连:在这些二线城市,腾讯就是当地最好的互联网公司了,提供的待遇也是非常高的,不少人都对自己的薪资比较满意,工作环境也很满意。
P3电源与P4电源的区别P3电源一般是 20针口 150WP4电源一般是 24针口 300WP3的机器可以使用P4电源,P4机器不能使用P3电源,因为功率不够P3电源最大功率只有200-250W左右,P4电源最大功率在280-350W左右。
而且P4电源多了AGP独立供电。
简单说P3电源与P4电源的最大差别是P4电源在P3电源基础上增加了一个4PIN的+12V插头满足P4主板供电需要,其实早期很多P4机不用此4PIN头也是没关系的计算机电源是根据计算机相应的电源标准设计和生产的,在计算机高速发展的这十多年间,计算机电源标准也跟着在不断地发生变化,以适应计算机高速发展的要求,计算机电源主要采用了以下几个标准:PC/XT标准: 是由IBM最先推出个人PC/XT计算机时制定的标准;AT标准: 也是由IBM早期推出PC/AT机时所提出的标准,当时能够提供大约190W的电力供应;ATX标准: 是由Intel公司于1995年提出的工业标准,从最初的ATX1.0开始,ATX标准又经过了多次的变化和完善,目前国内市场上流行的是ATX2.03和ATX12V这两个标准,其中ATX12V又可分为ATX12V1.2、ATX12V1.3、ATX12V2.0等多个版本。
ATX与AT标准比较:1、ATX标准取消了AT电源上必备的电源开关而交由主板进行电源开关的控制,增加了一个待机电路为电源主电路和主板提供电压来实现电源唤醒等功能;2、ATX电源首次引进了+3.3V的电压输出端,与主板的连接接口上也有了明显的改进。
ATX12V与ATX2.03标准比较:1、ATX2.03是1999年以前PII、PIII时代的电源产品,没有P4 4PIN接口;2、ATX12V加强了+12VDC端的电流输出能力,对+12V的电流输出、涌浪电流峰值、滤波电容的容量、保护等做出了新的规定;3、ATX12V增加的4芯电源连接器为P4处理器供电,供电电压为+12V;4、ATX12V加强了+5VSB的电流输出能力,改善主板对即插即用和电源唤醒功能的支持。
P31P41P33P43P35P45区别P31跟P41都一样是阉货,而P31跟G31的最高支援内存都是4G内存,P31而言没有了集显.FSB上P31不是原生支持1333,只是到1066FSB.当然生产厂家以超频形式支持到1333而已,而内存也原生支持也只到DDR2 800而已,上到1066也是生产厂家以超频形式支持.ICH的配搭也是ICH7为主,比起ICH10的磁盘性能低的不只一点半点.内建的PCI-E支持是1.1版,而P43以上是2.0版。
P41呢?就是G41的去集显版本,最高支持内存在8G内存,FSB原生支持到1333,内存也是800原生,1066的支持是厂家超频支持,也是ICH7为主.PCI-E支持也是1.1版.所以P41跟P31除了内存支持大小跟FSB高低,就整体而高,差别不大,当然G41跟G31的集显不在一个级别.也很重要的一个就是除非生产厂家的设计比较合理,要不外频都超不高……P43跟P33呢?P43原生支持FSB1333,厂家多以超频支持1600,在超到400外频,FSB1600的情况下发热P43比P41要好,内存支持是跟P41一样都是8G 内存.后期的P43是以1066内存支持为主,前期都是800,不过前期的P43厂家都是超频支持1066,后期的P43也是超频支持1200,D3的话,貌似有看过超频支持DDR3 1600的……P33也是跟P43差不多吧,但内存频率支持要差一些,而且只支持PCI-E1.1a而已,但P43是支持PCI-E2.0.另外ICH的配搭是P33一般是8或者9为主,P43的一般是ICH10/ICH10R.两者超频到400外频,1600FSB没压力,420的外频以上就不行了,传说是INTEL对P43跟P33作了限制,P45跟P35呢?P45的原生FSB支持也是1333,厂家多以1600支持出货,后期的货也有人传说是以原生FSB1600的,但不确定,支持的内存最高是16G内存,支持的PCI-E是2.0版本,支持的内存2代也是1066,3代是1333.但厂家出货多是OC支持2代到1200跟3代到1833的,少数是到3代2000的.P35跟P45差不多,但好像很少可以支持DDR3 3代内存,而且支持的PCI-E 是1.1a,不是PCI-E2.0.ICH的搭配是P35多以ICH9R,P45是ICH10R为主,当然有减料版是用ICH9跟ICH10的。
2024年监理工程师《交通运输工程目标控制-公路工程专业知识》新旧教材对比篇/章(目录)页码变化内容2023202420232024第一章公路工程监理工作概述第一章公路工程监理工作概述P1P13.验收与缺陷责任期阶段的监理修改为:3.验收与缺陷责任期阶段删除:对于公路工程建设项目中的机电工程,还包括试运行期监理阶段。
P2P21.设置监理机构(3)监理机构完成监理合同约定的任务后可撤离现场修改为:(3)监理机构完成监理合同约定的任务并征得建设单位同意后,可撤离现场。
P3新增:3.监理职责P3P3-4二、收集并熟悉监理文件资料审批施工单位提交的单位工程、分部分项工程划分并报送建设单位和质安全监督机构;审批施工单位编写的总体施工组织设计文件;完成工程导线、水准测量或复测工作;修改为:审批施工单位提交的单位工程、分部分项工程划分,并报送建设单位。
审批施工单位编写的总体施工组织设计文件和专项施工方案。
完成工程导线、水准测量或复测工作,以及成果审批。
P3P4三、编制监理计划、召开监理交底会议和召开第一次工地会议修改为:三、编制监理计划P3P4原1.编制监理计划删除:类似于建设工程监理规范中的“监理规划”。
P4P4原2.召开监理交底会议修改为:四、召开监理交底会议和召开第一次工地会议1.召开监理交底会议P4P4-5原3.召开第一次工地会议修改为:2.召开第一次工地会议、下达工程开工令整段内容有修改P4P5四、编制监理细则并规范化地开展监理工作监理细则应包括......等内容。
修改为:五、编制监理细则并规范化地开展监理工作监理细则应包括......等计划。
P5P6(4)规范监理行为。
《危险性较大的分部分项工程安全管理规定》修改为:《公路水运工程安全生产监督管理办法》P6P7第三节监理工作内容及其工作方式(监理行为方式)修改为:第三节监理工作内容及其工作方式P6-7删除:一、行为和监理行为的含义、分类P8P85.审批施工组织设计、审查施工组织设计中的安全技术措施或专项施工方案、应急预案修改为:5.审批施工组织设计、审查施工组织设计中的安全技术措施或专项施工方案P9P87.审核工程划分删除:必要时,应报送质量安全监督机构。
大疆飞行器p3s(标准版)p3(4k版)p3a(高级版)p3p(专业版)P4(精灵4)飞行器最大上升速度5m/s5m/s5m/s5m/s6m/s最大下降速度3m/s3m/s3m/s3m/s4m/s(运动模式)最大飞行速度16m/s16m/s16m/s16m/s20m/s(运动模式)海拔高度6000m6000m6000m6000m6000m飞行时间25min25min23min23min28min工作温度0~40℃0~40℃0~40℃0~40℃0~40℃定位模块GPS GPS GPS/GLONASS双模GPS/GLONASS双模GPS/GLONASS双模云台云台转动范围 -90°/ +30° -90°/ +30° -90°/ +30° -90°/ +30° -90°/ +30°下视视觉系统速度测量范围飞行速度≤ 8 m/s飞行速度≤ 8 m/s飞行速度≤10m/s 高度测量范围30cm—300cm30cm—300cm0—10m前视视觉系统障碍感知范围无无无无0.7—15m相机像素1200万2.7k1240万(4k)1240万1080p1240万4k1240万4k分辨率4000×30004000×30004000×30004000×30004000×3000支持储存卡类型SD卡最大8G SD卡最大64G SD卡最大64G SD卡最大64G SD卡最大64G视频储存码流40Mbps60Mbps40Mbps60Mbps60Mbps遥控器最大信号距离1km5km5km5km5km充电器电压17.4v17.4v17.4v17.4v17.4v额定功率57w57w57w100w100w智能飞行电池容量4480mAh4480mAh4480mAh4480mAh5350mAh电压15.2v15.2v15.2v15.2v15.2v工作环境温度 -10~40℃ -10~40℃ -10~40℃ -10~40℃ -10~40℃图传实时图传wifi图传wifi图传720高清图传720高清图传720高清图传悟5m/s4m/s22m/s4500m18min-10~40℃GPS/GLONASS双模 -90°/ +30°飞行速度≤ 8 m/s 5—500cm无1240万4k4000×3000SD卡最大64G60Mbps5km26.3v100w4500mAh22.2v-10~40℃720高清图传。
假设一家银行拥有资金20**万,现有10家公司向其贷款进行筹建,每家均需300万才能建成。
如果这家银行将20**万的资金平均贷给这10家公司,则每家公司将得到200万的贷款,都不能筹建成功,也就不能还贷,那么这10家公司都将“死锁”。
若这家银行给其中的4家各贷300万,另4家各贷200万,这样将还有2家公司得不到贷款,不能开工建设,但有4家可筹建完成,这4家公司运营所得利润可向该银行还贷,银行可以利用还贷的资金继续向其他的公司贷款,从而保证所有公司筹建成功投入运营。
银行家算法是为了把一定数量的资金供多个用户周转,并保证资金的安全。
银行家算法可归纳为:(1)当一个用户对资金的最大需求量不超过银行家现有的资金时,就可接纳该用户。
(2)用户可以分期贷款,但贷款总数不能超过最大需求量。
(3)当银行家现有的资金不能满足用户的尚需贷款数时,可以推迟支付,但总能使用户在有限的时间里得到贷款。
(4)当用户得到所需的全部资金后,一定能在有限时间里归还所有的资金。
我们可以把操作系统看作银行家,把进程看作用户,把操作系统管理的资源看作银行家管理的资金,把进程向操作系统请求资源看作用户向银行家贷款。
操作系统按照银行家规定的规则为进程分配资源。
当进程首次申请资源时,要测试该进程对资源的最大需求量。
如果系统现存的资源可以满足它的最大需求量,则按当前的申请量分配资源,否则推后分配。
当进程在执行中继续申请资源时,先测试该进程已占有的资源数与本次申请的资源数之和是否超过该进程对资源的最大需求量。
如果超过,则拒绝分配资源,否则再测试系统现存的资源能否满足该进程尚需的最大资源量。
若能满足,则按当前的申请量分配资源,否则也要推迟分配。
这样做,能保证在任何时刻至少有一个进程可以得到所需要的全部资源而执行到结束,执行结束后归还资源,并把这些资源加入到系统的剩余资源中,用同样的方法为其他的进程分配资源。
银行家算法的数据结构包括:(1)可用资源向量Available。
数据中心配电系统3P和4P开关的区别应用注册一级建造师:唐国丰摘要:《全国民用建筑工程设计技术措施》关于三相四极开关的选用,用寥寥的五点规定了在什么情况下使用4P开关,什么情况下不能使用4p开关,但这种概念模糊的说明,对我国数据中心供配电的设计和施工者造成了不小的困扰,甚至有些项目滥用4P断路器,既浪费了设备投资又增加了断“零”的风险。
关键词:数据中心配电4P开关断零4P开关的有两个用途。
一、作电器隔离,用以断开线路的中性线,保证电气维修时维修人员的安全,我国过去广泛采用所谓接零保护的TN-C系统,因该系统的中性线是PEN线,不能用闸刀切断,线路中普遍采用3P开关,在电气维修过程中N线没有完全隔离造成点击事故。
而4P开关可以有效的断开N线,起电气隔离作用。
二、用作功能开关,如双电源自动切换装置(ATS)。
但4P开关使用过程中存在断“零”的风险,因此在供配电设计时应慎用4P开关。
4P断路器为什么容易招致断“零”呢?断路器或开关在闭合或断开过程中,相线触头间会产生电弧,负载电流产生的电弧,能烧蚀清除开关触点上的电阻膜(触头表面形成一层化学腐蚀物、氧化物、金属钝化层、尘埃脏物),而对于四极开关产品标准要求先断开三个相线触头,后断开中性线触头,以免操作瞬间断“零”。
三根相线断开后中性线上不复存在电流,中性线触头也就不会产生电弧来清除其电阻膜。
因膜电阻大,就造成了断“零”事故的发生。
另外,因在中性线上增加了一个接线点就增加了一个断“零”风险,比如,施工接线中性线端子没有压紧而导致松动,开始时还能正常工作,不易被发现。
过了一段时间接触不良导致断“零”,待烧毁大量设备后才发现是中性线不导电造成,已经为时已晚。
“……《全国民用建筑工程设计技术措施》P45页4.53.3-17三相四极开关的选用:1)正常供电电源与备用发电机之间的转换开关应采用四极开关;2)带漏电保护的双电源转换开关应采用四极开关。
两个电源开关带漏电保护其下级的电源转换开关应采用四极开关;3)在两种不同接地系统间电源转换开关应采用四极开关;4)TT系统的电源进线开关应采用四极开关;5)IT系统中当有中性线时应采用四极开。
美国亲属移民签证P1-P4阶段全解析(全文)现在申请美国亲属移民的人是越来越多,无数人盼星星盼月亮就是为了那“一纸”绿卡,但是在申请过程中他们却会遇到很多问题,不少朋友的疑问:美国亲属移民的P1、P2、P3、P4都是些啥?其实也不能怪这些朋友不了解,事实上美国亲属移民中的其它名词如F1、F2A、F2B-••…也同样很容易让人疑惑,毕竟这些简单的缩写对于没怎么接触过的人来说确实是一头雾水。
好了,闲话不再多说,下面进入正题。
【P1阶段】所谓P1阶段就是当大家申请美国亲属移民时,先假设申请人是A, A将申请资料准备齐全,然后递交美国亲属申请表I —130至美国当地的移民处理中心,接着A就会拿到档案号码P1,也就是我们通常所说的表I-130申请收据。
档案号码P1里面包含有三个英语大写字母加10个数字,三个英文字母分别是EAC或WA(或SRC或LIN,分别对于不同的美国移民处理中心。
下面小编给大家看一下P1的样本,让大家对P1有个更全面的认识。
P1样本如下:U. S. Department Of JusticeImmigrati on and Naturalizati on Service Notice Of ActionTHE UNTIED STATES OF AMERICARECEIPT NUMBEREAC-XX-***-***XX(很重要的收据号!)CASE TYPE I130 IMMIGRANT PETITION FOR RELATIVE ,FIANCE(E) , OR ORPHANRECEIVED DATE(你们递表的日期)PRIORITY DATE(优先日期)PETITIONER(申请你的人的姓—,—名—)NOTICE DATE(通知发出的日期〈在1-797批准通知里,这里表示批准日期〉)PAGE1 of 1BENEFICIARY(你的姓—,—名___)这一栏写:是谁申请你的,写当时申请你的那个人当时写的那个地址Notice Type : Receipt NoticeAmou nt received : $ 110.00Sect ion : Sister or brother of U.S.Citizen , 203(a)⑷ INAThe above application or petition has been received . It ususlly takes 180 to940 days from the date of this receipt for us to process this type of case . Pleaseno tify us immediately if any of the above in formati on is in correct.We will send you a written notice as soon as we make a decision on this case ,You can aslo use the pho ne nu mber (802)527-4913 to obta in case status in formati on direct from our automated system 24 hours a day with a touch-tone phone and the receipt nu mber for this case (at the top of this no tice.)If you have other questi ons about possible immigrati on ben efits and services,filling information ,of Immigration and Naturalization Service forms, please call the INS Natio nal Customer Service Center (NCSC) at 1-800-375-5283. If you are hearing impaired , please call our TDD at 1-800-767-1833.If you have access to the Internet , you can also visit the INS at . Here you can find valuable information about forms and filling in struct ions , and about gen eral immigrati on services and ben efits. At prese nt , this site does not provide case status in formati on .以上就是关于P1的阶段的介绍,相信大家对P1阶段以及有了一个比较清晰的认识,那么接下来滴答小编要带领大家来认识一下P2阶段。
P2、P3、P4、P5标项一(一)、主要参数; (二)、主要性能描述(二)、主要性能描述1.整车选用达国Ⅳ排放标准的DFL1160BXB作改装底盘,轴距短,既满足承载要求又提高了整车的机动性能。
2.具有独立的高、低压两套水路系统,采用副发动机驱动高压水泵,底盘发动机驱动低压水泵。
整机行驶速度和高压水泵转速不会互相牵制,高压清洗速度可任意控制。
3.采用国内首创的作业模式,既有高压清洗功能,又有洒水冲洗功能,两种功能既可单独使用,又能同时配合使用,以适应不同污染路面的清洗。
4.★全车操控采用高可靠性、无污染的先进气动系统,所有路面作业功能均可在驾驶室内进行操作。
5.前高压清洗装置由三段清洗架组成,可形成一个完整的清洗平面。
外伸清洗装置具有自行避障功能,与路缘碰撞不产生结构性损坏,杜绝形成路边作业死角。
(提供彩色图业或相关证明材料)6.★具有多角度单点清淤功能,适用于道路局部卫生死角的清除。
(提供彩色图业或相关证明材料)7.具有前冲洗、后洒水功能,前后采用不同特点的喷嘴。
前喷嘴冲洗压力大,可一次冲洗六条车道;后洒水适用于降温、降尘。
8.配有左中柱状侧冲,右后柱状侧冲装置,喷嘴可左右360°,上下360°调整。
(提供彩色图业或相关证明材料)9.罐体采用高强度钢板制作,内部经特殊工艺处理,不锈蚀。
10.后置工作台,配有高喷水枪,具有辅助消防功能,高喷水枪可调节成柱状或雾状。
车厢后部配置高压清洗枪,可用于清洗路标、广告牌、车身自清洁等。
11.开关控制阀件、洒水系统管道均采用耐锈蚀材料,可靠、耐用。
12.水罐设有低水位传感报警系统,当水位较低时能自动报警,防止水泵缺水损坏。
13.★配有气力净管防冻装置,防止冬季因水道管路残留积水结冰导致喷水系统元件的损害。
(提供彩色图业或相关证明材料)更正为:标项一(一)、主要参数(二)、主要性能描述12.具有独立的高、低压两套水路系统,采用副发动机驱动高压水泵,底盘发动机驱动低压水泵。
全彩led显示屏LED显示屏(LED panel):LED就是light emitting diode ,发光二极管的英文缩写,简称LED。
它是一种通过控制半导体发光二极管的显示方式,其大概的样子就是由很多个通常是红色的发光二极管组成,靠灯的亮灭来显示字符。
用来显示文字、图形、图像、动画、行情、视频、录像信号等各种信息的显示屏幕。
LED 的发光颜色和发光效率与制作LED的材料和工艺有关,灯球刚开始全是蓝光的,而是后面再加上荧光粉,根据用户的不同需要,调节出不同的光色,广泛使用的有红、绿、蓝、黄四种。
由于LED 工作电压低(仅 1.5~3.6V),能主动发光且有一定亮度,亮度又能用电压(或电流)调节,本身又耐冲击、抗振动、寿命长(10 万小时),所以在大型的显示设备中,尚无其他的显示方式与LED 显示方式匹敌。
佳帝科技有限公司是一家集研发、生产、销售及服务于一体的LED 显示屏、LED灯饰、维护、LED工程、及LED其他应用的高新科技企业。
公司总部在深圳,研发基地美国加州,产品加工基地坐落在中国有名的电子城市深圳市,led城市亮化销往国外,公司实力雄厚,是一家准上市企业!led科技事业部是主要针对的是中国led显示屏市场。
现在公司技术骨干是上个本世纪初从事LED行业的专业人士,有着非常丰富的研发和实践经验。
公司成员90%以上具有大专以上学历,电子工程系毕业,并且从事led生产有十几年,对led显示屏的基本原理和电路设计有很深的认识。
公司管理层由一批富于创新、勇于接受挑战、有丰富的管理经验及智能化电子技术和系统开发经验的电子业精英组成。
公司坚持以人为本,鼓励员工充分发挥他们的才智和潜能,并尽一切.深圳市佳帝科技有限公司提供的产品服务包括LED显示屏、户外显示屏、室内显示屏、广告显示屏、传媒显示屏、舞台显示屏、广场显示屏、单双色显示屏、LED墙屏、商场显示屏等。
产品介绍:p16户外全彩LED显示屏产品参数产品品牌:GUIDE产品型号:PH16像素点距:16mm像素组成:1红1绿1蓝产品亮度:≥7500CD/m2物理密度:3906dots/m2模组尺寸:256mm*128mm产品参数佳帝科技P16户外全彩LED显示屏适用于大型体育场馆、火车候车室、电视节目直播现场、展览场馆、大型文艺晚会现场、演唱会现场等。
初中三年历史重点学习资料一、元谋人北:P2 目前我国境内已知最早的人类,是距今约170万年的元谋人。
二、北京人的文化遗存:(P3-P4)生活时间:距今约70—20万年生活地点:北京周口店用火方式:北京人已经使用天然火。
三、了解河姆渡遗址和半坡遗址的基本情况(一)河姆渡遗址:北:P9 距今约7000年的河姆渡聚落位于浙江余姚河姆渡村,是长江流域氏族聚落的代表。
那里的居民普遍使用磨制石器,还用动物骨骼制作工具。
我国是世界上最早种植水稻的国家之一。
河姆渡居民主要种植水稻,还饲养猪、狗、水牛等家畜。
P10河姆渡聚落的房屋是干栏式的,干栏式建筑一直是江南地区的主要建筑形式之一。
(二)半坡遗址:北:P7距今约6000年的半坡聚落位于陕西西安半坡村。
P8遗址四周建有许多圆形的房子或方形的小房屋,是氏族成员的住处。
我国是世界上最早种植粟的国家之一。
半坡居民饲养猪、狗等家畜,还打猎、捕鱼。
普遍使用磨制石器。
P9陶器是那时人们日常生活的主要用具。
出土了大量陶器,陶器的底色一般为红色,上面多绘有人、动物和几何花纹等图案,称为彩陶。
四、炎帝、黄帝和尧、舜、禹的传说北:P12炎帝和黄帝黄河流域的部落联盟首领。
P14炎、黄二部族走向联合,占据了中原地区并不断繁衍,形成后来华夏族的主体。
炎帝和黄帝被尊奉为中华民族的人文始祖。
P15 禹是传说时代的治水英雄。
北:P15尧年老后,部落联盟推举舜为继承人。
后来,舜又以同样的方式传位给禹。
这种通过推举部落联盟首领的办法,后人称之为“禅让”。
[考试说明]国家的的产生和社会的变革一、夏朝建立的史实北:P22约公元前2070年,禹建立了我国历史上第一个国家——夏朝,定都阳城。
二、禅让制到王位世袭制的演变北:P22约公元前2070年,禹建立了我国历史上第一个国家——夏朝,定都阳城。
禹死后,他的儿子启继承父位,开始了“家天下”的历史。
从此,王位世袭制代替了禅让制。
三、西周分封制北:P28分封制的目的是为了巩固统治。
中国有几个p4实验室?只有一个原来是它2018年1月,中国科学院武汉分院宣布,武汉国家生物安全四级实验室(以下简称“武汉P4实验室”)完全具备从事开展高致性病原微生物实验室活动资质,并通过了国家卫计委现场评估,成为中国首个正式投入运行的P4实验室。
什么是p4实验室作为当前最高等级的生物安全实验室,P4实验室是专用于烈性传染病研究与利用的大型装置,如埃博拉病毒等对人体具有高度危险性、但尚无预防和治疗方法的病毒必须在P4实验室中进行研究。
除中国外,目前全球公开拥有P4实验室的仅有德国、澳大利亚、法国、加拿大、美国、英国、瑞典和南非等国。
根据国际惯例,这是人类目前唯一可对埃博拉等活体病毒做实验的安全场所。
根据传染病原的传染性和危害性,国际上将生物安全实验室分为P1、P2、P3和P4四个生物安全等级。
所谓的P4实验室,是目前人类所拥有生物安全等级最高的实验室,被誉为病毒学研究领域的“航空母舰”。
武汉p4实验室武汉P4实验室采用类似法国里昂P4实验室“盒中盒”的设计理念,是中法新发传染病防治合作项目重要内容之一。
整个实验室呈悬挂式结构,共分为4层。
从下往上,底层是污水处理和生命维持系统;第二层是核心实验室;第三层是过滤器系统;二层和三层之间的夹层是管道系统;最上一层是空调系统。
实验室内的空气将经过两级高效过滤器处理后进行排放,固体污染物要经过高压灭菌锅处理,液体污染物要经过污水处理设备处理,以保证彻底杀灭病原,确保实验室里的病原不会泄漏。
“所有一层、三层、四层、夹层均是为了保证二层核心实验室的正常运行,保证实验室里面是单向气流,是一个负压状态。
里面的东西不能出来,只有外面的东西有可能进去,就像一个密封的盒子。
”中科院武汉分院院长、武汉P4实验室主任袁志明说。
“实验室的公开、透明、共享是未来运行的基础。
”袁志明介绍,目前的合作伙伴除中国科学院、中国医科院及高校等,还包括东南亚公共卫生部门、法国国家健康与医学研究院等。