建设项目分类管理名录-2011年最新整理统一版
- 格式:doc
- 大小:167.00 KB
- 文档页数:8
建设项目环境保护分类管理名录(第一批)国家环境保护总局关于公布《建设项目环境保护分类管理名录》(第一批)的通知环发[2001]17号2001-02-17各省、自治区、直辖市环境保护局(厅),解放军环境保护局:根据《建设项目环境保护管理条例》(国务院第253号令),我局于1999年制定并公布了《建设项目环境保护分类管理名录》(试行)(环发[1999]99号)(以下简称“试行名录”)。
针对“试行名录”执行情况和有关部门的反馈意见,经认真研究,我局重新修订了《建设项目环境保护分类管理名录》(第一批),现予公布,请贯彻执行,原“试行名录”停止使用。
建设项目环境保护分类管理名录(第一批)为贯彻执行国务院发布的《建设项目环境保护管理条例》,对建设项目的环境保护实行分类管理,提高环境影响评价的有效性,制定本分类管理名录。
一、根据建设项目对环境的影响程度,按照下列规定对建设项目的环境保护实行分类管理:(一)建设项目对环境可能造成重大影响的,应当编制环境影响报告书,对建设项目产生的污染和环境影响进行全面、详细评价。
(二)建设项目对环境可能造成轻度影响的,应当编制环境影响报告表,对建设项目产生的污染和对环境的影响进行分析或者专项评价。
(三)建设项目对环境影响很小、不需要进行环境影响评价的,应当填报环境影响登记表。
二、对环境可能造成重大影响、轻度影响、影响很小的建设项目界定原则:1、对环境可能造成重大影响的建设项目界定原则:对环境可能造成重大影响的建设项目指符合下列任一条件的项目:(1)所有流域开发、开发区建设、城市新区建设和旧区改建等区域性开发项目。
(2)可能对环境敏感区造成影响的大中型建设项目。
(3)污染因素复杂,产生污染物种类多、产生量大或产生的污染物毒性大、难降解的建设项目。
(4)可能造成生态系统结构的重大变化或生态环境功能重大损失的项目。
(5)影响到重要生态系统、脆弱生态系统或有可能造成或加剧自然灾害的建设项目。
河南省发展和改革委员会文件豫发改建设…2011‟149号关于印发2011年河南省第一批重点建设项目名单的通知各省辖市发展改革委、省直和中央驻豫有关单位:2011年第一批省重点建设项目名单,已经2月9日省重点项目建设领导小组会议研究通过,现予印发。
第一批省重点项目共380个,总投资11330亿元,2011年计划完成投资1800亿元以上,计划竣工项目74个、新开工项目106个。
将铁路等线形工程和保障性住房建设等打捆项目分解后,各省辖市省重点项目数量为:郑州市166个、开封市23个、洛阳市52个、平顶山市20个、安阳市25个、焦作市24个、鹤壁市25个、新乡市41个、濮阳市17个、许昌市24个、漯河市25个、三门峡市20个、南阳市33个、商丘市16个、信阳市22个、周口市13个、驻马店市19个、济源市10个。
请认真按照《河南省人民政府关于建立和落实省重点项目责任制若干问题的通知》(豫政…2003‟3号)和《河南省人民政府办公厅转发省发展改革委关于改进重点项目建设管理完善协调推进机制的意见(试行)的通知》(豫政办…2009‟18号)的规定,紧紧围绕年度责任目标,各司其职,各负其责,配合联动,强力推进,确保全年既定各项建设任务圆满完成。
附件:2011年河南省第一批重点建设项目名单二○一一年二月十四日附件2011年河南省第一批重点建设项目名单序号项目类别建设内容及规模所在省辖市一、富士康项目(7个)续建项目(5个)1郑州富士康航空港区项目建设400万平方米厂房、250万平方米蓝领公寓郑州市2郑州航空港区基础设施配套工程建设5万吨供水厂一座,220千伏变电站一座,104立方米/小时燃气门站5座,380吨/小时热源厂一座,修建8条园区道路郑州市3郑州富士康出口加工区项目建设24万平方米厂房、21万平方米蓝领公寓郑州市4郑州富士康中牟四棉厂区项目建设5万平方米厂房、11万平方米蓝领公寓郑州市5 河南省郑州新郑综合保税区验收设施工程(一期)建设仓储区、查验区、堆场及配套设施工程郑州市前期项目(2个)6南阳富士康标准厂房项目建设标准厂房78万平方米南阳市7 南阳富士康固态数字投影机生产线建设项目建设年产100万台固态光源数字投影机生产线南阳市二、工业项目(100个)竣工项目(17个)1 南车洛阳机车公司城轨车辆维护及部件制造配套工程项目(一期)年产城轨车辆电气屏柜1020台,形成200辆城轨车辆管路配套制作能力洛阳市2新电集团铝板带铝箔项目一期年产35万吨铝板带、5万吨铝箔洛阳市3 洛阳轴研科技大型数控机床电主轴及精密轴承产业化技术改造形成年产大型数控机床用电主轴500台套,年产大型数控机床主轴用精密轴承60000套的生产能力洛阳市4鹤壁煤电公司甲醇项目年产60万吨甲醇生产线鹤壁市5 中原特钢新增RF70型1800吨精锻机生产线技术改造项目年产限动芯棒13000吨、石油钻具10000吨、超临界高压锅炉管、铸管模等40000吨济源市6 黄河集团22000吨压机合成金刚石单晶及大直径聚晶复合片产业化项目安装Φ650mm缸径压机及配套关键设备700台许昌市7 新乡化纤股份有限公司连续聚合差别化氨纶纤维项目年产12000吨连续聚合差别化氨纶纤维新乡市8驻马店市白云纸业文化用纸项目年产5万吨漂白麦草浆生产线、年产20万吨高档文化纸生产线驻马店市9郑煤机高端液压支架项目高端液压支架生产基地,年产液压支架6200架郑州市10海马(郑州)15万台发动机项目15万台发动机郑州市11 河南煤气集团盛源化工年30万吨醋酸项目年产30万吨醋酸三门峡市12中原乙烯原料路线改造(MTO)项目60万吨/年MTO装置 10万吨/年PP装置濮阳市13风神轮胎高性能乘用子午胎项目年产500万条高性能乘用子午胎焦作市14瑞创农机及工程机械项目年产农机6万辆开封市15漯河银鸽高档生活用纸主要建设浆料制备及造纸车间、成品仓库、浆板房、污水处理站及附属设施,一期年产12万吨高档生活用纸漯河市16 许继集团轨道交通用智能型中压开关生产线年新增3.5万套断路器、箱变产能许昌市17广东兴发铝业公司高档铝型材年产6万吨高档铝型材焦作市续建项目(32个)18 郑州宇通客车股份有限公司新能源客车、客车专用车及轻型商务车郑州生产基地项目一期年产新能源客车5000辆、客车专用车2500台、轻型商务车20000辆郑州市19 郑州四维机电设备制造有限公司荥阳制造基地建设项目年产液压支架及煤矿综采设备160台套。
附件2《建设项目环境影响评价分类管理名录》(修订征求意见稿)编制说明根据《环境影响评价法》和《建设项目环境保护管理条例》,我国对建设项目环境影响评价实行分类管理,即根据环境影响程度分别编制环境影响报告书、环境影响报告表和填报环境影响登记表。
自1999年以来,原国家环境保护总局首次颁布实施了《建设项目环境保护分类管理名录(试行)》(环发〔1999〕99号)后,先后对名录进行了四次修订,现行的《建设项目环境影响评价分类管理名录》(环境保护部令第33号,以下简称“名录”)由环境保护部于2015年4月9日颁布,2015年6月1日起施行。
自名录颁布实施以来,对于规范分类管理、提高审批效率、减轻企业负担发挥了积极作用。
为不断推进建设项目环境影响评价制度的优化和改革工作,现对名录再次进行修订、完善。
一、修订依据和必要性(一)深化环境影响评价审批制度改革的要求为适应国家行政审批制度改革的要求,落实吉宁部长在2016年全国环境保护工作会议上“调整环境影响评价分类管理名录”的要求,落实《“十三五”环境影响评价改革实施方案》中“动态调整分类管理名录”的要求,并结合建设项目环境影响登记表由审批制改为备案制管理改革等工作,对2015版名录进行完善和修订。
使名录更适应目前我国社会经济发展和环境保护形势的变化需求,强化“突出管理重点”和“科学调整分级分类管理”,提高建设项目环境影响评价效能。
(二)服务改革、突出管理重点,提高项目环境影响评价效能为适应目前我国社会经济发展和环境保护形势的变化,环境影响评价制度应充分发挥其科学管理的作用,而名录应发挥其在环境影响评价管理制度中的基础作用,进行科学、合理的优化调整。
突出管理重点,将编制环境影响报告书和报告表的建设项目作为名录设置和环境保护管理的重点,强抓重点关注的环境问题,将污染物产生量较大、污染要素复杂、生态环境影响较大、环境风险较大的建设项目作为重点管控目标,对于环境污染和对环境影响较小的建设项目则予以简化管理,优化环境影响评价分类等级,提高项目环境影响评价效能。
国家重点建设项目管理办法(2011年修订)文章属性•【制定机关】国务院•【公布日期】2011.01.08•【文号】国务院令第588号•【施行日期】2011.01.08•【效力等级】行政法规•【时效性】现行有效•【主题分类】基本建设正文国家重点建设项目管理办法(1996年6月3日国务院批准 1996年6月14日国家计划委员会发布根据2011年1月8日《国务院关于废止和修改部分行政法规的决定》修订)第一条为了加强国家重点建设项目的管理,保证国家重点建设项目的工程质量和按期竣工,提高投资效益,促进国民经济持续、快速、健康发展,制定本办法。
第二条本办法所称国家重点建设项目,是指从下列国家大中型基本建设项目中确定的对国民经济和社会发展有重大影响的骨干项目:(一)基础设施、基础产业和支柱产业中的大型项目;(二)高科技并能带动行业技术进步的项目;(三)跨地区并对全国经济发展或者区域经济发展有重大影响的项目;(四)对社会发展有重大影响的项目;(五)其他骨干项目。
第三条国家重点建设项目的确定,根据国家产业政策、国民经济和社会发展的需要和可能,实行突出重点、量力而行、留有余地、防止资金分散、保证投资落实和资金供应的原则。
第四条国家重点建设项目由国务院计划主管部门商国务院有关主管部门确定。
第五条省、自治区、直辖市以及计划单列市的人民政府计划主管部门和国务院有关主管部门(公司),按照本办法第二条规定的范围和第三条规定的原则,对本地区、本部门的基本建设项目进行平衡后,每年可以向国务院计划主管部门提出列为国家重点建设项目的申请。
国务院计划主管部门收到申请后,应当征求国务院有关主管部门的意见,进行综合平衡,在所申请项目的可行性研究报告批准后,确定国家重点建设预备项目;在所申请项目批准开工后,正式确定国家重点建设项目。
国家重点建设项目和国家重点建设预备项目确定后,由国务院计划主管部门公布。
第六条国务院计划主管部门和有关地方人民政府计划主管部门,应当按照国家重点建设项目的建设工期,安排国家重点建设项目的年度投资计划。
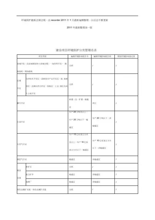
环境保护最新法律法规,由recorder 2011 年 1 月最新编辑整理,以后会不断更新2011 年最新整理统一版[新&%~版^@]建设项目环境保护分类管理名录项目类别编制环境影响报告书编制环境影响报告表填报环境影响登记表流域开发(含流域规划和小流域治理),海岸带开发,全部/ /围垦造地,围海造地经济技术开发区,高新技术产业开发区,旅区域游渡假区,边境经济合作区,保税区,工业全部/ /开发园区及成片土地开发新建;改、扩建,敏感露天开采其它/区年产20 万吨及以上;年产20 万吨以下,非石油开采年产20 万吨以下,敏/敏感区感区年产10 亿标准立方米年产10 亿标准立方米天然气开采及以上;年产10 亿标/以下,非敏感区[新版@新%版&]准立方米以下,敏感区煤层气开采敏感区非敏感区/新矿区全部/ /煤炭独立矿井敏感区非敏感区/采选选煤厂敏感区非敏感区/黑色金属矿采选,有色金属矿采选全部/ /年产矿石20 万吨及以脉矿开采,化学矿开采年产矿石20万吨以下/上湖盐及井盐钾盐;镁盐其它/海盐及矿盐/ 全部/非金石棉采选,云母采选,石墨采选敏感区非敏感区/[新%新^@#版]属矿10 万立方米以下,非石灰石、高岭土/ 10 万立方米及以上采选敏感区20 万立方米/年及以上;20 万立方米/年以下,10 10 万立方米/年以下,土沙石其它万立方米/年及以上,敏感非敏感区区年加工10(含)-25 万年加工10 万吨以下,粮食及饲料加工年加工25 万吨及以上吨;年加工10 万吨以非敏感区下,敏感区年加工2(含)-10 万[新版@^~新*]年加工2 万吨以下,非植物油加工年加工10 万吨及以上吨;年加工 2 万吨以敏感区下,敏感区食品制糖全部/ /加工年屠宰10 万头(或100屠宰其它/ 屠宰及万只)及以上肉类、年加工2 万吨及以上;年加工2 万吨以下,非蛋类加肉禽类加工/ 年加工2 万吨以下,敏敏感区[新版版*~%^]工感区蛋品加工/ / 全部年加工2(含)-10 万年加工2 万吨以下,非水产品加工年加工10 万吨及以上吨及以上;年加工2 万敏感区吨以下,敏感区食盐加工/ 敏感区非敏感区乳制品加工/ 敏感区非敏感区方便食品/ 敏感区非敏感区醋类等发酵食品/ 敏感区非敏感区味精、柠檬酸、氨基酸制造,淀粉,淀粉糖等制品全部/ /[新#&@^版新]饮料酒精饮料及酒类制造全部(仅勾兑的除外)仅勾兑的/[新*~版&%@]制造果菜汁类及其它软饮料制造/ 敏感区非敏感区新建30 万箱及以上;卷烟技改后生产量达80 万其它/箱及以上;敏感区含洗毛、染整、脱胶工段的纺织项目;有蚕全部/ /纺织蛹废水、精炼废水等的丝绸项目其它纺织项目/ 全部/服装服装制造/ 大型成衣加工其它及鞋业制鞋业制造/ 使用有机溶剂其它造皮革、制革,毛皮鞣制全部/ /毛皮、羽毛(绒)加工敏感区非敏感区羽绒及其皮革、毛皮、羽毛(绒)制品/ 敏感区非敏感区制品锯材、木片加工,家具制造/ 敏感区非敏感区[新版新^%#版]年产20 万平方米及以年产20 万平方米以下[新新&版#%版]人造板制造上(干法);/(干法)[新版@^#%新]湿法全部木、竹、藤、棕、草制品/ 有化学处理工艺的无化学处理工艺的造纸纸浆制造,造纸(含废纸造纸)全部/ /及纸纸制品/ 有化学处理工艺的无化学处理工艺的制品印刷业,文教、体育用品制造,磁材料制品/ 全部/石油原油、天然气加工,石油焦炼制,石油制品全部(单套装置除外)单套装置/加工[新新~版*版&]总容量在10 万立方米总容量为3 万(含)-[新#%版~版@]及以上;总容量为3 万10 万立方米,非敏感总容量在 1 万立方米油库(含)-10 万立方米,区;总容量1 万(含)以下敏感区-3 万立方米基本化学原料制造,化学肥料制造,化学农药制造,化学染料制造,合成染料制造,助化学剂及其它有机产品制造,有机化工原料及中原料间体制造,合成材料制造,合成树脂及其它全部/ /及化高分子材料制造,专用化学品制造,生物化学制工,感光材料制造,磁性记录材料制造,日品制用化学品制造等[新&新版%@*]造单纯的化学品(含日用化学品)混合、分装/ 全部/涂料制造、试剂制造敏感区非敏感区/[新*#%版^版]全部(单纯药品分装、医药化学药品制造,生物制品单纯药品分装、复配/复配除外)制造中成药加工/ 敏感区非敏感区化学纤维人造纤维制造,合成纤维制造全部/ /制造橡胶加工,橡胶制品再生及翻修敏感区非敏感区/橡胶制品轮胎制造全部/ /塑料泡沫塑料、人造革、合成革加工、其它塑料/ 全部/制品制品水泥制造,石墨及炭素制品全部/ /[新&版^@*新]非金石灰制造,砖瓦和轻质建筑材料制造/ 全部/属矿[新@~版*&版]玻璃制造日产500 吨及以上日产500 吨以下/物制玻璃、陶瓷、石棉制品,石棉、云母等耐火品/ 全部/ 材料,矿物纤维及其制品水泥制品、石材加工、水泥粉磨站、水泥搅/ 敏感区非敏感区拌站黑色炼铁,球团及烧结,炼钢,钢铁联合加工,[新%&@#版版]全部/ /金属铁合金冶炼,焦化冶炼钢压延加工/ 全部/及压热轧年产100 万吨及以上年产100 万吨以下/延加轧钢[新*版&^~#]冷轧年产50 万吨及以上年产50 万吨以下/[新版版新%@~]工[新@版#新%版]有色有色金属冶炼,有色金属合金全部/ /金属[新*~版&%@]冶炼有色金属压延加工敏感区非敏感区/及压延铸铁金属件制造年产10 万吨及以上年产1万吨(含)-10万吨 1 万吨以下金属电镀全部/ /制品热处理及表面处理敏感区非敏感区/交通运输设备,专用设备,电气机械及器材,新建、扩建改造机械武器装备制造普通机械,仪器仪表及文化、办公用机械/ 新、扩建改造[新版~%版@^]其它机械,机械半成品加工、组装/ 新、扩建改造电子彩管,玻壳,新型显示器件,光纤预制棒制[新#*^版版新]全部/ /及通造信设集成电路生产,半导体器件生产前工序生产,新建其它/备制印刷电路板,电真空器件全部/ /造半导体材料,电子陶瓷,有机薄膜,荧光粉,敏感区非敏感区/ 贵金属粉电子配件组装/ 全部/电池生产/ 全部/火力发电(燃烧天然气除外),水力发电,抽水蓄能,核力发电及全部/ /核力供热,垃圾发电300MW 及以上,敏感电力电力、燃烧天然气电厂其它/ 生产区蒸汽、脱硫工程海水脱硫其它/热水风力发电,地热发电,潮汐发电、生产/ 全部/沼气发电,太阳能发电供应500 千伏及以上;500 500 千伏以下,非敏感输变电工程及电力供应/[新@&版%*#]千伏以下,敏感区区;直流输电锅炉总容量65吨/小时锅炉总容量10 吨/小时供热、蒸汽、热水生产供应其它及以上以下,非敏感区天然煤气生产全部/ /气、煤煤气供应/ 全部/气生产供城市天然气供应/ 全部/应日供水10 万吨及以自来水生产和供应其它/上,有引水工程城市城市道路新建;改造,敏感区改造,非敏感区交通城市轨道交通,高架路及桥梁全部/ /设施城镇新区建设全部/ /城镇旧区改造敏感区非敏感区/固体废物集中填埋、堆肥或焚烧全部/ /城镇河道、湖泊整治敏感区非敏感区/30 万吨/日及以上;30 30 万吨/日以下,非敏城市污水集中处理/万吨/日以下,敏感区感区城市粪便处理/ 全部/[新版版~^@新]农业综合开发敏感区非敏感区/农业垦荒600 公顷及以上600 公顷以下/防沙治沙工程/ 全部/[新~%版*@^]植树造林/ 敏感区非敏感区林业森林采伐竭伐间伐/养猪,常年存栏量养猪,常年存栏量5003000 头及以上;肉牛,头以下;肉牛,常年存常年存栏量400 头及栏量200 头以下;奶畜牧养殖场以上;奶牛,常年存栏其它牛,常年存栏量100量200 头及以上;家[新&%新版@#]头以下;家禽,常年存禽,常年存栏量栏量10000 只以下100000 只及以上养猪,常年存栏量养猪,常年存栏量6000 头及以上;肉牛,3000 头以下;肉牛,常年存栏量800 头及常年存栏量400 头以养殖区以上;奶牛,常年存栏其它下;奶牛,常年存栏量量400 头及以上;家200 头以下;家禽,常禽,常年存栏量年存栏量20000 只以200000 只及以上下年放养量5000 头及以牲畜放养年放养量5000 以下/[新新%#版&~]上其它养殖/ 全部/淡水养殖/ 湖泊养殖其它高位池200 亩及以上;渔业封闭海域2000 亩及以低位池1000 亩及以海水养殖其它上上;开阔性近海海域[新^&#版版@]5000 亩及以上[新&新版%^版]转基因技术推广应用,物种引进等高新技术全部/ /单井勘探/ 敏感区非敏感区地质勘查区域考察勘探敏感区非敏感区/大型水库(库容1 亿立方米以上);中型水库水利水库(库容1000 万-1亿立其它/工程方米),敏感区;地下水库新建,5 万亩及以上;新建,5 万亩以下;改改造(面积30 万亩及灌区造面积30 万亩以下,/[新@&版%#~]以上;30 万亩以下,非敏感区敏感区)跨流域调水;年引水量年引水处年径流总量占引水处年径流总量1/4 以下、10%以上,年引水处年径流总量引水1/4 以上;年引水处年非敏感区;年引水处年10%以下,非敏感区径流总量1/4 以下、径流总量1/4 以下,敏10%以上,敏感区感区新建一级;新建二级,[新@新&版#*]堤防其它/敏感区小型农田水利设施/ / 全部三级及以上等级公路50 公里及以上;三级及以上等级公路50 公公路里以下,敏感区;1000其它米及以上的独立隧道;1000 米以下的独立隧道,敏感区50 公里及以上的铁路正线;50 公里以下的铁路新建,增建二线铁路正线,敏感区;区其它/段站以上(含大型客站)200 公里及以上的铁路;100 公里以下(含电气化改造其它/改、扩建)的铁路,敏感区区段站以上(含大型客站);铁路枢纽;危险改、扩建项目品货场;机务、车辆本其它/段;年产30 万吨以上的石碴场年旅客吞吐量30 万及以上的机场工程;年旅客吞吐量30 万以下,机场其它/ 民航敏感区;日飞行架次30 架及以上的旅游、工程通用、训练机场工程导航台站全部/ / 供油工程,维修保障工程/ 全部/ 综合性港区,石化运输或危险品码头全部/ /设计年吞吐量100 万吨及以上;设计年吞吐设计年吞吐量100 万港口、散货码头/量100 万吨以下,敏感吨以下,非敏感区码头[新@版#^版&]区年吞吐量100 万标箱年吞吐量100 万标箱集装箱码头/及以上以下客运码头国际港其它/长度1000 米及以上;长度1000 米以下,非桥梁工程(含引桥及连接线)长度1000 米以下,敏/敏感区感区海洋石油和天然气开采全部/ /海底管线、缆线铺设长度50 公里及以上长度50 公里以下/防波堤工程敏感区非敏感区/长度100 公里及以上;长度100 公里以下,非管道运输长度100 公里以下,敏/敏感区感区挖方1500 万立方米及以上;挖方1500 万立航道疏浚及水运辅助工程其它/方米-200 万(含),敏感区水运枢纽新建改、扩建/有毒、有害及危险品仓储全部/ /仓储一般货物仓储(含粮食储备)/ 全部/拆船全部/ /进口废物拆解敏感区非敏感区/批发、零售市场/ 敏感区非敏感区[新%版^新版@]餐饮/ 敏感区非敏感区占地面积 5 万平方米及以上,敏感区;建筑建筑面积 2 万平方米房地产开发其它[新*~#新版版]面积10 万平方米及以以下,非敏感区上,敏感区停车场/ 车位2000 个及以上车位2000 个以下长途客运站/ 全部/驾驶员训练基地/ 全部/洗车业,汽车维修,洗染,沐浴业,加油、加气站/ 敏感区非敏感区火葬场,公墓/ 全部/在校师生1500 人及以学校/ 在校师生1500 人以下上废品收购站,彩扩点及其它社区服务设施/ / 全部缆车、索道建设全部/ /娱乐服务敏感区非敏感区占地面积 3 万平方米展览馆、博物馆,游乐场其它/及以上,敏感区影剧院、音乐厅/ 容纳1000 座及以上容纳1000 座以下医院床位500 张及以上床位500 张以下/疗养院床位700 张及以上床位700 张以下/卫生专科防治所(站)床位200 张及以上床位200 张以下/卫生站(所),血站/ 全部/体育场容纳5 万人及以上容纳5 万人以下/体育体育馆容纳1 万人及以上容纳1 万人以下/ 高尔夫球场全部/ /影视基地敏感区非敏感区/[新%~&*版@]胶片洗印/ 敏感区非敏感区中波50KW 及以上;短广播电台,差转台,波100KW 及以上;敏其它/感区电视塔台100 千瓦及以上其它/核动力厂(核电厂、核热电厂、核供汽供热厂等),反应堆(研究堆、实验堆、临界装置等),铀矿开采、[新#版^~版&]冶炼,核燃料生产、加工、全部/ /贮存、后处理高能加速核设施器,放射性废物贮存、处理或处置,上述项目的退役放射性物质运输全部/ /铀矿地质勘探,铀矿开采/ 全部/试验,上述项目退役销售、使用、运输高活[新*版&^%#]度放射性同位素及含销售、使用、运输低活放射性同位素生产;放有高活度放射性同位度放射性同位素及含[新%&*版版^]射性同位素野外示踪核技术应用素装置;放射性废物贮有低活度放射性同位实验;大型辐照设施;存;放射性同位素贮素装置;X 射线发生上述项目退役存;中子发生器;加速器;上述项目退役器;上述项目退役放射性天然铀、钍伴生矿伴生放射性矿物资源开的开采、加工和利用及废全部/ /发利用渣的处理和贮存卫星地球上行站一站多台一站单台/雷达多台雷达通讯系统单台雷达通讯系统/一址多台;多址发射系无线通讯一址单台/统。
建设项目环境保护分类管理名录为了加强建设项目环境保护管理,提高审批效率,根据《建设项目环境保护管理条例》第七条的规定,制定建设项目环境保护分类管理名录。
一、国家根据建设项目对环境的影响程度,按照下列规定对建设项目实行环境保护分类管理:(一)建设项目对环境可能造成重大影响的,应当编制环境影响报告书,对建设项目产生的污染和对环境的影响进行全面、详细的评价。
1、原料、产品或生产过程中涉及的污染物种类多、数量大或毒性大、难以在环境中降解的建设项目;2、可能造成生态系统结构重大变化、重要生态功能改变、或生物多样性明显减少的建设项目;3、可能对脆弱生态系统产生较大影响或可能引发和加剧自然灾害的建设项目;4、容易引起跨行政区环境影响纠纷的建设项目;5、所有流域开发、开发区建设、城市新区建设和旧区改建等区域性开发活动或建设项目。
(二)建设项目对环境可能造成轻度影响的,应当编制环境影响报告表,对建设项目产生的污染和对环境的影响进行分析或者专项评价。
1、污染因素单一,而且污染物种类少、产生量小或毒性较低的建设项目;2、对地形、地貌、水文、土壤、生物多样性等有一定影响,但不改变生态系统结构和功能的建设项目;3、基本不对环境敏感区造成影响的小型建设项目。
(三)建设项目对环境影响很小,不需要进行环境影响评价的,应当填报环境影响登记表。
1、基本不产生废水、废气、废渣、粉尘、恶臭、噪声、震动、热污染、放射性、电磁波等不利环境影响的建设项目;2、基本不改变地形、地貌、水文、土壤、生物多样性等,不改变生态系统结构和功能的建设项目;3、不对环境敏感区造成影响的小型建设项目。
二、未列入本名录的建设项目,由省级环境保护行政主管部门根据上述原则,确定其环境保护管理类别,并报国家环境保护总局备案。
三、本名录所称环境敏感区,是指具有下列特征的区域:1、需特殊保护地区:国家法律、法规、行政规章及规划确定或经县级以上人民政府批准的需要特殊保护的地区,如饮用水水源保护区、自然保护区、风景名胜区、生态功能保护区、基本农田保护区、水土流失重点防治区、森林公园、地质公园、世界遗产地、国家重点文物保护单位、历史文化保护地等。
2011年最新建设工程标准、规范目录汇编标准号标准名称实施日期GB50618-2011房屋建筑和市政基础设施工程质量检测技术管理规范自2012年10月1日起实施GB50208-2011地下防水工程质量验收规范自2012年10月1日起实施GB50203-2011砌体结构工程施工质量验收规范自2012年5月1日起实施GB/T50668-2011节能建筑评价标准自2012年5月1日起实施GB50164-2011混凝土质量控制标准自2012年5月1日起实施GB/T2281-2010金属材料拉伸试验第1部分:室温试验方法自2011年12月1日起实施GB/T50538-2010埋地钢质管道防腐保温层技术标准自2011年12月1日起实施GB/T26526-2011热塑性弹性体低烟无卤阻燃材料规范自2011年12月1日起实施GB/T26518-2011高分子增强复合防水片材自2011年12月1日起实施GB25779-2010承重混凝土多孔砖自2011年11月1日起实施GB50057-2010建筑物防雷设计规范自2011年10月1日起实施GB/T50640-2010建筑工程绿色施工评价标准自2011年10月1日起实施GB50628-2010钢管混凝土工程施工质量验收规范自2011年10月1日起实施GB/T14525-2010波纹金属软管通用技术条件自2011年10月1日起实施GB/T25975-2010建筑外墙外保温用岩棉制品自2011年10月1日起实施GB/T25993-2010透水路面砖和透水路面板自2011年10月1日起实施GB/T25996-2010绝热材料对奥氏体不锈钢外部应力腐蚀开裂的试验方法自2011年10月1日起实施GB/T26480-2011阀门的检验和试验自2011年10月1日起实施GB/T26478-2011氨用截止阀和升降式止回阀自2011年10月1日起实施GB/T25997-2010绝热用聚异氰脲酸酯制品自2011年10月1日起实施GB/T25998-2010矿物棉装饰吸声板自2011年10月1日起实施GB/T26000-2010膨胀玻化微珠保温隔热砂浆自2011年10月1日起实施GB/T26001-2010烧结路面砖自2011年10月1日起实施GB/T26528-2011防水用弹性体(SBS)改性沥青自2011年9月1日起实施GB/T26510-2011防水用塑性体改性沥青自2011年9月1日起实施GB/T25824-2010道路用钢渣自2011年9月1日起实施GB/T25826-2010钢筋混凝土用环氧涂层钢筋自2011年9月1日起实施GB/T25833-2010公路护栏用镀锌钢丝绳自2011年9月1日起实施GB/T11263-2010热轧H型钢和剖分T型钢自2011年9月1日起实施GB/T1499.3-2010钢筋混凝土用钢第3部分:钢筋焊接网自2011年9月1日起实施GB50204-2002混凝土结构工程施工质量验收规范局部修订的条文自2011年8月1日起实施GB/T25176-2010混凝土和砂浆用再生细骨料自2011年8月1日起实施GB/T25177-2010混凝土用再生粗骨料自2011年8月1日起实施GB/T25181-2010预拌砂浆自2011年8月1日起实施GB/T25182-2010预应力孔道灌浆剂自2011年8月1日起实施GB/T25183-2010砌墙砖抗压强度试验用净浆材料自2011年8月1日起实施GB/T17431.2-2010轻集料及其试验方法第2部分:轻集料试验方法自2011年8月1日起实施自2011年7月1日起实施GB/T27407-2010实验室质量控制利用统计质量保证和控制评价分析测量系统的性能图技术GB/T27408-2010实验室质量控制非标准测试方法的有效性评价线性关系自2011年7月1日起实施GB6566-2010建筑材料放射性核素限量自2011年7月1日起实施GB25029-2010钢渣道路水泥自2011年7月1日起实施GB50010-2010混凝土结构设计规范自2011年7月1日起实施GB/T14800-2010土工合成材料静态顶破试验(CBR法)自2011年6月1日起实施GB/T7659-2010焊接结构用铸钢件自2011年6月1日起实施自2011年6月1日起实施GB/T257741-2010焊接材料的检验第1部分:钢、镍及镍合金熔敷金属力学性能试样的制备及检验GB/T257743-2010焊接材料的检验第3部分:T型接头角焊缝试样的制备及检验自2011年6月1日起实施GB/T25775-2010焊接材料供货技术条件产品类型、尺寸、公差和标志自2011年6月1日起实施GB/T25776-2010焊接材料焊接工艺性能评定方法自2011年6月1日起实施GB/T25777-2010焊接材料熔敷金属化学分析试样制备方法自2011年6月1日起实施GB/T25778-2010焊接材料采购指南自2011年6月1日起实施GB/T232-2010金属材料弯曲试验方法自2011年6月1日起实施GB50325-2010民用建筑工程室内环境污染控制规范自2011年6月1日起实施GB50617-2010建筑电气照明装置施工与验收规范自2011年6月1日起实施GB/T50621-2010钢结构现场检测技术标准自2011年6月1日起实施GB/T13763-2010土工合成材料梯形法撕破强力的测定自2011年6月1日起实施GB50608-2010纤维增强复合材料建设工程应用技术规范自2011年6月1日起实施GB50574-2010墙体材料应用统一技术规范自2011年6月1日起实施GB50669-2011钢筋混凝土筒仓施工与质量验收规范自2011年5月1日起实施GB/T15180-2010重交通道路石油沥青自2011年5月1日起实施GB/T494-2010建筑石油沥青自2011年5月1日起实施GB/T4508-2010沥青延度测定法自2011年5月1日起实施GB/T4509-2010沥青针入度测定法自2011年5月1日起实施GB/T11147-2010沥青取样法自2011年5月1日起实施GB/T25033-2010再生沥青混凝土自2011年5月1日起实施GB/T25044-2010砌墙砖抗压强度试样制备设备通用要求2011年5月1日起实施GB/T5464-2010建筑材料不燃性试验方法自2011年2月1日起实施GB50591-2010洁净室施工及验收规范自2011年2月1日起实施GB50606-2010智能建筑工程施工规范自2011年2月1日起实施GB/T50600-2010渠道防渗工程技术规范自2011年2月1日起实施GB50601-2010建筑物防雷工程施工与质量验收规范自2011年2月1日起实施GB50224-2010建筑防腐蚀工程施工质量验收规范自2011年2月1日起实施GB/T50125-2010给水排水工程基本术语标准自2010年12月1日起实施GB50011-2010建筑抗震设计规范自2010年12月1日起实施GB50209-2010建筑地面工程施工质量验收规范自2010年12月1日起实施GB/T50107-2010混凝土强度检验评定标准自2010年12月1日起实施GB50576-2010铝合金结构工程施工质量验收规范自2010年12月1日起实施GB50585-2010岩土工程勘察安全规范自2010年12月1日起实施GB/T24763-2009泡沫混凝土砌块用钢渣自2010年7月1日起实施GB/T24764-2009外墙外保温抹面砂浆和粘结砂浆用钢渣砂自2010年7月1日起实施GB/T24765-2009耐磨沥青路面用钢渣自2010年7月1日起实施GB/T24766-2009透水沥青路面用钢渣自2010年7月1日起实施GB24911-2010碗扣式钢管脚手架构件自2010年6月1日起实施GB/T22554-2010基于标准样品的线性校准自2010年4月1日起实施GB/T22555-2010散料验收抽样检验程序和抽样方案自2010年4月1日起实施CJJ11-2011城市桥梁设计规范自2012年4月1日起实施JGJ/T23-2011回弹法检测混凝土抗压强度技术规程自2011年12月1日起实施JGJ/T240-2011再生骨料应用技术规程自2011年12月1日起实施JGJ/T241-2011人工砂混凝土应用技术规程自2011年12月1日起实施JGJ83-2011软土地区岩土工程勘察规程自2011年12月1日起实施JGJ/T104-2011建筑工程冬期施工规程自2011年12月1日起实施JGJ/T239-2011建(构)筑物移位工程技术规程自2011年12月1日起实施JGJ55-2011普通混凝土配合比设计规程自2011年12月1日起实施JGJ130-2011建筑施工扣件式钢管脚手架安全技术规范自2011年12月1日起实施JGJ227-2011低层冷弯薄壁型钢房屋建筑技术规程自2011年12月1日起实施JGJ6-2011高层建筑筏形与箱形基础技术规范自2011年12月1日起实施JGJ237-2011建筑遮阳工程技术规范自2011年12月1日起实施JGJ/T235-2011建筑外墙防水工程技术规程自2011年12月1日起实施JGJ/T238-2011混凝土基层喷浆处理技术规程自2011年12月1日起实施JGJ/T234-2011择压法检测砌筑砂浆抗压强度技术规程自2011年12月1日起实施JGJ/T53-2011房屋渗漏修缮技术规程自2011年12月1日起实施CJJ/T154-2011建筑给水金属管道工程技术规程自2011年12月1日起实施CJJ/T155-2011建筑给水复合管道工程技术规程自2011年12月1日起实施CJJ/T29-2010建筑排水塑料管道工程技术规程自2011年10月1日起实施JGJ/T228-2010植物纤维工业灰渣混凝土砌块建筑技术规程自2011年10月1日起实施JGJ230-2010倒置式屋面工程技术规程自2011年10月1日起实施JGJ/T229-2010民用建筑绿色设计规范自2011年10月1日起实施JGJ231-2010建筑施工承插型盘扣式钢管支架安全技术规程自2011年10月1日起实施JGJ224-2010预制预应力混凝土装配整体式框架结构技术规程自2011年10月1日起实施JGJ3-2010高层建筑混凝土结构技术规程自2011年10月1日起实施JGJ85-2010预应力筋用锚具夹具和连接器应用技术规程自2011年10月1日起实施CJJ/T158-2011城建档案业务管理规范自2011年10月1日起实施CJ/T225-2011埋地排水用钢带增强聚乙烯(PE)螺旋波纹管自2011年10月1日起实施JGJ/T233-2011水泥土配合比设计规程自2011年10月1日起实施JGJ82-2011钢结构高强度螺栓连接技术规程自2011年10月1日起实施JGJ96-2011钢框胶合板模板技术规程自2011年10月1日起实施JGJT207-2010装配箱混凝土空心楼盖结构技术规程自2011年10月1日起实施JG/T317-2011混凝土用粒化电炉磷渣粉自2011年10月1日起实施JG/T266-2011泡沫混凝土自2011年10月1日起实施JG/T316-2011建筑防水维修用快速堵漏材料技术条件自2011年10月1日起实施JGJ/T97-2011工程抗震术语标准自2011年8月1日起实施JG/T291-2011建筑用砌筑和抹灰干混砂浆自2011年8月1日起实施JGJ/T236-2011建筑产品信息系统基础数据规范自2011年8月1日起实施JGJ165-2010地下建筑工程逆作法技术规程自2011年8月1日起实施CJ/T358-2010非开挖铺设用高密度聚乙烯排水管自2011年8月1日起实施JG/T298-2010建筑室内用腻子自2011年8月1日起实施JGJ/T225-2010大直径扩底灌注桩技术规程称自2011年8月1日起实施JGJ/T98-2010砌筑砂浆配合比设计规程自2011年8月1日起实施JG/T309-2011外墙涂料水蒸气透过率的测定及分级自2011年8月1日起实施JG/T311-2011柔性饰面砖自2011年8月1日起实施JG/T312-2011遇水膨胀止水胶自2011年8月1日起实施JG/T304-2011建筑用防涂鸦抗粘贴涂料自2011年8月1日起实施JG175-2011建筑用隔热铝合金型材自2011年8月1日起实施JGJ/T219-2010混凝土结构用钢筋间隔件应用技术规程自2011年8月1日起实施JGJ217-2010纤维石膏空心大板复合墙体结构技术规程自2011年8月1日起实施JG/T263-2010建筑门窗用未增塑聚氯乙稀彩色型材自2011年5月1日起实施JG/T289-2010混凝土结构加固用聚合物砂浆自2011年5月1日起实施JC/T2041-2010聚氨酯灌浆材料自2011年3月1日起实施JC/T2040-2010负离子功能建筑室内装饰材料自2011年3月1日起实施JC/T829-2010石膏空心条板自2011年3月1日起实施JC/T698-2010石膏砌块自2011年3月1日起实施JC/T778-2010玻璃纤维增强塑料板材和蜂窝夹层结构弯曲蠕变试验方法自2011年3月1日起实施JC/T782-2010玻璃纤维增强塑料透光率试验方法自2011年3月1日起实施JC/T491-2010增强塑料拉挤型材按组分分类方法自2011年3月1日起实施JC/T773-2010纤维增强塑料短梁法测定层间剪切强度自2011年3月1日起实施JC/T289-2010玻璃纤维增强塑料蜂窝芯子吸水性试验方法自2011年3月1日起实施JC/T580-2010水泥振动筛自2011年3月1日起实施JC/T2037-2010丙烯酸盐灌浆材料自2011年3月1日起实施JC/T287-2010纤维增强塑料空隙含量试验方法自2011年3月1日起实施JC/T2033-2010混凝土外加剂用聚醚及其衍生物自2011年3月1日起实施JC/T2032-2010轨道交通风道用纤维钢丝网水泥板自2011年3月1日起实施JC/T749-2010自应力混凝土管用橡胶密封圈试验方法自2011年3月1日起实施JC/T748-2010预应力与自应力混凝土管用橡胶密封圈自2011年3月1日起实施JC/T640-2010顶进施工法用钢筋混凝土排水管自2011年3月1日起实施JC/T2031-2010水泥砂浆防冻剂自2011年3月1日起实施JC/T2030-2010预制混凝土衬砌管片生产工艺技术规程自2011年3月1日起实施JC/T2029-2010预应力离心混凝土空心方桩自2011年3月1日起实施JC/T600-2010石灰石硅酸盐水泥自2011年3月1日起实施JC/T437-2010自应力铁铝酸盐水泥自2011年3月1日起实施JGJ/T221-2010纤维混凝土应用技术规程自2011年3月1日起实施JGJ/T220-2010抹灰砂浆技术规程自2011年3月1日起实施JGJ/T213-2010现浇混凝土大直径管桩复合地基技术规程自2011年3月1日起实施JGJ/T216-2010铝合金结构工程施工规程自2011年3月1日起实施JGJ214-2010铝合金门窗工程技术规范自2011年3月1日起实施JGJ88-2010龙门架及井架物料提升机安全技术规范自2011年2月1日起实施JGJ/T223-2010预拌砂浆应用技术规程自2011年1月1日起实施JGJ/T212-2010地下工程渗漏治理技术规程自2011年1月1日起实施JGJ/T197-2010混凝土预制拼装塔机基础技术规程自2011年1月1日起实施JG/T284-2010结构加固修复用玻璃纤维布自2011年1月1日起实施JG/T283-2010膨胀玻化微珠轻质砂浆自2011年1月1日起实施JG/T281-2010建筑遮阳产品隔热性能试验方法自2011年1月1日起实施JG/T280-2010建筑遮阳产品遮光性能试验方法自2011年1月1日起实施JG/T274-2010建筑遮阳通用要求自2011年1月1日起实施JG/T277-2010建筑遮阳热舒适、视觉舒适性能与分级自2011年1月1日起实施JG/T188-2010混凝土节水保湿养护膜自2010年12月1日起实施。
建设项目环境影响评价分类管理名录2015年6月1日第一条为了实施建设项目环境影响评价分类管理,根据《环境影响评价法》第十六条的规定,制定本名录。
第二条国家根据建设项目对环境的影响程度,对建设项目的环境影响评价实行分类管理。
建设单位应当按照本名录的规定,分别组织编制环境影响报告书、环境影响报告表或者填报环境影响登记表。
第三条本名录所称环境敏感区,是指依法设立的各级各类自然、文化保护地,以及对建设项目的某类污染因子或者生态影响因子特别敏感的区域,主要包括:(一)自然保护区、风景名胜区、世界文化和自然遗产地、饮用水水源保护区;(二)基本农田保护区、基本草原、森林公园、地质公园、重要湿地、天然林、珍稀濒危野生动植物天然集中分布区、重要水生生物的自然产卵场、索饵场、越冬场和洄游通道、天然渔场、资源性缺水地区、水土流失重点防治区、沙化土地封禁保护区、封闭及半封闭海域、富营养化水域;(三)以居住、医疗卫生、文化教育、科研、行政办公等为主要功能的区域,文物保护单位,具有特殊历史、文化、科学、民族意义的保护地。
第四条建设项目所处环境的敏感性质和敏感程度,是确定建设项目环境影响评价类别的重要依据。
涉及环境敏感区的建设项目,应当严格按照本名录确定其环境影响评价类别,不得擅自提高或者降低环境影响评价类别。
环境影响评价文件应当就该项目对环境敏感区的影响作重点分析。
第五条跨行业、复合型建设项目,其环境影响评价类别按其中单项等级最高的确定。
第六条本名录未作规定的建设项目,其环境影响评价类别由省级环境保护行政主管部门根据建设项目的污染因子、生态影响因子特征及其所处环境的敏感性质和敏感程度提出建议,报国务院环境保护行政主管部门认定。
第七条本名录由国务院环境保护行政主管部门负责解释,并适时修订公布。
第八条本名录自2015年6月1日起施行。
《建设项目环境影响评价分类管理名录》(环境保护部令第2号)同时废止。
国家环保总局令第14号建设项目环境保护分类管理名录(自2008年10月1日起废止)颁布机关:国家环境保护总局颁布时间:2002-10-13实施时间:2003-01-01修订时间:发文文号:国家环境保护总局令第14号时效性:有效各省、自治区、直辖市环境保护局(厅)、新疆维吾尔自治区环境保护局、解放军环境保护局:《建设项目环境保护分类管理名录》已于2002年7月19日经国家环境保护总局局务会议通过,现予发布。
自2003年1月1日起施行。
附件:建设项目环境保护分类管理名录为了加强建设项目环境保护管理,提高审批效率,根据《建设项目环境保护管理条例》第七条的规定,制定建设项目环境保护分类管理名录。
一、国家根据建设项目对环境的影响程度,按照下列规定对建设项目实行环境保护分类管理:(一)建设项目对环境可能造成重大影响的,应当编制环境影响报告书,对建设项目产生的污染和对环境的影响进行全面、详细的评价。
1、原料、产品或生产过程中涉及的污染物种类多、数量大或毒性大、难以在环境中降解的建设项目;2、可能造成生态系统结构重大变化、重要生态功能改变、或生物多样性明显减少的建设项目;3、可能对脆弱生态系统产生较大影响或可能引发和加剧自然灾害的建设项目;4、容易引起跨行政区环境影响纠纷的建设项目;5、所有流域开发、开发区建设、城市新区建设和旧区改建等区域性开发活动或建设项目。
(二)建设项目对环境可能造成轻度影响的,应当编制环境影响报告表,对建设项目产生的污染和对环境的影响进行分析或者专项评价。
1、污染因素单一,而且污染物种类少、产生量小或毒性较低的建设项目;2、对地形、地貌、水文、土壤、生物多样性等有一定影响,但不改变生态系统结构和功能的建设项目;3、基本不对环境敏感区造成影响的小型建设项目。
(三)建设项目对环境影响很小,不需要进行环境影响评价的,应当填报环境影响登记表。
1、基本不产生废水、废气、废渣、粉尘、恶臭、噪声、震动、热污染、放射性、电磁波等不利环境影响的建设项目;2、基本不改变地形、地貌、水文、土壤、生物多样性等,不改变生态系统结构和功能的建设项目;3、不对环境敏感区造成影响的小型建设项目。
建设项目环境保护分类管理名录为了加强建设项目环境保护管理,提高审批效率,根据《建设项目环境保护管理条例》第七条的规定,制定建设项目环境保护分类管理名录。
一、国家根据建设项目对环境的影响程度,按照下列规定对建设项目实行环境保护分类管理:(一)建设项目对环境可能造成重大影响的,应当编制环境影响报告书,对建设项目产生的污染和对环境的影响进行全面、详细的评价。
1、原料、产品或生产过程中涉及的污染物种类多、数量大或毒性大、难以在环境中降解的建设项目;2、可能造成生态系统结构重大变化、重要生态功能改变、或生物多样性明显减少的建设项目;3、可能对脆弱生态系统产生较大影响或可能引发和加剧自然灾害的建设项目;4、容易引起跨行政区环境影响纠纷的建设项目;5、所有流域开发、开发区建设、城市新区建设和旧区改建等区域性开发活动或建设项目。
(二)建设项目对环境可能造成轻度影响的,应当编制环境影响报告表,对建设项目产生的污染和对环境的影响进行分析或者专项评价。
1、污染因素单一,而且污染物种类少、产生量小或毒性较低的建设项目;2、对地形、地貌、水文、土壤、生物多样性等有一定影响,但不改变生态系统结构和功能的建设项目;3、基本不对环境敏感区造成影响的小型建设项目。
(三)建设项目对环境影响很小,不需要进行环境影响评价的,应当填报环境影响登记表。
1、基本不产生废水、废气、废渣、粉尘、恶臭、噪声、震动、热污染、放射性、电磁波等不利环境影响的建设项目;2、基本不改变地形、地貌、水文、土壤、生物多样性等,不改变生态系统结构和功能的建设项目;3、不对环境敏感区造成影响的小型建设项目。
二、未列入本名录的建设项目,由省级环境保护行政主管部门根据上述原则,确定其环境保护管理类别,并报国家环境保护总局备案三、本名录所称环境敏感区,是指具有下列特征的区域:1、需特殊保护地区:国家法律、法规、行政规章及规划确定或经县级以上人民政府批准的需要特殊保护的地区,如饮用水水源保护区、自然保护区、风景名胜区、生态功能保护区、基本农田保护区、水土流失重点防治区、森林公园、地质公园、世界遗产地、国家重点文物保护单位、历史文化保护地等。
附件2《建设项目环境影响评价分类管理名录》(修订征求意见稿)编制说明根据《环境影响评价法》和《建设项目环境保护管理条例》,我国对建设项目环境影响评价实行分类管理,即根据环境影响程度分别编制环境影响报告书、环境影响报告表和填报环境影响登记表。
自1999年以来,原国家环境保护总局首次颁布实施了《建设项目环境保护分类管理名录(试行)》(环发〔1999〕99号)后,先后对名录进行了四次修订,现行的《建设项目环境影响评价分类管理名录》(环境保护部令第33号,以下简称“名录”)由环境保护部于2015年4月9日颁布,2015年6月1日起施行。
自名录颁布实施以来,对于规范分类管理、提高审批效率、减轻企业负担发挥了积极作用。
为不断推进建设项目环境影响评价制度的优化和改革工作,现对名录再次进行修订、完善。
一、修订依据和必要性(一)深化环境影响评价审批制度改革的要求为适应国家行政审批制度改革的要求,落实吉宁部长在2016年全国环境保护工作会议上“调整环境影响评价分类管理名录”的要求,落实《“十三五”环境影响评价改革实施方案》中“动态调整分类管理名录”的要求,并结合建设项目环境影响登记表由审批制改为备案制管理改革等工作,对2015版名录进行完善和修订。
使名录更适应目前我国社会经济发展和环境保护形势的变化需求,强化“突出管理重点”和“科学调整分级分类管理”,提高建设项目环境影响评价效能。
(二)服务改革、突出管理重点,提高项目环境影响评价效能为适应目前我国社会经济发展和环境保护形势的变化,环境影响评价制度应充分发挥其科学管理的作用,而名录应发挥其在环境影响评价管理制度中的基础作用,进行科学、合理的优化调整。
突出管理重点,将编制环境影响报告书和报告表的建设项目作为名录设置和环境保护管理的重点,强抓重点关注的环境问题,将污染物产生量较大、污染要素复杂、生态环境影响较大、环境风险较大的建设项目作为重点管控目标,对于环境污染和对环境影响较小的建设项目则予以简化管理,优化环境影响评价分类等级,提高项目环境影响评价效能。
2011年最新版城市用地分类与规划建设用地标准中华人民共和国国家标准城市用地分类与规划建设用地标准Code for classification of urban land use and planning standards of development landGB 50137 – 2011主编部门:中华人民共和国住房和城乡建设部批准部门:中华人民共和国住房和城乡建设部施行日期: 2 0 1 2 年 1 月 1 日,出版稿,中国建筑工业出版社2011 北京前言根据住房和城乡建设部《关于印发<2008年工程建设标准规范制订、修订计划(第一批)>的通知》(建标 [2008] 102号 )的要求,标准编制组广泛调查研究,认真总结实践经验,参考有关国内外标准,并在广泛征求意见的基础上,修订本标准。
本标准修订的主要技术内容是:增加城乡用地分类体系;调整城市建设用地分类体系;调整规划建设用地的控制标准,包括规划人均城市建设用地面积标准、规划人均单项城市建设用地面积标准以及规划城市建设用地结构三部分;并对相关条文进行了补充修改。
本标准中以黑体字标志的条文为强制性条文,必须严格执行。
本标准由住房和城乡建设部负责管理和对强制性条文的解释,由中国城市规划设计研究院负责具体技术内容的解释。
执行过程中如有意见或建议,请寄送中国城市规划设计研究院《城市用地分类与规划建设用地标准》修订组(地址:北京市车公庄西路5号,邮政编码:100044)。
本标准主编单位:中国城市规划设计研究院本标准参编单位:上海同济城市规划设计研究院北京大学城市与区域规划系(城市规划设计中心)北京市城市规划设计研究院浙江省城乡规划设计研究院辽宁省城乡建设规划设计院四川省城乡规划设计研究院本标准主要起草人员: 王凯赵民林坚张菁靳东晓徐泽楚建群李新阳徐颖谢颖顾浩邵波张立鹏韩华鹿勤张险峰张文奇刘贵利张播高捷程遥汪军乐芸张书海苗春蕾田刚陈宏詹敏洪明赵书鑫本标准主要审查人员: 董黎明王静霞任世英邹德慈李先范耀邦徐波耿慧志谭纵波潘一玲1目次1 总则 (1)2 术语 (2)3 用地分类 (4)一般规定 ..................................................................... .................................................. 4 3.13.2 城乡用地分类 ..................................................................... (4)3.3 城市建设用地分类 ..................................................................... .................................. 6 4 规划建设用地标准 (12)4.1 一般规定 ..................................................................... (12)4.2 规划人均城市建设用地面积标准 ..................................................................... .. (14)4.3 规划人均单项城市建设用地面积标准 .....................................................................154.4 规划城市建设用地结构 ..................................................................... ........................ 15 附录A 城市总体规划用地统计表统一格式 ....................................... 16 附录B 中国建筑气候区划图 ................................................... 18 本标准用词说明 .............................................................. 19 引用标准名录 (19)附:条文说明 (17)2Contents1 GeneralProvision .............................................................. .. (1)2 Terms................................................................... . (2)3 Land UseClasses ................................................................ (4)3.1 GeneralRequirement ............................................................ (4)3.1 Town and Country Land UseClasses ................................................................ .. (4)3.2 Urban Development Land UseClasses ................................................................ .................. 6 4 Planning Standards of DevelopmentLand ................................................................... .. (10)4.1 GeneralRequirement ............................................................ . (10)4.2 Standard of Urban Development Land Area PerCapita (11)4.3 Standard of Single-category Urban Development Land Area Per Capita (12)4.4 Composition of Urban DevelopmentLand ................................................................... ........ 12 Appendix A Format for Statistics in Urban Comprehensive Planning ......................................... 13 Appendix B Building Climate Zones inChina .................................................................. .......... 15 Explanation of Wording in ThisCode ................................................................... .. (16)List of QuotedStandard ............................................................... (16)Addition: Explanation ofProvisions ............................................................. . (17)31 总则1.0.1 依据《中华人民共和国城乡规划法》,为统筹城乡发展,集约节约、科学合理地利用土地资源,制定本标准。
建设项目环境影响评价分类管理名录第一条为了实施建设项目环境影响评价分类管理,根据《环境影响评价法》第十六条的规定,制定本名录。
第二条国家根据建设项目对环境的影响程度,对建设项目的环境影响评价实行分类管理。
建设单位应当按照本名录的规定,分别组织编制环境影响报告书、环境影响报告表或者填报环境影响登记表。
第三条本名录所称环境敏感区,是指依法设立的各级各类自然、文化保护地,以及对建设项目的某类污染因子或者生态影响因子特别敏感的区域,主要包括:(一)自然保护区、风景名胜区、世界文化和自然遗产地、饮用水水源保护区;(二)基本农田保护区、基本草原、森林公园、地质公园、重要湿地、天然林、珍稀濒危野生动植物天然集中分布区、重要水生生物的自然产卵场及索饵场、越冬场和洄游通道、天然渔场、资源性缺水地区、水土流失重点防治区、沙化土地封禁保护区、封闭及半封闭海域、富营养化水域;(三)以居住、医疗卫生、文化教育、科研、行政办公等为主要功能的区域,文物保护单位,具有特殊历史、文化、科学、民族—2—意义的保护地。
第四条建设项目所处环境的敏感性质和敏感程度,是确定建设项目环境影响评价类别的重要依据。
建设涉及环境敏感区的项目,应当严格按照本名录确定其环境影响评价类别,不得擅自提高或者降低环境影响评价类别。
环境影响评价文件应当就该项目对环境敏感区的影响作重点分析。
第五条跨行业、复合型建设项目,其环境影响评价类别按其中单项等级最高的确定。
第六条本名录未作规定的建设项目,其环境影响评价类别由省级环境保护行政主管部门根据建设项目的污染因子、生态影响因子特征及其所处环境的敏感性质和敏感程度提出建议,报国务院环境保护行政主管部门认定。
第七条本名录由国务院环境保护行政主管部门负责解释,并适时修订公布。
第八条本名录自 2008 年 10 月 1 日起施行。
《建设项目环境保护分类管理名录》(国家环境保护总局令第 14 号)同时废止。
— 3——4——5——6——7——8——9——10——11——12——13——14——15——16——17——18——19——20——21——22—。
《建设项目环境影响评价分类管理名录》新旧对照环评类别项目类别A 水利1、水库2、灌区3、引调水工程报告书库容 1000 万立方米及 以上;涉及环境敏感区 的新建 5 万亩及以上;改 造30 万亩及以上跨流域调水;大中型河 流 引水;小型河流年总 引水量占天然年径流量 1/4及 以上;涉及环境 敏感区的报告表其他其他其他 登记表 调整情况无变化无变化无变化4、防洪治涝工程5、河湖整治工程新建大中型涉及环境敏感区的其他其他//无变化新增分类6、地下水开采工程日取水量 1 万立方米及 以上;涉及环境敏感区 的其他/无变化B 农、林、牧、 渔7、农业垦殖5000 亩及以上;涉及环境敏感区的其他/无变化8、农田改造项目/涉及环境敏 区的感其他无变化降级,报告书降9、农产品基地项/涉及环境敏 感其他为报告表 目区的降级,报告表降 为登记表10 、农业转基因项目、物种引进项目全部//新增分类11 、经济林基地项目原料林基地其他/无变化12 、森林采伐工程 /全部/ 降级,报告书降为报告表 13 、防沙治沙工程/全部/无变化///环评类别项目类别14 、畜禽养殖场、养殖小区15 、淡水养殖工程16 、海水养殖工程仃、海洋人工鱼礁 工 程18 、围填海工程及海上堤坝工程19 、海上和海底物资储藏设施工程20 、跨海桥梁工程 21 、海底隧道、管道、电(光)缆工 程14 、农业转基因项目、物种引进项目C 地质勘查22 、基础地质勘查 23 、水利、水电工程地质勘查24 、矿产地质勘查(包括探矿活动)D 煤炭报告书年出栏生猪 5000 头(其他畜禽种类折合猪的养 殖 规模)及以上;涉及 环境 敏感区的///围填海工程;长度 0.5公里及以上的海上堤坝工程;涉 及环境敏感区的全部全部全部全部///报告表 登记表其他网箱、围网等投 饵养殖;涉 及环 境敏感区 用海面积 300亩及以上;涉 及 环境敏感区 固体物质投 放 量 5000 立 方米及以上; 涉 及环境敏 感区 的其他/ ///全部全部全部调整情况删除围栏养殖, 无报告表类别 了,报告书的界 定规模调整降级,报告书降 为报告表新增类别新增类别新增类别新增类别新增类别新增类别无变化无变化无变化无变化25 、煤层气开米 年生产能力1 亿立方米 及以上;涉及环境敏感 区的其他/ 无变化26 、煤炭开采 全部// 无变化 降级, 将新建的27 、洗选、配煤/全部/报告书降为报告 表// / // //其他其他 其他//环评类别项目类别28 、煤炭储存、集运29 、型煤、水煤浆生产E 电力30 、火力发电(包括热电)31 、水力发电32 、生物质发电33 、综合利用发电34 、其他能源发电35 、送(输)变电工程36 、脱硫、脱硝、除尘等环保工程F 石油、天然气37 、石油开采38 、天然气、页岩气开米(含净化)39 、油库(不含加报告书//除燃气发电工程外的总装机1000 千瓦及以上;抽水蓄能电站;涉及环境敏感区的农林生物质直接燃烧或者气化发电;生活垃圾、污泥焚烧发电利用矸石、油页岩、石油焦、污泥、蔗渣等发电新:海上潮汐电站、波浪电站、温差电站等;涉及环境敏感区的总装机容量5万千瓦及以上的风力发电旧:潮汐发电;总装机5 万及以风力容量千瓦上的发电,涉及环境敏感区的500 千伏及以上;涉及环境敏感区的330 千伏及以上/全部全部容量20 万立方米及以报告表全部全部燃气发电其他沼气发电、垃圾填埋气发电单纯利用余热、余压、余气(含瓦斯、煤层气)发电新:利用地热、太阳能热等发电;并网光伏发电;其他(旧:利用地热、太阳能等发电;其他风力发电不含100 千伏以下)全部//其他登记表//////新:分布式光伏发电/////调整情况无变化无变化降级,将燃气发电的报告书降为报告表无变化无变化无变化无变化新增类别无变化项目类别中增加页岩气无变化总环评类别项目类别油站的油库)40 、气库(不含加气站的气库)41 、石油、天然气、成品油管线(不含城市天然气G 黑色金属42 、采选(含单独尾矿库)43 、炼铁、球团、烧44 、炼钢45 、铁合金创造;锰、铬冶炼46 、压延加工H 有色金属47 、采选(含单独尾矿库)48 、冶炼(含再生有色金属冶炼)49 、合金创造50 、压延加工I金属制品51 、表面处理及热处理加工52 、金属铸件53 、金属制品加工制造J 非金属矿米选及制品创造54 、土砂石开米报告书上;地下洞库地下气库200 公里及以上;涉及环境敏感区的全部全部全部全部年产50 万吨及以上的冷轧全部全部全部/有电镀工艺的;使用有机涂层的;有钝化工艺的热镀锌年产10 万吨及以上有电镀或者喷漆工艺的年米10 万立方米及以上;海砂开采工程;涉报告表其他其他////其他///全部其他其他其他其他登记表///////////////调整情况无变化项目类别中增加成品油管线项目类别中增加了单独尾矿库建设项目无变化无变化无变化无变化项目类别中增加了单独尾矿库建设项目无变化无变化无变化无变化升级,1 万吨以下登记表升为报告表升级,报告表升为报告书降级,报告书降为报告表环评类别项目类别55 、化学矿采选56 、采盐57 、石棉及其他非金属矿采选58 、水泥创造59 、水泥粉磨站60 、砼结构构件制造、商品混凝土加工61 、石灰和石膏制造62 、石材加工63 、人造石创造64 、砖瓦创造65 、玻璃及玻璃制品66 、玻璃纤维及玻璃纤维增强塑料制品67 、陶瓷制品68 、耐火材料及其制品69 、石墨及其他非金属矿物制品70 、防水建造材料创造、沥青搅拌站K 机械、电子71 、通用、专用设备创造及维修72 、铁路运输设备创造及修理报告书及环境敏感区的全部井盐全部全部年产100 万吨及以上/////日产玻璃500 吨及以上年产玻璃纤维3 万吨及以上年产建造陶瓷100 万平方米及以上;年产卫生陶瓷150 万件及以上;年产日用陶瓷250 万件及以上石棉制品;年产岩棉5000 吨及以上石墨、碳素/有电镀或者喷漆工艺的机车、车辆、动车组制造;发动机生产;有电报告表/湖盐、海盐//其他全部全部全部全部全部其他其他其他其他其他全部其他其他登记表//////////////////调整情况无变化降级,报告书降为报告表无变化无变化无变化无变化无变化升级,登记表升为报告表无变化无变化无变化无变化无变化无变化无变化增加的项目类别无变化无变化环评类别项目类别73 、汽车、摩托车制造74 、自行车创造75 、船舶及相关装置创造76 、航空航天器制造77 、交通器材及其他交通运输设备制造78 、电气机械及器材创造79 、仪器仪表及文化、办公用机械制造80 、电子真空器件、集成电路、半导体分立器件制造、光电子器件及其他电子器件制造报告书镀或者喷漆工艺的零部件生产整车创造;发动机生产;有电镀或者喷漆工艺的零部件生产有电镀或者喷漆工艺的有电镀或者喷漆工艺的;拆船、修船有电镀或者喷漆工艺的有电镀或者喷漆工艺的有电镀或者喷漆工艺的;电池创造(无水干电池除外)有电镀或者喷漆工艺的显示器件报告表其他其他其他其他其他其他(仅组装的除外)其他(仅组装的除外)有分割、焊接、酸洗或者有机溶剂清洗工艺的登记表/////仅组装的仅组装的其他调整情况无变化无变化无变化降级,报告书降为报告表无变化降级,仅组装降为登记表降级,仅组装降为登记表调整了类别划分81 、印刷电路板、电子元件及组件制造82 、半导体材料、电子陶瓷、有机薄膜、荧光粉、贵金属粉等电子专用材料83 、电子配件组装L 石化、化工有分割、焊接、酸洗或者有机溶剂清洗工艺的/有分割、焊接、酸洗或者有机溶剂清洗工艺的调整报告书和报其他告表范围调整了类别划分/ 无变化其他无变化印刷电路板全部/环评类别项目类别84 、原油加工、天然气加工、油母页岩提炼原油、煤制油、生物制油及其他石油制品85 、基本化学原料制造;化学肥料制造;农药创造;涂料、染料颜料、油墨及其类似产品制造;合成材料制造;专用化学品制造;炸约、火工及焰火产品创造;饲料添加剂、食品添加剂及水处理剂等86 、日用化学品制造报告书全部除单纯混合和分装外的除单纯混合和分装外的87、焦化、电石88 、煤炭液化、气化89 、化学品输送管线M 医药90、化学药品制造;生物、生化制品创造91、单纯约品分装、复配92、中成药创造、中药饮片加工93、卫生材料及医药用品创造N 轻工94、粮食及饲料加工95、植物油加工全部全部全部全部/有提炼工艺的/年加工25 万吨及以上;有发酵工艺的年加工油料30 万吨及以上的制油加工;年加工植物油10 万吨及以上的精炼加工报告表/单纯混合或者分装的单纯混合或者分装的////全部其他全部其他其他(单纯分装和调和除外)登记表//////////单纯分装或者调和的调整情况无变化合并了农药制造,增加炸药、火工及焰火产品创造无变化新增类别新增类别新增类别无变化无变化无变化增加的项目类别降级,报告表降级为登记表环评类别项目类别96 、生物质纤维素乙醇生产97 、制糖、糖制品加工98 、屠宰99 、肉禽类加工100 、蛋品加工101 、水产品加工102 、食盐加工103 、乳制品加工104 、调味品、发酵制品创造105 、酒精饮料及酒类创造106 、果菜汁类及其他软饮料创造107 、其他食品制造108 、卷烟109 、锯材、木片加工、家具创造110 、人造板创造111 、竹、藤、棕、草制品创造112 、纸浆、溶解浆、纤维浆等制报告书全部原糖生产年屠宰10 万头畜类(或者100 万只禽类)及以上//年加工10 万吨及以上/年加工20 万吨及以上味精、柠檬酸、赖氨酸、淀粉、淀粉糖等创造有发酵工艺的原汁生产/年产30 万箱及以上1有电镀或者喷漆工艺的年产20 万立方米及以上/全部报告表/其他其他年加工2万吨及以上/鱼油提取及制品创造;年加工10 万吨2 万吨(含);涉及环境敏感区的年加工2万吨以下全部其他其他(单纯分装除外)其他其他除手工制作和单纯分装外的其他其他其他有化学处理或者喷漆工艺的/登记表///其他全部其他//单纯分装的//手工制作或者单纯分装的///其他/调整情况增加的项目类别增加糖制品加工报告表类别无变化无变化降级,报告表降为登记表降级,报告书降为报告表调整报告表范围无变化降级,报告书降为报告表降级,单纯分装降为登记表调整报告书和报告表范围无变化降级,报告书降为报告表;报告表降为登记表无变化无变化无变化无变化无变化环评类别项目类别造;造纸(含废纸造纸)113 、纸制品114 、印刷;文教、体育、娱乐用品制造;磁材料制品115 、轮胎创造、再生橡胶创造、橡胶加工、橡胶制品翻新116 、塑料制品制造117 、工艺品创造118 、皮革、毛皮、羽毛(绒)制品O 纺织化纤119 、化学纤维制造120 、纺织品创造121 、服装创造123 、鞋业创造P 公路123 、公路Q 铁路124 、新建铁路125 、改建铁路报告书//全部人造革、发泡胶等涉及有毒原材料的;有电镀工艺的有电镀工艺的制革、毛皮鞣制除单纯纺丝外的有洗毛、染整、脱胶工段的;产生缫丝废水、精炼废水的有湿法印花、染色、水洗工艺的/新建、扩建三级及以上等级公路;涉及环境敏感区的1公里及以上的独立隧道;涉及环境敏感区的主桥长度1 公里及以上的独立桥梁(均不含公路维护)全部200 公里及以上的电气化改造;增建100 公里报告表有化学处理工艺的全部/其他有喷漆工艺和机加工的其他单纯纺丝其他(编织物及其制品制造除外)年加工100 万件及以上使用有机溶剂的其他(配套设施、公路维护除外)/其他登记表其他///其他//编织物及其制品制造其他其他配套设施、公路维护//调整情况无变化降级,报告书降为报告表无变化扩大报告书范围新增类别新增类别降级,部份报告书降为报口表缩小报告表范围,部份报告表降为登记表无变化无变化缩小报告书范围,部份报告书降为报告表无变化无变化环评类别项目类别126 、枢纽R 民航机场127 、机场128 、导航台站、供油工程、维修保障等配套工程S 水运129 、油气、液体化工码头130 、干散货(含煤炭、矿石)、件杂、多用途、通用码头131 、集装箱专用码头报告书及以上的铁路;涉及环境敏感区的大型枢纽新建;迁建;涉及环境敏感区的飞行区扩建/全部单个泊位1000 吨级及以上的内河港口;单个泊位1 万吨级及以上的沿海港口;涉及环境敏感区的单个泊位3000 吨级及以上的内河港口;单个泊位3 万吨级及以上的海港;涉及危(wei)险品、化学品的;涉及环境敏感区的报告表其他其他供油工程;涉及环境敏感区的/其他其他登记表//其他///调整情况无变化无变化降级,报告表降为登记表无变化无变化无变化132 、滚装、客运、工作船、游艇码头133 、铁路轮渡码头134 、航道工程、水运辅助工程135 、航电枢纽工程136 、中心渔港码头T 城市交通设施137 、轨道交通138 、城市道路涉及环境敏感区的涉及环境敏感区的航道工程;涉及环境敏感区的防波堤、船闸、通航建造物全部涉及环境敏感区的全部新建、扩建快速路、主其他其他其他/其他/其他快速路、//////其他缩小报告书范围,部份报告书降为报告表缩小报告书范围,部份报告书降为报告表无变化无变化无变化无变化降级,报告书降环评类别项目类别139 、城市桥梁、隧道U 城镇基础设施及房地产140 、煤气生产和供应工程141 、城市天然气供应工程142 、热力生产和供应工程143 、自来水生产和供应工程144 、生活污水集中处理145 、工业废水集中处理146 、海水淡化、其他水处理和利用147 、管网建设14 &生活垃圾转运站149 、生活垃圾(含餐厨废弃物)集中处置150 、粪便处置工程151 、危(wei)险废物(含医疗废物)集中处置及综合利用152 、普通工业固体废物(含污泥)集中处置153 、污染场地治理修复工程报告书干路;涉及环境敏感区的新建、扩建次干路1 公里及以上的独立隧道或者独立桥梁;立交桥煤气生产/燃煤、燃油锅炉总容量65 吨/小时(不含)以上/日处理10 万吨及以上全部///全部/全部全部全部报告表主干路、次干路;支路其他(人行天桥和人行地道除外)煤气供应全部其他全部其他/全部全部全部/日处理50 吨及以上///登记表人行天桥或者人行地道//////////其他///调整情况为报告表调整报告表和登记表范围缩小报告书范围,部份报告书降为报告表无变化无变化无变化降级,报告书降为报告表降级,部份报告书降为报口表无变化无变化无变化无变化无变化降级,部份报告表降为登记表无变化新增类别新增类别环评类别项目类别154 、仓储(不含油库、气库、煤炭储存)155 、废旧资源(含生物质)加工、再生利用156 、房地产开辟、宾馆、酒店、办公用房等V 社会事业与服务业157 、学校、幼儿园、托儿所158 、医院159 、专科防治院(所、站)160 、疾病预防控制中心161 、社区医疗、卫生院(所、站)、血站、急救中心等其他卫生机162 、疗养院、福利院、养老院163 、专业实验室164 、研发基地165 、动物医院166 、体育场、体育报告书有毒、有害及危(wei)险品的仓储、物流配送项目废电子电器产品、废电池、废汽车、废机电、废五金、废塑料、废油、废船、废轮胎等加工、再生利用//新建、扩建涉及环境敏感区的涉及环境敏感区的//P3 、P4 生物安全实验室;转基因实验室含医药、化工类等专业中试内容的//报告表其他其他建造面积5万平方米及以上;涉及环境敏感区的建造面积5万平方米及以上;有实验室的学校(不含P3 、P4 生物安全实验室)其他其他其他全部建造面积5万平方米及以上其他其他全部占地面积2.2登记表//其他其他////其他///其他调整情况无变化细化报告书范围降级,报告书降为报告表降级,报告表降为登记表降级,报告书降为报告表调整报告表和登记表范围缩小报告书范围,部份报告书降为报告表无变化无变化无变化降级,报告表降为登记表类别中增加养老院无变化降级,部份报告书降为报口表无变化降级,报告书降环评类别报告书报告表登记表调整情况项目类别馆万平方米及以上为报告表167 、高尔夫球场、滑雪场、狩猎场、赛车场、跑马场、尔夫球场其他/ 无变化射击场、水上运动中心16& 展览馆、博物馆、美术馆、影剧院、音乐厅、文化馆、图书馆、档案馆、记念馆/ 占地面积3 万平方米及以上其他无变化169 、公园(含动做报告书的范围物园、植物园、主题公园)占地40 万平方米及以上其他/ 由占地10 万调整为40 万缆车、索道建设;海上娱170 、旅游开辟乐及运动、景观开辟工程其他/ 无变化171 、影视基地建设172 、影视拍摄、大型实景演出173 、胶片洗印厂174、批发、零售市场175 、餐饮场所涉及环境敏感区的////其他涉及环境敏感区的全部营业面积5000 平方米及以上涉及环境敏感区的6个基准灶头及以上/其他/其他其他无变化无变化升级,登记表升为报告表降级,报告书降为报告表无变化176 、娱乐场所177 、洗浴场所178 、普通社区服务项目179 、驾驶员训练基地////营业面积1000 平方米及以上营业面积1000 平方米及以上/全部其他其他全部/无变化无变化无变化无变化环评类别项目类别180 、公交枢纽、大型停车场181 、长途客运站182 、加油、加气站183 、洗车场184 、汽车、摩托车维修场所185 、殡仪馆186 、陵园、公墓W 核与辐射187 、广播电台、差转台188 、电视塔台189 、卫星地球上行站190 、雷达191 、无线通讯192 、核动力厂(核电厂、核热电厂、核供汽供热厂等);反应堆(研究堆、实验堆、临界装置等);铀矿开采、冶炼;核燃料生产、加工、贮存、后处理;放射性废物贮存、处理或者处置;上述项目报告书/////涉及环境敏感区的/报告表车位2000 个及以上;涉及环境敏感区的新建全部营业面积1000 平方米及以上;涉及环境敏感区的营业面积5000 平方米及以上;涉及环境敏感区的其他涉及环境敏感区的中波50 千瓦及以上;短波100 千瓦及以上;涉及环境敏感区的100 千瓦及以上一站多台多台雷达探测系统/单台雷达探测系统全部改建(不增加源项);其他(不含不带放射性的实验室及实验装置)登记表其他其他/其他其他/其他/////不带放射性的实验室或者试验装置调整情况无变化无变化无变化无变化无变化无变化无变化无变化无变化无变化无变化降级,报告书降为报告表无变化其他其他一站单台新建、扩建环评类别报告书报告表登记表调整情况项目类别的退役193 、铀矿地质勘探、退役管理194 、伴生放射性矿物资源的采选195 、伴生放射性矿物资源的冶炼加工196 、伴生放射性矿物资源的废渣处理、贮存和处置197 、伴生放射性矿物资源的废渣再利用198 、核技术利用建设项目(在已许可场所增加不超出已许可活动种类和不于已许可范围等级的核素或者射线装置除外)199 、核技术利用项目退役/年采1万吨及以上;涉及环境敏感区的1000 吨年及以上;涉及环境敏感区的涉及环境敏感区的1000 吨及以上;涉及环境敏感区的生产放射性同位素的(制备P ET 用放射性药物的除外);使用1 类放射源的(医疗使用的除外);销售(含建造)、使用1类射线装置的;甲级非密封放射性物质工作场所生产放射性同位素的(制备P ET 用放射性药物的除外);甲级非密封放射性物质工作场所全部其他其他其他其他/////制备P ET 用放射性药物的;销售I类、n类、川类放射源的;销售非密封放射性物质;医疗使用I类放射源的;使用n类、出类放射源的;生产、销售、使用n类射线装置的;乙、丙级非密封放射性物质工作场所;在野外进行放射性同位制备P ET 用放射性药物的;乙级非密封放射性物质工作场所;水井式丫辐照装置;除水井式丫辐照装置外其他使用销售、使用W类、V类放射源的;生产、销售、使用川类射线装置的丙级非密封放射性物质工作场所;除水井式丫辐照装置外其他使用I 类、n类、降级,报告书降为报告表无变化无变化无变化无变化无变化增加部份登记表类别环评类别项目类别报告书报告表I类、n类、川类放射源场所存在污的;使用类、n类射线装置存在污染的登记表川类放射源场所不存在污染的调整情况染I。