密封圈的两个参数
- 格式:doc
- 大小:150.00 KB
- 文档页数:8
v型密封圈设计尺寸摘要:1.V 型密封圈的设计原理2.V 型密封圈的设计尺寸参数3.V 型密封圈的设计尺寸对密封效果的影响4.结论正文:一、V 型密封圈的设计原理V 型密封圈,又称唇形密封圈,是一种常见的密封元件,广泛应用于各种机械设备的密封部位。
其主要作用是通过其独特的结构设计,实现对设备的密封保护,防止介质的泄漏和外界杂质的侵入,保证设备的正常运行。
V 型密封圈的设计原理主要基于其独特的结构。
V 型密封圈的截面呈V 字形,这种设计可以使得密封圈在与设备接触的部位形成一个压力区,这个压力区可以有效地阻止介质的流动,实现密封的效果。
二、V 型密封圈的设计尺寸参数V 型密封圈的设计尺寸主要包括两个参数,一个是V 型槽的深度,另一个是V 型槽的宽度。
这两个参数的选择主要取决于密封圈的使用环境和使用要求。
V 型槽的深度决定了密封圈的密封能力。
深度越大,密封能力越强,但同时也会增加密封圈的摩擦力,影响设备的运行。
V 型槽的宽度则决定了密封圈的适应性。
宽度越大,密封圈的适应性越强,可以有效密封不同形状的设备,但同时也会增加密封圈的制造难度和成本。
三、V 型密封圈的设计尺寸对密封效果的影响V 型密封圈的设计尺寸对密封效果有着重要的影响。
如果设计尺寸不合适,可能会导致密封效果不佳,介质泄漏,设备运行异常,甚至可能会对设备造成损坏。
如果V 型槽的深度过浅,密封圈的密封能力会不足,无法有效阻止介质的流动,导致介质泄漏。
如果V 型槽的深度过深,虽然可以提高密封能力,但会增加密封圈的摩擦力,影响设备的运行。
如果V 型槽的宽度过窄,密封圈的适应性会不足,无法有效密封不同形状的设备,导致密封效果不佳。
如果V 型槽的宽度过宽,虽然可以提高密封圈的适应性,但会增加密封圈的制造难度和成本。
四、结论总的来说,V 型密封圈的设计尺寸对密封效果有着重要的影响。
设计者需要根据设备的使用环境和使用要求,合理选择V 型槽的深度和宽度,以实现最佳的密封效果。
橡胶密封圈的设计及参数的介绍橡胶密封圈,耐高温密封圈,耐腐蚀密封圈,大型密封圈,硅橡胶密封圈,氟橡胶密封圈,橡胶垫圈,夹布油封o形圈作动态密封时,用在往复运动状态和用在旋转运动状态的密封原理有所不同。
用于往复运动状态的o形圈,是靠由封作用达到密封的。
为此。
形圈的内径设计略小于袖径(约1g6),使o 形圈的内侧稍受扩张W抱在往复杆上。
当然.o形图的内径不能比轴径小很多,否则o形因61长期受捡伸—加剧变形,失去弹比引起早期泄漏。
同时,1 给予O形圈以14—20%的压缩量(其装配如图3 用于旋转运动状态的()形围。
其密封机理i 机理相仿,但由于O形圈与拙的接触团积比汕』接触面积要大,所以o形圈的少热大,易磨损。
密封时,拙速受到一定的限制,一般不超过2 压力为150公斤/厘米’。
O形图用于高速旋抽密封时,考虑列橡胶[ 收缩的情况,往往将它的内径设汁成比抽径大5 5—8%,其装配情况如刚—191)所示。
出于整’ 周向压缩,当拙旋转时,o形圈阅摩擦乍热而4 大于抽径5%的o形因正好抱紧机拙,从而起1 用。
如果o形周内径比抽径小,它就处于拉仲4 转时,摩擦生热引起o形圈收缩,促使o形圈对4 从上面的叙述可知,无沦用于甜态还是动态密封的o形蹋,都需根据使用条件,考虑纽子‘定购压缩民这是o形因能起密封作用的先决条件。
其次,o形圈的密封性能还与o形圈和轴表面的光洁度、容纳o形圈沟槽的大小、密封面之间的间隙大小以及胶料性能等闲素有关。
旋轴的表面、尤其是o形因的表面总是有[引凸不平的,这对o形圈的自封作用起了一定的破坏作用,因此对秒表面和o形图表面的光洁度要求要高。
容纳o形圈的沟槽最绊迫使用的是断而呈矩形的“矩形沟槽“,沟楷必须有容纳密封团变形的空间。
通常.沟榴的宽度一般为o形圈断面亢得的1.3一1.5倍。
因为固定用o形因的压缩虽较大,沟榴的宽度也通史偏大些。
拄复运动用o 形困压缩量铰小,沟槽览度可小些。
旋转轴密封的沟槽宽度应是o形圈断面的1.05—1.1倍。
O型密封圈装配参数(一)拉伸量美国SAEJ120A-1968 推荐的O形圈的最大封间隙值/mmO型密封圈装配参数(二)压缩率O型圈密封圈简称O型圈,是一种截面形状为圆形的橡胶圈。
O型密封圈是液压、气动系统中使用最广泛的一种密封件。
O型圈有良好的密封性能,既可用于静密封,也可用于动密封中;不仅可单独使用,而且是许多组合式密封装置中的基本组成部分。
它的使用范围很宽,如果材料选择得当,可以满足各种介质和各种运动条件的要求。
O型密封圈是一种挤压型密封,挤压型密封的基本工作原理是依靠密封件发生弹性变形,在密封接触面上造成接触压力,接触压力大于被密封介质的内压,则不发生泄漏,反之则发生泄漏。
O型密封圈是典型的挤压型密封。
O型圈截面直径的压缩率和拉伸量是密封设计的主要内容,对密封性能和使用寿命有重要意义。
O型密封圈有良好的密封效果很大程度上取决于O型圈尺寸与沟槽尺寸的正确匹配,形成合理的密封圈压缩量与拉伸量。
2.1.压缩率压缩率W通常用下式表示:W=(d0-h)/d0 ×100%式中d0-----O型圈在自由状态下的截面直径(mm);h------O型圈槽底与被密封表面的距离(沟槽深度),即O型圈压缩后的截面高度(mm)在选取O形圈的压缩率时,应从如下3方面考虑:1.要有足够的密封接触面积;2.摩擦力尽量小;3.尽量避免永久变形。
从以上这些因素不难发现,他们相互之间存在矛盾。
压缩率大就可获得大的接触压力,但是过大的压缩率无疑就会增大滑动摩擦力和永久形。
而压缩率过小则可能由于密封沟槽的同轴度误差和O形圈误差不符合要求,消失部分压缩量而引起泄漏。
因此,在选择O形圈的压缩率时,要权衡各方面的因素。
一般静密封压缩率大于动密封,但其极值应小于25%,否则压缩应力明显松弛,将产生过大的永久变形,在高温工况中尤为严重。
O型密封圈压缩率W的选择应考虑使用条件,静密封或动密封;静密封又可分为径向密封与轴向密封;径向密封(或称圆柱静密封)的泄漏间隙是径向间隙,轴向密封(或称平面静密封)的泄漏间隙是轴向间隙。
橡胶密封圈规格导言橡胶密封圈是一种常见的密封元件,被广泛应用于各种工业领域,如机械制造、汽车制造、化工等。
橡胶密封圈的规格是指其尺寸、硬度、材料等方面的要求。
本文将介绍橡胶密封圈的规格及其标准。
橡胶密封圈尺寸规格橡胶密封圈的尺寸规格通常由内径(ID)、外径(OD)和厚度(T)三个参数来描述。
其中,内径是指橡胶密封圈内径的大小,外径是指橡胶密封圈外径的大小,厚度是指橡胶密封圈的厚度。
这三个参数可以根据具体的需求来确定。
通常,橡胶密封圈的内径和外径可以根据设备或管道的尺寸来选择。
而橡胶密封圈的厚度可以根据实际的密封需求来确定,一般情况下,厚度应保证有足够的压缩量,以确保密封的有效性。
橡胶密封圈硬度规格橡胶密封圈的硬度是指橡胶材料的硬度,通常使用 Shore A 硬度来表示。
Shore A 硬度是通过一个硬度计来测量橡胶材料的硬度。
硬度的选择需要根据橡胶密封圈的具体应用场景来确定。
一般来说,硬度越高的橡胶密封圈具有更好的耐磨性和耐化学腐蚀性能,但弹性较差,容易失去密封性能。
相反,硬度较低的橡胶密封圈弹性好,但耐磨性和耐化学腐蚀性能较差。
因此,在选择橡胶密封圈硬度时,需要综合考虑具体的使用环境和密封要求。
橡胶密封圈材料规格橡胶密封圈的材料通常选择橡胶或弹性塑料。
常用的橡胶材料包括丁苯橡胶(BR)、丁腈橡胶(NBR)、氟橡胶(FKM)等。
不同的橡胶材料具有不同的耐温性、耐化学腐蚀性和强度等性能。
选择合适的橡胶密封圈材料需要综合考虑使用环境的温度、压力、介质的化学性质等因素。
例如,对于高温环境,可以选择耐高温的氟橡胶材料;对于耐油性要求较高的场景,可以选择丁腈橡胶材料。
橡胶密封圈标准规范橡胶密封圈的规格通常参照国际标准或行业标准进行设计和生产。
常见的标准包括 ISO 3601、AS568、BS1806/BS ISO 3601等。
这些标准规定了橡胶密封圈的尺寸、硬度、材料等方面的要求,确保橡胶密封圈的可互换性和使用效果。
O型密封圈装配参数(一)拉伸量美国SAEJ120A-1968 推荐的O形圈的最大封间隙值/mmO型密封圈装配参数(二)压缩率O型圈密封圈简称O型圈,是一种截面形状为圆形的橡胶圈。
O型密封圈是液压、气动系统中使用最广泛的一种密封件。
O型圈有良好的密封性能,既可用于静密封,也可用于动密封中;不仅可单独使用,而且是许多组合式密封装置中的基本组成部分。
它的使用范围很宽,如果材料选择得当,可以满足各种介质和各种运动条件的要求。
O型密封圈是一种挤压型密封,挤压型密封的基本工作原理是依靠密封件发生弹性变形,在密封接触面上造成接触压力,接触压力大于被密封介质的内压,则不发生泄漏,反之则发生泄漏。
O型密封圈是典型的挤压型密封。
O型圈截面直径的压缩率和拉伸量是密封设计的主要内容,对密封性能和使用寿命有重要意义。
O型密封圈有良好的密封效果很大程度上取决于O型圈尺寸与沟槽尺寸的正确匹配,形成合理的密封圈压缩量与拉伸量。
2.1.压缩率压缩率W通常用下式表示:W=(d0-h)/d0 ×100% 式中d0-----O型圈在自由状态下的截面直径(mm);h------O型圈槽底与被密封表面的距离(沟槽深度),即O型圈压缩后的截面高度(mm)在选取O形圈的压缩率时,应从如下3方面考虑: 1.要有足够的密封接触面积; 2.摩擦力尽量小; 3.尽量避免永久变形。
从以上这些因素不难发现,他们相互之间存在矛盾。
压缩率大就可获得大的接触压力,但是过大的压缩率无疑就会增大滑动摩擦力和永久形。
而压缩率过小则可能由于密封沟槽的同轴度误差和O形圈误差不符合要求,消失部分压缩量而引起泄漏。
因此,在选择O形圈的压缩率时,要权衡各方面的因素。
一般静密封压缩率大于动密封,但其极值应小于25%,否则压缩应力明显松弛,将产生过大的永久变形,在高温工况中尤为严重。
O型密封圈压缩率W的选择应考虑使用条件,静密封或动密封;静密封又可分为径向密封与轴向密封;径向密封(或称圆柱静密封)的泄漏间隙是径向间隙,轴向密封(或称平面静密封)的泄漏间隙是轴向间隙。
dn密封圈尺寸标准全文共四篇示例,供读者参考第一篇示例:DN密封圈是一种常用于管道连接中的密封元件,它的尺寸标准对于管道系统的安全和稳定运行至关重要。
在管道系统中,DN密封圈主要起到密封作用,防止介质泄漏和外部进入管道系统。
选择合适尺寸的DN密封圈对于保障管道系统的正常运行至关重要。
一般来说,DN密封圈的尺寸标准是根据管道连接的标准来确定的。
在国际上,常用的管道连接标准包括ISO、DIN、ANSI、ASME等。
这些标准规定了不同规格管道连接所需要使用的DN密封圈尺寸和材质。
根据这些标准,DN密封圈的尺寸主要包括内径、外径、厚度和材质等方面。
DN密封圈的内径是指密封圈内部直径,通常与管道连接的外径相匹配,确保密封圈能够完全覆盖在管道连接的接口处,并实现有效的密封作用。
内径的选择应根据管道连接标准的要求来确定,一般会有标准尺寸可供选择。
DN密封圈的厚度也是一个重要的尺寸参数,一般来说,密封圈的厚度越大,其密封效果越好。
在实际选择时,需要根据管道连接的工作条件、介质和压力等因素来确定合适的密封圈厚度。
如果厚度选择不当,可能会导致密封不严密或者密封圈承受不了高压,从而影响管道系统的安全运行。
DN密封圈的材质也是影响其性能的关键因素。
常见的密封圈材质包括橡胶、氟橡胶、聚四氟乙烯等。
不同的材质具有不同的耐温、耐压和耐腐蚀性能,选择合适的密封圈材质可以有效提高密封效果和使用寿命。
DN密封圈的尺寸标准是根据管道连接的标准来确定的,选择合适的尺寸和材质的密封圈对于保障管道系统的安全和稳定运行至关重要。
在选购和安装密封圈时,应仔细查阅相关标准和规范,确保密封圈符合要求,以提高管道系统的密封性能和可靠性。
【本文共1052字】.第二篇示例:dn密封圈是一种广泛应用于工业领域的密封件,它具有优异的密封性能,能够有效阻止流体或气体的泄漏,保证设备或管道的正常运行。
dn密封圈的尺寸标准是指其直径、厚度、硬度等方面的规定,保证其能够准确地安装在相应的设备或管道上,发挥最佳的密封效果。
中空密封圈的压缩率和填充率1.引言1.1 概述概述部分的内容编写示例:在工程材料领域,中空密封圈是一种常用的密封材料,被广泛应用于各种机械设备和工业设施中。
中空密封圈的良好性能和使用寿命直接影响着设备的稳定性和安全性。
本文旨在探讨中空密封圈的压缩率和填充率对其性能的影响。
通过对中空密封圈压缩率和填充率的定义和意义的分析,深入探讨了这两个参数的影响因素。
通过研究和实验,我们可以更好地理解压缩率和填充率在中空密封圈中的作用机制,并为相关工程应用提供理论依据和指导。
在正文部分,我们首先对压缩率进行了详细的介绍。
通过定义和解释压缩率的概念,我们探讨了压缩率在中空密封圈中的意义和重要性。
同时,我们还分析了影响中空密封圈压缩率的因素,如材料的物理性质、圈截面结构和制造工艺等。
这些因素的变化将直接影响中空密封圈的压缩率,进而影响其密封性能和使用寿命。
接着,我们对填充率进行了深入研究。
填充率在中空密封圈中的定义和意义被详细说明,其在密封材料性能中的作用逐渐被重视。
我们进一步探讨了影响中空密封圈填充率的因素,包括填充材料的物理性质、填充工艺和填充密度等。
这些因素的改变将直接影响中空密封圈的填充率,从而影响其密封效果和使用寿命。
最后,在结论部分,我们总结了压缩率与填充率之间的关系,并强调了对中空密封圈性能影响的重要性。
深入研究中空密封圈的压缩率和填充率可以为相关工程应用提供更全面的理论基础和技术支持。
压缩率和填充率的合理控制和优化设计将有助于提高中空密封圈的性能和实际应用效果。
本文的研究对于推动中空密封圈及相关领域的发展具有一定的应用前景和实际意义。
1.2文章结构1.2 文章结构本篇文章主要围绕着中空密封圈的压缩率和填充率展开讨论。
文章主要分为引言、正文和结论三个部分。
在引言中,我们首先提供了对整篇文章的概述,简要介绍了中空密封圈的压缩率和填充率的主题。
接着,我们详细说明了文章的结构,以让读者能够清晰地了解整篇文章的组织框架。
组合密封圈规格及标准组合密封圈是一种用于机械设备中的重要密封元件,它能够有效地防止液体或气体的泄漏,保护设备的正常运行。
在工业生产中,各种不同规格和标准的组合密封圈被广泛应用于各种设备中。
本文将对组合密封圈的规格和标准进行详细介绍,以便读者更好地了解和选择适合自己设备的密封圈。
首先,我们来看一下组合密封圈的规格。
组合密封圈的规格主要包括内径、外径、厚度等参数。
内径是指密封圈内部的直径,外径是指密封圈外部的直径,而厚度则是密封圈的厚度。
这些规格参数的大小将直接影响到密封圈的使用效果,因此在选择组合密封圈时,需要根据设备的实际情况来确定合适的规格。
其次,我们需要了解组合密封圈的标准。
目前,国际上对于组合密封圈的标准有着统一的规定,主要包括材料、硬度、耐磨性、耐腐蚀性等方面的要求。
例如,对于密封圈的材料,通常要求具有良好的弹性和耐磨性,能够在不同温度和压力下保持稳定的密封效果。
此外,对于密封圈的硬度和耐腐蚀性也有着具体的标准要求,以确保密封圈能够在恶劣环境下长时间稳定运行。
除了以上规格和标准外,组合密封圈的安装和维护也是非常重要的。
在安装组合密封圈时,需要确保密封圈与设备的配合良好,避免出现间隙或者变形,影响密封效果。
同时,在使用过程中,定期对密封圈进行检查和维护也是必不可少的,及时发现并处理密封圈的损坏或老化问题,以保证设备的正常运行。
总的来说,组合密封圈作为机械设备中的重要密封元件,其规格和标准对于设备的正常运行至关重要。
正确选择符合规格标准的密封圈,并且严格按照要求进行安装和维护,将有助于提高设备的密封性能,延长设备的使用寿命,降低维护成本,保障生产安全。
在选择组合密封圈时,建议用户根据设备的具体情况,选择符合规格标准的产品,并且在使用过程中严格按照要求进行安装和维护,以确保密封圈的正常使用。
希望本文能够帮助读者更好地了解组合密封圈的规格和标准,并且在实际应用中发挥其最大的作用。
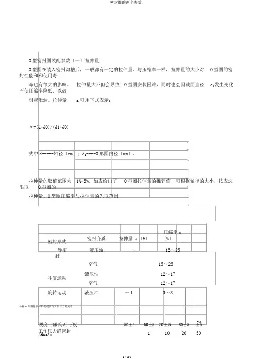
O型密封圈装配参数〔一〕拉伸量O型圈在装入密封沟槽后,一般都有一定的拉伸量。
与压缩率一样,拉伸量的大小对O型圈的密封性能和和使用寿命也有很大的影响。
拉伸量大不但会导致O型圈安装困难,同时也会因截面直径d0发生变化而使压缩率降低,以致引起泄漏。
拉伸量a可用下式表示:α=(d+d0)/(d1+d0)式中d-----轴径〔mm〕;d1----O形圈内径〔mm〕。
拉伸量的取值范围为1%-5%。
如表给出了O型圈拉伸量的推荐值,可根据轴径的大小,按表选限取O型圈的拉伸量。
O型圈压缩率与拉伸量的先取范围密封形式密封介质拉伸量α〔%〕压缩率w〔%〕静密封液压油~15~25空气15~25往复运动液压油12~17空气12~17旋转运动液压油~13~8各种O形圈橡胶材料的硬度与工作压力的关系硬度〔邵氏A〕/度50±560±570±580±590±5工作压力静密封/Mpa≤1102050工作压力〔往复运动,往复速度≤〕/Mpa181624注:旋转运开工作压力一般不超过Mpa,硬度选择在(70±5)度;超出Mpa那么按特殊密封装置设计。
日本JISB2406-1991推荐的O形圈密封的最大间隙/mm工作压力/MPa≤~~1010~1616~25硬度〔邵氏A〕/度7090美国SAEJ120A-1968推荐的O形圈的最大封间隙值/mm硬度〔邵氏A〕/度708090工作压力/MPa形圈的截面直径和轴的转速关系转速/m/s O形圈截面直径/mm转速/m/s O形圈截面直径/mmNBR胶料硬度与耐压能力之间的关系硬度〔邵氏A〕/度拉伸强度/MPa伸长率/%适用压力范围/MPa 80224002852730620902512050〔四〕密封沟槽的形状安装O形圈的各种沟槽形状沟槽形状名称应用这是一种既适于运动密封,也适于固矩形沟槽定密封的常用的沟槽形式。
只适用于固定密封。
假设用作运动密封,V形沟槽那么磨擦阻力很大,易挤进间隙,造成损伤。
g型密封圈参数G型密封圈是一种常用的密封元件,广泛应用于各个领域。
它具有特殊的结构和性能,能够有效地解决密封问题。
本文将从不同角度介绍G型密封圈的参数及其重要性。
一、外径(OD)G型密封圈的外径是指密封圈的最大直径。
外径的选择要根据密封槽的尺寸和密封要求来确定。
一般情况下,外径越大,密封圈的密封效果越好。
但过大的外径可能导致安装困难或不适用的情况。
二、内径(ID)G型密封圈的内径是指密封圈的最小直径。
内径的选择要考虑密封件的直径和密封槽的尺寸。
合适的内径能够保证密封圈的稳定性和密封效果。
三、截面直径(CS)G型密封圈的截面直径是指密封圈截面的直径,也称为密封圈的厚度。
截面直径的选择要根据密封槽的宽度和密封要求来确定。
合适的截面直径能够确保密封圈与密封槽之间的压缩量和密封效果。
四、压缩量(C)G型密封圈的压缩量是指密封圈在安装后的压缩变形量。
压缩量的大小取决于密封槽的设计和密封要求。
适当的压缩量能够保证密封圈与密封槽之间的紧密接触,提高密封效果。
五、硬度(H)G型密封圈的硬度是指密封圈的材料硬度。
硬度的选择要根据密封要求和工作环境来确定。
一般情况下,硬度越高,密封圈的耐磨性和耐压性越好。
六、材料G型密封圈的材料通常有橡胶、硅胶、聚氨酯等。
不同的材料具有不同的性能和适用范围。
选择合适的材料能够确保密封圈的耐腐蚀性、耐温性和耐磨性。
七、工作温度(T)G型密封圈的工作温度是指密封圈能够正常工作的温度范围。
工作温度的选择要根据密封圈的材料和工作环境来确定。
超出工作温度范围的温度可能导致密封圈失效或性能下降。
八、工作压力(P)G型密封圈的工作压力是指密封圈能够承受的最大压力。
工作压力的选择要考虑密封要求和工作环境的压力范围。
超出工作压力范围的压力可能导致密封圈变形或破裂。
九、摩擦系数(μ)G型密封圈的摩擦系数是指密封圈与密封槽之间的摩擦阻力。
摩擦系数的选择要根据密封要求和工作环境来确定。
适当的摩擦系数能够保证密封圈的密封效果和使用寿命。
dn密封圈尺寸标准DN密封圈尺寸标准一、概述DN密封圈是一种常见的橡胶密封圈,主要用于管道、阀门等流体设备的密封。
DN密封圈的尺寸标准是国际上通用的标准,以确保密封圈的互换性和兼容性。
本文将介绍DN密封圈的尺寸标准及其相关参数。
二、尺寸标准DN密封圈的尺寸标准采用ISO 3408-1标准,该标准规定了DN 密封圈的外径、内径、截面直径等参数的尺寸范围。
以下是一些常见的DN密封圈尺寸标准:外径:DN密封圈的外径通常为20mm至300mm,具体尺寸根据不同的应用场合而定。
内径:DN密封圈的内径通常为10mm至290mm,具体尺寸根据不同的流体设备和管道规格而定。
截面直径:DN密封圈的截面直径通常为6mm至150mm,具体尺寸根据不同的应用场合和密封要求而定。
三、相关参数除了尺寸标准外,DN密封圈还有其他相关参数,如工作压力、工作温度、材料等:工作压力:DN密封圈的工作压力范围通常为0bar至60bar,具体压力范围根据不同的应用场合和流体设备而定。
工作温度:DN密封圈的工作温度范围通常为-20°C至+120°C,具体温度范围根据不同的材料和流体性质而定。
材料:DN密封圈的材料通常为橡胶,如丁腈橡胶、氟橡胶等。
不同材料的DN密封圈具有不同的化学和物理性能,适用于不同的流体介质和温度条件。
四、应用场合DN密封圈广泛应用于管道、阀门、泵等流体设备的密封,适用于水、气体、蒸汽、油等介质。
其优异的耐压性能和密封性能能够有效地防止流体泄漏,保障设备的安全可靠运行。
总之,DN密封圈作为一种常见的橡胶密封圈,其尺寸标准是国际上通用的标准。
了解并掌握DN密封圈的尺寸标准及相关参数,有助于在实际应用中选择合适的密封圈,提高设备的安全性和可靠性。
活塞杆密封圈规格型号表1. 引言活塞杆密封圈是一种常用的密封元件,广泛应用于各种液压和气动系统中。
它的作用是防止液体或气体泄漏,并保持系统的正常工作。
本文将介绍活塞杆密封圈的规格型号表,包括常见的规格型号、材料、尺寸等信息。
2. 规格型号表型号内径(mm)外径(mm)截面形状材料A001 10 20 O形丁腈橡胶A002 12 22 O形氟橡胶A003 15 25 U形聚氨酯A004 18 28 U形聚四氟乙烯A005 20 30 O形硅橡胶A006 25 35 O形氯丁橡胶注:以上仅为示例,实际规格型号表需要根据具体产品进行填写。
3. 规格型号解析3.1 型号每个活塞杆密封圈都有一个唯一的型号,用于标识其规格和型号。
在规格型号表中,我们可以根据型号快速找到对应的密封圈。
3.2 内径和外径活塞杆密封圈的内径和外径是两个重要的尺寸参数。
内径是指密封圈与活塞杆接触的内侧直径,外径是指密封圈与密封腔接触的外侧直径。
这两个参数决定了密封圈的适用范围和安装方式。
3.3 截面形状常见的活塞杆密封圈截面形状有O形和U形两种。
O形截面适用于内压较高的液压系统,能够提供良好的密封效果。
U形截面适用于外压较高的气动系统,能够有效防止泄漏。
3.4 材料活塞杆密封圈可以使用多种不同材料制成,常见的包括丁腈橡胶、氟橡胶、聚氨酯、聚四氟乙烯和硅橡胶等。
不同材料具有不同的耐油性、耐温性和耐磨性,选择合适的材料可以提高密封圈的使用寿命和性能。
4. 密封圈选择指南在选择活塞杆密封圈时,需要考虑以下几个因素:•工作压力:根据系统的工作压力确定密封圈的截面形状和材料。
•工作温度:根据系统的工作温度确定密封圈材料的耐温性。
•工作介质:根据系统的工作介质确定密封圈材料的耐油性。
•安装空间:根据安装空间限制确定密封圈的内径和外径。
综合考虑以上因素,选择合适的活塞杆密封圈可以确保系统正常运行并提高设备的可靠性和效率。
5. 结论活塞杆密封圈规格型号表是对活塞杆密封圈进行整理和分类的重要工具。
活塞密封圈规格和沟槽1. 引言活塞密封圈是一种用于密封活塞与缸体之间的关键零部件,广泛应用于各种液压和气动设备中。
它起到防止液体或气体泄漏、减少摩擦和磨损、提高密封效果的作用。
本文将详细介绍活塞密封圈的规格和沟槽设计。
2. 活塞密封圈规格活塞密封圈的规格通常包括内径、外径、厚度等参数。
这些参数需要根据具体的应用环境和要求进行选择,以确保密封圈能够正常工作并满足性能要求。
2.1 内径内径是指密封圈安装在活塞上时所需的直径,也是与缸体内壁接触的关键部分。
内径的选择应考虑活塞材料、工作温度、压力等因素。
一般情况下,内径应略小于活塞直径,以确保紧密贴合并提供良好的密封效果。
2.2 外径外径是指密封圈在活塞槽中的直径,也是与缸体槽壁接触的部分。
外径的选择应根据活塞槽的尺寸和工作条件来确定。
一般情况下,外径应略大于活塞槽直径,以确保密封圈能够牢固固定在活塞槽中。
2.3 厚度厚度是指密封圈在轴向方向上的尺寸,即密封圈截面的厚度。
厚度的选择应根据活塞材料、工作温度、压力等因素综合考虑。
过大或过小的厚度都会影响密封圈的性能和使用寿命。
3. 活塞密封圈沟槽设计为了提高密封圈与活塞之间的密封效果,通常需要在活塞上设计沟槽以容纳密封圈。
沟槽设计需要考虑以下几个方面:3.1 沟槽形状常见的沟槽形状有矩形、V型、U型等。
不同形状的沟槽适用于不同类型和规格的密封圈。
选择合适的沟槽形状可以提高密封圈的密封性能和安装可靠性。
3.2 沟槽尺寸沟槽的尺寸应与密封圈的规格相匹配,确保密封圈能够完全放置在沟槽中,并保持良好的接触压力。
沟槽的深度和宽度应根据活塞材料、工作条件等因素进行合理选择。
3.3 沟槽表面处理为了提高密封圈与沟槽之间的摩擦性能和密封效果,常常需要对沟槽表面进行特殊处理。
例如,可以采用镀铬、喷涂涂层等方式来增加表面硬度和光滑度,减少摩擦损失。
4. 结论活塞密封圈规格和沟槽设计是确保活塞与缸体之间有效密封的关键因素。
通过选择合适的规格参数和设计合理的沟槽形状、尺寸以及表面处理方法,可以提高活塞密封圈的性能和使用寿命,确保设备正常运行。
U型密封圈规格介绍U型密封圈是一种常用的密封材料,其独特的形状使其适用于各种密封应用。
本文档将介绍U型密封圈的规格,包括尺寸、材料和应用范围等方面的内容。
尺寸U型密封圈的尺寸一般由内径(ID)、外径(OD)和截面厚度(CS)三个参数来描述。
具体的尺寸范围可以根据应用需求进行定制,以下是常见的尺寸规格:•内径范围:1mm - 100mm•外径范围:5mm - 120mm•截面厚度范围:1mm - 10mm需要注意的是,U型密封圈的尺寸选取应根据具体应用场景来确定,保证其能够有效地密封。
材料U型密封圈可以使用多种材料制造,不同材料适用于不同的工作环境和要求。
以下是常见的U型密封圈材料:1.橡胶密封圈:–丁腈橡胶(NBR):耐油、耐磨损,适用于一般工业应用。
–氟橡胶(FKM):耐高温、耐化学腐蚀,适用于高温和化学环境。
–乙丙橡胶(EPDM):耐氧、耐臭氧、耐候性好,适用于户外环境。
2.聚氨酯密封圈:耐磨损、耐油,适用于重载和高压应用。
3.聚四氟乙烯密封圈:耐化学腐蚀、低摩擦系数,适用于化学工业和食品行业。
选择合适的材料可以确保密封圈在特定工作条件下具有良好的密封性能和耐久性。
应用范围U型密封圈广泛应用于各个工业领域,特别是需要密封性能的场合。
以下是U型密封圈的一些主要应用范围:1.汽车行业:U型密封圈常用于发动机、传动系统和悬挂系统等部位的密封,确保液体和气体的密封性能。
2.机械制造:U型密封圈常用于各种液压和气动设备中,例如液压缸、气缸和阀门等。
3.化工行业:U型密封圈可用于化学反应器、泵和管道等设备,确保介质的密封和流动性。
4.食品行业:U型密封圈常用于食品加工设备中,如搅拌机、挤出机和灌装设备等,确保食品的卫生和质量。
5.钢铁行业:U型密封圈可用于钢铁设备的密封,如高炉、转炉和连铸机等。
使用注意事项在使用U型密封圈时,需要注意以下几点:1.安装前应仔细检查密封圈的尺寸和材料是否符合要求,确保安装正确。
密封圈线径规格一、密封圈线径规格介绍密封圈线径通常由内径、外径和线径组成。
内径和外径分别指密封圈内圆的直径和外圆的直径,线径则是内径和外径之间的直线距离,也就是密封圈的厚度。
密封圈线径的规格多种多样,不同的密封圈具有不同的线径规格。
常见的线径规格有:1mm、1.5mm、2mm、2.5mm、3mm等,也有一些特殊的规格需要定制。
在选择密封圈线径规格时,需要根据实际使用情况和被密封的物体大小来进行选择。
二、如何选择适合的密封圈线径1. 根据被密封物体的尺寸:选择密封圈线径规格时,需要参考被密封物体的直径和密封槽的大小。
通常情况下,线径越粗,密封性能越好,但是需要根据实际情况进行选择。
2. 根据工作环境需求:根据工作环境需求和密封材料的特性来选择密封圈线径规格。
例如,若工作环境需要抗高温,则需选择密封材料的高温密封圈,并选择合适的线径规格。
3. 根据密封性能要求:不同的密封线径具有不同的密封性能,线径越粗,密封性能就越好。
若要求高密封性能,则需要选择较粗的密封线径规格。
三、如何测量密封圈线径1. 直接测量法:将密封圈放平在台面上,用卡尺或直径规测量内径和外径,然后计算出线径大小。
需要注意的是,此方法适用于较大的密封圈。
2. 比例计算法:根据已知的内径和外径,分别除以2得出半径值,再用外径减去内径,得出线径大小。
此方法适用于较小的密封圈。
四、结论密封圈线径规格是密封圈的重要参数之一,需要根据实际情况进行选择。
在选择密封圈线径规格时,需要参考被密封物体的大小、工作环境需求和密封性能要求。
同时,在测量密封圈线径时,可以采用直接测量法或比例计算法进行测量,方法简单易行。
密封圈尺寸标准密封圈是一种常见的密封元件,广泛应用于机械设备、汽车、航空航天等领域。
它的主要作用是防止液体或气体泄漏,同时还能承受一定的压力和温度。
密封圈的尺寸标准对于产品的质量和性能起着至关重要的作用。
本文将对密封圈尺寸标准进行详细介绍,希望能为相关行业的从业人员提供参考和帮助。
首先,密封圈的尺寸标准包括内径、外径和厚度。
这三个参数是决定密封圈尺寸的关键因素。
内径是指密封圈内部的直径,它必须与密封的零件配合,确保密封圈能够完全覆盖并与零件紧密贴合。
外径是指密封圈外部的直径,它必须与安装孔或密封槽配合,确保密封圈能够稳固地固定在相应的位置。
厚度则是指密封圈的厚度,它必须能够提供足够的压缩量,以确保在压力作用下产生有效的密封效果。
其次,密封圈的尺寸标准还包括公称尺寸和公差。
公称尺寸是指标准尺寸,它是生产和设计密封圈的基准。
公差是指允许的尺寸偏差范围,它决定了密封圈的加工精度和使用要求。
在实际应用中,公差的控制对于确保密封圈的质量和性能至关重要。
此外,密封圈的尺寸标准还受到国际标准和行业标准的影响。
国际标准是指ISO标准,它是全球范围内通用的标准,对于促进国际贸易和技术交流起着重要作用。
行业标准是指针对特定行业或特定产品的标准,它通常由行业协会或组织制定,对于规范和统一行业内的产品质量和性能起着重要作用。
最后,密封圈的尺寸标准对于产品的设计、选型和应用都有着重要的影响。
在产品设计阶段,必须严格按照尺寸标准进行设计,确保密封圈能够完全符合使用要求。
在产品选型阶段,必须根据实际使用条件和要求选择合适尺寸的密封圈,以确保产品能够正常工作并具有良好的密封性能。
在产品应用阶段,必须严格按照尺寸标准进行安装和使用,以确保产品能够发挥最佳的性能和效果。
总之,密封圈的尺寸标准是保证产品质量和性能的重要因素,它对于产品的设计、选型和应用都有着重要的影响。
希望本文的介绍能够对相关行业的从业人员有所帮助,促进密封圈尺寸标准的合理应用和推广。
密封圈参数那密封圈的参数可得好好唠唠。
一、尺寸参数。
1. 内径。
这个内径就像是密封圈的“小心脏”的大小。
比如说,内径是5毫米,那就是说这个密封圈里面空心的部分直径有5毫米这么宽。
就像一个小圈圈,中间能穿过的最大直径就是这个数。
如果要把它套在一个轴上,这个轴的直径得比5毫米稍微大一点点,这样才能套得紧又不会太费劲。
2. 外径。
外径呢,就是密封圈整个外面一圈的直径。
假如外径是10毫米,那就是从密封圈最外面量一圈的长度对应的直径是10毫米。
这个外径得和它要安装的槽或者周围的部件配合好。
要是外径太大,就塞不进去;要是太小,又可能会在里面晃悠,起不到密封的作用了。
3. 厚度。
厚度就像是密封圈的“小身板”的宽度。
比如说厚度是3毫米,这就是说从密封圈的上面到下面的距离是3毫米。
厚一点的密封圈可能更抗压,就像胖一点的人可能更能抗揍(哈哈,开个玩笑)。
在一些压力大的地方,可能就需要厚一点的密封圈,这样才能承受住压力,不让里面的东西漏出来或者外面的东西进去。
二、材质参数。
1. 橡胶种类。
如果是丁腈橡胶(NBR)做的密封圈,这种密封圈就像一个很耐油的小战士。
它不怕油,所以在那些有油的环境里,比如汽车发动机周围,用丁腈橡胶密封圈就很合适。
它就像油里的小忍者,油怎么折腾它,它都能坚守密封的岗位。
氟橡胶(FKM)密封圈呢,那可是个耐高温、耐化学腐蚀的高手。
就像一个超级英雄,不管是高温的熔炉旁边,还是有各种腐蚀性化学物质的环境里,它都能稳如泰山,把密封工作做得妥妥的。
不过它价格可能会比丁腈橡胶的高一点,毕竟是超级英雄嘛,成本高一些。
硅橡胶密封圈就比较柔软,而且很耐寒。
在寒冷的地方,像北方冬天的一些户外设备里,硅橡胶密封圈就很厉害。
它就像一个不怕冷的小企鹅,低温下也不会变硬变脆,还是能很好地密封。
2. 硬度。
硬度用邵氏硬度来衡量。
比如说邵氏硬度是60度的密封圈,就比较适中。
如果硬度太高,像80度或者90度的,它可能就比较硬邦邦的,虽然抗压能力可能强一些,但是和接触面的贴合可能就没那么好,就像一个很固执的人,不太会根据周围环境变化而改变自己的形状。
O型密封圈装配参数(一)拉伸量
各种O形圈橡胶材料的硬度与工作压力的关系
注:旋转运动工作压力一般不超过0.4 Mpa,硬度选择在(70±5)度;超出0.4 Mpa则按特殊密封装置设计。
日本JISB 2406-1991 推荐的O形圈密封的最大间隙/mm
美国SAEJ120A-1968 推荐的O形圈的最大封间隙值/mm
O形圈的截面直径和轴的转速关系
NBR胶料硬度与耐压能力之间的关系
O型密封圈装配参数(二)压缩率
O型圈密封圈简称O型圈,是一种截面形状为圆形的橡胶圈。
O型密封圈是液压、气动系统中使用最广泛的一种密封件。
O型圈有良好的密封性能,既可用于静密封,也可用于动密封中;不仅可单独使用,而且是许多组合式密封装置中的基本组成部分。
它的使用范围很宽,如果材料选择得当,可以满足各种介质和各种运动条件的要求。
O型密封圈是一种挤压型密封,挤压型密封的基本工作原理是依靠密封件发生弹性变形,在密封接触面上造成接触压力,接触压力大于被密封介质的内压,则不发生泄漏,反之则发生泄漏。
O型密封圈是典型的挤压型密封。
O型圈截面直径的压缩率和拉伸量是密封设计的主要内容,对密封性能和使用寿命有重要意义。
O型密封圈有良好的密封效果很大程度上取决于O型圈尺寸与沟槽尺寸的正确匹配,形成合理的密封圈压缩量与拉伸量。
2.1.压缩率
压缩率W通常用下式表示:
W=(d0-h)/d0 ×100%
式中d0-----O型圈在自由状态下的截面直径(mm);
h------O型圈槽底与被密封表面的距离(沟槽深度),即O型圈压缩后的截面高度(mm)
在选取O形圈的压缩率时,应从如下3方面考虑:
1.要有足够的密封接触面积;
2.摩擦力尽量小;
3.尽量避免永久变形。
从以上这些因素不难发现,他们相互之间存在矛盾。
压缩率大就可获得大的接触压力,但是过大的压缩率无疑就会增大滑动摩擦力和永久形。
而压缩率过小则可能由于密封沟槽的同轴度误差和O形圈误差不符合要求,消失部分压缩量而引起泄漏。
因此,在选择O形圈的压缩率时,要权衡各方面的因素。
一般静密封压缩率大于动密封,但其极值应小于25%,否则压缩应力明显松弛,将产生过大的永久变形,在高温工况中尤为严重。
O型密封圈压缩率W的选择应考虑使用条件,静密封或动密封;静密封又可分为径向密封与轴向密封;径向密封(或称圆柱静密封)的泄漏间隙是径向间隙,轴向密封(或称平面静密封)的泄漏间隙是轴向间隙。
轴向密封根据压力介质作用于O形圈的内径还是外径又分受内压和受外压两种情况,内压增加的拉伸,外压降低O形圈的初始拉伸。
上述不同形式的静密封,密封介质对O形圈的作用方向是不同的,所以预压力设计也不同。
对于动密封则要区分是往复运动密封还是旋转运动密封。
1.静密封:圆柱静密封装置和往复运动式密封装置一样,一般取W=10%~15%;平面静密封装置取W=15%~30%。