热网管道土建施工方案
- 格式:doc
- 大小:107.00 KB
- 文档页数:22
热力管网工程施工方案一、项目概况热力管网工程是指用于输送热能的管道系统,包括供热管网和供热站建设,以及与之相关的设备和系统。
热力管网的施工涉及到土建、管道安装、设备安装、电气和自控等多个方面,属于综合性的工程项目。
本项目位于某城市新区,总面积约100平方公里,计划建设热力管网总长度100公里,供热站5座,供热面积达到500万平方米。
热力管网工程具有较强的复杂性和技术性,需要结合地质、环保、交通等多方面因素进行综合考虑,确保施工质量和工期进度。
二、施工方案1. 土建工程热力管网的土建工程主要包括供热站房建设、管道沟槽开挖和支架基础的施工等。
供热站房的建设采用钢筋混凝土结构,地基处理采用承载力强、抗渗强的地基处理方式,保证供热站房的安全稳定。
管道沟槽开挖时要考虑到管道的敷设深度和支架基础的稳固性,选择合适的挖掘机具备较强的挖掘能力和灵活性。
2. 管道安装热力管网管道安装工程主要包括管道敷设、焊接和保温等工序。
管道敷设时要根据设计要求进行合理的管道布置和连接方式选择,充分考虑地形、建筑物、交通等因素,确保管道的稳固性和安全性。
焊接工艺要求高,要求操作者具备一定的焊接经验和技术技能。
保温工程要选用优质的保温材料,确保管道的导热性和长期稳定的供热效果。
3. 设备安装热力管网工程中的设备主要包括供热泵、换热器、阀门和控制系统等。
设备安装施工要求要严格按照设备供应商的要求和设计要求进行,确保设备的稳定性和安全性。
设备安装需要考虑到设备之间的连接和协调,避免设备之间的冲突和影响,保证整个设备系统的正常运行。
4. 电气和自控热力管网工程中的电气和自控系统主要包括电缆敷设、控制柜安装及调试等工程。
电缆敷设需要根据设计要求进行合理的布置,避免电缆之间的交叉和干扰。
控制柜的安装和调试需要结合设备和管道的实际情况进行,确保自控系统的正常运行和安全性。
三、施工组织和管理1. 施工组织热力管网工程施工组织要合理布置施工现场,确保施工作业区域的清晰和安全,避免施工作业人员之间的冲突和影响。
集中供热管网工程施工方案1. 施工总体要求本工程工期要求较紧,现场管线长,施工环境复杂。
为了满足施工进度要求,尽可能坚持先深后浅流水开挖的原则,组织全线管道土方施工,并现场施工条件及管道安装工程量,严格按工期精心组织施工,以确保工程质量为前提,均衡组织生产。
1.1 质量要求1.1.1 保证管道工程的设计使用寿命。
1.1.2 管道安装应符合设计和《城镇供热管网工程施工及验收规范》CJJ104-2005的优良要求,所有焊缝检验合格。
1.1.3 支架的防腐应符合设计要求。
1.2 混凝土施工要求1.2.1混凝土现浇结构应符合下列标准检查项目 允许偏差(mm) 检查方法轴线位置基础15钢尺独立基础10柱8垂直度层高≤5M 8经纬仪、钢尺>5M 10全高(H) H/1000 且≤30标高层高±10水准仪、钢尺全高±30截面尺寸+8,-5 钢尺表面平整度 8 2M靠尺和塞尺预留洞中心线位置15 钢尺1.2.2混凝土支架基础应符合下列标准项目 允许偏差(mm) 检查 坐标位置 20 钢尺、全站仪 不同平面的标高 0,-20 水准仪、钢尺 平面外形尺寸 ±20 钢尺凸台上平面外形尺寸 0,-20 钢尺 凹穴尺寸 +20,0 钢尺平面水平度 每米 5水平尺、水准仪 全长 10垂直度 每米 5 经纬仪、吊线、钢尺全高 10预埋地脚螺栓 标高(顶部) +20,0钢尺 中心距离 ±2预埋地脚螺栓孔 中心线位置 10钢尺、吊线 深度 +20,0孔垂直度 10预埋活动地脚螺栓锚板标高 +20,0水准仪、钢尺 中心线位置 5带槽锚板平整度 5带螺纹孔锚板平整度 22. 管道安装方案2.1 作业准备和作业环境条件2.1.1施工前应进行安全技术交底,施工人员应熟悉图纸和安装工序;2.1.2管道安装人员配置充足;2.1.3力能、机具配备充足;2.1.4测量器具配备:施工方应用于钢管安装所用的钢卷尺和测量仪器应不低于下列精度,且应经计量检定机构检定。
热网管道工程施工方案一、前期准备工作1.1 工程概述热网管道工程旨在为城市供热系统建设提供支持,确保居民生活温暖舒适。
施工前需充分了解工程整体规划和设计要求。
1.2 施工计划根据设计图纸和相关要求,合理安排施工进度,确保工程按时完工。
1.3 人员配备合理安排施工人员,确保各岗位人员数量充足,保证工程施工质量。
二、施工流程2.1 勘查与开挖施工前需进行现场勘查,确定管道敷设路径。
然后进行开挖工作,保证管道敷设的顺利进行。
2.2 管道铺设根据设计要求进行管道铺设工作,保证管道的稳固和安全。
2.3 焊接与连接对管道进行焊接和连接,确保管道的完整性和密封性。
2.4 绝缘处理对管道进行绝缘处理,提高管道的散热效果,保证热网系统的正常运行。
2.5 立管安装对立管进行安装,确保热水循环畅通无阻。
2.6 排水与试压在完成管道铺设后,进行排水和试压工作,确保管道质量符合要求。
三、施工安全与质量控制3.1 安全措施严格遵守安全操作规程,做好施工安全防护工作,确保施工人员安全。
3.2 质量监控对施工过程中的关键节点进行监控和检测,确保工程质量符合设计要求。
3.3 完工验收工程完成后进行验收工作,确保工程质量合格,达到交付标准。
四、后期维护4.1 管道维护定期对热网管道进行检查和维护工作,确保管道系统运行顺畅。
4.2 废水处理建立完善的废水处理系统,减少对环境的影响,保护环境。
4.3 定期检测定期对热网系统进行检测,及时发现问题并进行处理,确保系统正常运行。
热网管道工程施工方案详细说明了工程的前期准备工作、施工流程、施工安全与质量控制以及后期维护等内容,是一份极具实用性的施工指南。
热网管道土建施工方案一、前言热网管道的建设是城市供热系统中至关重要的一部分,而土建施工是整个工程中不可或缺的环节。
本文将针对热网管道土建施工的流程、要点等方面进行详细阐述,以期为相关从业人员提供参考和指导。
二、施工前准备2.1 勘察设计在进行热网管道土建施工前,需充分了解工程设计图纸,并认真查看勘察资料,确保施工前的准备工作充分。
2.2 材料设备准备准备好所需的土建施工材料,包括水泥、混凝土、钢筋等,同时检查施工所需的设备是否齐全。
三、土建施工步骤3.1 地面准备在进行土建施工前,需要对施工场地进行清理、整平等处理,确保施工环境整洁且平整。
3.2 基础施工按照设计要求,在地面准备完成后,进行基础的打地基、浇筑混凝土等工作,确保基础牢固。
3.3 管道敷设在基础完成后,进行管道的敷设工作,确保管道的走向、坡度等符合设计要求。
3.4 立柱支架安装在管道敷设完成后,安装立柱支架,确保管道的支撑稳固可靠。
3.5 混凝土浇筑最后进行混凝土的浇筑工作,封固管道,保证热网管道的安全稳定。
四、施工质量控制4.1 施工过程监测在施工过程中,需要不断进行质量控制和监测,及时发现问题并进行处理。
4.2 施工验收在土建施工完成后,进行相关的施工验收工作,确保热网管道的土建施工符合相关标准和要求。
五、施工安全管理5.1 安全教育培训在进行土建施工前,需要对施工人员进行安全教育培训,提高他们的安全意识和紧急处理能力。
5.2 安全设施设置在整个施工过程中,需要设置相应的安全设施,保障施工人员的安全。
六、总结热网管道土建施工是热网工程建设中不可或缺的重要环节,只有做好土建施工的每一个细节,才能确保热网管道工程的顺利进行和安全运行。
希望本文能为相关从业人员提供一定的参考和帮助。
1、工程概况1。
1 工程名称:大唐江山至莲华山工业园区供热管网工程。
1。
2 主要结构:采用钢筋混凝土管墩。
1.3 砼标号:垫层C15、基础砼为C30.砂浆等级为M5。
0。
1.4 抗震等级:钢筋混凝土固定架三级,其余四级。
2、工程量汇总2.1 主要工程量汇总3、编制依据3.1 《大唐江山天然气热电联产项目集中供热工程施工组织总设计》3。
2 《地基与基础工程施工质量验收规范》(GB50202-2002)3.3 《施工现场临时用电安全技术规范》JGJ46—88日3.4 《建筑施工手册》(上,中,下三册)3。
5 《电力建设安全施工管理规定》、《电力建设安全规程》;3.6 GB50204—2002 《混凝土结构工程施工质量验收规范》3。
7 GB50011—2010 《建筑抗震设计规范》;3.8 《电力建设施工质量验收及评定规程》(第1部分土建工程);执行的标准规范不仅限于上述。
如有新版本,以最新的版本为准。
4、参加作业人员的资格、要求和数量4。
1 参加作业人员需经过三级安全教育,并经考试合格。
4。
2 施工班组长、施工技术员应具有较强的识图能力和施工组织能力并且具有丰富的现场施工经验。
4.3 参加施工人员要求体质良好,并具有较高的安全施工意识.4.4 参加施工人员要求有良好的职业道德,做到安全文明施工。
4。
5 劳动力组织4.5.1 参加作业人员的数量(见表4—1)表4—15、施工中工器具、仪表的规格要求5。
1 施工中所用到的工器具、仪表在使用前应全面清点,并经检验合格,试用良好方可使用.5.2 施工工器具一览表(见表5—1)表5-16、施工准备及条件6。
1 施工作业人员应配备齐全.6。
2 施工用机、工器具应提前准备好。
6.3 施工用材料应齐备,确保到时使用。
6.4 开工前应办好开工手续,并提前组织施工安全技术交底。
7、作业程序、方法和要求7。
1 基础墩施工作业程序7.1。
1 作业流程定位放线→绿化移植→基础开挖→垫层浇筑→基坑模板安装→钢筋安装→混凝土浇筑→混凝土养护→基础验收→回填7.1。
供热管网施工方案三篇第1条供热管网建设方案1。
本工程为XX小区供热管网改造工程,全长11000米。
2、改造技术要求(1)管道埋深不同。
二期埋深约2m,一期、三期埋深1 .8m。
二期(21-25号楼)土方计算深度为2米。
第一阶段和第三阶段的土方计算深度为1.8米。
在XXXX年管道间距内,安装在回油管中的调节阀将保持不变。
(6)市场上有循环泵和变频控制,市场上的管道基本无腐蚀,因此只更换部分支管,室内管道不变。
(7)加强主线和支线的焊接。
(8)17口井和18口井没有阀门,因此本工程每口井直接安装一个DN100闸阀和一个流量调节阀。
(9)原33口无阀井,本次施工增加一口1.5m*1.5m*1.8m的阀井。
路面被a .10支线破坏后,用水性石粉回填后铺设水泥稳定砂,碎石垫层以XXXX为主,质量为先”的方针,正确处理安全、质量、效益的关系。
组织项目部质量目标的制定和实施,不断完善项目部质量体系,确保项目部质量体系的有效运行。
主持项目部经理办公会议,讨论决定施工管理中的重大问题。
2项目技术负责人在项目经理的领导下,对项目部的施工技术和科技进步负责。
组织项目部人员编制施工组织设计中的技术部分和施工方案;并实施城市核计划。
协助项目经理协调项目施工之间的关系,解决施工中人、财富、对象的调度和技术方面的重大问题,确保施工活动按计划正常进行。
负责项目部的技术创新和施工中新技术的推广,指导施工现场。
组织推进全面质量管理,加强质量监督和项目控制,不断提高工程质量,确保项目部质量体系的正常运行。
组织相关部门编制并实施技术管理、科技进步计划。
主持新技术、新材料、新工艺、新设备的开发应用,引进和吸收先进技术成果。
负责解决施工现场各专业的施工技术问题。
负责编制项目技术管理体系和质量管理体系,并组织实施。
做好技术管理基础工作科技信息、合理化建议、文件、计量、标准化、土建监理等。
工程开工前,负责组织施工图纸的会审,编制、审批、上报施工技术文件并具体实施;工程结束后,负责组织编制和上报施工技术总结,并做好工程竣工资料的编制、审查、编制和移交工作。
热网管道施工方案为了保障城市供热系统的正常运行和供热质量,热网管道的施工至关重要。
本文将详细阐述热网管道的施工方案,确保施工过程顺利进行,达到预期效果。
一、前期准备工作1.方案设计:根据实际情况,绘制出热网管道的施工图纸。
确保图纸准确详细,包括管道布置、连接方式、材料规格等信息。
2.材料准备:根据图纸要求,采购优质的管道材料,包括钢管、支撑材料、阀门等。
同时确保材料的数量和品质符合实际需要。
二、施工流程1.土建工程:在施工现场进行地基处理和基础建设。
确保地基坚实稳固,能够承受管道的重量和压力。
2.管道安装:按照图纸要求,严格按照管道敷设的正确顺序进行。
应保证管道的坡度、弯头、支架等安装技术要求。
同时,采取有效的防腐措施,延长管道的使用寿命。
3.焊接连接:根据管道材料的特性,选择适合的焊接方式。
确保焊接点密实,无漏气、漏水等现象。
同时,对焊接点进行质量检测,保证焊接质量。
4.试压工作:在管道安装完毕后,进行试压工作。
根据相关标准,施加适当的压力,检测管道的密封性。
确保管道无泄漏、渗漏等问题。
5.保温处理:针对热网管道,进行保温处理。
采用合适的保温材料,确保热能损失最小化,提高供热效率。
6.系统调试:管道安装完毕后,进行系统调试。
调整管道压力、流量等参数,确保供热系统正常运行,并满足设计要求。
三、安全防护措施1.施工现场周边安全:确保施工现场周边无危险物品堆放,通行道路畅通无阻,保证工人和周边居民的安全。
2.防止地下设施受损:在施工前进行地下设施勘测,防止破坏埋藏的电缆线路、给排水管道等。
并采取相应的保护措施。
3.安全用电:确保施工期间用电安全可靠。
规范电缆敷设,杜绝电缆交叉、短路等问题。
四、施工质量控制1.标准操作:施工过程中,严格按照相关规范和操作要求进行。
确保施工符合行业标准,质量可控。
2.质量检测:对施工过程中的各个环节进行质量检测。
包括焊缝检测、试压检测、保温效果检测等。
及时发现并纠正问题,确保管道质量达标。
第1篇一、工程概况本供热工程管道施工方案适用于新建或改造的供热管道工程。
施工内容包括管道的测量、管沟开挖、管道安装、焊接、防腐、保温、试压、回填等工序。
二、施工准备1. 技术准备:组织有关技术人员熟悉施工图纸,进行图纸会审,了解工程特点、重点、难点,认真听取设计人员的技术交底。
编制施工组织设计,按要求履行审批手续。
2. 材料准备:根据施工图纸和工程量清单,准备所需的各种管材、管件、阀门、保温材料、防腐材料等。
3. 人员准备:组织施工队伍,进行技术培训和安全教育,确保施工人员具备相应的技能和素质。
4. 设备准备:准备挖掘机、装载机、推土机、吊车、焊机、防腐设备、保温设备等施工设备。
三、施工工艺1. 管道测量:按照施工图纸进行管线定位放线,设置转角桩、水平桩等标志,确保管道位置准确。
2. 管沟开挖:根据施工图纸和现场实际情况,确定管沟开挖深度和宽度。
采用机械开挖,确保管沟断面尺寸准确,沟底平直。
3. 管道安装:按照施工图纸和规范要求,将管道安装到位。
注意管道的垂直度和水平度,确保管道连接牢固。
4. 焊接:在实施焊接前,编写焊接工艺方案,包括管材、板材、焊接材料、焊接方法、坡口形式、焊接结构形式、焊接接头组对要求、焊接电流选择、焊接质量保证措施、检验方法及合格标准等。
5. 防腐:对管道进行防腐处理,采用相应的防腐材料,确保管道使用寿命。
6. 保温:对管道进行保温处理,采用保温材料,减少热量损失。
7. 试压:按照规范要求进行管道试压,确保管道强度和密封性。
8. 回填:在管道安装、焊接、防腐、保温、试压合格后,进行回填土方,确保管道安全。
四、施工进度计划根据工程实际情况,制定详细的施工进度计划,包括各工序的起止时间、人员安排、设备使用等。
五、质量保证措施1. 严格执行国家有关施工规范和质量标准。
2. 加强施工过程中的质量控制,确保各工序质量符合要求。
3. 定期进行质量检查,发现问题及时整改。
4. 对关键工序进行重点监控,确保工程质量。
供热管网土建工程施工专业方案一、施工准备(一)一般规定1、工程开工前应根据工程规模、特点和施工环境条件,确定项目组织机构及管理体系。
项目组织机构一般设置项目经理、项目副经理、项目总工、合约工程师、财务部、技术部、质量部、工程部、材料部、试验室、测量室、专职安全员等。
工程项目组织机构设置要根据工程量大小、工程总造价、施工工艺、城市或乡镇、工程地质、水文地质、施工的难易程度等情况并结合施工单位自身实际情况确定。
管理体系包括质量管理体系、职业健康安全管理体系和环境管理体系。
2、工程开工前应编制施工组织设计,并应经有关单位审批后方可组织施工。
施工单位开工前要根据工程规模、地理位置、工程水文地质、工期、质量和安全等要求,结合工程特点、主要设计指标、地方有关安全、质量和环保等政策性文件编制施工组织设计或施工方案,须经建设单位、监理单位审批后方可组织施工。
3、对危险性较大的分部分项工程应编制专项方案,并应经专家论证。
根据中华人民共和国住房和城乡建设部颁发的《危险性较大的分部分项工程安全管理办法》(建质[2009]87号),凡是城镇供热管网施工中涉及开挖深度大于5m(含5m)的基坑(槽)的土方开挖、支护、降水工程、地下暗挖工程、顶管工程、水下工程、起重吊装及安装拆卸工程等,均属于大于一定规模的危险性较大的分部分项工程,施工单位须编制安全技术专项方案,经专家论证通过,并经建设单位和监理单位审批后方可组织施工。
4、工程开工前,应根据国家环境保护法律法规和工程项目情况,制定保护环境、减少污染和其他环境公害的措施。
项目开工前,建设单位应根据《中华人民共和国环境保护法》、《中华人民共和国水污染防治法》、《中华人民共和国大气污染防治法》、《中华人民共和国节约能源法》等,完成建设项目的环评报告和能评报告,经当地行政主管部门批准后建设项目方可开工。
开工前,施工单位根据已批复的环境影响评价报告和节能评估报告,制定本项目的保护环境、减少污染和其他环境公害的管理措施:防治大气污染措施、防治水体污染措施、防治噪声污染措施、防固体废物污染措施等。
集中供热管网工程土建工程施工方案本次**********************************************1.1主要施工程序施工准备→沟槽测量放线→场地清理及地下障碍物勘测→土方开挖及外运→固定墩浇注→井室砌筑→土方回填→地貌及绿化带恢复1.2施工准备工作新建一级供热管网路由较长,施工用电、施工用水、道路及现场临设需要解决,有关绿地破土,树木移栽,道路开挖、建筑物拆迁亦需要业主单位于开工前予以解决。
1)施工用电:需要施工用电,由业主指定接入位置,现场装表计量。
另外现场准备4台50KVA发电机、4台15KVA发电机,以解决临时用电和施工夜间照明。
2)施工用水:正常施工用水量不是很大,主要是管线试压用水,由各施工段附近地下自来水管线供给。
3)施工道路:该工程位于市区,道路条件好,可利用现有道路;其它做好临时道路的平整铺设工作。
4)施工现场:本工程双管同沟槽,土方量大,土方开挖时应随挖随运,只留置回填土的用量,堆在沟槽的一侧,余土运至业主指定地点。
5)施工临时暂设:可以在各施工段的便利处,在不影响正常交通及行人出行的地点停放施工用轻便可移动彩板房,作为工程临时暂设。
6)地下障碍物勘测:依据设计图反映的地下障碍物情况与业主、监理核实会签;没有反应在设计图纸上的现场进行详细勘查,查明地下管线和障碍物的位置和标高,制定保护或位移修复措施1.3施工定位测量1)施工测量依据以设计图纸,技术规范为准,按监理工程师提供坐标控制点。
2)控制网复测测量员以监理单位提供的控制点、线和水准点为基本网点的原始资料和数据进行复测,如复测数据与原始资料数据不符,则应与监理工程师共同协商处理。
3)施工测量的允许偏差:水准测量高程闭合差:±20L(mm)导线测量方位角闭合差:±40N导线测量相对闭合差:1/3000直线丈量测距两次较差: 1/5000注:L为水准测量闭合路线的长度(KM),N为水准或导线测量的侧站数4)沟槽测量放线开挖前设置测量控制点,按照设计图纸给出位置,采用全站仪(经纬仪)、水准仪一起放线,并经项目监理工程师检验确认。
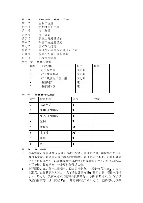
第一章热网管道土建施工方案第一节主要工程量第二节主要材料耗用量第三节施工测量第四节施工方案第五节保证工程质量措施第六节保证工程进度措施第七节技术节约措施第八节基础与支架结构安全保证措施第九节现场文明施工管理措施第十节工程技术管理第二节施工测量1、距离测量:先用经纬仪或以目估进行定线,如地面平坦,可按整个总尺长度逐步丈量,直至最后量出两点间的距离,若地面起伏不平,可将尺寸悬空并且促使其水平,以垂球或测针对准地面点或向地面投点,测出其距离,为了校核并提高精度,一定要进行往返丈量。
2、高程测设:在进行施工测量时,设B为待测点,其设计高程为HB ,A为水准点,已知其高程为HA ,为了将设计高程HB 测定于B,安置水准仪于A、B之间,先在A点立尺读得后视读数为a,然后在B点立尺,为了使B点的标高等于设计高程H B ,升高或降低B点所之尺,使前视尺之读数等于b,b可按下列计算:b=HA +a-Hb所测出的高程用木桩固定下来。
在开挖基槽时,可设置垂直标板,将高程引测到标板上,然后用钢尺向下丈量垂直高度,将设计标高直接画在标板上,这样既方便,又易于检查。
3、基础施工测量3.1基础定位根据平面图,将柱基纵横轴线投测到地面上,并根据基础图放出柱基挖土边线,用灰线把基坑开挖边线实地标出。
在离开挖边线约0.5-1.0M处方向线上打入四个定位木桩,钉上小钉标出中线方向,供修坑立模之用,用此法可放出全部陆地柱基。
3.2基坑抄平,基坑开挖后,当基坑快要挖到设计标高时,应在基坑的四壁或者坑底边沿中央打入小木桩,在木桩上引测同一高程的标点,以便根据标点拉线修整坑底和浇筑垫层。
3.3支立模板时的测量工作,垫层浇筑好以后,根据柱基定位桩在垫层上放出放出基础中心线,并弹墨线标明,作为支模板的依据,支模上口还可由坑边定位桩直接拉线,用吊垂球的方法检查其位置是否正确,然后在模板的内表面用水准仪引测基础面设计标高,并画线标明。
3.4在柱基拆模以后,用经纬仪把柱中心线投到基础顶间,并绘标志标明。
供热管道工程土建工程专业方案(一)一般规定1、施工前应对工程影响范围内的障碍物进行现场核查,并应逐项查清障碍物构造情况及与拟建工程的相对位置。
2、对工程施工影响范围内的各种既有设施应采取保护措施,不得影响地下管线及建(构)筑物的正常使用功能和结构安全。
3、在地下水位高于基底的地段应采取降水措施或地下水控制措施。
降水措施应符合现行行业标准《建筑与市政降水工程技术规范》JGJ/T111的相关规定,并应将施工部位的地下水位降至基底以下0.5m后方可开挖。
4、当穿越既有设施或建(构)筑物时,其施工方案应取得相关产权或管理单位的同意。
5、供热管道施工,在结构断面中的位置均应符合设计纵横断面要求。
6、受施工影响范围内的建(构)筑物,应对建(构)筑物的状态进行第三方监控量测。
7、冬期、雨期施工应采取季节性施工技术措施。
(二)定线测量1、根据建设单位提供的城市平面控制网点和城市水准网点的位置、编号、精度等级及其坐标和高程数据,以确定供热管网的线位和高程。
2、供热管网工程施工定线测量应符合下列要求:(1)应按主干线、支干线、用户线的次序进行;(2)主干线起点、终点,中间各转角点应在地面上定位;(3)支干线、用户线,可按主干线的定位方法;(4)管网中的固定支架、地下检查小井可在管线定位后,用钢尺丈量方法定位。
3、施工图用解析法确定管网位置时,应按给定的坐标数据测定点位。
4、水准测量前必须对水准仪和水准尺进行全面的检验,再作业过程中尚应对仪器的i角经常检查。
5、符合水准路线闭合差不应超过±30L0.5(mm)(L为符合路线长度,以km 计)。
水准测量必须跨越河流、深沟且视线长度超过200米时应采用跨河水准测量方法,跨河水准应观测一双测回或两个单测回,两测回间互差不得超过±40L0.5(mm)(L为跨河视线长度,以km计)。
6、在管网起点、终点、管道固定支架及地下穿越部位的附近应留临时水准点,管网沿线临时水准点的间距不宜大于300米,临时水准点标志应明显,安放应稳固,并妥善加以保护。
热网工程土建安装施工方案一、项目概况热网工程是指建设供热管网与设备,提供热水、蒸汽等热能给用户,是城市供热系统的重要组成部分。
本文将从土建安装方面,介绍热网工程的施工方案。
二、前期准备工作1.施工组织设计:制定施工计划和施工组织设计方案,明确施工队伍的分工和职责。
2.项目资料准备:搬运施工材料时,检查各种设备、配件是否完好,必要时进行修理或更换。
3.现场验收:将相关监测资料、供热设备材料进行验收,确保符合施工要求。
三、施工环境准备1.场地平整:对施工场地进行平整处理,确保施工设备能够稳定地设置。
2.安全防护:建立安全防护措施,设置安全警示标志,确保人员安全。
3.环境保护:严格按照环保要求执行,确保施工过程中不对环境造成不良影响。
四、施工步骤1.基础施工:根据设计图纸施工,包括地基处理、基础浇筑和基础设置。
2.管线铺设:根据施工图纸和工程要求进行管道的铺设,包括水平、垂直和倾斜管道的设置。
3.承重结构施工:按照设计图纸进行承重结构的施工,包括支架、吊架、过桥、穿越、照明、通风等设施的安装。
4.设备安装:根据设备安装图纸进行设备的安装,包括泵站、换热器、阀门、阀门箱等设备。
5.绝热保护:对热网管道进行绝热保护,包括保温材料的包裹和密封处理。
6.管线试验:对管线进行压力试验和密封性试验,确保管线的安全性和可靠性。
7.通水试验:对热网进行通水试验,检查管道系统是否正常运行,解决问题。
8.竣工验收:根据工程竣工验收标准进行验收,确保工程达到规定的质量要求。
五、施工安全措施1.施工现场设立标识牌:标明施工单位、施工内容、施工时间等信息。
2.安全交底:组织施工人员进行安全交底,明确各岗位的安全责任和安全操作规程。
3.施工人员佩戴防护用品:包括头盔、防护眼镜、防尘口罩、防护手套、防静电鞋等。
4.设立安全防护设施:包括安全网、安全带、安全标识、安全警示牌、消防器材等。
5.定期进行安全教育和培训:提高施工人员的安全意识和应急处理能力。
热网管道施工方案热网管道施工方案一、工程概况本次施工为热网管道系统的新建工程,工程总长度为XXX米。
施工过程中需特别注意管道的安装质量和施工进度的控制。
二、施工前准备1.梳理施工方案,明确施工步骤和工期要求。
2.编制施工流程图,明确各工序的顺序、工期和责任人。
3.采购所需的施工材料和设备,确保施工进展顺利。
三、施工步骤1.道路开挖根据设计要求,开挖管道沟槽。
挖掘深度应符合设计要求,并严格遵守相关安全规范。
确保施工现场安全。
2.管道铺设根据设计要求和施工图纸,对管道进行定位,并按照规定的坡度进行铺设。
同时,应保证管道的连接牢固,避免出现泄漏的情况。
3.管道焊接对需要焊接的管道进行加热处理,然后进行焊接操作。
焊接时需严格控制焊接温度和焊接时间,确保焊接接头质量良好。
4.防腐处理对焊接完成的管道进行防腐处理,以延长使用寿命,并对焊接接头进行保护,以避免腐蚀。
5.压力测试对已安装的管道进行压力测试,确保管道的密封性和承压能力符合设计要求。
6.安装设备根据设计要求,对管道系统进行设备的安装和调试。
确保设备的正常运行和安全使用。
7.验收交付经过验收合格后,进行交付使用。
四、施工技术要求1.施工过程中,严格遵守相关的施工规范和建筑要求,并确保施工质量符合设计要求。
2.管道连接处应进行防腐处理,确保连接处的密封性和耐腐蚀性。
3.施工现场要做好安全防护措施,避免事故的发生。
4.施工材料要符合国家标准,确保施工质量和工程的安全运行。
5.施工过程中要保持与其他施工单位的良好沟通,确保施工进程的协调进行。
五、施工计划安排1.道路开挖:预计用时3天。
2.管道铺设:预计用时5天。
3.管道焊接:预计用时2天。
4.防腐处理:预计用时1天。
5.压力测试:预计用时1天。
6.安装设备:预计用时3天。
7.验收交付:预计用时1天。
六、安全措施1.施工现场要设立警示标志,确保现场安全。
2.施工人员应穿戴安全帽、防滑鞋等个人防护用品,防止施工事故的发生。
供热管网施工方案供热管网施工方案一、施工前准备工作1、施工组织设计:根据设计图纸和施工要求,制定施工组织设计,包括施工人员分工、施工流程、施工方法等。
2、现场勘测:对施工现场进行勘测,了解地形地貌、地质条件、管线走向等情况,确保施工顺利进行。
3、材料采购:根据设计要求和工程量计算,采购所需的管材、管件、阀门等施工材料。
4、设备准备:准备好所需要的施工设备,包括挖掘机、起重机、焊接设备等。
二、施工流程1、土方开挖:根据设计要求,先在地面上标记出供热管的走向,然后使用挖掘机进行开挖,确保管道埋深和坡度的要求。
2、管道铺设:按照施工图纸要求,进行管道的布置和铺设,保证管道的连接紧密,没有漏水现象。
3、焊接工艺:对管道进行焊接,确保焊接接头的牢固和密封性。
4、防腐处理:对焊接完成的管道进行防腐处理,防止管道生锈和腐蚀。
5、管道安装:安装阀门和管件,确保供热管网的正常运行。
6、测试和试运行:对供热管网进行测试和试运行,确保各项指标符合要求。
三、施工注意事项1、安全第一:在施工过程中,要加强安全意识,严格遵守安全操作规程,保证施工人员的人身安全。
2、质量控制:施工过程中,要加强质量控制,保证施工质量合格,防止漏水和泄露现象。
3、施工周期:要合理安排施工时间,协调施工进度,确保工程按时完工。
4、环境保护:施工现场要注重环境保护,做好垃圾分类和处理工作,减少对环境的污染。
5、与相关部门协调:在施工过程中,要与相关部门进行及时沟通和协调,确保施工符合相关法律法规和标准要求。
以上是供热管网施工方案的基本内容,通过合理的组织和施工技术,能够保证供热管网的顺利施工和运行。
同时,施工方案应根据具体情况进行调整和优化,以达到最佳施工效果。
供热管网施工方案供热管网施工方案为确保供热管网施工的质量和安全,确保供热系统的正常运行,我们制定了以下施工方案:一、前期准备工作:1. 建立项目组织机构,明确各个岗位的职责和工作流程;2. 严格按照施工图纸要求进行勘测,确定管道线路和设备位置;3. 安排专业工程师对供热管网进行设计,出具施工设计方案;4. 准备必要的工器具、材料和设备。
二、施工工艺:1. 土建工程施工:先进行地面的平整、挖掘和回填,确保管道的埋设平稳牢固;2. 焊接施工:管道采用焊接方式连接,确保焊接质量和连接的牢固性;3. 绝缘施工:采用保温材料或包覆层进行绝缘处理,以减少热量的损失;4. 防腐施工:对供热管道进行防腐处理,以提高其抗腐蚀能力;5. 安装设备:根据设计方案安装供热设备,确保设备的正常运行;6. 系统调试:对供热管网进行全面的系统调试和试运行,确保其正常运行;7. 定期检测:施工完成后,定期对供热管网进行检测和维护,及时排除故障。
三、施工安全:1. 严格执行《安全生产法》和相关安全规定,加强现场的安全意识教育;2. 确保施工现场的安全防护设施完善,如安全网、标示牌等;3. 严禁违章指挥和违规操作,做到作业人员的严格监管;4. 加强施工现场的消防设备和安全管理,保证施工过程的安全性;5. 配备专业的安全监督人员,定期进行安全检查和整改。
四、质量管理:1. 严格执行施工图纸和设计方案,确保施工质量达到要求;2. 加强对施工材料和设备的质量把关,确保其符合相关标准;3. 施工过程中加强巡查和把关,及时发现和解决施工中的问题;4. 做好工程质量记录和报验,确保施工质量的可追溯性。
五、环境保护:1. 严格按照环境保护法规执行,确保施工过程不对环境造成污染;2. 对施工现场进行垃圾分类、处理和清理;3. 采取有效措施降低噪音和粉尘污染,减少对周边居民的影响;4. 做好施工现场的解决和复绿工作,保护周围的生态环境。
以上是我们的供热管网施工方案,希望能够得到贵方的认可和支持。
供热管网施工方案完整版一、目标与任务本供热管网施工方案的目标是按照设计要求,高效、安全地完成供热管网的施工工程,确保供热管网的正常运行。
具体任务如下:1.完成供热管网的基础建设,包括挖掘管道沟槽、施工管道支架及管道铺设等工作。
2.安装和调试管道的阀门、流量计、温度计等设备。
3.进行供热管网的压力测试,确保管道系统的密封性和稳定性。
4.进行供热管网的热负荷测试,确保供热系统的正常运行。
二、施工组织与安全保障1.施工组织(1)成立供热管网施工指挥部,负责组织、指挥和统筹施工工作。
(2)合理安排人员和设备,确保施工进度与质量。
(3)明确施工任务和责任,确保施工工作的有序进行。
2.安全保障(1)施工现场要设立警示标识和安全提示牌,做好安全防护工作。
(2)施工人员要佩戴安全防护装备,并接受相关安全培训。
(3)严格执行安全操作规程,做好施工过程中的安全监督和管理。
三、施工工艺与流程1.地面平整与准备工作(1)清理施工场地,确保地面平整、清洁,方便施工。
(2)搭建施工临时工棚和施工通道,提供工作和通行的便利。
2.挖槽施工(1)根据设计要求,确定供热管道的敷设路线及沟槽位置。
(2)使用挖掘机等设备进行挖槽工作,确保沟槽的宽度、深度和坡度符合要求。
(3)根据地质条件和设计要求,进行管道基础的施工,确保基础的牢固和稳定。
3.管道支架的安装(1)根据管道设计要求和施工图纸,确定管道支架的位置和形式。
(2)安装管道支架,确保支架的牢固和稳定。
4.管道敷设和连接(1)根据设计要求,敷设供热管道,并进行管道的连接。
(2)管道连接采用焊接或螺纹连接,确保连接的牢固和密封性。
5.设备安装与调试(1)根据设计要求,进行阀门、流量计、温度计等设备的安装。
(2)进行设备的调试和检测,确保设备的正常运行和准确度。
6.管道压力测试(1)安装压力测试设备,进行管道的压力测试。
(2)按照设计要求,进行压力测试,并记录测试结果。
7.管道热负荷测试(1)按照设计要求,进行管道的热负荷测试,测试管道的供热能力和热损失。
第一章热网管道土建施工方案一、主要工程量二、主要材料耗用量三、施工测量四、施工方案五、保证工程质量措施六、保证工程进度措施七、技术节约措施八、基础与支架结构安全保证措施九、现场文明施工管理措施十、工程技术管理一、主要工程量二、主材材料耗用量三、施工测量1、距离测量:先用经纬仪或以目估进行定线,如地面平坦,可按整个总尺长度逐步丈量,直至最后量出两点间的距离,若地面起伏不平,可将尺寸悬空并且促使其水平,以垂球或测针对准地面点或向地面投点,测出其距离,为了校核并提高精度,一定要进行往返丈量。
2、高程测设:在进行施工测量时,设B为待测点,其设计高程为HB ,A为水准点,已知其高程为HA ,为了将设计高程HB 测定于B,安置水准仪于A、B之间,先在A点立尺读得后视读数为a,然后在B点立尺,为了使B点的标高等于设计高程H B ,升高或降低B点所之尺,使前视尺之读数等于b,b可按下列计算:b=HA +a-Hb所测出的高程用木桩固定下来。
在开挖基槽时,可设置垂直标板,将高程引测到标板上,然后用钢尺向下丈量垂直高度,将设计标高直接画在标板上,这样既方便,又易于检查。
3、基础施工测量3.1基础定位根据平面图,将柱基纵横轴线投测到地面上,并根据基础图放出柱基挖土边线,用灰线把基坑开挖边线实地标出。
在离开挖边线约0.5-1.0M处方向线上打入四个定位木桩,钉上小钉标出中线方向,供修坑立模之用,用此法可放出全部陆地柱基。
3.2基坑抄平,基坑开挖后,当基坑快要挖到设计标高时,应在基坑的四壁或者坑底边沿中央打入小木桩,在木桩上引测同一高程的标点,以便根据标点拉线修整坑底和浇筑垫层。
3.3支立模板时的测量工作,垫层浇筑好以后,根据柱基定位桩在垫层上放出放出基础中心线,并弹墨线标明,作为支模板的依据,支模上口还可由坑边定位桩直接拉线,用吊垂球的方法检查其位置是否正确,然后在模板的内表面用水准仪引测基础面设计标高,并画线标明。
3.4在柱基拆模以后,用经纬仪把柱中心线投到基础顶间,并绘标志标明。
4、混凝土柱施工测量柱身模板支好后,必须用经纬仪检查柱子垂直度,由于施工现场通视困难,一般采用平行线投点法来检查柱了的垂直度,若由于通视困难,不能应再用平行线法投点校正时,则可按校正一列首未两根柱子,中间的其它柱子可根据柱列间的设计距离丈量其长度加以校正。
柱子模板校正以后,应选择不同的二、三根柱子,从柱子下面已测好的标高点,用钢尺沿柱身量距,引测二、三个同一高程的点于柱子上端模板上,然后在支架平台模板上设置水准仪,以引上的任一标高点作后视,施测柱顶模板标高,再闭合于另一标高点以资校核,支架平台模板支好后,必须用水准仪检查支架平台模板的标高和水平情况。
四、施工方案A、施工图要求本工程基础埋于老土层内不小于300mm,地基承载力标准值fk=120kpa.1、基槽开挖前需查明邻近建筑物,建筑物基础及地下管线的详细资料,并采取有效的降水、止水及边坡支护措施,以确保邻近建筑及施工安全。
2、基槽开挖时应严禁暴晒,水浸及扰动,并预留200mm厚坊待浇砼垫层时挖除,施工时如发现异常情况,将及时通知有关部门现场研究解决。
3、基槽开挖至设计标高时及时通知设计单位分段验槽,经验槽合格后,方可继续施工下道工序。
4、基础施工完毕后,应及时回填基础土方,并应在基础四周分层回填,并分层夯实土方。
5、本工程垫层砼强度等级为C10砼,其余砼为C20砼。
6、钢筋保护层厚度:梁柱为25mm,基础底板为35mm。
B、基础土方工程施工1、定位抄平放线→设控制点→撒开挖石灰线→人工开挖土方(抽排地下及河塘水)→基坑验槽→测量标高(复核)→浇筑砼垫层。
2、基础挖土方,本工程由于基础埋深较浅,故采用人工开挖,逐一验槽,合格后方可进行下道工序,挖掘基坑时,要事先了解土质和地下物、地下水的情况,根据挖掘深度和土质情况进行放坡或支护。
挖土时要坚持从上而下的顺序施工,禁止采用挖空底脚的错误方法,坑边1米内不准堆放材料、设备或堆土,在堆边1米外堆土时高度不得超过1.5M,坑边的支护要经常检查加固,如发现坑有裂缝,土质疏松,要立即加以补救做。
土方开挖后若出现基坑积水,应及时抽排,严禁让水浸泡地基,而影响地耐力。
3、把好基础质量关由于工期紧,本工程基坑一经开挖完毕,立即进行逐个验槽,合格后方可进入下步工序的施工,基础工程施工后经验收合格,方可进行回填土。
C、基础工程施工1、本工程模板均采用木模板,钢管支撑。
管网支架模板铺设前,首先挂中垂线,梁底板侧板要铺成一条水平线,并严格按轴线铺设,且标高必须正确,立模的施工顺序,待钢筋绑扎验收后进行浇筑砼。
同一批一次浇捣完毕。
拆模时间及拆模顺序应遵循梁侧模在砼强度能保证其表面及棱角不受损坏的原则下便可拆除,砼梁底模板待砼强度达到70%方可拆除模板。
2、为保证工程质量,必须对采购进场的所有规格的钢材进行复试,且钢筋应有出厂质保书和试验报告。
每捆钢筋应有标牌标记,支架柱坚向钢筋与独立柱基钢筋焊牢,以防倾斜。
钢筋的绑扎采用梅花铁丝全部扎牢,并采取临时性的拉结措施,钢筋的绑扎位置误差控制值为:钢筋间距±20mm,钢筋的弯起点位置20mm,柱梁钢筋保护层2.5 ~4.0mm,受力钢筋的排距±5 mm。
3、按照试验室的级配报告,现场拌制砼材料必须进行过磅秤量误差控制为±2%以内,砼搅拌时间必须大于90秒。
浇筑砼之前,必须先向甲方现场代表验交下列书面资料认可,否则不得开机。
1、试验室砼级配通知单,2、原材料质保书及复试合格的报告单,3、隐蔽工程验收签证单,支架、梁柱的砼可一次性浇捣完毕,为防止离析与减少模板侧向压力,因此,底部杂物必须清理干净,然后填5-10cm厚同强度标号的水泥砂浆,砼浇筑后,用木蟹打磨压实砼表面,刚浇筑不久的砼,尚处于凝固硬化阶段,水化速度较快,因此,应在12小时内进行养护,浇水次数以能够保持有足够的湿润为标准,防止表面脱水而产生收缩裂缝。
使水泥的水化作用顺利进行,提高砼的极限拉伸强度,养护时间均不少于七昼夜。
试块制作按每台班留置一组的原则,留置试块要建设单位工程技监人员共同参与下,作好记录,以备查考。
试块必须严格按规范规定的条件养护,同批试块强度平均值不得低于 1.15R,同批试块强度最小值不得低于0.95R.五、支架结构工程1、模板工程本工程模板优先选用定型组合钢模板,部分结构以木模配合,支撑选用外径Φ48脚手架钢管及扣件予以固定,部分结构用木材和园钉固定,模板的支撑必须保证结构的刚、强度,确保结构尺寸及位置的正确,组合钢模板必须平整,边角方正,拼缝严密,不得漏浆,特别要注意钢木模结合部位整齐、严密。
砼浇注前模板必须涂刷隔离剂,以利于拆模,浇注砼时要注意观察模板变化,发现位置移动、膨胀、下沉、漏浆、支撑松动等现象,应及时采取有效措施。
1.1模板安装误差的控制模板除按图施工外,还必须控制模板的安装误差,具体控制误差按《混凝土结构工程施工及验收规范》-GB50204-92规定。
1.2拆模时间及拆模顺序拆模施工除按规范规定外,有关砼强度增长情况可参阅规范附录二中温度、龄期对砼强度影响参考曲线,拆模时不要用力过猛,拆下来的材料要及时运走、整理,拆模顺序一般应是后支的先拆,先支的后拆,组合钢模板拆除后必须传递下来,不得抛掷,拆下后,即清理干净,板面刷油,以利再用。
2、钢筋工程2.1钢筋工程的质量检测为确保工程质量,必须对所有采购进场的规格钢材在甲方现场代表的监督下进行复试。
2.2钢筋的制作、加工2.2.1根据配筋施工图进行配料计算,编制钢筋配料单,作为工程备料加工的依据。
2.2.2钢筋的加工:在高温条件下,钢筋的力学性能要发生变化,屈服点和抗拉强度增加,伸长率和抗冲击韧性降低,为防止以上现象发生,钢筋的加工尽量安排在室内进行。
钢筋韧断和弯曲采用施工机械配置一览表中所列机械型号进行。
2.2.3钢筋的焊接钢筋冬季在负温条件下进行焊接,亦应安排在室内进行,如必须在室外进行,其环境温度不宜低于-20℃,同时应有防雪挡风措施,焊后的焊筋接头,严禁立刻碰到冰雪。
本工程基础钢筋焊接采用负温闪光对焊,施工时宜选用预热闪光焊或闪光→预热→闪光焊工艺,同时与常温焊接相比,应采取以下措施:(1)调伸长度增加10-20%,以利增大加热范围,降低冷却速度,改善接头性能。
(2)变压器级数应降低1-2级,以能保证闪光顺利为准。
(3)在闪光过程开始以前,可将钢筋接触几次,使钢筋温度上升,以利于闪光过程顺利进行。
(4)预热时的接触压力适当提高,预热间隙时间适当增长。
(5)钢筋负温闪光对焊宜选用以下参数,在施焊时可根据焊件的钢种、直径,施焊温度和施焊技术水平灵活选用。
2.4钢筋的绑扎和安装(1)加工成型后的钢筋按20#铁丝绑所固定。
(2)绑扎时应注意钢筋位置的正确,钢筋直径、级别、数量必须符合设计图纸。
(3)钢筋搭接长度及绑扎点应符合《砼结构工程施工及验收规范》(GB50214-92)的有关规定。
(4)钢筋工程属隐蔽工程,在浇筑砼前,在对钢筋及预埋件进行验收的同时认真填好隐蔽记录。
2.5钢筋绑扎位置误差的控制值:(1)钢筋间距±20mm;(2)基础受力钢筋保护层±10mm;(3)柱、受力、钢筋保护层±5mm;(4)受力钢筋的排距±5mm。
3、砼工程依据施工图,基础垫层砼号为C15,本工程砼采用现场搅拌机械搅拌,用翻斗车运至浇筑地点。
鉴于砼浇筑时遇冬季施工,为此我们必须清醒地认识到冻结对砼造成的危害。
试验证明:砼遭冻时间愈早,水灰比愈大,则强度损失愈多,反之则损失愈少,为此本工程砼施工时优先选用矿渣酸盐水泥,水泥标号为425#,每立米砼中的水泥用量大于300公斤,水灰比不得大于0.6,为了减少冻害,施工时必须严格控制塌落度,并且掺加外加剂,使砼产生抗冻,早强效用,同时降低砼的冰点,使之在负温下加速硬化,以达到要求的强度,对外加剂的掺量必须准确并设专人负责。
3.1搅拌机制作砼的施工措施:按照试验室的级配报告书,现场材料必须进行过磅(衡器必须检验准确),秤量误差控制在±2%之内,混凝土搅拌时间必须大于90秒。
浇砼之前,必须事先向甲方现场代表验交下列书面资料得到认可,否则不得开机;⑴按砼设计要求进行配比试验,⑵按试验室的砼级配进行拌制,⑶硅酸盐水泥或普通水泥的生产厂家、生产合格证及有关资料,⑷钢筋隐蔽工程验收单。
3.2技术措施(1)浇筑层厚度:用插入式振捣棒,浇筑厚度为振动器作用部分长度的1.25倍,用人工振捣,基础为250mm厚,柱为200mm厚,(2)浇筑间歇时间浇筑混凝土层连续进行,如必须间歇,其间歇时间应尽可能缩短,并应在前后层砼凝结之前,将次层砼浇筑完毕。
(3)浇筑时应注意的要点:a、浇筑砼时,应注意防止砼的分层离析,b、浇筑砼时,应经常观察模板、支架、钢筋、预埋件的情况,当发现有变形、移位时,应立即停止浇筑,并应在已浇筑的砼凝结前修整完好,;c、施工缝处理。