垫铁图
- 格式:doc
- 大小:43.37 KB
- 文档页数:2
一、调整垫铁型号和规格:型号每个最大承载(kg) A(mm) B(mm) D(mm) d(mm)调整垫铁升降调节范围SV78-100 300 75 43 φ100 M16 8SV78-125 600 85 50 φ125 M18 10SV78-165 1000 110 65 φ165 M20 12SV78-210 1500 138 77 φ210 M24 15二、调整垫铁选用方法:按设备原有支承数,参照上表中每个垫铁最大承载量选用所需型号。
例如C620车床,机床重量2280公斤,机床支承六点,则2280/6=363kg,若选用SV78-100型已超载,故应选用SV78-125型为适合。
三、作用方法:安装机床的地甚平面可以量混凝土,也可以是木质的,要求平整结实。
安装时,旋出调节螺杆,将机床置于垫铁的负荷盘上,然后从上面旋入螺杆。
调整机床导轨水平,顺时针旋动时机床上升,反时针时机床下降,调好后压紧螺母。
在机床的安装区域内,如果地基平面的高度差超过本产品的调节范围时,可以在机床与负荷盘间增加垫片。
◆ 机床到位既可安装,立刻生产。
◆ 缩短安装周期,节省安装费用。
◆ 可使粗;精加工设备组成合理的生产单元,缩短工件周转路线,减少在制品工序周转过程的碰损率,降低生产费用。
◆ 可随时根据工艺;生产需求,调整机床位置,减少二次安装费用。
调整垫铁(二层) 规格/单载量(kg)135×50×40/300160×80×55/500200×90×55/900220×110×60/1200240×120×70/1500260×130×70/1800280×130×75/2000300×140×80/2400调整垫铁(三层)规格/单载量(kg)150×80×60/500200×100×80/1000240×120×80/1500 300×150×100/2000垫铁(斜铁)的设置关键词:垫铁,斜铁,斜垫铁,平垫铁设备安装到位前将垫铁正确安置在混凝土基础表面上的过程与方法。
垫铁选型及布置1.1.1. 垫铁组放在基础上时,其面积可按式(3.2.3)计算:R(CA 42110)Q Q⨯+≥ (3.2.3)式中 A ——垫铁面积(mm 2); C ——安全系数,可采用1.5~3;Q 1——由于设备等重量加在该垫铁组上的负荷(N );Q 2——由于地脚螺栓拧紧(可采用地脚螺栓的许可抗拉强度)后,所分布在该垫铁组上的压力(N );R ——基础混凝土的单位面积抗压强度(可采用混凝土设计强度)(MPa )。
(1) 垫铁的形式,材质可按下列原则确定:1) 平垫铁如3.2.3-1所示。
用于承受主要负荷和较强烈连续振动的设备,其规格参照表3.2.3。
平垫铁的材料可采用普通碳素钢或铸铁。
2) 斜垫铁如图3.2.3-1所示。
单块斜垫铁用于不承受主要负荷的(主要负荷基本上由灌浆层承受),承受主要负荷的应使用成对斜垫铁。
斜垫铁的薄边不宜小于10mm,斜度为1/10~1/20,其规格和尺寸,应符合表3.3.2的规定。
斜垫铁的材料可采用普通碳素钢。
表3.2.3 斜垫铁、平垫铁规格(mm )(a ) (b ) (c )图3.2.3-1 斜垫铁和平垫铁(a )斜垫铁A 型;(b )斜垫铁B 型;(c )平垫铁C 型(b)(a)(c)31/10~1/20。
对振动较大或精密设备的垫铁斜度可为1/40。
①采用斜垫铁时,斜垫铁的代号宜与同代号的平垫铁配合使用。
②斜垫铁应成对使用,成对的斜垫铁应使用同一斜度。
4) 开口垫铁:用于安装在金属结构或地坪上且支撑面积较小的设备上,开口宽度应比地脚螺栓直径大1~5mm 。
垫铁宽度应根据设备的底脚尺寸来确定,一般与设备底脚的宽度相等,长度l 应比设备底脚长度略长20~40mm 。
5) 螺栓调整垫铁,一般用于金属切削机床的安装(垫铁的规格由设备制造厂设计)。
(2) 设备用螺栓调整垫铁调平时(见图3.2.3-2),应符合下列要求:1) 螺纹部分和调整块滑动面上应涂以耐水性较好的润滑脂(如钙基润滑脂)。
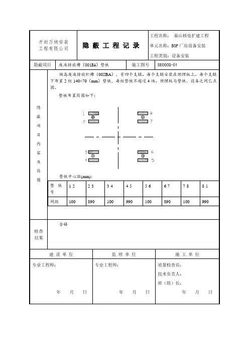
SH/T 3503-J130 垫铁隐蔽记录工程名称:内蒙古盾安光伏科技有限公司10000吨/年渣桨回收项目单元名称:设备/结构名称回流泵位号P501A垫铁布置示意图:1 23 4垫铁每组三块,即一平两斜,垫铁总高度39mm;平垫铁规格200*110*16mm,斜垫铁规格200*110*12mm。
检查项目安装要求检查结果设备找正数据符合规范要求□不符合□符合垫铁规格符合施工方案要求□不符合□符合垫铁布置位置符合规范要求□不符合□符合每组垫铁块数符合规范要求□不符合□符合每组垫铁高度符合设计文件和规范要求□不符合□符合斜垫铁搭接长度符合规范要求□不符合□符合垫铁间点焊固定符合规范要求□不符合□符合结论:经检查,□不符合□符合设计文件和规范要求,□不可以□可以隐蔽。
建设单位监理单位施工单位专业工程师:日期:年月日专业工程师:日期:年月日专业工程师:质量检查员:施工班组长:日期:年月日SH/T 3503-J130 垫铁隐蔽记录工程名称:内蒙古盾安光伏科技有限公司10000吨/年渣桨回收项目单元名称:设备/结构名称回流泵位号P501B垫铁布置示意图:1 23 4垫铁每组三块,即一平两斜,垫铁总高度37mm;平垫铁规格200*110*16mm,斜垫铁规格200*110*12mm。
检查项目安装要求检查结果设备找正数据符合规范要求□不符合□符合垫铁规格符合施工方案要求□不符合□符合垫铁布置位置符合规范要求□不符合□符合每组垫铁块数符合规范要求□不符合□符合每组垫铁高度符合设计文件和规范要求□不符合□符合斜垫铁搭接长度符合规范要求□不符合□符合垫铁间点焊固定符合规范要求□不符合□符合结论:经检查,□不符合□符合设计文件和规范要求,□不可以□可以隐蔽。
建设单位监理单位施工单位专业工程师:日期:年月日专业工程师:日期:年月日专业工程师:质量检查员:施工班组长:日期:年月日SH/T 3503-J130 垫铁隐蔽记录工程名称:内蒙古盾安光伏科技有限公司10000吨/年渣桨回收项目单元名称:设备/结构名称STC泵位号P503A垫铁布置示意图:1 23 4垫铁每组三块,即一平两斜,垫铁总高度37mm;平垫铁规格200*110*16mm,斜垫铁规格200*110*12mm。
设备安装垫铁隐蔽工程检查验收记录
工程名称×××××××建设单位×××××××
工程部位渣浆泵垫铁施工单位×××××××
垫铁布置示意图(标注垫铁规格、位置、块数、高度):
斜垫铁100*50*14一组
平垫铁100*50*16一块
检查项目安装要求检查结果
设备找正数据符合规范要求□不符合□符合
垫铁规格符合施工方案要求□不符合□符合
垫铁布置位置符合规范要求□不符合□符合
每组垫铁块数≥3 □不符合□符合
每组垫铁高度30mm~~70mm □不符合□符合
斜垫铁搭接长度≥120mm □不符合□符合
垫铁间点焊固定以电焊固定□不符合□符合
结论:
经检查,□不符合□符合设计文件和规范要求,□不可以□可以隐蔽。
施工单位监理(建设)单位
专业施工技术负责人:
质检员:
年月日专业监理工程师:
(建设单位项目负责人)
年月日。
垫铁的配制原则为:在地脚螺栓两侧各放置一组,应尽量使垫铁靠近地脚螺栓。
相邻两组垫铁组的间距,可根据机器重量、底座结构形式以及负荷分布等情况确定,一般不大于1000mm ,超过此值应增加垫铁组数,在有承重部位和有竖筋的地方要加垫铁组。
配对斜垫铁搭接长度不小于全长的3/4,与平垫铁组成垫铁组时,一般不超过四块,斜垫铁要有2块,垫铁组高度一般为30-70mm 。
地脚螺栓两侧的垫铁组,每块垫铁伸入底座的长度均应超过地脚螺栓,若泵底座的底面与垫铁接触宽度不够时,垫铁组放置应保证底座落在承压面中部。
垫铁组应使用成对斜垫铁,搭接长度应不小于全长的3/4,平垫铁垫在斜垫铁下面,垫铁放置后应用水准仪进行找正,使各组垫铁标高一致 ,一组垫铁的垫铁数量不能超过4块,而且不宜用薄平垫铁,最厚的放置于垫铁组下面,最薄的放在垫铁组中间。
斜垫铁必须成对相向使用,搭接长度不小于全长的3/4,偏斜角度不超过3° 斜垫铁下应有平垫铁。
垫铁组高度:中小型设备一般为30~60mm ,大型设备一般为50~100mm 。
4、垫铁的摆放根据设备基础的大小以及地脚螺栓的间距大小设置垫铁组的数量和位置,根据位置摆放垫铁组,并用水平管将垫铁组相互间找平。
垫铁放置时应注意以下事项:1)、每组垫铁不应超过四块。
2)、每一组垫铁均应放置整齐平稳,接触良好;垫铁表面的油污等应清除干净。
3)、吊装前应再次核实塔底座环上地脚螺栓孔距离尺寸是否与基础预埋地脚螺栓位置相一致。
5.4.1.2塔体吊装前,每根地脚螺栓两侧设置两组垫铁组。
每组垫铁为一平两斜,垫铁高度根据基础基准线及找平层高度决定。
5.4.1.4按图纸方位吊装塔体,就位后进一步调整垫铁组,使每组垫铁受力均匀,且各组垫铁应露出塔底座环外缘10~20mm 。
4.1.4设备调整完后,平垫铁应露出设备支座底板外缘10~20mm ,斜垫铁至少比平垫铁长出10mm ,垫铁组伸入设备底座面的长度应超过地脚螺栓,如下图所示。
调整垫铁使用方法:将垫铁放置于机床下,每个垫铁均受力后,再调整垫铁。
可调整高度为3-15mm。
调整垫铁适用范围:金属加工机床,锻压机床、纺织机械、印刷机械、食品加工机、橡胶机械、电线生产机械、电缆机械、包装机械、发电机及重型设备等。
用于机床设备的支撑安装、调整水平。
(普通与精密车、铣、镗、磨、齿轮加工等机床)锻压设备、空调设备、鼓风机、各生产线专用设备、通用机铁、压缩机及精密机床的安装底脚。
调整垫铁是一种把设备的重量传递给基础,又可以通过其厚度将设备找平的一种调整用设备。
调整垫铁的选用方法:按设备原有支承数,参照上表中每个垫铁最大承载量选用所需型号。
例如C620车床,机床重量2280公斤,机床支承六点,则2280/6=363kg,若选用SV78-100型已超载,故应选用SV78-125型为适合。
调整垫铁的作用方法:1、安装机床的地基平面可以是混凝土,也可以是木质的,要求平整结实。
2、安装时,将调节螺杆旋出,机床置于垫铁的负荷盘上,然后从上面旋入螺杆。
3、调整机床导轨水平,顺时针旋动时机床上升,反时针时机床下降,调好后压紧螺母。
4、调整垫铁安装机床不需埋设地脚螺栓,机床到位即可安装,缩短安装周期,节省安装费用。
调整垫铁能改善机床动态特性,提高机床加工精度,具有防震、降低噪音的功能。
为设计部门解决了因设备选型困难,造成地面基础无法确定的矛盾。
调整垫铁的通用性广,适用地面和楼上车间安装各类机床与设备。
调整斜铁摘要:调整斜铁按JB/T6607-93标准制造,用于机床设备的支承安装、调整水平。
调整斜铁又名机床垫铁,调整垫铁,机床调整垫铁,数控机床垫铁,数控机床精密垫铁。
中文词条名:机械设备安装工程中斜垫铁和平垫铁的一般规定英文词条名:(一)斜垫铁的材料可采用普通碳素钢;平垫铁的材料可采用普通碳素钢或铸铁。
(二)斜垫铁和平垫铁的制作应符合下列要求:1 . 规格和尺寸,应符合附表的规定(附图)。
2 . 厚度H可根据实际需要和材料的材质和规格确定。
(项目名称)垫铁安装隐蔽工程
检查记录
Q/SY 1476--2012
SY03-A004
单项工程单项工程编号单位工程单位工程编号
工程地点设备位号或
构件名称
①~④/○A~○B轴钢结构
柱垫铁安装
垫铁布置简图:
编号 1 2 3 4 5 6 7 8 9 10 11 12 H·N(㎜)12*4 12*4 12*4 12*4 12*4 12*4 12*4 12*4 12*4 12*4 12*4 12*4 间距(㎜)200 220 200 220 200 220 200 220 200 220 200 220 编号13 14 15 16 17 18 19 20 21 22 23 24 H·N(㎜)12*4 12*4 12*4 12*4 12*4 12*4 12*4 12*4 12*4 12*4 12*4 12*4 间距(㎜)200 220 200 220 200 220 200 220 200 220 200 220 编号25 26 27 28 29 30 31 32
H·N(㎜)12*4 12*4 12*4 12*4 12*4 12*4 12*4 12*4
间距(㎜)200 220 200 220 200 220 200 220
注:H表示垫铁高度、N表示垫铁层数。
检查意见:
1.垫铁设置情况:垫铁组伸入柱脚筋板底部,垫铁规格为100*150*12,两平/两斜垫铁。
2.垫铁层间点焊固定情况:垫铁之间接触良好,垫铁放置整齐平稳,采用定位焊焊劳。
监理单位总承包单位施工单位
监理工程师:
年月日专业工程师:
年月日
质量检查员:
技术负责人:
年月日。
附赠材料商业计划书的制作流程不业计划书制作是一个复杂的系统工程,如何安排撰写计划往往会使创业者十分困惑司的创业者都有自己的撰写思路和技术路线,一般都会遵循一定的写作程序来进行。
下面介绍一种被普遍接受的商业计划书制作流程 1.商业计划构思细化阶段刚刚获取一个新的创意和想法后,创业者需要与志同道合者或相关领域专家对创意进行初步的研判和构思。
首先,需要通过相关问题的讨论判断该创意是不是一个好的创业机会。
创业机会识别所需要关注的七大领域经典问题可以在第一章第三节中获取。
其核心问题包括:该项目提供什么产品与服务,目标人群是谁,市场容量多大,竞争对手是谁,竞争优势有哪些等。
如果对这些问题的分析都能得到一个激动人心的答案,那么这个创意和项目就可以进入到创业构思过程中。
在创业构思过程中,首先,最需要探讨的问题是创业项目的商业模式和发展规划,也就是该公司从0到1,从小到大的一系列发展过程。
其次需要讨论的是如何把公司发展构想阶段化,以及在每一个阶段需要关注哪些核心问题。
具体来说,就是提出创业公司的发展战略,并落实到纸面。
最后,根据产品与服务的特点设计出商业计划书制作的路径,一般都会经历产品分析、行业与市场分析、市场调研和访谈商业计划书制作和完善等过程2.资料获取和市场调研阶段所要进入行业的市场结构、政策支持、技术水平等相关问题,这些资料和数据分析可以使对产品与服务需要进入的行业和市场进行初步研究,查询相关年鉴、报表和文献了解解该产品的发展思路。
创业者由表及里地了解该产品与服务在行业和市场中所处的位置,有利于创业者更好地理收集定性的信息,如购买周期,对购买决策者来说可能导致他们拒绝本产品与服务的可能潜在客户的数量、他们愿意付的价钱、产品与服务对于客户的经济价值等。
此外,还应当己销售渠道的客户。
准备一份客户调查纲要,获取足够多的信息,这些信息包括:现有和同多个产品与服务的现有和潜在客户建立联系。
其中,至少有一个是你计划将选作自障碍,你的产品与服务为什么能够在你的目标用户和客户的应用环境之中起作用。
垫铁规格尺寸及安装要求放垫铁的目的是:通过调整垫铁的厚度,使安装的设备达到设计水平度和标高;增加设备的稳定必玫便于二次灌浆。
垫铁的种类很多,按使用的材料可分为铸铁垫铁(厚度在20毫米以上)和钢垫铁(厚度在0.3~20毫米)。
按垫铁的形状,可分为如图3—9所示的平垫铁、斜垫铁和可调垫铁。
图3-9 垫铁的形式a)平垫铁 b)斜垫铁 c)调节垫铁斜垫铁必须成对使用。
平垫铁或斜垫铁的尺寸可以根据设备的重量,参照图3-9,按表3-3、表3-4中的数据选取。
表3-3平垫铁的尺寸表3-4 斜垫铁的尺寸垫铁一般都放大地脚螺栓的两侧,若垫铁只放在螺栓一侧,则应按地脚螺栓直径选用大1号的尺寸。
为了精确地调整水平度和标高,还采用0.3、0.5、1和2毫米的薄钢板垫铁,最上一块厚度应≥1毫米。
垫铁的面积、组数和放置方法,应根据设备的重量和设备底座面积大小而定。
按规范规定①,垫铁间的距离以500~1000毫米为宜。
一般常见的放置方法有如图3—10所示的标准法、井字法、十字法、单侧垫法、三角垫法和辅助垫法。
①《机械设备安装工程施工及验收规范》第一册通用规定[TJ231(—)-75]第3l条三款中的规定。
图3-10 垫铁的放置方法为了便于调整,垫铁要露出机座外边约25~30毫米,垫铁殖民地脚螺栓相距(1~2)d的距离(图3-11)。
图3-11 垫铁与地脚螺栓的距离若垫铁离地脚螺栓太远,则在拧紧地脚螺栓时,底座受力恰如承受集中载荷的双支承梁,这样,在底的断面内发和过大的附加弯由应力;若垫铁离地脚螺栓太近,则二次灌浆汶便。
垫铁的高度,最好在30~60毫米之间,若高度太低,则设备的稳定性便相对降低。
垫铁的表面必须平整,每组垫铁块数一般不超过3~4块,以保证具有足够的刚度和稳定性。
厚的垫铁的应夹在中间,以免产生翘曲变形。
各组垫铁顶面应处于同一标高。
同一组垫铁尺寸要一样,放置必须整齐。
设备安好后,同一组垫铁应点焊在一起,以免工作时松动。