格栅设计与选型
- 格式:doc
- 大小:244.50 KB
- 文档页数:8
格栅设计与选型环科0801 陈得者 200806660101格栅设计与选型格栅的工艺参数:过栅流速:v=0.6~1.0m/s栅前水深:h=0.4m安装角度:a=45~75°格栅间隙b :一般15~30mm ,最大为40 mm栅条宽度bs :细格栅 3~10mm 中格栅 10~40mm 粗格栅 50~100mm进水渠宽:B 1=0.65m 渐宽部分展开角度a 1=20°栅前渠道超高h 2=0.3m Q(m 3/d)COD Cr (mg/L ) BOD 5(mg/L ) SS (mg/L ) TN (mg/L ) TKN (mg/L ) TP (mg/L ) pH 50,000557 240 228 30 27 3.1 7.2由于流量非常大,为防止垃圾堵塞格栅,达到去除粗大物质、保护处理厂的机械设备的目的,故选用一粗一细两个格栅。
主要设计参数:粗格栅1.栅条的间隙数n取栅前水深h=0.4m 过栅流速v=0.7m/s 间隙宽度b=0.04m 安装角度a=60°Q=50000m3/d= 0.579 m3/s=579L/s总变化系数根据流量Q=579L/s,查下表内插得K z=1.38污水平均日流量(L/s)5 15 40 70 100 200 500 ≥1000总变化系数Kz2.3 2.0 1.8 1.7 1.6 1.5 1.4 1.3Q max=1.38Q=1.38×0.579m3/s=0.799 m3/sn=Q max×sinab×h×v=0.799×sin60°0.04×0.4×0.7=66.4 取n=672.栅槽宽度B取栅条宽b s=0.02mB=b s(n-1)+b×n=0.02×(67-1)+0.04×67=4m 3.进水渠道至栅槽渐宽部分长l1进水渠宽B1=0.65m 渐宽部分展开角度a1=20°l1=B-B12tga1=4-0.652tg20°=4.60m4.栅槽至出水渠道间渐缩部分长l2l2=l12=2.30m5.通过格栅的水头损失h1选用锐边矩形栅条断面由上表可知公式为ζ=β(b s b)4/3 β=2.42 水头增大系数k=3h 1=kh 0=k ζv 22g sina=k β(b s b )4/3v 22gsina =3×2.42×(0.020.04 )4/3×0.722×9.8×sin60°=0.062m6.栅后槽总高度H取栅前渠道超高h 2=0.3mH=h+h1+h2=0.4+0.046+0.3=0.746m7.栅槽总长度LL=l 1+l 2+0.5+1.0+H 1tga =4.60+2.30+0.5+1.0+0.4+0.3tg60°=8.81m 8.每日栅渣量W①当栅条间距为16~25mm 时,栅渣截留量为0.10~0.05m 3/103m 3污水。
回转式机械格栅的选型参数,要考虑哪些?引言机械格栅是用于处理水处理厂、排水厂和工业废水处理等环境中最基本的废水预处理设备之一、机械格栅的类型有很多种,目前在市面上应用较广泛的一种是回转式机械格栅。
回转式机械格栅的结构简单、运行稳定、安装便利、更换维护和修理简便等优点深受用户的喜好。
在选购回转式机械格栅的过程中,需要考虑到不少选型参数。
本文将从设备性能、结构参数和安装材料等方面介绍回转式机械格栅的选型参数。
设备性能参数处理本领回转式机械格栅的处理本领,决议了该设备能够处理的最大水流量。
处理本领的影响因素包括格栅板间距、格栅板宽度和转速等因素。
一般情况下,处理本领越大的回转式机械格栅成本也越高。
在选购的过程中,需要依据实际处理需求,进行合理的处理本领选择。
格栅板间距一般需要依据处理的废水固体浓度来确定,废水中固体颗粒直径较大的应选用较大的格栅板间距。
动力参数回转式机械格栅的驱动设备包括减速机、电机和轴承等核心部件。
驱动设备选用情况将直接影响到设备的使用寿命和安全性。
选用的电机需依据回转式机械格栅的功率来确定,一般工作时功率会比参数标称值略高,这也是为了保证设备在负荷运行时的稳定性。
结构参数网板参数回转式机械格栅的网板参数包括网板宽度和间距等。
网板宽度影响着设备的处理本领,而网板间距会影响着处理的效果。
在同样条件下,网板间距越小,处理效率越高。
但是网板间距过小,会加添污物留存的风险,影响设备的正常运行。
因此,在设计时需要合理权衡间距和处理效率。
格栅板参数回转式机械格栅中的格栅板参数包括宽度、高度和型号等。
不同型号的格栅板适用于不同要求的水处理效果。
需要依据实在废水成分和处理需求来选择。
水位参数回转式机械格栅的水深决议了设备在水中运行的深度。
在选择水位参数时,需考虑处理量和安装条件等多种因素。
安装材料钢材回转式机械格栅的大部分结构部件都是由钢材制成的。
因此,在选购时需要注意钢材的材质和厚度等参数。
不同材质和厚度的钢材对设备使用寿命和安全性有明显影响。
常用格栅机的分类及选型推荐一、格栅机分类:粗格栅,一般设计栅距10~20mm,常用类型为钢绳式粗格栅和高链式粗格栅细格栅,一般设计栅距4~lOmm,常用类型为转鼓式细格栅和回转式细格栅。
粗格栅1、钢绳式粗格栅构造:主要由机架、导轨、背板及栅条、三条钢丝绳、驱动装置及检修平台,齿耙(耙斗),升降装置,开闭装置,刮渣机构,限位、过载、断绳保护装置以及爬梯等部件组件工作原理:闭耙放置---开耙下行---闭耙上行---限位停机2、高链式粗格栅构造:由机架,导轨,背板及栅条,三条链条,驱动装置及检修平台,齿耙(耙斗),升降装置,开闭装置,刮渣机构,限位、过载保护装置以及爬梯等部件组件。
工作原理:同钢绳式格栅机一样,不同的是牵引由钢丝绳变为链条。
考虑到链条断裂的可能性极低,一般取消链条断开的保护设置。
3、优缺点比较1)链条式粗格栅的链条一旦调校准确后,正常负荷下的变形极小。
而钢绳式粗格栅的钢丝绳在运行一段时间后,需要定期对三条钢丝绳进行调校维护,以防止耙斗的歪斜,减少因牵引负荷失衡导致的断绳故障。
2)链条的价格比钢丝绳的价格高很多,但钢丝绳维修成本较高3)迟早都会面临更换牵引机构的工作,更换链条的工作量要比更换钢丝绳的工作量大很多。
4)链条式粗格栅的故障会较少,不频繁,故障维修时间长。
钢绳式粗格栅的故障会较多,较为频繁,较短时间内维修好。
细格栅1、转鼓式细格栅构造:由机架、圆柱形转鼓、反冲洗装置、螺旋压榨和栅渣输送装置1)一体式转鼓细格栅组成:格栅与压榨螺旋一体化的设备,主要由机架、圆柱形转鼓、内置压榨螺旋、反冲洗装置、驱动装置和配套带式输送装置工作原理:转鼓以一定的速度旋转,污水从转鼓中心进入,从两侧流出,拦截的栅渣由转鼓带到上部。
转鼓上部有尼龙刷和高压反冲水喷淋装置,将栅渣与转鼓分离并冲入转鼓内部的螺旋压榨机内,栅渣通过螺旋输送运转压榨脱水,并运至上端排料斗排出,被挤出的水随污水通过细格栅转鼓进入下一个工艺单元。
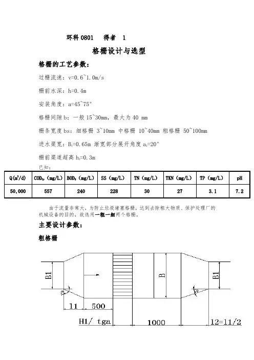
环科0801 得者 1格栅设计与选型格栅的工艺参数:过栅流速:v=0.6~1.0m/s 栅前水深:h=0.4m 安装角度:a=45~75°格栅间隙b :一般15~30mm ,最大为40 mm栅条宽度bs :细格栅 3~10mm 中格栅 10~40mm 粗格栅 50~100mm 进水渠宽:B 1=0.65m 渐宽部分展开角度a 1=20° 栅前渠道超高h 2=0.3mQ(m 3/d) COD Cr (mg/L ) BOD 5(mg/L )SS (mg/L ) TN (mg/L ) TKN (mg/L ) TP (mg/L ) pH 50,00055724022830273.17.2由于流量非常大,为防止垃圾堵塞格栅,达到去除粗大物质、保护处理厂的机械设备的目的,故选用一粗一细两个格栅。
主要设计参数:粗格栅1.栅条的间隙数n取栅前水深h=0.4m 过栅流速v=0.7m/s 间隙宽度b=0.04m 安装角度a=60°Q=50000m3/d= 0.579 m3/s=579L/s总变化系数根据流量Q=579L/s,查下表插得Kz=1.38Qmax=1.38Q=1.38×0.579m3/s=0.799 m3/sn=Qmax×sinab×h×v=0.799×sin60°0.04×0.4×0.7=66.4 取n=672.栅槽宽度B取栅条宽bs=0.02mB=bs(n-1)+b×n=0.02×(67-1)+0.04×67=4m 3.进水渠道至栅槽渐宽部分长l1进水渠宽B1=0.65m 渐宽部分展开角度a1=20°l1=B-B12tga1=4-0.652tg20°=4.60m4.栅槽至出水渠道间渐缩部分长l2l2=l12=2.30m5.通过格栅的水头损失h1选用锐边矩形栅条断面由上表可知公式为ζ=β(bsb)4/3 β=2.42水头增大系数k=3h 1=kh=kζv22gsina=kβ(bsb)4/3v22gsina=3×2.42×(0.020.04)4/3×0.722×9.8×sin60°=0.062m6.栅后槽总高度H取栅前渠道超高h2=0.3mH=h+h1+h2=0.4+0.046+0.3=0.746m 7.栅槽总长度LL=l1+l2+0.5+1.0+H1tga=4.60+2.30+0.5+1.0+0.4+0.3tg60°=8.81m8.每日栅渣量W①当栅条间距为16~25mm时,栅渣截留量为0.10~0.05m3/103m3污水。
精细格栅设计方案精细格栅设计方案一、设计目标精细格栅作为建筑物立面的一部分,需要具备以下设计目标:1. 美观大方:格栅的设计应与建筑整体风格相互呼应,创造出视觉上的和谐和统一感。
2. 通透性强:格栅的设计应考虑到阳光的透射和通风效果,保证建筑的室内环境舒适。
3. 结构稳固:格栅的设计应具备良好的承重性能,保证长期使用过程中不会出现安全问题。
4. 可维护性高:格栅的设计应考虑到定期的维护和清洁,便于清理和更换损坏的部件。
5. 节能环保:格栅的设计应考虑到节能减排的要求,采用可再生材料和节能设计。
二、设计要素1. 基本结构:格栅可以采用铝合金制作,具备轻质、高强度和抗氧化腐蚀等特点。
格栅的结构应包括主框架、跨梁和连接件等部分。
2. 格栅铺排:格栅的铺排应具备一定的间隔,既能保证视线通透,又不会给室内造成明显的辐射和漏光问题。
3. 表面处理:格栅的表面可以采用颜色喷涂或阳极氧化等处理手段,增加其美观性和耐候性。
4. 连接方式:格栅与建筑主体的连接方式可以采用膨胀螺栓或者焊接等方式,保证连接牢固可靠。
5. 安全防护:格栅在设计中需要考虑到人员的安全问题,采用钢化玻璃或者安全护栏等设计,避免人员意外受伤。
三、设计方案1. 格栅排列:格栅的铺排可以采用水平或垂直的方式进行,根据建筑的整体风格选择合适的方向和比例。
2. 上、下部设计:格栅的上部一般设计为直线或弧形,而下部可以考虑加入一些装饰性元素,增强其视觉效果。
3. 高度参数:格栅的高度应根据建筑的实际需要进行确定,在保证通风和美观两方面进行权衡。
4. 材质选择:格栅的材质可以选择铝合金、不锈钢等,具备轻量、耐用等特点,并且可以符合节能环保的要求。
5. 光透性设置:格栅的光透性可以通过设计格栅的间距和形状等方式进行调整,保证室内环境的明亮和通风。
以上是一个精细格栅的设计方案,通过设计目标、设计要素和设计方案的综合考虑,可以实现一个美观、实用和环保的精细格栅设计。
圆形格栅设计方案
圆形格栅是一种常见的道路交通设施,用于分隔道路或行人区域,以保证交通秩序和安全。
在设计圆形格栅时,需要考虑到格栅的材质、形状、尺寸、颜色和安装方式等因素。
首先,选用合适的材质是设计圆形格栅的首要考虑因素。
格栅的材质应该具备耐用、防锈、防腐蚀和防滑等特性。
常用的材质包括不锈钢、铝合金和镀锌钢板等。
这些材料都能满足格栅的使用要求,并具有较长的使用寿命。
其次,格栅的形状和尺寸要与道路或行人区域相匹配。
一般来说,圆形格栅最常见的形状是圆形,因为圆形具有较好的稳定性和防滑性能。
格栅的尺寸应根据具体的使用场所和需求进行设计,一般有不同的尺寸可供选择。
然后,格栅的颜色应与周围环境相协调,以提高视觉效果和美观度。
常见的颜色有黑色、灰色和黄色等。
此外,可以在格栅上增加反光条或反光标识,以提高夜间可见度和安全性。
最后,格栅的安装方式需要考虑到安全和可靠性。
一般来说,格栅可以通过螺栓或焊接方式固定在地面或围栏上。
固定方式应根据具体的使用情况和安全要求选择。
总结起来,设计圆形格栅需要考虑材质、形状、尺寸、颜色和安装方式等因素。
通过合理选择和设计,可以使格栅具备良好的耐久性、稳定性和安全性,以满足不同场所和需求的使用要求。
污水处理厂常用格栅设备简介及选型格栅设备对污水处理厂的正常运行起着非常重要的作用,本文主要介绍各种不同格栅的结构形式、工作原理、主要技术参数等。
预处理系统的栅渣、砂粒一般会有多个产生源,建议设置渣斗,汇集之后统一外运处理。
一、概述污水在进入污水处理厂二级处理构筑物之前一般要先通过格栅进行预处理,目的是尽量去除那些在性质上或大小上不利于后续处理的物质。
当污水二级处理工艺采用传统工艺(主要是指AAO、氧化沟、SBR三大类工艺及其改进工艺)时,格栅系统主要是分离取出较粗大物质;当采用更先进的工艺(主要指MBR膜处理工艺)时,对格栅提出了更高的分离要求,还需要去除毛发等细小纤维物质。
二、格栅分类根据格栅的过滤精度,一般分为三类。
1)粗格栅机械清渣时,过滤精度常采用16~25mm,人工清渣时采用25~40mm。
目前,绝大部分的污水处理厂都采用机械清渣,自动化程度高,操作人员劳动强度低;人工清渣方式只在小型污水处理站(通常以2000m3/d为界)使用。
粗格栅一般设置在进水泵房之前,主要用以去除较大尺寸的漂浮、悬浮物质,保护水泵运行,避免叶轮缠绕、堵塞等事故,同时,部分粗大物质的去除也能够有效降低后续格栅系统的运行负荷。
2)细格栅过滤精度常采用2~15mm,机械清渣,配合粗格栅使用,主要用以去除粗格栅“漏网”的小颗粒悬浮物质,降低后续污水处理构筑物的运行负荷。
3)精细格栅主要应用于先进的MBR膜处理工艺,过滤精度常采用0.5mm、0.75 mm、 1.0mm 三种,主要用以去除毛发等细小纤维物质,避免其进入膜系统后在膜表面“成辫”进而导致膜组件内发生板结,甚至部分膜组件失效。
三、常用的粗格栅设备常用的粗格栅主要包括:回转式格栅除污机、链式格栅除污机、抓斗式格栅除污机、阶梯式格栅除污机等。
3.1 回转式格栅除污机回转式格栅除污机一般由安装在回转链上间隔一定距离的耙齿组成,在驱动装置的驱动下,回转链带动耙齿按一定方向旋转,在迎水面耙齿由下向上运动将水中漂浮物捞出至顶端翻转后卸下。
格栅选型手册由于格栅是安装在建筑物外观上的一个非常重要的元素,因此在进行选型时,需要非常谨慎地进行选择。
很多人可能会认为,选格栅的方法很简单,只需要看看外观就可以了。
但是,在实际的情况下,选格栅的方式和方法远比我们想象的要多得多。
以下是一个格栅选型手册,旨在帮助您更好地了解格栅的选型方法和注意事项。
第1节:格栅的基本类型格栅可以分为多种类型,如金属格栅、木制格栅、铝制格栅、玻璃格栅等等。
每种类型的格栅都有自己的优点和缺点,因此在选择格栅时需要考虑它们的用途以及所需的功能。
金属格栅是一种非常常见的格栅,由于其强度和美观性能优异而被广泛应用于建筑物外观的装饰。
金属格栅可用于铝、钢、镀锌铁和黄铜等材料制成。
木制格栅具有非常良好的美学效果,可用于大部分的屋檐、墙面、栏杆和其他方面。
但是由于木制格栅无法承受太大的重量,因此在确定其类型和负载能力时需要特别谨慎。
铝制格栅是一种非常轻便、耐腐蚀且易于加工的材料,因此非常适合制造大型的高档格栅。
在开发新建筑物和对现有建筑物进行翻新时,铝制格栅通常是首选材料之一。
玻璃格栅除了具有非常好的透明性能之外,还可提供非常高的功能性。
但是,在选择玻璃格栅时需要考虑到其重量和施工难度等问题。
第2节:格栅的结构类型格栅的结构类型也非常多,不同的结构类型将会影响到其在设计中的应用范围和功能属性。
例如,一般的金属格栅由平面结构和立体结构两种形式构成。
平面结构的金属格栅通常在室内使用,是一种非常普通和简单的结构类型。
该结构类型的格栅只需要使用平的板材进行装饰即可,不需要进行更复杂的框架或是支撑结构支持。
立体结构的金属格栅则非常适合用于外观置装,例如门窗等方面。
这种格栅的结构非常复杂,可以使用多种材料、形状和尺寸进行装饰。
第3节:选型注意事项在选择格栅时需要注意以下几点:1. 格栅的重量格栅的重量将会对其在安装时的使用范围和负荷能力产生很大的影响。
因此,在选择格栅前,需要先做好质量测试,确定其质量是否符合标准。
1.1.格栅的选型1.1.1. 钢丝绳牵引式机械格栅适用深度较深的渠,栅隙较大(一般为20~100mm,即粗格栅),渠宽不大于4m的场合。
超过4m可选用移动式抓斗。
过10m时,功率须加大。
1.1.2. 回转耙齿式机械格栅回转耙齿式机械格栅是污水处理中的一种重要的前级拦污设备。
由尼龙或不锈钢制成的耙齿按一定的排列次序装配在链条轴上形成封闭式的环形耙齿链,整个耙齿链在传动链轮的驱动下自下而上作连续循环运动,将截留在耙齿上的固体悬浮物从污水中输送到地面或平台上方,并在耙齿旋转啮合的过程中将物料清除,以达到保护水泵和减轻后续工序的处理负荷的目的。
RAG回转耙齿式机械格栅同时也应用于工业上的固液分离。
(一)适用范围●用于给排水泵站、城市行活污水处理厂、城市自来水厂的前级拦污,用作粗、细格栅均可;●造纸、制糖、酿酒、食品加工、屠宰、皮革、纺织、印染、石化等工业废水调节池前去除悬浮物;(二)材质说明1.机架采用碳钢防腐或不锈钢304。
2.耙齿采用尼龙或不锈钢。
3.其余与水接触的零部件采用不锈钢304。
(三)外形尺寸与安装尺寸回转耙齿式机械格栅有单体机和并联机两种结构形式,一般情况下,格栅宽度在1600mm以下做成单体机,宽度在1600mm以上做成并联机。
(四)选型方法与主要技术参数设计选型时先选定格栅缝隙δ和卸渣高度H3以及沟渠和液面的高差(即H1-h),再根据格栅过流流量来计算格栅的宽度B和标称高度H选定格栅的型号。
也可以根据水位要求与建筑结构来选型,然后核算其过流流量,格栅过流流量应大于最大来水流量。
格栅过流流量计算公式:Q=KBhV其中:Q格栅过流流量,m³/sK是格栅缝隙有关的流量系数B格栅宽度h过流水深,一般低于沟渠高度300mm以上V过流流速,一般按0.5~1.0mm/s计算流量系数K回转耙齿式机械格栅的主要技术参数1.1.3. 转鼓式机械格栅机水中漂浮物经栅筒过滤后,除污耙自动回转梳除栅渣,卸入栅筒中的集渣斗内,由底部的螺旋输送机提升,栅渣边上行边沥水,至顶端压榨段时挤压脱水,脱水后的含固量可达40%左右,入贮渣容器中,外运处理。
粗格栅回转式机械格栅选型及技术参数
粗格栅回转式机械格栅是用于处理生活污水、工业废水等液体固体混合物的一种水处
理设备。
其主要作用是将液体中的固体颗粒物拦截下来,防止它们进入混合液流程进一步
污染环境。
这种格栅主要适用于纸浆生产、屠宰、造纸等行业的废水处理。
选型
选购合适的机械格栅需要考虑以下几点:
1. 格栅宽度
格栅宽度取决于应用场景,需要根据流量大小和流速选择合适的格栅尺寸。
一般来说,流量越大,格栅宽度也越大。
2. 回转速度
回转速度直接影响到格栅处理能力,需要根据应用场景选择合适的转速。
转速越高,
处理能力越大。
3. 物料分选精度
选购格栅时需要考虑分选精度,根据固体颗粒物大小和密度选择合适的格栅。
一般来说,颗粒物的大小越小,所需的分选精度也就越高。
技术参数
1. 处理流量
处理流量是指格栅能够处理的最大流量。
根据实际应用需求选择合适的处理流量。
2. 处理能力
处理能力是指格栅能够处理的固体颗粒物质量比例。
一般来说,处理能力越高,格栅
效果越好。
4. 网板尺寸
网板尺寸是指格栅的网格大小,需要根据颗粒物的大小和需求选择合适大小的网板。
6. 排水量
排水量是指格栅处理过的固体颗粒物的排出量,需要根据实际需求选择合适的排水
量。
总的来说,选型和技术参数需要根据实际需求和应用场景选择合适的机械格栅。
在选择格栅的时候,除了考虑价格和性能之外,还需要考虑维护和保养成本。
同时,还需要选择信誉良好的厂家,以确保设备的可靠性和使用寿命。
格栅设计与选型环科0801 陈得者200806660101格栅设计与选型格栅的工艺参数:过栅流速:v=0.6~1.0m/s栅前水深:h=0.4m安装角度:a=45~75°格栅间隙b:一般15~30mm,最大为40 mm栅条宽度bs:细格栅3~10mm中格栅10~40mm粗格栅50~100mm进水渠宽:B i=0.65m渐宽部分展开角度a i=20°栅前渠道超高h2=0.3m已知:由于流量非常大,为防止垃圾堵塞格栅,达到去除粗大物质、保护处理厂的机械设备的目的,故选用一粗一细两个格栅。
主要设计参数:粗格栅1.栅条的间隙数n取栅前水深h=0.4m 过栅流速v=0.7m/s 间隙宽度b=0.04m 安装角度a=60°Q=50000m 3/d= 0.579 m 3/s=579L/s总变化系数根据流量Q=579L/s,査下表内插得K 尸1.38污水平均日流量(L/s) 515 4070 100 200 500 ^1000总变化系数Kz2.3 2.0 1.8 1.7 1.6 15 1.4 1.3Qmax=l .38Q^ 1.38 X 0.579III V S =0.799 mVsQmaxX^/sina 11bXhXv0.799 X^/sin60° 亠 -0.04X0.4X0.7 “6・4 取 n-67 2•栅槽宽度B取栅条宽b s =0.02mB=bs (n-1) +b X n=0.02 X (67-1 )+0.04 X 67=4m进水渠宽Bi=0.65m 渐宽部分展开角度£=2(TB ・Bi 4O65,=2tga? ^2tg20°4 •栅槽至出水渠道间渐缩部分长125•通过格栅的水头损失hi3•进水渠道至栅槽渐宽部分长h i==4.60m« 2 8拥条间隙的局都阻力系戳直水头增大系数k=3v 2b sh 仁kh o =k Z 2g sina=k B @=3X 2.42X (器4)叫2^8 % sin60°6. 栅后槽总高度H取栅前渠道超高h 2=0.3mH=h+h1+h2=0.4+0.046+0.3=0.746m7. 栅槽总长度LH i 0.4+0.3L=l 1+12+0.5+1.0+— =4.60+2.30+0.5+1.0+丄 “。
粗格栅设备选型简易说明格栅设备按照格栅渠的深度和宽度选型。
常用方法是格栅从渠底按安装角度通到渠顶再延伸到渠顶以上排渣高度的位置作为格栅总长。
渠顶标高高干地坪标高 0.3m,综合格栅渠宽度和格栅安装角度即可对格栅进行选型、注意如果溢流水位高则栅条高度也要调整到相应溢流高度。
当来水管埋深太深造成渠深超过 10~13m 时有三种方案∶第一种方案是按照上述方法咨询供货商是否可以生产该种规格格栅,该种深渠方式维修不便,但是便于操作,格栅造价高;第二种方案是将粗格栅渠和栅渣区放入全地下的地下室内。
格栅渠深度最低满足“最高栅前水深加超高”的高度并考虑溢流水位和降低土建费用适当留余量。
渠顶不用做到与地面平。
而是从地面做楼梯下去通到格栅渠顶操作平台和格栅操作间内。
这样格栅渠深度可以比较浅。
在节约格栅造价和格栅渠土建费用的同时增加了地下格栅室的土建费用。
栅渣吊装运出。
小规模水厂也可设计搓板梯方便手推栅渣车运出,并做好配套的通风除臭设计,设必要的有毒有害气体报警装置;第三种方案为采用半地下式格栅。
电控部分尽量设在溢流水位以上。
在技术可行的前提下。
最终用哪种方案应综合十建费用、通风除臭费用和设备费用进行经济比较。
在粗格栅单体设溢流应评估对环境的影响和可行性。
如设置溢流,应考虑来水的排水体制.是否合流制和明渠来水,溢流标高。
有溢流时应考虑溢流水位时池体荷载和受力方向等情况,并向土建专业提出溢流液位等相应的设计条件。
设备表中最终提供给供货商的格栅宽度应在理论计算的格栅宽度基础上加上格栅两边与池壁结合处需要的挡水条的宽度或安装距离。
格栅渠的宽度根据不同格栅型式、不同尺寸的格栅宽度由供货商提供、与计算值校核。
土工格栅技术参数土工格栅是一种用于土壤或岩石的固定和加固,以及过滤和排水的材料。
它在土木工程和环境工程领域具有广泛的应用,能够有效地解决土壤侵蚀和地基沉降等问题。
下面我们来详细介绍土工格栅的技术参数。
一、材料参数1.1 材料类型土工格栅的主要材料通常为聚合物材料,包括聚乙烯、聚丙烯等,也有部分产品采用玻璃纤维、金属或混合材料制成。
1.2 规格土工格栅的规格主要包括长度、宽度、厚度等,常见的规格有4m×50m,5m×100m等,也可根据实际工程需要进行定制。
1.3 强度土工格栅的强度包括拉伸强度、抗压强度、抗拉强度等,一般根据工程要求选择合适的强度等级。
1.4 耐化学腐蚀性能土工格栅在实际应用中会受到土壤、水体的化学腐蚀,因此需要具有一定的耐化学腐蚀性能,以确保长期稳定的使用效果。
二、结构参数2.1 孔径土工格栅的孔径大小直接影响其过滤和排水性能,一般孔径在1mm到5mm之间,不同工程场景可选择不同孔径的产品。
2.2 节理形式土工格栅的节理形式通常有平面式和立体式两种,不同形式的节理适用于不同的工程要求,如防土墙、护坡、固坡等。
2.3 表面形态土工格栅的表面形态多样,包括光滑面、凹凸面等,不同的表面形态可以增加土工格栅与土壤的摩擦阻力,提高稳定性。
2.4 接头形式土工格栅的接头形式分为搭接连接和焊接连接两种,不同的接头形式对于安装和工程施工有不同的影响。
三、技术性能3.1 过滤性能土工格栅具有优良的过滤性能,能够有效阻止土壤颗粒的渗透,保护基础土体和排水系统,确保工程的持久稳定性。
3.2 排水性能土工格栅能够有效排除土壤内部的积水,降低土壤饱和度,减小地基的沉降和渗透压力,提高工程的安全性。
3.3 抗拉性能土工格栅具有良好的抗拉性能,能够承受土体和水力作用下的拉力,保持较高的稳定性和使用寿命。
3.4 抗老化性能土工格栅需要具有较好的抗紫外线、耐候性能,以确保长期在不同自然环境下的稳定使用。
格栅的选用原则
1. 功能需求:首先要明确使用格栅的具体功能需求,例如是用于过滤液体、分离固体、支撑结构还是作为装饰等。
不同的功能需求会对格栅的材料、尺寸、形状和孔的大小等方面有不同的要求。
2. 材料选择:根据使用环境和条件选择适合的材料。
常见的格栅材料包括金属(如钢、铝、不锈钢等)、塑料(如聚乙烯、聚丙烯等)、玻璃钢等。
不同材料具有不同的耐腐蚀性、强度、重量和成本等特点,需要根据具体情况进行选择。
3. 尺寸和孔径:根据需要过滤或分离的物质的大小和流量,选择合适的格栅尺寸和孔径。
孔径过大会导致过滤不彻底,孔径过小则会增加堵塞的风险。
同时,还要考虑格栅的厚度和强度,以确保其能够承受预期的负荷。
4. 外观和装饰:如果格栅需要作为装饰元素,那么外观和风格也是选择的重要考虑因素。
可以根据整体设计风格选择合适的颜色、形状和表面处理方式。
5. 成本效益:在满足功能和质量要求的前提下,要考虑格栅的成本效益。
不同材料、尺寸和制造工艺的格栅价格会有所差异,需要在预算范围内进行选择。
6. 安装和维护:格栅的安装方式应该简便易行,同时也要考虑日后的维护和清洁方便性。
选择易于拆卸和清洗的格栅,可以降低维护成本和时间。
7. 可靠性和质量:选择具有良好口碑和质量保证的供应商,确保所选格栅的质量可靠、性能稳定,能够满足长期使用的要求。
总之,选用格栅时需要综合考虑功能需求、材料、尺寸、外观、成本效益、安装维护以及可靠性等因素,以选择最适合特定应用场景的格栅产品。