通信设备及线路工程量清单计价规范
- 格式:doc
- 大小:434.00 KB
- 文档页数:17
通信工程施工计价一、通信工程施工计价的基本概念1. 通信工程施工计价的定义通信工程施工计价是指根据工程设计和施工要求,按照规定的价格和标准,计算出工程施工所需的材料、人工和设备等费用,并确定工程总造价的过程。
2. 通信工程施工计价的目的通信工程施工计价的主要目的是为了科学合理地确定工程施工费用,保证工程的质量、进度和成本控制,确保工程顺利进行。
二、通信工程施工计价的基本原则1. 合理性原则通信工程施工计价应该遵循合理性原则,即确定施工费用应该尽可能接近实际情况,不偏高也不偏低,确保施工过程的顺利进行。
2. 公平公正原则通信工程施工计价应该遵循公平公正原则,即对同一工程的不同施工环节和施工单位要一视同仁,不偏袒任何一方,保证施工市场的公平竞争。
3. 透明度原则通信工程施工计价应该遵循透明度原则,即计价过程应该公开透明,计价依据应该清晰明了,确保施工过程的公开公正。
4. 数据完整性原则通信工程施工计价应该遵循数据完整性原则,即计价数据应该完整准确,不遗漏任何费用,确保工程造价的准确性。
5. 经济性原则通信工程施工计价应该遵循经济性原则,即在保证工程质量和安全的前提下,尽量降低施工费用,确保工程的经济效益。
三、通信工程施工计价的主要内容1. 工程量清单编制通信工程施工计价的第一步是编制工程量清单,包括工程材料、人工和设备等的数量、规格和单位,并根据设计图纸和施工要求进行量算。
2. 单位工程价款确定通过对工程材料、人工和设备等费用的计算,确定每个单位工程的价格,包括单位工程的定额和单价,并确定工程的总价款。
3. 工程造价核算通过对单位工程价款的汇总,对整个工程的造价进行核算,包括费用的汇总、费用的分析和费用的审查等工作,确保工程造价的准确性。
4. 工程变更管理在通信工程施工过程中,有时会出现工程设计变更或施工调整的情况,需要及时调整工程造价,确保工程变更的合理性和合法性。
5. 施工进度管理通信工程施工计价还要结合施工进度管理,对工程施工的进度情况进行监控和评估,确保工程按时完成,保证工程进度和质量。
安装工程(四)C.I通风空调工程C.I.1通风及空调设备及部件制作安装工程量计算规则一、冷却塔按不同型号以“台”为计量单位,执行C.A《机械设备安装工程》有关项目。
二、整体式空调机组、空调器按不同质量(室内机、室外机之和)以“台”为计量单位;分段组装式空调器以质量计算。
三、加热器、除尘器按不同质量以“台”为计量单位。
四、风机盘管安装按安装方式不同以“台”为计量单位。
五、钢板密闭门分制作和安装以“个”为计量单位。
六、挡水板制作、安装按空调器断面面积“㎡”为计量单位。
七、滤水器、溢水盘、金属空调器壳依设计型号、规格查阅本分册附录“国际通风部件标准质量表”,制作按其质量以“㎏”为计量单位;安装金属空调器壳体以“㎏”为计量单位,滤水器、溢水盘以“个”为计量单位。
八、电加热器外壳、设备支架制作、安装依图纸按质量计算。
九、高、中、低效过滤器、净化工作台、风淋室安装以“台”为计量单位。
十、洁净室安装以质量计算。
C.I.2通风管道制作安装工程量计算规则一、风管制作安装按设计图示尺寸以展开面积计算(复合风管按风管外径以展开面积计算),不扣除检查孔、测定孔、送风口、吹风口等所占面积;风管长度一律以设计图示中心线长度为准(主管与支管以其中心线交点划分),包括弯头、三通、变径管、天圆地方等管件的长度,但不包括部件所占的长度。
风管展开面积不包括风管、风口重叠部分面积。
直径和周长按图示尺寸为准展开。
二、柔性软风管安装按图示中心线长度以“m”为计量单位。
三、风管项目表示的直径为内经,周长为内周长。
四、风管导流叶片按图示叶片的面积计算。
五、风管末端平封板按面积计算,圆形封头按展开面积计算。
C.I.3通风管件部件制作安装工程量计算规则一、碳钢标准部件依据设计型号、规格查阅分册附录“国际通风部件标准质量表”,制作按其质量计算,安装按规格尺寸以“个”计算。
二、柔性软风管阀门安装以“个”为计量单位。
三、钢百叶窗及活动金属百叶风口制作以“㎡”为计量单位,安装按规格尺寸以“个”为计量单位。
通信工程工程量清单计价规范(GB50500-
2023版)
通信工程工程量清单计价规范 (GB-2023版)
概述
本文档是关于通信工程工程量清单计价规范 (GB-2023版) 的介绍和说明。
目的
本规范的目的是规定通信工程工程量清单计价的标准和要求,以确保工程量的计算和计价符合规范,并提供一致的计价方法。
适用范围
本规范适用于通信工程的工程量清单计价。
通信工程包括但不限于通信设备安装、通信线缆布线、通信站点建设等。
规范内容
1. 工程量清单编制要求:规定了工程量清单的编制方法和要求,包括工程量清单的分类、编码规则等。
2. 计价依据:规定了工程量计价的依据和原则,包括材料计价、人工计价、机械设备计价等。
3. 计价方法:详细说明了工程量计价的具体方法,包括直接计
价方法、分部分项计价方法等。
4. 工程量计算与核算:说明了工程量计算和核算的步骤和要求,包括工程量清单计算、工程量核算、工程量调整等。
5. 技术要求与执行标准:列出了通信工程施工过程中的技术要
求和执行标准,以确保施工质量和安全。
6. 监理与验收要求:规定了监理和验收的要求和程序,以保证
工程质量符合相关标准和规范。
使用说明
本规范应由相关业务人员、工程师和管理人员参考,并在通信
工程工程量计算和计价过程中遵守。
对于存在争议或不确定的情况,应按照本规范的规定进行解决。
结论
通信工程工程量清单计价规范 (GB-2023版) 是一份标准和指南,旨在规范通信工程工程量的计算和计价。
通过遵循本规范,可以确
保计算的准确性和一致性。
5 工程量清单计量
工程(工作)内容附注
土石开挖填含路基附属工程土石方。
1、基坑挖填;
2、脚手架搭拆;
3、砌体砌筑;
4、选取片(块)石、制作各种笼,装片(块)石,安砌;
5、模板制安拆;
6、钢筋及预埋件制安;
7、混凝土浇筑或预制构件制安;8、反滤层铺设;9、变形缝、泄水管(孔)设置。
翻土、挖土回填、围护,铺草皮、喷播植草、喷混植生、栽植花草、灌木、乔木等,浇水、养护
1、换填;
2、各类地基处理桩;
3、强夯等
混合料拌制、摊铺、洒水、压实,修整
混合料拌制、摊铺、洒水、压实,修整
1、沥青混凝土拌制、鲋筑、碾压、整形;
2、路缘石制安;
3、培路肩含桥梁和隧道的路面面层包括沥青贯入式路面、沥青表面处治路面和沥青混凝土路面。
1、模板制安拆;
2、混凝土浇筑;
3、钢筋及预埋件制安;
4、变形缝设置;
5、路缘石制安;
6、培路肩含桥梁和隧道的路面面层。
单计量规则拆迁工程。
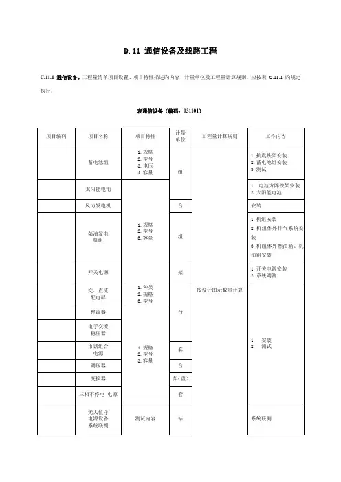
D.11 通信设备及线路工程
C.11.1 通信设备。
工程量清单项目设置、项目特性描述旳内容、计量单位及工程量计算规则,应按表C.11.1 旳规定执行。
表通信设备(编码:031101)
表(续)
表(续)
表(续)
表(续)
表(续)
表(续)
C.11.2 通信线路工程。
工程量清单项目设置、项目特性描述旳内容、计量单位及工程量计算规则,应按表 C.11.2 旳规定执行。
表C.11.2 通信线路工程(编码:031102)
表C.11.2 (续)
表C.11.2 (续)
表C.11.2 (续)
表C.11.2 (续)
C.11.3 建筑与建筑群综合布线。
工程量清单项目设置、项目特性描述旳内容、计量单位及工程量计算规则,应按表C.11.3 旳规定执行。
表C.11.3 建筑与建筑群综合布线(编码:031103)
表C.11.3 (续)
C.11.4 移动通讯设备工程。
工程量清单项目设置、项目特性描述旳内容、计量单位及工程量计算规则,应按表 C.11.4 旳规定执行。
表 C.11.4 移动通讯设备工程(编码:031104)
表 C.11.4 (续)
表 C.11.4 (续)
C.11.5 其他有关问题,应按下列规定处理:
1.建筑群子系统敷设架空管道、直埋、墙壁光(电)缆工程,应按本附录表 C.11.2 有关项目编码列项。
2.通信线路工程接地装置应按本附录表 C.11.1 有关项目编码列项。
UDC中华人民共和国国家标准P GB50500--2003 建设工程工程量清单计价规范2003—02—17 发布2003-07-01 施行中华人民共和国建设部中华人民共和国国家质量监督检验检疫总局联合发布中华人民共和国国家标准建设工程工程量清单计价规范GB 50500—2003主编部门:中华人民共和国建设部批准部门:中华人民共和国建设部施行日期:2 0 0 3 年7 月 1 日中国计划出版社2003 北京中华人民共和国建设部公告第119号建设部关于发布国家标准《建设工程工程量清单计价规范》的公告现批准《建设工程工程量清单计价规范》为国家标准,编号为GB 50500—2003,自2003年7月1日起实施.其中第1.0.3、3.2.2、3。
2.3、3。
2。
4(1)、3.2.5、3.2。
6(1) 条(款)为强制性条文,必须严格执行.本规范由建设部标准定额研究所组织中国计划出版社发行.中华人民共和国建设部二OO三年二月十七日前言本规范是根据《中华人民共和国招标投标法》、建设部令第107号《建筑工程施工发包与承包计价管理办法》制定的。
建设工程招标投标实行工程量清单计价是工程造价计价依据改革和规范建设工程招标投标行为的一项措施。
本规范是按照我国工程造价管理改革的要求,本着国家宏观调控、市场竞争形成价格的原则制定.本规范在编制过程中,总结了我国建设工程工程量清单计价试点工作的经验,结合我国工程造价管理的现状并借鉴了国外有关国家实行工程量清单计价的做法.本规范批准发布前广泛征求了有关施工单位、建设单位、工程造价咨询机构和工程造价、招标投标管理部门的意见,对其中主要问题进行了多次讨论、修改。
本规范共分五章,包括总则、术语、工程量清单编制、工程量清单计价、工程量清单及其计价格式等。
本规范由国家建设部负责管理,建设部标准定额研究所负责具体技术内容的解释。
为了提高规范质量,请各单位在执行中注意积累资料,总结经验,如发现需要修改和补充之处,请将意见和有关资料寄建设部标准定额司,供以后修订时参考。
附件4:《通用安装工程工程量计算规范》(GB50856-2013)福建省实施细则目次总说明 (1)附录D电气设备安装工程 (2)D.8电缆安装 (2)D.9防雷及接地装置 (2)附录E建筑智能化工程 (3)E.2综合布线系统工程 (3)E.8住宅小区智能化系统工程 (3)E.9相关问题及说明 (4)附录G通风空调工程 (5)G.2通风管道制作安装 (5)附录K给排水、采暖、燃气工程 (6)K.3管道附件 (6)K.6采暖、给排水设备 (6)附录M刷油、防腐蚀、绝热工程 (7)M.2防腐蚀涂料工程 (7)附录N措施项目 (8)N.1专业措施项目 (8)N.2总价措施项目 (10)N.3 二次搬运 (10)N.4相关问题及说明 (11)附录P 其他项目 (12)P.1其他项目 (12)总说明一、为了适应我省建筑业发展需要,进一步规范和统一我省通用安装工程工程量计算规则与工程量清单编制方法,根据《通用安装工程工程量计算规范》(GB50856-2013)(以下简称《安装计量规范》)和《福建省通用安装工程预算定额》(FJYD-301-2017~FJYD-311-2017),制定《通用安装工程工程量计算规范》(GB50856-2013)福建省实施细则(以下简称《安装实施细则》)。
二、《安装实施细则》适用于我省通用安装工程工程量清单计价。
三、根据福建省实际情况,增加、修改了《安装计量规范》附录部分内容,《安装实施细则》仅列出变动内容,其他未作规定的,均按《安装计量规范》执行;《安装实施细则》与《安装计量规范》不一致之处,按《安装实施细则》执行。
四、《安装实施细则》附录中的工程量清单项目,增加的工程量清单项目编码为新增编码,与《安装计量规范》不重复。
五、分部分项工程量清单、措施项目清单、其他项目清单应按照《安装实施细则》和《福建省建筑安装工程费用定额》(2017版)执行,不再编列规费和税金项目清单。
六、编制工程量清单时,遇缺项项目的,按照我省现行其他专业的实施细则规定进行编码列项,仍然不足的,自行补充。
建设部关于工程建设设备与材料划分的规定根据《建设工程工程量清单计价规范》,建设部对工程建设设备与材料的划分做出了规定。
该规定旨在准确划分工程建设中所用到的各类设备与材料,为工程项目的计划、设计、施工等环节提供指导,保证工程的质量和进度。
一、设备的划分1.建筑机械设备:主要指用于施工中砌筑、浇筑、吊装、输送、排水、挖掘等工作的各种机械设备,如塔吊、施工升降机、混凝土搅拌机等。
2.安装设备:主要指用于建筑物内部安装工程的机械设备,如升降机、电梯、消防设备等。
3.电气、照明及通信设备:主要指用于建筑物内部电气系统、照明系统、通信系统的各种设备,如变压器、电缆、照明灯具等。
4.仪器、测试设备及专用设备:主要指用于各类工程建设中进行测试、监测、测量、分析等工作的专用设备,如测绘仪器、试验设备、分析仪器等。
二、材料的划分1.建筑材料:主要指用于建筑物主体结构的各类材料,如混凝土、砖石、钢筋等。
2.安装材料:主要指用于建筑物内部安装工程的各类材料,如管材、电线、开关等。
3.隔热、保温及降噪材料:主要指用于建筑物保温、隔热及降噪工程的各类材料,如保温材料、隔音板等。
4.装饰、装修材料:主要指用于建筑物内外装饰、装修工程的各类材料,如涂料、瓷砖、地板等。
三、划分原则1.功能性原则:根据设备与材料在工程施工中所起到的功能进行划分,确保选择和使用的设备与材料能够满足工程的需求。
2.技术性原则:根据设备与材料的技术特性及使用要求进行划分,确保选择和使用的设备与材料能够达到相应的技术标准。
3.经济性原则:根据设备与材料的价格、使用寿命、维护保养成本等因素进行划分,以实现在项目经济可行性范围内的最优选择。
4.可替代性原则:根据设备与材料的互相替代性进行划分,确保选择和使用的设备与材料能够在需求变化时能够及时更换或替代。
通过以上的规定,建设部能够准确划分工程建设中所用到的各类设备与材料,为工程项目的计划、设计、施工提供指导,确保工程的质量和进度。
通讯造价国标工程量清单
通讯造价是指通信工程项目的成本,包括材料、人工、设备、管理费用等各项费用的总和。
国标工程量清单是指根据国家标准编制的工程项目的清单,包括工程项目所需的各种材料、设备、人工等的数量和规格,以及相应的工程量和单价。
在通信工程项目中,国标工程量清单起着非常重要的作用,它可以作为工程投标、预算编制、合同管理和工程结算的依据。
通讯造价的计算通常包括以下几个方面:
1. 材料费用,通讯工程所需的各种材料,如光纤、电缆、天线等的采购成本。
2. 人工费用,通讯工程所需的施工人员的工资、福利和培训成本。
3. 设备费用,通讯工程所需的各种施工设备、测试设备等的购置和租赁成本。
4. 管理费用,通讯工程项目的管理人员工资、办公费用、差旅
费用等管理成本。
国标工程量清单则是根据国家相关标准编制的清单,其中包括了通讯工程项目所需的各种材料、设备、人工的数量和规格,以及相应的工程量和单价。
国标工程量清单的编制可以使工程项目的预算编制更加准确,有助于规范工程造价的核算和管理,保障工程质量和进度。
在通讯工程项目中,合理的国标工程量清单可以帮助工程项目的承包商准确计算工程造价,提高投标的准确性和竞争力;同时也有利于业主对工程项目的预算编制和造价核算,有助于监管和控制工程项目的成本,保障工程质量和进度。
因此,通讯造价和国标工程量清单在通讯工程项目中都具有非常重要的意义,它们直接关系到工程项目的投资效益和施工质量。
2015年四季度安装人员培训资料2015-11-17建设工程工程量清单计价、计量规范(GB 50500-2013、GB50856-2013)一 2013清单的主要内容及变化(一)计价规范“13规范”共设置16章、54节、329条,比“08规范”分别增加11章、37节、192条,表格增加8种(见下表),并进一步明确了物价变化合同价款调整的两种方法。
具体变化大致如下:“13规范"与“08规范”章、节、条文增减表1.总则1)将原规定适用于工程量清单计价活动,修改为适用于建设工程发承包及实施阶段的计价活动,进一步明确了适用范围。
2)原1.0.7条对附录A~附录F的规定上升为国家计量规范。
2.术语1)对“工程量清单”修改完善了定义,并新增“招标工程量清单”和“已标价工程量清单",进一步明确各自的适用范围。
2)新增“工程量偏差”、“安全文明施工费”、“提前竣工(赶工)费”、“误期赔偿费”、“工程设备”、“工程成本”、“缺陷责任期”、“招标代理人”、“单价项目”、“总价项目”等29个术语。
3)修改了“合同价”、“竣工结算价”的定义。
3.一般规定1)增加发包人供应材料和承包人提供材料,分别列为3.2节和3.3节。
2)将计价风险列为一节,将“08规范”4.1.9条上升为强条,其条文说明修改后列为正文4条。
4.工程量清单编制本章在“08规范”第3章基础上编写,由于新增计量规范,有关项目编码、项目名称、项目特征、计量单位、工程量计算的条文移入计量规范。
1)规费项目根据国家法律和有关权力部门的规定,取消了定额测定费和危险作业意外伤害保险费,新增了工伤保险费和生育保险费,将社会保障费更名为社会保险费。
2)税金新增地方教育附加。
5.招标控制价1)将投诉的日期从“应在开标前5天”修改为:“招标控制价公布后5天内”,以保证招投标工作的顺利进行。
2)新增了投诉的内容、投诉的条件、投诉的受理以及复查的期限、复查结论的判断标准等条文,使投诉及其处理具有可操作性。
D.11 通信设备及线路工程
C.11.1 通信设备。
工程量清单项目设置、项目特征描述的容、计量单位及工程量计算规则,应按表 C.11.1 的规定执行。
表 C.11.1通信设备(编码:031101)
C.11.2 通信线路工程。
工程量清单项目设置、项目特征描述的容、计量单位及工程量计算规则,应按表 C.11.2 的规定执行。
表C.11.2 通信线路工程(编码:031102)
表C.11.2 (续)
表C.11.2 (续)
表C.11.2 (续)
表C.11.2 (续)
C.11.3 建筑与建筑群综合布线。
工程量清单项目设置、项目特征描述的容、计量单位及工程量计算规则,应按表 C.11.3 的规定执行。
表C.11.3 建筑与建筑群综合布线(编码:031103)
C.11.4 移动通讯设备工程。
工程量清单项目设置、项目特征描述的容、计量单位及工程量计算规则,应按表 C.11.4 的规定执行。
表 C.11.4 移动通讯设备工程(编码:031104)
C.11.5 其他相关问题,应按下列规定处理:
1.建筑群子系统敷设架空管道、直埋、墙壁光(电)缆工程,应按本附录表 C.11.2 相关项目编码列项。
2.通信线路工程接地装置应按本附录表 C.11.1 相关项目编码列项。