简易呼吸器检测步骤(精选)
- 格式:doc
- 大小:13.00 KB
- 文档页数:1
简易呼吸器的检测步骤1.面罩:外观清洁、无变形。
2.球体:a)观察外观、形状。
b)挤压球体,然后松开,球体能随受力改变形状并复原,说明球体材质良好,弹性好。
c)将单向阀取下,用手掌堵住球体开口处,挤压球体,不能将球体压闭。
说明球体无漏气,密闭性好。
3.鸭嘴阀:a)观察其外观,正常呈鸭嘴状,鸭嘴部位闭合紧密。
b)挤压球体,鸭嘴阀张开,无粘连。
4.呼气阀:将储氧袋接在面罩接口处,挤压球体,使储氧袋胀满,挤压储氧袋。
可见呼气阀被吹起,有气体溢出,说明呼气阀工作正常。
5.压力安全阀:将安全阀关闭,用手掌堵住单向阀出口,球体不能被压闭,说明压力安全阀关闭严密。
打开安全阀,手掌仍堵住单向阀出口,挤压球体。
可以听见气体从压力安全阀溢出的声音,说明压力安全阀工作正常。
6.进气阀:挤压球体,球体可复原,说明进气阀工作正常。
7.储氧袋:将储氧袋接在简易呼吸器单向阀接口处,挤压球体,当储气袋被充满后,取下储气袋,用手掌堵住储气袋出口,挤压储气袋,如不能被挤闭。
说明储气袋无漏气。
8.储氧阀:将简易呼吸器供氧管连接氧源,储氧袋可以被吹满胀起,说明储氧阀事情正常。
9.储气安全阀:将储氧袋及储氧\储气安全阀连接到简易呼吸器单向阀病人接口处,不断挤压球体,当储氧袋胀满后,如快速挤压球体,发现储气安全阀被弹起,有气体溢出,保证储气袋不被充满胀破,说明储气安全阀工作正常。
10.供氧管:连接氧源后,调高氧流量,如果可从管路另一端感觉到气体流动。
说明管路迟滞;将接口与浅易呼吸器供氧接口相连,检查其是否毗连紧密。
准备操作者准备:着装规范,戴口罩,手套评估:是否有使用简易呼吸气囊的适应证和禁忌症;患者口咽部有无分泌物、有无假牙;评估患者意识,有无自主呼吸;评估患者体重患者准备:松解衣领,去除活动义齿,清除上呼吸道分泌物与与呕吐物,若为气管插管或气管切开病人应先吸净痰液用物准备:完好合适的面罩及呼吸囊,氧气,吸引器连接呼吸器连接面罩、呼吸气囊、氧管、储氧袋与氧气有氧源,接储氧袋,调节氧流量:8-10L/分无氧源,把储氧袋和氧管去掉开放气道:操作者站于病人头侧,采用仰头抬颏法,使患者头后仰,托起下颌,将面罩罩住病人口鼻,按紧不漏气,左手EC手法按住面罩,右手挤压球囊,送气量:有氧源时,通气量:500-600ml/次无氧源时,通气量:700-1100ml/次通气频率:呼吸暂停仍有心跳的通气频率:成人10-12次/分正在进行心肺复苏且无高级气道的患者通气频率:按压与通气比30:2对正在进行持续心肺复苏且有高级气道的患者通气频率:成人10次/分病人有自主呼吸应同步按压,在吸气时按压球囊操作有效指征:严重缺氧改善,血氧饱和度提升到90%,自主呼吸恢复操作过程:观察呼吸器通气效果及胸廓抬举无效指征:严重缺氧无改善,血氧饱和度监测指数下降、无呼吸(此刻该准备建立人工气道抢救)观察整理协助患者取合适的体位整理床单元洗手、记录清理用物简易呼吸器操作流程简易呼吸器检测流程检查球体检查进气阀检查鸭嘴阀与进气阀检查呼气阀外观无破损,挤压球体,手松开后,球体马上复原将球体出气口用手堵住,挤压球体感觉不易被压下挤压球体,球体易被压下,鸭嘴阀张开;将手松开球体很快自动弹回原状,说明鸭嘴阀、进气阀功能良好面罩接头处接上储氧袋,按压膨胀的储氧袋,储氧袋的气体能从呼气阀排出,且瓣膜完整、弹性好、密合性好检查储氧袋检查压力安全阀将储氧袋接在患者接头处,挤压球体,鸭嘴阀张开,使储氧袋膨胀,堵住储氧袋出口,挤压储氧袋,检查储氧袋是否漏气将出气口用手堵住并打开压力安全阀,挤压球体时,有气体自压力安全阀溢出,说明压力安全阀功能良好检查储氧混合阀检查面罩将储氧袋接上储氧阀,并接在患者接头处,挤压球体,使储氧袋膨胀,说明储氧阀功能良好;堵住储氧阀出口,挤压储氧袋,气体自储氧安全阀溢出,说明储氧安全阀功能良好将面罩紧扣于手掌部,检查密闭性能良好。
简易呼吸器六部检查法
第一步:查看外观清洁,有无破损;
第二部:挤压简易呼吸气囊,将手松开,气囊应很快的自动弹会原状,检查简易呼吸器弹性;
第三部:关闭压力安全阀,挤压呼吸球查看气体有否泄露以及压力安全阀工作是否正常;
第四部:取出储氧囊至出气口,挤压呼吸球,检查各单向阀(共五个,包括呼气阀、鸭嘴单向阀、进气阀、储氧阀、储气安全阀的瓣膜)安装是否到位;
第五步:观察充气的储氧囊是否漏气;
第六步:取充满气体的储氧囊至进气口,再次挤压呼吸球,确认简易呼吸器为单向进出,简易呼吸器检测完毕。
简易呼吸器检查流程图1图2 图3病人阀(鸭嘴阀) 吸入阀 贮氧安全阀 呼气阀 关闭减压阀,先以一手堵住球囊前端开口,再以一手挤压球囊,若球囊无法被挤压说明呼吸囊密闭性完好(图1)保持减压阀关闭状态,先以一手挤压球囊,再以一手堵住球囊前端开口,松手后球囊可迅速复张说明吸入阀吸入功能良好(图2、图3)氧管连接端 安全阀/减压阀(60cmH 2O 是指当挤压气体压力超过这个值时减压阀可释放多余的气体) 完整的简易呼吸器包括:各阀门连接完好的球囊、呼吸面罩、氧气连接管、口咽通气管一套(3个)、贮氧袋和注射器1个吸入端图4图图6 图7图8★ 维护与保养 1. 每天至少检查一次,确保零配件齐全及在有效期内;2. 为一次性使用,使用后直接丢弃至医疗垃圾桶;3. 传染病患者使用后立即用双层黄色医疗垃圾袋密封按医疗垃圾处理。
将贮氧袋连接至病人阀的病人端,并用手固定好;挤压球囊若干次,并观察病人阀中的唇瓣在挤压过程中是否开放;若挤压球囊若干次后贮氧袋能够胀满,说明病人阀通气功能良好;贮氧袋无漏气(图5)将胀满的贮氧袋连接至病人端,并用手固定好;挤压贮氧袋,如呼气阀振动,有气体逸出,说明呼气阀功能正常(图6)将胀满的贮氧袋连接在吸入端,然后挤压球囊,贮氧袋变扁,说明氧气可经过吸入阀进入球囊储备(图7)将胀满的贮氧袋连接在吸入端,堵住氧管连接端,挤压储氧袋,如贮氧安全阀振动,有气体逸出,说明贮氧安全阀功能正常(图8) 打开减压阀,先以一手堵住球囊前端开口再以一手挤压球囊,若挤压后有气体至减压阀处流出说明减压阀放漏气功能良好 (图4)。
可编写可改正
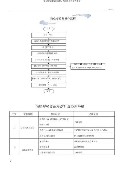
简略呼吸器操作流程
开始
查对、评估
再次检查连结好的呼吸器各零件
取去枕平卧位
必需时清理呼吸道分泌物
护士站在病人头侧,开放气道
每分钟 10-12次,每次 400-600ml
固定面罩,捏呼吸囊,察看病情
察看患者胸廓扩充及缺氧的改良状况
自主呼吸恢复,停止协助呼吸
擦抹口鼻,取舒坦卧位,整理床单位
整理用物,洗手,记录
结束
简略呼吸器故障剖析及办理举措
序号常有故障原由剖析办理举措
检查呼出阀(鸭嘴阀、出气阀)安
正确安装
装能否正确
1挤压气囊有阻力
患者气道未翻开或分泌物多充足翻开患者气道或清理呼吸道分泌物
压力安全阀未翻开向上提翻开压力安全阀
未正确使用使用前先将储氧袋充满氧气2储氧袋损坏改换储氧袋
储氧袋不充盈
与球囊处连结不紧正确连结
可编写可改正
氧气导管未连结、氧流量未翻开正确连结、调理氧流量
面罩充气不足或损坏用注射器从头注气或改换面罩挤压球囊时面罩
3面罩大小不适合改换适合的面罩处漏气
面罩与患者面部接触不密切正确固定面罩
球囊损坏漏气改换球囊
4潮肚量达不到
挤压球囊的手法不到位正确挤压。
简易呼吸器的检测方法简易呼吸器是一种紧急救援设备,用于提供短暂的呼吸支持。
对于简易呼吸器的检测方法,我们需要检查其结构和功能两个方面。
首先,对于呼吸器的结构检测,我们应该检查以下几点:1. 外观检查:检查呼吸器的外观是否完好无损,有无明显的变形、破损或腐蚀情况。
2. 导气管路:检查呼吸器的导气管路是否畅通,无阻塞或扭曲。
3. 面罩/嘴垫:检查呼吸器的面罩或嘴垫是否完整,无裂纹或磨损。
4. 调节器:检查呼吸器的调节器是否可靠且灵敏,能够调节呼吸频率和氧浓度。
其次,对于呼吸器的功能检测,我们应该进行以下几个方面的检查:1. 漏气测试:将呼吸器正常连接到氧气或空气源,并封闭面罩或嘴垫,通过观察压力表或听觉检查,检测是否有漏气现象。
2. 呼吸阻力测试:将呼吸器正常连接到氧气或空气源,通过吸气力检查呼吸器的阻力是否正常,即是否能提供足够的气流支持。
3. 氧气浓度测试:将呼吸器连接到氧气源,通过氧浓度检测仪,检测呼吸器所提供的氧气浓度是否符合标准要求。
4. 储气罐检查:如果呼吸器带有储气罐,应检查储气罐的压力是否正常,并且密封性良好,无漏气现象。
此外,还需要特别强调的是,呼吸器的使用者在进行使用之前,应接受相应的培训和指导,并确保其正确使用呼吸器的技能和知识。
同时,建议进行定期的维护和保养,包括清洁和更换呼吸器的部件。
需要注意的是,以上的检测方法适用于简易呼吸器的初步检测,以确认呼吸器是否符合基本要求。
在实际使用中,还需要进一步参考呼吸器的相关标准和规范,进行更为详细和全面的检测。
总结起来,针对简易呼吸器的检测方法,我们应首先检查其结构是否完好,包括外观、导气管路、面罩/嘴垫和调节器等。
其次,需要进行功能检测,包括漏气测试、呼吸阻力测试、氧气浓度测试和储气罐检查等。
最后,强调用户需接受培训和正确使用呼吸器,并进行定期的维护和保养。
这些方法能够帮助我们确认简易呼吸器的安全性和可靠性,以保障救援工作的顺利进行。
第四节简易呼吸器操作流程及评分标准
一、简易呼吸器操作流程
素质要求:仪表、语言、态度
用物准备:方盒、简易呼吸器、面罩、手套、吸氧连接管
摇肩呼救拉铃,去枕头掀被头解衣领
观察病人意识和呼吸方法:眼视、面感觉、耳听
口述病人自主呼吸消失
触摸颈动脉搏动(喉结侧移二横指)5~10秒口述病人颈动脉搏动消失
戴手套
清除口鼻腔异物
去手套
打开气道:取仰头抬颌法(抬颈、举颌、拉颌)
连接面罩和简易呼吸器,固定口述连接氧气给予6升/分~8升/分
口述:1.按压频率10~12次/分
2、按压深度1/2~2/3以胸廓抬起为准
3、按压过程观察病人面色及生命征的变化
复苏完毕
取舒适体位,保暖
用物处理,洗手
记录
二、简易呼吸器评分标准。
简易呼吸器的检测及使用在面对突发的呼吸道疾病等紧急情况时,可能会需要使用简易呼吸器来提供急救。
但是,在使用简易呼吸器时,也需要注意其检测和使用方法。
检测简易呼吸器的完整性和质量在使用简易呼吸器之前,首先需要检测其完整性和质量。
简易呼吸器通常由面罩、呼吸袋和呼吸管组成。
各部分均需要在使用前进行检测,确保没有破裂和漏气等问题。
具体的检测方法如下:面罩检查面罩是否有裂缝或割伤。
可以将面罩拿在手上,用手指压压边缘,观察是否有气漏现象。
如果有气漏现象,建议更换新的面罩。
呼吸袋检查呼吸袋是否有松动、裂痕或其他损伤。
进行检测的时候,需要使用口将呼吸袋排气口封住,并压下呼吸袋看气袋是否能够充分回弹。
如果气袋不能充分回弹,可能是气袋有损伤或衰减,需要更换新的呼吸袋。
呼吸管检查呼吸管是否有溢出或裂痕,检查呼吸管的接口是否与面罩和呼吸袋连接良好。
进行检测时,可以将呼吸袋和面罩接口与呼吸管放在水中,观察是否有气泡漏出,如果发现气泡,建议更换新的呼吸管。
简易呼吸器的使用方法在检测简易呼吸器完整性和质量之后,需要使用正确的方法进行使用,以确保能够给患者提供有效的急救。
第一步:将面罩放置于患者口鼻部位将面罩放置于患者口鼻部位,然后用一只手按住面罩形成密封。
使用另一只手将呼吸袋压缩使其充满空气。
这个过程需要快速完成。
第二步:缓慢地将呼吸袋压缩将呼吸袋缓慢地再次压缩,使空气从面罩中流入患者肺部,然后松开呼吸袋,让空气自然流回呼吸袋。
这个过程需要缓慢进行。
第三步:调整呼吸频率和呼吸深度根据患者状况,调整呼吸频率和呼吸深度。
需要注意的是,呼吸深度不宜过大,否则可能会引起胀气和吸入胃内容物等问题。
第四步:继续观察患者状况在使用简易呼吸器的同时,需要继续观察患者的状况。
如果出现呼吸急促、心跳过快等症状,需要立即停止使用,寻求医疗救援。
简易呼吸器是突发呼吸道疾病等紧急情况中提供急救的重要工具。
在使用简易呼吸器之前,需要进行完整性和质量的检测,确保各部分没有破裂和漏气等问题。
新简易呼吸器的检测及使用摘要新型冠状病毒疫情的爆发,给全球的公共卫生带来了严重的挑战。
从科学上讲,有效的防控手段是必须的。
简易呼吸器的应用可以缓解呼吸急促、低氧血症等严重的呼吸道疾患,尤其在COVID-19的治疗中起着重要的辅助作用。
本文主要介绍新型简易呼吸器的检测和使用,以便更好地发挥其重要的治疗作用。
新简易呼吸器的检测新型简易呼吸器的检测包括了多个步骤,包括检测设备的质量、性能、稳定性等方面。
以下是一些关键的检测步骤:1.检查呼吸器是否符合规范。
2.检查呼吸器是否具有稳定性、可靠性和安全性。
3.检查呼吸器的吸气、呼气和压力控制是否能够满足疾病治疗的要求。
4.检查呼吸器是否具有准确的血氧和呼吸率监测功能。
新简易呼吸器的使用正确而谨慎地使用新型简易呼吸器,能够帮助病人缓解呼吸急促、低氧血症等症状,同时协助防止和减轻呼吸能力受损。
使用新型简易呼吸器的步骤如下:1.阅读使用说明书。
2.洗手并戴手套。
3.检查呼吸器的面罩或鼻罩,确保贴合到脸上的皮肤。
4.打开呼吸器,联接好相应的管路。
5.调节呼吸器的压力、速率、时间和氧气浓度等参数。
6.监测病人的呼吸、血氧和心率。
7.按照使用说明书的规定进行操作并随时检查呼吸器的工作情况。
8.使用结束,要彻底清洗呼吸器和相应的管路,以便下次使用。
新型简易呼吸器在冠状病毒疫情中的治疗应用是极其重要的,但是对于使用者的技术要求和成本控制都是严峻挑战。
在使用前,必须认真查看相应的说明书,熟悉呼吸器的各项参数,小心谨慎地使用。
在使用过程中,要时刻检查呼吸器的各项指标,保证呼吸器的安全和治疗效果,以便更好地战胜冠状病毒疫情。
简易呼吸器检测方法
简易呼吸器的检测方法是确保其正常运作的重要步骤。
首先,要检查呼吸器的外观是否清洁,是否有破损。
接着,挤压气囊单向阀张开,手松开,气囊回弹,单向阀关闭,以检测单向阀和气囊的功能是否完好。
然后,用手堵住出气口,关闭压力安全阀,挤压气囊,检查是否有气体溢出。
打开压力安全阀后再次挤压气囊,气体应该自安全阀溢出,以检测压力安全阀的性能是否良好。
接下来,将储氧袋连同储气阀至出气口,挤压气囊,储氧袋应该膨胀,以检测进气阀和储气阀的性能是否良好。
然后,将储氧袋连同储气阀与出气口分离,堵住储气阀出口,挤压储氧袋,气体应该自储气安全阀溢出,以检测储气安全阀的性能是否良好。
最后,将储氧袋与出气口连接,充气,挤压储氧袋,气体应该自呼气阀溢出,以检测呼气阀的性能是否良好。
如果储氧袋充气后与出气口分离,堵住储氧袋出口,挤压储氧袋,没有漏气,则说明储氧袋的性能良好。
最后,将充气的储氧袋至进气口,挤压气囊确认呼吸器为单向进出。
最后,
挤压球囊,球囊塌陷,堵住进气口,球囊慢慢恢复,确认氧气连接口的功能正常。
简易呼吸器的检测与使用操作流程评分步骤下载温馨提示:该文档是我店铺精心编制而成,希望大家下载以后,能够帮助大家解决实际的问题。
文档下载后可定制随意修改,请根据实际需要进行相应的调整和使用,谢谢!并且,本店铺为大家提供各种各样类型的实用资料,如教育随笔、日记赏析、句子摘抄、古诗大全、经典美文、话题作文、工作总结、词语解析、文案摘录、其他资料等等,如想了解不同资料格式和写法,敬请关注!Download tips: This document is carefully compiled by theeditor.I hope that after you download them,they can help yousolve practical problems. The document can be customized andmodified after downloading,please adjust and use it according toactual needs, thank you!In addition, our shop provides you with various types ofpractical materials,such as educational essays, diaryappreciation,sentence excerpts,ancient poems,classic articles,topic composition,work summary,word parsing,copy excerpts,other materials and so on,want to know different data formats andwriting methods,please pay attention!简易呼吸器的检测与使用操作流程评分步骤简易呼吸器,又称球囊面罩通气器,是医疗急救中常见的一种设备,用于帮助无法自主呼吸或呼吸困难的患者进行人工呼吸。
简易呼吸器检测流程
1、进气阀进气功能检测:用右手按压呼吸囊,呼吸囊塌陷后,用左手堵住出气口(病人阀),放开右手,此时呼吸囊迅速膨胀,证明进气阀功能正常及囊弹性好。
2、进气阀出气功能检测:用左手堵住出气口(病人阀),用右手按压呼吸囊,感觉有阻力不易压下,证明进气阀瓣膜功能好,能堵住进气口,防止气体倒流及呼吸囊无漏气。
3、病人阀之鸭嘴阀功能检测:挤压呼吸囊数次,观察鸭嘴阀(唇膜)的张开与闭合情况,挤压呼吸囊时鸭嘴阀(唇膜)张开,放松呼吸囊时鸭嘴阀(唇膜)闭合,证明鸭嘴阀(唇膜)功能正常。
4、病人阀之圆盘瓣膜功能检测:将储氧袋连接到出气口(病人阀)并用手固定,挤压呼吸囊数次氧袋充满气,然后用手按压储氧袋,观察圆盘瓣膜,如圆盘瓣膜外部张开,证明其功能正常,是病人呼出气体通过圆盘瓣膜排出体外,而不会进入呼吸囊。
5、氧气连接口检测:按压呼吸囊,呼吸囊塌陷后,用手堵住进气口,此时呼吸囊慢慢恢复,证明氧气连接口功能正常,气体进入通畅。
6、连接阀出气瓣膜功能检测:将储氧袋连接到出气口(病人阀充满气,然后将储氧袋连接到连接阀,挤压储氧袋,观察出气瓣膜,此时出气瓣膜张开,证明其功能正常。
7、连接阀进气瓣膜功能检测:储氧袋扁平后,继续挤压呼吸囊数次,观察连接阀进气瓣膜,此时进气瓣膜上下拍动,呼吸囊能迅速膨胀,证明连接阀进气瓣膜功能正常,若储氧袋无氧时,外部空气也能通过连接阀进气瓣膜进入呼吸囊,继续顺利进行通气。
简易呼吸器检测步骤
一、挤压球体,球体易被压下,鸭嘴阀张开;将手松开,球体很快自动弹回原状,说明鸭嘴阀、进气阀功能良好;
二、将出气口用手堵住并关闭压力安全阀,挤压球体时,球体不易被压下,说明球体、进气阀、压力安全阀功能良好;
三、将出气口用手堵住并打开压力安全阀,挤压球体时,有气体自压力安全阀溢出,说明压力安全阀功能良好;四、将储氧袋接在患者接头处,挤压球体,鸭嘴阀张开,使储氧袋膨胀,堵住储氧袋出口,挤压储氧袋,检查储氧袋是否漏气;
五、将储氧袋接在患者接头处,挤压球体,使储氧袋膨胀,挤压储氧袋,可见呼气阀打开,气体自呼气阀溢出,说明呼气阀功能良好;
六、将储氧袋接上储氧阀,并接在患者接头处,挤压球体,使储氧袋膨胀,说明储氧阀功能良好;堵住储氧阀出口,挤压储氧袋,气体自储氧安全阀溢出,说明储氧安全阀功能良好。
【感谢您的阅览,下载后可自由复制或修改编辑,敬请您的关注】
1 / 1。