LED吸顶灯使用说明书
- 格式:doc
- 大小:1.51 MB
- 文档页数:4
Led 灯简易使用说明书
一、 后面板图解说明
菜单 减键 加键 却换/进入 操作说明:
1、 按菜单键可在’IMAGE ’、’DMX ’、’STAT ’、’RUN ’、’AUTO ’、’TEMP ’、’VOX ’、
‘MODE ’8个菜单中选择;
2、 按却换/进入键可以进入相应菜单的子项,且有多个子项时按此键进行子项
之间的却换;
3、 减键和加键进行数值的加减和功能的设置;
4、 在参数设置好后,按菜单键退出此菜单并将参数记忆;
二、 Led 显示功能对照表
三、Dmx512通道说明3通道:
6通道:
9通道:
四、技术指标
1、工作电压:AC220v 50Hz
2、最大功率:<200W
3、亮度:3m距离>3500 CD
4、颜色:R 控制等级0—255
G 控制等级0—255
B 控制等级0—255
W 控制等级0—255
5、频闪:控制等级11——255
6、灯杯角度:15度、30度、45度可选
7、温升:<40度
8、灯体可调角度:>180度
长沙新画佳光电子有限公司
2010-2-8。
Features• Enhanced, uniform lighting delivers a balanced amount of light to walls, cubicles, work surfaces and people • Laser formed frosted lens• Standard low voltage 1%dimming (0-10v)• For use in insulated ceilingsFeatured Options • Tunable White• Emergency battery pack• Flexible metal whip - 6” x 3/18 gauge conductorsOptical SystemStandard frosted laser formed one-piece diffuser, offers high levels of efficiency and visual comfort.MountingThis luminaire has been specifically designed for T-Bar applications and features integral earthquake clips for additional support. Ceiling tile provided by others.ConstructionDie-formed, code gauge steel housing. Precision-formed steel reflector.FinishWhite polyester powder painted surfaces.ElectricalLong life LEDs coupled with high efficiency drivers, provide quality illumination.Rated to deliver L80 performance > 60,000 hours.Warranty5 year limited warranty. For complete warranty, click here:Consult installation guide for exact dimensions.Product DescriptionThe Outline TM LED luminaire provides dramatic visual impact to any modern architectural space. This specification-grade, recessed luminaire features angular accents and a single continuous lens for modern styling and high visual comfort. The Outline TM is perfect for use with indoor architectural applications where low-glare, high-quality and ease of installation are required. This IC-rated lay-in T-Bar luminaire’s low-profile design makes it ideal for shallow or obstructed plenum applications.ApplicationsOffice Areas, Retail Stores, ClassroomsDimensionsTop ViewEnd ViewApprovals• Approved to CSA/UL standards. UL listed for insulated ceilings.• Tested in accordance to IESNA LM-79.• Suitable for damp locations.Order KeyPerformance Data030L - 3000 (1000 lm/ft)045L - 4500 (1500 lm/ft)Driver OptionsLow voltage dimming (0-10v) standard B39 Emergency Lighting Battery Pack - LED*Packaging Options K0 Bulk Pack/Pallet Packed and/or Wrapped Housing Construction Options C45 Housing for tegular tilesWiring Options V09 Flexible Whip (standard 6Ft. x 3-18 ga.)V99(C01) Casambi Wireless Controller Module V99(L05) Lutron Wireless RF Sensor Controls OptionsTo view the controls guide Click Here .^ 90+ CRI reduces lumen output by 20%, not available with 5000K *All emergency models will be with remote lighting battery pack.*** When Selecting 2765KT, if a tunable white-compatible control is not selected the luminaire will come standards with two sets of 0-10V wires for dimming and color tuning (see tunable white diagram for details). For compatible control options please consult factory.Other options may be available, consult factory. Specifications and data subject to change without notice.EXAMPLE: OTLU2X2- LED840K030LUNV2765KT - 2700-6500 K(Tunable White)***Performance Scaling Factor** Ceiling tile or similar requiredLifetime ExpectancyPhotometricsWhen Selecting 2765KT, if a tunable white-compatible control is not selected the luminaire will come standard with two setsof 0-10V wires for dimming and color tuning. For compatible control options please consult factory.Dim and CCT control wire colors are subject to change without notice. All control wires are marked per the parentheses.Tunable WhiteBlack (Hot)White (Neutral)Green (Ground)Purple (Dimming +)Pink (Dimming -)Orange (CCT +)Brown (CCT -)。
ApplicationDownlightPanel LightFlood LightSpotlightCeiling LightFloor LightDecorative LightSummaryProduct FeaturesEUP15AD-1HMC-0 (Product No.:100100071101)Technical ParamatersDimension(mm)EUP15AD-1HMC-0 is a 15W AC/DC constant current mode output LED driver featuring the multiple levels selectable by DIP switch , complies with DALI standard protocol IEC 62386,and provides multiple dimming function (DALI,1-10V active signal ,PWM, adjustable resistance, and Touch DIM) to achieve a smooth dimming effect.·Single channel output, output current level selectable by DIP S.W.·Support a variety of dimming mode (DALI/1-10V active signal/adjustable resistance/PWM/Touch DIM )·Built-in active PFC function·Class 2 power supply. Full protective plastic housing ·Dimming effect smooth, no flicker·Protections: Short circuit, over load, over temperature·Suitable for indoor LED lighting application, such as down light, spot light,panel light, and so onPush DIM(Touch DIM) DiagramPush DIM Function1. Short press the Touch DIM switch (<0.5s) to control the lamp on or off.2. Long press the Touch DIM switch (>0.5s) to dim the brightness of light. The dimming direction will change every time after pressing switch.3. Double-click the Touch DIM switch (<0.3s), then all lamps connected on the device will be set maximum brightness.4. The brightness adjustment range is 1%-100%, and the light can be turned off through short pressing when doing the adjustment with long pressing Touch DIM switch.5. With the Power off memory function, the power-down state will be recovered when power on again.DALI DiagramRemark: Only use open push button without indicator light. Maximum cable length between each Unit: 20 meters.※ The contents of this manual are updated without prior notice. If the function of the product you are using is inconsistent with the instructions, the function of the product shall prevail.Please contact us if you have any questions .DALI Dimming Curve20406080100120DALI Dimming Level O u t p u t C u r r e n t (%)Derating Curve1-10V/PWM/adjustable resistanceAmbient Temperature(℃)-20020406080100120L o a d (%)-100102030405060Cautions1.This product should be installed by qualified personnel.2.This product is non waterproof, need to avoid sun and rain.In case of outdoor use, please ensure it is mounted in a water proof enclosure.3.Good heat dissipation conditions extend product life. Please install the product in a well-ventilated environment.4.Please make sure LED power supply output voltage, current is used to meet the product requirements.5.Please ensure that adequate sized cable is used from the controller to the LED lights to carry the current. Please also ensure that the cable is secured tightly in the connector.6.Due to safety concerns, PVC or rubber cord of 0.75- 1.5mm ² is recommended for input and output terminal(s)(excluding signal terminals). Flat power cord is not suitable.Ensure all wire connections and polarities are correct before applying power to avoid any damages to the LED lights.7.In case of malfunction, do not repair it yourself.12010080604020Input signal (%)O u t p u t (%)071319263239455258657177849097·DALI Mode·1-10V/PWM/adjustable resistanceDALI Signal InputDALI MasterL NL N·Touch DIM Mode应用筒灯面板灯投光灯射灯吸顶灯落地灯装饰灯概述产品特点·单通道恒流输出,多级电流可选·支持多种调光方式(DALI/1-10V 有源信号/可调电阻/PWM/Touch DIM )·高电压输入:220VAC ~ 240VAC ·Class 2电源, 全防护塑胶外壳·内建主动式PFC 功能·短路保护,过载保护,过温保护·适用于LED 室内灯具,比如筒灯,射灯,面板灯等EUP15AD-1HMC-0 (产品代码:100100071101)EUP15AD-1HMC-0 是一款可以提供350/400/450/500mA 4档电流的LED 驱动器。
灯具使用说明书一、产品概述本产品是一款高性能的灯具,适用于家庭、办公室、商场等各种室内空间。
采用先进的LED技术,具有高亮度、省电、长寿命等优点,是一种环保节能的照明产品。
二、注意事项1. 请勿将本产品暴露在潮湿或有腐蚀性气体的环境中,以免影响正常使用。
2. 请确保电源电压符合产品标识上的要求,过高或过低的电压都会对产品产生不良影响。
3. 请勿频繁开关灯具,过度开关会缩短产品的使用寿命。
4. 在更换灯泡或维修时,请确认灯具已断电,并等待一段时间以保证温度降低,避免触电的危险。
三、安装步骤1. 在安装前,请确保灯具的电源已经关闭,以免发生电击事故。
2. 找到合适的安装位置,并用螺丝固定好灯具底座。
3. 将灯具的配件按照说明书所示进行组装,并保持固定。
4. 将灯具插座与电源线连接,注意正负极的对应关系。
5. 将灯具的灯泡安装好,并确保连接牢固。
6. 检查安装好的灯具,确保各个部件牢固可靠,然后进行通电测试。
四、操作说明1. 开启:打开电源开关,灯具将亮起。
2. 调整亮度:本产品支持调节亮度功能,请根据具体需求使用对应的调光开关进行调节。
3. 灯光模式切换:本产品支持多种灯光模式,可通过开关或遥控器进行切换。
4. 关闭:关闭电源开关,灯具将熄灭。
五、保养与维护1. 定期清洁:使用柔软的布擦拭灯具表面,不要使用有腐蚀性的清洁剂。
2. 安全检查:定期检查灯具的线路、插头等部件,如有损坏或漏电现象,请停止使用并联系专业维修人员。
3. 注意防水:本产品适合室内使用,切勿将灯具放置在潮湿的环境中,以免发生触电或短路事故。
六、常见问题解答Q: 灯具无法开启怎么办?A: 请检查电源是否正常连接,确认电路没有故障后再尝试开启灯具。
Q: 灯光亮度无法调节怎么办?A: 请确保使用的调光开关与灯具兼容,并检查灯具的亮度调节功能是否正常。
Q: 灯具发出杂音怎么办?A: 杂音可能来自灯具的电源或线路,建议停止使用并联系专业维修人员进行检修。
LED灯产品说明书
一、产品概述
LED灯是一种高效、环保、节能的照明产品,采用最新的LED技术,具有长寿命、低能耗、高亮度等优点。
本产品适用于家庭、办公室、商场、酒店等场所的照明需求。
二、产品特点
1.长寿命:LED灯的使用寿命长达5万小时以上,比传统白炽灯和荧光灯更耐用。
2.低能耗:LED灯的能耗仅为传统白炽灯的1/10,具有极高的节能效果。
3.高亮度:LED灯的亮度比传统白炽灯更高,能够提供更明亮的照明效果。
4.环保:LED灯不含有害物质,对环境和人体健康无害。
5.易于安装:LED灯采用标准接口,可以方便地安装到各种灯具上。
三、使用方法
1.安装:请按照说明书中的步骤正确安装LED灯,确保电源连接稳定。
2.使用:打开电源开关,LED灯即可正常工作。
可以根据需要调节亮度。
3.维护:定期清理灯具表面灰尘,保持灯具清洁。
如遇故障,请联系专业维修人员。
四、注意事项
1.请勿在潮湿环境下使用LED灯。
2.请勿在高温环境下长时间使用LED灯。
3.请勿在电源不稳定的环境下使用LED灯。
4.请勿拆卸或自行维修LED灯。
五、售后服务
本产品自购买之日起享受一年质保服务。
如有质量问题或使用不当导致的损坏,可凭购买凭证免费维修或更换。
灯具说明书格式范文
---。
产品名称, LED吸顶灯。
产品概述,本产品是一款现代简约风格的LED吸顶灯,适用于客厅、卧室等家居环境。
产品特点:
1. 高亮度LED光源,节能环保。
2. 铝合金材质,耐用不易变形。
3. 可调光设计,满足不同场景需求。
4. 简约外观,搭配各种家居风格。
安装说明:
1. 请在安装前断电。
2. 将安装底座固定在吸顶上。
3. 连接电源线,注意接线正确。
4. 将灯具固定在安装底座上。
使用说明:
1. 通电前请确认电源线连接正确。
2. 使用遥控器可进行调光操作。
3. 避免长时间在高亮度状态下使用。
维护保养:
1. 定期清洁灯具表面,避免灰尘积累影响光线效果。
2. 注意防水防潮,避免灯具受潮损坏。
注意事项:
1. 请勿私自拆卸灯具,以免造成安全隐患。
2. 使用过程中如发现异常情况,请及时断电并联系售后服务。
---。
以上是一个简单的灯具说明书格式范文,具体的说明书内容可以根据实际产品特点和要求进行调整和完善。
希望对你有所帮助。
HFC全智能吸顶灯使用说明书一、前言……………………………………………………………………………………二、快速入门………………………………………………………………………………三、功能描述………………………………………………………………………………四、遥控器介绍……………………………………………………………………………4.1电池的安装4.2遥控器界面介绍4.3遥控器学习配对4.4遥控器解除配对五、移动设备(手机、平板电脑)的运用………………………………………………5.1基本配置要求5.2下载软件5.3安装软件5.4与设备配对5.5功能界面介绍六、调色……………………………………………………………………………………6.1条形RGB提取颜色6.2圆盘RGB提取颜色6.3相机/图片提取颜色七、设置功能…………………………………………………………………………………6.1设置语言6.2设置定时器6.3设置设备的名称6.6查找其它设备八、应用场合…………………………………………………………………………………九、注意事项…………………………………………………………………………………十、安装………………………………………………………………………………………十一、产品规格………………………………………………………………………………一、前言感谢您使用由本公司开发的自主产品,HFC智能吸顶灯。
二、快速入门第一步:安装好吸顶灯,确保上电时能亮。
方法:上电时,默认为开灯状态。
第二步:给遥控器装上电池,确保电池有电和装正确。
方法:试按其中按键,前端指示灯会闪烁。
第三步:长按住“关”键不放,然后给吸顶灯上电。
第四步:继续按住不放,如果5秒以内,吸顶灯会灭,则遥控器已经可以使用。
三、功能描述1.外观美,造型别致,极富现代时尚感;操作简单,按键一目了然。
2.光源采用冷光LED+暧光LED+可调颜色的RGB灯,为您提供全方位光源需求。
LED节能型吸顶灯使用说明书致尊敬的用户:感谢您购买产品!为了你更好的使用,安装使用前请仔细阅读本使用说明书!以便正确安装使用,同时请保管好此说明书。
安全注意事项:[ 警告]¤请严格按照使用说明书进行安装。
安装不当易引起坠落、触电、火灾等事故发生。
¤请勿随意改造、调换灯具部件,以免灯具破损、坠落、触电、火灾等事故发生。
[ 注意]¤电源电压不要超过规定范围(额定电压230±10V,频率50Hz)。
灯具长时间在非额定电压范围下工作,易引起灯具过早损坏。
¤请勿将灯具安装于倾斜场所,不稳定、不坚固的天花板。
此灯具专用于天花吸顶安装。
¤请勿将灯具安装于浴室等潮湿场所或室外使用。
¤请勿安装于高温物体上方,不可安装在火炉、煤气及排气筒等物体正上方,以免引起损坏。
¤请勿与调光器及频繁开关的电器(如声光控,感应开关等)并联使用。
本灯具为非调光型产品,请勿接调光控制器,避免出现故障。
¤为确保安全,维修、检查灯具时,请委托电器专业人员操作。
非专业人员施工容易发生危险。
¤灯具发生异常现象时,请迅速切断电源,并请专业人士检查维修。
¤灯具表面有脏物时需擦拭时,请用柔软布料沾肥皂水拧干后擦拭,再用干布擦净。
请不要用稀释剂、汽油等易腐蚀液体进行擦拭,否则会导致灯具变色或损坏。
各部件名称及安装方法:注意:安装前请务必切断电源,以防触电!1.打开包装取出灯具,逆时针旋转,取下灯罩。
2.根据底盘的安装孔位在天花等墙体安装位置打孔,装膨胀螺钉(或尼龙塞、塑料塞等),再进行底盘安装,然后用自攻螺丝锁住。
3.接好AC电源输入线,并做好绝缘防护措施。
4.安装好底盘,检查电源连接正确,底盘牢固后,将灯罩装入底盘,顺时针旋紧灯罩。
5.注意:①灯具若安装不稳,需重新寻找可以牢固安装位置,以免灯具坠落。
②固定底盘前检查电源线应穿过电源线孔,装打螺丝时请注意不要打在电源线。
LED吸顶灯的使用配件及流程一、配件列表•主机:LED吸顶灯主机•灯罩:透明或半透明灯罩•灯珠:LED灯珠•支架:吸顶灯支架•驱动器:灯珠驱动器•电源线:连接主机和电源的线材•开关:用于控制灯的开关二、安装流程1.准备工作–先关闭电源,确保安全操作。
–检查配件是否齐全,并确保其完好无损。
2.安装支架–将支架和吸顶灯主机配对,将支架固定在天花板上。
–使用螺丝将主机固定在支架上。
3.安装灯珠–将LED灯珠连接到灯珠驱动器上。
–将灯珠驱动器与吸顶灯主机连接。
4.安装灯罩–将透明或半透明灯罩固定在吸顶灯主机上。
–确保灯罩安装牢固,不易掉落。
5.连接电源–将电源线连接到吸顶灯主机和电源上。
–注意正负极的连接,确保电源线正确接入。
6.安装开关–将开关连接到电源线上。
–将开关安装在墙壁上适当的位置。
7.收尾工作–检查所有连接是否牢固。
–打开电源,查看灯是否正常工作。
–清理安装过程中产生的垃圾和杂物。
三、LED吸顶灯的使用流程1.打开开关–找到安装在墙壁上的开关。
–将开关拨到打开的位置。
2.控制亮度–如果吸顶灯支持调光功能,可根据需要调整亮度。
–操作方式可以是旋钮调节、遥控器操作等。
3.控制灯光色温–如果吸顶灯支持调光功能,可以调节灯光的色温。
–大部分吸顶灯支持冷暖光调节,可根据环境需要选择合适的色温。
4.关闭开关–当不需要使用吸顶灯时,将开关拨到关闭的位置即可。
四、注意事项•安装前确保电源已关闭,以免触电危险。
•在安装过程中小心操作,避免损坏配件。
•安装时注意力量平衡,确保各部件稳固。
吸顶灯的安装和使用范本(____字)第一部分:吸顶灯的安装一、准备工作在开始安装吸顶灯之前,需要进行一些准备工作:1.确定安装位置:根据自己的需求和房间的结构,确定吸顶灯的安装位置。
确保安装位置与电源线接头相对应。
2.检查电路和电源线:在开始安装之前,务必确保电路和电源线的安全性能良好。
如发现问题,必须先进行修复或更换。
3.选择合适的吸顶灯:根据房间的大小和需求,选择合适的吸顶灯。
确保吸顶灯的尺寸和重量与安装位置相匹配。
4.准备工具和材料:安装吸顶灯需要一些工具和材料,例如螺丝刀、螺丝、电线连接器、绝缘胶带等。
二、安装步骤根据下面的步骤进行吸顶灯的安装:1.关闭电源:在开始工作前,确保关闭电源开关,以免触电造成危险。
2.拆卸原有灯罩:如果原有的灯具是吸顶灯,需要先拆卸原有的灯罩和灯泡。
3.检查电源线:打开原有灯具的盖板,检查电源线是否完好无损,没有老化或断裂。
4.安装吸顶灯底座:使用螺丝刀将吸顶灯底座固定在安装位置上。
确保底座与天花板平稳连接。
5.连接电源线:将吸顶灯的电源线与天花板上的电源线连接。
使用绝缘胶带将两根电源线牢固地连接在一起。
6.安装吸顶灯灯罩:将吸顶灯的灯罩固定在底座上。
使用螺丝刀轻轻旋转灯罩,直至灯罩与底座紧密贴合。
7.开启电源:在确保吸顶灯已正确安装后,打开电源开关,测试吸顶灯的亮度和开关是否正常。
第二部分:吸顶灯的使用一、操作方式吸顶灯的操作一般有两种方式:1.墙壁开关:通过墙壁上的开关来控制吸顶灯的开关和亮度。
打开墙壁开关,吸顶灯会亮起;关闭开关,吸顶灯将熄灭。
2.遥控器:一些高级的吸顶灯配备了遥控器,可以通过遥控器来控制吸顶灯的开关、亮度和灯光色彩等功能。
二、常见问题与解决方法在使用吸顶灯的过程中,可能会遇到一些常见的问题。
以下是一些常见问题及解决方法:1.吸顶灯不亮:首先检查电源线是否连接正确,确保电源开关已打开。
如果电源线连接正确且电源开关已打开,可能是灯泡烧坏了,需要更换新的灯泡。
led吸顶灯产品说明书
点击次数:3 更新时间:2014-12-23 15:11:28 【打印此页】【关闭】产品参数:
尺寸:Φ300mm/Φ350mm/Φ400mm
入电压: AC85-265V 50/60Hz
LED数量:8/12/18/24
LED规格:SMD3528
功率:8W/12W/15W/21W
功率因数:>0.92
成品光通量:760LM/1150LM /1710LM/2280LM
色温:2700-6500K
颜色:正白/暖白
显色指数:>85%
驱动:恒流驱动
发光角度: 180°
外壳材质:亚克力
外壳颜色:乳白
底盘材质:铝基板
净重: 0.32kg/0.46kg/0.63kg
体积重量: 1800/3011.8/4057
工作温度:-20-45℃
使用寿命:≥50000小时
包装:塑料袋套入彩盒
产品特色
1.简约家居,节能之选择;
2.全面取代,与传统灯具尺寸一致;
3.采用3528LED灯珠,正面发光模式,光色均匀无暗区;
4.外罩采用PMMA材料,透明光率高,防眩光;
5.无红外和紫外辐射,无频闪,可频繁开关启动,无闪烁和眩光现象,显色性能好;
6.环保,无汞污染;
7.节能显著,例如:12W可代替传统22W,节能40%以上;
8.内置电源,接线简单,安装方便;
9.使用寿命35000小时;
10.在环境温度50℃测试,6000小时光通量维持率≥93%,35000小时光通量维持≥70% 。
使用范围
广泛应用于写字楼、工厂、宾馆、商场、学校、医院;以及其他各类办公场所或地下车库等场所的照明;。
吸顶灯的安装和使用范文
吸顶灯是一种常见的照明设备,其安装和使用非常简单便捷。
下面将为大家介绍吸顶灯的安装和使用方法。
首先,准备工作非常重要。
首先,检查要安装吸顶灯的天花板是否坚固,能够承受吸顶灯的重量。
其次,购买安装吸顶灯所需的材料和工具,包括吸顶灯、吊钩、电线连接器、螺丝刀等。
另外,确保断开电源,避免触电的危险。
其次,开始安装吸顶灯。
首先,按照吸顶灯的尺寸在天花板上标出安装位置。
然后,使用电钻在标记位置处打孔,将吊钩安装在孔内。
接下来,将吸顶灯的电线通过吊钩穿过,并使用电线连接器将电线与天花板上的电源线连接。
最后,使用螺丝刀将吸顶灯固定在吊钩上。
安装完成后,再次检查吸顶灯是否牢固。
然后,开始使用吸顶灯。
首先,接通电源,确保吸顶灯供电正常。
然后,可根据需要使用开关来控制吸顶灯的开关。
使用时,要注意避免频繁开关灯,以免影响灯具寿命。
需要特别提醒的是,使用吸顶灯过程中要注意安全,避免触电和短路等危险。
在吸顶灯的使用过程中,还需要注意一些细节问题。
例如,定期检查吸顶灯的接线是否松动,以及清洁吸顶灯灯罩表面,以保持灯具的亮度和美观。
另外,在选择吸顶灯时,应根据室内的装修风格和照明需求,选择适合的吸顶灯款式和光源类型,以达到良好的照明效果。
总之,吸顶灯的安装和使用非常简单,并且具有较长的使用寿命和良好的照明效果。
通过按照正确的安装和使用方法来使用吸顶灯,
可以为生活和工作提供舒适的照明环境。
希望以上内容能够对大家在吸顶灯的安装和使用方面提供帮助和指导。
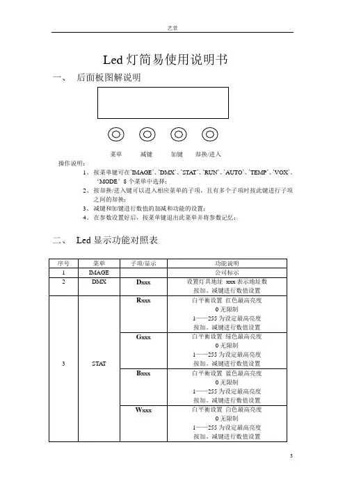
Led 灯简易使用说明书
一、 后面板图解说明
菜单 减键 加键 却换/进入 操作说明:
1、 按菜单键可在’IMAGE ’、’DMX ’、’STAT ’、’RUN ’、’AUTO ’、’TEMP ’、’VOX ’、
‘MODE ’8个菜单中选择;
2、 按却换/进入键可以进入相应菜单的子项,且有多个子项时按此键进行子项
之间的却换;
3、 减键和加键进行数值的加减和功能的设置;
4、 在参数设置好后,按菜单键退出此菜单并将参数记忆;
二、 Led 显示功能对照表
三、Dmx512通道说明3通道:
6通道:
9通道:
四、技术指标
1、工作电压:AC220v 50Hz
2、最大功率:<200W
3、亮度:3m距离>3500 CD
4、颜色:R 控制等级0—255
G 控制等级0—255
B 控制等级0—255
W 控制等级0—255
5、频闪:控制等级11——255
6、灯杯角度:15度、30度、45度可选
7、温升:<40度
8、灯体可调角度:>180度
长沙新画佳光电子有限公司
2010-2-8。
LED吸顶灯遥控器使用说明书尊敬的用户:欢迎您使用我们的 LED 吸顶灯遥控器。
为了让您能够更加便捷、舒适地使用本产品,充分发挥其功能,请您在使用前仔细阅读本使用说明书。
一、产品概述本遥控器是专门为 LED 吸顶灯设计的,通过无线信号控制吸顶灯的开关、亮度调节、颜色切换等功能,为您提供更加个性化和便捷的照明体验。
二、遥控器外观及按键说明1、开关键位于遥控器顶部,圆形按钮,标有“ON”和“OFF”字样,用于打开和关闭吸顶灯。
2、亮度调节键通常为“+”和“”符号,用于增加或降低吸顶灯的亮度。
3、颜色切换键标有不同颜色的图标,如白色、暖白色、黄色等,用于切换吸顶灯的颜色。
4、情景模式键可能标有“阅读”“睡眠”“聚会”等字样,可一键切换到预设的照明情景模式。
三、使用方法1、安装电池打开遥控器背面的电池盖,按照正负极指示装入合适的电池(一般为七号电池),然后盖上电池盖。
2、开灯按下“ON”键,吸顶灯将亮起。
3、关灯按下“OFF”键,吸顶灯将关闭。
4、亮度调节持续按下“+”键,吸顶灯的亮度会逐渐增加;持续按下“”键,亮度会逐渐降低。
您可以根据自己的需求调整到合适的亮度。
5、颜色切换按下相应颜色的切换键,吸顶灯的颜色将随之改变。
6、情景模式选择按下情景模式键,吸顶灯将切换到对应的照明模式,如阅读模式提供明亮且集中的光线,适合阅读;睡眠模式提供柔和暗淡的光线,有助于睡眠。
四、有效距离及使用注意事项1、有效距离本遥控器在无障碍物干扰的情况下,有效控制距离一般为5 10 米。
请尽量在有效距离内使用遥控器,以确保信号稳定和控制准确。
2、避免障碍物遥控器与吸顶灯之间尽量避免有大型金属物体、厚墙等障碍物,这些可能会影响无线信号的传输,导致控制不灵敏。
3、电池更换当遥控器操作不灵敏或无法操作时,可能是电池电量不足,请及时更换新电池。
4、防水防潮遥控器应避免接触水或处于潮湿环境中,以免损坏内部电路。
5、妥善保管请将遥控器放置在儿童不易接触到的地方,以免儿童误操作或损坏遥控器。
L E D吸顶灯使用说明书-CAL-FENGHAI.-(YICAI)-Company One1
LED节能型吸顶灯使用说明书
致尊敬的用户:
感谢您购买产品!为了你更好的使用,安装使用前请仔细阅读本使用说明书!以便正确安装使用,同时请保管好此说明书。
安全注意事项:
[ 警告 ]
¤请严格按照使用说明书进行安装。
安装不当易引起坠落、触电、火灾等事故发生。
¤请勿随意改造、调换灯具部件,以免灯具破损、坠落、触电、火灾等事故发生。
[ 注意 ]
¤电源电压不要超过规定范围(额定电压230±10V,频率50Hz)。
灯具长时间在非额定电压范围下工作,易引起灯具过早损坏。
¤请勿将灯具安装于倾斜场所,不稳定、不坚固的天花板。
此灯具专用于天花吸顶安装。
¤请勿将灯具安装于浴室等潮湿场所或室外使用。
¤请勿安装于高温物体上方,不可安装在火炉、煤气及排气筒等物体正上方,以免引起损坏。
¤请勿与调光器及频繁开关的电器(如声光控,感应开关等)并联使用。
本灯具为非调光型产品,请勿接调光控制器,避免出现故障。
¤为确保安全,维修、检查灯具时,请委托电器专业人员操作。
非专业人员施工容易发生危险。
¤灯具发生异常现象时,请迅速切断电源,并请专业人士检查维修。
¤灯具表面有脏物时需擦拭时,请用柔软布料沾肥皂水拧干后擦拭,再用干布擦净。
请不要用稀释剂、汽油等易腐蚀液体进行擦拭,否则会导致灯具变色或损坏。
各部件名称及安装方法:
注意:安装前请务必切断电源,以防触电!
1.打开包装取出灯具,逆时针旋转,取下灯罩。
2.根据底盘的安装孔位在天花等墙体安装位置打孔,装膨胀螺钉(或尼龙塞、塑料塞等),再进行底盘安装,然后用自攻螺丝锁住。
3.接好AC电源输入线,并做好绝缘防护措施。
4.安装好底盘,检查电源连接正确,底盘牢固后,
将灯罩装入底盘,顺时针旋紧灯罩。
5.注意:
①灯具若安装不稳,需重新寻找可以牢固安装位置,
以免灯具坠落。
②固定底盘前检查电源线应穿过电源线孔,装打螺丝时请注意不要打在电源线。
③电源线若连接不当,易引起产品不亮或火灾等事故。
④灯罩必须旋紧,安装不妥,会导致灯罩坠落。
包装清单:
LED 节能型吸顶灯 1个说明书 1张
保修卡 1张
合格证 1张
提示:本公司保留更改产品设计与规格的权力,恕不另行通知
LED节能型吸顶灯的参数:
规格:直径260mm/320mm/380mm
功率:10W/14W/18W
灯珠规格:SMD5730/5630
单珠流明值:
成品光通量:(见附件”灯罩透光率参数”)
LED数量:24PCS/30PCS/36PCS
工作电压:230±10V
外壳材料:PMMA/水晶/铝件
防水等级:请在室内使用
产品重量:待定
使用寿命:≥50000小时
灯具安装示意图:
产品合格证:
产品保修卡
尊敬的用户,您好!
欢迎使用本公司产品。
你所购买的产品在正常使用的情况下,凡是由于正常使用造成的质量问题,自购买之日起一年内,负责免费维修。
凡是由于用户不按本产品说明书要求,自行安装、拆缷或不正确使用而造成的损坏本公司可提供维修,但收取适当服务及零件费用。
保修条例:
1.用户自购买之日起,在正常使用情况下(由本公司授权的技术人员判定),对损坏或发生故障的保修零件免费保修及更换。
2.在保修期内曾经由我维修中心以外的维修人员修理或更改过的产品,或安装不当、输入不正确电压,使用不当、意外事件或自然灾害等原因引起故障的产品不属于保修范围。
3.制造商有权决定是维修还是更换出问题的部件。
4.制造商有权检查产生故障的原因。
5.本公司保留对此保修卡上内容的解释权。
6.制造商不免费承担本说明不包含,或购货合同不包含的其它要求和改进。
提示:产品维修时请你提供保修卡。