室内消火栓检查表(1)
- 格式:docx
- 大小:10.73 KB
- 文档页数:2
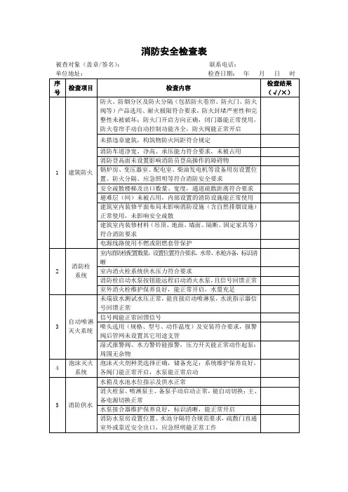
消防检查内容安全部每月至少对各车间、部门消防安全检查两次(每月10 日— 13 日完成第一次消防安全检查,22 日—25 日完成第二次消防安全检查)。
遇节假日、重大活动按领导要求及时调整并按时完成消防安全检查。
1.火灾隐患的整改情况以及防范措施的落实情况。
2.安全疏散通道、疏散指示标志、应急照明和安全出口情况。
3.消防车通道、消防水源情况。
4.消防设施、器材和消防安全标志是否在位、完整及有效;灭火器材配置及有效情况。
5.用火、用电有无违章情况。
6.重点工种人员以及其它员工消防知识的掌握情况。
7.消防安全重点部位人员在岗在位及管理情况。
8.易燃易爆危(wei)险品和场所防火防爆措施的落实情况以及其他重要物资的防火安全情况。
9.各单位安全管理部门的防火日检查情况。
10.常闭式防火门是否处于关闭状态,防火卷帘下是否堆放物品影响使用。
11.消防安全标志的设置情况和完好、有效情况12.其它需要检查的内容。
(一)查阅消防档案查阅消防档案应注意以下几点:1.问询各部门、各岗位的消防安全管理人,了解其实施和组织落实消防安全管理工作的概况以及对消防安全工作的熟悉程度。
2.检查消防安全制度和操作规程是否符合相关法规和技术和技术规程。
(二)问询员工1.问询各部门、各岗位的消防安全管理人,了解其实施和组织落实消防安全管理工作的概况以及对消防安全工作的熟悉程度。
2.问询消防安全重点部位的人员,了解单位对其培训的概况。
3.公众会萃的场所随机抽询数名员工,了解其组织引导在场群众疏散的知识和技能以及报火警和扑救初起火灾的知识和技能。
(三)查看消防通道、防火间距、灭火器材、消防设施等情况。
查看消防通道、消防设施、灭火器材、防火间距等,主要是的通过眼看、耳听、手摸等方法,判断消防通道是否通畅,防火间距是否被占用,灭火器材是否配置得当并完好有效,消防设施各组件是否完整齐全、各组件阀门及开关等是否置于规定启闭状态、各种仪表显示位置是否处于正常允许范围等。
灭火器及消火栓检查内容-消火栓灭火器检查表灭火器及消火栓检查内容灭火器检查内容一、灭火器指针颜色区域说明:(一) 红色区域:压力不足(二)绿色区域:压力正常(三)黄色区域:压力偏高二、灭火器指针到达颜色区域应对措施(一)红色区域:压力不足,或者灭火剂失效。
1、灭火时喷射时间短距离短。
2、灭火剂失效处置方法: 必须及时跟换。
(二)绿色区域:正常,不需要更换。
(三) 黄色区域:压力偏高,看情况跟换。
指针偏区黄原因:1、灭火器出厂时大多指针都在绿区和黄区分界点上,有些略超过分界点,其原因是随着灭火器摆放时间越长其内部压力会越来越低,厂家为了保证5年的保质期,会将灭火器压力稍微冲高点,以满足5年的寿命。
12、灭火器压力与气温也成正比,气温偏高,其内部压力也偏高。
(四)指针偏黄区安全问题:灭火器黄区内有黑色标示2.5,超过2.5灭火器可能会爆炸。
灭火器瓶体的承压极限远高于2.5,因此需认真检查,及时发现问题进行更换。
室内消火栓的检查内容一、消火栓的检查。
室内消火栓箱内应经常保持清洁、干燥,防止锈蚀、碰伤或其它损坏。
(一)检查消火栓和消防卷盘供水闸阀是否渗漏水,若渗漏水及时更换密封圈;(二)对消防水枪、水带、消防卷盘及其它进行检查,全部附件应齐全完好,卷盘转动灵活;(三)消火栓箱及箱内装配的部件外观无破损、涂层无脱落,箱门玻璃完好无缺;二、供水管路的检查。
(一)对管路进行外观检查,若有腐蚀、机械损伤等及时告知;(二)检查阀门是否漏水;(三)室内消火栓设备管路上的阀门为常开阀,平时不得关闭,应检查其开启状态;2(四)检查管路的固定是否牢固,若有松动及时加固。
一、外观检查疏散引导箱检查内容(一)查看疏散引导箱外观是否损坏,有无锈蚀或碰伤。
(二)玻璃门是否开裂或损坏,门锁能否锁闭到位。
二、器具检查(一)引导箱内是否器具完整。
应包含疏散指示灯、毛巾、喊话器、口哨、防毒面具、应急矿泉水、电筒、反光背心。
(二)电源设备如疏散指示灯、喊话器、电筒等是否有电,缺点情况应及时充满。
消防检查内容一、消防安全检查的频次安全部每月至少对各车间、部门消防安全检查两次(每月10日—13日完成第一次消防安全检查,22日—25日完成第二次消防安全检查)。
遇节假日、重大活动按领导要求及时调整并按时完成消防安全检查。
二、消防安全检查的内容。
1.火灾隐患的整改情况以及防范措施的落实情况。
2.安全疏散通道、疏散指示标志、应急照明和安全出口情况。
3.消防车通道、消防水源情况。
4.消防设施、器材和消防安全标志是否在位、完整及有效;灭火器材配置及有效情况。
5.用火、用电有无违章情况.6.重点工种人员以及其它员工消防知识的掌握情况。
7.消防安全重点部位人员在岗在位及管理情况。
8。
易燃易爆危险品和场所防火防爆措施的落实情况以及其他重要物资的防火安全情况.9。
各单位安全管理部门的防火日检查情况。
10。
常闭式防火门是否处于关闭状态,防火卷帘下是否堆放物品影响使用。
11.消防安全标志的设置情况和完好、有效情况12.其它需要检查的内容。
三、消防安全检查的方法(一)查阅消防档案查阅消防档案应注意以下几点:1.询问各部门、各岗位的消防安全管理人,了解其实施和组织落实消防安全管理工作的概况以及对消防安全工作的熟悉程度.2。
检查消防安全制度和操作规程是否符合相关法规和技术和技术规程。
(二)询问员工1。
询问各部门、各岗位的消防安全管理人,了解其实施和组织落实消防安全管理工作的概况以及对消防安全工作的熟悉程度.2。
询问消防安全重点部位的人员,了解单位对其培训的概况。
3。
公众聚集的场所随机抽询数名员工,了解其组织引导在场群众疏散的知识和技能以及报火警和扑救初起火灾的知识和技能。
(三)查看消防通道、防火间距、灭火器材、消防设施等情况。
查看消防通道、消防设施、灭火器材、防火间距等,主要是的通过眼看、耳听、手摸等方法,判断消防通道是否通畅,防火间距是否被占用,灭火器材是否配置得当并完好有效,消防设施各组件是否完整齐全、各组件阀门及开关等是否置于规定启闭状态、各种仪表显示位置是否处于正常允许范围等。
室内消火栓的检查内容、标准及检验程序模版室内消火栓是建筑物中的重要消防设施之一,确保其正常运行和有效性非常重要。
以下将介绍室内消火栓的检查内容、标准和检验程序模板。
一、检查内容1. 检查室内消火栓是否完好无损,包括消火栓管道、进水口、消火栓接口等部分,确保无漏水、渗水、接口松动等情况。
2. 检查消火栓水压是否正常,需要使用相应的水压计进行测量,确保水压达到设计要求。
3. 检查消火栓箱是否完好,箱门是否能够正常开关,箱体是否有破损或异物阻塞。
4. 检查消火栓的附件设备是否完备,包括消火栓钥匙、旋塞扳手、消防水带等。
5. 检查室内消火栓周围是否有明显的堆放物品或其他障碍物,确保能够便捷地使用消防设施。
二、标准要求1. 消火栓应符合国家标准或相关行业标准的要求,保证设备的质量和性能。
2. 水压应符合设计要求,通常要求不低于消火栓设计工作压力的85%,确保消防灭火时能够提供足够的水量。
3. 消火栓箱门应能够顺利开启,箱体应完好无损,确保消防器材的安全存放。
4. 消火栓附件设备应完备,消防水带应符合相关标准,防止因配套设备不齐全而影响消防灭火效果。
5. 室内消火栓周围不应有堆放物品,防止成为防火通道的障碍物。
三、检验程序模板1. 检查室内消火栓的完整性- 检查消火栓管道、进水口、消火栓接口等部分,排查是否有漏水、渗水、接口松动等情况。
2. 测量消火栓的水压- 使用水压计对消火栓水压进行测量,确保水压达到设计要求。
3. 检查消火栓箱的完好性- 检查消火栓箱门是否能够正常开关,排查箱体是否有破损或异物阻塞。
4. 检查消火栓的附件设备- 检查消火栓钥匙、旋塞扳手、消防水带等附件设备是否完备。
5. 检查室内消火栓周围情况- 检查消火栓周围是否有明显的堆放物品或其他障碍物,确保消防设施能够便捷地使用。
6. 形成检查报告- 根据以上检查内容,将检查结果进行记录和整理,形成检查报告。
以上是室内消火栓的检查内容、标准和检验程序模板,通过定期对室内消火栓进行检查,可以确保其正常运行和有效性,保障建筑物的消防安全。
消防栓检查方法一、室内消火栓的检查1、检查栓内配件是否齐备、完好,并填写《消防栓检查表》;2、检查栓门把手是否完好,栓门开关有无卡销,锁、玻璃有无损坏;3、指示灯、报警按钮、警铃是否齐全,有无脱落;4、栓门是否完好。
二、室内消火栓的保养1、完成月保养中的所有内容;2、开栓门检查水带有无破损、发黑、发霉现象。
如有,应马上进行修补、清洗或改换;3、水带展开交换摺边后重新卷起;4、检查水枪头与水带,水带与水龙头之间的联接是否方便可靠,如有缺损应及时修复;5、清除栓内阀门阀口四周锈渣,将阀杆上油防锈;6、将栓内清扫干净,部件存放整齐后,关上栓门;2消防栓使用方法消防栓的放置位置1、消防栓应该放置于走廊或厅堂等公共的共享空间中,一般会在上述空间的墙体内,不管对其做何种装饰,要求有醒目的标注(写明消火栓),并不得在其前方设置障碍物,避免影响消火栓门的开启.2、消防栓隔在房间(如包厢)内,不符合消防的规定.也不利于消防人员的及时救援.消防栓的使用方法1、打开消火栓门,按下内部火警按钮(按钮是报警和启动消防泵的)。
2、一人接好枪头和水带奔向起火点。
3、另一人接好水带和阀门口。
4、逆时针打开阀门水喷出即可。
注:电起火要确定切断电源。
3消防栓疏散方法1:利用疏散通道逃生。
每个商场都按规定设有室内楼梯、室外楼梯,有的还设有自动扶梯、消防电梯等,发生火灾后,尤其是在火灾初期阶段,这都是逃生的优良通道。
在下楼梯时应抓住扶手,以免被人群撞倒。
不要乘坐一般电梯逃生,因为发生火灾时,停电也时有发生,无法确保电梯的正常运行。
2:.自制器材逃生。
商场是物资高度集中的场所,商品种类多,发生火灾后,可利用逃生的物资是比较多的。
如"将毛巾、口罩浸湿后捂住口、鼻,可制成防烟工具;利用绳索、布匹、床单、地毯、窗帘来开拓逃生通道;如果商场还经营五金等商品,还可以利用各种机用皮带、消防水带、电缆线来开拓逃生通道;穿戴商场(集贸市场)经营的各种劳作保护用品,如安全帽、摩托车头盔、工作服等,以避免烧伤和坠落物资的砸伤。