小区车行道沥青路面36773
- 格式:doc
- 大小:3.32 MB
- 文档页数:10
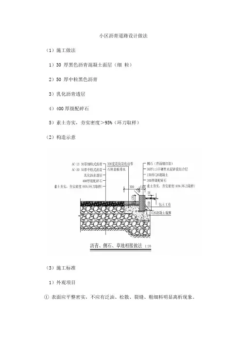
小区沥青道路设计做法
(1)施工做法
1)30 厚黑色沥青混凝土面层(细粒)
2)50 厚中粒黑色沥青
3)乳化沥青透层
4)400厚级配碎石
5)素土夯实,夯实密度>95%(环刀取样)
(2)构造示意
(3)施工标准
1)外观项目
①表面应平整密实,不应有泛油、松散、裂缝、粗细料明显离析现象。
②搭接处应紧密、平顺、烫缝不应有枯焦现象。
③面层与路缘石及其他构造物应接顺,不得有积水现象。
④侧石外观光洁,颜色均匀,排设整齐稳固,线形顺直,圆角和顺,背胶饱满,勾缝光洁坚实。
⑤侧石在铺设中遇到圆弧线条时需按照转弯半径均分石材,并订制成品弧形材料进行拼接,保证平侧石拼缝排版一致。
2)成品保护
①设专人维护压实成型的沥青混凝土路面,必要时设置围挡,完全冷却后(一般不少于24h)才能开放交通。
②施工过程中应加强对路缘石、绿化等附属工程的保护。
路边缘采用小型机械压实。
③施工人员不得随意在未压实成型的沥青混凝土路面上行走。
④当天碾压完成的沥青混凝土路面上不得停放一切施工设备,以免发生沥青混凝土路面面层变形。
⑤严防设备漏油污染路面。
⑥沥青路面干燥后,立即对路面进行覆盖,直至道路开放。
3)检查实测项目
①沥青的压实度,要求达到95%;
②沥青的厚度,允许偏差为±5MM;
③弯沉值不小于设计规定;
④平整度,允许偏差为5MM;
⑤宽度,允许偏差范围为±20MM;
⑥中线高程,允许偏差为±10MM;(4)效果图
(5)细部节点
路边垃圾桶放置处。
小区沥青路面施工方案1. 引言本文档旨在制定一个小区沥青路面施工方案,以确保施工过程的顺利进行和施工质量的高标准。
2. 施工目标本项目的施工目标是在小区内铺设沥青路面,以提升小区内道路的平整度、耐久性和美观度。
3. 施工准备3.1 材料准备在施工前,应确保所有所需的材料齐全。
材料清单如下:•沥青混合料•路面破碎机•路面铺装机•滚压机•涂料材料•隔离层材料3.2 人力准备为了保证施工的高效进行,需要组织一支专业的施工团队,并确保每个成员具备相应的技术和经验。
3.3 设备准备在施工前,需要检查和保养所有施工所需的设备,并确保其工作正常。
4. 施工步骤4.1 准备工作在施工前,需要进行以下准备工作:•清理施工区域,确保其干净整洁;•为施工区域划定边界,确保施工区域的安全;•检查施工区域的地基情况,确保其适合铺设沥青路面;•喷洒一层隔离层材料,以防止路面沥青与地基材料之间的粘连。
4.2 沥青铺设沥青铺设是整个施工过程的关键步骤。
具体步骤如下:1.将沥青混合料倒入路面铺装机的料斗中;2.调整路面铺装机的参数,确保沥青的温度和厚度适合施工要求;3.在施工区域按照预定的路线和坡度进行沥青的铺设;4.利用铺装机进行初步的压实,使沥青与地基紧密结合;5.使用滚压机进行进一步的压实,确保沥青路面的平整度和稳定性。
4.3 涂料处理为了保护沥青路面并增加其耐久性,需要对其进行涂料处理。
具体步骤如下:1.选择适用的涂料材料,并按照制造商的建议进行稀释;2.使用刷子或喷雾器将涂料均匀地涂抹在整个沥青路面上;3.等待涂料干燥后,进行第二遍涂抹,以增加涂层的厚度和保护效果。
5. 施工质量控制在施工过程中,应进行质量控制以确保施工质量符合预期。
具体控制措施如下:•施工过程中进行施工质量检查,确保每个施工步骤的质量满足要求;•施工结束后进行整体质量验收,检查施工路面的平整度和无裂纹情况;•如发现质量问题,应及时采取纠正措施,确保问题得到解决。
住宅工程工法标准—小区车行道沥青路面做法标准(补充)二〇一五年三月十二日住宅工程工法标准(补充)—小区车行道沥青路面做法标准一、现行的国家有关规范、标准:《室外工程》02J003《室外工程》(01J307)《工程建设标准强制性条文》2002年版《建筑工程施工质量验收统一标准》(GB50300-2001)《沥青路面施工及验收规范》(GB 50092-96)《公路沥青路面施工技术规范》(JTGF40-2004)《公路工程集料试验规程》(JTJ058-2000)《公路工程沥青及沥青混合料试验规程》(JTJ052-2000)《公路工程质量检验评定标准》(JTJ071-98)《公路工程安全技术规程》(JTJ058-94)二、小区道路设计节点选用:道路设计节点三、规范要求材料控制标准:1、小沥青材料应附有炼油厂的沥青质量检验单。
运至现场的各种材料必须按要求进行试验,经评定合格方可使用;2、沥青:使用的沥青材料为道路石油沥青,质量要求应符合《沥青路面施工及验收规范》的规定;3、沥青混合料必须在沥青厂采用间歇式拌和机械拌制。
沥青混合料拌合时间以混合料拌和均匀、所有矿料颗粒全部裹覆沥青结合料为度,并且试拌确定。
沥青混合料应均匀一致,无花白,无结团成块或严重的粗细分离现象;4、沥青混合料运输应采用较大吨位的自卸汽车,运料车应用蓬布或加盖覆盖,用以保温、防雨、防污染;5、沥青碎石混合料的配合比设计应根据实践经验和马歇尔试验的结果,经过试拌、试铺论证确定;6、每一批沥青材料都应附有厂家的技术标准试验分析证明书,并提交招标方及监理检查。
施工时按批准的比例配制沥青,由承包人实验室每天取样进行检验。
四、沥青混凝土工艺做法:沥青混凝土施工工艺流程4.1、基层准备及透层油施工铺筑下面层沥青混合料前,清理基层,保证基底稍干、清洁,无任何松散的石料、灰尘和杂质。
喷洒透层油。
采用沥青洒布机,喷油管与路表面形成约30度角,高度使路面上喷洒的透层油形成重叠。
小区沥青路面改建施工方案1. 施工项目背景当前小区X的道路路面存在着破损、起伏不平的问题,给小区居民的行车和步行带来了困扰,也可能导致交通事故的发生。
为了提升小区的道路交通安全和舒适度,我们决定对小区的沥青路面进行改建施工。
2. 改建施工目标•提升道路平整度,减少颠簸感,提高行车舒适度。
•修复破损路面,预防进一步损坏。
•改善雨天行车条件,减少路面积水。
•提升小区的整体美观度。
3. 施工方案概述根据小区的具体实际情况,我们制定了以下施工方案:3.1 材料选择为了确保施工质量和耐久性,我们选择使用优质的沥青材料进行道路改建。
沥青具有较好的抗压能力和耐久性,可以保证道路的使用寿命。
此外,我们还会根据道路特点选择适当的加料,以提高材料的粘结性和黏附力。
3.2 施工流程步骤一:路面清理在施工开始之前,我们将先对道路进行清理。
这包括清除现有破损路面、杂物和积水。
清理完毕后,我们将确保路面干燥,以便后续施工作业。
步骤二:底层处理在道路改建的底层处理工作中,我们将进行以下操作:•路面破损部分的修补。
•补充或更换不良基层。
•进行底层的压实处理,保证道路的平整度和稳定性。
步骤三:沥青铺设在底层处理完成后,我们将进行沥青路面的铺设工作。
具体流程包括:•按照设计要求,将沥青材料加热至适宜温度。
•将加热后的沥青材料倒入铺设车,进行均匀铺设。
•使用振动辊进行路面的压实,确保沥青材料与基层的粘结牢固。
步骤四:路面养护施工完成后,我们将对新铺设的沥青路面进行养护,这将有助于提高路面的密实度和耐久性。
养护措施包括:•对新铺设的沥青路面进行喷水降温,防止浇水过程中产生的温度对路面造成伤害。
•进行必要的压实工作,确保路面的平整度。
•在养护期内,禁止车辆和行人进入已施工的路段,以免损坏路面。
3.3 施工安全措施为了确保施工过程的安全性,我们将采取以下措施:•在施工区域周围设置明确的警示标志,提醒车辆和行人绕行施工区域。
•工作人员必须佩戴符合规定的安全帽、安全鞋等个人防护设备。
住宅工程工法标准—小区车行道沥青路面做法标准(补充)二〇一五年三月十二日住宅工程工法标准(补充)—小区车行道沥青路面做法标准一、现行的国家有关规范、标准:《室外工程》02J003《室外工程》(01J307)《工程建设标准强制性条文》2002年版《建筑工程施工质量验收统一标准》(GB50300-2001)《沥青路面施工及验收规范》(GB 50092-96)《公路沥青路面施工技术规范》(JTGF40-2004)《公路工程集料试验规程》(JTJ058-2000)《公路工程沥青及沥青混合料试验规程》(JTJ052-2000)《公路工程质量检验评定标准》(JTJ071-98)《公路工程安全技术规程》(JTJ058-94)二、小区道路设计节点选用:道路设计节点三、规范要求材料控制标准:1、小沥青材料应附有炼油厂的沥青质量检验单。
运至现场的各种材料必须按要求进行试验,经评定合格方可使用;2、沥青:使用的沥青材料为道路石油沥青,质量要求应符合《沥青路面施工及验收规范》的规定;3、沥青混合料必须在沥青厂采用间歇式拌和机械拌制。
沥青混合料拌合时间以混合料拌和均匀、所有矿料颗粒全部裹覆沥青结合料为度,并且试拌确定。
沥青混合料应均匀一致,无花白,无结团成块或严重的粗细分离现象;4、沥青混合料运输应采用较大吨位的自卸汽车,运料车应用蓬布或加盖覆盖,用以保温、防雨、防污染;5、沥青碎石混合料的配合比设计应根据实践经验和马歇尔试验的结果,经过试拌、试铺论证确定;6、每一批沥青材料都应附有厂家的技术标准试验分析证明书,并提交招标方及监理检查。
施工时按批准的比例配制沥青,由承包人实验室每天取样进行检验。
四、沥青混凝土工艺做法:沥青混凝土施工工艺流程4.1、基层准备及透层油施工铺筑下面层沥青混合料前,清理基层,保证基底稍干、清洁,无任何松散的石料、灰尘和杂质。
喷洒透层油。
采用沥青洒布机,喷油管与路表面形成约30度角,高度使路面上喷洒的透层油形成重叠。
沥青混凝土路面车行道标准一、前言沥青混凝土路面是公路交通建设的主要形式之一。
其优点包括良好的路面平整性和抗滑性、较高的承载能力和抗水性、良好的声学性能等。
鉴于沥青混凝土路面的重要性,本文将对其车行道标准进行详细说明。
二、基本要求1.路面平整度沥青混凝土路面车行道的平整度应满足以下要求:(1)横向平整度:在横向方向上,路面的平整度应满足1/1000的要求。
(2)纵向平整度:在纵向方向上,路面的平整度应满足1/500的要求。
2.路面粗糙度沥青混凝土路面车行道的粗糙度应满足以下要求:(1)均匀性:路面的粗糙度应在整个路段内保持一致。
(2)标准值:路面的平均粗糙度应在3-8mm之间。
3.路面水平弯曲度沥青混凝土路面车行道的水平弯曲度应满足以下要求:(1)标准值:路面的最大水平弯曲度应小于1/500。
(2)变化率:路面的水平弯曲度变化率应小于1/100。
4.路面横向坡度沥青混凝土路面车行道的横向坡度应满足以下要求:(1)标准值:路面的横向坡度应在2%以内。
(2)变化率:路面的横向坡度变化率应小于1/100。
5.路面纵向坡度沥青混凝土路面车行道的纵向坡度应满足以下要求:(1)标准值:路面的纵向坡度应在2%以内。
(2)变化率:路面的纵向坡度变化率应小于1/100。
6.路面横向倾斜度沥青混凝土路面车行道的横向倾斜度应满足以下要求:(1)标准值:路面的横向倾斜度应在2%以内。
(2)变化率:路面的横向倾斜度变化率应小于1/100。
三、路面材料要求1.沥青混凝土沥青混凝土应符合以下要求:(1)配合比:应根据路面设计要求选择合适的配合比。
(2)级配:沥青混凝土的级配应符合设计要求。
(3)稳定性:沥青混凝土的稳定性应满足设计要求。
2.路面反光材料路面反光材料应符合以下要求:(1)材质:应选择耐候性好、防滑性好的材料。
(2)颜色:应选择明亮的颜色,以便提高夜间的能见度。
(3)安装:反光材料的安装应符合相关要求。
四、路面标线要求1.路面标线的宽度应符合设计要求。
住宅工程工法标准—小区车行道沥青路面做法标准(补充)二〇一五年三月十二日住宅工程工法标准(补充)—小区车行道沥青路面做法标准一、现行的国家有关规范、标准:《室外工程》02J003《室外工程》(01J307)《工程建设标准强制性条文》2002年版《建筑工程施工质量验收统一标准》(GB50300-2001)《沥青路面施工及验收规范》(GB 50092-96)《公路沥青路面施工技术规范》(JTGF40-2004)《公路工程集料试验规程》(JTJ058-2000)《公路工程沥青及沥青混合料试验规程》(JTJ052-2000)《公路工程质量检验评定标准》(JTJ071-98)《公路工程安全技术规程》(JTJ058-94)二、小区道路设计节点选用:道路设计节点三、规范要求材料控制标准:1、小沥青材料应附有炼油厂的沥青质量检验单。
运至现场的各种材料必须按要求进行试验,经评定合格方可使用;2、沥青:使用的沥青材料为道路石油沥青,质量要求应符合《沥青路面施工及验收规范》的规定;3、沥青混合料必须在沥青厂采用间歇式拌和机械拌制。
沥青混合料拌合时间以混合料拌和均匀、所有矿料颗粒全部裹覆沥青结合料为度,并且试拌确定。
沥青混合料应均匀一致,无花白,无结团成块或严重的粗细分离现象;4、沥青混合料运输应采用较大吨位的自卸汽车,运料车应用蓬布或加盖覆盖,用以保温、防雨、防污染;5、沥青碎石混合料的配合比设计应根据实践经验和马歇尔试验的结果,经过试拌、试铺论证确定;6、每一批沥青材料都应附有厂家的技术标准试验分析证明书,并提交招标方及监理检查。
施工时按批准的比例配制沥青,由承包人实验室每天取样进行检验。
四、沥青混凝土工艺做法:沥青混凝土施工工艺流程4.1、基层准备及透层油施工铺筑下面层沥青混合料前,清理基层,保证基底稍干、清洁,无任何松散的石料、灰尘和杂质。
喷洒透层油。
采用沥青洒布机,喷油管与路表面形成约30度角,高度使路面上喷洒的透层油形成重叠。
小区沥青道路施工方案小区沥青道路施工方案一、工程概况本次小区沥青道路施工工程位于XX小区,总长度为XX米,道路宽度为XX米。
施工工期预计为XX天。
二、施工准备1.调查勘测:对道路线路进行勘测,并制定详细的施工图纸。
2.清理道路:清除道路上的浮尘、杂物,并进行必要的修复和填补。
3.准备材料:购买沥青、砂石等施工所需材料,并将其储存在合适的地方。
三、施工步骤1.道路底层处理:将道路表层的土壤挖掉,然后在路面上铺设一层砂石,厚度为XX厘米,进行压实处理。
2.路面平整:利用平整机对道路表面进行平整,确保道路的平整度和坡度符合要求。
3.沥青铺设:采用热拌沥青技术,将已预先加热的沥青倒在道路上,然后用铺装机进行均匀铺设,并利用碾压机对沥青进行压实,以确保路面的平整度和牢固度。
4.路缘石施工:在道路两侧铺设路缘石,以保护路面并提高交通安全性。
5.标线划制:按照标准规定,对道路进行标线划制,包括车道标线、停车线等。
四、施工注意事项1.施工期间,应设置施工警示牌,提醒车辆及行人注意施工区域,并进行管制交通,确保施工安全。
2.施工过程中,应避免雨天施工,以免影响施工质量。
3.严格控制施工机械的强度和振动频率,防止对周边建筑物及居民产生影响。
4.施工队伍应保持整洁,妥善处理施工垃圾和余料,并及时清除施工现场。
五、质量控制1.按照工程图纸规定的厚度和坡度进行施工,确保道路平整度和排水性能。
2.严格控制沥青的施工温度,确保沥青的流动性和黏结能力。
3.在施工过程中,定期对施工质量进行检查,及时修复和整改。
六、安全保障1.施工期间,设置合适的警示标志,安排专人进行交通引导,确保行人和车辆能够安全通行。
2.严格执行安全操作规程,对施工人员进行安全教育培训,并配备必要的安全防护设备。
七、环境保护1.施工期间,应严格执行环境保护要求,合理利用水资源,减少水的浪费。
2.妥善处理施工垃圾和余料,分类收集和处理。
以上为小区沥青道路施工方案,希望能确保施工过程安全、质量达标,并减少对周边环境的影响。
小区沥青道路施工方案1. 引言本文档旨在对小区沥青道路的施工方案进行详细说明,以确保施工过程顺利进行并达到预期的质量要求。
小区沥青道路的施工是为了提升小区交通的便利性和居住环境的改善。
本文档将包括施工前的准备工作、基础处理、沥青铺设和施工后的养护等内容。
2. 施工前准备工作在施工前,需要进行以下准备工作:•与相关部门和业主进行沟通,确定施工时间和范围。
•掌握施工区域的地质情况和水文地质条件。
•设计施工图纸,包括道路几何形状、坡度、路面结构设计等内容。
•准备施工所需的材料和设备,如沥青、石子、油料、压路机、平地机等。
3. 基础处理在施工前,需要对道路基础进行处理,以确保道路的稳定性和耐久性。
基础处理的步骤如下:•清理施工区域,除去杂草、垃圾等。
•进行地面平整,去除凹凸不平的地面。
•挖掘基坑,保证道路基础的稳固。
•进行填土和夯实,以增加基础的承载能力。
4. 沥青铺设沥青铺设是小区沥青道路施工的关键步骤,需要按照以下步骤进行:•在道路基础上铺设砾石层,以提供良好的排水条件。
•铺设碎石层,用于支撑和加固沥青面层。
•预热沥青,将其加热至适宜温度。
•将加热后的沥青均匀地铺设在碎石层上。
•用压路机对沥青进行压实,以保证路面的平整度和稳定性。
5. 施工后养护施工后需进行适当的养护工作,以确保道路的质量和使用寿命。
养护工作包括:•定期巡视,及时发现和修复可能存在的路面损坏。
•清理道路上的杂物和积水。
•定期施工养护工艺,如补漆、重新铺设石子层等。
•防止车辆过重或长期停放在同一位置,导致道路破坏或变形。
6. 安全措施在施工过程中,需要采取一系列安全措施,以确保工作人员和居民的安全。
主要措施包括:•设立施工现场围栏,限制非施工人员的进入。
•提供充足的安全警示标志和道路指示标志,以引导交通和行人。
•工作人员必须佩戴安全帽、工作服和防护手套。
•夜间施工需提供足够的照明设备,确保安全可见。
7. 总结小区沥青道路施工方案是确保道路质量和施工进度的关键。
小区沥青道路修复工程方案一、前言随着城市化进程的加快,小区的道路系统也日益受到关注。
沥青道路是小区内主要的交通路线,其质量直接关系到小区居民的出行安全和舒适性。
然而,由于长时间的使用和自然因素的影响,沥青道路经常出现裂缝、凹陷和破损等问题,影响了道路的使用效果和美观度,甚至存在安全隐患。
因此,对小区沥青道路进行修复工程是十分必要的。
二、现状分析本小区建成于上世纪90年代,道路建设采用了沥青路面,经过20多年的使用,部分道路面出现了裂缝、坑洞和起砂等现象。
这不仅影响了小区内车辆和行人的通行,还损害了小区整体形象。
为了解决这一问题,修复工程是必不可少的。
三、修复方案1. 道路评估首先需要对小区内的所有沥青道路进行评估,确定哪些道路需要进行修复。
评估的内容包括道路的使用年限、表面状况、裂缝的宽度和深度等,通过这些综合评估,确定出需要进行修复的道路范围。
2. 设计修复方案根据道路的实际情况,确定修复的方式和材料。
一般来说,修复主要包括补坑、填缝和重新铺设沥青等工作。
对于较为严重的情况,还需要进行厚度加铺和路基处理等工程。
3. 施工方案确定施工方案,包括施工队伍的组织和配合、材料的采购和使用、施工过程中的环保措施等内容。
此外,还需要规划好施工的时间,以减少对小区居民的影响。
四、施工流程1. 施工准备确定施工队伍和施工计划,采购所需的材料和设备,做好相关手续和安全措施。
2. 补坑和填缝首先对已有的坑洼和裂缝进行处理,一般采用辊压机和喷灌机进行施工,将沥青材料填入坑洼或裂缝中,并采取适当的压实措施。
3. 沥青铺装对道路进行重新铺设,先对路面进行预处理,再进行沥青的铺装。
在施工过程中,需要控制好沥青的温度和厚度,以保证施工质量。
4. 环保措施在施工过程中,应做好环保措施,对使用的沥青和废弃物进行合理处理,确保不会对周边环境造成污染。
五、施工质量控制1. 施工监测对施工过程中的各项指标进行监测和检测,包括沥青温度、厚度、坑洼的处理情况等。
小区沥青路面施工方案小区沥青路面施工方案一、工程概况:1.本工程是针对小区主干道进行沥青路面施工;2.施工路段全长600米,宽度8米;3.施工内容包括路面清理、基层处理、沥青混凝土铺设、路面标线等;4.施工期限为7天。
二、施工方案:1.路面清理:(1)清理道路上的杂物、垃圾;(2)进行挖掘,清理破损的路面。
2.基层处理:(1)对清理后的基层进行修复,填补坑洞,修复裂缝等,确保基层平整;(2)进行碾压,使基层牢固。
3.沥青混凝土铺设:(1)根据设计要求,将热拌沥青混凝土运至施工现场;(2)先将沥青混凝土铺设在路面上;(3)再进行压实,确保路面平整。
4.路面标线:(1)在沥青路面完成铺设后,根据设计要求进行路面标线的绘制;(2)标出行车道、人行道、停车位等。
三、施工流程:1.进行路面清理,清除路面上的杂物和破损的路面;2.修复基层坑洞、裂缝等,进行碾压;3.将热拌沥青混凝土运至施工现场;4.将沥青混凝土铺设在路面上,并进行压实;5.根据设计要求进行路面标线的绘制。
四、安全措施:1.施工期间设立施工警示标志,提醒车辆和行人注意安全;2.施工人员配备安全帽、反光衣,确保工作人员的安全;3.施工现场严禁乱堆乱放材料,保持整洁;4.施工期间,尽量减少对小区居民的影响,确保施工安全。
五、质量保证:1.严格按照设计要求和规范进行施工;2.确保基层平整,沥青混凝土铺设均匀、压实牢固;3.施工结束后,进行质量验收,确保路面质量达到设计要求。
六、环保措施:1.施工期间,严格控制粉尘和噪音的产生;2.及时清理施工现场杂物,保持环境整洁;3.施工结束后,进行垃圾分类处理。
七、预算表:沥青混凝土:5000元施工人工:2000元机械设备租赁费用:3000元其他材料费用:1000元总预算:11000元以上是小区沥青路面施工方案,我们将严格按照设计要求和施工流程进行施工,确保施工质量,并采取一系列安全和环保措施,确保施工过程安全、质量稳定。
小区道路沥青标准
沥青路面施工作为一种新型的摊铺技术,具有美化环境,引导交通的特殊功能。
其建筑技术在国内外将更加成熟。
在施工过程中,施工计划严格按照施工组织的规定执行。
建筑的设计和组织是为了彩色沥青路面的施工质量。
小区沥青路面施工规定和验收标准是什么
施工规定:
1、使用小区沥青路面施工时,应进行测试和实践,以证明该技术可以性能和颜色耐久性;
2、小区沥青路面修补必须在三年内满足道路交通的正常使用功能,特别是道路抗滑能力应大于或等于第三年末的中间水平(SFC≥0.30或BPN≥32)。
验收标准:
1、表面平整、密集,无油、松散、裂纹和明显的隔离
2、彩色沥青路面外观颜色均匀,无明显色差;施工缝应紧密、平滑;
3、彩色沥青路面和路缘石、平石等结构光滑,环保、水等现象另外,沥青混合料作为沥青路面材料,在使用过程中要承受行驶车辆荷载的
反复作用,以及环境因素的长期影响,还要具备良好的抵抗自然因素作用的耐久性。
小区沥青路面施工方案一、背景介绍随着城市建设的不断发展,越来越多的小区开始兴建,小区道路施工成为一个重要的环节。
小区道路的质量直接关系到居民的出行安全和舒适度,而沥青路面作为一种常用的路面施工材料,受到了广泛的应用。
因此,为了保障小区居民的出行需求,本文将详细介绍小区沥青路面的施工方案。
二、施工前准备1. 实地勘测:在施工前,需要对待施工的小区道路进行实地勘测,包括道路长度、宽度、坡度等基本参数的测量,以及检查是否存在地下管线等障碍物。
2. 施工图设计:根据勘测结果,进行沥青路面的设计,包括路面厚度、基层处理等参数的确定。
三、施工步骤1. 基层处理:a. 清理:清除路面上的杂物和污垢,保持基层清洁。
b. 坑洼修复:对已经出现的坑洼进行修复,可以采用冷补或热补的方式。
c. 确定基层厚度:根据设计要求,确定基层的厚度,可以进行加土加石的处理。
2. 沥青混合料的配制:a. 材料准备:准备所需要的沥青、石子等原材料,并确保其质量符合相关标准。
b. 混合料配制:根据设计要求,按照一定的比例将沥青和石子进行混合,制成沥青混合料。
3. 沥青路面施工:a. 播涂沥青底层:将沥青混合料均匀地撒在基层上,并使用专业设备进行压实,确保底层平整。
b. 摊铺沥青面层:将事先配置好的沥青面层通过专业摊铺机均匀地摊铺在底层上,并使用压路机压实。
c. 补充花岗石骨料:在摊铺沥青面层时,根据设计要求,可以在路面上撒布一定量的花岗石骨料,提升路面的耐久性和抗滑性。
d. 表面处理:对摊铺完成的沥青路面进行表面处理,可以使用刮板或压光机进行处理,保证路面平整度。
四、施工质量控制1. 施工前检查:在施工前进行道路基层和沥青混合料的检查,确保其质量符合要求。
2. 施工中控制:对沥青混合料的配制比例、均匀性等进行监控和检查,确保施工过程中达到设计要求。
3. 施工后检查:对施工完毕的沥青路面进行检查,确保路面平整、无明显的缺陷和破损。
4. 施工记录:对施工过程进行详细的记录,包括施工日期、施工数量、施工人员等,以备后期参考和质保需要。
小区道路沥青路面施工方案一、前期准备工作1.道路规划:根据小区的实际情况,确定道路的线型、宽度、弯曲程度等参数,保证道路的通行性和安全性。
2.土地准备:清理道路两侧的杂草、垃圾等并进行平整,确保施工区域干净整洁。
3.清理下水道:检查下水道的状况,清理堵塞物,保证下水功能正常。
二、施工工艺1.路基处理:根据道路的设计要求,在道路基础上铺设砂石、石子等材料,进行路基层处理。
保证路面的平整度和承载力。
2.水泥混凝土底层施工:在路基处理结束后,进行水泥混凝土底层的施工。
水泥混凝土底层的主要作用是加强路基的承载能力和保证路面的平整度。
3.沥青混凝土面层施工:在水泥混凝土底层施工完成后,进行沥青混凝土面层的施工。
该层主要起到防水、防滑和减震的作用。
4.路面涂装:在沥青混凝土面层施工完成后,进行路面的涂装。
涂装材料可以选择亚克力涂料、环氧树脂等,以增加路面的耐磨性和美观度。
三、施工注意事项1.施工时间:选择合适的施工时间,避免在高温、雨雪等恶劣天气条件下施工,以免影响路面的质量。
2.施工设备和人员:需要配备专业的施工设备和熟练的施工人员,确保施工质量和效率。
3.施工现场环境保护:施工过程中应注意保护周边的环境,避免施工废弃物、粉尘等对周围环境造成污染。
4.安全防护:施工现场应设置警示标志,加强安全防护措施,确保施工人员和周边居民的安全。
四、质量验收标准1.路基工程:承载力要满足设计要求,路基平整度符合国家规定的标准。
2.水泥混凝土底层工程:整体平整,无明显露筋、开裂等缺陷,符合国家标准。
3.沥青混凝土面层工程:平整度满足设计要求,沥青混凝土的配合比例准确,密实度符合规定要求,无明显损伤。
4.路面涂装工程:涂料附着力良好,无明显脱落,颜色均匀,平整度满足设计要求。
五、维护保养1.路面定期检查:定期检查路面的平整度、沥青表面的裂缝、坑洼、浮动等问题,并及时进行维修。
2.清理杂物:清理路面上的杂草、垃圾等,保持路面干净整洁。
小区道路标准沥青厚度标准小区道路是连接小区内各个建筑物和设施的重要通道,其质量直接关系到居民的出行安全和舒适度。
而沥青道路作为小区道路的常见铺设材料,其厚度标准对道路的使用寿命和承载能力有着重要影响。
因此,制定小区道路沥青厚度标准是非常必要的。
首先,沥青道路的厚度标准应当符合国家相关规定和标准。
根据《城市道路工程技术规范》(GB 50205-2001)的规定,小区道路沥青面层的厚度应当在4厘米至6厘米之间。
这个范围既能够保证道路的平整度和耐久性,又能够满足小区道路的使用要求。
因此,在设计和施工小区道路时,应当严格按照国家标准来确定沥青厚度,确保道路质量达到规定标准。
其次,小区道路的使用环境和承载能力也应当考虑在内。
一般来说,小区道路的交通量相对较小,主要以居民和车辆出行为主,因此在确定沥青厚度标准时,可以根据实际情况适当进行调整。
在交通量较小的小区道路上,可以适当减小沥青面层的厚度,以节约材料和成本。
但是在一些需要承载大型车辆或者经常有重型车辆经过的地方,比如物业管理车辆、垃圾清运车辆等,就需要增加沥青面层的厚度,以增强道路的承载能力和耐久性。
另外,小区道路的地理环境和气候条件也是确定沥青厚度标准的重要因素。
在气候寒冷地区,道路沥青面层的厚度需要适当增加,以增强其抗冻性和耐久性;而在气候温暖地区,可以适当减小沥青面层的厚度,以节约材料和成本。
同时,如果小区道路处于湿润地区或者常年受到雨水浸泡,也需要考虑增加沥青面层的厚度,以提高道路的防水性能和耐久性。
总的来说,小区道路沥青厚度标准的制定需要综合考虑国家标准、使用环境、承载能力、地理环境和气候条件等多方面因素。
只有在综合考虑各种因素的基础上,确定合理的沥青厚度标准,才能够保证小区道路的质量和使用效果。
因此,在设计和施工小区道路时,需要充分考虑这些因素,确保沥青厚度符合标准,从而为居民提供安全、舒适的道路环境。
小区沥青道路施工方案1. 引言本文档旨在提供一份小区沥青道路施工方案,以指导施工人员在小区内进行沥青道路的建设工作。
小区沥青道路施工旨在提高居民出行的便利性和交通安全性。
2. 施工前准备2.1 施工准备工作在施工前,需要进行一系列的准备工作:•确定施工范围和道路走向,绘制详细的设计图纸;•确定需要施工的道路长度和宽度,计算所需的施工材料量;•确定施工时间和进度计划,安排人力和机械设备;•编制施工方案,包括施工过程中的措施和安全防护措施;•与相关部门和居民进行沟通,告知施工计划和可能存在的影响。
2.2 材料准备•沥青混凝土:选用符合相关标准的优质石料和沥青,并按照配方要求进行调配;•基层材料:包括砂石、水泥等,用于铺设道路基层;•辅助材料:包括红外线热熔胶、填充草等,用于维修道路裂缝和缺陷。
3. 施工步骤3.1 道路清理在施工前,需要对道路进行彻底的清理,包括清除杂草、积水、垃圾等。
清理工作应充分考虑环境的保护,避免对周围居民的影响。
3.2 基层处理基层处理是保证沥青道路坚实稳定的关键步骤。
具体步骤包括:1.按照设计要求进行挖掘和夯实基层;2.均匀铺设碎石,压实基层;3.使用水泥浆或沥青黏合剂进行表面处理,使基层牢固。
3.3 沥青混凝土铺设在基层处理完成后,开始进行沥青混凝土的铺设工作。
具体步骤包括:1.搅拌和调配沥青混凝土;2.使用热熔胶加热沥青混凝土,确保其流动性;3.均匀地将沥青混凝土倒在基层上;4.使用平均器和辊压机进行压实,使沥青混凝土均匀致密。
3.4 道路标线和保护施工完成后,需要进行道路标线工作,并设置合适的交通标志和防护设施,保证道路安全。
道路标线应符合相关标准,清晰可见。
4. 施工质量控制在施工过程中,应进行严格的质量控制,以确保道路的耐用性和安全性。
具体控制措施包括:•严格按照设计要求进行施工,材料符合标准;•定期检测施工质量,确保沥青混凝土的密实程度和平整度;•注意施工环境的卫生和保护,避免对周围环境造成污染。
小区内部道路沥青路一般多厚
小区内原有混凝土路面加铺沥青面层的厚度一般是不超过3公分,被称之为“白加黑工程”。
道路工程的混凝土厚度要根据路线设计基准期内标准轴载累计作用的次数,综合考虑基层和水泥混凝土弯拉强性模量等诸多因素进行计算。
交通量、路基状况等条件不同,所计算出的水泥板的厚度是不同的。
农村公路尤其是镇村四级公路面广量大,按照标准和设计程序计算每条路水泥板的厚度也是不现实的。
数据须知
在中等交通条件下,三级、四级路为20-24cm;轻交通为 22cm,虽未明确最低厚度,但是要求钢纤维混凝土面层的最小厚度为14cm。
按照钢纤维混凝土面层厚度通常是普通混凝土面层厚度的0.65~0.75倍推算,普通水泥混凝土的最小厚度应该为18~21cm。
住宅工程工法标准
—小区车行道沥青路面做法标准(补充)二〇一五年三月十二日
住宅工程工法标准(补充)
—小区车行道沥青路面做法标准
一、现行的国家有关规范、标准:
《室外工程》02J003《室外工程》(01J307)
《工程建设标准强制性条文》2002年版
《建筑工程施工质量验收统一标准》(GB50300-2001)
《沥青路面施工及验收规范》(GB 50092-96)
《公路沥青路面施工技术规范》(JTGF40-2004)
《公路工程集料试验规程》(JTJ058-2000)
《公路工程沥青及沥青混合料试验规程》(JTJ052-2000)
《公路工程质量检验评定标准》(JTJ071-98)
《公路工程安全技术规程》(JTJ058-94)
二、小区道路设计节点选用:
道路设计节点
三、规范要求材料控制标准:
1、小沥青材料应附有炼油厂的沥青质量检验单。
运至现场的各种材料必须按要求进行试验,经评定合格方可使用;
2、沥青:使用的沥青材料为道路石油沥青,质量要求应符合《沥青路面施工及验收规范》的规定;
3、沥青混合料必须在沥青厂采用间歇式拌和机械拌制。
沥青混合料拌合时间以
混合料拌和均匀、所有矿料颗粒全部裹覆沥青结合料为度,并且试拌确定。
沥青混合料应均匀一致,无花白,无结团成块或严重的粗细分离现象;
4、沥青混合料运输应采用较大吨位的自卸汽车,运料车应用蓬布或加盖覆盖,用以保温、防雨、防污染;
5、沥青碎石混合料的配合比设计应根据实践经验和马歇尔试验的结果,经过试拌、试铺论证确定;
6、每一批沥青材料都应附有厂家的技术标准试验分析证明书,并提交招标方及监理检查。
施工时按批准的比例配制沥青,由承包人实验室每天取样进行检验。
四、沥青混凝土工艺做法:
沥青混凝土施工工艺流程
4.1、基层准备及透层油施工
铺筑下面层沥青混合料前,清理基层,保证基底稍干、清洁,无任何松散的石料、灰尘和杂质。
喷洒透层油。
采用沥青洒布机,喷油管与路表面形成约30度角,高度使路面上喷洒的透层油形成重叠。
侧石、平石等构筑物进行遮挡防护。
洒布后不致流淌、渗入基层一定深度,并不形成油膜。
铺筑上面层前,对下面层表面进行清洗,保证表面无泥土、灰尘等杂物喷洒粘油层。
4.2、测定基准线
在准备好底层后进行测量放样,标出的沥青料松铺厚度,并放出引导摊铺机运行走向和标高的控制基准线。
路边根据以平石确立基准面,中部采用钢桩定位,使用钢丝绳做引导高程。
4.3、沥青混合料的拌制与运输及温度控制:
(1)沥青混合料拌制
沥青加热温度控制170~180℃(改性沥青高10~20℃),矿料比沥青高10~20℃,控制沥青混和料生产温度在150~175℃范围内。
拌和后的沥青混合料均匀一致,无花白、无粗细料分离和结团成块现象。
当出现混合料降温过多、粗细集料颗粒离析以及其它影响产品质量的情况时,予以废弃,并采取纠正措施。
(2)、沥青混合料运输
为便于卸料,运输车的车厢底板和侧板抹油水混合液作隔离剂(柴油、水=1:3),并排除可见游离余液。
沥青混合料在运输过程中采用防水的篷布遮盖整个运料斗;发现其温度低于要求、颗粒有花白斑点、离析、结块、含水等不符和规范要求的情况,将混合料废弃到指定位置,并不用于工程。
沥青的加热温度、矿料的加热温度、沥青混合料的出厂温度、运输到现场的温度等均应符合表6的要求。
沥青混合料的正常施工温度范围(℃)表6
低温施工不低于155,不超过175
开始碾压温度正常施工不低于140 155 低温施工不低于145
碾压终了温度不低于90 110
4.4、沥青混合料的摊铺
根据摊铺机的摊铺界限和路面宽度、横坡等划分摊铺板块,单面路拱的道路一
次性摊铺路面全宽,双路拱分两幅摊铺。
首先在起点处用人工摊铺1m长的基准面,
顶面为松铺顶面,按摊铺厚度调整标尺。
雨、污检查井圈采用钢板覆盖,附近由人工铺筑混合料,并进行热夯。
对机械不能到达的死角,用人工扣锹法进行摊铺,局部作适当整平以补齐漏铺处,检查平整度,及时修正路拱。
保证摊铺温度不低于110~130℃。
4.5、沥青混合料的碾压:
在正常碾压之前,先对横向接缝进行碾压。
碾压时,按垂直车道方向沿接缝进行,并在路面纵向边处放置支承木板,其长度满足压路机驶离碾压区。
如果因为施工现场
限制或相邻车道不能中断交通时,也可沿纵向碾压,但保证在摊铺机驶离接缝后尽快
进行,且不在接缝处转向。
沥青混合料摊铺整形后应立即组织碾压。
碾压压路机碾压
速度控制要求见下规范附表:
压路机碾压速度(km/h)表7
碾压的程序为:初压→复压→终压。
初压:采用钢轮压路机时速控制在2~3km/h静压2遍。
碾压时,先消除纵缝,然
后从断面低的一侧向高的一侧碾压。
驱动轮靠近摊铺机。
压路机在启动、停止时减速
缓行。
初压后检查平整度、路拱,必要时予以修整。
复压:采用振动压路机时速控制在4~5km/h振动碾压3~5遍。
复压后达到要求的
压实度,并无明显轮迹。
终压:紧跟复压进行。
采用轮胎压路机时速控制在2.5~3.5km/h,静压两遍,使路面无轮迹。
碾压方向与路中心线平行,直线段从路两边到路中心,超高段由路内侧到外侧,依次连续均匀进行,压完全幅为一遍。
碾压速度要先慢后快,碾压终了温度控制在65℃以上。
碾压过程中,保持碾压轮面的清洁,若发生粘轮现象,将黏附的混合料认真地清除,并向轮面撒少量水,然后再碾压。
对局部缺麻不平处用洗料一次找齐。
一些压路机无法碾压的角落,人工热夯。
4.6、接缝的处理
(1)铺筑工作的安排应使纵、横向两种接缝都保持在最小数量。
每个工作日只允许出现一条横向接缝,接缝的方法及设备,应取得工程师批准,在接缝处的密度和表面修饰与其它部分相同。
要特别注意接缝处混合料的均匀性和密实度,不能牺牲压实度来换取平整度。
(2)一般情况下不允许留纵向接缝,特殊情况要经监理工程师同意,但要满足纵向接缝上下层间的错位至少应为15cm(热接缝)或200 cm以上(冷接缝)。
(3)当由于工作中断,摊铺材料的末端已经冷却,或者在第二天恢复工作时,就应做成一道横缝。
横缝应与铺筑方向大致成直角,严禁使用斜接缝。
横缝在相邻的层次和相邻的行程间均应至少错开1m。
在摊铺前,应在横缝末端涂刷适量热沥青或乳化沥青,碾压时先横向碾压,在纵向碾压成一体,充分压实,连接平顺。
(4)在施工缝及构造物两端的连接处必须仔细操作,保证紧密平顺,必要时在接缝处用铣刨机进行处理。
5、施工过程中的质量管理与检查:
5.1、道路沥青铺筑必须采用合宜吨位的机械摊铺压实成型,摊铺机成梯队作业,进行联合摊铺。
相邻两幅之间应有重叠,重叠宽度至少大于10㎝。
相邻两台摊铺机宜相距10~30M,且不得造成前面摊铺的混合料冷却。
5.2、在施工前应报送详细的施工组织设计与沥青混合料配合比;下、上面层集料粒径选用符合规范要求(《沥青路面施工及验收规范》表D.0.7);沥青混合料松铺系数符合规范要求(《沥青路面施工及验收规范》表7.
6.8机械摊铺);施工方应按规范规定进行取样试验,并及时报送相关资料。
5.3、沥青路面必须按照设计图纸与现场实际排水坡度找坡,严禁倒坡、积水;
5.4、沥青道路砼基础可能已有局部破损,应认真进行现场勘察并视现场情况采取措施保证基层稳定以免沉陷;
5.5、各投标单位应充分了解现场路面情况并考虑调整已完成的砼基层之局部高程、横坡及平整度;
5.6、当遇雨或基层潮湿时,不得摊铺沥青混合料。
对未经压实即遭雨淋的沥青混合料,应全部清除,更换新料,且施工时气温不能低于5℃。
5.7、验收标准:表面应平整、坚实,不得有脱落、掉碴、裂缝、推挤、烂边、粗细料集中等现象;用重型压路机碾压无明显轮迹;接荐应紧密,平顺,烫缝不应枯焦;面层与其它构筑物应接顺,不得有积水现象。
完成后沥青路面各层厚度、平整度、高程、横坡度、压实度等各项质量指标符合该国家标准表E.0.5中“其他城市道路”规定值要求。
注:可根据现场实际情况决定是否按上述方法或其它简单方法检测。
平整度检测摊铺厚度检测
摊铺温度检测施工成品效果
七、重点工艺:
为了保证检查井井盖安装质量,消除井盖失稳质量通病,采用如下两种方案井盖安装工艺。
方法一:采用“支模板法井盖安装工艺”。
1、井盖座安装前,井筒安装基面应清理干净不要有浮渣,安装槽内周边松散二灰料要清理干净。
2、井盖座可用3-4块砖或混凝土垫块和水泥砂浆支垫到合适高程。
支垫高度宜大于5cm,垫块体积宜小不宜大,能稳住井盖座即可。
因为垫块面积小,可以加大座浆混凝土与井盖座的接触面积,有利于稳固井盖座。
3、在井盖内支一圈三合板材质的模板,并与井筒和井盖座接触严密,避免漏浆。
模板可利用长度适当的钢筋或木杆进行支撑,模板在座浆混凝土终凝后即可拆除,重复利用。
4、座浆采用C25细石混凝土分两层浇筑,即:先浇筑井盖座以下部分,振捣密实后,再浇筑井盖座以上部分,混凝土表面成活要平整粗糙,混凝土表面宜与周边已铺沥青层相平。
方法一方法二:采用“漏斗模具法”
用如下图一-三进行说明:。