DB4403∕T 34-2019 深圳市生产建设项目水土保持技术规范
- 格式:pdf
- 大小:523.81 KB
- 文档页数:28
附件:全国水土保持监测纲要(2006~2015年)在我国全面建设小康社会的关键时期,要实现构建社会主义和谐社会、建设社会主义新农村、保持经济平稳较快发展和提高人民生活水平等奋斗目标,必须加快建设资源节约型、环境友好型社会,促进经济发展与人口、资源、环境相协调。
水土流失影响我国生态安全,已对经济社会发展构成严重制约。
为全面贯彻《中华人民共和国水土保持法》,落实科学发展观,以水土资源可持续利用支撑国民经济社会的可持续发展,为国家制定宏观战略决策提供依据,进一步明确今后水土保持监测工作的指导思想、原则、目标任务和保障措施,特制订本纲要。
一、水土保持监测工作状况(一)水土保持监测工作成效我国水土保持监测始于20世纪30年代,在福建长汀、重庆北碚、甘肃天水及陕西长安等地建立了水土保持试验站,开展了水土流失定位观测。
新中国成立后,水利部先后三次组织了全国土壤侵蚀调查,查清了水土流失面积、分布状况和流失程度,为国家生态建设提供了决策依据。
水土流失规律、防治措施效益和预测模型等方面的试验研究,为水土流失动态监测预报奠定了基础。
1991年《中华人民共和国水土保持法》的颁布,标志着我国水土保持监测工作进入了新的发展阶段。
近年来,各级水行政主管部门十分重视水土保持监测预报工作,狠抓制度和机构建设、人才培养和技术标准制定、科学研究和新技术推广,全面开展水土流失动态监测,在各方面取得了新的进展。
主要表现在:(1)全国水土保持监测网络和信息系统完成了一期工程建设。
初步建成了水利部水土保持监测中心、长江和黄河2个流域监测中心站、中西部13个省(自治区、直辖市)监测总站和100个监测分站,建立了18个综合典型监测站和260多个观测场。
(2)监测制度和技术标准初步建立。
水利部发布了《水土保持生态环境监测网络管理办法》和《开发建设项目水土保持设施竣工验收管理办法》,明确了各级监测机构职责、监测站网建设、资质管理、监测报告制度和监测成果发布等,发布了《水土保持监测技术规程》等一系列的技术标准,规范了数据采集与处理、分析评价和资料整(汇)编工作。
深圳市开发建设项目水土保持方案(设计)报告书编制指南(报审稿)深圳市水务局二〇一五年十月目录1 前言 (4)2 编制总则 (5)2.1编制目的和意义 (5)2.2编制依据 (5)2.3编制深度及难度等级 (5)3 项目区自然概况 (6)3.1水文、气象 (6)3.2地形、地质 (6)3.3土壤、植被 (6)3.4生态敏感区 (6)4 主体工程分析评价 (7)4.1主体工程概况 (7)4.2主体工程分析 (7)4.3主体工程限制性评价 (7)4.4土石方平衡分析 (7)4.5水土流失量预测 (8)5 水土流失防治总体布局 (8)5.1防治责任范围 (8)5.2防治目标 (9)5.3防治体系 (10)6 施工期水土保持措施设计 (11)6.1汇水分析 (11)6.2表土剥离与土地整治 (11)6.3临时截排水设计 (11)6.4临时沉砂设计 (11)6.5临时拦挡设计 (12)6.6临时覆盖设计 (12)6.7临时绿化设计 (12)6.8其他临时措施 (12)7 永久水土保持措施设计 (14)7.1永久截排水设计 (14)7.2永久蓄水滞洪措施设计 (14)7.3永久入渗措施设计 (14)7.4永久沉砂设计 (15)7.5边坡生态防护措施设计 (15)7.6植物措施设计 (16)8 水土保持措施进度安排 (17)8.1主体工程施工进度安排 (17)8.2水土保持措施进度安排 (17)9 水土保持效益分析 (19)9.1水土保持损益分析 (19)9.2水土保持效益分析 (19)9.3水土保持防治效果评价 (20)10 投资概(估)算 (21)10.1编制依据 (21)10.2水土保持工程量 (21)10.3投资概(估)算 (21)11 结论及建议 (22)12 附件 (23)12.1文件资料 (23)12.2附图 (23)12.2.1现场照片 (23)12.2.2设计图纸 (23)附录A 深圳市开发建设项目水土保持方案特性表 (25)附录B 定义、公式 (26)附录C 水土保持措施设计技术标准 (29)C1截排水、沉砂设计 (29)C1.1 截水沟设计 (29)C1.2 土质排水沟设计 (29)C1.3 生态草沟设计 (31)C1.4 砌石(砖)排水沟设计 (32)C1.5沉砂池容量估算 (32)C1.6 临时拦挡设计 (33)C2永久蓄水滞洪措施设计 (34)C2.1 蓄水池设计 (35)C2.2集水箱(桶)设计 (35)C2.3 生物滞留池设计 (35)C3永久入渗措施设计 (36)C3.1 透水材料铺装设计 (36)C3.2 下凹式绿化设计 (36)C3.3 渗透洼地、渗透池(塘)设计 (36)C3.4 渗透管设计 (37)C3.5 渗透浅沟设计 (37)附录D 推荐植物表 (39)1 前言1、阐述项目建设目的、所在区、街道位置(控制点坐标)、用地红线面积、临时占地面积、建设内容及规模;2、说明工程立项及报建进度;3、本章附“水土保持方案特性表”(见附录A)。
目 次前言 (II)引言 (III)1 范围 (1)2 规范性引用文件 (1)3 术语和定义 (2)4 基本规定 (5)5 单项海绵设施设计要点 (5)6 城市道路海绵城市设计要点 (10)7 建筑与小区海绵城市设计要点 (11)8 公园绿地海绵城市设计要点 (12)9 河湖水系海绵城市要点 (13)10 雨水回用设计要点 (15)附录A(资料性附录) 单项海绵设施设计图纸 (17)附录B(资料性附录) 城市道路海绵系统设计图纸 (42)附录C(资料性附录) 建筑与小区海绵系统设计图纸 (58)附录D(资料性附录) 河湖水系海绵系统设计图纸 (66)附录E(资料性附录) 雨水回用系统设计图纸 (84)附录F(资料性附录) 推荐植物应用名录 (94)参考文献 (96)海绵城市设计图集1 范围本图集规定了深圳市城市道路、建筑与小区、公园绿地、河湖水系、雨水回用系统及单项海绵设施海绵城市的设计要求等内容。
本图集适用于深圳市新建、改建、扩建的建筑与小区、城市道路、公园绿地、河湖水系生态修复和雨水综合利用等海绵城市建设工程设计。
本图集主要对各类海绵城市建设项目的设计导向、要点做出规定,具体各项设施的尺寸、材料等设计参数为建议值,设计时应根据具体情况、参照本图集及现行的国家标准规范进行实际取值。
2 规范性引用文件下列文件对于本文件的应用是必不可少的。
凡是注日期的引用文件,仅所注日期的版本适用于本文件。
凡是不注日期的引用文件,其最新版本(包括所有的修改单)适用于本文件。
GB 3838 地表水环境质量标准GB/T 25993 透水路面砖和透水路面板GB 50013 室外给水设计规范GB 50014 室外排水设计规范GB 50015 建筑给水排水设计规范GB 50180 城市居住区规划设计规范GB 50201 防洪标准GB 50268 给水排水管道工程施工及验收规范GB 50286 堤防工程设计规范GB 50289 城市工程管线综合规划规范GB 50318 城市排水工程规划规范GB 50345 屋面工程技术规范GB/T 50378 绿色建筑评价标准GB 50400 建筑与小区雨水控制及利用工程技术规范GB 50420 城市绿地设计规范GB 50513 城市水系规划规范GB 50555 民用建筑节水设计规范GB/T 50563城市园林绿化评价标准GB/T 50596雨水集蓄利用工程技术规范GB/T 50600渠道防渗工程技术规范GB 50773蓄滞洪区设计规范GB 50788城镇给水排水技术规范GB/T 50805城市防洪工程设计规范GB 51192公园设计规范DB4403/T 24—2019GB 51222城镇内涝防治技术规范CECS 353 生态格网结构技术规程CECS 361 生态混凝土应用技术规程CECS 456 格网土石笼袋、护坡工程袋应用技术规程CJJ 1城市道路工程施工与质量验收规范CJJ 6城镇排水管道维护安全技术规程CJJ 37 城市道路工程设计规范CJJ 48公园设计规范CJJ1 81 城镇排水管道检测与评估技术规程CJJ/T 城市绿化工程施工及验收规范CJJ 82 园林绿化工程施工及验收规范CJJ 83 城乡建设用地竖向规划规范CJJ/T 135 透水水泥混凝土路面技术规程CJJ/T 188 透水砖路面技术规程CJJ/T 190 透水沥青路面技术规程CJJ 194 城市道路路基设计规范CJJ/T 236 垂直绿化工程技术规程CJ/T 340 绿化种植土壤JGJ 155 种植屋面工程技术规程SZJG 32 再生水、雨水利用水质规范SZDB/Z 49 雨水利用工程技术规范SZDB/Z 145 低影响开发雨水综合利用技术规范SJG 37 深圳市房屋建筑工程海绵设施设计规程10SS705 雨水综合利用14J206 种植屋面建筑构造15J012-1 环境景观-室外工程细部构造15S412 屋面雨水排水管道安装15SS510 绿地灌溉与体育场地给水排水设施15MR105 城市道路与开放空间低影响开发雨水设施15MR205 城市道路-环保型道路路面16S518 雨水口16MR201 城市道路-透水人行道铺设3 术语和定义3.1海绵城市 sponge city通过加强城市规划建设管理,充分发挥建筑、道路和绿地、水系等生态系统对雨水的吸纳、蓄渗和缓释作用,有效控制雨水径流,实现“自然积存、自然渗透、自然净化”的城市发展方式。
ICS 93.010P 04 DB4403 深圳市地方标准DB4403/T 24—2019海绵城市设计图集Design drawings for sponge city facilities2019-07-12发布2019-08-01实施深圳市市场监督管理局发布DB4403/T 24—2019目 次前言 (II)引言 (III)1 范围 (1)2 规范性引用文件 (1)3 术语和定义 (2)4 基本规定 (5)5 单项海绵设施设计要点 (5)6 城市道路海绵城市设计要点 (10)7 建筑与小区海绵城市设计要点 (11)8 公园绿地海绵城市设计要点 (12)9 河湖水系海绵城市要点 (13)10 雨水回用设计要点 (15)附录A(资料性附录) 单项海绵设施设计图纸 (17)附录B(资料性附录) 城市道路海绵系统设计图纸 (42)附录C(资料性附录) 建筑与小区海绵系统设计图纸 (58)附录D(资料性附录) 河湖水系海绵系统设计图纸 (66)附录E(资料性附录) 雨水回用系统设计图纸 (84)附录F(资料性附录) 推荐植物应用名录 (94)参考文献 (96)IDB4403/T 24—2019II 前 言本图集按照GB/T 1.1―2009给出的规则起草。
本图集由深圳市水务局、深圳市住房和建设局提出。
本图集由深圳市水务标准化技术委员会归口。
本图集起草单位:深圳市节约用水办公室、深圳市城市规划设计研究院有限公司。
本图集主要起草人: 丁年、俞露、曹广德、陈霞、张亮、任心欣、刘应明、李亚、熊慧君、杨晨、王思达、汤钟、胥瀚、陈锦全、李炳锋、曾小瑱、高云飞、陆利杰、孙静、邱炬程、杨鹏。
DB4403/T 24—2019引 言为在深圳市海绵城市建设工程中贯彻现行国家有关规范,指导工程设计,推广新技术和新产品,保障海绵城市建设的规范性和科学性,提升海绵城市项目的规划设计和建设水平,打造国际一流的海绵城市,特制订本图集。
工程水土保持方案编制:审核:审批:二〇二三年十月目录第一章编制说明 (2)1. 编制目的 (2)2. 编制依据 (2)3. 编制原则 (2)第二章工程概况 (3)1. 工程信息 (3)2. 气候特点 (3)3. 地形地貌 (3)4. 水文条件 (3)5. 设计标准 (4)第三章组织机构及职责 (4)1. 组织机构设置 (4)2. 水土流失领导小组主要职责 (4)3. 各应急小组职责 (5)第四章作业方案 (5)1. 施工准备 (5)2. 施工安排 (6)3. 水土保持措施 (7)4. 技术要求 (9)5. 后期管护 (9)6. 水土保持验收 (9)7. 水土保持进度 (9)第五章水土流失事件应急措施 (10)第一章编制说明1. 编制目的××××(××-××)位于光明区新湖街道,为南北走向,南起于现状××二路,至至规划光辉大道,道路全长约310m,红线宽度18米,为双向2车道的城市支路。
总占地面积16588.60m2(其中用北面5542.85m2,临时用地11045.75m2)。
道路等级为城市支路,设计速度为20 Km/ h,双向二车道,道路红线宽度为18m。
施工过程中为了有效管控好现场水土及深圳年天气情况,特编制此专项水土保持方案。
2. 编制依据深圳市水务局关于《开展生产建设项目水土保持施工图设计专项查的通知》深水保(218)1054号《生产建设项目水土保持技术标准》(GB 50433-2018)《生产建设项目水土流失防治标准》(GB 50434-2018)《开发建设项目水土保持设施验收技术规程》(GB/T 22490-2008)《水士保持工程设计规范》(GB 51018-2014);《深圳市生产建设项目水土保持技术规范》(DB4403/T34-2019)《深圳市生产建设项目水土保持方案编制指南》(试行),2019。
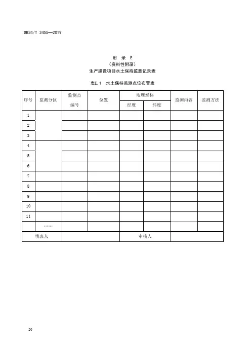
附 录 E(资料性附录)生产建设项目水土保持监测记录表 表E.1 水土保持监测点位布置表序号 监测分区监测点编号 位置地理坐标监测内容 监测方法 经度 纬度1234567891011……填表人 审核人表E.2 日降水量监测记录表监测分区 监测时期 年 月日 降水量(mm)日降水量(mm)日降水量(mm)1 12 232 13 243 14 254 15 265 16 276 17 287 18 298 19 309 20 3110 2111 22月降水量 月降水日数最大日量月统计时段(d) 1 3 7 15 最大降水量开始日填表人 审核人填表说明 注1:可采用附近水文气象雨量观测站资料;若没有,可设置观测设备。
注2:点式项目各监测分区可共用1个降水量观测站;线状工程涉及各县级行政区内至少有1个降水量观测站。
表E.3 植被监测记录表监测分区监测地点(部位) 时 间 年 月 日 (a):乔木层植物名称 优势树种 其他说明(坡度、坡向、整地情况等) 其他树种树龄(年)平均高度(m)平均胸径(cm)每100m2株树(株)林冠郁闭度分布状况生长情况填表人 审核人 (b):灌草层植物名称 优势树草种 其他说明(坡度、坡向、整地情况等) 其他树草种树龄(年)平均高度(m)覆盖度(%)分布状况生长情况填表人 审核人表E.4 地表扰动情况监测记录表监测分区 监测点编号监测日期扰动情况 整治情况 现场情况扰动形式扰动宽度扰动面积土地利用类型示意图及尺寸标注整治方式整治面积土地利用类型示意图及尺寸标注填表人 审核人填表说明:注1:扰动形式主要有填挖、占压。
注2:土地利用类型按照 GB/T 21010 一级分类填写,主要包括耕地、园地、林地、草地、交通运输用地等。
注3:线性扰动填写扰动宽度及抽样段扰动面积。
注4:整治方式主要有硬化、土地整治、植物措施等。
表E.5 弃土(石、渣)场监测记录表名称 编号位 置所在乡镇 表土剥离 万m3经纬度 经度 纬度 高程(m)桩号/里程 相对主体工程位置左侧/右侧距项目区距离(m) m弃渣特点 沟道弃渣场 坡面弃渣场 平地弃渣场 填洼(塘)弃渣场 其他规格尺寸 长度(m)宽度(m)形状水土保持措施 有(无) 类型监测日期 占地面积(hm2)方量(万m3)类型(土、石、土石混合等)问题及水土流失隐患范围外堆积物体积示意图水土流失情况年-月-日填表人 审核人填表说明:注1:表土剥离情况直接打√,并填写剥离方量。
中华人民共和国国家标准开发建设项目水土保持技术规范GB50433—2008条文说明此文档根据网络PDF版重新排版整理,内容难免有错误之处,仅供参考。
请以中国计划出版社正式出版内容为准目录目录 .............................................................................................................................................. a 1总则 .. (1)3基本规定 (2)3.1一般规定 (2)3.2对主体工程的约束性规定 (2)3.3不同水土流失类型区的特殊规定 (2)3.4不同类型建设项目的特殊规定 (5)4各设计阶段的任务 (6)5水土保持方案 (7)5.1一般规定 (7)5.6水土流失防治责任范围及防治分区 (7)5.7水土流失预测的基本要求 (8)5.9水土保持监测的基本要求 (8)6水土保持初步设计专章 (10)7拦渣工程 (11)7.3设计要求 (11)8斜坡防护工程 (19)8.1设计要求 (19)9土地整治工程 (24)9.3设计要求 (24)10防洪排导工程 (27)10.3设计要求 (27)11降水蓄渗工程 (40)11.3设计要求 (40)12临时防护工程 (42)12.3设计要求 (42)13植被建设工程 (43)13.1一般规定 (43)13.3设计要求 (44)14防风固沙工程 (49)14.3设计要求 (49)1总则1.0.2建设或生产过程中可能引起水土流失的开发建设项目指公路、铁路、机场、港口、码头、水工程、电力工程、通信工程、管道工程、国防工程、矿产和石油天然气开采及冶炼、工厂建设、建材、城镇新区建设、地质勘探、考古、滩涂开发、生态移民、荒地开发、林木采伐等项目。
3基本规定3.1一般规定3.1.1根据防洪法及河道管理条例的规定,河道、湖泊的管理范围分两种情况:一是有堤防的河道、湖泊,其管理范围为两岸堤防之间的水域、沙洲、滩地(包括可耕地)、行洪区,两岸堤防及护堤地;二是无堤防的河道、湖泊,其管理范围为历史最高洪水位或设计洪水位之间的水域、沙洲、滩地和行洪区。
一、总那么(一)工程背景瞧澜河是广东省重要饮用水源地东江一级支流石马河的上游河段,发源于深圳梅林海关西部大脑壳山的牛咀水库鸡公头一带,由南向北流经龙岗区的坂田街道、宝安区的民治、大浪、龙华和瞧澜街道,在瞧澜街道北面企坪的东北边出境,流进东莞市。
此外,发源于龙岗区平湖街道内的石马河其他支流如牛湖水、君子布河、鹅公岭河、木古河、山厦河等也由深圳市流进东莞市。
因此,瞧澜河〔石马河〕属于跨地级市行政区交界河流。
此外,瞧澜河流域的污染负荷所占的比例较大,是碍事东江水质的要紧污染源之一,其水质状况受到了环保部和广东省环保厅的高度重视。
做好瞧澜河的污染整治工作,是深圳市实践落实科学开展瞧和建设生态文明的重大举措,对保障东江的供水平安具有重要意义。
由于经济快速增长和人口急速增加,瞧澜河〔石马河〕流域水污染十分严重。
多年来,深圳市一直高度重视瞧澜河〔石马河〕的污染整治工作,投进了大量的人力、物力和财力,也取得了一定的效果。
然而,总体上污染整治工作仍然严重滞后于经济开展,跨市断面的水质状况仍然不断恶化,引起了国家和地点各级政府与社会各界的高度关注,久治不愈的污染顽症已成为制约该流域社会经济开展的瓶颈因素。
能够预见,随着流域经济的接着开展,污染负荷不断增长的趋势在短时刻内仍然难以遏制,要是没有科学系统的整治方案,跨界断面水质保卫的压力将越来越大,也将对东江供水水源平安构成严重威胁。
为贯彻落实?广东省跨行政区域河流交接断面水质保卫治理?和?中共深圳市委、市政府关于加强环境保卫建设生态市的决定?的有关要求,深圳市人民政府决定对瞧澜河〔石马河〕流域开展水环境综合整治,使河流水质逐步到达的保卫目标。
依据?关于研究龙岗河坪山河流域水环境综合整治达标方案等咨询题的会议纪要?〔市政府办公会议纪要[575]号〕,深圳市人居环境委员会(原深圳市环境保卫局)于2021年2月中旬通过招标程序托付环境保卫部华南环境科学研究所编制?瞧澜河〔石马河〕流域水环境综合整治达标方案?,为跨界污染的解决提供总体方案和科技支撑。
深圳经济特区水土保持条例(2019年修正)文章属性•【制定机关】深圳市人大及其常委会•【公布日期】2019.09.05•【字号】•【施行日期】2019.09.05•【效力等级】经济特区所在市地方性法规•【时效性】现行有效•【主题分类】水土保持正文深圳经济特区水土保持条例(1997年2月26日深圳市第二届人民代表大会常务委员会第十三次会议通过根据2017年4月27日深圳市第六届人民代表大会常务委员会第十六次会议《关于修改〈深圳经济特区水土保持条例〉的决定》第一次修正根据2019年8月29日深圳市第六届人民代表大会常务委员会第三十五次会议《关于修改〈深圳经济特区人才工作条例〉等二十九项法规的决定》第二次修正)目录第一章总则第二章预防第三章治理第四章监督与管理第五章法律责任第六章附则第一章总则第一条为了预防和治理水土流失,保护和合理利用水土资源,减轻水、旱灾害,改善生态环境,促进水土资源开发利用与经济建设的协调发展,根据《中华人民共和国水土保持法》以及有关法律、行政法规的基本原则,结合深圳经济特区实际,制定本条例。
第二条本条例所称水土流失,是指因自然因素或者人为活动造成的水土资源的破坏和损失。
本条例所称水土保持,是指对水土流失所采取的预防和治理措施。
第三条水土保持工作实行预防为主、全面规划、防治结合、加强监督、注重效益的方针,遵循谁开发建设谁保护,谁造成水土流失谁负责治理的原则。
第四条土地使用权人应当采取措施保护其使用权范围内的水土资源,并负责治理因人为活动造成的水土流失。
第五条市水务主管部门负责全市水土保持的监督管理工作,各区水务主管部门负责本辖区水土保持的监督管理工作。
市、区发展改革、规划和自然资源、生态环境、住房建设、交通运输、城管和综合执法、建筑工务等部门,在各自职责范围内做好水土保持工作。
第六条任何组织和个人都有保护水土资源的义务,并有权对破坏水土资源、造成水土流失的行为予以举报和控告。
第七条各级人民政府应当加强水土保持的宣传教育工作,鼓励采用水土保持的先进技术,奖励水土保持工作中成绩显著的单位和个人。
深圳市开发建设项目水土保持方案(设计)报告书编报指南(深水[2006]135号)1、前言内容包括:项目来源及建设必要性,位置(含中心点坐标)、红线面积、建设性质和规模,工程立项或报建进展情况,主体工程设计单位和水土保持方案编制委托(包括证书等级和编号)及方案编制深度等(为保证方案对主体工程的评价客观公正,水土保持方案编制单位与主体工程设计单位不得相同)。
2、方案编制总则2.1方案编制的目的和意义根据“预防为主,保护优先”的水土保持工作方针和法律设定的水土保持方案行政许可规定,针对本项目特点阐述方案编制的目的和意义。
2.2方案编制依据按照国家、广东省及深圳市法律、法规,部委规章,市政府规范性文件,规范标准(含深圳市有关编制指南等),技术文件,技术资料等,分层次列出。
2.3方案编制深度及难度等级原则上要求方案(设计)深度与主体工程设计阶段相一致。
补报方案总体上要求按初步设计阶段编制,施工期临时防护措施要求达到施工图设计深度。
方案编制难度等级综合考虑可能造成水土流失的强度和直接影响区保护对象的重要性,可划分为5级:1级(容易)*、2级(较易)**、3级(一般)***、4级(较难)****、5级(极难)*****。
为便于操作,本指南推荐采用简化方式参照地形坡度和计算面积确定(见表1)。
****及以上难度等级的项目要求严格技术评审,建议方案编制单位预先告之评估组织机构。
表1 水土保持方案编制难度等级参照表注: 1.计算面积为防治责任范围面积+项目区外汇入径流集雨面积的50%;2.二级公路及以上(含高等级公路)经过丘陵区长度超2公里和管线工程超5公里的项目可定为****及以上等级。
若项目直接影响区属于高敏感区(如一、二级水源保护区,基本生态控制线范围或主要工业、居民区等区域),方案编制难度等级应增加一级;直接影响区为非敏感区(如偏远山区等),方案编制难度等级可相应降低一级。
3、项目分析及水土流失预测3.1项目区自然概况介绍项目区周边环境情况,项目区内的各种地貌类型及面积(列表格)、地质、土壤情况,气象水文特征,植被情况(植被类型、主要群落结构、植被面积、覆盖率等,若有古树名木等历史遗迹,要在图纸上标明),生态用水来源和保障情况等;说明项目区是否位于饮用水源保护区(尤其是一级保护区要具体)或基本生态控制线范围等区域。
目次前言 (II)引言 (III)1 范围 (1)2 规范性引用文件 (1)3 术语和定义 (1)4 基本规定 (2)5 各设计阶段的任务与要求 (3)6 基础资料调查与收集 (4)7 水土保持措施设计 (4)8 生产建设项目水土保持技术要求 (9)附录A (资料性附录) 排水设计 (15)附录B (资料性附录) 沉沙池设计 (19)附录C (资料性附录) 推荐覆盖材料 (21)附录D (资料性附录) 边坡生态防护技术 (22)附录E (资料性附录) 推荐水土保持植物名录 (23)参考文献 (28)深圳市生产建设项目水土保持技术规范1 范围本规范规定了生产建设项目水土保持技术体系和关键技术要求。
本规范适用于生产建设项目水土流失防治,非生产建设项目水土流失防治技术可参照执行。
2 规范性引用文件下列文件对于本文件的应用是必不可少的。
凡是注日期的引用文件,仅所注日期的版本适用于本文件。
凡是不注日期的引用文件,其最新版本(包括所有的修改单)适用于本文件。
GB/T 1645.4 水土保持综合治理技术规范小型蓄排引水工程GB 50288 灌溉与排水工程设计规范GB 50433 生产建设项目水土保持技术标准GB/T 50434 生产建设项目水土流失防治标准GB 50869 生活垃圾卫生填埋处理技术规范GB 51018—2014 水土保持工程设计规范GB/T 51240-2018 生产建设项目水土保持监测与评价标准SL 73.1 水利水电工程制图标准 基础制图SL 73.6 水利水电工程制图标准 水土保持图SL 640 输变电项目水土保持技术规范DBJ/T 15—118 建筑余泥渣土受纳场建设技术规范SZDB/Z 31—2010 边坡生态防护技术指南SZDB/Z 49 雨水利用工程技术规范SZDB/Z 145 低影响开发雨水综合利用技术规范SZDB/Z 247—2017 建设工程扬尘污染防治技术规范3 术语和定义下列术语和定义适用于本文件。
3.1排水干沟 main drainage ditch将排水支沟的水汇集输送到排水出口处的排水沟。
3.2排水支沟 tributary drainage ditch将各汇水单元地表径流汇集输送到排水干沟的排水沟。
3.3DB4403/T 34-2019生态排水沟 ecological drainage ditch在沟底及沟壁采用植物措施或植物措施结合工程措施防护的地面排水通道。
3.4简易排水沟 simple drainage ditch土质排水沟侧壁及沟底经压实处理,表面铺土工布或表面喷砼、混凝土抹面等形成的地面排水通道。
3.5裸露地表 bare soil surface没有铺设覆盖材料或植被覆盖率小于10%的地面、边坡等区域。
3.6覆盖措施 covering measures在工程施工过程中,对裸露地表、临时堆土(石、渣)等易被雨水冲刷的区域进行覆盖,防治水土流失的一种防护措施。
3.7边坡生态防护 slope ecological protection单独利用植物或利用植物与工程材料一起进行边坡防护,改善边坡生态环境的边坡防护技术。
4 基本规定4.1 生产建设项目水土保持应按照“因地制宜,分区防治;统筹兼顾,注重生态;技术可行,经济合理;与主体工程相衔接,与周边环境相协调”的原则,做好水土流失防治工作。
4.2 生产建设项目应根据工程所处设计阶段,做好各阶段的水土保持专项设计工作。
4.3 水土保持设计应通过“调水流,削洪峰;降流速,沉泥沙;配植物,优生态”的策略,做到临时水土保持措施的有效性和永久水土保持措施的生态性。
4.4 水土保持设计应充分利用现状地形地貌进行措施设计。
4.5 生产建设项目施工期水土流失防治应以“分区汇水、清水外截、区内理顺、雨旱分防”为原则,布置水土流失防治措施体系。
临时水土保持措施设计应根据施工进度产生的施工场地竖向变化和平面布局变化,针对性地分期分区布设水土保持措施。
4.6 生产建设项目应根据水土流失风险等级进行相应的临时水土保持措施设计。
4.7 生产建设项目临时水土保持措施设计应结合主体工程特性及施工工艺,选择适宜的水土保持措施类型,鼓励选用新技术、新材料、新工艺、新设备。
4.8 水土保持施工布置应按“先截后挖”的施工时序及时完成施工现场周边及开挖、回填区域的截排水系统,按“先拦后弃”的原则采取适宜的弃土(石、渣)拦挡措施。
4.9 生产建设项目应通过合理调整施工时序、优化竖向标高等方式减少弃土石方量,并应综合利用开挖土石方。
不能完全利用的土石方,应外弃到合法余泥渣土受纳场或项目指定的弃渣场。
4.10 生产建设项目应加强雨水资源的合理利用,配置地表径流控制措施,并与排水设施相衔接。
DB4403/T 34-2019 5 各设计阶段的任务与要求5.1 一般规定5.1.1 生产建设项目在不同设计阶段应有相应的水土保持内容。
5.1.2 生产建设项目水土保持可分为项目建议书、可行性研究、初步设计和施工图设计等阶段。
5.1.3 水土保持制图应符合SL 73.1和SL 73.6的要求。
5.2 项目建议书阶段生产建设项目在项目建议书阶段应有水土保持章节,应包括以下内容:a)说明生产建设项目所在区域现状水土流失及水、土、植被状况;b)简要分析项目选址(线)的水土保持限制性因素;c)简要分析项目建设可能造成的水土流失影响;d)初步确定水土流失防治责任范围,初拟水土保持措施布局;e)匡算水土保持投资。
5.3 可行性研究阶段5.3.1 生产建设项目可行性研究报告应有水土保持章节,应包括以下内容:a)初步分析工程建设水土流失的影响因素;b)初步预测土壤侵蚀量,分析可能造成的水土流失危害;c)基本确定水土流失防治责任范围及水土流失防治分区;d)明确水土流失防治目标,提出水土流失防治措施总体布设方案;e)初步提出水土保持监测要求;f)估算水土保持措施工程量,估算水土保持专项投资;g)水土保持专项图纸应包括水土流失防治责任范围图、水土保持措施总体布局图、水土保持措施典型设计图、水土保持措施大样图等。
5.3.2 水土保持方案编制应包括以下内容:a)对生产建设项目所在区域进行针对性介绍,并从水土保持专业角度给予评价;b)对主体工程的选址(线)、建设方案、土石方、施工工艺及组织进行水土保持评价,应符合GB 50433的要求;c)基本确定项目水土流失防治责任范围,预测土壤侵蚀量,并预判项目水土流失风险等级;d)确定水土流失防治目标,执行GB/T 50434 中南方红壤区的一级标准;进行水土流失防治分区,基本确定水土流失防治措施布局,分区布置水土保持措施;e)基本确定水土保持监测范围、内容、方法、频次、监测点布局,应符合GB/T 51240的要求;f)估算水土保持措施工程量及投资,并分析方案实施产生的效益;g)水土保持方案图册。
5.4 初步设计阶段5.4.1 生产建设项目初步设计阶段,应有水土保持专篇(章),应包括以下内容:a)说明水土保持方案的主要内容和结论性意见;b)简述项目施工过程中的水土流失影响因素,并分析可能造成的水土流失危害;DB4403/T 34-2019c)确定水土流失防治责任范围,划分水土保持防治分区,并说明各防治分区的水土保持措施布局;d)说明水土保持措施施工布置及进度等内容,明确水土保持管理组织机构、人员,明确施工期监理、监测要求;e)确定水土保持监测范围、内容、方法、频次、监测点布局;f)估算水土保持措施工程量,编制水土保持投资概算;g)水土保持专项图纸应包括封面、图纸目录、设计说明、水土保持措施平面图、水土保持措施剖面图、水土保持措施详图等。
5.5 施工图设计阶段5.5.1 生产建设项目施工图设计阶段应进行水土保持专项施工图设计,主要包括以下内容:a)水土保持施工图设计,应包括封面、图纸目录、设计说明、分阶段水土保持措施平面图、水土保持措施剖面图、水土保持措施详图等;b)计算工程量,编制工程量清单。
5.5.2 施工期临时排水、沉沙、拦挡、覆盖措施应根据施工进度分期分区布置。
6 基础资料调查与收集6.1 气象资料收集。
包括生产建设项目所在区域气温、蒸发量、多年平均降雨量、年平均风速、大风天数、极值及其出现的时间等。
6.2 水文基础资料收集。
包括生产建设项目所在区域及周边水系分布、历年最大洪峰流量(洪量)、最高洪水位、最大时段(1h、6h、24h)雨量等基础信息及既往规划设计中的设计洪水和设计暴雨成果。
6.3 排水设施调查与资料收集。
包括生产建设项目所在区域及周边排水沟道、市政雨水管网等的分布、排水能力等。
6.4 地形调查与资料收集。
包括坡度、坡向及地形特征等。
应主要说明生产建设项目所在区域及周边一定范围海拔高度、坡度范围及坡高。
6.5 地质资料收集。
包括地层岩性、地质构造、生产建设项目所在区域不良地质分布情况。
6.6 土壤调查与资料收集。
包括生产建设项目所在区域及周边区域土壤质地、土壤肥力、土壤可蚀性、表土情况等。
6.7 植被调查。
包括生产建设项目所在区域植物种类(重点是乡土植物种类)和植被覆盖率。
调查区内具有景观学术价值的植物群落时,应特别记录。
6.8 土地利用情况调查与资料收集。
包括生产建设项目所在区域现状的土地利用类型、分布、面积以及规划的土地利用类型等。
6.9 水土流失调查。
包括生产建设项目所在区域及周边区域水土保持专项规划、水土流失类型、土壤侵蚀模数、水土流失对项目的影响以及现有水土保持措施的类型、数量、保存状况和防治水土流失的效果及经验教训。
7 水土保持措施设计7.1 排水措施DB4403/T 34-2019 7.1.1 总体要求7.1.1.1 生产建设项目永久截排水体系应与城市防洪、排涝和排水等规划相一致,永久性截排水沟的设计应符合GB 50288和GB/T 1645.4中相关规定。
7.1.1.2 排水沟的数量、尺寸及布设位置应满足收集、排出场地汇水的客观要求。
7.1.1.3 永久排水沟推荐使用生态排水沟,边坡坡顶和平台截排水沟宜选用不透水型。
7.1.1.4 排水路径宜根据项目建设区的地形和周边排水排洪能力,就近接驳周边现有排水通道。
7.1.1.5 生产建设项目应根据施工时序,在施工过程中宜利用已建的永久性排水设施。
7.1.1.6 排水沟应及时进行清淤和维护。
排水沟应在泥沙淤积深度达到最大设计水位的50%前清疏,并在每次暴雨前、后及时清疏。
7.1.2 汇水分析7.1.2.1汇水区应包括项目水土流失防治责任范围和汇水进入防治责任范围的其他区域。
7.1.2.2工程汇水分析应分三个阶段考虑,分别为施工前、施工中和完工后:a)施工前汇水分析应对现有排水沟、渠道、河道、池塘、人工湖位置、市政雨水管网进行调查,并分析下游排水设施的可承纳能力,明确接驳途径;b)施工中汇水分析宜对施工现场的汇水进行梳理,结合汇水分区,布设临时截排水系统,确定临时排水设施规格;c)完工后汇水分析宜进行汇水评价,校核主体永久截排水系统。