钢管力学性能
- 格式:doc
- 大小:109.50 KB
- 文档页数:6
钢管力学性能工艺性能检验报告一、引言钢管是一种广泛应用于工程领域的材料,其力学性能和工艺性能的检验对于确保工程质量和安全至关重要。
本报告对一批钢管的力学性能和工艺性能进行了详细的检验和分析。
二、实验方法1.力学性能检验方法:-引伸计法测量材料的屈服强度、断口伸长率和断裂强度。
-硬度计测量材料的硬度。
-冲击试验测量材料的冲击韧性。
2.工艺性能检验方法:-焊接性能测试,可以通过断面观察、拉伸试验、硬度测量以及冲击试验等方法来评估钢管的焊缝质量。
-压力试验,对钢管进行内压和外压实施到一定压力下观察其破坏情况。
-管材的抗弯性能测试,通过将管材进行弯曲试验来评估其抗弯性能。
三、力学性能检验结果与分析1.屈服强度:通过引伸计法测量,得到平均值为XXXMPa,标准偏差为XXXX。
符合要求的屈服强度应大于规定值。
2.断口伸长率:通过引伸计法测量,得到平均值为XXX%,标准偏差为XXXX。
符合要求的断口伸长率应大于规定值。
3.断裂强度:通过引伸计法测量,得到平均值为XXXMPa,标准偏差为XXXX。
符合要求的断裂强度应大于规定值。
4.硬度:通过硬度计测量,得到平均值为XXXHRC,标准偏差为XXXX。
符合要求的硬度应在规定范围内。
5.冲击韧性:通过冲击试验测量,得到平均值为XXXJ,标准偏差为XXXX。
符合要求的冲击韧性应大于规定值。
根据以上结果分析可知,所测得的钢管的力学性能均符合要求,可满足工程实际应用的需求。
四、工艺性能检验结果与分析1.焊接性能:通过断面观察、拉伸试验、硬度测量以及冲击试验等多项检验方法评估钢管的焊缝质量。
经检验发现焊缝没有明显的缺陷、裂纹和气孔等问题,焊缝质量良好。
2.压力试验:对钢管进行内压和外压实施到规定压力下观察其破坏情况。
经试验发现钢管在规定压力下未发生破坏和泄漏现象,表明其具有良好的耐压性能。
3.抗弯性能:通过弯曲试验评估钢管的抗弯性能。
经试验发现钢管在规定弯曲角度下未发生断裂,表明其具有良好的抗弯性能。
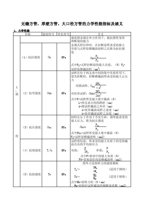
钢管的相关标准力学性指标钢材力学性能是保证钢材最终使用性能(机械性能)的重要指标,它取决于钢的化学成分和热处理制度。
在钢管标准中,根据不同的使用要求,规定了拉伸性能(抗拉强度、屈服强度或屈服点、伸长率)以及硬度、韧性指标,还有用户要求的高、低温性能等。
①抗拉强度(σb)试样在拉伸过程中,在拉断时所承受的最大力(Fb),除以试样原横截面积(So)所得的应力(σ),称为抗拉强度(σb),单位为N/mm2(MPa)。
它表示金属材料在拉力作用下抵抗破坏的最大能力。
计算公式为:式中:Fb--试样拉断时所承受的最大力,N(牛顿);So--试样原始横截面积,mm2。
②屈服点(σs)具有屈服现象的金属材料,试样在拉伸过程中力不增加(保持恒定)仍能继续伸长时的应力,称屈服点。
若力发生下降时,则应区分上、下屈服点。
屈服点的单位为N/mm2(MPa)。
上屈服点(σsu):试样发生屈服而力首次下降前的最大应力;下屈服点(σsl):当不计初始瞬时效应时,屈服阶段中的最小应力。
屈服点的计算公式为:式中:Fs--试样拉伸过程中屈服力(恒定),N(牛顿)So--试样原始横截面积,mm2。
③断后伸长率(σ)在拉伸试验中,试样拉断后其标距所增加的长度与原标距长度的百分比,称为伸长率。
以σ表示,单位为%。
计算公式为:式中:L1--试样拉断后的标距长度,mm;L0--试样原始标距长度,mm。
④断面收缩率(ψ)在拉伸试验中,试样拉断后其缩径处横截面积的最大缩减量与原始横截面积的百分比,称为断面收缩率。
以ψ表示,单位为%。
计算公式如下:式中:S0--试样原始横截面积,mm2;S1--试样拉断后缩径处的最少横截面积,mm2。
⑤硬度指标金属材料抵抗硬的物体压陷表面的能力,称为硬度。
根据试验方法和适用范围不同,硬度又可分为布氏硬度、洛氏硬度、维氏硬度、肖氏硬度、显微硬度和高温硬度等。
对于管材一般常用的有布氏、洛氏、维氏硬度三种A、布氏硬度(HB)用一定直径的钢球或硬质合金球,以规定的试验力(F)压入式样表面,经规定保持时间后卸除试验力,测量试样表面的压痕直径(L)。
钢管力学性能力学性能钢材力学性能是保证钢材最终使用性能(机械性能)的重要指标,它取决于钢的化学成分和热处理制度。
在钢管标准中,根据不同的使用要求,规定了拉伸性能(抗拉强度、屈服强度或屈服点、伸长率)以及硬度、韧性指标,还有用户要求的高、低温性能等。
①抗拉强度(σb)试样在拉伸过程中,在拉断时所承受的最大力(Fb),出以试样原横截面积(So)所得的应力(σ),称为抗拉强度(σb),单位为N/mm2(MPa)。
它表示金属材料在拉力作用下抵抗破坏的最大能力。
计算公式为:式中:Fb--试样拉断时所承受的最大力,N(牛顿); So--试样原始横截面积,mm2。
②屈服点(σs)具有屈服现象的金属材料,试样在拉伸过程中力不增加(保持恒定)仍能继续伸长时的应力,称屈服点。
若力发生下降时,则应区分上、下屈服点。
屈服点的单位为N/mm2(MPa)。
上屈服点(σsu):试样发生屈服而力首次下降前的最大应力;下屈服点(σsl):当不计初始瞬时效应时,屈服阶段中的最小应力。
屈服点的计算公式为:式中:Fs--试样拉伸过程中屈服力(恒定),N(牛顿)So--试样原始横截面积,mm2。
③断后伸长率(σ)在拉伸试验中,试样拉断后其标距所增加的长度与原标距长度的百分比,称为伸长率。
以σ表示,单位为%。
计算公式为:式中:L1--试样拉断后的标距长度,mm; L0--试样原始标距长度,mm。
④断面收缩率(ψ)在拉伸试验中,试样拉断后其缩径处横截面积的最大缩减量与原始横截面积的百分比,称为断面收缩率。
以ψ表示,单位为%。
计算公式如下:式中:S0--试样原始横截面积,mm2; S1--试样拉断后缩径处的最少横截面积,mm2。
⑤硬度指标金属材料抵抗硬的物体压陷表面的能力,称为硬度。
根据试验方法和适用范围不同,硬度又可分为布氏硬度、洛氏硬度、维氏硬度、肖氏硬度、显微硬度和高温硬度等。
对于管材一般常用的有布氏、洛氏、维氏硬度三种。
A、布氏硬度(HB)用一定直径的钢球或硬质合金球,以规定的试验力(F)压入式样表面,经规定保持时间后卸除试验力,测量试样表面的压痕直径(L)。
无缝钢管的力学性能计算公式钢材力学性能是保证钢材最终使用性能(机械性能)的重要指标,它取决于钢的化学成分和热处理制度。
在钢管标准中,根据不同的使用要求,规定了拉伸性能(抗拉强度、屈服强度或屈服点、伸长率)以及硬度、韧性指标,还有用户要求的高、低温性能等。
①抗拉强度(σb)试样在拉伸过程中,在拉断时所承受的最大力(Fb),出以试样原横截面积(So)所得的应力(σ),称为抗拉强度(σb),单位为N/mm2(MPa)。
它表示金属材料在拉力作用下抵抗破坏的最大能力。
计算公式为:式中:Fb--试样拉断时所承受的最大力,N(牛顿);So--试样原始横截面积,mm2。
②②屈服点(σs)具有屈服现象的金属材料,试样在拉伸过程中力不增加(保持恒定)仍能继续伸长时的应力,称屈服点。
若力发生下降时,则应区分上、下屈服点。
屈服点的单位为N/mm2(MPa)。
上屈服点(σsu):试样发生屈服而力首次下降前的最大应力;下屈服点(σsl):当不计初始瞬时效应时,屈服阶段中的最小应力。
屈服点的计算公式为:式中:Fs--试样拉伸过程中屈服力(恒定),N(牛顿)So--试样原始横截面积,mm2。
③③断后伸长率(σ)在拉伸试验中,试样拉断后其标距所增加的长度与原标距长度的百分比,称为伸长率。
以σ表示,单位为%。
计算公式为:式中:L1--试样拉断后的标距长度,mm;L0--试样原始标距长度,mm。
④④断面收缩率(ψ)在拉伸试验中,试样拉断后其缩径处横截面积的最大缩减量与原始横截面积的百分比,称为断面收缩率。
以ψ表示,单位为%。
计算公式如下:式中:S0--试样原始横截面积,mm2;S1--试样拉断后缩径处的最少横截面积,mm2。
⑤⑤硬度指标金属材料抵抗硬的物体压陷表面的能力,称为硬度。
根据试验方法和适用范围不同,硬度又可分为布氏硬度、洛氏硬度、维氏硬度、肖氏硬度、显微硬度和高温硬度等。
对于管材一般常用的有布氏、洛氏、维氏硬度三种。
A、布氏硬度(HB)用一定直径的钢球或硬质合金球,以规定的试验力(F)压入式样表面,经规定保持时间后卸除试验力,测量试样表面的压痕直径(L)。
钢管的一般分类钢管是一种中空的长条钢材,大量用作输送流体的管道,如石油、天燃气、水、煤气、蒸气等,另外,在搞弯、抗扭强度相同时,重量较轻,所以也广泛用于制造机械零件和工程结构。
也常用作生产各种常规武器、枪管、炮弹等。
钢管的分类:钢管分无缝钢管和焊接钢管(有缝管)两大类。
按断面形状又可分为圆管和异形管,广泛应用的是圆形钢管,但也有一些方形、矩形、半圆形、六角形、等边三角形、八角形等异形钢管。
对于承受流体压力的钢管都要进行液压试验来检验其耐压能力和质量,在规定的压力下不发生泄漏、浸湿或膨胀为合格,有些钢管还要根据标准或需方要求进行卷边试验、扩口试验、压扁试验等。
无缝钢管:无缝钢管是用钢锭或实心管坯经穿孔制成毛管,然后经热轧、冷轧或冷拨制成。
无缝钢管的规格用外径*壁厚毫米数表示。
无缝钢管分热轧和冷轧(拨)无缝钢管两类。
热轧无缝钢管分一般钢管,低、中压锅炉钢管,高压锅炉钢管、合金钢管、不锈钢管、石油裂化管、地质钢管和其它钢管等。
冷轧(拨)无缝钢管除分一般钢管、低中压锅炉钢管、高压锅炉钢管、合金钢管、不锈钢管、石油裂化管、其它钢管外,还包括碳素薄壁钢管、合金薄壁钢管、不锈薄壁钢管、异型钢管。
热轧无缝管外径一般大于32mm,壁厚2.5-75mm,冷轧无缝钢管处径可以到6mm,壁厚可到0.25mm,薄壁管外径可到5mm壁厚小于0.25mm,冷轧比热轧尺寸精度高。
一般用无缝钢管是用10、20、30、35、45等优质碳结钢16Mn、5MnV等低合金结构钢或40Cr、30CrMnSi、45Mn2、40MnB等合结钢热轧或冷轧制成的。
10、20等低碳钢制造的无缝管主要用于流体输送管道。
45、40Cr等中碳钢制成的无缝管用来制造机械零件,如汽车、拖拉机的受力零件。
一般用无缝钢管要保证强度和压扁试验。
热轧钢管以热轧状态或热处理状态交货;冷轧以热以热处理状态交货。
低中压锅炉用无缝钢管:用于制造各种低中压锅炉、过热蒸汽管、沸水管、水冷壁管及机车锅炉用过热蒸汽管、大烟管、小烟管和拱砖管等。
钢管标准要求 The document was finally revised on 2021
钢管标准要求
验,其H应符合“1.”中规定,压扁试验后,试样应无裂缝或裂口。
2.钢管外径≤22mm时可做弯曲试验,弯曲角度为90°,弯心半径为钢管外径的6倍,弯曲处不得出现裂缝或裂口。
3.带“*”者可按其中一种数据交货。
4.批量:外径≤76mm且壁厚≤3mm时400根/批,外径>351mm时50根/批,其他200根/批;取样:两拉两压两弯。
验后,试样应无裂缝或裂口。
2.钢管外径≤22mm时可做弯曲试验,弯曲角度为90°,弯心半径为钢管外径的6倍,弯曲处不得出现裂缝或裂口。
3.批量与取样数量同“㈠”。
㈢.低压流体输送用焊接钢管 GB/T3092-93
1.钢管用GB700规定的Q195、Q215A和Q235A钢制造。
2.钢管的抗拉强度(σb)不小于295MPa,伸长率(δ5)不小于15%。
3.拉伸试验为纵向试样,应在离焊缝90°以外的部位切取,也可以切取全截面管段试样,仲裁以纵向试样为准。
4.公称口径大于50mm的钢管应进行压扁试验。
压扁试验时两平板间距压缩到钢管外径的3/4,焊缝不应出现裂纹;压
缩到钢管外径的3/5,焊缝以外的其他部位不应出项裂纹。
5.公称口径小于和等于50mm的钢管应进行弯曲试验。
弯曲试验时不带填充物,弯曲半径等于钢管公称外径的6倍,弯
曲角度为90°,焊缝位于弯曲方向的侧面。
6.批量:公称口径d≤25mm时1000根/批,d>25~50mm时750根/批,d>50mm时500根/批;取样:一拉一压一弯。
管标准:GB3087 ——中国国家标准GB5310 ——中国国家标准ASME SA106 ——美国锅炉及压力容器规范ASME SA333 ——美国锅炉及压力容器规范ASME SA335 ——美国锅炉及压力容器规范DIN17175 ——联邦德国工业标准EN10216-2 ——欧洲压力管道标准用途:用于低中压锅炉(工作压力一般不大于5.88Mpa,工作温度在450℃以下)的集箱及蒸汽管道;用于高压锅炉(工作压力一般在9.8Mpa以上,工作温度在450℃~650℃之间)的集箱及蒸汽管道,石化工业用管。
主要生产钢管牌号:10、20、20G、20MnG、25MnG、15CrMoG、12Cr2MoG、12Cr1MoVG、10Cr9Mo1VNb、SA106B、SA106C、SA333Ⅰ级、SA333Ⅵ级、SA335 P5、SA335 P11、SA335 P12、SA335P22、SA335 P91、SA335 P92、ST45.8/Ⅲ、15Mo3、13CrMo44、10CrMo910、15NiCuMoNb5-6-4等力学性能:化学成分: 标准 牌号化学成分(%)C Si Mn P SCrMo Cu Ni V Al W Nb N GB3087100.07~0.13 0.17~0.37 0.38~0.65 ≤0.030 ≤0.030 0.3~0.65/≤0.25 ≤0.30 / /200.17~0.23 0.17~0.37 0.38~0.65 ≤0.030 ≤0.030 0.3~0.65 / ≤0.25 ≤0.30/ /GB5310 20G0.17~0.24 0.17~0.37 0.35~0.65 ≤0.030 ≤0.030 ≤0.25 ≤0.15≤0.20 ≤0.25 ≤0.0820MnG0.17~0.25 0.17~0.37 0.70~1.00 ≤0.030 ≤0.030 ≤0.25 ≤0.15≤0.20 ≤0.25 ≤0.0825MnG0.23~0.27 0.17~0.37 0.70~1.00 ≤0.030 ≤0.030 ≤0.25 ≤0.15≤0.20 ≤0.25 ≤0.0815CrMo 0.12~0.18 0.17~0.37 0.40~0.70 ≤0.030 ≤0.030 0.80~1.10 0.40~0.55 ≤0.20 ≤0.3012Cr 2MoG 0.08~0.15 ≤0.50 0.40~0.70 ≤0.030 ≤0.030 2.00~2.50 0.90~1.20 ≤0.20 ≤0.3012Cr 1MoV 0.08~0.15 0.17~0.37 0.40~0.70 ≤0.030 ≤0.030 0.90~1.20 0.25~0.35 ≤0.20 ≤0.30 0.15~0.3010Cr 9Mo 1VNb0.08~0.20~0.30~≤0.020 ≤0.010 8.00~9.50 0.85~1.05 ≤0.20 ≤0.40 0.18~≤0.0150.06~0.03~0.12 0.50 0.60 0.25 0.10 0.07ASME SA10 6 SA106B0.17~0.25≥0.10.70~1.00≤0.030≤0.030 SA106C0.23~0.27≥0.10.70~1.00≤0.030≤0.030ASME SA33 3 SA333Ⅰ级0.09~0.12/0.7~1.00≤0.020≤0.010 SA333Ⅵ级0.09~0.12≥0.10.9~1.10≤0.020≤0.010ASME SA33 5 SA335 P110.05~0.150.50~1.00.30~0.60≤0.030≤0.0301.00~1.500.50~1.00SA335 P120.05~0.15≤0.500.30~0.61≤0.030≤0.0300.80~1.250.44~0.65SA335 P220.05~0.15≤0.500.30~0.60≤0.030≤0.0301.90~2.600.87~1.13SA335 P5≤0.15≤0.500.30~0.60≤0.030≤0.0304.00/6.000.45/0.65SA335 P910.08~0.120.20~0.500.30~0.60≤0.020≤0.0108.00~9.500.85~1.05≤0.400.18~0.25≤0.0150.06~0.100.03~0.07 SA335 P920.07~0.13≤0.500.30~0.60≤0.020≤0.0108.50~9.500.30~0.60B0.0010.006≤0.400.15~0.25≤0.0151.50~2.000.04~0.090.03~0.07DIN 1717 5 ST45.8/Ⅲ≤0.210.10~0.350.40~1.20≤0.040≤0.040≤0.3015Mo30.12~0.200.10~0.350.40~0.80≤0.035≤0.0350.25~0.3513CrMo440.10~0.180.10~0.350.40~0.70≤0.035≤0.0350.70~1.100.45~0.6510CrMo9100.08~≤0.500.30~≤0.025≤0.0202.00~2.500.90~1.10≤0.30≤0.30≤0.015气瓶用大口径无缝钢管标准:GB18248 —— 中国国家标准Q/321088HGB3 —— 江苏诚德钢管股份有限公司企业标准ASTM A519 —— 美国材料与试验学会标准 用途:用于制造气瓶用热轧大口径无缝钢管 主要生产钢管牌号: 4130X 尺寸公差:力学性能:化学成分: 0.35 0.350.901.100.25套管和油管用无缝钢管 标准: API SPEC 5CT —— 美国石油学会标准 用途: 用于油井用套管和油管的无缝钢管主要生产钢管牌号:J55、K55、N80、L80、P110等尺寸公差:化学成分:1.10 0.25管线用无缝钢管标准:API SPEC 5L ——美国石油学会标准 GB/T9711.2——中国国家标准 用途:用于石油、天然气工业中的氧、水、油输送管 主要生产钢管牌号:B 、X42、X52、X60、X65、X70 尺寸公差:力学性能:化学成分:注:1.0.015%≤Altot<0.06%;N≤0.012%;Al/N≥2/1;Cu≤0.25%;Ni≤0.30%;Cr≤0.30%;Mo≤0.10%2.V +Nb +Ti≤0.153.X60、X65、X70经协商Mo≤0.35%高压化肥设备用无缝钢管标准:GB6479——中国国家标准 用途:用于高压化肥设备和管道用无缝钢管。
分析压力钢管的力学性能及结构强度的安全评估压力钢管是一种广泛应用于石油、天然气、化工等工业领域的管道材料,其力学性能和结构强度是评估其安全性的重要指标。
本文将分析压力钢管的力学性能及结构强度的安全评估。
首先,压力钢管的力学性能主要包括材料性能和力学性能指标两个方面。
材料性能涉及钢管的化学成分、力学性能、物理性质等,其中最重要的参数是抗拉强度、屈服强度、延伸率和冲击韧性。
这些参数反映了钢管的抗拉强度、塑性变形能力和耐冲击破坏能力。
力学性能指标涉及钢管的载荷能力、变形能力和破坏形式等,包括承载能力、屈曲能力和抗破坏能力等。
分析压力钢管的力学性能可以通过标准化测试方法和现场实验方法获取数据,然后进行数据统计、分析和比对,从而评估其力学性能。
其次,压力钢管的结构强度是指钢管在实际使用过程中承受内外压力、温度变化等外力和环境因素的影响下,保持结构完整性的能力。
结构强度的评估主要包括强度计算和强度试验两个方法。
强度计算是通过建立钢管的力学模型,利用数学公式和力学原理计算钢管在不同力载荷下的应力、应变和变形等参数,然后与安全设计标准进行比较,判断结构的强度是否满足要求。
强度试验是通过实际加载钢管,测量应力应变响应和变形形态,然后与设计要求进行对比,评估结构的安全性。
综合考虑强度计算和强度试验的结果,可以对压力钢管的结构强度进行全面评估。
安全评估是对压力钢管力学性能和结构强度进行综合分析,评估其在使用过程中的安全性。
安全评估的方法包括定性评估和定量评估。
定性评估是从整体和经验角度,对压力钢管的性能和强度进行综合评判,考虑管道设计、施工、使用和维护等方面的因素,判断其是否满足安全要求。
定量评估是通过数学模型、风险分析和可靠性计算等方法,对压力钢管在特定工况下的安全性进行量化评估,得出相应的安全指标和评估结果。
在压力钢管的力学性能和结构强度的安全评估中,还需要考虑材料变化、腐蚀、疲劳和裂纹等因素对安全性的影响。
材料变化是指钢管在长期使用和环境变化下,材料性能和力学性能可能发生变化,导致安全性下降。
高压(低中压)锅炉及石化工业用大口径无缝钢管标准:GB3087 ——中国国家标准GB5310 ——中国国家标准ASME SA106 ——美国锅炉及压力容器规范ASME SA333 ——美国锅炉及压力容器规范ASME SA335 ——美国锅炉及压力容器规范DIN17175 ——联邦德国工业标准EN10216-2 ——欧洲压力管道标准用途:用于低中压锅炉(工作压力一般不大于5.88Mpa,工作温度在450℃以下)的集箱及蒸汽管道;用于高压锅炉(工作压力一般在9.8Mpa以上,工作温度在450℃~650℃之间)的集箱及蒸汽管道,石化工业用管。
主要生产钢管牌号:10、20、20G、20MnG、25MnG、15CrMoG、12Cr2MoG、12Cr1MoVG、10Cr9Mo1VNb、SA106B、SA106C、SA333Ⅰ级、SA333Ⅵ级、SA335 P5、SA335 P11、SA335 P12、SA335P22、SA335 P91、SA335 P92、ST45.8/Ⅲ、15Mo3、13CrMo44、10CrMo910、15NiCuMoNb5-6-4等尺寸公差:钢管种类外径(D)壁厚(S)冷拔管钢管外径(mm) 允许偏差(mm) 钢管壁厚(mm) 允许偏差(mm) >114~159 ±0.8%≤30 ±10%>159~219 ±1.0%热轧管>219~457 ±1.0%≤20 -10%,+12.5%>20~40 -10%,+10%>457~1066 ±0.9%>40~70 -7%,+9%>70~120 -6%,+8%力学性能:准牌号抗拉强度(MPa)屈服强度(MPa)伸长率(%)冲击功(J)87 10 335~475 ≥195 ≥24 20 410~550 ≥245 ≥201020G 410~550 ≥245 ≥24 ≥35 20MnG ≥415 ≥240 ≥22 ≥35 25MnG ≥485 ≥275 ≥20 ≥35 15CrMoG 440~640 ≥235 ≥21 ≥35 12Cr2MoG 450~600 ≥280 ≥20 ≥35 12Cr1MoVG 470~640 ≥255 ≥21 ≥35 10Cr9Mo1VNb ≥585 ≥415 ≥20 ≥35A106 SA106B ≥415 ≥240 ≥22 ≥35 SA106C ≥485 ≥275 ≥20 ≥35A333 SA333Ⅰ级≥380 ≥205 ≥28 -45℃ ≥18 SA333Ⅵ级≥415 ≥240 ≥22 -45℃ ≥18化学成分:0.150.70EN10216-2 15NiCuMoNb 5-6-4(WB36) ≤0.17 0.25~0.50 0.80~1.20 ≤0.025 ≤0.020 ≤0.30 0.25~0.50 0.50~0.80 1.00~1.30≤0.050.015~0.045气瓶用大口径无缝钢管标准:GB18248 —— 中国国家标准Q/321088HGB3 —— 江苏诚德钢管股份有限公司企业标准ASTM A519 —— 美国材料与试验学会标准 用途:用于制造气瓶用热轧大口径无缝钢管 主要生产钢管牌号: 4130X 尺寸公差:钢管种类 外径(D)壁厚(S)热轧管 钢管外径(mm)允许偏差(mm) 钢管壁厚(mm)允许偏差(mm) φ559±1.0%17.0-0%,+25力学性能:标准牌号抗拉强度(MPa ) 屈服强度(MPa )屈强比伸长率(%) 冲击功Akv (J ) 硬度 Q/321088HGB3 4130X 725~865 485~735 ≤0.85 ≥20-40℃≥40195~269HB化学成分: 准牌号化学成分(%)CSiMn PSCr NiCuMo88HGB3 4130X0.25~0.35 0.15~0.350.40~0.90≤0.020 ≤0.010 0.80~1.10≤0.25 ≤0.20 0.15~0.25≤0套管和油管用无缝钢管 标准: API SPEC 5CT —— 美国石油学会标准 用途: 用于油井用套管和油管的无缝钢管主要生产钢管牌号:J55、K55、N80、L80、P110等尺寸公差:钢管种类外径(D)壁厚(S)冷拔管钢管外径(mm) 允许偏差(mm) 允许偏差(mm) <114.3 ±0.79-12.5%≥114.3-0.5%,+1%力学性能:标准牌号抗拉强度(MPa)屈服强度(MPa)伸长率(%)硬度API SPEC 5CTJ55 ≥517379~552查表K55 ≥517≥655N80 ≥689552~758L80(13Cr) ≥655552~655 ≤241HB P110 ≥862758~965化学成分:牌号化学成分(%)C Si Mn P S Cr Ni Cu Mo VJ55K55 (37Mn5) 0.34~0.390.20~0.351.25~1.50≤0.020≤0.015≤0.15≤0.20≤0.20≤N80 (36 Mn2V) 0.34~0.380.20~0.351.45~1.70≤0.020≤0.015≤0.150.11~0.16≤L80(13Cr) 0.15~0.22≤1.000.25~1.00≤0.020≤0.01012.0~14.0≤0.20≤0.20≤P110, (30CrMo) 0.26~0.350.17~0.370.40~0.70≤0.020≤0.0100.80~1.10≤0.20≤0.200.15~0.25≤0.08≤管线用无缝钢管标准:API SPEC 5L——美国石油学会标准GB/T9711.2——中国国家标准用途:用于石油、天然气工业中的氧、水、油输送管主要生产钢管牌号:B、X42、X52、X60、X65、X70尺寸公差:钢管种类钢管外径(D)钢管壁厚(S)管体钢管外径 (mm) 允许偏差(mm) 钢管外径(mm) 允许偏差(mm) ≥60.3且S<20 ±0.75%≤73.0+15%,-12.5%≥60.3且S≥20±1.00%>73.0且S<20 +15%,-12.5%>73.0且S≥20+17.5%,-10力学性能:标准牌号抗拉强度(MPa)屈服强度(MPa)屈强比伸长率(%)0℃冲击功Akv(J)热处理状态API SPEC 5L GB/T9711.2B ≥415245~440 ≤0.8022 ≥40正火X42 ≥415290~440 ≤0.8021 ≥40正火X52 ≥460360~510 ≤0.8520 ≥40正火X60 ≥520415~565 ≤0.8518 ≥40正火X65 ≥535450~570 ≤0.9018 ≥40淬火+回火X70 ≥570485~605 ≤0.9018 ≥40淬火+回火化学成分:标准牌号化学成分(%)CEV(%)C Si Mn P S V Nb TiAPI SPEC 5L GB/T9711.2B ≤0.16≤0.40≤1.10≤0.020≤0.010---≤0.42 X42 ≤0.17≤0.40≤1.20≤0.020≤0.010≤0.05≤0.05≤0.04≤0.42 X52 ≤0.20≤0.45≤1.60≤0.020≤0.010≤0.10≤0.05≤0.04≤0.45 X60 ≤0.21≤0.45≤1.60≤0.020≤0.010≤0.15≤0.05≤0.04协议X65 ≤0.16≤0.45≤1.60≤0.020≤0.010≤0.06≤0.05≤0.06≤0.45 X70 ≤0.16≤0.45≤1.70≤0.020≤0.010≤0.06≤0.05≤0.06≤0.45注:1.0.015%≤Altot<0.06%;N≤0.012%;Al/N≥2/1;Cu≤0.25%;Ni≤0.30%;Cr≤0.30%;Mo≤0.10%2.V+Nb+Ti≤0.153.X60、X65、X70经协商Mo≤0.35%高压化肥设备用无缝钢管标准:GB6479——中国国家标准用途:用于高压化肥设备和管道用无缝钢管。
无缝钢管的力学性能计算公式无缝钢管是由一种特殊的生产方法制成的钢管,通过热轧、冷轧或冷拔等工艺来生产。
由于其生产工艺的特殊性,使得无缝钢管具有较高的力学性能,适用于各种高强度、高温、高压、低温等工况下的使用。
本文将介绍无缝钢管的力学性能计算公式。
1.抗拉强度的计算抗拉强度是无缝钢管承受拉力时的最大承载能力。
计算公式如下:抗拉强度=承载力/断面积其中,承载力可以通过不同的试验方法测得,断面积可以通过钢管的外径和壁厚计算得到。
2.屈服强度的计算屈服强度是无缝钢管承受拉力后开始发生塑性变形的最大拉力。
计算公式如下:屈服强度=屈服点的载荷/断面积屈服点的载荷可以通过拉伸试验中的屈服点来确定,断面积同样可以通过钢管的外径和壁厚计算得到。
3.弹性模量的计算弹性模量是无缝钢管在受力后恢复形变的能力。
计算公式如下:弹性模量=施加应力/应变弹性模量可以通过拉伸试验中的施加应力和应变来确定。
4.硬度的计算硬度是无缝钢管承受外力后表面产生的塑性变形程度。
常用的硬度计算方法有布氏硬度、洛氏硬度等。
计算公式如下:硬度=负荷/断面积其中,负荷可以通过硬度试验中的载荷来确定,断面积同样可以通过钢管的外径和壁厚计算得到。
需要注意的是,不同的无缝钢管材质和规格具有不同的力学性能计算公式,以上公式仅为一般计算方法,具体计算时需要根据钢管的具体规格和材质进行调整。
同时也需要根据具体的使用要求和标准选择合适的计算方法和公式。
总之,无缝钢管的力学性能计算是根据力学原理和试验数据来确定的,通过合理的计算方法和公式可以准确评估钢管的力学性能,为工程设计和选材提供科学依据。
20#无缝钢管力学性能一.20#无缝钢管特性及应用范围是什么20#无缝钢管特性及适用范围:强度比15号钢稍高,很少淬火,无回火脆性。
冷变形塑性高、一般供弯曲、压延、弯边和锤拱等加工,电弧焊和接触焊的焊接性能好,气焊时厚度小,外形要求严格或形状复杂的制件上易发生裂纹。
切削加工性冷拔或正火状态较退火状态好、一般用于制造受力不大而韧性要求高的。
化学成份:碳C :0.17~0.24"硅Si:0.17~0.37锰Mn:0.35~0.65硫S :≤0.035磷P :≤0.035铬Cr:≤0.25镍Ni:≤0.25铜Cu:≤0.25力学性能:抗拉强度σb (MPa):≥410(42)屈服强度σs (MPa):≥245(25)伸长率δ5 (%):≥25断面收缩率ψ (%):≥5,硬度:未热处理,≤156HB,试样尺寸:试样尺寸25mm热处理规范及金相组织:热处理规范:正火,910℃,空冷。
金相组织:铁素体+珠光体。
交货状态:以不热处理或热处理(退火、正火或高温回火)状态交货。
要求热处理状态交货的应在合同中注明,未注明者按不热处理交货。
二.20#无缝钢管的力学性能所谓20#无缝钢管就是指两端开口并具有中空断面,其长度与周边之比较大的钢材管。
按造生产方法不同可分为无缝无缝钢管和焊接无缝钢管,无缝钢管的规格用外形尺寸(如外径或边长)及壁厚表示,其尺寸范围很广,从直径很小的毛细管直到直径达数米的大口径管。
无缝钢管可用于管道、热工设备、机械工业、石油地质勘探、容器、化学工业和特殊用途。
无缝钢管的分类:无缝钢管分无缝无缝钢管和焊接无缝钢管(有缝管)两大类。
按断面形状又可分为圆管和异形管,广泛应用的是圆形无缝钢管,但也有一些方形、矩形、半圆形、六角形、等边三角形、八角形等异形无缝钢管。
对于承受流体压力的无缝钢管都要进行液压试验来检验其耐压能力和质量,在规定的压力下不发生泄漏、浸湿或膨胀为合格,有些无缝钢管还要根据标准或需方要求进行卷边试验、扩口试验、压扁试验等。
钢管力学性能检验检测原始记录日期:2024年5月15日地点:XX检测实验室1.检测对象钢管型号:XX型号尺寸:外径50mm,壁厚5mm,长度2000mm2.材料检测2.1化学成分检测使用光谱仪对钢管材料的化学成分进行检测,结果如下:C(碳)含量:0.2%Si(硅)含量:0.3%Mn(锰)含量:1.1%P(磷)含量:0.02%S(硫)含量:0.01%Cr(铬)含量:0.5%Ni(镍)含量:0.5%2.2金相检测将钢管样品进行研磨、抛光后,使用金相显微镜进行观察。
观察结果如下:组织结构:晶粒均匀细小,无夹杂物,无晶界偏差。
3.强度性能测试3.1屈服强度测试在拉伸试验机上进行强度测试,测试参数如下:载荷速率:10 mm/min试验结果如下:屈服强度:300MPa3.2抗拉强度测试在拉伸试验机上进行强度测试,测试参数如下:载荷速率:10 mm/min试验结果如下:抗拉强度:400MPa4.硬度测试使用洛氏硬度计对钢管材料进行硬度测试,测试结果如下:表面硬度:HB2005.冲击韧性测试使用冲击试验机对钢管进行冲击韧性测试,测试参数如下:试验温度:-20℃试验结果如下:冲击韧性:45 J/cm26.弯曲强度测试将钢管样品进行弯曲强度测试,测试参数如下:试验长度:1000 mm试验结果如下:弯曲强度:500MPa7.疲劳性能测试在疲劳试验机上进行测试,测试参数如下:载荷范围:100N-400N试验结果如下:8.总结和建议经过对钢管的多项力学性能测试,根据测试结果,可以得出以下结论:-钢管的化学成分符合标准要求,材料质量良好。
-钢管的组织结构均匀细小,无夹杂物,无晶界偏差。
-钢管的屈服强度和抗拉强度分别为300MPa和400MPa,满足使用要求。
-钢管的硬度为HB200,表面硬度较高,表明材料具有较好的耐磨性能。
- 钢管的冲击韧性为45 J/cm2,在低温条件下仍具有较好的韧性。
-钢管的弯曲强度为500MPa,强度合格。
钢管力学性能力学性能钢材力学性能是保证钢材最终使用性能(机械性能)的重要指标,它取决于钢的化学成分和热处理制度。
在钢管标准中,根据不同的使用要求,规定了拉伸性能(抗拉强度、屈服强度或屈服点、伸长率)以及硬度、韧性指标,还有用户要求的高、低温性能等。
①抗拉强度(σb)试样在拉伸过程中,在拉断时所承受的最大力(Fb),出以试样原横截面积(So)所得的应力(σ),称为抗拉强度(σb),单位为N/mm2(MPa)。
它表示金属材料在拉力作用下抵抗破坏的最大能力。
计算公式为:式中:Fb--试样拉断时所承受的最大力,N(牛顿); So--试样原始横截面积,mm2。
②屈服点(σs)具有屈服现象的金属材料,试样在拉伸过程中力不增加(保持恒定)仍能继续伸长时的应力,称屈服点。
若力发生下降时,则应区分上、下屈服点。
屈服点的单位为N/mm2(MPa)。
上屈服点(σsu):试样发生屈服而力首次下降前的最大应力;下屈服点(σsl):当不计初始瞬时效应时,屈服阶段中的最小应力。
屈服点的计算公式为:式中:Fs--试样拉伸过程中屈服力(恒定),N(牛顿)So--试样原始横截面积,mm2。
③断后伸长率(σ)在拉伸试验中,试样拉断后其标距所增加的长度与原标距长度的百分比,称为伸长率。
以σ表示,单位为%。
计算公式为:式中:L1--试样拉断后的标距长度,mm; L0--试样原始标距长度,mm。
④断面收缩率(ψ)在拉伸试验中,试样拉断后其缩径处横截面积的最大缩减量与原始横截面积的百分比,称为断面收缩率。
以ψ表示,单位为%。
计算公式如下:式中:S0--试样原始横截面积,mm2; S1--试样拉断后缩径处的最少横截面积,mm2。
⑤硬度指标金属材料抵抗硬的物体压陷表面的能力,称为硬度。
根据试验方法和适用范围不同,硬度又可分为布氏硬度、洛氏硬度、维氏硬度、肖氏硬度、显微硬度和高温硬度等。
对于管材一般常用的有布氏、洛氏、维氏硬度三种。
A、布氏硬度(HB)用一定直径的钢球或硬质合金球,以规定的试验力(F)压入式样表面,经规定保持时间后卸除试验力,测量试样表面的压痕直径(L)。
高压(低中压)锅炉及石化工业用大口径无缝钢管标准: GB3087中国国家标准GB5310——中国国家标准ASME SA106 ―― 美国锅炉及压力容器规范 ASME SA333 ―― 美国锅炉及压力容器规范 ASME SA335 ―― 美国锅炉及压力容器规范DIN17175 —— 联邦德国工业标准 欧洲压力管道标准用途:EN10216-2用于低中压锅炉(工作压力一般不大于 5.88Mpa ,工作温度在450C 以下)的集箱及蒸汽管道;用于高压锅炉(工作压力一般在 9.8Mpa 以上,工作温度在 450C 〜650C 之间)的集箱及蒸汽管 道,石化工业用管。
主要生产钢管牌号: 10、20、20G 、20MnG 25MnG 15CrMoG 12Cr2MoG 12Cr1MoVG 10Cr9Mo1VNb SA106B SA106C SA333I 级、SA333^ 级、 15Mo3、13CrMo44、10CrMo910、15NiCuMoNb5-6-4 等 SA335 P5、SA335 P11、SA335 P12、SA335P22、SA335 P91、SA335P92、 ST45.8/皿、尺寸公差: 钢管执 八、、外径(D ) 钢管外径(mm ) 允许偏差(mm )>114〜159 士 0.8 % >159〜219 士 1.0 %>219〜457士 1.0 %>457 〜1066士 0.9 %种类 冷拔管 轧管 壁厚(S ) )钢管壁厚(mm ) 允许偏差(mm< 30 士 10%< 20—10 %,+ 12.5 % > 20 〜40 —10 %,+ 10% > 40 〜70—7%,+ 9% >70〜120—6%,+ 8%牌号抗拉强度(MPa屈服强度(MPa ) 伸长率(%)冲击功(J )10 335 〜475 > 195 > 2420 410 〜550 > 245 > 2020G 410 〜550 > 245 > 24 > 35 20MnG > 415 > 240 > 22 > 35 25MnG> 485 > 275 > 20 > 35 15CrMoG 440 〜640 > 235 > 21 > 35 12Cr2MoG 450 〜600 > 280 > 20 > 35 12Cr1MoVG 470 〜640 > 255 > 21 > 35 10Cr9Mo1VNb> 585 > 415 > 20 > 35 SA106B > 415 > 240 > 22 > 35 SA106C > 485 > 275 > 20 > 35 SA333I 级 > 380 > 205 > 28 —45C > 18 SA333^级> 415> 240> 22—45C > 18力学性能:8710A10 6A333SA335 P11 > 415 > 205 > 22 > 35 <163HB SA335 P12 > 415 > 220 > 22 > 35 <163HBASME SA335 SA335 P22 > 415 > 205 > 22 > 35 <163HB SA335 P5 > 415 > 205 > 22 > 35 < 187HBSA335 P91 585--760 > 415 > 20 > 35 < 250HB SA335 P92 > 620 > 440 > 20 > 35 250HBST45.8/ 皿410--530 > 255 > 21 > 27(DVM) /DIN1717515Mo3 450--600 > 270 > 22 > 34(DVM) /13CrMo44 440--590 > 290 > 22 > 34(DVM) /10CrMo910 480--630 > 280 > 20 > 34(DVM) /EN10216-2 15NiCuMoNb5-6-4(WB36)610--780 > 440 > 19 > 40 /化学成分标准牌号化学成分(%)C Si Mn P S Cr Mo Cu Ni V Al W Nb N0.07 0.17 0.38< 0. < 0. 0.3〜< 0. < 0.10 030 030 0.65 / 25 30 / /GB3 0 0.13 0.37 0.658720 0.17 0.17 0.38< 0. < 0. 0.3〜/< 0. < 0./ /030 030 0.65 25 300.23 0.37 0.650.17 0.17 0.35< 0. < 0. < 0. < 0. < 0.20G0.24 0.37 0.65 030 030< 0.25 < 0.1520 25 080.17 0.17 0.70 < 0. < 0. < 0. < 0. < 0.20MnG0.25 0.37 1.00 030 030< 0.25 < 0.1520 25 080.23 0.17 0.70 < 0. < 0. < 0. < 0. < 0.25MnG0.27 0.37 1.00 030 030< 0.25 < 0.1520 25 08GB5 3 0.12 0.17 0.40< 0. < 0. 0.80 〜0.40 〜< 0. < 0.10 15CrMo0.18 0.37 0.70030 030 1.10 0.55 20 300.08 < 0. 0.40 < 0. < 0. 2.00 〜0.90 〜< 0. < 0.12CcMoG0.15 500.70030 030 2.50 1.20 20 300.08 0.17 0.40 < 0. < 0. 0.90 〜0.25 〜< 0. < 0. 0.1512C“MoV0.15 0.37 0.70 030 030 1.20 0.35 20 300.300.08 0.20 0.30 < 0. < 0. 8.00 〜0.85 〜< 0. < 0. 0.18 < 0. 0.06 0.0310C「9MoVNb 020 0109.50 1.05 20 40 0150.12 0.50 0.60 0.17> 0.0.70< 0. ASM E SA10 SA106B 0.2511.00 0300.230.706 SA106C > 0.< 0.10300.271.000.090.7 < 0.ASM E SA33 SA333I 级 0.12 /1.00 0200.090.93SA333^级 > 0.< 0.10200.121.100.05 0.50 0.30 < 0.SA335 P 11 0.15 1.0 0.60 0300.05 < 0. 0.30 < 0.SA335 P 12 0.15500.61030 0.05 < 0. 0.30 < 0.SA335 P 2250030 ASM E0.150.60SA33 < 0. < 0. 0.30 < 0. 5 SA335 P 515 500.600300.08 0.20 0.30 < 0. SA335 P 91 0.12 0.50 0.60 0200.07< 0.0.30< 0.SA335 P 92 0.13500.60 0200.10 0.40< 0.< 0.ST45.8/ 皿 210.35 1.200400.12 0.10 0.40< 0. DIN 15Mo30351717 0.20 0.35 0.805 13CrMo440.10 0.100.40< 0.0350.18 0.35 0.700.08 < 0. 0.30 < 0.10CrMo91050025< 0. 0.70 〜0.45035 1.10 0.65< 0. 2.00 〜0.90 〜匕 0. < 0. < 0. 0202.501.1030 300150.15 0.70EN1015NiCuMoNb 21 5-6-4 6-2(WB36)< 0. 170.25 0.50 0.801.20< 0. 025 < 0.020< 0.300.25 〜 0.500.50 0.80 1.001.30< 0. 050.01 5〜 0.04 5GB18248 中国国家标准Q/321088HGB3 ――江苏诚德钢管股份有限公司 企业标准 ASTM A519 —— 美国材料与试验学会标准 用途: 用于制造气瓶用热轧大口径无缝钢管 主要生产钢管牌号: 4130X 尺寸公差钢管种类外径(D)壁厚(S)热轧管钢管外径(mm)允许偏差(mm) 钢管壁厚(mm)允许偏差(mm) $ 559士 1.0 %17.0—0%,+ 25标准 牌号抗拉强度 (MPa屈服强度 (MPa )屈强比伸长率 (%) 冲击功Akv (J ) 硬度 Q/321088HGB3 4130X 725〜865 485〜735 < 0.85 > 20—40C> 40195〜 269HB、 化学成分(%)准 牌号CSiMn PSCrNi Cu Mo0.25 〜0.15 〜 0.40 〜 < 0.020< 0.010 0.80 〜 < 0.25< 0.20 0.15 亠88HGB3 4130X0.350.350.901.100.25套管和油管用无缝钢管 标准: API SPEC 5CT美国石油 学会标准 用途:用于油井用套管 和油管的无缝钢主要生产钢管牌号:J55、K55、N80、L80、P110等标准:<0钢管种类外径(D)壁厚(S)钢管外径(mm)允许偏差(mm)允许偏差(mm)冷拔管V 114.3 士0.79—12.5 %> 114.3 —0.5 %,+ 1 %尺寸公差力学性能:标准牌号抗拉强度(MPa 屈服强度(MPa伸长率(%)硬度J55 > 517 379--552K55 > 517 > 655API SPEC 5CT N80 > 689 552--758 查表L80(13Cr) > 655 552--655 < 241HBP110 > 862 758--965化学成分牌号C Si Mn P J55K55 0.34 〜0.20 〜 1.25 〜< 0.020 (37M n5) 0.39 0.35 1.50N80 0.34 〜0.20 〜 1.45 〜< 0.020 (36 Mn2V) 0.38 0.35 1.70L80(13Cr) 0.15 〜< 1.000.25 〜< 0.020 0.22 1.00P110, 0.26 〜0.17 〜0.40 〜< 0.020 (30CrMo) 0.35 0.37 0.70管线用无缝钢管标准:API SPEC 5L ――美国石油学会标准GB/T9711.2 ——中国国家标准用途:用于石油、天然气工业中的氧、水、油输送管主要生产钢管牌号:S Cr Ni Cu Mo V < 0.015 < 0.15 < 0.20 < 0.20< 0.015 < 0.150.11 〜0.16 < 0.01012.0 〜14.0< 0.20 < 0.20< 0.0100.80 〜1.10< 0.20 < 0.200.15 〜0.25< 0.08 化学成分(%)B、X42、X52、X60、X65、X70钢管种类钢管外径(D)钢管壁厚(S)钢管外径(mm)允许偏差(mm)钢管外径(mm)允许偏差(mm)管体>60.3 且S V 20 士0.75 %< 73.0 + 15%,—12.5 %>60.3 且S> 20 士 1.00 %> 73.0 且S V 20 + 15%,—12.5 %> 73.0 且S>20 + 17.5 %,—10 尺寸公差标准牌号抗拉强度(MPa 屈服强度(MPa)屈强比伸长率(%)0C冲击功Akv (J)热处理状态API SPEC 5L B > 415 245〜-440 < 0.80 22 > 40 正火GB/T9711.2 X42 > 415 290〜-440 < 0.80 21 > 40 正火力学性能:X52 > 460 360〜510 C 0.85 20 > 40 正火X60 >520 415〜565 C 0.85 18 > 40 正火X65 > 535 450〜570 C 0.90 18 > 40 淬火+回火X70 >570 485〜605 C 0.90 18 > 40 淬火+回火化学成分标准牌号化学成分(%)CEV( %) C Si Mn P S V Nb TiB C 0.16 C 0.40 C 1.10 C 0.020 C 0.010 ——— C 0.42API SPEC5L X42 C 0.17 C 0.40 C 1.20 C 0.020 C 0.010 C 0.05 C 0.05 C 0.04 C 0.42 X52 C 0.20 C 0.45 C 1.60 C 0.020 C 0.010 C 0.10 C 0.05 C 0.04 C 0.45GB/T9711.2 X60 C 0.21 C 0.45 C 1.60 C 0.020 C 0.010 C 0.15 C 0.05 C 0.04 协议X65 C 0.16 C 0.45 C 1.60 C 0.020 C 0.010 C 0.06 C 0.05 C 0.06 C 0.45X70 C 0.16 C 0.45 C 1.70 C 0.020 C 0.010 C 0.06 C 0.05 C 0.06 C 0.45 注:1. 0.015 %< Altot V 0.06 %; N K 0.012 %; AI/N > 2/1 ; C L K 0.25 %; Ni < 0.30 %; Cr< 0.30 %; MoC 0.10 %2 . V+ Nb+ Ti C 0.153 . X60、X65、X70 经协商Mc C 0.35 %高压化肥设备用无缝钢管标准:GB6479 中国国家标准用途:用于高压化肥设备和管道用无缝钢管。
钢管力学性能力学性能钢材力学性能是保证钢材最终使用性能(机械性能)的重要指标,它取决于钢的化学成分和热处理制度。
在钢管标准中,根据不同的使用要求,规定了拉伸性能(抗拉强度、屈服强度或屈服点、伸长率)以及硬度、韧性指标,还有用户要求的高、低温性能等。
①抗拉强度(σb)试样在拉伸过程中,在拉断时所承受的最大力(Fb),出以试样原横截面积(So)所得的应力(σ),称为抗拉强度(σb),单位为N/mm2(MPa)。
它表示金属材料在拉力作用下抵抗破坏的最大能力。
计算公式为:式中:Fb--试样拉断时所承受的最大力,N(牛顿); So--试样原始横截面积,mm2。
②屈服点(σs)具有屈服现象的金属材料,试样在拉伸过程中力不增加(保持恒定)仍能继续伸长时的应力,称屈服点。
若力发生下降时,则应区分上、下屈服点。
屈服点的单位为N/mm2(MPa)。
上屈服点(σsu):试样发生屈服而力首次下降前的最大应力;下屈服点(σsl):当不计初始瞬时效应时,屈服阶段中的最小应力。
屈服点的计算公式为:式中:Fs--试样拉伸过程中屈服力(恒定),N(牛顿)So--试样原始横截面积,mm2。
③断后伸长率(σ)在拉伸试验中,试样拉断后其标距所增加的长度与原标距长度的百分比,称为伸长率。
以σ表示,单位为%。
计算公式为:式中:L1--试样拉断后的标距长度,mm; L0--试样原始标距长度,mm。
④断面收缩率(ψ)在拉伸试验中,试样拉断后其缩径处横截面积的最大缩减量与原始横截面积的百分比,称为断面收缩率。
以ψ表示,单位为%。
计算公式如下:式中:S0--试样原始横截面积,mm2; S1--试样拉断后缩径处的最少横截面积,mm2。
⑤硬度指标金属材料抵抗硬的物体压陷表面的能力,称为硬度。
根据试验方法和适用范围不同,硬度又可分为布氏硬度、洛氏硬度、维氏硬度、肖氏硬度、显微硬度和高温硬度等。
对于管材一般常用的有布氏、洛氏、维氏硬度三种。
A、布氏硬度(HB)用一定直径的钢球或硬质合金球,以规定的试验力(F)压入式样表面,经规定保持时间后卸除试验力,测量试样表面的压痕直径(L)。
布氏硬度值是以试验力除以压痕球形表面积所得的商。
以HBS(钢球)表示,单位为N/mm2(MPa)。
其计算公式为:式中:F--压入金属试样表面的试验力,N; D--试验用钢球直径,mm; d--压痕平均直径,mm。
测定布氏硬度较准确可靠,但一般HBS只适用于450N/mm2(MPa)以下的金属材料,对于较硬的钢或较薄的板材不适用。
在钢管标准中,布氏硬度用途最广,往往以压痕直径d来表示该材料的硬度,既直观,又方便。
举例:120HBS10/1000130:表示用直径10mm钢球在1000Kgf(9.807KN)试验力作用下,保持3 0s(秒)测得的布氏硬度值为120N/ mm2(MPa)。
热轧和冷轧(拨)无缝钢管的区别热轧和冷轧(拨)无缝钢管的区别冷轧无缝管(GB3639-2000)是用于机械结构、液压设备的尺寸精度高和表面光洁度好的冷拔或冷轧精密无缝钢管。
无缝钢管分热轧和冷轧(拨)无缝钢管两类。
冷轧(拨)无缝管除分一般钢管、低中压锅炉钢管、高压锅炉钢管、合金钢管、不锈钢管、石油裂化管、其它钢管外,还包括碳素薄壁钢管、合金薄壁钢管、不锈薄壁钢管、异型钢管。
热轧无缝管外径一般大于 32mm,壁厚2.5-75mm,冷轧无缝钢管处径可以到6mm,壁厚可到0.25mm,薄壁管外径可到5mm,壁厚小于0.25mm,冷轧比热轧尺寸精度高。
热轧无缝管分一般钢管,低、中压锅炉钢管,高压锅炉钢管、合金钢管、不锈钢管、石油裂化管、地质钢管和其它钢管等。
一般用无缝管:是用10、20、30、35、45等优质碳结钢16Mn、5MnV等低合金结构钢或40Cr、30CrMnSi、45Mn2、40MnB等合金钢热轧或冷轧制成的。
10、20等低碳钢制造的无缝管主要用于流体输送管道。
45、40Cr等中碳钢制成的无缝管用来制造机械零件,如汽车、拖拉机的受力零件。
一般用无缝钢管要保证强度和压扁试验。
热轧钢管以热轧状态或热处理状态交货;冷轧以热处理状态交货。
热轧和冷轧无缝管的主要区别:1、冷轧成型钢允许截面出现局部屈曲,从而可以充分利用杆件屈曲后的承载力;而热轧型钢不允许截面发生局部屈曲。
2、热轧型钢和冷轧型钢残余应力产生的原因不同,所以截面上的分布也有很大差异。
冷弯薄壁型钢截面上的残余应力分布是弯曲型的,而热扎型钢或焊接型钢截面上残余应力分布是薄膜型。
3、热轧型钢的自由扭转刚度比冷轧型钢高,所以热轧型钢的抗扭性能要优于冷轧型钢。
冷轧无缝管冷轧无缝管是指在常温下,经过冷拉、冷弯、冷拔等冷加工把钢板或钢带加工成各种型式的钢材。
优点:成型速度快、产量高,且不损伤涂层,可以做成多种多样的截面形式,以适应使用条件的需要;冷轧可以使钢材产生很大的塑性变形,从而提高了钢材的屈服点。
缺点: 1.虽然成型过程中没有经过热态塑性压缩,但截面内仍然存在残余应力,对钢材整体和局部屈曲的特性必然产生影响; 2.冷轧型钢样式一般为开口截面,使得截面的自由扭转刚度较低。
在受弯时容易出现扭转,受压时容易出现弯扭屈曲,抗扭性能较差;3.冷轧成型钢壁厚较小,在板件衔接的转角处又没有加厚,承受局部性的集中荷载的能力弱。
热轧无缝管是相对于冷轧无缝管而言的,冷轧无缝管是在再结晶温度以下进行的轧制,而热轧无缝管就是在再结晶温度以上进行的轧制。
优点:可以破坏钢锭的铸造组织,细化钢材的晶粒,并消除显微组织的缺陷,从而使钢材组织密实,力学性能得到改善。
这种改善主要体现在沿轧制方向上,从而使钢材在一定程度上不再是各向同性体;浇注时形成的气泡、裂纹和疏松,也可在高温和压力作用下被焊合。
缺点:1.经过热轧之后,钢材内部的非金属夹杂物(主要是硫化物和氧化物,还有硅酸盐)被压成薄片,出现分层(夹层)现象。
分层使钢材沿厚度方向受拉的性能大大恶化,并且有可能在焊缝收缩时出现层间撕裂。
焊缝收缩诱发的局部应变时常达到屈服点应变的数倍,比荷载引起的应变大得多; 2.不均匀冷却造成的残余应力。
残余应力是在没有外力作用下内部自相平衡的应力,各种截面的热轧型钢都有这类残余应力,一般型钢截面尺寸越大,残余应力也越大。
残余应力虽然是自相平衡的,但对钢构件在外力作用下的性能还是有一定影响。
如对变形、稳定性、抗疲劳等方面都可能产生不利的作用。
3.热轧的钢材产品,对于厚度和边宽这方面不好控制。
我们熟知热胀冷缩,由于开始的时候热轧出来即使是长度、厚度都达标,最后冷却后还是会出现一定的负差,这种负差边宽越宽,厚度越厚表现的越明显。
所以对于大号的钢材,对于钢材的边宽、厚度、长度,角度,以及边线都没法要求太精确。
无缝管用途种类如下:(1)一般结构、机械结构用无缝管(GB8162-87)(2)低中压锅炉用无缝管(GB/T3087-1999)(3)高压锅炉用无缝管ST45.8/111(GB5310-85)(4)输送流体用无缝管(GB/T8163-1999)(5)冷拔或冷扎精密无缝管(GB3639-83)(6)地质钻探用钢管(YB235-70)(7)石油钻探钢管(YB528-65)(8)液压气缸筒精密内径用无缝管(GB8713-88)(9)化肥专用无缝管(GB6479-86)(10)船舶用管(GB5312-85)(11)石油裂化管(GB9948-88)(12)各种合金管16Mn 27SiMn 15CrMo、35CrMo 12CrMov 20G 40Cr目前,全世界生产无缝管的共计有110多个国家的1850多个公司下的5100多个生产厂,其中生产石油管的有44个国家的170多个公司下的260多个厂。
2000年,无缝管全国表观消费量为418.0万吨,其中国内供应量的382.1万吨,占国内总需求的91.4%。
进口为35.9万吨,占国内总需求的8.59%。
同年石油管消费量大约为91万吨。
进口约25.2万吨。
进口管占国内总消费量的大约70%,其中进口管占国内总消费量的27.69%,石油管进口量约占无缝管总进口量的大约70%。
从日本进口的石油管占总进口量一半以上。
中国最大的石油套管生产基地——天津钢管公司2000年的钢管产品出来为52.20万吨,其中石油套管产量为36.41万吨。
套管占全国石油产量的一半以上。
在产量和销售量上都占中国套管市场的第一位。
从国际和国内两个市场来看,无缝管(包括石油专用管)的现有生产能力均已大于需求。
所以,今后的重点应放在充分发挥现有机组的能力,开发出高强度等级、高抗击毁、高抗腐蚀的石油管、高压锅炉管和气瓶管等产品。
也是国家针对当前我国钢铁市场进行优化产品结构的内容。
这也是增加在国内外产品竞争力、扩大市场份额的关键所在。
就是说,提高国内钢管企业的市场竞争力是加和WTO以后国内企业长期的任务和成功发展的关键。
1.结构用无缝管(GB/T8162-1999)是用于一般结构和机械结构的无缝管。
2.流体输送用无缝管(GB/T8163-1999)是用于输送水、油、气等流体的一般无缝管。
3.低中压锅炉用无缝管(GB3087-1999)是用于制造各种结构低中压锅炉过热蒸汽管、沸水管及机车锅炉用过热蒸汽管、大烟管、小烟管和拱砖管用的优质碳素结构钢热轧和冷拔(轧)无缝管。
4.高压锅炉用无缝管(GB5310-1995)是用于制造高压及其以上压力的水管锅炉受热面用的优质碳素钢、合金钢和不锈耐热钢无缝管。
5.化肥设备用高压无缝管(GB6479-2000)是适用于工作温度为-40~400℃、工作压力为10~30Ma的化工设备和管道的优质碳素结构钢和合金钢无缝管。
6.石油裂化用无缝管(GB9948-88)是适用于石油精炼厂的炉管、热交换器和管道无缝管。
7.地质钻探用钢管(YB235-70)是供地质部门进行岩心钻探使用的钢管,按用途可分为钻杆、钻铤、岩心管、套管和沉淀管等。
8.金刚石岩芯钻探用无缝管(GB3423-82)是用于金刚石岩芯钻探的钻杆、岩心杆、套管的无缝管。
9.石油钻探管(YB528-65)是用于石油钻探两端内加厚或外加厚的无缝管。
钢管分车丝和不车丝两种,车丝管用接头联结,不车丝管用对焊的方法与工具接头联结。
10.船舶用碳钢无缝管(GB5213-85)是制造船舶I级耐压管系、Ⅱ级耐压管系、锅炉及过热器用的碳素钢无缝管。
碳素钢无缝管管壁工作温度不超过450℃,合金钢无缝管管壁工作温度超过450℃。
11.汽车半轴套管用无缝管(GB3088-82)是制造汽车半轴套管及驱动桥桥壳轴管用的优质碳素结构钢和合金结构钢热轧无缝管。
12.柴油机用高压油管(GB3093-86)是制造柴油机喷射系统高压管用的冷拔无缝管。
13.液压和气动缸筒用精密内径无缝管(GB8713-88)是制造液压和气动缸筒用的具有精密内径尺寸的冷拔或冷轧精密无缝管。